- ZONING6
State Law reference— Zoning, 65 ILCS 5/11-13-1 et seq.
The following rules of construction apply to the text of this Article:
(1)
The particular shall control the general.
(2)
In the case of any difference of meaning or implication between the text of this Article and any caption or illustration, the text shall control.
(3)
The term "shall" is always mandatory and not discretionary; the term "may" is permissive.
(4)
Words used in the present tense shall include future, and words used in the singular number shall include the plural, and the plural the singular, unless the context clearly indicates the contrary.
(5)
The term "building" or "structure" includes any part thereof.
(6)
The term "used for" includes the term "arranged for," "designed for," "maintained for" or "occupied for".
(7)
The term "person" includes an individual, a corporation, a partnership, an incorporated association or any other similar entity.
(8)
Unless the context clearly indicates the contrary, where a regulation involves two or more items, conditions, provisions, or events connected by the conjunction "and," "or" or "either . . . or," the conjunction shall be interpreted as follows:
a.
The term "and" indicates that all the connected items, conditions, provisions or events shall apply.
b.
The term "or" indicates that the connected items, conditions, provisions or events may apply singly or any combination.
c.
The term "either . . . or" indicates that the connected items, conditions, provisions or events shall apply singly but not in combination.
(9)
Terms not herein defined shall have the meanings customarily assigned to them.
(Prior Code, § 9-1-1; Ord. No. 2555-08/09, 5-27-2007)
The following words, terms and phrases, when used in this Article, shall have the meanings ascribed to them in this Section, except where the context clearly indicates a different meaning:
Accessory use or accessory means a use which is clearly incidental to, customarily found in connection with and (except in the case of accessory off-street parking spaces or loading) located on the same zoning lot as the principal use to which it is related. The term "accessory use" includes, but is not limited to, the following:
(1)
Residential accommodations for servants and/or caretakers.
(2)
Swimming pools for the use of the occupants of a residence or their guests.
(3)
Domestic or agricultural storage in a barn, shed, tool room or similar accessory building or other structure.
(4)
A newsstand primarily for the convenience of the occupants of a building which is located wholly within such building and has no exterior signs or displays.
(5)
Storage of merchandise normally carried in stock in connection with a business or industrial use, unless such storage is excluded in the applicable district regulations.
(6)
Storage of goods used in or produced by industrial uses or related activities, unless such storage is excluded in the applicable district regulations.
(7)
Accessory off-street parking spaces, open or enclosed, subject to the accessory off-street parking regulations for the district in which the zoning lot is located.
(8)
Uses clearly incidental to a main use such as, but not limited to offices of an industrial or commercial complex located on the site of the commercial or industrial complex.
(9)
Accessory off-street loading, subject to the off-street loading regulations for the district in which the zoning lot is located.
(10)
Accessory signs, subject to the sign regulations for the district in which the zoning lot is located.
Accessory structure or use means a subordinate building, structure or use which is located on the same lot on which the main building or use is situated and which is reasonably necessary and complimentary to the conduct of the primary use of such building or main use.
Adjacent or abutting means adjoining, bordering, touching or contiguous. If two lots are separated by a street, public alley or public walk, they shall not be deemed to be adjoining.
Adult-use cannabis craft grower means a facility operated by an organization or business that is licensed by the Illinois Department of Agriculture to cultivate, dry, cure, and package cannabis and perform other necessary activities to make cannabis available for sale at a dispensing organization or use at a processing organization pursuant to the Cannabis Regulation and Tax Act (410 ILCS 705/1-1 et seq.), as it may be amended from time to time, and regulations promulgated thereunder.
Adult-use cannabis cultivation center means a facility operated by an organization or business that is licensed by the Illinois Department of Agriculture to cultivate, process, transport, and perform necessary activities to provide cannabis and cannabis-infused products to licensed cannabis business establishments pursuant to the Cannabis Regulation and Tax Act (410 ILCS 705/1-1 et seq.), as it may be amended from time to time, and regulations promulgated thereunder.
Adult-use cannabis dispensing organization means a facility operated by an organization or business that is licensed by the Illinois Department of Financial and Professional Regulation to acquire cannabis from licensed cannabis business establishments for the purpose of selling or dispensing cannabis, cannabis-infused products, cannabis seeds, paraphernalia, or related supplies to purchasers or to qualified registered medical cannabis patients and caregivers pursuant to the Cannabis Regulation and Tax Act (410 ILCS 705/1-1 et seq.), as it may be amended from time to time, and regulations promulgated thereunder.
Adult-use cannabis infuser organization or infuser means a facility operated by an organization or business that is licensed by the Illinois Department of Agriculture to directly incorporate cannabis or cannabis concentrate into a product formulation to produce a cannabis-infused product pursuant to the Cannabis Regulation and Tax Act (410 ILCS 705/1-1 et seq.), as it may be amended from time to time, and regulations promulgated thereunder.
Adult-use cannabis processing organization or processor means a facility operated by an organization or business that is licensed by the Illinois Department of Agriculture to either extract constituent chemicals or compounds to produce cannabis concentrate or incorporate cannabis or cannabis concentrate into a product formulation to produce a cannabis product pursuant to the Cannabis Regulation and Tax Act (410 ILCS 705/1-1 et seq.), as it may be amended from time to time, and regulations promulgated thereunder.
Adult-use cannabis transporting organization or transporter means an organization or business that is licensed by the Illinois Department of Agriculture to transport cannabis on behalf of a cannabis business establishment or a community college licensed under the Community College Cannabis Vocational Training Pilot Program pursuant to the Cannabis Regulation and Tax Act (410 ILCS 705/1-1 et seq.), as it may be amended from time to time and regulations promulgated thereunder.
Airport means a facility designed to provide take-off, landing, storage and maintenance opportunities for passenger or cargo carrying aircraft of any type, excepting military.
Alcohol/drug rehabilitation home means a structure occupied by individuals undergoing rehabilitation for alcohol and/or drug use.
Alley means any dedicated public way affording a secondary means of access to abutting property and not intended for general traffic circulation.
Alterations means any change, addition or modification in construction or type or occupancy or in the structural members of a building, such as walls or partitions, columns, beams or girders, the consummated act of which may be referred to herein as "altered" or "reconstructed."
Animal clinic/boarding means an establishment operated by one or more veterinarians specializing in the treatment of sick, injured or infirmed animals, provided that the infirmed animals are not kept or treated in outdoor cages, pens or kennels.
Apartment means a suite of rooms or a room in a multiple-family building arranged and intended for a place of residence of a single-family or group of individuals living together as a single housekeeping unit.
Auto convenience market means a place where gasoline, motor oil, lubricants, or other minor accessories are retailed directly to the public on the premises in combination with the retailing of items typically found in a convenience market or supermarket.
Automated teller machine means an automated device that performs banking or financial functions at a location remote from the controlling financial institution.
Automobile repair means the general repair, engine rebuilding, rebuilding or reconditioning of motor vehicles; collision service, such as body, frame or fender straightening and repair; overall painting and undercoating of automobiles.
Basement means that portion of a building which is partly or wholly below grade but so located that the vertical distance from the average grade to the floor is greater than the vertical distance from the average grade to the ceiling. A basement shall not be counted as a story.
Basement and Story
Bed and Breakfast Act means 50 ILCS 820/1 et seq., and subsequent amendments thereto.
Bed and breakfast establishment means an operator-occupied residence providing accommodations for a charge to the public with at least four but no more than five guest rooms for rent, in operation for more than ten nights in a 12-month period. Breakfast may be provided to the guests only. The term "bed and breakfast establishment" does not include motels, hotels, boardinghouses, or food service establishments.
Block means the property abutting one side of a street and lying between the two nearest intersecting streets (crossing or terminating) or between the nearest such street and railroad right-of-way, unsubdivided acreage, lake, river or live stream or between any of the foregoing and any other barrier to the continuity of development or corporate boundary lines of the City.
Brew pub means a full-service restaurant with alcoholic beverages, which includes the brewing of beer as an accessory use. The brewing operation processes water, malt, hops, and yeast into beer or ale by mashing, cooking, and fermenting. The area used for brewing, including bottling and kegging, shall not exceed 25 percent of the total floor area of the commercial space. The brewery shall not produce more than 1,500 barrels of beer or ale per year. A barrel is equivalent to 31 gallons.
Brewery, micro, means a facility for the production and packaging of malt beverages of low alcoholic content for distribution, retail or wholesale, on or off premises, with a capacity of not more than 15,000 barrels per year. The development may include other uses such as a standard restaurant.
Buffer strip means an area, property, lot or tract of land or portion thereof, either vacant, fenced, bermed or landscaped with screen planting as herein specified, which shall serve as a separating space between dissimilar land uses or districts.
Building means any structure, either temporary or permanent, having a roof supported by columns or walls and intended for the shelter or enclosure of persons, animals, chattels or property of any kind.
Building, attached, means a building having one or more walls in common with another building or within one foot of another building.
Building, detached, means a building having no walls in common with another building and more than one foot away from another building.
Building height means the vertical distance measured from the established grade to the highest point of the roof surface for flat roofs, to the deck line of mansard roofs and to the average height between eaves and ridge for gable, hip and gambrel roofs.
Building Height
Building Inspector means the person designated by the City Council to perform inspections of the construction of buildings, structures and improvements within the City of Pekin to determine conformance with various City ordinances and codes.
Building line means a line formed by the face of the building, and for the purposes of this Article, a minimum building line is the same as a front setback line.
Building Line
Camper means a specially equipped motorized portable vehicle or non-motorized trailer-pulled facility designed and intended to be used for traveling or camping purposes. Any item defined as a camper in this Article can in no way be utilized or substituted as a residential dwelling or mobile home of any type.
Cannabis business establishment means an adult-use cannabis cultivation center, craft grower, processing organization, infuser organization, dispensing organization, or transporting organization, or a medical cannabis cultivation center or dispensing organization.
Children's advocacy center means a childcare and counseling facility which provides care and counseling to abused children. Such center shall be open no earlier than 7:00 a.m. and no later than 7:00 p.m., and shall not provide 24-hour care or permit overnight stays.
Club means an organization of persons for special purposes or for the promulgation of sports, arts, sciences, literature, politics or the like, but not operated for profit.
Cluster housing means an optional method of single-family residential land development permitting certain flexibility and innovation in unit density and open space arrangements in situations where standard subdivision methods would be unduly restrictive or not necessarily preferable.
Community residence means a dwelling under state license or certification or contract to provide supervision, food, lodging and other services to a service dependent population, living and cooking together as a single cooperative household unit, consisting of a basic group of members of a service dependent population and additional staff persons providing supervision of service to a basic group, as specified in the aforesaid licensing, certification or contract regulations. An alcohol/drug rehabilitation home is not a community residence.
Community residence, large, means a community living facility with a basic group limited to not more than 15 service-dependent individuals plus a maximum of four resident (live-in) staff at any given time, subject to a higher number if required to meet State or Federal regulations. Said facility is intended for permanent placement and shall not be for crisis or short-term placement.
Community residence, small, means a community living facility with a basic group limited to not more than eight service-dependent individuals plus a maximum of two resident (live-in) staff at any given time, subject to a higher number of staff if required to meet State or Federal regulations. Said facility is intended for permanent placement and shall not be for crisis or short-term, transient placement.
Congregate living center or guest house means a structure providing room and board to the public for compensation, but not providing nursing or medical care.
Convalescent or nursing home means a structure with sleeping rooms where persons are housed or lodged and are furnished with meals, nursing and medical care.
CRTA means the Cannabis Regulation and Tax Act (410 ILCS 705/1-1 et seq.), as it may be amended from time to time, and any regulations promulgated thereunder.
Day care center means a daytime group facility for more than eight children which gives care to children away from their homes.
Day care home means a one-family dwelling which receives not more than eight children for care during the day. The maximum of eight children includes the family's natural or adopted children under age 16 who are in the home full-time for care.
Density control factor (DCF) means the factor relating to family population utilized in this Article to control the number of dwellings allowed per acre of land in planned residential developments.
Development means the construction of a new building or other structure on a zoning lot, the relocation of an existing building on another lot or the use of open land for new use.
District means a portion of the incorporated area of the City within which certain regulations and requirements or various combinations thereof apply under the provisions of this Article.
Drive-in means an establishment where food, frozen desserts, or beverages are sold to the customers in a ready-to-consume state and where the customer consumes food, frozen desserts or beverages in an automobile parked upon the premises or at other facilities provided for customers which are located outside the building.
Drive-through means an establishment so developed that some portion of its retail or service character is dependent upon providing a driveway approach and staging area specifically designed for motor vehicles so as to serve patrons while in their motor vehicles, rather than within a building or structure, for carryout and consumption or use after the vehicle is removed from the premises.
Driveway, nonresidential, means any passageway for vehicle ingress and egress to private property, used in whole or in part for other than residence or dwelling house purposes.
Driveway, residential, means any passageway for vehicle ingress or egress to private property, used exclusively for residence or dwelling house purposes.
Duplex means a building designed exclusively for occupancy by two families living independently of each other and being located on the same lot.
Dwelling, multifamily, means a building or a portion thereof designed exclusively for occupancy by three or more families living independently of each other.
Dwelling, one-family, means a building designed exclusively for and occupied exclusively by one family.
Dwelling, two-family, means a building designed exclusively for occupancy by two families living independently of each other.
Dwelling unit means a building or portion thereof designed for occupancy by one family for residential purposes and having cooking facilities.
Educational institution or school means a publicly or privately owned structure or facility solely intended for the purpose of instructing students in general educational studies or vocational skills.
Erected means built, constructed, altered, reconstructed, moved upon, or any physical operations on the premises which are required for construction, excavation, fill, drainage and the like shall be considered a part of erection.
Essential services means the erection, construction, alteration or maintenance by public utilities or Municipal Departments of underground, surface or overhead gas, electrical, steam, fuel or water transmission or distribution systems, collection, communication, supply or disposal systems, including poles, wires, mains, drains, sewers, pipes, conduits, cables, fire alarm and police call boxes, traffic signals and hydrants in connection herewith, but not including, buildings which are necessary for the furnishing of adequate service by such utilities or Municipal Departments for the general health, safety or welfare.
Excavation means any breaking of ground, except common household gardening and ground care.
Exception means a use permitted only after review of an application by the Board of Appeals (see Chapter 2, Article VI, Division 10) or legislative body or a modification in the standards of this Article specifically permitted after review by the Board of Appeals (see Chapter 2, Article VI, Division 10), Zoning Board of Appeals or legislative body, such review being necessary because the provisions of this Article covering conditions precedent or subsequent are not precise enough to all applications without interpretation and such review and exception as provided for by this Article. An exception is not a variance.
Family means an individual or married couple and the children thereof with not more than two other persons related directly to the individual or married couple by blood or marriage; or a group of not more than five unrelated persons, living together as a single housekeeping unit in a dwelling unit.
Farm means the carrying on of any agricultural activity or the raising of livestock or small animals as a source of income.
Fence means a manmade structure constructed for the purchase of or to have the effect of enclosing the area it is constructed upon.
Fence, ornamental, means a manmade structure, the hard surface area of which is at least 100 percent open. As used herein, the term "100 percent open" means that each open space area of the fence is equal to the immediately preceding piece of hard surface area of the fence. No piece of hard surface of an ornamental fence may exceed four inches in width. The term "ornamental fence" does not include chain link fences or fences of wire construction.
Floor area, residential, for the purpose of computing the minimum allowable floor area in a residential dwelling unit, means the sum of the horizontal areas of each story of the building shall be measured from the exterior faces of the exterior walls or from the centerline of walls separating two dwellings. The floor area measurement is exclusive of areas of basements, unfinished attics, attached garages, breezeways and enclosed and unenclosed porches.
Floor area, usable, for the purpose of computing parking, means that area used for or intended to be used for the sale of merchandise or services or for use to serve patrons, clients or customers. Such floor area which is used or intended to be used principally for the storage or processing of merchandise, hallways or for utilities or sanitary facilities shall be excluded from this computation of usable floor area shall be the sum of the horizontal areas of the several floors of the building, measured from the interior faces of the exterior walls.
Floor Area
Floor area ratio means the ratio of the floor area of a building to its lot area. For example, means when a floor area ratio of four-tenths is specified, the floor area of a building constructed on a lot of 10,000 square feet in area is limited to a maximum of 4,000 square feet. The number of stories being optional, the building area may be 4,000 square feet for one story, 2,000 square feet for each of two stories, and so forth. The purpose of this ratio is to control the bulk of buildings.
Garage, private, means an accessory building or portion of a main building designed or used solely for the storage of motor-driven vehicles, boats and similar vehicles owned and used by the occupants of the building to which it is accessory.
Garage, service, means any premises used for the storage or care of motor-driven vehicles or where any such vehicles are equipped for operation, repaired or kept for remuneration, hire or sale.
Garage sale means any sale conducted in a residential zone, or from a residence in an OS-1 Zone, where tangible personal property is offered for sale in or out of any building or structure. The term "garage sale" includes garage sales, yard sales, rummage sales, estate sales or other similar sales.
Gasoline service station means a place for the dispensing, sale or offering for sale of motor fuels directly to users of motor vehicles, together with the sale of minor accessories and services for motor vehicles, but not including major automobile repair.
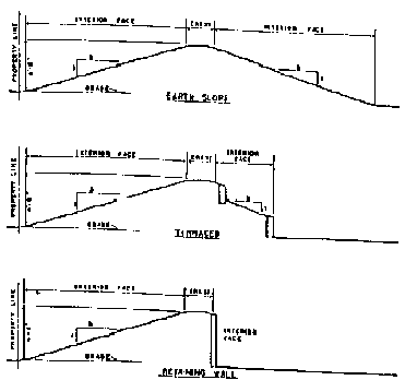
Grade means the ground elevation established for the purpose of regulating the number of stories and the height of buildings. The building grade shall be the level of the ground adjacent to the walls of the building if the finished grade is level. If the ground is not entirely level, the grade shall be determined by averaging the elevation of the ground for each face of the building.
Group care home for children means a child care facility which provides care for no more than eight children in a residential dwelling under 24-hour supervision or care placed by and under the supervision of a licensed child welfare agency with the residential dwelling being owned or rented and staffed and maintained or otherwise operated by the agency and licensed by the State of Illinois for the developmentally disabled under the Child Care Act of 1969, as amended from time to time (225 ILCS 10/1 et seq.).
Guest room means a sleeping room of a bed and breakfast establishment intended to serve no more than two transient guests per night.
Height of a building means vertical distance measured from the level of the public sidewalk or the top of the curb if there is no sidewalk or the centerline of the road if there is no sidewalk and no curb, opposite the middle of the front of the building to the highest point of the main structural roof.
Home garden means a private garden in which vegetables are raised for consumption by the gardener and his family and none of the produce thereof is sold or placed on the market.
Home occupation means is an occupation or profession customarily carried on by an occupant of a dwelling unit as a secondary home occupation use which is clearly subservient to use of the dwelling for residential purposes.
Horse stable means a structure to accommodate horses for personal use or the breeding, raising, training or boarding of horses for remuneration. The term "horse stable" may include the renting of horses for remuneration where appropriate trails are provided on a tract consisting of at least ten acres in addition to the acreage requirement of Section 4-3-4-2(4).
Hotel means a building or part of a building, with a common entrance or entrances, in which the dwelling units or rooming units are used primarily for transient occupancy and in which one or more of the following services are offered: maid service, furnishing of linen, telephone, secretarial or desk service and bellboy service. The term "hotel" may include a restaurant or cocktail lounge, public banquet halls, ballrooms or meeting rooms.
Indoor self-storage means a facility used for storage of personal property (no commercial storage) where individual renters control individual storage spaces, and where the entrance to the individual storage spaces are located and accessed from within a larger building or structure, whether or not such building is climate-controlled.
Irregularly shaped lot means any platted lot whose exterior shape does not form a square or rectangular plane figure.
Junkyard means an area where waste, used or secondhand materials are bought and sold, exchanged, stored, baled, packed, disassembled or handled, including, but not limited to, scrap iron and other metals, paper, rags, rubber tires and bottles. The term "junkyard" includes automobile wrecking yards and includes any open area of more than 200 square feet for storage, keeping or abandonment of junk.
Kennel, commercial, means any lot or premises on which three or more dogs, cats or other household pets are either permanently or temporarily boarded for remuneration.
Livestock means brood cows, feeder cattle or dairy cows.
Loading space means an off-street space on the same lot with a building or group of buildings for the temporary parking of a commercial vehicle while loading and unloading merchandise or materials.
Lodge means a bona fide fraternal association, service organization, club or society whose facilities are available for use only by its dues-paying members and their guests.
Lot means a parcel of land occupied or intended to be occupied by a main building or a group of such buildings and accessory buildings, or utilized for the principal use and uses accessory thereto, together with such yards and open spaces as are required under the provisions of this Article. A lot may or may not be specially designated as such on public records.
Interior, Through, and Corner Lots
Lot, corner, means a lot where the interior angle of two adjacent sides at the intersection of two streets is less than 135 degrees. A lot abutting upon a curved street or streets shall be considered a corner lot for the purposes of this Article if the arc is of less radius than 150 feet and the tangents to the curve, at the two points where the lot lines meet the curve or the straight street line extended form an interior angle of less than 135 degrees.
Lot, exterior villa, means a lot which is or is intended to be a site for a villa dwelling with a similar villa attached on only one side.
Lot, interior, means any lot other than a corner lot.
Lot, interior villa, means a lot which is or is intended to be a site for a villa dwelling with a similar villa attached on each side.
Lot, through, means any interior lot having frontage on two more or less parallel streets as distinguished from a corner lot. In the case of a row of double frontage lots, all yards of said lots adjacent to streets shall be considered frontage, and front yard setbacks shall be provided as required.
Lot, villa, means a parcel of land occupied or intended to be occupied by a principal residential building and accessory buildings, together with such open spaces as are required by this Code, and which piece or parcel has frontage of 24 feet or more on an improved public or private street and is in a previously recorded lot of record.
Lot, zoning, means a single tract of land, located within a single block, which, at the time of filing for a building permit, is designated by its owner or developer as a tract to be used, developed or built upon as a unit, under single ownership or control. A zoning lot shall satisfy this Article with respect to area, size, dimensions and frontage as required in the district in which the zoning lot is located. A zoning lot, therefore, may not coincide with a lot of record as filed with the County Recorder of Deeds, but may include one or more lots of record.
Lot area means the total horizontal area within the lot lines of the lot.
Lot coverage means the part or percent of the lot occupied by buildings and/or structures including accessory buildings and structures excluding driveways; walks and paved patios.
Lot depth means the horizontal distance between the front and rear lot lines, measured along the median between the side lot lines.
Lot lines means the lines bounding a lot as defined herein:
Lot line, front, means in case of an interior lot, is that line separating said lot from the street. In the case of a through lot, is that line separating said lot from either street.
Lot line, rear, means that lot line opposite the front lot line. In the case of a lot pointed at the rear, the rear lot line shall be an imaginary line parallel to the front lot line, not less than ten feet long lying farthest from the front lot line and wholly within the lot.
Lot line, side, means any lot line other than the front line or rear lot line. A side lot line separating a lot from a street is a side street lot line. A side lot line separating a lot from another lot or lots is an interior side lot line.
Lot of record means a parcel of land, the dimensions of which are shown on a document or map on file with the County or in common use by Municipal or County officials, which actually exists as so shown, or any part of such parcel held in a record ownership separate from that of the remainder thereof.
Lot width means the horizontal straight line distance between the side lot lines, measured between the two points where the front setback line intersects the side lot lines.
Main building means a building in which is conducted the principal use of the lot upon which it is situated.
Major thoroughfare means an arterial street which is intended to serve as a large volume trafficway for both the immediate Municipal area and the region beyond and is designated as a major thoroughfare, parkway, freeway, expressway or equivalent term on the major thoroughfare plan to identify those streets comprising the basic structure of the major thoroughfare plan.
Manufactured home means a factory constructed, transportable structure designed for permanent residential use when placed upon a foundation and connected to utilities. The minimum length of a manufactured home shall not be less than 40 feet with a total floor area of not less than 780 square feet. Manufactured homes must meet or exceed Federal and State manufactured home construction codes, and be constructed after June 15, 1976.
Master plan means the comprehensive community plan, including graphic and written proposals, indicating the general location for streets, parks, schools, public buildings and all physical development of the City and includes any unit or part of such plan and any amendment to such plan or parts thereof. Such plan may or may not be adopted by the Zoning Board of Appeals and/or the legislative body.
Medical Cannabis Act means the Compassionate Use of Medical Cannabis Program Act (410 ILCS 130/1 et seq.), as it may be amended from time to time, and any regulations promulgated thereunder.
Medical cannabis cultivation center means a facility operated by an organization or business that is registered by the Department of Agriculture to perform necessary activities to provide only registered medical cannabis dispensing organizations with usable medical cannabis.
Medical cannabis dispensing organization means a facility operated by an organization or business that is registered by the Department of Financial and Professional Regulation to acquire medical cannabis from a registered cultivation center for the purpose of dispensing cannabis, paraphernalia, or related supplies and educational materials to registered qualifying patients, individuals with a provisional registration for qualifying patient cardholder status, or an Opioid Alternative Pilot Program participant.
Medical clinic means a facility used for the medical treatment of individuals on an outpatient basis.
Mezzanine means an intermediate floor in any story, occupying not to exceed one-third of the floor area of such story.
Mini-warehouse means a building or number of buildings used for the storage of goods for compensation which has numerous compartments each not to exceed 600 square feet in area which are available for rent by different parties.
Mixed use means a land use where more than one classification of land use (residential, commercial, and recreational) permitted within a zoning district is combined on a lot or within a structure.
Mobile home means a structure, transportable in one or more sections, which in the traveling mode, is eight feet erected on-site, is 320 or more square feet and which is built on a permanent chassis and designed to be used as a dwelling with or without a permanent foundation when connected to the required utilities and manufactured prior to June 15, 1976.
Mobile home park means any plot of ground upon which two or more mobile homes, occupied for dwelling or sleeping purposes, are located.
Model home means a new, single-family residence, not occupied as such, built by a person engaged in the business of building new homes and used or intended for use for display purposes to be shown to prospective customers.
Motel means a series of attached, semi-detached or detached rental units containing a bedroom, bathroom and closet space. Units shall provide overnight lodging and are offered to the public for compensation and shall cater primarily to the public traveling by motor vehicle.
Motor vehicle means a self-propelled, free moving vehicle designed for the conveyance of goods or persons on a public street and as defined by the Illinois Vehicle Code (625 ILCS 5/1-100 et seq.).
Multi-message sign means an outdoor advertising sign that displays a series of message changes, regardless of the technology used. A multi-message sign provides for a fixed message of at least ten seconds in length with a transition time between message changes of three seconds or less.
Nonconforming building means a building, or portion thereof, lawfully existing at the effective date hereof, or amendments hereto, that does not conform to the provisions of this Article in the district in which it is located.
Nonconforming use means a use which lawfully occupied a building or land at the effective date hereof, or amendments hereto, that does not conform to the use regulations of the district in which it is located.
Nursery, plant materials, means a space, building or structure, or combination thereof, for the storage of live trees, shrubs or plants offered for retail sale on the premises, including products used for gardening or landscaping. The term "plant materials nursery," within the meaning of this Article, does not include any space, building or structure used for the sale of fruits, vegetables or Christmas trees.
Nursery school means a daytime facility which has as its main objective a development program for pre-school children and whose staff meets the educational requirements established by the State of Illinois.
Off-road vehicles mean a self-propelled, free-moving device which is not designed, intended or licensed for travel upon public streets or rights-of-way. The term "off-road vehicles" includes ATVs, mopeds, skidoos, boats, trailers, etc.
Off-street parking lot means a facility providing vehicular parking spaces along with adequate drives and aisles for maneuvering so as to provide access for entrance and exit for the parking of more than three vehicles.
Office means a room or suite of rooms used for the practice of a profession or service or for the conduct of a business, which does not involve the sale of goods from the premises. The term "office" does not include a personal service shop. If goods or merchandise are sold for delivery on or from the premises other than as incidental to the principal office use, then the premises shall be considered to be a store rather than an office.
Open front store means a business establishment so developed that a service to the patron may be extended beyond the walls of the structure, not requiring the patron to enter the structure.
Open space ratio (OSR) means the quotient of the open space on the lot divided by the total gross floor area on the lot.
Operator means the owner of the bed and breakfast establishment, or the owner's agent, who is required by this Article to reside in the bed and breakfast establishment.
Outdoor self-storage means a facility used for storage of personal property (no commercial storage) where individual renters control individual storage spaces, and where the individual storage spaces are accessible directly from the outdoors.
Parking space means an area of definite length and width; said area shall be exclusive of drives, aisles or entrances giving access thereto and shall be fully accessible for the parking of permitted vehicles.
Planned residential development (PRD) means a plan for a specific parcel of land, or several contiguous parcels of land, located entirely within a residential district, of sufficient size to permit development of a planned residential unit and supporting recreational and open space amenities. A planned residential development may include both attached and detached dwelling unit (single-family, multiple family, townhouses, etc.), as well as all typical accessory uses associated with residential uses, planned and designed in such a manner as to preserve and protect the character of abutting land as well as protecting uses within the PRD by preserving as much natural vegetation and terrain as possible.
Planned unit development (PUD) means an area for which a comprehensive unitary plan is to be submitted for a single tract of land allowing for flexibility in density, open space, setbacks and uses
Principal use means the main use to which the premises are devoted, and the principal purpose for which the premises exist.
Property value means the fair market sale value of a property as would be determined through a certified appraisal.
Public right-of-way accessibility guidelines means accessibility guidelines promulgated by the United States Access Board, for the design, construction, and alteration of pedestrian facilities in the public right-of-way. The guidelines ensure that sidewalks, pedestrian street crossings, pedestrian signals, and other facilities for pedestrian circulation and use constructed or altered in the public right-of-way by state and local governments are readily accessible to and usable by pedestrians with disabilities.
Public utility means a person, firm or corporation, Municipal department, board or commission duly authorized to furnish and furnishing, under Federal, State or Municipal regulations, to the public gas, steam, electricity, sewage disposal, communication, telegraph, transportation or water.
Recreational facility means a privately or publicly owned and maintained site, structure, or complex offering active participatory recreational opportunities to the general public or to private club members. The term "recreational facility" does not include land or facilities classified as parkland or open space areas related to a residential development.
Residential shelter means a building other than a hotel or restaurant where meals and sleeping quarters are provided (usually not for compensation), to three or more persons, but not more than 15 who are in need of housing and protective services. Services and shelter are provided on a weekly, or longer, basis but the facility is not open on a daily, overnight or per meal basis to transient guests. The term "residential shelter" does not include community residences.
Restaurant with incidental liquor sales means an establishment not containing a bar anywhere within the building, and serving alcohol only in conjunction with the sale of meals that have been prepared in the kitchen of the same establishment.
Retail store means a store, the primary purpose of which is to present and offer goods for delivery on or from the premises to the ultimate consumer.
Room, for the purpose of determining lot area requirements and density in a multiple family district, means a room is a living room, dining room or bedroom equal to at least 80 square feet in area. The term "room" shall not include the area in a kitchen, sanitary facilities, utility provisions, corridors, hallways and storage. Plans presented showing one-, two- or three- bedroom units, and including a den, library or other extra room, count such extra room as a bedroom for the purpose of computing density.
Rowhouse building means a building which contains a row of two, three or four single-family attached dwelling units, each being connected to the adjoining units in each story by walls that are fire-rated and are without openings and each unit having independent access to the exterior of the building in the ground story and each unit being located on a separate lot. Each common wall shall serve as a common/zero lot line.
Rowhouse dwelling means a dwelling unit which is part of a rowhouse building.
Sanitary landfill means a method of disposing of refuse on land without creating nuisances or hazards to public health or safety, by utilizing the principles of engineering to confine the refuse to the smallest practical area, to reduce it to the smallest practical volume, and to cover it with a layer of earth at the conclusion of each day's operation, or at such more frequent intervals as may be necessary and to provide a final cover following final placement of refuse.
Service station means a building or premises used primarily for dispensing, sale or offering for sale at retail of automobile fuels, oil and accessories.
Setback means the distance in linear feet measured on a horizontal plane from the lot line to the foundation or base of a building or structure on the lot and roughly perpendicular to the lot line.
Setback line means a line generally parallel with and measured from the lot line, defining the limits of a yard in which no building or structure may be located above the ground, except as may be provided within this Article.
Sign means the use of any words, numerals, figures, devices, designs or trademarks by which anything is made known such as are used to show an individual, firm, profession or business and are visible to the general public.
Sign, nonaccessory, means a sign which is not accessory to the principal use of the premises.
Story means the part of a building, except a mezzanine as defined herein, included between the surface of one floor and surface of the next floor or, if there is no floor above, then the ceiling next above. A basement shall not be counted as a story.
Basement and Story
Story, half, means an uppermost story lying under a sloping roof having an area of at least 200 square feet with a clear height of seven feet, six inches. For the purposes of this Article, the usable follow area is only that area having at least four feet clear height between floor and ceiling.
Street means a public dedicated right-of-way, other than an alley, which affords the principal means of access to abutting property.
Stringlights means temporary decor or accent lighting that is UL-listed and is protected by a GFCI circuit or plug.
Structure means anything constructed or erected, the use of which requires location on the ground or attachment to something having location on the ground.
Basic Structural Terms
Temporaryuse or building means a use or building permitted by the Board of Appeals (see Chapter 2, Article VI, Division 10) to exist during a specified period of time.
Use means the principal purpose for which land or a building is arranged, designed or intended or for which land or a building is or may be occupied.
Variance means a modification of the literal provisions of this Article granted when strict enforcement hereof would cause undue hardship owing to circumstances unique to the individual property on which the variance is granted. The crucial points of variance are: undue hardship, unique circumstances, and applying to property. A variance is not justified unless all three elements are present in the case. A variance is not an exception.
Villa means:
(1)
A building which contains a row of two, three or four single-family attached dwelling units, each being connected to the adjoining units in each story by walls that are fire-rated and are without openings and each unit having independent access to the exterior of the building in the ground story and each unit being located on a separate lot. Each common wall shall serve as a common/zero lot line.
(2)
A dwelling unit which is part of a villa building.
Wall, obscuring, means a structure of definite height and location to serve as an obscuring screen in carrying out the requirements of this Article.
Yards mean the open spaces on the same lot with a main building unoccupied and unobstructed from the ground upward except as otherwise provided in this Article and as defined herein:
Yards
Yard, front, means an open space extending the full width of the lot, the depth of which is the minimum horizontal distance between the front lot and the nearest point of the main building.
Yard, rear, means an open space extending the full width of the lot, the depth of which is the minimum horizontal distance between the rear lot line and the nearest point of the main building. In the case of the corner lot, the rear yard may be opposite either street frontage.
Yard, side, means an open space between a main building and the side lot line extending from the front yard to the rear yard, the width of which is the horizontal distance from the nearest point on the side lot line to the nearest point of the main building. See the following corresponding diagrams:
Zoning Administrator means the City staff person or consultant of the City appointed by the City Manager to undertake planning and zoning-related duties.
(Ord. No. 2526-OA-07/08, 8-13-2007; Ord. No. 2527, 8-27-2007; Ord. No. 2542-OA, 12-10-2007; Ord. No. 2590-OA-09/10, 7-27-2009; Ord. No. 2618-OA-10/11, 5-24-2010; Ord. No. 1568-A212-19/20, § 2, 11-25-2019; Ord. No. 2875-19/20, § 2, 3-23-2020; Ord. No. 2982-21-22, § 2, 6-28-2021; Ord. No. 3001-21-22, § 5, 7-26-2021)
For the purpose of this Division, the City is hereby divided into the following districts:
Districts Established
(Prior Code, § 9-2-1; Ord. No. 2526-OA-07/08, 8-13-2007; Ord. No. 2555-08/09, 5-27-2007)
The boundaries of these districts are hereby established as shown on the zoning map of the City of Pekin Zoning Ordinance, which map, with all notations, references and other information shown thereon, shall be as much a part of this Division as if fully described herein.
(Prior Code, § 9-2-2; Ord. No. 2555-08/09, 5-27-2007)
Where uncertainty exists with respect to the boundaries of the various districts as shown on the zoning map, the following rules shall apply:
(1)
Boundaries indicated as approximately following the centerlines of streets, highways or alleys shall be construed to follow such centerlines.
(2)
Boundaries indicated as approximately following platted lot lines shall be construed as following such lot lines.
(3)
Boundaries indicated as approximately following City limits shall be construed as following City limits.
(4)
Boundaries indicated as following railroad lines shall be construed to be the midway between the main tracks.
(5)
Boundaries indicated as following shorelines shall be construed to follow such shorelines and, in the event of change in the shoreline, shall be construed as moving with the actual shoreline; boundaries indicated as approximately following the centerline of streams, rivers, canals, lakes or other bodies of water shall be construed to follow such centerlines.
(6)
Boundaries indicated as parallel to or extensions of features indicated in Subsections (1) through (5) of this Section shall be so construed. Distances not specifically indicated on the official zoning map shall be determined by the scale of the map.
(7)
Where physical or natural features existing on the ground are at variance with those shown on the official zoning map, or in other circumstances not covered by Subsections (1) through (6) of this Section, the Board of Appeals shall interpret the district boundaries.
(8)
Insofar as some or all of the various districts may be indicated on the zoning map by patterns which, for the sake of map clarity, do not cover public rights of way or railroads, it is intended that such district boundaries do extend to the center of any public right-of-way or railroad.
(Prior Code, § 9-2-3; Ord. No. 2555-08/09, 5-27-2007)
Whenever any area is annexed to the City, the following conditions will apply: Land that is zoned previous to annexation shall be classified as being in whichever district of this Division most closely conforms with the zoning that existed prior to annexation, such classification to be recommended by the Zoning Board of Appeals to the City Council, which shall approve same by resolution.
(Prior Code, § 9-2-4; Ord. No. 2555-08/09, 5-27-2007; Ord. No. 3001-21-22, § 5, 7-26-2021)
Whenever any street, alley or other public way within the City shall be vacated, such street, alley or other public way or portion thereof shall automatically be classified in the same zone district as the property to which it attaches. In those instances where a street, alley or other public way serves as a zoning district boundary and is vacated, the centerline of such vacated street, alley or public way shall be considered the zoning district boundary.
(Prior Code, § 9-2-5; Ord. No. 2555-08/09, 5-27-2007)
All buildings and uses in any district shall be subject to the provisions of Divisions 8 and 11 of this Article.
(Prior Code, § 9-2-6; Ord. No. 2555-08/09, 5-27-2007)
Editor's note— Ord. No. 4195-24-25, § 2, adopted June 10, 2024, repealed § 4-3-3-7. Former § 4-3-3-7 pertained to fees and derived from § 9-2-7 of the prior code; Ord. No. 2555-08/09, adopted May 27, 2007; and Ord. No. 3001-21-22, § 5, adopted July 26, 2021.
The AG Agricultural Districts are designed to accommodate agricultural uses.
(Prior Code, § 9-3-1; Ord. No. 2555-08/09, 5-27-2007)
In an Agricultural District, no building or land shall be used and no building shall be erected, except for one or more of the following specified uses, unless otherwise provided in this Article:
(1)
Cemeteries.
(2)
Farms on those parcels of land having an area of not less than five acres, all subject to the health and sanitation provisions of the City, and provided, further, that no farms shall be operated as piggeries or for the disposal of garbage, sewage, rubbish, offal or rendering plants or for the slaughtering of animals except such animals as have been raised on the premises for at least a period of one year immediately prior thereto and for the use and consumption by persons residing on the premises.
(3)
Home-grown produce sales.
(4)
Horse stables, with said horse stables being limited to a density of two horses per one open, uncovered acre on a tract of land consisting of at least ten acres.
(5)
Municipal buildings and uses necessary to service adjacent areas, publicly owned and operated libraries, parks, parkways and recreational facilities.
(6)
One-family detached dwellings.
(7)
Plant nursery or greenhouse.
(8)
Public, parochial and other private elementary schools offering courses in general education.
(9)
Seed and grain sales.
(10)
Utility and public service buildings and uses when operating requirements necessitate the locating of such uses within the district in order to serve the immediate vicinity.
(11)
Accessory buildings and uses, customarily incident to any of the permitted uses provided for in this Section.
(Prior Code, § 9-3-2; Ord. No. 2555-08/09, 5-27-2007)
The following uses may be permitted in an AG Agricultural District, subject to the conditions hereinafter imposed for each use and subject, further, to the review and approval of the site plan and the use by the City Council after a hearing and recommendation is received from the Zoning Board of Appeals for each use:
(1)
Animal clinics, where all buildings are set back at least 200 feet from abutting residential districts on the same side of the street.
(2)
Archery clubs.
(3)
Indoor and outdoor shooting ranges.
(4)
Private country clubs.
(5)
Adult-use cannabis craft grower, subject to the conditions and procedures set forth in Division 10 of this Article.
(6)
Adult use cannabis cultivation center, subject to the conditions and procedures set forth in Division 10 of this Article.
(7)
Medical cannabis cultivation center, subject to the conditions and procedures set forth in Division 10 of this Article.
(Prior Code, § 9-3-3; Ord. No. 2555-08/09, 5-27-2007; Ord. No. 1568-A212-19/20, § 3, 11-25-2019; Ord. No. 3001-21-22, § 5, 7-26-2021; Ord. No. 4300-25-26, § 2, 5-27-2025)
See Section 4-3-7-1 limiting the height and bulk of buildings, providing the minimum size of lot permitted by land use, providing the maximum density permitted and providing minimum yard setback requirements.
(Prior Code, § 9-3-4; Ord. No. 2555-08/09, 5-27-2007)
(a)
See the following tables providing the schedule of regulations:
Schedule of Regulations - R-E, R-1, R-2, R-3, and R-4 Districts
Schedule of Regulations - RT, RM-1, RM-2, and RM-3 Districts
Schedule of Regulations - RT, RM-1, RM-2, and RM-3 Districts
Schedule of Regulations - OS-1, P-1, B-1, B-2, B-3, I-1, I-2 and AG Districts
(b)
The following table provides footnotes to the schedule of regulations provided for in Subsection (a) of this Section:
Footnotes to Schedule of Regulations
(c)
See the following diagrams pertaining to the schedule of regulations:
Schedule of Regulations Diagram
(Prior Code, § 9-9-1; Ord. No. 2543-OA, 12-10-2007; Ord. No. 3001-21-22, § 5, 7-26-2021)
The intent of this Section is to permit the subdivider or developer to vary his lot sizes and lot widths so as to average the minimum size of lot per unit as required in Section 4-3-7-1 for each one-family residential district. If this option is selected, the following conditions shall be met:
(1)
In meeting the average minimum lot size, the subdivision shall be so designed as not to create lots having an area or width greater than ten percent below that area or width required in Section 4-3-7-1 shall not create an attendant increase in the number of lots.
(2)
Each final plat submitted as part of a preliminary plat shall average the minimum required for the district in which it is located.
(3)
All computations showing lot area and the average resulting through this technique shall be indicated on the print of the preliminary plat.
(Prior Code, § 9-9-2)
(a)
Intent. The intent of the subdivision open space plan is to promote the following objectives:
(1)
Provide a more desirable living environment by preserving the natural character of open fields, stands of trees, brooks, hills and similar natural assets.
(2)
Encourage developers to use a more creative approach in the development of residential areas.
(3)
Encourage a more efficient, aesthetic and desirable use of open area while recognizing a reduction in development costs and allowing the developer to bypass natural obstacles on the site.
(4)
Encourage the provision of open space within reasonable distance to all lot development of the subdivision and to further encourage the development of recreational facilities.
(b)
Modifications to standards. Modifications to the standards as outlined in Section 4-3-7-1 may be made in the one-family residential districts when the following conditions are met:
(1)
The lot area in all R-1, R-2 and R-3 Residential Districts which are served by a public sanitary sewer system may be reduced up to 20 percent. In the R-1 District, this reduction may be accomplished in part by reducing lot widths up to ten feet. In the R-2 and R-3 Districts, this reduction may be accomplished in part by reducing lot widths up to five feet. These lot area reductions shall be permitted, provided that the dwelling unit density shall be no greater than if the land area to be subdivided were developed in the minimum square foot lot areas as required for each one-family district under Section 4-3-7-1. All calculations shall be predicated upon the one-family districts having the following gross densities (including roads):
a.
R-1: 3.2 dwelling units per acre.
b.
R-2: 3.6 dwelling units per acre.
c.
R-3: 4.1 dwelling units per acre.
(2)
Rear yards may be reduced to 30 feet when such lots border on land dedicated for park, recreation and/or open space purposes; provided, that the width of said dedicated land shall not be less than 100 feet measured at the point at which it abuts the rear yard of the adjacent lot.
(3)
Under the provisions of Subsection (b)(1) of this Section, for each square foot of land gained within a residential subdivision through the reduction of lot size below the minimum requirements as outlined in Section 4-3-7-1, at least equal amounts of land shall be dedicated to the common use of the lot owners of the subdivision in a manner approved by the City.
(4)
The area to be dedicated for subdivision open space purposes shall in no instance be less than four acres and shall be in a location and shape approved by the Zoning Board of Appeals.
(5)
The land area necessary to meet the minimum requirements of this Section shall not include bodies of water, swamps or land with excessive grades making it unsuitable for recreation. All land dedicated shall be so graded and developed as to have natural drainage. The entire area may, however, be located in a floodplain.
(6)
This plan for reduced lot sizes shall be permitted only if it is mutually agreeable to the legislative body and the subdivider or developer.
(7)
This plan for reduced lot sizes shall be started within six months after having received approval of the final plat and must be completed in a reasonable time. Failure to start within this period shall void all previous approval.
(8)
Under this planned unit approach the developer or subdivider shall dedicate the total park area (see Subsection (b)(1) of this Section) at the time of filing of the final plat on all or any portion of the plat.
(Prior Code, § 9-9-3)
(a)
Minimum requirements; conflict with existing agreements. In the interpretation and application, the provisions of this Article shall be held to be minimum requirements adopted for the promotion of the public health, morals, safety, comfort, convenience or general welfare. It is not intended by this Article to repeal, abrogate, annul or in any way to impair or interfere with any existing provision or law or ordinance other than this Article, which is the zoning ordinance, or with any rules, regulations or permits previously adopted or issued or which shall be adopted or issued pursuant to the law regulating the use of buildings or premises; provided, however, that where this Article imposes a greater restriction than is required by existing ordinances or by rules, regulations or permits, the provisions of this Article shall control.
(b)
Relationship with other laws. Whenever any provision of this Article imposes more stringent requirements, regulations, restrictions or limitations than are imposed or required by the provisions of any other law or ordinance, then the provisions of this Article shall govern. Whenever the provisions of any other law or ordinance impose more stringent requirements than are imposed or required by this Article, then the provisions of such ordinance shall govern.
(Prior Code, § 9-10-1)
No building or structure, or part thereof, shall hereafter be erected, constructed or altered and maintained, and no new use or change to any building, structure or land, or part thereof, shall be made or maintained except in conformity with the provisions of this Article.
(Prior Code, § 9-10-2)
Accessory uses and buildings, except as otherwise permitted in this Article, shall be subject to the following regulations:
(1)
Where the accessory building is structurally attached to a main building, it shall be subject to, and must conform to, all regulations of this Title applicable to the main building.
(2)
Accessory buildings shall not be erected in any minimum side yard setback nor in any front yard.
(3)
An accessory building shall not occupy more than 25 percent of a required rear yard, provided that, in a residential district, the accessory building shall not exceed the greater of 500 square feet or 75 percent of the ground floor area of the main building.
(4)
No detached accessory building shall be located closer than ten feet to any main building nor shall it be located closer than three feet to any side or rear lot line. Exception: In an R-4 Zoning District, any side or rear yard setback from the lot lines may be two feet. In those instances where the rear lot line is conterminous with an alley right-of-way, the accessory building shall not be closer than one foot to such rear lot line. In no instance shall an accessory building be located within a dedicated easement right-of-way.
(5)
Detached accessory buildings may go to the same height as the main building or structure on said property.
(6)
No garage that is an accessory building may be erected prior to obtaining an electrical permit for such garage. The application for such electrical permit shall be submitted with the application for a building permit.
(7)
When an accessory building is located on a corner lot, the side lot line of which is substantially a continuation of the front lot line of the lot to its rear, said building shall not project beyond the front yard setback required on the lot to the rear of such corner lot. In no instance shall an accessory building be located nearer than ten feet to a street right-of-way line.
(8)
When an accessory building in any residence, business or office district is intended for other than the storage of private motor vehicles, the accessory use shall be subject to the approval of the Board of Appeals (see Section 4-3-2-1-1(b)).
(9)
Accessory uses, such as detached heating or cooling units, home television towers and similar accessory uses, shall be located only in the rear yard and shall meet all setback requirements of an accessory building.
(Prior Code, § 9-10-3)
(a)
Generally. Because the uses hereinafter referred to possess unique characteristics making it impractical to include them in a specific use district classification, they may be permitted by the Council under the conditions specified, and after public hearing and after a recommendation has been received from the Zoning Board of Appeals. In every case, the uses hereinafter referred to shall be specifically prohibited from any residential districts unless otherwise specified.
(b)
Uses with special consideration. These uses require special consideration since they service an area larger than the City or require sizable land areas, creating problems of control with reference to abutting use district. Reference to those uses falling specifically within the intent of this Section is as follows:
(1)
Outdoor theaters. Because outdoor theaters possess the unique characteristics of being used only after darkness and since they develop a concentration of vehicular traffic in terms of ingress and egress from their parking area, they shall be permitted in I-2 Districts only. Outdoor theaters shall further be subject to the following conditions.
a.
The proposed internal design shall receive approval from the Building Inspector and the City Engineer as to adequacy of drainage, lighting and other technical aspects.
b.
Outdoor theaters shall abut a major thoroughfare and points of ingress and egress shall be available only from such major thoroughfare.
c.
All vehicles standing or waiting to enter the facility shall be provided off-street waiting space. No vehicle shall be permitted to wait or stand within a dedicated right-of-way.
d.
The area shall be so laid out as to prevent the movie screen from being viewed from residential areas or adjacent major thoroughfares. All lighting used to illuminate the area shall be so installed as to be confined with, and directed onto, the premises of the outdoor theater site.
(2)
Mobile home parks. Mobile home parks may be permitted in B-3 General Business Districts by the City Council, after having received the recommendation of the Zoning Board of Appeals and after it finds the use as not being contrary to the spirit and purpose of this Article and subject further to the following requirements and conditions:
a.
The land parcel being proposed for a mobile home park shall be of such land area as to provide for a minimum of at least 25 mobile homes sites and shall not exceed a maximum of 75 sites.
b.
Mobile home sites shall contain a minimum area of at least 3,000 square feet. All such mobile home site areas shall be computed exclusive of service drives, facilities and recreation space.
c.
All mobile home parks shall have access to major thoroughfares within the City by directly abutting thereon. Frontage on said thoroughfare shall be equal to at least 300 feet in width.
d.
A wall or fence, four feet, six inches in height, shall be provided on all sides of the mobile home park with the exception of that portion providing ingress and egress to the site.
e.
An open area shall be provided on each mobile home lot to ensure privacy, adequate natural light and ventilation to each home and to provide sufficient area for outdoor uses essential to the mobile home. All lots shall contain a minimum area of at least 3,000 square feet. All such trailer site areas shall be computed exclusive of service drives, facilities and recreation space.
f.
The sum of the side yards at the entry side and nonentity side of a mobile home stand shall be not less than 20 feet; provided, however, there shall be a side yard of not less than 15 feet at the entry side of the mobile home stand and a side yard of not less than five feet at the nonentity side of the mobile home stand. There shall be a rear yard of not less than five feet at the rear end of the stand and a front yard of not less than ten feet at the front end of the mobile home stand. For irregularly shaped side yards, the sum is determined as the sum of the average width of each side yard, provided that required minimums above are maintained at all points in the side yard.
g.
No mobile home shall be located closer than 50 feet to the right-of-way line of a major thoroughfare or 20 feet to any mobile home park property line.
h.
No building or structure hereafter erected or altered in a mobile home park shall exceed one story or 14 feet.
i.
All mobile home park developments shall further comply with all codes and ordinances of the City and the State of Illinois.
(3)
Racetracks (including midget auto and karting tracks). Because race tracks develop a concentration of vehicular traffic in terms of ingress and egress from their parking areas and cause noise levels which may project beyond the property so used, they shall be permitted in the I-1 Districts when located adjacent to a major thoroughfare and shall be located on a parcel of land which is abutting land zoned for industrial purposes on all sides of the parcel in question, and shall be subject, further, to the following conditions and such other controls as deemed necessary to promote health, safety and general welfare in the City:
a.
All parking shall be provided as off-street parking within the boundaries of the development.
b.
All access to the parking areas shall be provided from a major thoroughfare.
c.
All sides of the development not abutting a major thoroughfare shall be provided with a 20-foot greenbelt planting and fence or wall so as to obscure from view all activities within the development. Said planting shall be in accordance with Section 4-3-8-6.
(4)
Farms. Farms on those parcels of land having an area of not less than 160 acres, all subject to the heath and sanitation provisions of the City, and provided further, farms, with said livestock being limited to a density of one cattle per five open, uncovered acres on a tract of land, and that no farms shall be operated as piggeries or for the disposal of garbage, sewage, rubbish, offal or rendering plants or for the slaughtering of animals.
(Prior Code, § 9-10-4; Ord. No. 2542-OA, 12-10-2007; Ord. No. 3001-21-22, § 5, 7-26-2021)
No use otherwise allowed shall be permitted within any use district which does not conform to the following standards of use, occupancy and operation, which standards are hereby established as the minimum requirements to be maintained within said area:
(1)
Open storage. The open storage of any equipment and all materials, including wastes, shall be screened from abutting residential property by an enclosure consisting of an obscuring wall or fence not less than six feet high or by a ten-foot-wide greenbelt planting not less than six feet high. The obscuring fence may be eliminated where such fence will interfere with traffic movement on public streets or thoroughfares.
(2)
Glare and radioactive materials.
a.
Glare from any process (such as or similar to arc welding or acetylene torch cutting) which emits harmful rays shall be performed in such a manner as not to extend beyond the property line and as not to create a public nuisance or hazard along lot lines.
b.
Radioactive materials and wastes, including electromagnetic radiation such as through X-ray machine operation, shall not be emitted to exceed quantities established as safe by the U.S. Bureau of Standards when measured at the property line.
(3)
Noise. Objectionable sounds of an intermittent nature shall be controlled so as not to become a nuisance to adjacent uses.
(4)
Fire and explosive hazards.
a.
The storage, utilization or manufacture of materials or products ranging from incombustible to moderate burning, as determined by the Fire Chief, is permitted, subject to compliance with all other performance standards mentioned in this Section.
b.
The storage, utilization or manufacture of materials, goods or products ranging from free or active burning to intense burning, as determined by the Fire Chief, is permitted, subject to compliance with all other yard requirements and performance standards mentioned in this Section, and provided that the following conditions are met:
1.
Said materials or products shall be stored, utilized or produced within completely enclosed buildings or structures having incombustible exterior walls which meet the requirements of the Building Code of the City.
2.
All such buildings or structures shall be set back at least 40 feet from lot lines, and all such buildings or structures shall be protected throughout by an automatic sprinkler system complying with installation standards prescribed by the National Fire Association.
(5)
Grading. Grading, as it relates to residential structures, shall be so developed as to drain surface water away from residential dwellings. A minimum slope of one-fourth inch in one foot shall be provided.
(Prior Code, § 9-10-5)
(a)
Site plan.
(1)
Whenever a greenbelt or planting screen is required under the provisions of this Article, a site of the parcel to be developed, together with a detailed planting plan of said greenbelt, shall be submitted to the Site Plan Review Committee for approval prior to the issuance of a building permit. The site plan shall indicate, to scale, the proposed location and height of buildings and other structures, the location of public walks, roadways and utilities and the proposed location of off-street parking, loading, service and outside storage areas and points of ingress-egress to the site. The planting plan shall indicate, to scale, the location, spacing, starting size and description for each unit of plant material proposed for use within the required greenbelt area, together with the finished grade elevations proposed therein.
(2)
The Site Plan Review Committee shall review said planting plan relative to:
a.
The proper spacing, placement and location of plant materials relative to the length and width of greenbelt so as to ensure that the required horizontal and vertical obscuring effect of proposed land uses will be achieved.
b.
The choice and selection of plant materials so as to ensure that the root system will not interfere with public utilities and that fruit and other debris (other than leaves) will not constitute a nuisance within public rights of way or to abutting property owners.
c.
The proposed relationship between deciduous and evergreen plant materials so as to ensure that a maximum obscuring effect will be maintained throughout the various seasonal periods.
d.
The size of plant material (both starting and ultimate) to ensure adequate maturity and optimum screening effect of proposed plant materials.
(b)
Landscaping requirements and standards.
(1)
Applicability. The landscaping requirements as set forth shall apply to all zoning districts as specified herein, including overlay districts. All landscaping plans are subject to review, comment, and, where appropriate, modification by the Zoning Administrator, Site Plan Review Committee or Zoning Board of Appeals.
(2)
Performance standards. All landscape plans shall fully meet the following performance standards in order to receive approval from the Site Plan Review Committee:
a.
Landscaping shall not hinder the vision of motorists and pedestrians necessary for safe movement into, out of, and within the site.
b.
Landscaping materials shall be selected and placed in such a manner that they do not interfere with or damage existing utilities.
c.
Landscaping materials shall be selected and placed so that the safe and enjoyable use of surrounding properties is not inhibited.
d.
Landscaping shall be selected and placed with a sensitivity toward the ultimate size that will be achieved over time.
e.
Landscaping with thorns, berries, and other harmful plant characteristics shall be carefully placed to avoid potential harm to people or property on- or off-site.
f.
Weak wooded trees shall only be used where limb breakage will not cause harm to property or life.
(3)
Parking lot landscaping.
a.
When a parking lot has less than 75 parking spaces, landscaping as required may be placed either within interior curbed parking islands and/or within ten feet of the perimeter of the parking lot.
b.
When a parking lot has 75 or more parking spaces, a portion of landscaping shall consist of shade trees or other vegetation, planted in curbed islands within the interior of the parking lot. The intent of this provision is to break up large expanses of pavement and to provide shading by locating shade trees away from the perimeter and within the interior of parking lots. Parking lot islands shall be curbed with concrete or a functionally equivalent material that must be approved by the Zoning Administrator and/or Site Review Committee.
c.
The minimum area for planting any types of trees within parking lots shall not be less than 100 square feet. Trees shall not be planted in any area with a width of less than five feet. Evergreen trees shall not be planted in an area with a width of less than ten feet. Shrubs shall not be planted in areas with a width of less than three feet. When plants are proposed to be planted within curbed islands or adjacent to curbs, the width of such planting areas shall be measured from inside of curbs. The locations of the parking lot landscaping will be subject to review by the Site Review Committee or Zoning Board of Appeals. All plant materials shall be in compliance with Subsection (b)(6)b. of this Section.
d.
All parking setback or perimeter areas with a width of less than five feet shall consist of grass, earthen berms, plantings, trees, decorative rock or bark chips.
e.
All parking setback or perimeter areas with a width of five feet or more and abutting public right-of-way shall have one tree, three-inch caliper, planted every 20 to 30 linear feet of setback area in addition to grass, bushes, plantings, decorative rock or bark chips.
1.
The minimum spacing between trees shall be 20 feet.
2.
Tree planting requirements may be satisfied by planting trees in the right-of-way with approval of the Zoning Board of Appeals or Site Review Committee.
3.
Alternate landscaping, including shrubs, may be substituted for tree planting requirements upon submission of a plan and approval by the Zoning Board of Appeals, or by Site Review Committee.
4.
Earthen berms shall be grass or wood chip covered and be a minimum of 2½ feet in height from surrounding grade.
f.
For commercial off-street parking areas of 75 spaces or more, a minimum of five percent of such gross parking area shall consist of interior landscaped islands.
1.
Each interior landscaped island shall have a minimum of one tree in addition to grass, plantings, bushes, decorative rock, bark chips or mulch.
2.
The minimum dimensions of a landscaped interior island shall be ten feet in width by ten feet in length.
3.
Such islands shall be evenly disbursed and placed to assist traffic flow within the parking area.
(4)
Transitional buffer requirement.
a.
All nonresidential zoning lots which abut, or in the absence of an alley would abut any residential zoning lot or district, shall be required to provide a transitional buffer. Multiple family zoning lots containing more than two dwelling units which abut, or in the absence of an alley would abut any single-family district are also required to provide a buffer.
b.
It is the responsibility of the property owner and/or tenant to ensure that buffering landscaping and trees are maintained in good condition as to present a healthy, neat, and orderly appearance.
1.
Trees planted under this Section must be cultivated nursery stock with straight trunks not less than the heights outlined within Subsection (b)(6)b. of this Section, with a minimum three-inch caliper.
2.
Trees and landscaping shall be designed and placed to prevent damage by vehicles.
3.
Trees and landscaping shall be replaced within no later than 30 calendar days if damaged or removed. Failure to do so will be considered a fineable offense under this Code.
4.
Trees shall be placed in such location and/or of a limited growth species so as to prevent interference with any existing or potential future overhead utility lines.
5.
Any shrub treatment used for screening shall be in the form of a deciduous hedge, in a continuous alignment, spaced three feet on center, with a height of three feet at the time of planting.
6.
Earthen berms used as buffers shall meet the same standards as for parking setback areas.
7.
No traditional buffer area shall be less than eight feet in width.
8.
In those cases where the residential zoning lot adjoining or across the alley from the subject nonresidential zoning lot has been developed other than single or duplex residential, the Site Plan Review Committee or Zoning Board of Appeals, shall have the authority to reduce the buffer requirements. This authority may be exercised when the Site Plan Review Committee or Zoning Board of Appeals determine that the proposed reduction will not have a negative impact on the subject residential lot.
(5)
Maintenance. It shall be the responsibility of the lessee and/or owner of the principal use or building to maintain, in a neat, clean, and adequate manner, the parking area, access ways, striping, landscaping, setback area, buffer zones, berms, and/or required fences. Failure to do so, and to remedy any perceived violations, within 30 calendar days of receipt of written notice from the City, shall be considered a fineable offense under this Code.
a.
The required greenbelt or planting screen shall be planted with permanent living plant materials within six months from the date of occupancy and shall thereafter be maintained in presentable condition and shall be kept free from refuse and debris; provided, further, that all plant materials shall be continuously maintained in a sound, healthy and vigorous growing condition and shall be kept free of all diseases and insect pests.
b.
All fences, walls and other barriers shall be maintained in good repair, meaning structurally sound and attractive in appearance. All fences, required or otherwise, having exposed horizontal and vertical structural members of a fence, shall be located on the inside of the property that they are intended to fence.
(6)
Plant material.
a.
Plant selection. Plant materials provided in conformance with the provisions of this Section shall be capable of withstanding the extremes of individual site microclimates.
b.
Suggested plant materials.
1.
Evergreen trees.
(i)
Minimum five feet in height.
(ii)
Juniper.
(iii)
Hemlock.
(iv)
Fir.
(v)
Pine.
(vi)
Spruce.
(vii)
Douglas-Fir.
2.
Narrow evergreens.
(i)
Minimum two feet in height.
(ii)
Column Hinoke Cypress.
(iii)
Blue Columnar Chinese Juniper.
(iv)
Pyramidal Red-Cedar.
(v)
Swiss Stone Pine.
(vi)
Irish Yew.
(vii)
Douglas Arbor Vitae.
(viii)
Columnar Giant Arbor Vitae.
3.
Tree-like shrubs.
(i)
Minimum four feet in height.
(ii)
Mountain Ash.
(iii)
Dogwood.
(iv)
Redbud.
(v)
Rose of Sharon.
(vi)
Hornbean.
(vii)
Magnolia.
4.
Deciduous shrubs. Should be a minimum of two feet in height.
5.
Large deciduous shrubs.
(i)
Minimum six feet in height.
(ii)
Honeysuckle.
(iii)
Virburnum.
(iv)
Mock-Orange.
(v)
Ninebark Forsythia.
(vi)
Cottoneactes Lilac.
(vii)
Hazelnut.
(viii)
Euonymus.
(ix)
Privet.
(x)
Buckthorn.
(xi)
Aumac.
6.
Large deciduous trees.
(i)
Minimum eight feet in height.
(ii)
Oak.
(iii)
Hard Maple.
(iv)
Birch.
(v)
Ginkgo.
(vi)
Beech.
(vii)
Sweet-Gum.
(viii)
Honey Locust.
(ix)
Linden.
(x)
Hop Hornbeam.
(xi)
Red Bud.
(xii)
Ash.
c.
Prohibited trees. The following weak-wooded and generally undesirable trees, for urban conditions, shall be prohibited for use in meeting any of the requirements of this Section:
(i)
Ailanthus (Tree of Heaven).
(ii)
Box Elder.
(iii)
Mulberry.
(iv)
Poplar.
(v)
Purple-leaf Plum.
(vi)
Siberian El.
(vii)
Silver Maple.
(viii)
Willow.
(ix)
Hackberry.
(x)
Sycamore.
(c)
Transition details. See the following graphic for transition details:
Transition Details For Greenbelts and Plants
(Prior Code, § 9-10-6; Ord. No. 1568, 1-27-1986; Ord. No. 3001-21-22, § 5, 7-26-2021)
(a)
Walls.
(1)
Required walls.
a.
For those use districts and uses listed below, there shall be provided and maintained, on those sides abutting or adjacent to a residential district, an obscuring wall as required below (except otherwise required in Subsection (a)(1)d. of this Section).
Required Walls
b.
Required walls shall be located on the lot line except where underground utilities interfere, except in instances where this Article requires conformance with front yard setback lines in abutting residential districts. Upon review of the site plan, the Zoning Board of Appeals or the City staff may approve an alternate location for the wall or may waive the wall requirement if, in specific cases, it would not serve the purposes of screening the parking area effectively. Required walls may, upon approval by City staff, be located on the opposite side of an alley right-of-way from a nonresidential zone that abuts a residential zone when mutually agreeable to affected property owners. The continuity of the required wall on a given block will be a major consideration of the City staff.
c.
1.
Such walls and screening barriers shall have no openings for vehicular traffic or other purposes, except as otherwise provided in this Article, except such openings as may be approved by the Chief of Police and the Building Inspector. All walls herein required shall be constructed of materials approved by the Building Inspector to be durable, weather-resistant, rustproof and easily maintained, and wood or wood products shall be specifically excluded.
2.
Masonry walls may be constructed with openings which do not in any square section (height and width) exceed 20 percent of the surface. Where walls are so pierced, the openings shall be so spaced as to maintain the obscuring character required and shall not reduce the minimum height requirement. The arrangement of the openings shall be reviewed and approved by the Building Inspector.
d.
The requirement for an obscuring wall between off-street parking areas, outdoor storage areas and any abutting residential district shall not be required when such areas are located more than 200 feet distant from such abutting residential district.
e.
The City staff may waive or modify the foregoing requirements where cause can be shown that no good purpose would be served, provided that in no instance shall a required wall be permitted to be less than four feet, six inches in height, except where Section 4-3-8-12 applies.
1.
In consideration of request to waive wall requirements between nonresidential and residential districts, the Zoning Board of Appeals or City staff shall make the determination as to whether or not the residential district is considered to be an area in transition and will become nonresidential in the future.
2.
In such cases as the Zoning Board of Appeals or City staff determines the residential district to be a future nonresidential area, they can temporarily waive wall requirements for an initial period not to exceed 12 months. Granting of subsequent waivers shall be permitted, provided that the Zoning Board of Appeals or City staff make a determination as hereinabove described for each subsequent waiver prior to the granting of such waiver.
3.
See the following graphic for transition details:
Transition Details of Berms
Transition Details of Walls
(2)
Required berms.
a.
Required berms shall be constructed as landscaped earth mounds with a crest area at least four feet in width. The exterior face of the berm shall be constructed as an earthen slope. The interior face of the berm may be constructed as an earthen slope or retained by means of a wall, terrace or other means acceptable to the Building Inspector. Wherever an earthen slope is provided, it shall be constructed with an incline not to exceed one foot of vertical rise to three of horizontal distance.
b.
Berm slopes shall be protected from erosion by sodding or seeding. If slopes are seeded, they shall be protected with a straw mulch held in place by jute netting until the seed germinates and a permanent lawn is established. The straw mulch is not required if the seeded slope is protected by a net that is specifically designed to control erosion. The berm area shall be kept free from refuse and debris and shall be planted with shrubs, trees or lawn and shall be maintained in a healthy, growing condition.
A planting plan and grading shall be prepared for the berm and shall be reviewed by the Zoning Board of Appeals. Plant materials within the berm area shall be installed in accordance with the requirements for greenbelts and plant materials contained herein (see Section 4-3-8-6).
(3)
Prohibited materials. Walls and screening barriers shall not be constructed of sheet metal or of used materials and may be subject to the review by the Zoning Board of Appeals as to the appropriateness of materials for such wall or screening at the discretion of the Building Inspector.
(b)
Fences. Fences are permitted or required subject to the following:
(1)
Height and location.
a.
Fences on all lots of record in all districts which enclose property and/or are within a required side or rear yard shall not exceed six feet in height, measured from the surface of the ground, and shall not extend toward the front of the house or the required minimum front yard, whichever is greater. On corner lots, fences shall not extend toward the front or side yard facing the street nearer than the required minimum front yard setback on both the front and side yard. Exposed horizontal and vertical structural members of a fence shall be located on the inside of the property that they are intended to fence.
b.
Fences which enclose public or institutional parks, playgrounds or public landscaped areas situated within an area developed with recorded lots shall not exceed eight feet in height, measured from the surface of the ground, and shall not obstruct vision to an extent greater than 25 percent of their total area.
c.
Ornamental fences not exceeding four feet in height are permitted in both front yards; provided the provisions of Subsection (b)(3) of this Section are complied with.
(2)
Barbed wire, razor wire and electric fences. Fences on lots of record shall not contain barbed wire, razor wire or electric current or charge of electricity, except that barbed wire which is located at least six feet above ground level may be used in I-1, I-2 and PUD Districts.
(3)
Vision obstruction. No fence, wall, shrubbery or other obstruction to vision above a height of 30 inches from the established street grades shall be permitted within the triangular area formed at the intersection of any street right-of-way lines by a straight line drawn between said right-of-way lines at a distance along each line of 25 feet from their point of intersection.
(4)
Compliance with provisions. Fences shall further comply with all applicable codes and ordinances of the City.
(5)
Exemptions. Recorded lots having a lot area in excess of two acres and a frontage of at least 200 feet and acreage or parcels not included within the boundaries of a recorded plat in all residential districts are excluded from these regulations.
Fence Setbacks
(Prior Code, §§ 9-10-7-1, 9-10-7-2; Ord. No. 3001-21-22, § 5, 7-26-2021)
(a)
Purpose. The purpose of this Title is to establish a comprehensive system of sign controls regarding the construction, installation, and maintenance of signs that will:
(1)
Promote and protect the health, safety, and welfare of the City of Pekin by ensuring the compatibility of signs with surrounding structures and land uses.
(2)
Create a more attractive business and economic climate by enhancing and protecting the orderly and effective display of signs and discourage sign clutter.
(3)
Protect the public from hazardous conditions that result from the indiscriminate use and placement of signs, structurally unsafe signs, signs that obscure the vision of pedestrians or motorists, and signs that compete or conflict with necessary traffic signals, government signs, and warning signs.
(Prior Code, § 9-10-8; Ord. No. 2392-OA, 10-25-2004; Ord. No. 2501-OA-06/07, 11-17-2006; Ord. No. 2575-OA, 11-24-2008; Ord. No. 2590-OA-09/10, 7-27-2009; Ord. No. 2628-OA-10/11, 5-24-2010; Ord. No. 2636-OA-10/11, 2-28-2011; Ord. No. 2916-20-21, § 2, 10-26-2020; Ord. No. 2925-20-21, § 2, 11-23-2020; Ord. No. 4002-22-23, § 2, 7-25-2022)
As used in this Section, the following terms shall have the following definitions:
A-frame or sandwich board. A temporary sign not permanently attached to the ground which is hinged at the top forming the letter A. Two-sided and usually displayed on the sidewalk or ground.
Air dancer tube. An inflatable moving advertising product comprising a long fabric tube (with two or more outlets), which is attached to and powered by an electrical fan. As the electrical fan blows air through the fabric tube, this causes the tube to move about in a dynamic dancing or flailing motion.
Animated. A sign or display that uses movement or the appearance of movement through the use of patterns of lights, changes in color or light intensity, computerized special effects, video displays or through any other method, except for the scrolling of a static message or scene onto or off a signboard in one direction per message.
Attention getting devices. Are pennants, streamers or inflatable characters or symbols.
Awning sign. A sign with copy painted or affixed flat to the surface of an awning which does not extend vertically or horizontally past the limits of the awning.
Balloon sign. An inflated sign that's attached to the ground or some other anchor and is not a free-floating conveyance.
Banner (wall mounted). A temporary sign printed upon flexible material mounted with or without rigid frames on a building or the ground.
Blade sign. A pedestrian oriented sign, adjacent to a pedestrian walkway or sidewalk, attached to a building wall, with the exposed face of the sign perpendicular to the building.
Canopy. A roofed structure constructed of permanent materials that is supported by columns and may be freestanding or attached to a building.
Changeable message board signs (manually). A sign designed where a portion of the sign allows for a message to be changed manually. A changeable message board does not include electronic message signs.
Decorative base. A base of a ground sign that is constructed out of, or affixed or adorned with, limestone, sandstone, granite, stone, or other similar material customarily used in landscaping.
Directional signs. Signs required for the purpose of orientation, when established by the City, County, State or Federal government, shall be permitted in all districts.
Electronic message signs. A sign designed where a portion of the sign area uses changing light emitting diodes (LEDs), fiber optics, light bulbs or other illumination devices within the electronic display panel to form a message in text and/or image from where the sequence of messages and the rate of change is electronically programmed and can be modified by electronic processes. Time/temperature signs are not considered electronic message signs. Flashing signs, animated signs, and video display signs are not considered electronic message signs.
Flags. A symbol or emblem of a country, state, municipality or of fraternal, religious or civic organizations. Usually made of cloth, typically rectangular in shape attachable on one edge to a pole or rope.
Flashing sign. A sign with an intermittent or sequential flashing light source used primarily to attract attention. Flashing signs do not include electronic message signs.
Ground sign. A sign that is placed on or supported by the ground, independent of the principal structure on the lot, designed with a monument base that is an integral part of the sign structure.
Informational sign. Signs containing information about public places of historic, cultural, scientific, educational, or religious sites, and areas of natural scenic beauty or naturally suited for outdoor recreation, considered to be in the interest of the traveling public.
Light pole banner. Banners mounted on poles perpendicular to the light post.
Marquee. A canopy projecting over the entrance of a theater, hotel or arena that may display attractions and principal performers.
Menu board signs. A permanently mounted structure displaying the bill of fare for a drive in or drive thru business.
Monument sign. See ground sign.
Moving sign. A sign where the entire sign structure or a portion of which rotates, moves, elevates, or in any way alters position or geometry. A tri-vision sign where triangular prisms rotate inside a frame to show a new message and/or information are considered moving signs. Moving signs do not include clocks or barber poles.
Multi-tenant sign. A commercial development under unified control consisting of two or more separate commercial establishments sharing a common building, or which are in separate buildings that share a common access/entranceway or parking area.
Neon sign. A source of light for externally lit street signs supplied by a neon tube that is bent to form letters, symbols, or other shapes.
Off-premises sign. A sign advertising a business, person, activity, goods, products, or services not located on the site where the sign is installed, or that directs persons to any location not on that site.
On-premises sign. A sign advertising a business, person, activity, goods, products, or services located on the site where the sign is installed, or that directs persons to any location not on that site.
Pennant. Any lightweight plastic, fabric or other material, whether or not containing a message of any kind, suspended from a rope, wire, or string, usually in series, designed to move in the wind.
Permanent sign. A sign permanently attached to the ground, wall or building that is intended to be displayed for an indefinite period of time.
Pole. A freestanding sign with visible support structure.
Portable reader. A sign whose principal supporting structure is intended, by design and construction, to rest upon the ground for support and may be easily moved or relocated for reuse. Portable reader-board signs include, but are not limited to, signs mounted upon a trailer, wheeled carrier, or other non-motorized mobile structure, with wheels or with wheels removed. Portable reader-board signs do not include A-frame signs.
Portable sign. Any sign that is not permanently anchored to a building, structure or permanently anchored in the ground and set in concrete to withstand 70-mile-an-hour winds.
Pylon. A type of ground sign that is affixed, attached, or erected on one or more poles, uprights, or braces from the ground and not supported by a building or a base structure.
Real estate sign. Signs used for advertising land or buildings for rent, lease and/or sale. Real estate signs shall be permitted only when located on the land or building intended to be rented, leased and/or sold.
Roof sign. A sign that is erected on the roof structure or parapet of any building with the principal support attached to the roof structure.
Sail/feather sign. An outdoor banner mounted to a pole used for attracting attention.
Scenic area. Any location within the city that is within 1,000 feet of a public recreation area or the locations so described within this Code.
Searchlight. An attention-getting device where high intensity light is reflected upward in a focused beam and can turn in any direction to attract attention to a location. Also known as skybeams or sky spotlights.
Security sign. Signs that notify visitors of security measures which may include signs such as No trespassing, private property, video monitored, etc.
Suspended sign. A sign suspended from the underside of the horizontal plane surface of an awning, canopy, cantilever, marquee, arcade or gallery. Under-awning signs are distinct from blade signs, which are attached to the structure.
Temporary sign. A sign not permanently attached to the ground, wall or building that is intended to be displayed for a limited period of time.
Video display. A sign, or portion of a sign, that displays an electronic video, whether prerecorded or streaming.
Vision triangle. A triangular area determined by a diagonal line connecting two points measured along the property lines of abutting streets 25 feet equidistant from the intersection of those property lines, so as to obstruct or obscure the vision of drivers of motor vehicles on either or both streets.
Wall sign. A sign that is attached directly to an exterior wall of a building and dependent upon a building for support and projects 18 inches or less from the wall of a structure with the exposed face of the sign in a plane substantially parallel to the face of the wall. Window signs are not considered wall signs.
Window sign. A sign that is attached to, placed upon, or printed on the interior or exterior of a window or door of a building, or displayed on the interior within two feet of a window intended for viewing from the exterior of such a building. A window sign may be either permanent or temporary. Shadowbox design within display windows, where the window display is designed with a background enclosure against which signs are mounted that blocks view into the establishment, is considered a window sign and the entire area of the shadowbox is subject to the maximum sign area limitation.
(Ord. No. 4002-22-23, § 2, 7-25-2022; Ord. No. 4241-24-25, § 2, 10-14-2024)
(a)
Conformance. All signs shall be approved by the Building Official and shall conform to all applicable Code and Ordinances of the City of Pekin.
(b)
Sign permit. No sign, unless specifically identified as exempt by this chapter may be erected, constructed, altered, or relocated without first applying for and receiving a permit.
(1)
Unless activity related to the erection, construction, alteration, or relocation of a sign has already commenced, all permits for the erection, construction, alteration, or relocation of any sign shall automatically expire on the 181st day after said permit was granted.
(c)
Variances. No sign may be erected, constructed, altered, or relocated that does not comply with the regulations of this Title unless a modification or variance is applied for and approved in accordance with this Section.
(1)
Authority. A sign variance may be authorized after a review by and recommendation from the Zoning Board of Appeals is forwarded to the City Council, who will make a final decision on an application. However, certain administrative modifications may be approved by the City Manager or his/her designee.
(2)
A sign variance may only be approved by the City Council. An administrative modification may be approved by the City Manager or his/her designee. Applications eligible for an administrative modification are defined in this Section.
(3)
Administrative modifications that may be approved by the City Manager or his/her designee are limited to the following:
a.
A modification to the maximum sign area or maximum sign height of no more than ten percent.
b.
Modifications or additions to the permitted sign materials.
c.
Modifications to the required sign landscape area and landscape materials.
d.
All other requests that are not administrative modifications are sign variances, where the Zoning Board of Appeals makes a recommendation, and the City Council makes a final decision.
(4)
Process. All applications for an administrative modification or sign variance must be filed with the Building Official as part of a complete sign permit application. Once it is determined that the application is complete, the Building Official will forward a copy of the application to the Zoning Administrator.
(5)
Administrative modification. The City Manager will approve, approve with conditions, or deny the requested administrative modification. The City Manager's decision must be based on evaluation of the application pursuant to the approval standards listed above.
(6)
The City Manager may also, at his/her discretion, determine that, because of its nature, a proposed administrative modification application, even if it meets the criteria of subsection (b) of this Section, must be resubmitted in accordance with the procedures for a sign variance with no additional fee.
(7)
If the City Manager denies the application for an administrative modification, the applicant may appeal the decision to the Zoning Board of Appeals, by resubmitting the application as a sign variance. For applications for administrative modification that sought relief enumerated in Section (c)(1), (2), and/or (3) above, no new fees for the sign variance are required. Appeals must be filed within 30 days of receipt of the City Manager's decision. In the event an application for administrative modification is denied because it sought relief that the City Manager is not authorized to grant, such denial is not appealable, but the applicant may, upon paying the requisite application fee, assert the same subject matter in a variance application.
(8)
Sign variance. Upon receipt of a completed variance application, the Zoning Board of Appeals will review the application and forward its recommendation to the City Council.
a.
The Zoning Board of Appeals recommendation and the City Council's decision must be based on an evaluation of the application pursuant to the approval standards of subsection (d) of this Section.
b.
The Zoning Board of Appeals may recommend, and the City Council may impose additional conditions and restrictions upon the location and construction of the sign as necessary to protect the public health, safety, and welfare.
c.
The City Council will consider the sign variance after receipt of the Zoning Board of Appeals recommendation. The City Council will approve, approve with conditions, or deny the sign variance.
(9)
Approval standards. Approval of an administrative modification or sign variance must be based on the evaluation of the request pursuant to the following approval standards:
a.
The proposed sign is compatible with the character of the surrounding area.
b.
The proposed sign is not detrimental to the development of the surrounding area.
c.
The proposed sign is not detrimental to the public health, safety, or welfare.
(10)
Expiration. The sign variance or administrative modification is considered part of the sign permit and is subject to the expiration provisions for the sign permit. A sign variance or administrative modification is issued for the specific sign on the specific site indicated on the sign permit. Once such sign is removed or replaced, the sign variance or administrative modification is null and void.
(d)
Sign surface area calculation.
(1)
The area within a frame and including the frame itself shall be used to calculate the square footage of the sign.
(2)
Should letters or graphics be mounted directly on a wall or facia or in any such way as to be without a frame, the dimensions, the dimensions for calculating the square footage shall be the area contained within the periphery formed around such letters or graphics bounded by straight lines connecting the outermost points the sign.
(3)
Only one side of a double-faced sign shall be used in calculating the total sign area, provided the information on both sides of the sign are exactly the same.
(Ord. No. 4002-22-23, § 2, 7-25-2022)
All signs constructed, erected, modified, or altered must comply with the following standards:
(1)
Prohibited installations.
a.
No sign may be erected in a location that violates the Building Code, Fire Code and other applicable City codes or ordinances.
b.
Only signs that have been placed by or authorized by Federal, State, or the City may be installed on public property. Any sign installed on public property including rights-of-way without prior authorization may be removed by the City without notice.
c.
No permanent sign may be erected on private property without the consent of the property owner or his/her authorized agent. When a sign permit applicant proposes to install a sign on property not owned by the applicant, written permission from the property owner or his/her authorized agent must be submitted as part of the sign permit application.
(2)
Construction standards.
a.
Supports and braces must be designed as an integral part of the overall sign and obscured from public view to the extent technically feasible.
b.
All signs attached to a building must be installed and maintained so that wall penetrations are watertight, and the structure does not exceed allowable stresses of supporting materials. To the greatest extent feasible, such penetrations should be located at joints of masonry units, or at locations of structural members of wood or other like constructed façades.
c.
All signs must be designed and constructed in compliance with the Building Code, Electrical Code, and all other applicable codes and ordinances.
d.
All permanent signs must be constructed of rigid, weather-proof materials, as determined by the Building Official.
e.
Glass comprising any part of a sign must be safety glass.
f.
All letters, figures, characters, or representations in cut-out or irregular form, maintained in conjunction with, attached to, or superimposed upon any sign must be safely and securely built into or attached to the sign structure.
g.
Audio components are prohibited on any sign, with the exception of menu boards. For menu boards, the audio component is limited to communication between the customer and service window.
h.
Electrical wiring:
1.
All electrical fixtures, devices, circuits, conduits, raceways, or similar features must be installed and maintained in compliance with the current Electrical Code as adopted by the City.
2.
Conduits and other components of a sign illumination system must be designed as an integral part of the overall sign structure and obscured from public view to the extent technically feasible.
(3)
Required maintenance.
a.
All signs must be kept in a safe and well-maintained condition and appearance and must be repainted or otherwise maintained by the property owner or business owner to prevent corrosion or deterioration caused by the weather, age, or any other condition.
b.
All signs must be maintained to prevent any kind of safety hazard, including faulty or deteriorated sign structures, a fire hazard, or an electrical shock hazard.
c.
All unused sign hardware or wiring must be removed. The Building Official will serve written notice to the permit holder and property owner that unused sign hardware or wiring must be removed within 30 days of written notice for permanent signs or 24 hours for temporary signs. If the unused sign hardware or wiring is not removed within the required time period, the Building Official may enforce this order through permitted enforcement procedures.
d.
If a sign is maintained in an unsafe or unsecured condition, it must be removed, or the condition corrected. The Building Official will serve written notice to the permit holder and property owner that the sign must be removed, or the condition corrected within 30 days of written notice for permanent signs or 24 hours for temporary signs. If the sign is not removed or the condition is not corrected within the required time period, the Building Official may enforce this order through permitted enforcement procedures.
e.
The City may remove any sign that is an immediate public peril to persons or property summarily and without notice.
(4)
Illumination standards.
a.
Any sign illumination, including gooseneck reflectors, external illumination, and internal illumination, must be designed, located, shielded, and directed to prevent the casting of glare or direct light upon roadways and surrounding properties, and prevent the distraction of motor vehicle operators or pedestrians in the public right-of-way.
b.
The sign face of internally illuminated signs must function as a filter to diffuse illumination. The sign face must cover all internal illumination components so that no exposed bulbs are visible.
c.
All external illumination of a sign must concentrate the illumination upon the printed area of the sign face.
d.
No sign illumination may be combined with reflective materials, such as mirrors, polished metal, or highly glazed tiles, which would increase glare.
e.
The use of neon or LED lighting as a sign accent is permitted only in the business, office, and industrial districts. When lit, lighting must be continuously illuminated. Flashing neon or LED lighting is prohibited.
f.
For all signs with the exception of electronic message signs, the maximum allowable foot-candle at the lot line is one foot-candle unless such signs are allowed to extend over the lot line, where the maximum of one foot-candle is measured at the back of curb or edge of pavement.
g.
For electronic message signs, the maximum brightness is limited to 5,000 nits when measured from the sign's face at its maximum brightness, during daylight hours, and 500 nits when measured from the sign's face at its maximum brightness between dusk and dawn, i.e., the time of day between sunrise and sunset. The sign must have an ambient light meter and automatic or manual dimmer control that produces a distinct illumination change from a higher allowed illumination level to a lower allowed level for the time period between one-half hour before sunset and one-half hour after sunrise.
(Ord. No. 4002-22-23, § 2, 7-25-2022)
(a)
Painted signs shall be permitted on walls or other structures, provided that the sign complies with the requirements for painted murals set forth in Section 4-3-8-8-15.
(b)
After 20 continuous years of a display, the owner of a painted sign may file an Application for Historical Status with the Tourism Committee. The fee for such application shall be $25.00. If after due inquiry the Tourism Committee determines that the painted sign has been continuously displayed for 20 years, the Tourism Committee shall recommend that the Council issue a written Certificate of Historical Status to the owner of the sign. Upon issuance of the Certificate of Historical Status, the owner of the sign shall be relieved of all maintenance obligations under subsection (a) above and Section 4-3-8-8-3(3)a.
(Ord. No. 4002-22-23, § 2, 7-25-2022)
The following signs shall be prohibited within the City:
(1)
Wall signs projecting above any roofline of a building or structure.
(2)
Signs painted on any wall other than those permitted by Section 4-3-8-8-4.
(3)
Signs using bare bulb lighting.
(4)
Signs using illuminated intermittent lighting or flashing effects.
(5)
Rotating or revolving signs.
(6)
Reflecting signs that cause glare and visibility problems to adjoining properties or vehicular traffic.
(7)
Signs or banners placed across any public right-of-way, except by permission of the City Council.
(8)
Displays upon any sign or any other advertising structure of any obscene material. For purposes of this subsection, "obscene" means speech which (1) under community standards, appeals to the prurient interest; (2) taken as a whole, is a patently offensive depiction or description of sexual conduct; and (3) lacks serious literary, artistic, political, or scientific value.
(9)
Any sign unlawfully installed, erected or maintained.
(10)
Business signs on trees or utility poles, whether public or private.
(11)
Signs erected or placed in the public right-of-way. The City may remove such signs, and the cost incurred shall be recoverable from the owner of the sign. A $10.00 per sign fee, to cover the resources of the City involved in the removal of the sign, shall be recoverable for each sign, from the owner of the sign. Any sign not claimed within 30 days shall be destroyed.
(12)
Roof signs.
(13)
Strobe lights, moving or fixed spotlights, floodlights/searchlights.
(14)
Obsolete copy and obsolete signs. For any sign that becomes obsolete after the effective date of this Title, all obsolete copy must be removed within 30 days of the discontinuance of the activity that is the subject of such copy. Compliance with the requirement to remove obsolete copy is not satisfied by reversing (i.e., turning such copy so that it faces inward), rotating, altering, covering, or otherwise hiding or obfuscating such copy. In the case of obsolete copy upon panels within a sign frame, such panels must be removed and replaced with a blank panel or panel with lawfully approved copy. No sign frame may remain unfilled or allow any internal part or element of the sign structure to be visible.
(15)
Signs shall not make use of the words STOP, LOOK, DETOUR, DANGER, CAUTION, WARNING, or any other word, phrase, symbol, or character in a manner that misleads, interferes with, or confuses traffic.
(16)
Video display signs.
(17)
Vehicle signs on unlicensed, uninsured or inoperable vehicles that are placed on the vehicle for the primary purpose of attracting attention to an occupant's presence within a building at which the vehicle is being parked. This does not include signs painted on or applied to vehicles, trucks or busses that are being operated and stored in the normal course of business, such as signs located on delivery trucks, moving vans and rental trucks, provided that the primary purpose of such vehicles is not the display of such sign and that they are parked or stored in areas related to their use as vehicles and all such vehicles are in operable condition. Vehicles displaying a for sale sign are exempt from this provision.
(Ord. No. 4002-22-23, § 2, 7-25-2022)
Notwithstanding the provisions of this Division, the following signs shall not require a permit:
(1)
Bulletin boards not over 20 square feet in area for religious institutions, when the same are located on the premises of said institutions; provided, however, if said signs are electrically illuminated, an electrical permit must be obtained.
(2)
Memorial signs or tablets, names of buildings and date of erection, when cut into any masonry surface or when constructed of bronze or aluminum.
(3)
Traffic or other municipal signs, legal notices, danger and such temporary emergency or non-advertising signs as may be approved by the City.
(4)
Signs advertising the rental, sale or lease of the property upon which it is located.
(5)
A-frame or sandwich board signs are permitted in the business districts, subject to the following:
a.
One A-frame sign is permitted per establishment, including one for each tenant in a multi-tenant development. A minimum 15-foot separation is required between all A-frame signs.
b.
An A-frame sign must be placed within 15 feet of the primary entrance of the business and must not interfere with pedestrian traffic or violate standards of accessibility as required by the ADA or other accessibility codes.
c.
A-frame signs are limited to six square feet in area per side and three feet in height.
d.
The placement of A-frame signs outdoors is limited to business hours only. A-frame signs must be stored indoors at all other times.
e.
A-frame signs must not be used outdoors when high winds, heavy rain, or snow conditions exist.
f.
Illumination of A-frame signs is prohibited. No A-frame sign may have any type of electronic component.
(6)
Construction activity sign. On a lot where active construction is taking place, one temporary sign is permitted in conjunction with such construction and may identify the proposed use for the property and the contractors involved in the construction subject to the following:
a.
Construction activity signs are permitted in all zoning districts on all sites with active construction projects.
b.
Construction activity signs may be installed only after approval of a building permit for such activity and shall be removed as follows:
1.
Signs for additions, alterations, or repairs to existing structures the sign shall be removed after 90 days or when the permit expires, whichever occurs first.
2.
Signs for new construction the signs shall be removed prior to the final inspections or when the permit expires, whichever occurs first.
c.
Construction activity signs may be either freestanding signs, wall mounted signs or installed on accessory structures such as fences and are subject to the following:
1.
Signs are limited to 16 square feet in area for construction sites for individual single-family or two-family dwellings and for any site of less than one acre in lot area. Construction activity signs are limited to 32 square feet in area for all other construction sites.
2.
Freestanding construction activity signs are limited to seven feet in height and must be located not less than five feet from any lot line.
d.
Construction activity signs shall not be illuminated.
(7)
Real estate activity sign. When a structure or lot is offered for sale, lease, or rent, such lot is permitted an additional temporary sign as follows:
a.
Real estate activity signs are permitted in all districts. Real estate signs must be located on the site of the property for sale, lease, or rent.
b.
Real estate signs are limited to one per street frontage.
c.
Real estate activity signs may be constructed as either freestanding, wall, or window signs.
d.
Real estate activity signs are limited to 12 square feet in area in residential districts and 32 square feet in all other districts.
e.
Freestanding signs are limited to five feet in height and must be located within five feet from any lot line.
f.
Real estate activity signs may not be illuminated.
g.
Real estate activity signs must be removed within five days of final closing, lease, or rental. If such real estate signs are used in conjunction with a promotional event related to the sale, lease or rent, such signs may be installed 48 hours prior to the event and must be removed within 24 hours of the end of the event.
(8)
Window sign. Window signs are permitted in all districts, except that signs containing illumination of any kind, including but not limited to LED lighting, shall not be permitted in residential zones.
a.
All window signs, whether temporary or permanent, are limited to no more than 30 percent of the surface of each window area. Window area is counted as a continuous surface until divided by an architectural or structural element. Mullions are not considered an element that divides window area.
b.
Up to five percent of window area may be illuminated, including any neon or LED sign, but this area is included in the maximum total area of 30 percent. Flashing or animation is prohibited.
(9)
Signs in residential zones. Flags and temporary signs shall be permitted, subject to the following limitations:
a.
Flags and temporary signs shall be permitted in residential zones so long as the flag or temporary sign does not exceed 12 square feet in area.
(Ord. No. 4002-22-23, § 3, 7-25-2022)
(a)
Air dancer tubes. Air dancer tubes shall be allowed with a permit, subject to the following restrictions:
(1)
No business or establishment shall be granted a permit for more than one air dancer tube at any given time.
(2)
Air dancer tubes may not be installed in a manner that intrudes or encroaches upon any public right-of-way.
(3)
Air dancer tubes must be set back from all adjacent or adjoining streets or roadways in a distance equal to the air dancer tube's height.
(b)
Attention-getting device. Attention-getting devices are permitted for non-residential uses in non-residential districts.
(1)
Each establishment may have one freestanding and one wall-mounted attention-getting device installed or mounted simultaneously.
(2)
Attention-getting devices are limited to the following display periods:
a.
When the attention-getting device advertises an event that has a specific start and end time: a total display period of 30 days prior to the start of the event, the time period of the event, and three days following the end of the event.
b.
All other attention-getting device advertisements (non-time specific): 30 days.
(3)
A maximum of four display periods per year is permitted with a minimum of 30 days between displays.
(4)
Attention-getting devices for multi-tenant sites are subject to the following rules:
a.
The display period and separation period apply to each establishment individually rather than the site as a whole.
b.
For multi-tenant sites, the property owner(s) and/or tenants must coordinate display of attention-getting devices among tenants.
(5)
Freestanding attention-getting devices are subject to the following:
a.
One freestanding attention-getting device is allowed for every 15 feet of street frontage. There must be a 15-foot separation between freestanding attention-getting devices.
b.
Freestanding attention-getting devices are limited to a maximum of 15 feet and 32 square feet in area.
c.
Freestanding attention-getting devices must be located a minimum of five feet from a lot line, as measured from the outermost portion of the sign. No part of a freestanding attention-getting device may extend over the lot line.
(6)
Wall mounted attention-getting devices are limited to 32 square feet.
(c)
Awning sign. Awning signs are permitted for multi-family dwellings and non-residential uses in any district.
(1)
Awning signs must maintain a minimum vertical clearance of eight feet.
(2)
Awning signs may encroach into the public right-of-way but must be located at least two feet from the curb line.
(3)
Awning signs must be made of a durable, weather-resistant material such as canvas, canvas-like material, nylon, vinyl-coated fabric, or permanent building material such as metal.
(4)
Sign copy on any awning sign surface is limited to 25 percent of each surface area. A valance is considered a separate surface area.
(5)
Solid awnings are permitted lettering attached to and located above the top of the awning to a maximum height of 24 inches.
(6)
Awning signs may be externally illuminated, and lighting must be focused on the printed area.
(7)
Back-lit awnings are prohibited.
(d)
Blade sign (projecting signs). Blade signs are permitted for non-residential use districts.
(1)
One blade sign is permitted per establishment with frontage on a street. For a corner lot, one blade sign is permitted for each street frontage.
(2)
Blade signs may encroach into the public right-of-way but must be located at least two feet from the curb line.
(3)
Blade signs must maintain a minimum vertical clearance of seven feet six inches. No blade sign affixed to a building may project higher than the building height, including the sign support structure.
(4)
Blade signs must be constructed of wood or simulated wood, metal, durable, weather-resistant material like canvas, canvas-like material, nylon or vinyl-coated fabric, plastic, or high-density urethane (HDU) foam board or similar durable foam construction. Blade signs constructed of canvas or similar material must be mounted so that they are held taut between support posts.
(5)
Blade signs may be internally or externally illuminated. If externally illuminated, all lighting must be directed onto the sign face from above.
(e)
Banners. Banner shall be permitted in all non-residential zones, provided that they are not displayed for more than 30 days.
(f)
Canopy sign. Canopy signs are divided into the following types: non-structural and structural.
(1)
Non-structural canopy signs. Non-structural canopy signs are permitted multifamily dwellings and non-residential uses in all districts.
a.
Non-structural canopy signs must maintain a minimum vertical clearance of seven feet six inches.
b.
Non-structural canopy signs may encroach into the public right-of-way but must be located at least two feet from the curb line. Support posts must maintain a minimum separation of five feet between posts and five feet between the posts and any building wall.
c.
Non-structural canopy signs must be made of a durable, weather-resistant material such as canvas, canvas-like material, nylon, or vinyl-coated fabric.
d.
Sign copy on any canopy sign surface is limited to 25 percent of each surface area.
e.
Non-structural canopy signs may be externally illuminated, and lighting must be focused on the printed area.
f.
Back-lit canopies are prohibited.
(2)
Structural canopy signs. Structural canopy signs are permitted as follows:
a.
Freestanding structural canopy signs are prohibited.
b.
In residential zones, structural canopy signs attached to the principal structure shall be permitted, but only for structures that constitute a "multi-family dwelling," as defined in Section 4-3-1-2 of the Pekin City Code.
c.
In non-residential zones, structural canopy signs attached to the structure shall be permitted, provided that the structure is not used for residential purposes.
d.
Freestanding structural canopy signs are permitted for non-residential uses. Structural canopy signs attached to the principal structure may encroach into the public right-of-way but must be located at least two feet from the curb line. Support posts must maintain a minimum separation of five feet between posts and five feet between the posts and any building wall, provided the designated PAR is not obstructed.
e.
Freestanding structural canopy signs are subject to the setback requirements of the district where they are located or ten feet from any lot line, whichever is greater. Freestanding structural canopy signs are limited to a maximum height of 25 feet.
f.
All structural canopy signs attached to a building must maintain a minimum vertical clearance of seven feet six inches. Freestanding structural canopy signs must maintain a minimum vertical clearance of 15 feet.
g.
For structural canopies attached to a building, sign copy is limited to 25 percent of each surface area. Such signs are permitted lettering attached to and located above the top of a structural canopy to a maximum height of 24 inches.
h.
For freestanding structural canopies, sign copy is limited to a maximum of 25 percent of the area of each façade. No sign may be mounted above the top of the roof of the structural canopy, but a sign mounted on the structural canopy façade may extend a maximum of 12 inches above the roofline.
i.
Structural canopy signs must be made of permanent building material, such as metal, brick, stucco, or concrete.
j.
Structural canopy signs may be internally or externally. If externally illuminated, the lighting must be focused on the sign. In addition, freestanding structural canopies for gas stations are permitted an illuminated band along each façade of the canopy. The illuminated band is limited to 20 percent of the overall height of the façade of the canopy.
(g)
Electronic message sign.
(1)
Motor vehicle service stations in any district are permitted an electronic message sign to display copy graphic that is required to be displayed by law, such as fuel prices. The total sign area of the electronic message signs cannot exceed that permitted by this Section.
(2)
Electronic message signs are permitted as part of a ground sign—standard, ground sign—multi-tenant retail center, wall sign, or marquee sign and are subject to the requirements for those sign types within that district.
(3)
Electronic message signs must be a minimum of 25 feet from the lot line of any residential district. This is measured from sign face to the residential lot line, including any public right-of-way.
(4)
Electronic message signs must be integrated into the larger sign structure. The electronic component is limited to a maximum of 70 percent of the total area of a sign.
(5)
Only one electronic message sign per lot is permitted. For the purposes of this regulation, a multi-tenant development where the development as a whole is comprised of separate lots of record, the entire development, including out lot parcels and inline development, is considered one lot.
(6)
Each message or image displayed on an electronic message sign must be static for a minimum of four seconds. Multi-color messages and static images are permitted. Unless the content or message is scrolling, transitions between content and messages must be instantaneous.
(h)
Ground sign.
Ground sign types. Ground signs are regulated as the following types in this Title:
(1)
Ground signs—Standard are permitted for multi-family dwellings and non-residential uses in any district.
(2)
Ground signs—Multi-tenant retail center are permitted for multi-tenant retail centers in any district.
(3)
Ground signs—Residential subdivision are permitted for residential subdivisions in any district.
(4)
General ground sign regulations. The following regulations apply to all ground signs:
a.
When the ground sign is designed with the base of the ground sign structure installed at grade, the monument base must be designed as an integral part of the sign structure. The width of the top of the sign face must be a minimum of 70 percent and a maximum of 130 percent of the width of the base.
b.
In order to create flexibility for ground signs installed where the ground is not level, structural (non-decorative) posts may extend out of the ground but are limited to a maximum of six inches above the adjacent ground where they are installed.
c.
A ground sign may be designed with decorative posts that are part of the overall sign structure and sign design, and such decorative posts may extend out of the ground for a maximum of two feet above the adjacent ground where they are installed, provided that if the ground sign is located on a street comer or intersection, such sign may not be situated in a manner that obstructs the vision triangle.
d.
Ground signs must be set back five feet from any lot line. No sign may project into, over, or otherwise encroach on a public right-of-way.
e.
Ground signs may be internally or externally illuminated. If externally illuminated, all light must be directed onto the sign face.
f.
Ground signs must be constructed of brick, wood or simulated wood, stone, concrete, metal, plastic, or high-density urethane (HDU) foam board or similar durable foam construction. The base on which a ground is principally supported should typically be constructed of masonry material.
g.
Ground signs—standard: Ground signs—standard are subject to the following limitations on sign area, sign height, and sign number:
1.
One ground sign—standard is permitted per street frontage. When a lot has over 150 feet of street frontage, an additional ground sign is permitted for each additional access point to the lot along that frontage.
2.
Ground sign—standard height and area are limited to the maximums indicated in other sections of this Code [and] "Ground signs—standard," of this Section.
3.
Any business or office district with frontage along Court St. and Veterans Dr. is permitted a ground sign that meets the standards of the B-3 District, as shown in other sections of this Code of this Section.
h.
Ground signs—multi-tenant retail center: Ground signs—multi-tenant retail center are subject to the following sign area, sign height, and sign number permissions:
1.
One ground sign—multi-tenant retail center is permitted per street frontage of a lot. An additional ground sign is permitted for each additional access point to the lot, however a minimum separation of 50 feet is required between ground signs. For the purposes of this regulation, a multi-tenant development where the development as a whole is comprised of separate lots of record, the entire development, including out lot parcels and inline development, is considered one lot.
i.
Ground signs—multi-tenant retail center permissions are as follows:
1.
Maximum sign area of 120 square feet of area per sign.
2.
Maximum sign height of 12 feet.
j.
Ground signs—residential subdivision: Ground signs—residential subdivision are subject to the following sign area, sign height, and sign number permissions.
1.
One ground sign—residential subdivision is permitted for each access point to the development. A minimum separation of 50 feet is required between ground signs.
2.
Ground signs—residential subdivision are permitted a maximum sign area of 120 square feet per sign and a maximum sign height of eight feet per sign.
k.
Ground sign landscaping: All ground signs must be landscaped at the base of the sign in accordance with the following:
1.
Landscape must extend a minimum of two feet from the sign base on all sides with small shrubs a minimum of 18 inches in height at planting in a single row around the perimeter of the sign base. The remainder of the required landscape area must be planted with trees, perennials, or other live groundcover. If such sign is located within a vision triable, the maximum height at maturity for any planting shall not exceed 30 inches.
2.
If a ground monument sign is designed with a decorative base and such decorative base extends to the ground, the single row of shrubs around the entire perimeter of the sign base is not required. Landscape must extend a minimum of two feet from the sign base around a minimum of 50 percent of the perimeter of the sign base, and must be planted with shrubs, trees, perennials, or other live groundcover.
3.
Landscape is required on a site, ground sign landscape is included in the total amount of landscape required on a site. Where a sign is installed in any landscape area of a site, the specific landscape requirements of this Section do not apply, and the sign landscape must be integrated into the overall site landscape plan. Sign landscape must be shown on the landscape plan.
4.
All landscape must be maintained in good condition, and free and clear of rubbish and weeds.
5.
The owner of any ground sign landscaping shall maintain compliance with these provisions, including replacing any dead plantings.
(i)
Marquee: Marquees are permitted for commercial uses in B-2 District.
(1)
Marquees must be supported solely by the building to which they are attached. No exterior columns or posts are permitted as supports.
(2)
The roof of a marquee may not be used for any purpose other than to form and constitute a roof and must be constructed of noncombustible material.
(3)
Water from the roofs of a marquee may not drain, drip, or flow onto the surface of a public right-of-way. Sufficient downspouts, drains, and gutters must be installed as part of each marquee to prevent water from the roof of the marquee from flowing onto the surface of a public right-of-way.
(4)
Marquees must be erected over a building entrance and are limited to the width of the building entrance plus an additional five feet on each side of the entrance doors covered by the marquee.
(5)
All marquees must maintain a minimum vertical clearance of eight feet, and the roof of the marquee structure must be erected below the second-floor windowsill and must not conceal any significant architectural features or ornamentation of the building.
(6)
Marquees may encroach into the public right-of-way but must be located at least two feet from the curb line.
(7)
Marquees are permitted lettering attached to and located above the roof of a marquee to a maximum height of 48 inches.
(8)
Marquees are permitted an electronic message component if the district allows electronic message signs. Marquees are also permitted a changeable message board as part of the marquee structure. However, the marquee may only have either a changeable message board sign or an electronic message sign.
(9)
Marquees may be internally illuminated.
(10)
Marquees bare-bulb illumination outlining is prohibited.
(j)
Menu board. Menu boards are permitted for all drive-through facilities in any district.
(1)
Menu boards are limited to a maximum of two per drive-through lane.
(2)
Menu boards are limited to 75 square feet in sign area and eight feet in height. The menu board may be designed as separate freestanding signs grouped together and may include the use of preview boards designed as separate freestanding signs installed a distance earlier in the drive-through lane, however the total area of all signs must not exceed 75 square feet.
(3)
Menu boards are permitted an additional ten square feet of sign area for temporary signs attached to the top or sides of the menu board.
(4)
Menu boards must be located a minimum of 15 feet from any residential district lot line. This is measured from sign face to lot line, including any public right-of-way.
(5)
Menu boards may be internally illuminated and also contain an electronic screen for interaction with each customer.
(k)
Suspended signs. The following standards apply to signs suspended or mounted under awnings, canopies, galleries, or arcades.
(1)
Suspended signs must be attached to the underside of an awning, canopy, gallery, or arcade. Suspended signs must not project beyond the awning, canopy, gallery, or arcade.
(2)
Suspended signs must maintain a minimum vertical clearance of seven feet six inches.
(3)
A maximum of one suspended sign is permitted per business establishment with frontage where the awning, canopy, gallery, or arcade is located.
(4)
Suspended signs are limited to a maximum of six square feet in area.
(5)
Suspended signs must be securely fixed to the awning with metal supports.
(6)
Suspended signs must be made of wood, metal, plastic, or high-density urethane (HDU) foam board or similar durable foam construction.
(l)
Wall sign. Wall signs are permitted for all non-residential uses in any district.
(1)
Wall signs are permitted on all façades of a structure. On a site consisting of multiple structures, each structure is permitted wall signs per the regulations of this Section. The square footage from different structures cannot be combined to create a larger sign on any one structure.
(2)
The maximum size of a wall sign is established at one and one-half square feet per linear foot of building wall where the wall sign will be mounted or 40 square feet, whichever is greater. The square footage from different façades cannot be combined to create a larger sign on any one façade.
(3)
In a multi-tenant structure, each tenant is permitted a wall sign of one and one-half square feet per linear foot of business frontage or 40 square feet, whichever is greater, for each tenant. The square footage from different tenants cannot be combined to create a larger sign than allowed by this Section.
(4)
The number of individual wall signs on a façade is not limited, however the cumulative sign area of all signs on that façade cannot exceed the maximum allowable sign area.
(5)
Wall signs may be internally or externally illuminated. If externally illuminated, all light must be directed onto the sign face.
(6)
Wall signs must be safely and securely attached to the building wall. Wall signs must project less than 18 inches from the building wall. Wall signs may encroach into the public right-of-way no more than 18 inches.
(7)
No wall sign affixed to a building, including sign support structure, may project beyond the ends or top of the wall or higher than the roofline of the structure to which it is attached.
(8)
Wall signs must be constructed of wood or simulated wood, metal, durable, weather resistant material like canvas, canvas-like material, nylon or vinyl-coated fabric, plastic, or high-density urethane (HDU) foam board or similar durable foam construction. Wall signs constructed of material must be mounted so that they are held taut against the wall. Painted wall signs are prohibited.
(9)
Wall signs are permitted on architectural appurtenances, such as chimneys or penthouses, which are part of the structure. Wall signs must not cover any window, windowsill, transom sill, or significant architectural feature of the structure.
(Ord. No. 4002-22-23, § 2, 7-25-2022; Ord. No. 4241-24-25, § 3, 10-14-2024)
(a)
Nonconforming signs in existence at the time of this section may be continued until replacement or repair of any portion of the sign would exceed 50 percent of the replacement cost.
(b)
All temporary nonconforming signs must be removed or brought into conformance within 30 days of the effective date of this ordinance [from which this Section derived].
(c)
The sign face of an existing nonconforming permanent sign may be replaced, but the structure cannot be altered to accommodate such change. A change in sign face requires a permit.
(d)
No nonconforming sign and sign structure may be relocated, in whole or part, to any other location on the same or other lot, unless the entire sign and sign structure conforms to all regulations applicable to the lot where the sign is relocated.
(e)
No nonconforming sign may be altered or enlarged in any way that increases the nonconformity of the sign or sign structure.
(Ord. No. 4002-22-23, § 2, 7-25-2022)
(a)
Directional signs. All directional signs required for the purpose of orientation, when established by the City, County, State or Federal Government, shall be permitted in all districts.
(b)
On-premises signs. On-premises signs shall be permitted in any use district. On-premises signs must comply with all other applicable rules and regulations set forth in this Code. By way of example, an on-premises sign located on a lot zoned residential must comply with the requirements for signs in residential zones, including the restriction that such signs be no more than 12 square feet in area.
(c)
Real estate signs. Signs used for advertising land or buildings for rent, lease or sale shall be permitted when located on the land or building intended to be rented, leased or sold.
(d)
Nonconforming signs. Nonconforming signs in existence may be continued until replacement or repair of the sign would exceed 50 percent of the replacement cost.
(Ord. No. 4002-22-23, § 2, 7-25-2022)
Any sign including the sign structure, retractable canopy or awning, which advertises a business no longer being conducted or a product no longer being sold from the premises to which the sign relates is considered obsolete and shall be removed within 30 days from last day of business. Signs left in good repair which remove all aspects of a former business and present a solid color blank slate are not considered obsolete.
(Ord. No. 4002-22-23, § 2, 7-25-2022)
All rights and privileges accrued under the provisions of this Article or any amendment hereto are mere licenses and may be revoked upon the violation of any of the conditions contained herein. If the work authorized under an erection permit has not been completed within 180 days after the date of issuance, said permit shall become null and void.
(Ord. No. 4002-22-23, § 2, 7-25-2022)
(a)
The maximum size of a sign shall be determined by location of the structure and structure frontage. In general, the maximum size for one sign shall be determined by the following: two square feet of sign per one linear foot of building frontage or 120 square feet whichever is larger.
Example: Building front covers 150 feet; therefore, the largest sign allowed would be 300 square feet. A building that has only 50 feet would be allowed a sign of 120 square feet.
(b)
A facility shall not have more sign coverage that exceeds the total of more than three square feet per one linear foot of building frontage for buildings having frontage of 100 linear feet or larger. Buildings less than 100 linear feet shall have a maximum of 120 square feet.
Example: Building front covers 150 feet; therefore, the cumulative total of signage allowed would be 450 square feet. A building that has only 35 feet would still be allowed only a total of 120 square feet.
(c)
Building location determinations. Buildings on corner lots or in large complexes where access to the structure or business is available on more than one side shall be considered to have more than one building front for purposes of calculating the amount of signage allowed. Calculations for signage will be determined by counting each side as a separate frontage.
(d)
Off-premises signs shall be permitted, but only in commercial and industrial zones and only by special use. Off-premises signs shall be permitted in Planned Unit Developments (PUD) by special use only.
(e)
Signs, awnings, or canopies, only within a B-2 and B-3 Business District; provided, further, that the bottoms of signs and valances of any awnings or canopies are no less than eight feet above immediate grade and project no closer than two feet from the nearest curb or pavement edge.
(f)
No sign, otherwise permitted, shall project above or beyond the maximum height of 50 feet above the ground level; except that, for a planned commercial or shopping center development involving five acres or more under one ownership, the Board of Appeals may modify the height limitation. The Board shall, however, respect all yards and setbacks in modifying height requirements.
(g)
Gas stations with canopies covering the pumps shall be allowed only one canopy mounted sign per side.
(Ord. No. 4002-22-23, § 2, 7-25-2022)
(a)
The light intensity or brightness from any illuminated sign located in a district abutting a residential district shall not disrupt the reasonable peaceful enjoyment of surrounding properties. Illuminated signs visible to adjacent residential properties shall be turned off and not operated between the hours of 11:00 p.m. and 7:00 a.m.
(b)
Off-premises signs shall not be permitted in any residential district unless otherwise specifically stated in this Code.
(Ord. No. 4002-22-23, § 2, 7-25-2022; Ord. No. 4241-24-25, § 4, 10-14-2024)
(a)
No portable sign shall be displayed without first obtaining a permit.
(1)
Portable signs shall be licensed as temporary signs for periods not to exceed 21 days. Each property is limited to six portable sign permits within a calendar year. The effective date of a permit must be at least 30 days after expiration of the most recent prior permit.
(2)
Portable signs shall not exceed 32 square feet in area per side.
(3)
Portable signs shall not obstruct parking places or automobile or pedestrian travel lanes.
(4)
Portable signs shall not be located so as to obstruct traffic vision.
(5)
Any lighting of a portable sign shall be of a type that cannot be confused with traffic controls and will not cause vehicle drivers to be distracted.
(6)
Any electrical connections shall be in accordance with all City codes and shall not be exposed in any way which will constitute a safety hazard.
(7)
Fees. The fee for each portable sign permit shall be set from time to time by the City Council. The fee will be waived if the portable sign is to be used for noncommercial, nonprofit use.
(8)
Seasonal businesses. A seasonal business may obtain a permit for a portable sign for a fee set from time to time by the City Council, with a limit of four permits per calendar year.
(9)
Portable sign into a permanent sign. A portable sign on a frame with wheels may be turned into a permanent sign if the following conditions are met:
a.
The wheels and frame are removed.
b.
The sign shall be placed in a permanent concrete base to withstand 70 mph winds, and cannot be moved.
c.
Connections to an energy source for lighting shall be in accordance with all City and National codes.
(Ord. No. 4002-22-23, § 2, 7-25-2022; Ord. No. 4195-24-25, § 2, 6-10-2024)
(a)
Purpose. The purpose is to permit and encourage art murals on a content-neutral basis on certain terms and conditions. It is not the intent of this Section to deny or restrict material protected by the First Amendment. Art murals comprise a unique medium of expression which serves the public interest. Art murals have purposes distinct from signs and confer different benefits. Such purposes and benefits include improved aesthetics; avenues for artistic expression; public access to original works of art; community participation in the creation of original works of art; community building through the presence of and identification with original works of art; and a reduction in the incidence of graffiti and other crime. Murals can increase community identity and foster a sense of place and enclosure if they are located at heights and scales visible to pedestrians, are retained for longer periods of time and include a neighborhood process for discussion. This Section also allows murals on historic property in a way that will not diminish the historic or character-defining features of the property.
(b)
Permitted murals. Art murals that meet all of the following criteria are permitted in all non-residential zoning districts and on structures with legal non-residential used in residential zoning districts, upon satisfaction of the applicable permit requirements.
(c)
Prohibited murals. The following are prohibited:
(1)
Murals on structures with solely a single-family or multiple family residential use and associated accessory structures in residential zoning districts.
(2)
Murals which would result in a property becoming out of compliance with the provisions of this Code or land use conditions of approval for the development on which the mural is to be located.
(3)
Murals of any material characterized as obscene as defined in Section 4-3-8-8-5(8).
(d)
Administrative review process. Art murals are subject to application and approval by the Building Official. If an application is denied by the Building Official, the applicant may seek approval from the Zoning Board of Appeals upon submittal of an application pursuant to Division 2 of this Article and the following:
(1)
Building elevation drawn to scale, and one eight and one-half-inch by 11-inch reduction suitable for photocopying, that identifies:
a.
The façade on which the mural is proposed;
b.
The location of existing and proposed murals;
c.
The mural dimensions; and
d.
The height of the mural above grade.
(2)
Site plan drawn to scale, and one eight and one-half-inch by 11-inch reduction suitable for photocopying, that identifies:
a.
Property lines.
b.
Building location and façade on which the mural will be located.
c.
Names of streets that abut site.
d.
North arrow.
(3)
Written description of the type of mural (painted, mosaic, etc.) and details showing how the mural is to be affixed to the wall.
(4)
Written consent from the building owner.
(5)
No fee is required for a mural permit.
(e)
Design requirements, mural size and materials.
(1)
No part of the mural shall exceed 30 feet in height or higher than the floor level of the third floor, measured from grade, for projects on buildings greater than two stories, whichever is more restrictive. Any mural exceeding the permitted height shall be subject to the special use review process pursuant to this Section.
(2)
No part of the mural shall extend more than six inches from the plane of the wall upon which it is tiled or painted or to which it is affixed.
(f)
Expiration. If the mural is not completed within six months of issuance of a mural permit, the permit is void, and no further work on the mural may be done at the premises until a new permit has been secured.
(g)
Maintenance. Building owners are responsible for ensuring that a permitted mural is maintained in good condition and is repaired in the case of vandalism or accidental destruction. Moralists and building owners are encouraged to consider protective clear top coatings, cleanable surfaces, and/or other measures that will discourage vandalism or facilitate easier and cheaper repair permitted of the mural if needed.
(h)
Alterations. Alterations to the mural area may be allowed but must be approved by obtaining new permit through the process described in this Section.
(i)
Pre-existing murals. Any displays constituting murals under this Section currently in existence at the time of approval of the ordinance from which this Section is derived shall be deemed to be allowed under this Section. Any material alterations, other than routine maintenance, to such a mural would be subject to the provisions herein.
(Ord. No. 4002-22-23, § 2, 7-25-2022; Ord. No. 4241-24-25, § 5, 10-14-2024)
These regulations offer specific construction and operation regulations for the safe and appropriate use of electronic multiple message signs, which include any flashing or running lights creating an illusion of movement, but are not limited to electronic message boards, reader boards and billboard displays.
(1)
All outdoor lighting in all use districts used to light the general area of a specific site shall be shielded to reduce glare and shall be so arranged as to reflect lights away from all adjacent residential districts or adjacent residences.
(2)
All outdoor lighting in all use districts shall be directed toward and confined to the ground areas of lawns or parking lots. String lights used in connection with business premises for commercial purposes must be installed and maintained in compliance to the most current adopted building and electrical codes.
(3)
All lighting in nonresidential districts used for the external illumination of buildings, so as to feature said buildings, shall be placed and shielded so as not to interfere with the vision of persons on adjacent highways or adjacent property.
(4)
Illumination of signs shall be directed or shaded downward so as not to interfere with the vision of persons on the adjacent highways or adjacent property.
(5)
The following regulations shall apply to all zoning districts unless otherwise specified:
a.
Electronic multiple message signs shall be permitted to change their message no more than once per every ten seconds.
b.
Unless the content or message is scrolling, transitions between content and messages must be instantaneous.
c.
Automatic dimming must be maintained by light sensing devices or a scheduled dimming timer that automatically dims the intensity of the light emitted by the sign during ambient low light and nighttime hours not to exceed 500 nits of intensity and during daytime hours not to exceed 5,000 nits of intensity.
d.
Multiple message signs must contain a default design that will freeze the message in one position if a malfunction occurs.
e.
Spacing between signs shall not be closer than 1,000 feet in all industrial zoning districts.
f.
Location of multiple message signs must not be adjacent to official traffic control signs that could confuse the motoring public.
g.
Maintenance of multiple message signs shall include replacement of bulbs, LEDs, pixels and shall be in working and properly illuminating condition at all times.
(Ord. No. 4002-22-23, § 2, 7-25-2022)
Where a permit is required pursuant to this Section 4-3-8-8, a fee as set from time to time by the City Council for such a permit shall be required at the time of permit application.
(Ord. No. 4002-22-23, § 2, 7-25-2022; Ord. No. 4195-24-25, § 2, 6-10-2024)
Off-premises signs shall be allowed in the B-3,I-1, I-2 and PUD zoning districts. No off-premises sign shall be erected in the city without a special use permit. The off-premises sign permit shall be granted only after approval by the city council subsequent to receipt of a recommendation from the zoning board of appeals following a hearing for special use as provided in chapter 4 of this Code.
(a)
Procedure for obtaining off-premises sign permit. A person wishing to erect an off-premises sign within the city shall make application for a permit to the chief building official on forms provided by the building inspections department. The chief building official shall forward the application to the zoning board of appeals, which shall hold a public hearing on the application at a regularly scheduled or special meeting. Notice of the time and place of the hearing together with a brief description of the subject matter shall be published one time, not more than 30, nor less than 15 days prior to the hearing in a newspaper of general circulation in the city. Following the public hearing, the zoning board of appeals shall forward its recommendation on the application to the city council for final action.
(b)
Procedure for obtaining permit to apply automatic changeable technology to an existing, legal off-premises sign. A person wishing to add automatic changeable technology to an existing, legal off-premises sign within the city shall make an application for a permit to the chief building official on forms provided by the building inspections department. The chief building official shall confirm that the off-premises sign in question is legal, that the proposed automatic changeable technology conforms to the provisions of subsection 4-3-8-8-18(c)(7) and, if so, issue a permit.
(c)
Standards for off-premises signs. In addition to the applicable construction standards in subsection 4-3-8-8-3(b) and the zoning regulations found at chapter 4 of this Code, the zoning board of appeals shall determine if the off-premises sign meets the following requirements of this Section:
(1)
The special use standards as provided in subsection 4-3-2-1-4 shall be met.
(2)
All off-premises signs shall be freestanding.
(3)
No off-premises sign may be erected which exceeds 300 square feet in off-premises sign area, ten feet in height and 30 feet in length, including border and trim, but excluding ornamental base or apron, supports and other structural members. The maximum size limitation shall apply to each side of the off-premises sign or off-premises sign structure. A maximum of two off-premises signs may be erected on a facing, in which event the facing shall be deemed to be one off-premises sign, the size of which may not exceed the dimensions listed in this Section. Off-premises signs may be double-faced or be placed back-to-back or V-type. The area shall be measured by the smallest square, rectangle, triangle, circle or combination thereof which will encompass the entire off-premises sign.
(4)
No off-premises sign shall be closer than 1,000 feet to another off-premises sign or to any school, park, church or other place of worship.
(5)
In accordance with subsection 4-3-2-1-4 of this Code, whenever the zoning board of appeals shall recommend a special use permit for an off-premises sign, it shall condition such special use permit on the inclusion of adequate landscaping unless it finds landscaping wholly inappropriate because of the location of the off-premises sign.
(6)
The granting of the permit is otherwise in the best interests of the health, safety and welfare of the city's residents.
(7)
If the off-premises sign uses or incorporates automatic changeable technology, the off-premises sign shall be subject to the following additional restrictions:
a.
The off-premises sign shall not be located within 150 feet of an existing residentially used lot unless all parts of the changeable copy off-premises sign are oriented so that no portion of the off-premises sign face is visible from an existing or permitted principal structure on that lot;
b.
No audio speakers or pyrotechnics shall be used or associated with the off-premises sign;
c.
The maximum brightness is limited to 5,000 nits when measured from the off-premises sign's face at its maximum brightness, during daylight hours, and 500 nits when measured from the off-premises sign's face at its maximum brightness between dusk and dawn, i.e., the time of day between sunrise and sunset. The off-premises sign shall have an ambient light meter and automatic or manual dimmer control that produces a distinct illumination change from a higher allowed illumination level to a lower allowed level for the time period between one-half hour before sunset and one-half hour after sunrise;
d.
The off-premises sign display shall not incorporate video, motion pictures, or intensely flashing or scintillating lights, provided scrolling or animated copy shall be permissible where not elsewhere prohibited by law;
e.
All requirements as listed in subsection 4-3-8-8-16.
(d)
Scenic areas. No off-premises sign shall be erected in any of the following designated scenic areas:
(1)
The area of Court Street and Mineral Springs Park, starting from the intersection of Court Street and Audubon Drive and ending at the intersection of Court Street and South 13 th Street.
(2)
The area of Parkway Drive and Coal Miners Park, starting from the intersection of Parkway Drive and Court Street and ending at the intersection of Parkway Drive and Broadway Street.
(3)
The area of Front Street and the Pekin Riverfront Park, starting from the intersection of Front Street and Broadway and ending at the Intersection of Front Street and St Mary Street.
(4)
The area of Derby St, starting from the intersection of Derby Street and 14 th Street and ending at the intersection of Derby Street and 2 nd Street.
(5)
No off-premises signs shall be allowed within 1,000 feet of any public recreation area.
(e)
Non-conforming signs. Off-premises signs in existence as of October 14, 2024, which do not conform to or comply with this code are subject to the following provisions:
(1)
Existing off-premises signs may continue in use for the purpose used and as existing on October 14, 2024, but may not be replaced or structurally altered without complying in all respects with this Code; provided, however, an existing off-premises sign in a residential district may not be enlarged or altered to include digital displays.
(2)
If such off-premises signs are hereafter damaged or destroyed due to any reason or cause whatsoever, the off-premises sign may be repaired and restored to its former use, location, and physical dimensions upon obtaining a building permit therefor, but without otherwise complying with this Section; provided, however, that if the cost of repairing the off-premises sign to the former use, physical dimensions, and location would be ten percent or more of the cost of a new off-premises sign of like kind and quality, then the off-premises sign may not be repaired or restored, except in full compliance with this Code.
(f)
Co-location on adjoining premises. Any of the provisions of subsections (b) and (c), above, to the contrary notwithstanding, an off-premises sign may be located in the B-3, I-1, I-2 and PUD zoning districts, but only if all of the following conditions are met:
(1)
The off-premises sign is located on-premises adjacent to the premises being advertised by the off-premises sign.
(2)
The off-premises sign is located on the same sign structure as an on-premises sign located on the adjacent premises, thereby eliminating the need for a separate sign structure to support the off-premises sign.
(3)
The sign structure for the on-premises sign which will serve as the sign structure for the co-located off-premises sign has a height in excess of 35 feet and has been lawfully erected.
(4)
The area of the off-premises sign does not exceed the authorized maximum area for an on-premises sign at the proposed location of the off-premises sign.
(5)
The co-location has been authorized as a special use in accordance with the procedure set forth at subsection (a) of this Section.
(6)
Co-location on an off-premises sign shall be limited to one co-located off-premises sign.
(Ord. No. 4241-24-25, § 6, 10-14-2024)
Any person violating any provision of this Article shall be subject to a penalty as provided in Section 1-1-15.
(Ord. No. 4241-24-25, § 7, 10-14-2024)
(a)
Purpose. The purpose is to permit and encourage art murals on a content-neutral basis on certain terms and conditions. It is not the intent of this Section to deny or restrict material protected by the First Amendment. Art murals comprise a unique medium of expression which serves the public interest. Art murals have purposes distinct from signs and confer different benefits. Such purposes and benefits include improved aesthetics; avenues for original artistic expression; public access to original works of art; community participation in the creation of original works of art; community building through the presence of and identification with original works of art; and a reduction in the incidence of graffiti and other crime. Murals can increase community identity and foster a sense of place and enclosure if they are located at heights and scales visible to pedestrians, are retained for longer periods of time and include a neighborhood process for discussion. This Section also allows murals on historic property in a way that will not diminish the historic or character-defining features of the property.
(b)
Permitted murals. Art murals that meet all of the following criteria are permitted in all nonresidential zoning districts and on structures with legal nonresidential uses in residential zoning districts, upon satisfaction of the applicable permit requirements.
(c)
Prohibited murals. The following are prohibited:
(1)
Murals on structures with solely a single-family or multiple family residential use and associated accessory structures in residential zoning districts.
(2)
Murals which would resu1t in a property becoming out of compliance with the provisions of this Code or land use conditions of approval for the development on which the mural is to be located.
(3)
Murals of any material characterized as obscenity, as defined by Section 6-8-3.
(d)
Administrative review process. Art murals are subject to application and approval by the City of Pekin Zoning Administrator. If an application is denied by the City of Pekin Zoning Administrator, the applicant may seek approval from the City of Pekin Zoning Board of Appeals upon submittal of an application pursuant to Division 2 of this Article and the following:
(1)
Building elevation drawn to scale, and one 8½-inch by 11-inch reduction suitable for photocopying, that identifies:
a.
The facade on which the mural is proposed;
b.
The location of existing and proposed murals;
c.
The mural dimensions;
d.
The height of the mural above grade.
(2)
Site plan drawn to scale, and one 8½-inch by 11-inch reduction suitable for photocopying, that identifies:
a.
Property lines;
b.
Building location and facade on which the mural will be located;
c.
Names of streets that abut site;
d.
North arrow.
(3)
Written description of the type of mural (painted, mosaic, etc.) and details showing how the mural is affixed to the wall surface.
(4)
Written consent from the building owner.
(5)
No fee is required for approval of a mural.
(e)
Design requirements; mural size and materials.
(1)
No part of the mural shall exceed 30 feet in height or higher than the floor level of the third floor, measured from grade, for projects on buildings greater than two stories, whichever is more restrictive. Any mural exceeding the permitted height shall be subject to the special use review process pursuant to this Section.
(2)
The mural shall not extend more than six inches from the plane of the wall upon which it is tiled or painted or to which it is affixed.
(f)
Expiration, maintenance, alterations, and removal of mural.
(1)
Expiration. If the mural is not completed within six months of issuance of a mural permit, the permit is void, and no further work on the mural may be done at the premises until a new permit has been secured.
(2)
Maintenance. Building owners are responsible for ensuring that a permitted mural is maintained in good condition and is repaired in the case of vandalism or accidental destruction. Muralists and building owners are encouraged to consider protective clear top coatings, cleanable surfaces, and/or other measures that will discourage vandalism or facilitate easier and cheaper repair of the mural if needed.
(3)
Alterations. Alterations to the mural area may be allowed, but must be approved by obtaining new permit through the process described in this Section.
(4)
Grandfather clause. Any displays constituting murals under this Section currently in existence at the time of approval of the ordinance from which this Section is derived shall be deemed to be allowed under this Section. Any material alterations, other than routine maintenance, to such a mural would be subject to the provisions herein.
(Prior Code, § 9-10-8-2; Ord. No. 2742-OA-15/16, 4-25-2016; Ord. No. 3001-21-22, § 5, 7-26-2021)
These regulations offer specific construction and operation regulations for the safe and appropriate use of electronic multiple message signs, which include any flashing or running lights creating an illusion of movement, but are not limited to electronic message boards, reader boards and billboard displays.
(1)
All outdoor lighting in all use districts used to light the general area of a specific site shall be shielded to reduce glare and shall be so arranged as to reflect lights away from all adjacent residential districts or adjacent residences.
(2)
All outdoor lighting in all use districts shall be directed toward and confined to the ground areas of lawns or parking lots.
a.
String lights used in connection with business premises for commercial purposes, must be installed and maintained in compliance to the most current adopted building and electrical codes.
(3)
All lighting in nonresidential districts used for the external illumination of buildings, so as to feature said buildings, shall be placed and shielded so as not to interfere with the vision of persons on adjacent highways or adjacent property.
(4)
Illumination of signs shall be directed or shaded downward so as not to interfere with the vision of persons on the adjacent highways or adjacent property.
(5)
No sign shall be so illuminated that it interferes with the effectiveness of or obscures an official traffic sign, device, or signal.
(6)
Regulations. These regulations shall apply to all zoning districts unless otherwise specified.
a.
Length of display or dwell time for electronic multiple message signs shall be permitted to change their message no more than once per every ten seconds.
b.
Transitions between content and messages shall not be more than three seconds between displayed messages.
c.
Automatic dimming must be maintained by light sensing devices or a scheduled dimming timer that automatically dims the intensity of the light emitted by the sign during ambient low-light and nighttime hours not to exceed 500 nits of intensity and during daytime hours not to exceed 5,000 nits of intensity.
d.
Multiple message signs must contain a default design that will freeze the message in one position if a malfunction occurs.
e.
Spacing between signs shall not be closer than 1,000 feet in all industrial zoning districts.
f.
Location of multiple message signs must not be adjacent to official traffic control signs that could confuse the motoring public.
g.
Maintenance of multiple message signs shall include replacement of bulbs, LEDs, pixels and shall be in working and properly illuminating condition at all times.
h.
An electrical permit is required for all signs utilizing electrical power.
(Prior Code, § 9-10-9; Ord. No. 2590-OA-09/10, 7-27-2009; Ord. No. 2618-OA-10/11, 5-24-2010; Ord. No. 2916-20-21, § 3, 10-26-2020)
In all residential districts, so-called entranceway structures, including, but not limited to, walls, columns and gates marking entrances to single-family subdivisions or multiple housing projects, may be permitted and may be located in a required yard, except as provided in Section 4-3-8-12, provided that such entranceway structures shall comply to all codes of the City and shall be approved by the Building Inspections Division of the Community Development Department and a permit issued.
(Prior Code, § 9-10-10)
(a)
No fence, wall, shrubbery, sign or other obstruction to vision above a height or 30 inches from the established street grades shall be permitted within the triangular area formed at the intersection of any street right-of-way lines by a straight line drawn between said right-of-way lines at a distance along each line of 25 feet from their point of intersection, nor shall such obstruction to vision be permitted at the intersection of any driveway or alley, and a street right-of-way line within a triangular area formed at such intersection by a straight line drawn between the driveway or alley line and the street right-of-way line at a distance along each line of 15 feet setback shall be required between the property line and the driveway or alley.
(b)
See the following diagram pertaining to this section:
Vision Obstruction
(Prior Code, § 9-10-11)
(a)
Frontage on a public street. No lot shall be used for any purpose permitted by this Article unless said lot abuts a public street, unless otherwise provided for in this Article.
(b)
Individual access points, particularly residential, onto arterial and primary collector streets shall be discouraged unless found not to be feasible. Whenever feasible, joint access points serving abutting properties or frontage roads serving multiple properties shall be provided onto arterial or primary collector streets.
(Prior Code, § 9-10-12)
(a)
Application. The Building Inspector shall require that all applications for building permits shall be accompanied by plans and specifications, including a site plan, as provided for in Section 4-3-2-1-4.
(b)
Submission. A site plan shall be submitted to the Zoning Board of Appeals for approval of:
(1)
Any use or development for which the submission of a site plan is required by any provision of this Article.
(2)
Any development, except single-family and two-family residential, for which off-street parking areas are provided as required.
(3)
Any use in a RM-1, RM-2, RM-3, OS-1, B-1, B-2, B-3, I-1 or I-2 District lying contiguous to or across a street from a single-family residential district.
(4)
Any use, except single- or two-family residential, which lies contiguous to a major thoroughfare or collector street.
(5)
All residentially related uses permitted in single-family districts, such as, but not limited to, churches, schools and public facilities.
(6)
Building additions or accessory buildings shall not require Zoning Board of Appeals review unless off-street parking in addition to that already provided on the site is required.
(7)
All site plans for other than RM uses as required to be reviewed in Subsections (b)(1) through (4) of this Section shall be reviewed by the Building Inspections Division and shall not require Zoning Board of Appeals review, unless such use requires review as in a special use or is specifically referred to the Zoning Board of Appeals for review by the Building Inspections Division or the City Council.
(8)
When site plans are submitted to the City indicating a development containing office space, orc business or an industrial use which will not require City of Pekin Zoning Board of Appeals review, and will abut single-family or duplex residential uses, the property owners within 150 feet of the lot or parcel that is proposed to be developed shall receive individual notification of the site plan submittal and of their opportunity to meet with City staff for discussion of the proposed site plan. Such notice shall be by direct mail. Additionally, a non-legal section notice shall be placed in a newspaper of general circulation, a minimum of three days prior to the scheduled meeting date. Upon the submission of such site plan, the owner shall pay a filing and review fee set from time to time by the City Council.
The appropriate City staff, as well as at least one City Councilmember, shall then meet with all interested property owners in the affected area or community at large, in order to discuss the proposed development and review the site plan. The minutes of the meeting shall be recorded and copies to the City Clerk, the City Manager, the Mayor and all City Councilmembers.
(b)
Review. Every site plan submitted to the Zoning Board of Appeals shall be in accordance with the requirements of this Article. No site plan shall be approved until same has been reviewed by the Building Inspections Division and by the Fire Department. Review of site plans by the Fire Department shall include such recommendations with regard to building spacing as may be required by the Building Code relative to fire-resistant construction. Such review by the Building Inspections Division and Fire Department shall be made prior to submitting such plans to the Zoning Board of Appeals.
(c)
Required information. In addition to the information required for the City staff checklist, the following information shall be included on the site plan:
(1)
A scale of not less than one inch equals 50 feet if the subject property is less than three acres and one inch equals 100 feet if three acres or more.
(2)
Date, north point and scale.
(3)
The dimensions of all lot and property lines, showing the relationship of the subject property to abutting properties.
(4)
The location of all existing and proposed structures on the subject property and all structures within 100 feet of the subject property.
(5)
The location of all existing and proposed drives and parking areas.
(6)
The location and right-of-way widths of all abutting streets and alleys.
(7)
The names, addresses, and phone numbers of the architect, planner, designer, engineer or person responsible for the preparation of the site plan.
(d)
Consideration. In the process of reviewing the site plan, the Zoning Board of Appeals, Building Inspections Division, Fire Department and Public Works Department will consider:
(1)
The location and design of driveways providing vehicular ingress to and egress from the site in relation to streets giving access to the site and in relation to pedestrian traffic.
(2)
The traffic circulation features within the site and location of automobile parking areas and may make such requirements with respect to any matters as will assure:
a.
Safety and convenience of both vehicular and pedestrian traffic both within the site and in relation to access streets.
b.
Satisfactory and harmonious relationships between the development on the site and the existing and prospective development of contiguous land and adjacent neighborhoods.
(3)
The Zoning Board of Appeals, Building Inspections Division, Fire Department, and Public Works Department, may further require landscaping, fences and walls in pursuance of these objectives and same shall be provided and maintained as a condition of the establishment and the continued maintenance of any use to which they are appurtenant.
(4)
In those instances wherein the Zoning Board of Appeals, Building Inspections Division, Fire Department and Public Works Department find that an excessive number of ingress and/or egress points may occur with relation to major streets or any thoroughfares, thereby diminishing the carrying capacity of the thoroughfare, the Zoning Board of Appeals may recommend marginal access drives. For a narrow frontage which will require a single outlet, the Zoning Board of Appeals may recommend that money or suitable bond be placed in escrow with the City so as to provide for a marginal service drive equal in length to the frontage of the property involved. Occupancy permits shall not be issued until the improvement is physically provided or monies or suitable bond have been deposited with the Chief Building Official for such improvement.
(Prior Code, § 9-10-14; Ord. No. 3001-21-22, § 5, 7-26-2021; Ord. No. 4119-23-24, § 6, 10-23-2023; Ord. No. 4195-24-25, § 2, 6-10-2024)
No person or other entity may operate, conduct, manage or permit a garage sale upon his or its premises or other property under his or its control more often than four times per calendar year. No garage sale may be continued for more than three consecutive days. No garage sale may be conducted before 7:00 a.m. or after 7:00 p.m.
(Prior Code, § 9-10-15)
There shall be provided in all districts, at the time of erection or enlargement of any main building or structure, automobile off-street parking space with adequate access to all spaces. The number of off-street parking spaces, in conjunction with all land or building uses shall be provided prior to the issuance of a certificate of occupancy as hereinafter prescribed:
(1)
Use of parking facilities.
a.
Any area once designed as required off-street parking shall never be changed to any other use unless and until equal facilities are provided elsewhere.
b.
For those uses not specifically mentioned, the requirements for off-street parking facilities shall be in accordance with a use which the Zoning Board of Appeals considers is similar in type.
c.
The storage of merchandise, motor vehicles for sale, trucks or the repair of vehicles is prohibited.
(2)
Location.
a.
Generally. Off-street parking spaces may be located within a rear yard when there is alley access to the property or a paved parking bay, paved driveway or garage in the rear yard or within a side yard which is in excess of the minimum side yard setback unless otherwise provided in this Article. Off-street parking shall not be permitted within a front yard setback or within a minimum side yard setback unless otherwise provided in this Article.
b.
Nonresidential use. Off-street parking for other than residential use shall be either on the same lot or within 300 feet of the building it is intended to serve, measured from the nearest point of the building to the nearest point of the off-street parking lot. Ownership of all lots or parcels intended for use as parking by the applicant shall be shown.
c.
Residential use. Required residential off-street parking spaces shall consist of a parking strip, parking bay, driveway, garage or combination thereof and shall be located on the premises they are intended to serve, and subject to the provisions of Section 4-3-8-3 of this Chapter "accessory uses and buildings."
1.
No person shall park or leave unattended, or cause to leave parked or unattended, any vehicle, wholly or partially within any front, side or rear yard of any residential district unless such vehicle is wholly within a driveway or parking area.
2.
Parking any equipment, commercial trailers, commercial vehicles, motor homes, homemade trailers, or any equipment or special use trailer in any front yard or front yard setback, in all residential districts, is prohibited.
3.
No more than one of the following trailers may be legally parked in the driveway or an approved parking surface/area of any residential property, provided they are well maintained and no greater than twenty feet in length from hitch to tail. The trailers shall be legally registered (if required), operational, and shall not create a nuisance, visual or physical obstruction, create a safety concern, or encroach on the city right-of-way.
a)
Camping or travel trailer in stored condition and not connected to any utilities (Note: No camping or travel trailer shall be used for sleeping or cooking purposes while stored or parked within the city limits of Pekin. When preparing for a trip, electrical outlets for such travel trailer may be provided, but the installation shall be in compliance with city electrical regulations. No connected electrical extension cords shall lie on the ground or be suspended less than eight feet from the ground and may be used for no more than 24 hours. No electrical cords shall lie across any city sidewalk).
b)
Flatbed or hauling trailer that is completely empty.
c)
Truck camper properly stored and secured.
d)
Enclosed trailers with the doors closed and secured.
4.
Driveway areas used as means of ingress and egress of any residential lot, shall not exceed 24 feet in width for residential lots with less than 90 feet of frontage or 30 feet in width for residential lots with 90 feet or more of frontage, not including driveway approach flares.
5.
Only one driveway approach shall be permitted for any single-family residential lot, except that residential lots with alley access and through lots that have frontage on two parallel streets may have no more than two driveway approaches, provided that each such driveway approach and curb cut provides egress and ingress to a garage on such properties and no two driveway approaches shall be placed on the same street or alley.
6.
A driveway and/or parking area must be an improved surface constructed of a hard surface of concrete, asphalt or brick pavers for the purpose of accommodating vehicular parking. The improved surface required by this Subsection shall, at a minimum, be as wide and as long as any vehicle parked on such surface.
7.
Improved areas and any parking areas shall not occupy more than 30 percent of the combination of any required side and/or rear yards in all residential zoning districts.
8.
The construction of new or expansion of existing gravel, or similar materials for driveways and/or parking areas are not permitted from the time of approval of this Section.
9.
Expanding existing driveways or parking areas shall be contiguous and parallel to the driveway, shall not take away from the landscaping required for any front yard and shall not cause and additional storm-water runoff to be forced onto the City right-of-way.
10.
The parking of a boat, personal watercraft, or other watercraft, and a trailer for hauling the same shall be allowed in all yards within any residential district, provided that the boat, personal watercraft, other watercraft, and trailer must be parked on a hard surface of asphalt, concrete, or brick or stone pavers. In no instance shall a boat, personal watercraft, other watercraft, or trailer for hauling the same be parked in such a manner as to obstruct the view of cars pulling out of any driveway onto the street, or, in the case of corner lots, to obstruct the view of cars approaching an intersection. No parked boat, personal watercraft, other watercraft, or trailer for hauling the same may extend onto or obstruct the public right-of-way.
d.
In a residential district no vehicle may be displayed for sale except as follows:
1.
Only one vehicle may be displayed at any one time;
2.
No more than two vehicles may be displayed on any property during any calendar year;
3.
Any vehicle displayed for sale must be owned by the owner or possessor of the property on which the vehicle is displayed;
4.
Any vehicle displayed for sale must be parked on a hard surface, have a current license and be operable.
(3)
Joint parking facilities.
a.
Two or more buildings or uses may collectively provide the required off-street parking; in which case, the required number of parking spaces shall not be less than the sum of the requirements for the several individual uses computed separately.
b.
In the instance of dual function of off-street parking spaces where operating hours of buildings do not overlap, the Board of Appeals (see Chapter 2, Article VI, Division 10) may grant an exception.
(4)
Existing parking facilities. Off-street parking existing at the effective date hereof in connection with the operation of an existing building or use shall not be reduced to an amount less than hereinafter required for a similar new building or new use.
(5)
Computation of required spaces.
a.
When units or measurements determining the number of required parking spaces result in the requirement of a fractional space, any fraction up to and including one-half shall be disregarded and fractions over one-half shall require one parking space.
b.
For the purpose of computing the number of parking spaces required, shall be computed on the total usable space and occupancy load.
c.
The requirements of Section 4-3-9-3 may be reduced by one-half the minimum required spaces for those uses within the B-2 Central Business District. For those buildings existing within the B-2 District, no additional parking space need be provided when remodeling or rebuilding of structures is proposed, provided the floor area of existing structures on such site is not increased in the remodeling or rebuilding undertaken. Where floor area is increased, when modifying structures into loft apartments on the stories above the first floor parking spaces shall be provided for such increased floor area in accord with the provisions of this Article.
(6)
Surfacing of parking area and driveway. All driveways in the entire parking area, including parking spaces and maneuvering lanes, required under this Section, shall be provided with asphalt or concrete surfacing in accordance with specifications approved by the City Engineer.
(7)
Publicly owned parks and recreational facilities. In publicly owned parks and publicly owned recreational facilities, the entire parking areas, including parking spaces and maneuvering lanes, required under this Section shall be provided with sealcoat surfacing in accordance with specifications approved by the City Engineer. However, as required elsewhere by this Article, approaches from the public street to the property line (i.e., end of the public right-of-way) shall be concrete.
(Prior Code, § 9-10B-1-1; Ord. No. 2532-OA-07/08, 1-24-2008; Ord. No. 2584-OA 09/10, 5-26-2009; Ord. No. 2846-19/20, § 2, 9-23-2019; Ord. No. 2875-19/20, § 3, 3-23-2020; Ord. No. 3001-21-22, § 5, 7-26-2021; Ord. No. 4331-25-26, § 2(Exh. A), 8-25-2025)
Whenever the off-street parking requirements in Section 4-3-9-4 require the building of an off-street parking facility or where the P-1 Vehicular Parking Districts (see Subdivision VIII of Division 6 of this Article) are provided, such off-street parking lots shall be laid out, constructed and maintained in accordance with the following standards and regulations:
(1)
Permit required; site plans. No parking lot shall be constructed unless and until a permit therefor is issued by the Building Inspector. Applications for a permit shall be submitted to the Building Inspections Division of the Community Development Department and shall be accompanied with two sets of site plans for the development and construction of the parking lot showing that the provisions of this Section will be fully complied with.
(2)
Minimum requirements. Plans for the layout of off-street parking facilities shall be in accordance with the following minimum requirements:
Off-Street Parking and Loading Minimum Requirements
(3)
Access, entrances and exits.
a.
All spaces shall be provided adequate access by means of maneuvering lanes. Backing directly onto a street shall be prohibited.
b.
Adequate ingress and egress to the parking lot by means of clearly limited and defined drives shall be provided for all vehicles.
c.
All maneuvering lane widths shall permit one-way traffic movement; except, that the 90-degree pattern may permit two-way movement.
d.
Each entrance and exit to and from any off-street parking lot located in an area zoned for other than single-family residential use shall be at least 25 feet distant from adjacent property located in any single-family residential district.
(4)
Walls.
a.
That portion of any off-street parking area which is contiguous to or faces a residential district shall be provided with a continuous and obscuring wall not less than four feet, six inches in height measured from the surface of the parking area.
b.
In all cases where a wall extends to an alley which is a means of ingress and egress to an off-street parking area, it shall be permissible to end the wall not more than ten feet from such alley line in order to permit a wider means of access to the parking area.
(5)
Landscaping; removal of refuse. When a front yard setback is required, all land between said wall and front property line or street right-of-way line shall be kept free from refuse and debris and shall be landscaped with deciduous shrubs, evergreen material and ornamental trees. The ground area shall be planted and kept in lawn. All such landscaping and planting shall be maintained in a healthy, growing condition, neat and orderly in appearance.
(6)
Surfacing. The entire parking area, including parking spaces and maneuvering lanes, required under this Section, shall be provided with asphaltic or concrete surfacing in accordance with specifications approved by the City Engineer. The parking area shall be surfaced within six months of the date that the occupancy permit is issued.
(7)
Drainage. Off-street parking areas shall be drained so as to dispose of all surface water accumulated in the parking area in such a way as to preclude drainage of water onto adjacent property or toward buildings.
(8)
Lighting. All lighting used to illuminate any off-street parking area shall be so installed as to be confined within and directed onto the parking area only.
(9)
Modifications to provisions. The Zoning Board of Appeals, upon application by the property owner of the off-street parking area, may modify the yard and wall requirements where, in unusual circumstances, no good purpose would be served by compliance with the requirements of this Section.
(10)
Setbacks. Setbacks shall be as stipulated for the districts in which the parking lot is located. However, parking lots within a B-2 District shall meet the setback requirements of the B-3 Zoning District.
(Prior Code, § 9-10B-1-2; Ord. No. 1568, 1-27-1986; Ord. No. 3001-21-22, § 5, 7-26-2021)
(a)
Specifications. Parking spaces for persons with disabilities shall be provided in accordance with the Standard Specifications for Facilities for the Handicapped (paragraph IVD), as published by the Department of General Services, Office of Supervising Architect and as authorized and enforced under Illinois Revised Statutes and shall be identified by signs as being reserved for persons with disabilities.
(b)
Location. Parking spaces for persons with disabilities shall be located as close as possible to walkways and entrances.
(c)
Signs. Signs shall be provided, when necessary, indicating the direction of travel to an accessible entrance.
(Prior Code, § 9-10B-1-3)
The minimum number of off-street parking spaces by type of use shall be determined in accordance with the following schedule except in the ED-1 Zone wherein the following schedule shall serve solely as a guideline and shall not be mandatory:
Schedule of Parking Requirements
(Prior Code, § 9-10B-1-4)
On the same premises with every building, structure or part thereof involving the receipt or distribution of vehicles or materials or merchandise, there shall be provided and maintained on the lot, adequate space for standing, loading and unloading in order to avoid undue interference with public use of dedicated rights of way. Such space shall be provided as follows:
(1)
All spaces shall be provided as required in Section 4-3-7-1(n), under the footnote (h), except as hereinafter provided for I Districts.
(2)
Within an I District, all spaces shall be laid out in the dimension of at least ten feet by 50 feet or 500 square feet in area with a clearance of at least 14 feet in height. Loading dock approaches shall be provided with a pavement having an asphaltic or Portland cement binder so as to provide a permanent, durable and dustless surface. All spaces in I-1 and I-2 Districts shall be provided in the following ratio of spaces to floor area:
Off-Street Loading Requirements
(3)
All loading and unloading in an I District shall be provided off-street in the rear yard or interior side yard and shall in no instance be permitted in a front yard. In those instances where exterior side yards have a common relationship with an industrial district across a public thoroughfare, loading and unloading may take place in said exterior side yard when the setback is equal to at least 50 feet.
(Prior Code, § 9-10B-2)
The authority to enforce the provisions of this division shall be the joint responsibility of the City of Pekin Community Development Department and the City of Pekin Police Department.
(Prior Code, § 9-10B-3; Ord. No. 2422-OA, 3-28-2005)
It is the intent and purpose of this Division to provide regulations regarding the cultivation, processing, dispensing, and transporting of adult-use cannabis, and the cultivation and dispensing of medical cannabis occurring within the corporate limits of the City. Such facilities shall comply with all regulations provided in the Medical Cannabis Act, the CRTA, and the regulations provided in this Article. In the event that the Medical Cannabis Act or the CRTA is amended, the more restrictive of the state or the city regulations (as established in this Article) shall apply.
(Ord. No. 1568-A212-19/20, § 8(9-10C-1), 11-25-2019)
A cannabis business establishment facility shall require approval as a special use in the respective zoning use district in which such facility is to be located, in accordance with the provisions of this Article.
(1)
In determining compliance with this Article and eligibility as a special use, the following factors shall be considered, taking into account the entirety of the circumstances affecting the particular property for which the special use is sought in the context of the existing and intended future use of the adjacent and nearby properties:
a.
Impact of the proposed facility on existing or planned uses located within the vicinity of the subject property.
b.
Proposed structure in which the facility will be located, including co-tenancy (if in a multi-tenant building), total square footage, security installations and security plan, and building code compliance.
c.
Hours of operation and anticipated number of customers/employees.
d.
Anticipated parking demand, available private parking supply, and parking requirements established in Division 9 of this Article.
e.
Anticipated traffic generation in the context of adjacent roadway capacity and access to such roadways.
f.
Site design, including access points and internal site circulation.
g.
Proposed signage plan.
h.
Compliance with all requirements of the specific section in this Division for the particular type of Cannabis Business Establishment that is being proposed, as applicable.
i.
Other criteria determined to be necessary to assess compliance with the provisions of this Article.
(2)
Any special use permit authorized under this Article shall be issued by the Zoning Administrator, and must be renewed annually by the applicant. If, at any time, the applicant ceases to use said special use permit for the premises authorized, said special use permit shall lapse and become void. The Zoning Administrator may provide further rules and regulations and/or fees to be charged to an applicant to obtain a permit.
(3)
Any special use permit issued pursuant to this Article may be revoked by the City Council upon finding that any conditions of the special use set forth herein have been violated. Prior to revocation of any special use permit issued hereunder, a hearing shall be held before the Zoning Board of Appeals of the City, which Commission shall make a report of its findings to the City Council regarding whether the conditions of the special use have been violated.
(Ord. No. 1568-A212-19/20, § 8(9-10C-2), 11-25-2019; Ord. No. 3001-21-22, § 5, 7-26-2021)
In those zoning use districts in which an adult-use cannabis craft grower may be located, the proposed facility must comply with the following:
(1)
The facility may not be located within 400 feet of the property line of a preexisting place of worship, public or private nursery school, preschool, primary or secondary school, college, university, community or junior college, vocational or trade school, learning center or academy, driving school, cosmetology school, day care center, licensed day care home or group day care home, part day child care facility licensed residential care home, or area zoned for residential use.
(2)
The facility may not conduct any sales or distribution of cannabis other than as authorized by the CRTA.
(3)
For purposes of determining required parking, adult-use cannabis craft growers shall be classified as industrial or research establishments and related accessory offices per Section 4-3-9-4; provided, however, that the City may require that additional parking be provided as a result of the analysis completed through Section 4-3-10-2.
(4)
No more than one adult-use cannabis craft grower shall be granted a special use under this Division or otherwise permitted to operate in the City.
(5)
The facility shall operate in compliance with all applicable state and local laws, including the CRTA and the provisions of this Article.
(Ord. No. 1568-A212-19/20, § 8(9-10C-3), 11-25-2019)
In those zoning use districts in which an adult-use cannabis cultivation center may be located, the proposed facility must comply with the following:
(1)
The facility may not be located within 400 feet of the property line of a preexisting place of worship, public or private nursery school, preschool, primary or secondary school, college, university, community or junior college, vocational or trade school, learning center or academy, driving school, cosmetology school, day care center, licensed day care home or group day care home, part day child care facility licensed residential care home, or area zoned for residential use.
(2)
The facility may not conduct any sales or distribution of cannabis other than as authorized by the CRTA.
(3)
For purposes of determining required parking, adult-use cannabis cultivation centers shall be classified as industrial or research establishments and related accessory offices per Section 4-3-9-4; provided, however, that the City may require that additional parking be provided as a result of the analysis completed through Section 4-3-10-2.
(4)
No more than one adult-use cannabis cultivation center shall be granted a special use under this Division or otherwise permitted to operate in the City.
(5)
The facility shall operate in compliance with all applicable state and local laws, including the CRTA and the provisions of this Article.
(Ord. No. 1568-A212-19/20, § 8(9-10C-4), 11-25-2019)
In those zoning use districts in which an adult-use cannabis dispensing organization may be located, the proposed facility must comply with the following:
(1)
The facility may not be located within 100 feet of the property line of a preexisting place of worship, public or private nursery school, preschool, primary or secondary school, college, university, community or junior college, vocational or trade school, learning center or academy, driving school, cosmetology school, day care center, licensed day care home, or licensed residential care home.
(2)
At least 75 percent of the floor area of any tenant space occupied by the facility shall be devoted to the activities of the dispensing organization as authorized by the CRTA.
(3)
The facility may not conduct any sales or distribution of cannabis other than as authorized by the CRTA.
(4)
For purposes of determining required parking, adult-use cannabis dispensing organizations shall be classified as retail stores, except as otherwise specified herein per Section 4-3-9-4; provided, however, that the City may require that additional parking be provided as a result of the analysis completed through Section 4-3-10-2.
(5)
No more than three adult-use cannabis dispensing organizations shall be granted a special use under this Article or otherwise permitted to operate in the City.
(6)
The hours of operation for an adult-use cannabis dispensing organization shall not be earlier than 6:00 a.m. and not later than 10:00 p.m.
(7)
No person under the age of 21 years shall be allowed to enter an adult-use cannabis dispensing organization; provided, however, that if the facility is also licensed as a medical cannabis dispensing organization, persons under the age of 21 years may be permitted to enter to the extent authorized by Section 4-3-10-10.
(8)
No person shall reside in or permit any person to reside in an adult-use cannabis dispensing organization.
(9)
No outdoor seating areas shall be permitted.
(10)
No drive-through services or sales shall be permitted.
(11)
The facility shall operate in compliance with all applicable state and local laws, including the CRTA and the provisions of this Article.
(Ord. No. 1568-A212-19/20, § 8(9-10C-5), 11-25-2019)
In those zoning districts in which an Adult-Use Cannabis Infuser Organization may be located, the proposed facility must comply with the following:
(1)
The facility may not be located within 100 feet of the property line of a preexisting place of worship, public or private nursery school, preschool, primary or secondary school, college, university, community or junior college, vocational or trade school, learning center or academy, driving school, cosmetology school, day care center, licensed day care home, or licensed residential care home.
(2)
At least 75 percent of the floor area of any tenant space occupied by an infusing organization shall be devoted to the activities of the infusing organization as authorized by the CRTA. The facility may not conduct any sales or distribution of cannabis other than as authorized by the CRTA.
(3)
For purposes of determining required parking, adult-use cannabis craft growers shall be classified as industrial or research establishments and related accessory offices per Section 4-3-9-4; provided, however, that the City may require that additional parking be provided as a result of the analysis completed through Section 4-3-10-2.
(4)
No more than one Adult-Use Cannabis Infuser Organization shall be granted a special use under this Article or otherwise permitted to operate in the City.
(5)
The facility shall operate in compliance with all applicable state and local laws, including the CRTA and the provisions of this Article.
(Ord. No. 1568-A212-19/20, § 8(9-10C-6), 11-25-2019)
In those zoning districts in which an Adult-Use Cannabis Processing Organization may be located, the proposed facility must comply with the following:
(1)
Facility may not be located within 100 feet of the property line of a preexisting place of worship, public or private nursery school, preschool, primary or secondary school, college, university, community or junior college, vocational or trade school, learning center or academy, driving school, cosmetology school, day care center, licensed day care home, or licensed residential care home.
(2)
At least 75 percent of the floor area of any tenant space occupied by a processing organization shall be devoted to the activities of the processing organization as authorized by the CRTA. The facility may not conduct any sales or distribution of cannabis other than as authorized by the CRTA.
(3)
For purposes of determining required parking, adult-use cannabis craft grower shall be classified as industrial or research establishments and related accessory offices per Section 4-3-9-4; provided, however, that the City may require that additional parking be provided as a result of the analysis completed through Section 4-3-10-2.
(4)
No more than one adult-use cannabis processing organization shall be granted a special use under this Article or otherwise permitted to operate in the City.
(5)
The facility shall operate in compliance with all applicable state and local laws, including the CRTA and the provisions of this Article.
(Ord. No. 1568-A212-19/20, § 8(9-10C-7), 11-25-2019)
In those zoning districts in which an Adult-Use Transporting Organization may be located, the proposed facility must comply with the following:
(1)
The facility may not be located within 100 feet of the property line of a preexisting place of worship, public or private nursery school, preschool, primary or secondary school, college, university, community or junior college, vocational or trade school, learning center or academy, driving school, cosmetology school, day care center, licensed day care home, or licensed residential care home.
(2)
The transporting organization shall be the sole use of the tenant space in which it is located. The facility may not conduct any sales or distribution of cannabis other than as authorized by the CRTA.
(3)
For purposes of determining required parking, adult-use cannabis craft grower shall be classified as industrial or research establishments and related accessory offices per Section 4-3-9-4; provided, however, that the City may require that additional parking be provided as a result of the analysis completed through Section 4-3-10-2.
(4)
No more than three Adult-Use Cannabis Transporting Organizations shall be granted a special use under this Division or otherwise permitted to operate in the City.
(5)
The facility shall operate in compliance with all applicable state and local laws, including the CRTA and the provisions of this Article.
(Ord. No. 1568-A212-19/20, § 8(9-10C-8), 11-25-2019)
In those zoning districts in which a medical cannabis cultivation center may be located, the proposed facility must comply with the following:
(1)
Unless otherwise provided by law, facility may not be located within 400 feet of the property line of a preexisting place of worship, public or private preschool, primary or secondary school, college, university, community or junior college, vocational or trade school, learning center or academy, driving school, cosmetology school, day care center, licensed day care home, group day care home, part day child care facility, or area zoned for residential use.
(2)
The facility may not conduct any sales or distribution of cannabis other than as authorized by the Medical Cannabis Act.
(3)
For purposes of determining required parking, medical cannabis cultivation centers shall be classified as industrial or research establishments and related accessory offices per Section 4-3-9-4; provided, however, that the City may require that additional parking be provided as a result of the analysis completed through Section 4-3-10-2.
(4)
No more than one medical cannabis cultivation center shall be granted a special use under this Article or otherwise permitted to operate in the City.
(5)
The facility shall operate in compliance with all applicable state and local laws, including the Medical Cannabis Act and the provisions of this Article.
(Ord. No. 1568-A212-19/20, § 8(9-10C-9), 11-25-2019)
In those zoning districts in which a medical cannabis dispensary organization may be located, the proposed facility must comply with the following:
(1)
A facility may not be located within 100 feet of the property line of a preexisting place of worship, public or private nursery school, preschool, primary or secondary school, college, university, community or junior college, vocational or trade school, learning center or academy, driving school, cosmetology school, day care center, licensed day care home, or licensed residential care home.
(2)
At least 75 percent of the floor area of any tenant space occupied by the facility shall be devoted to the activities of the dispensing organization as authorized by the CRTA.
(3)
A facility may not conduct any sales or distribution of cannabis other than as authorized by the Medical Cannabis Act.
(4)
For purposes of determining required parking, medical cannabis dispensing organizations shall be classified as retail stores, except as otherwise specified per Section 4-3-9-4; provided, however, that the City may require that additional parking be provided as a result of the analysis completed through Section 4-3-10-2.
(5)
No person under the age of 18 years shall be allowed to enter a medical cannabis dispensing organization unless accompanied by a parent or guardian.
(6)
No person shall reside in or permit any person to reside in a medical cannabis dispensing organization.
(7)
No outdoor seating areas shall be permitted.
(8)
No drive-through services or sales shall be permitted.
(9)
Hours of operation shall not be earlier than 6:00 a.m. and not later than 10:00 p.m.
(10)
A facility shall operate in compliance with all applicable state and local laws, including the Medical Cannabis Act and the provisions of this Article.
(Ord. No. 1568-A212-19/20, § 8(9-10C-10), 11-25-2019)
The City may approve the co-location of an adult-use cannabis dispensing organization with an adult-use cannabis craft grower center or an adult-use cannabis infuser organization, or both, subject to the provisions of the CRTA and the special use criteria set forth in this Article. In a co-location, the floor space requirements of Sections 4-3-10-5(2) and 4-3-10-6(2) shall not apply, but the co-located establishments shall be the sole use of the tenant space.
(Ord. No. 1568-A212-19/20, § 8(9-10C-11), 11-25-2019)
No on-site use or consumption of cannabis shall be permitted at any cannabis business establishment in the City or at any other retail or service business, private club, or similar organization location in the City. Additionally, no on-site consumption shall be permitted of food, beverages, or other products sold at a cannabis business establishment in the City.
(Ord. No. 1568-A212-19/20, § 8(9-10C-12), 11-25-2019)
A petitioner shall install building enhancements, such as security cameras, lighting or other improvements, as set forth in the special use permit, to ensure the safety of employees and customers of the cannabis business establishments, as well as its environs. Said improvements shall be determined based on the specific characteristics of the floor plan for a cannabis business establishment and the site on which it is located, consistent with the requirements of the CRTA and the Medical Cannabis Act.
(Ord. No. 1568-A212-19/20, § 8(9-10C-13), 11-25-2019)
An application for a special use under this Article shall be processed in the same manner and with the same review and approval process as required for a special use under Division 2 of this Article, except the standards set forth in Section 4-3-10-2 shall apply in lieu of any standards set forth elsewhere in this Article. The application for a special use filed by a petitioner shall include an affidavit affirming compliance with the applicable section of this Article, all requirements of the CRTA and/or Medical Cannabis Act, as applicable, and any stipulations or conditions imposed during the review and approval process.
(Ord. No. 1568-A212-19/20, § 8(9-10C-14), 11-25-2019)
The regulations in this Division shall be subject to the interpretations and exceptions provided in this Article.
(Prior Code, § 9-11-1)
(a)
Lot area. Any lot existing and of record on the effective date hereof may be used for any principal use permitted, other than conditional uses for which special lot area requirements are specified in this Article, in the district in which such lot is located, whether or not such lot complies with the lot area and width requirements of this Article. Such use may be made, provided that all requirements other than lot area complied with, and provided that not more than one dwelling unit shall occupy any lot except in conformance with the provisions of this Article for required lot area for each dwelling unit.
(b)
Yards.
(1)
Modification to yard regulations. When yard regulations cannot reasonably be complied with or where their application cannot be determined on lots of peculiar shape, topography or due to architectural or site arrangement, such regulations may be modified or determined by the Board of Appeals (see Chapter 2, Article VI, Division 10).
(2)
Projections into yards.
a.
An open, unenclosed (with a roof only and no walls) porch or hard surface terrace may project into a rear yard for a distance not exceeding eight feet, into the minimum rear yard setback
b.
Architectural features, not including vertical projections, may extend or project into a required side yard not more than four inches for each one foot of width of such side yard and may extend or project into a required front yard or rear yard not more than three feet.
c.
A handicap access ramp may extend into any required yard setback, provided that:
1.
The ramp complies with the applicable construction and building codes and accessibility standards.
2.
The ramp is not entered from or exited into a public sidewalk or right of way.
(3)
Access through yards. For the purpose of this Article, access drives may be placed in the required front or side yards so as to provide access to rear yards or accessory or attached structures. These drives shall not be considered as structural violations in front and side yards. Further, any walk, terrace or other pavement servicing a like function and not in excess of nine inches above the grade upon which placed shall, for the purpose of this Article, not be considered to be a structure and shall be permitted in any required yard.
(c)
Height limits. The height limitations of this Article shall not apply to farm buildings, chimneys, church spires, flagpoles, public monuments or wireless transmission towers; provided, however, that the Board of Appeals (see Chapter 2, Article VI, Division 10) may specify a height limit for any such structure when such structure required authorization as a conditional use.
(Prior Code, § 9-11-2)
Essential services shall be permitted as authorized and regulated by law and other ordinances of the City, it being the intention hereof to exempt such essential services from the application of this Article.
(Prior Code, § 9-11-3; Ord. No. 2983-21-22, § 2, 6-28-2021)
The provisions of this Article shall not be so construed as to interfere with the temporary use of any property as a voting place in connection with a Municipal or other public election.
(Prior Code, § 9-11-4)
(a)
Residences existing in B-1, B-2, B-3, I-1 and I-2 Districts shall not be considered as nonconforming uses for the purposes of remodeling or such residences.
(b)
Businesses or offices existing in I-1 and I-2 Districts shall not be considered as nonconforming uses for the purposes of remodeling or such offices or business buildings.
(Prior Code, § 9-11-5)
Television reception towers and satellite reception antennas shall be permitted in all districts, subject to the following conditions:
(1)
Television reception towers. Television reception towers shall be located centrally on a continuous parcel of not less than 1½ times the height of the tower to a point on each property line and shall meet the following conditions:
a.
The height of television reception towers shall not exceed the following heights by district:
Television Reception Tower Maximum Height
b.
The construction of the tower shall meet all applicable Building Codes and ordinances of the City. (see Article I of this Chapter.)
(2)
Satellite reception antennas. A satellite reception antenna may be permitted as an accessory use in any district subject to the following conditions:
a.
Roof-mounted antennas.
1.
Residential districts.
(i)
Satellite reception antenna shall be mounted directly upon the roof of the main or accessory building and shall not be upon appurtenances such as chimneys and towers.
(ii)
Satellite reception antenna shall not exceed a height of more than three feet above the roof on which it is mounted, and in no instance shall such antenna exceed the height limit of the district nor shall such antenna be located on the street side of such roof.
2.
Nonresidential districts. Satellite reception antenna shall not exceed the maximum height of structure requirements for the district in which it is located.
b.
Ground-mounted antennas.
1.
Residential districts.
(i)
Satellite reception antenna shall not be constructed in any front or side yard.
(ii)
Satellite reception antenna, including its concrete base slab or other substructure, shall be constructed not less than ten feet from any property line.
(iii)
Satellite reception antenna shall be constructed with appropriate landscaping to reasonably conceal said satellite reception antenna from view. Planting shall be completed before final approval by the Building Inspector.
(iv)
Satellite reception antenna shall not exceed a height of 14 feet.
2.
Nonresidential districts.
(i)
Satellite reception antenna, including its concrete base slab or other substructure, shall not be constructed less than five feet from any property line.
(ii)
Satellite reception antenna located on properties abutting a residential district shall be appropriately landscaped to reasonably conceal such antenna from the abutting residential district.
c.
Mobile units. Satellite reception antenna mobile units utilized for sales demonstrations may be granted temporary permits for periods not to exceed 72 hours by the Building Inspector. Such units shall be located in accord with locational requirements for a permanent installation or as nearly thereto as possible. In those instances where a front yard installation may be required, such temporary installation shall not be permitted to exceed a 24-hour period. Locations for temporary installation shall be established prior to issuance of a permit for such installation.
d.
Electrical requirements. All satellite reception antennas shall be grounded, and in the case of ground-mounted antennas, wiring between the antenna and the receiver shall be placed at least four inches beneath the surface of the ground.
(Prior Code, § 9-11-6)
Wind generators may be permitted in rear yards when the following conditions are met:
(1)
Height. The highest point of any portion of the generator shall not exceed 35 feet above the average grade of the lot.
(2)
Location. The generator device shall be placed no closer to any side or rear lot line than the total distance between the grade of the lot at the base of the tower and the highest point of any portion of the generator.
(3)
Size. The maximum diameter formed by a circle encompassing the outer-most portions of the blades or other wind-activated surfaces shall not exceed 30 percent of the distance between the ground and the highest point of any portion of the wind generator. The generator shall be so located that no portion of the structure would penetrate the vertical plane of any adjacent property line if it were to topple over in its normal assembled configuration.
(4)
Construction requirements. The construction of the tower, blades, base structure, accessory building and wiring shall meet all applicable local Building Codes and Ordinances (see Article I of this Chapter).
(Prior Code, § 9-11-7)
(a)
Purpose. The purpose of this Section is to facilitate the construction, installation, and operation of Solar Energy Systems (SES) in the City of Pekin in a manner that promotes economic development and ensures the protection of health, safety, and welfare while also avoiding adverse impacts to important areas such as agricultural lands, endangered species habitats, conservation lands, and other sensitive lands. It is the intent of this Section to encourage the development of SESs that reduce reliance on foreign and out-of-state energy resources, bolster local economic development and job creation. This Section is not intended to abridge safety, health or environmental requirements contained in other applicable codes, standards, or ordinances. The provisions of this Section shall not be deemed to nullify any provisions of local, State or Federal law.
(b)
Definitions. The following words, terms and phrases, when used in this Section, shall have the meanings ascribed to them in this Subsection, except where the concept clearly indicates a different meaning:
Building integrated photovoltaic systems means a Solar Energy System that consists of integrating photovoltaic modules into the building structure as the roof or façade and which does not alter the relief of the roof.
Collective solar means solar installations owned collectively through subdivision homeowner associations, college student groups, or other similar arrangements.
Commercial/large scale solar farm means a utility scale commercial facility that converts sunlight to electricity, whether by photovoltaics, concentrating solar thermal devices, or various experimental technologies for onsite or offsite use with the primary purpose of selling wholesale or retail generated electricity.
Community solar garden means a community solar-electric (photovoltaic) array, of no more than ten acres in size, that provides retail electric power (or financial proxy for retail power) to multiple households or businesses residing in or located off-site from the location of the Solar Energy System.
Ground mount solar energy system means a Solar Energy System that is directly installed into the ground and is not attached or affixed to an existing structure.
Net metering means a billing arrangement that allows solar customers to get credit for excess electricity that they generate and deliver back to the grid so that they only pay for their net electricity usage at the end of the month.
Photovoltaic system means a Solar Energy System that produces electricity by the use of semi-conductor devices calls photovoltaic cells that generate electricity whenever light strikes them.
Qualified solar installer means a trained and qualified electrical professional who has the skills and knowledge related to the construction and operation of solar electrical equipment and installations and has received safety training on the hazards involved. A qualified solar installer must also be listed as a certified distributed generation installer with the Illinois Commerce Commission.
Roof mount means a Solar Energy System in which solar panels are mounted on top of a building roof as either a flush mounted system or as modules fixed to frames which can be tilted toward the south at an optical angle.
Solar access means unobstructed access to direct sunlight on a lot or building through the entire year, including access across adjacent parcel air rights, for the purpose of capturing direct sunlight to operate a Solar Energy System.
Solar collector means a device, structure or part of a device or structure for which the primary purpose is to transform solar radiant energy into thermal, mechanical, chemical or electrical energy.
Solar energy means radiant energy received from the sun that can be collected in the form of heat or light by a solar collector.
Solar Energy System (SES) means the components and subsystems required to convert solar energy into electric or thermal energy suitable for use. The area of the system includes all the land inside the perimeter of the system, which extends to any fencing. The term "Solar Energy System" applies, but is not limited to, solar photovoltaic systems, solar thermal systems and solar hot water systems.
Solar storage battery/unit means a component of a solar energy device that is used to store solar generated electricity or heat for later use.
Solar thermal systems. Solar thermal systems directly heat water or other liquid using sunlight. The heated liquid is used for such purposes as space heating and cooling, domestic hot water and heating pool water.
(c)
Permitted ground mount and roof mount SES. Ground mount and roof mount SES shall be permitted by a building permit in all zoning districts where there is a principal use. A building permit application shall be submitted to the Director of Building Inspections, with a written plan and a drawing for the proposed Solar Energy System also submitted with the permit application. The drawing must show the location of the system on the building or on the property (for ground-mount system, show arrangement of panel), with all property lines and setback dimensions indicated on the drawing. Additional information shall be provided to demonstrate compliance with the following restrictions:
(1)
Height.
a.
Building- or roof-mounted Solar Energy Systems shall not exceed the maximum allowed height for principal structures in any zoning district.
b.
Ground- or pole-mounted Solar Energy Systems shall not exceed the maximum permitted height for an accessory structure when oriented at maximum tilt.
c.
Ground-mounted Solar Energy Systems may not be placed in the front yard.
(2)
Setbacks.
a.
Ground-mounted Solar Energy Systems shall meet the applicable setbacks for the zoning district in which the unit is located.
b.
Ground-mounted Solar Energy Systems shall not extend beyond the side yard or rear yard setback when oriented at minimum design tilt.
c.
In addition to building setbacks, the collector surface and mounting devices for roof-mounted systems shall not extend beyond the exterior perimeter of the building on which the systems are mounted or built, unless the collector or mounting system has been engineered to safely extend beyond the edge, and setback requirements are not violated. Exterior piping for solar thermal systems shall be allowed to extend beyond the perimeter of the building on a side yard exposure.
(3)
Reflection angles. Reflection angles for solar collectors shall be oriented such that they do not project glare onto adjacent properties.
(4)
Visibility. Solar Energy Systems shall be located in a manner to reasonably minimize view blockage for surrounding properties and shading of property to the north while still providing adequate solar access for collectors.
(5)
Safety.
a.
Roof- or building-mounted Solar Energy Systems, excluding building integrated systems, shall allow for adequate roof access for firefighting purposes to the south facing or flat roof upon which the panels are mounted.
b.
Roof- or building-mounted Solar Energy Systems shall meet the requirements of the Pekin City Code regarding building regulations.
c.
All Solar Energy System installations shall be performed by a qualified solar installer.
d.
Any connection to the public utility grid shall be inspected by the appropriate public utility.
e.
All Solar Energy Systems shall be maintained and kept in good working order. If it is determined that a Solar Energy System is not being maintained, kept in good working order, or is no longer being utilized to perform its intended use for six consecutive months, the property owner shall be given a 30-day notice for removal or repair of the unit and all equipment. If the Solar Energy System is not removed or repaired within 30 days, then a notice of violation and a notice to appear before the City court as an ordinance violation shall be delivered to the property owner.
(6)
Approved solar components. Electric solar energy system components shall have a UL listing or approved equivalent and solar hot water systems shall have a Solar Rating and Certification Corporation (SRCC) rating.
(7)
Restrictions on Solar Energy Systems limited. Consistent with 765 ILCS 165/1 et seq., no homeowner's agreement, covenant, common interest community or other contracts between multiple property owners within a subdivision incorporated in the City of Pekin shall prohibit or restrict homeowners from installing Solar Energy Systems.
(8)
Lighting for solar gardens/farms. Any lighting for solar gardens/farms shall be installed for security and safety purposes only. Except for lightening that is required by the FCC or FAA, all lighting shall be shielded so that no glare extends substantially beyond the boundaries of the facility.
(d)
Community solar gardens (SES). Development of community solar gardens is permitted by Special Use as a principal use in all zoning districts subject to the following requirements:
(1)
Rooftop gardens permitted. Rooftop gardens are a special use in all zoning districts where buildings are permitted.
(2)
Ground mount gardens. Ground mount community Solar Energy Systems must be less than ten acres in total size, and require a Special Use in all districts. Ground-mount solar developments covering more than ten acres shall be considered a solar farm.
(3)
Interconnection. An interconnection agreement must be completed with the electric utility in whose service the territory the system is located.
(4)
Dimensional standards. All solar garden-related structures in newly platted and existing platted subdivisions shall comply with the applicable setback, height, and coverage limitations for the district in which the system is located.
(5)
Other standards.
a.
Ground mount systems shall comply with all required standards for structures in the district in which the system is located.
b.
All solar gardens shall comply with all City Code procedures regarding Special Use permits.
c.
All solar gardens shall also comply with all other State and local requirements.
(e)
Commercial/large scale solar farm (SES). Ground mount Solar Energy Systems that are the primary use of the lot, and are designed for providing energy to off-site uses or export to the wholesale market require a Special Use, and shall be permitted with such Special Use only in the I-1 and I-2 Industrial Districts. The following information shall also be submitted as part of the application and/or the following restrictions shall apply:
(1)
Site plan—Existing conditions. A site plan with existing conditions showing the following:
a.
Existing property lines and property lines extending one hundred feet from the exterior boundaries including the names of adjacent property owners and the current use of those properties.
b.
Existing public and private roads, showing widths of the road and any associated easements.
c.
Location and size of any abandoned wells or sewage treatment systems.
d.
Existing buildings and impervious surfaces.
e.
A contour map showing topography at two-foot intervals. A contour map of surrounding properties may also be required.
f.
Existing vegetation — list type and percent of coverage (i.e., cropland/plowed fields, grassland, wooded areas, etc.).
g.
Any delineated wetland boundaries.
h.
A copy of the current FEMA FIRM maps that shows the subject property, including the 100-year floor elevation and any regulated flood protection elevation, if available.
i.
Surface water drainage patterns.
j.
The location of any subsurface drainage tiles.
(2)
Site plan—Proposed conditions. A site plan of proposed conditions showing the following:
a.
Location and spacing of the solar panels.
b.
Location of access roads.
c.
Location of underground or overhead electric lines connecting the solar farm to a building, substation or other electric load.
d.
New electrical equipment other than at the existing building or substation that is to be the connection point for the solar farm.
(3)
Fencing and weed/grass control.
a.
To promote and maintain the absorption of stormwater, a pervious softscape shall be installed under and around the solar array.
b.
The applicant shall submit an acceptable weed/grass control plan for property inside and outside the fenced area for the entire property. The operating company or successor during the operation of the solar farm shall adhere to the weed/grass control plan.
c.
Perimeter fencing having a maximum height of eight feet shall be installed around the boundary of the solar farm. The fence shall contain appropriate warning signage that is posted such that it is clearly visible on the site.
d.
The applicant shall maintain the fence and adhere to the weed/grass control plan. If the operating company does not adhere to the proposed plan, a fine of $500.00 per week will be assessed until the operating company or successor complies with the weed/grass control and fencing requirements.
(4)
Manufacture's specifications. The manufacturer's specifications and recommended installation methods for all major equipment, including solar panels, mounting systems and foundations for poles and racks.
(5)
Connection and interconnection.
a.
A description of the method of connecting the solar array to a building or substation.
b.
Utility interconnection details and a copy of written notification to the utility company requesting the proposed interconnection.
(6)
Setbacks. Commercial/large scale solar farm (SES) ground-mounted Solar Energy Systems shall meet the applicable setbacks for the zoning district in which the unit is located.
(7)
Aviation protection. For Solar Energy Systems located within 500 feet of an airport or within approach zones of an airport, the applicant shall complete and provide the results of the Solar Glaze Hazard Analysis Tool (SGHAT) for the airport traffic control tower cab and final approach paths, consistent with the Interim Policy, FAA Review of Solar Energy Projects on Federal Obligated Airports, or most recent version adopted by the FAA.
(8)
Fire protection. A fire protection plan for the construction and the operation of the facility, and emergency access to the site.
(9)
Endangered species and wetlands. Solar farm developers shall be required to initiate a natural resource review consultation with the Illinois Department of Natural Resources (IDNR) through the Department's online EcoCat Program. Areas reviewed through this process will be endangered species and wetlands. The cost of the EcoCat consultation shall be borne by the developer.
(10)
Road use agreements. All routes on City roads that will be used for the construction and maintenance purposes shall be identified on the site plan. All routes for either egress or ingress need to be shown. The routing shall be approved subject to the approval of the City of Pekin. The solar farm developer shall complete and provide a preconstruction baseline survey to determine existing road conditions for assessing potential future damage due to development related traffic. The development shall provide a road repair plan to ameliorate any and all damage, installation or replacement of roads that might be required by the City or the developer. The developer shall provide a letter of credit or surety bond in an amount and form approved by City officials when warranted.
(11)
Decommissioning of the solar farm. The developer shall provide a decommissioning plan for the anticipated service life of the facility or in the event the facility is abandoned or had reached its life expectancy. If the solar farm is out of service or not producing electrical energy for a period of 12 months, it will be deemed nonoperational and decommissioning and removal of that facility will need to commence according to the decommissioning plan as provided and approved. A cost estimate for the decommissioning of the facility shall be prepared by a professional engineer or contractor who has expertise in the removal of the solar farm. The decommissioning cost estimate shall explicitly detail the cost before considering any projected salvage value of the out-of-service solar farm. The decommissioning cost shall be made by a cash, surety bond or irrevocable letter of credit before construction commences. Further, a restoration plan shall be provided for the site with the application. The decommissioning plan shall have the following provided:
a.
Removal of the following within six months:
1.
All solar collectors and components, aboveground improvements and outside storage.
2.
Foundations, pads and underground electrical wires ad reclaim site to a depth of four feet below the surface of the ground.
3.
Hazardous material from the property and dispose in accordance with Federal and State law.
b.
The decommissioning plan shall also recite an agreement between the applicant and the City that:
1.
The financial resources for decommissioning shall be in the form of a surety bond, or shall be deposited in an escrow account with an escrow agent acceptable to the Building Inspections/Development Director.
2.
A written escrow agreement will be prepared, establishing upon what conditions the funds will be disbursed.
3.
The City shall have access to the escrow account funds for the expressed purpose of completing decommissioning if decommissioning is not completed by the applicant within six months of the end of project life or facility abandonment.
4.
The City is granted the right of entry onto the site, pursuant to reasonable notice, to effect or complete decommissioning.
5.
The City is granted the right to seek injunctive relief to effect or complete decommissioning, as well as the City's right to seek reimbursement from applicant or applicant successor for decommissioning costs in excess of the amount deposited in escrow and to file a lien against any real estate owned by applicant or applicant's successor, or in which they have an interest, for the amount of the excess, and to take all steps allowed by law to enforce said lien.
(f)
Compliance with Building Code. All Solar Energy Systems shall comply with the ordinances of the City of Pekin, as well as all Federal and State requirements.
(g)
Liability insurance. The owner/operator of the solar farm shall maintain a current general liability policy covering bodily injury and property damage and name the City of Pekin as an additional insured with limits of at least $2,000,000.00 per occurrence and $5,000,000.00 in the aggregate with a deductible of no more than $5,000.00.
(h)
Administration and enforcement. The Building Inspections/Development Director shall enforce the provisions of this Section through an inspection of the solar farm every year. The Director of Building Inspections is hereby granted the power and authority to enter upon the premises of the solar farm at any time by coordinating a reasonable time with the operator/owner of the facility. Any person, firm or cooperation who violates, disobeys, omits, neglects, refuses to comply with, or resists enforcement of any of the provisions of this Section may face fines of not less than $25.00 nor more than $750.00 for each offense.
(i)
Fees charged for building permits. The fees for processing the applications for building permits for Solar Energy Systems shall be set from time to time by the City Council and collected by the Director of Building Inspections who shall be accountable to the City for such fees.
(Ord. No. 2805-18/19, § 9-11-8, 11-13-2018; Ord. No. 4195-24-25, § 2, 6-10-2024)
This code shall be known as the Telecommunications Tower and Equipment Code of the City of Pekin, Illinois, and may be so cited and pleaded and shall be referred to herein as the Code.
(Prior Code, § 9-13-1)
The primary intent of this Code is to regulate telecommunications towers and equipment to be located within the City of Pekin. Therefore, the purpose of this Code shall be to:
(1)
Comply with all Federal and State regulations regarding the placement, use, and maintenance of telecommunications towers and equipment.
(2)
Encourage the continued improvement of wireless telecommunications service in the City.
(3)
Minimize, to the extent permitted by law, the proliferation of unsightly towers and equipment throughout the City.
(4)
Promote both property maintenance and renovation of telecommunications equipment.
(5)
Encourage the use of co-location of telecommunications towers by multiple providers so as to reduce the number of towers needed within the City.
(6)
Ensure that these regulations are compatible with the zoning regulations.
(7)
Recognize the commercial communication requirements of all sectors of the business and residential community.
(Prior Code, § 9-13-2)
The following words, terms and phrases, when used in this Division, shall have the meanings ascribed to them in this Section, except where the context clearly indicates a different meaning:
Antenna means any structure or device not exceeding 20 feet in height which is used for the purpose of collecting or transmitting electromagnetic waves, including, but not limited to, directional antennas, such as panels, microwave dishes, and satellite dishes and omni directional antennas, such as whip antennas.
Attached wireless communication facility (attached WCF) means an antenna that is attached to an existing building or structure, which structures shall include, but not be limited to, utility poles, signs, water towers, with any accompanying pole or device which attaches the antenna to the existing building or structure and associated connection cables, and an accessory building which may be located either inside or outside of the attachment structure.
Co-location/site sharing means use of a common WCF or common site by two or more wireless license holders or by one wireless license holder for more than one type of communications technology and/or placement of a WCF on a structure owned or operated by a utility or other public entity.
Commercial wireless telecommunication services mean licensed commercial wireless telecommunication services, including cellular, personal communication services (PCS), specialized mobilized radio (SMR), enhanced specialized mobilized radio (ESMR), paging, and similar services, that are marketed to the general public.
Support structure means a structure designed and constructed specifically to support an antenna, and may include a monopole, self-supporting (lattice) tower, guy-wire-support tower and other similar structures. Any device which is used to attach an Attached WCF to an existing building or structure shall be excluded from the definition of support structures.
Tower means any ground or roof-mounted pole, spire, antenna, structure, or combination thereof, taller than 15 feet, including supporting lines, cables, wires, braces and masts, intended primarily for the purpose of mounting an antenna, meteorological device, or similar apparatus above grade.
Tower, multi-user, means a tower to which is attached the antennas of more than one commercial wireless telecommunication service provider or governmental entity.
Tower, single-user, means a tower to which is attached only the antennas of a single-user, although the tower may be designed to accommodate the antennas of multiple users as required in this Code.
Wireless communication means any personal wireless services as defined in the Telecommunications Act of 1996, which includes FCC licensed commercial wireless telecommunications services including cellular, personal communication services (PCS), specialized mobile radio (SMR), enhanced specialized mobile radio (ESMR), paging, and similar services that currently exist or that may in the future be developed.
Wireless communication facility (WCF) means any unstaffed facility for the transmission and/or reception of wireless telecommunications services, usually consisting of antenna connection cables, an accessory building, and a support structure to achieve the necessary elevation.
(Prior Code, § 9-13-3)
All commercial wireless telecommunication towers erected, constructed, or located within the City shall comply with the following requirements:
(1)
A proposal for a new commercial wireless telecommunication service tower shall not be approved unless the City Council finds that the telecommunications equipment planned for the proposed tower cannot be accommodated on an existing or previously approved tower or building, particularly on publicly owned land within a one-half mile search radius of the proposed tower due to one or more of the following reasons:
a.
The planned equipment would exceed the structural capacity of all existing or approved towers or buildings, as documented by a qualified and licensed professional engineer, and all of the existing or approved towers cannot be reinforced, modified, or replaced to accommodate the planned or equivalent equipment at a reasonable cost.
b.
The planned equipment would cause interference materially impacting the usability of other existing or planned equipment at a tower or building as documented by a qualified and licensed professional engineer and interference cannot be prevented at a reasonable cost.
c.
Existing or approved towers and buildings within the search radius cannot accommodate the planned equipment at a height necessary to function reasonably as documented by a qualified and licensed professional engineer.
d.
The fees, costs, or contractual provisions required by the owner in order to share an existing tower or structure to adapt an existing tower or structure for sharing are unreasonable. Costs exceeding new tower development are presumed to be unreasonable.
e.
Other unforeseen reasons that make it unfeasible to locate the planned telecommunications equipment upon an existing or approved tower or building.
(2)
Any proposed commercial wireless telecommunication service tower shall be designed, structurally, electrically, and in all respects to accommodate both the applicant's antennas and comparable antennas for at least two additional users if the tower is over 100 feet in height, or for at least one additional user if the tower is over 60 feet in height. Towers must be designed to allow for future rearrangement of antennas upon the tower and to accept antennas mounted at varying heights.
(3)
The following sites shall be considered by applicants as the preferred order to location of proposed wireless facilities including antennas, equipment, and accessory buildings. As determined feasible, and in order of preference, the sites are:
a.
Existing broadcast, relay towers and water tanks, roof tops and attachments to existing structures.
b.
Public structures and sites. Attached to existing public facilities such as utility properties, fire stations, parks, and other public assets within nonresidential zoning districts.
c.
Industrial zones.
d.
Business sites/zones.
e.
Office zones.
f.
Residential zones.
(Prior Code, § 9-13-4)
(a)
Permits.
(1)
It shall be unlawful for any person, firm, or corporation to erect, construct in a place, place or re-erect, replace or repair any tower without first making application to the City and securing a permit therefore as hereinafter provided.
(2)
The applicant shall provide, at the time of application sufficient information to indicate that construction, installation, and maintenance of the antenna and tower will not create a safety hazard or damage to the property of other persons.
(3)
The applicant shall provide written certification from a licensed engineer that the provision of commercial wireless communication services would be prohibited unless a tower is constructed at or near the location requested.
(b)
Fee. The applicant shall pay a building permit fee as set from time to time by the City Council for any new towers and any new co-locations.
(c)
Construction requirements. All antennas and towers erected, constructed, or modified within the City, and all wiring therefor, shall comply with the following requirements:
(1)
All applicable provisions of the City of Pekin Municipal Code.
(2)
The tower shall be certified by a qualified and licensed professional engineer to conform to the latest structural standards and wind loading requirements of the International Building Code and the Electronics Industry Association.
(3)
With the exception of necessary electric and telephone service connection lines, no part of any antenna or tower, nor any lines, cable, equipment or wires or braces in connection with either, shall at any time extend across or over any part of the right-of-way, public street, highway, sidewalk or property line.
(4)
Towers and associated antennas shall be designed to conform with accepted electrical engineering methods and practices and to comply with the provisions of the National Electrical Code.
(5)
All signal and remote control conductors of low energy extending substantially horizontally above the ground between a tower and antenna and a structure, or between towers, shall be at least eight feet above the ground at all points unless buried underground.
(6)
Every tower affixed to the ground shall be protected to discourage climbing of the tower by unauthorized persons.
(7)
All towers shall be constructed to conform with the requirements of the Occupational Safety and Health Administration.
(8)
Antennas and towers shall not be erected in Residential Zoning Districts in violation of the following restrictions:
a.
Notwithstanding the general provisions of this Code, and the applicable provisions of this Article, the required setback for an antenna or tower attached directly to the ground, shall be equal to one-half the height of the antenna and tower. Those antennas and towers attached to a building and whose base is not on the ground may be constructed, if setback a distance equal to one-half the height of the tower, less the distance from the point of attachment on the building to the ground.
b.
No tower shall exceed a height equal to the distance from the base of the antenna and tower to the nearest overhead electrical power line which serves more than one dwelling or place of business. Those antennas and towers originally attached to a building, and whose base is not on the ground, shall not exceed an overall height from the point of attachment to the top of tower which is greater than the distance from the point of attachment to the nearest overhead electrical power line serving more than one dwelling or business.
c.
Metal towers shall be constructed of, or treated with, corrosive resistant material. Wood poles shall be impregnated with rot-resistant substances.
d.
The applicant will provide a written statement from a licensed engineer certifying that the applicant will be prohibited from providing commercial wireless telecommunication services unless a tower is constructed in a residential zoning district.
e.
The applicant must request approval of a special use from the Pekin Zoning Board of Appeals/Pekin City Council, for placement of a tower in all residential zoning districts or at any site of which the tower is situated within 500 feet or less from any residential district.
f.
For municipal properties, attached WCFs and new support structures should be allowable with approved building permit and necessary agreements.
(d)
Existing antennas and towers. Antennas and towers in existence as of August 1, 1997, which do not conform to or comply with this Code are subject to the following provisions:
(1)
Towers may continue in use for the purpose used and as existing on August 1, 1997, but may not be replaced or structurally altered without complying in all respects with this Code; provided, however, an existing tower in a residential district may be enlarged to a total height of no more than 175 feet if the following conditions are satisfied:
a.
No part of the tower or its appurtenances is within 300 feet of any residential structure; and
b.
A special use permit is obtained as provided in this Code.
(2)
If such towers are hereafter damaged or destroyed due to any reason or cause whatsoever, the tower may be repaired and restored to its former use, location, and physical dimensions upon obtaining a building permit therefor, but without otherwise complying with this section; provided, however, that if the cost of repairing the tower to the former use, physical dimensions, and location would be ten percent or more of the cost of a new tower of like kind and quality, then the tower may not be repaired or restored, except in full compliance with this Code.
(Prior Code, § 9-13-5; Ord. No. 2617-OA-09/10, 4-26-2010; Ord. No. 3001-21-22, § 5, 7-26-2021; Ord. No. 4195-24-25, § 2, 6-10-2024)
Proposed or modified towers and antennas in all zoning districts shall meet the following design requirements:
(1)
Towers and antennas shall be designed to blend into the surrounding environment through the use of color and camouflaging architectural treatment, except in instances where the color is dictated by Federal or State authorities, such as the Federal Aviation Administration. For the purpose of this Subsection, camouflaging architectural treatment shall consist of disguising the applicable tower as an object which would otherwise be fully consistent with the surrounding area, such as a tree, church steeple, or building spire, as appropriate. The camouflaging shall disguise the existence of the tower, while retaining the natural or improved appearance of the surrounding area, to the maximum extent possible.
(2)
Commercial wireless telecommunication service towers shall be of a monopole design unless the Zoning Board of Appeals determines that an alternative design would better blend into the surrounding environment.
(Prior Code, § 9-13-6; Ord. No. 3001-21-22, § 5, 7-26-2021)
Towers shall conform with the following minimum setback requirement.
(1)
Generally. Towers shall meet the setback requirements of buildings found in the underlying zoning district unless otherwise specified herein.
(2)
Residential zoning districts. Towers shall meet the setback requirements provided in Section 4-3-12-5(c)(8).
a.
Attached WCFs are exempt from any setback standards beyond those of the structure upon which WCF is attached. An attached WCF antenna may extend up to five feet horizontally beyond the edge of the attachment structure so long as the antenna does not encroach upon an adjoining parcel.
b.
Minimum setback for WCFs with support structures shall be as follows:
Minimum Setback for WCFs with Support Structures
(Prior Code, § 9-13-7)
(a)
Towers placed within any residential district shall not exceed 75 feet in height from existing grade. Towers placed within any Industrial, Business, or Office Districts shall not exceed 175 feet in height from existing grade or, if attached to an existing building, 200 feet less the distance from the existing grade to the point of attachment.
(a)
A variation to this height requirement may be granted by the Zoning Board of Appeals after receiving an application therefore and holding a public hearing at a regularly scheduled meeting. A variation from the height requirement in this section shall be granted by the Zoning Board of Appeals only if the applicant establishes by clear and convincing evidence that it will be unable to provide wireless communication services without such a variation. Under no circumstance shall a tower be erected to a height greater than that required to provide wireless communication services.
(Prior Code, § 9-13-8)
Towers shall not be illuminated by artificial means and shall not display any strobe or flashing lights unless such lighting is required by the Federal Aviation Administration or other Federal or State authority for a particular tower.
(Prior Code, § 9-13-9)
Any tower exceeding 50 feet in height shall be fenced with a six-foot fence. All fencing shall meet the requirements of Section 4-3-7-1.
(Prior Code, § 9-13-10)
Signs no larger than six square feet may display warning or equipment information and may be placed on towers. All other signs, including signs used for advertising purposes, are prohibited.
(Prior Code, § 9-13-11)
All utility buildings and structures accessory to a tower shall be architecturally designed to blend in with the surrounding environment. Further, such buildings shall meet minimum setback requirements of the underlying zoning district. Ground mounted equipment shall be screened from view by suitable vegetation and/or landscaping, except where a design of non-vegetative screening better reflects and compliments the architectural character of the surrounding area, in which case, such non vegetative screening shall be utilized.
(Prior Code, § 9-13-12)
Abandoned or unused towers or portions of towers shall be removed as follows:
(1)
All abandoned or unused towers and associated facilities shall be removed within 12 months of the cessation of operations. A copy of the relevant portions of a signed lease which requires the applicant to remove the tower and associated facilities upon cessation of operations at the site shall be submitted at the time of application. In the event that a tower is not removed in a timely manner as provided herein, the tower and associated facilities may be removed by the City and the cost of removal assessed against a bond or other financial security as provided under Section 4-3-12-15(5)e.
(2)
Unused portions of towers above utilized communications or other electrical equipment shall be removed within six months of the time of antenna relocation. The replacement of portions of a tower previously removed requires the issuance of a new building permit and special use permit as applicable.
(Prior Code, § 9-13-13)
No new or existing telecommunication service shall interfere with public safety telecommunications. All applications for new service shall be accompanied by an intermodulation study which provides a technical evaluation of existing and proposed transmissions and indicates all potential interference problems. Before the introduction of new services or changes in existing service, telecommunication providers shall notify the City at least ten calendar days in advance of such changes and allow the City to monitor interference levels during the testing process.
(Prior Code, § 9-13-14)
All development applications for towers shall include written documentation evidencing compliance with each provision of this Code as well as the applicable zoning regulations in addition to the following supplemental information:
(1)
A report from a qualified and licensed professional engineer which:
a.
Describes the tower height and design, including a cross section in elevation;
b.
Documents the height above grade for all potential mounting positions for collocated antennas and the minimum separation distances between antennas;
c.
Describes the tower's capacity, including the number and type of antennas that it can accommodate;
d.
Documents what steps the applicant will take to avoid interference with established public safety telecommunications;
e.
Includes an engineer's stamp and registration number;
f.
Includes other information necessary to evaluate the request.
(2)
Architectural drawings depicting the constructed tower with camouflaging treatment set in the surrounding area. These drawings shall include at least one perspective from the North, South, East, and West.
(3)
An overhead map of the site showing a one-mile radius of the subject tower's location, as well as the location of each of the applicant's existing and planned future tower sites.
(4)
For all commercial wireless telecommunication service towers, a letter of intent committing the tower owner and his or her successors to allow the shared use of the tower if an additional user agrees in writing to meet reasonable terms and conditions for shared use.
(5)
Before the issuance of a building permit, the following supplemental information shall be provided:
a.
Proof that the proposed tower complies with regulations administered by the Federal Aviation Administration.
b.
Proof that the proposed tower complies with the emission standards promulgated by the Federal Communications Commission and ANSI and IEEE.
c.
Report from a qualified and licensed professional engineer which demonstrates the tower's compliance with the aforesaid structural and electrical standards.
d.
Proof of technological evidence which indicates that the height of the tower requested is the minimum necessary to fulfill the cell site's function.
e.
Proof of bond or financial security sufficient to provide for cost of removal in the case of abandonment as described within Section 4-3-12-13(1) and (2).
(Prior Code, § 9-13-15)
(a)
Conflict. If any portion of this Code is found to be in conflict with any other provision of any zoning, building, fire safety, or other ordinance of the Code of the City, the provision which establishes the higher standard shall prevail.
(b)
Severability. If any section, subsection, sentence, clause or phrase of this Code or its application to any person or circumstance is held invalid by the decision of any court or administrative tribunal of competent jurisdiction, the remainder of this Code, or the application of the provision to other persons or circumstances is in effect and shall remain in full force and effect.
(Prior Code, § 9-13-16)
- ZONING6
State Law reference— Zoning, 65 ILCS 5/11-13-1 et seq.
The following rules of construction apply to the text of this Article:
(1)
The particular shall control the general.
(2)
In the case of any difference of meaning or implication between the text of this Article and any caption or illustration, the text shall control.
(3)
The term "shall" is always mandatory and not discretionary; the term "may" is permissive.
(4)
Words used in the present tense shall include future, and words used in the singular number shall include the plural, and the plural the singular, unless the context clearly indicates the contrary.
(5)
The term "building" or "structure" includes any part thereof.
(6)
The term "used for" includes the term "arranged for," "designed for," "maintained for" or "occupied for".
(7)
The term "person" includes an individual, a corporation, a partnership, an incorporated association or any other similar entity.
(8)
Unless the context clearly indicates the contrary, where a regulation involves two or more items, conditions, provisions, or events connected by the conjunction "and," "or" or "either . . . or," the conjunction shall be interpreted as follows:
a.
The term "and" indicates that all the connected items, conditions, provisions or events shall apply.
b.
The term "or" indicates that the connected items, conditions, provisions or events may apply singly or any combination.
c.
The term "either . . . or" indicates that the connected items, conditions, provisions or events shall apply singly but not in combination.
(9)
Terms not herein defined shall have the meanings customarily assigned to them.
(Prior Code, § 9-1-1; Ord. No. 2555-08/09, 5-27-2007)
The following words, terms and phrases, when used in this Article, shall have the meanings ascribed to them in this Section, except where the context clearly indicates a different meaning:
Accessory use or accessory means a use which is clearly incidental to, customarily found in connection with and (except in the case of accessory off-street parking spaces or loading) located on the same zoning lot as the principal use to which it is related. The term "accessory use" includes, but is not limited to, the following:
(1)
Residential accommodations for servants and/or caretakers.
(2)
Swimming pools for the use of the occupants of a residence or their guests.
(3)
Domestic or agricultural storage in a barn, shed, tool room or similar accessory building or other structure.
(4)
A newsstand primarily for the convenience of the occupants of a building which is located wholly within such building and has no exterior signs or displays.
(5)
Storage of merchandise normally carried in stock in connection with a business or industrial use, unless such storage is excluded in the applicable district regulations.
(6)
Storage of goods used in or produced by industrial uses or related activities, unless such storage is excluded in the applicable district regulations.
(7)
Accessory off-street parking spaces, open or enclosed, subject to the accessory off-street parking regulations for the district in which the zoning lot is located.
(8)
Uses clearly incidental to a main use such as, but not limited to offices of an industrial or commercial complex located on the site of the commercial or industrial complex.
(9)
Accessory off-street loading, subject to the off-street loading regulations for the district in which the zoning lot is located.
(10)
Accessory signs, subject to the sign regulations for the district in which the zoning lot is located.
Accessory structure or use means a subordinate building, structure or use which is located on the same lot on which the main building or use is situated and which is reasonably necessary and complimentary to the conduct of the primary use of such building or main use.
Adjacent or abutting means adjoining, bordering, touching or contiguous. If two lots are separated by a street, public alley or public walk, they shall not be deemed to be adjoining.
Adult-use cannabis craft grower means a facility operated by an organization or business that is licensed by the Illinois Department of Agriculture to cultivate, dry, cure, and package cannabis and perform other necessary activities to make cannabis available for sale at a dispensing organization or use at a processing organization pursuant to the Cannabis Regulation and Tax Act (410 ILCS 705/1-1 et seq.), as it may be amended from time to time, and regulations promulgated thereunder.
Adult-use cannabis cultivation center means a facility operated by an organization or business that is licensed by the Illinois Department of Agriculture to cultivate, process, transport, and perform necessary activities to provide cannabis and cannabis-infused products to licensed cannabis business establishments pursuant to the Cannabis Regulation and Tax Act (410 ILCS 705/1-1 et seq.), as it may be amended from time to time, and regulations promulgated thereunder.
Adult-use cannabis dispensing organization means a facility operated by an organization or business that is licensed by the Illinois Department of Financial and Professional Regulation to acquire cannabis from licensed cannabis business establishments for the purpose of selling or dispensing cannabis, cannabis-infused products, cannabis seeds, paraphernalia, or related supplies to purchasers or to qualified registered medical cannabis patients and caregivers pursuant to the Cannabis Regulation and Tax Act (410 ILCS 705/1-1 et seq.), as it may be amended from time to time, and regulations promulgated thereunder.
Adult-use cannabis infuser organization or infuser means a facility operated by an organization or business that is licensed by the Illinois Department of Agriculture to directly incorporate cannabis or cannabis concentrate into a product formulation to produce a cannabis-infused product pursuant to the Cannabis Regulation and Tax Act (410 ILCS 705/1-1 et seq.), as it may be amended from time to time, and regulations promulgated thereunder.
Adult-use cannabis processing organization or processor means a facility operated by an organization or business that is licensed by the Illinois Department of Agriculture to either extract constituent chemicals or compounds to produce cannabis concentrate or incorporate cannabis or cannabis concentrate into a product formulation to produce a cannabis product pursuant to the Cannabis Regulation and Tax Act (410 ILCS 705/1-1 et seq.), as it may be amended from time to time, and regulations promulgated thereunder.
Adult-use cannabis transporting organization or transporter means an organization or business that is licensed by the Illinois Department of Agriculture to transport cannabis on behalf of a cannabis business establishment or a community college licensed under the Community College Cannabis Vocational Training Pilot Program pursuant to the Cannabis Regulation and Tax Act (410 ILCS 705/1-1 et seq.), as it may be amended from time to time and regulations promulgated thereunder.
Airport means a facility designed to provide take-off, landing, storage and maintenance opportunities for passenger or cargo carrying aircraft of any type, excepting military.
Alcohol/drug rehabilitation home means a structure occupied by individuals undergoing rehabilitation for alcohol and/or drug use.
Alley means any dedicated public way affording a secondary means of access to abutting property and not intended for general traffic circulation.
Alterations means any change, addition or modification in construction or type or occupancy or in the structural members of a building, such as walls or partitions, columns, beams or girders, the consummated act of which may be referred to herein as "altered" or "reconstructed."
Animal clinic/boarding means an establishment operated by one or more veterinarians specializing in the treatment of sick, injured or infirmed animals, provided that the infirmed animals are not kept or treated in outdoor cages, pens or kennels.
Apartment means a suite of rooms or a room in a multiple-family building arranged and intended for a place of residence of a single-family or group of individuals living together as a single housekeeping unit.
Auto convenience market means a place where gasoline, motor oil, lubricants, or other minor accessories are retailed directly to the public on the premises in combination with the retailing of items typically found in a convenience market or supermarket.
Automated teller machine means an automated device that performs banking or financial functions at a location remote from the controlling financial institution.
Automobile repair means the general repair, engine rebuilding, rebuilding or reconditioning of motor vehicles; collision service, such as body, frame or fender straightening and repair; overall painting and undercoating of automobiles.
Basement means that portion of a building which is partly or wholly below grade but so located that the vertical distance from the average grade to the floor is greater than the vertical distance from the average grade to the ceiling. A basement shall not be counted as a story.
Basement and Story
Bed and Breakfast Act means 50 ILCS 820/1 et seq., and subsequent amendments thereto.
Bed and breakfast establishment means an operator-occupied residence providing accommodations for a charge to the public with at least four but no more than five guest rooms for rent, in operation for more than ten nights in a 12-month period. Breakfast may be provided to the guests only. The term "bed and breakfast establishment" does not include motels, hotels, boardinghouses, or food service establishments.
Block means the property abutting one side of a street and lying between the two nearest intersecting streets (crossing or terminating) or between the nearest such street and railroad right-of-way, unsubdivided acreage, lake, river or live stream or between any of the foregoing and any other barrier to the continuity of development or corporate boundary lines of the City.
Brew pub means a full-service restaurant with alcoholic beverages, which includes the brewing of beer as an accessory use. The brewing operation processes water, malt, hops, and yeast into beer or ale by mashing, cooking, and fermenting. The area used for brewing, including bottling and kegging, shall not exceed 25 percent of the total floor area of the commercial space. The brewery shall not produce more than 1,500 barrels of beer or ale per year. A barrel is equivalent to 31 gallons.
Brewery, micro, means a facility for the production and packaging of malt beverages of low alcoholic content for distribution, retail or wholesale, on or off premises, with a capacity of not more than 15,000 barrels per year. The development may include other uses such as a standard restaurant.
Buffer strip means an area, property, lot or tract of land or portion thereof, either vacant, fenced, bermed or landscaped with screen planting as herein specified, which shall serve as a separating space between dissimilar land uses or districts.
Building means any structure, either temporary or permanent, having a roof supported by columns or walls and intended for the shelter or enclosure of persons, animals, chattels or property of any kind.
Building, attached, means a building having one or more walls in common with another building or within one foot of another building.
Building, detached, means a building having no walls in common with another building and more than one foot away from another building.
Building height means the vertical distance measured from the established grade to the highest point of the roof surface for flat roofs, to the deck line of mansard roofs and to the average height between eaves and ridge for gable, hip and gambrel roofs.
Building Height
Building Inspector means the person designated by the City Council to perform inspections of the construction of buildings, structures and improvements within the City of Pekin to determine conformance with various City ordinances and codes.
Building line means a line formed by the face of the building, and for the purposes of this Article, a minimum building line is the same as a front setback line.
Building Line
Camper means a specially equipped motorized portable vehicle or non-motorized trailer-pulled facility designed and intended to be used for traveling or camping purposes. Any item defined as a camper in this Article can in no way be utilized or substituted as a residential dwelling or mobile home of any type.
Cannabis business establishment means an adult-use cannabis cultivation center, craft grower, processing organization, infuser organization, dispensing organization, or transporting organization, or a medical cannabis cultivation center or dispensing organization.
Children's advocacy center means a childcare and counseling facility which provides care and counseling to abused children. Such center shall be open no earlier than 7:00 a.m. and no later than 7:00 p.m., and shall not provide 24-hour care or permit overnight stays.
Club means an organization of persons for special purposes or for the promulgation of sports, arts, sciences, literature, politics or the like, but not operated for profit.
Cluster housing means an optional method of single-family residential land development permitting certain flexibility and innovation in unit density and open space arrangements in situations where standard subdivision methods would be unduly restrictive or not necessarily preferable.
Community residence means a dwelling under state license or certification or contract to provide supervision, food, lodging and other services to a service dependent population, living and cooking together as a single cooperative household unit, consisting of a basic group of members of a service dependent population and additional staff persons providing supervision of service to a basic group, as specified in the aforesaid licensing, certification or contract regulations. An alcohol/drug rehabilitation home is not a community residence.
Community residence, large, means a community living facility with a basic group limited to not more than 15 service-dependent individuals plus a maximum of four resident (live-in) staff at any given time, subject to a higher number if required to meet State or Federal regulations. Said facility is intended for permanent placement and shall not be for crisis or short-term placement.
Community residence, small, means a community living facility with a basic group limited to not more than eight service-dependent individuals plus a maximum of two resident (live-in) staff at any given time, subject to a higher number of staff if required to meet State or Federal regulations. Said facility is intended for permanent placement and shall not be for crisis or short-term, transient placement.
Congregate living center or guest house means a structure providing room and board to the public for compensation, but not providing nursing or medical care.
Convalescent or nursing home means a structure with sleeping rooms where persons are housed or lodged and are furnished with meals, nursing and medical care.
CRTA means the Cannabis Regulation and Tax Act (410 ILCS 705/1-1 et seq.), as it may be amended from time to time, and any regulations promulgated thereunder.
Day care center means a daytime group facility for more than eight children which gives care to children away from their homes.
Day care home means a one-family dwelling which receives not more than eight children for care during the day. The maximum of eight children includes the family's natural or adopted children under age 16 who are in the home full-time for care.
Density control factor (DCF) means the factor relating to family population utilized in this Article to control the number of dwellings allowed per acre of land in planned residential developments.
Development means the construction of a new building or other structure on a zoning lot, the relocation of an existing building on another lot or the use of open land for new use.
District means a portion of the incorporated area of the City within which certain regulations and requirements or various combinations thereof apply under the provisions of this Article.
Drive-in means an establishment where food, frozen desserts, or beverages are sold to the customers in a ready-to-consume state and where the customer consumes food, frozen desserts or beverages in an automobile parked upon the premises or at other facilities provided for customers which are located outside the building.
Drive-through means an establishment so developed that some portion of its retail or service character is dependent upon providing a driveway approach and staging area specifically designed for motor vehicles so as to serve patrons while in their motor vehicles, rather than within a building or structure, for carryout and consumption or use after the vehicle is removed from the premises.
Driveway, nonresidential, means any passageway for vehicle ingress and egress to private property, used in whole or in part for other than residence or dwelling house purposes.
Driveway, residential, means any passageway for vehicle ingress or egress to private property, used exclusively for residence or dwelling house purposes.
Duplex means a building designed exclusively for occupancy by two families living independently of each other and being located on the same lot.
Dwelling, multifamily, means a building or a portion thereof designed exclusively for occupancy by three or more families living independently of each other.
Dwelling, one-family, means a building designed exclusively for and occupied exclusively by one family.
Dwelling, two-family, means a building designed exclusively for occupancy by two families living independently of each other.
Dwelling unit means a building or portion thereof designed for occupancy by one family for residential purposes and having cooking facilities.
Educational institution or school means a publicly or privately owned structure or facility solely intended for the purpose of instructing students in general educational studies or vocational skills.
Erected means built, constructed, altered, reconstructed, moved upon, or any physical operations on the premises which are required for construction, excavation, fill, drainage and the like shall be considered a part of erection.
Essential services means the erection, construction, alteration or maintenance by public utilities or Municipal Departments of underground, surface or overhead gas, electrical, steam, fuel or water transmission or distribution systems, collection, communication, supply or disposal systems, including poles, wires, mains, drains, sewers, pipes, conduits, cables, fire alarm and police call boxes, traffic signals and hydrants in connection herewith, but not including, buildings which are necessary for the furnishing of adequate service by such utilities or Municipal Departments for the general health, safety or welfare.
Excavation means any breaking of ground, except common household gardening and ground care.
Exception means a use permitted only after review of an application by the Board of Appeals (see Chapter 2, Article VI, Division 10) or legislative body or a modification in the standards of this Article specifically permitted after review by the Board of Appeals (see Chapter 2, Article VI, Division 10), Zoning Board of Appeals or legislative body, such review being necessary because the provisions of this Article covering conditions precedent or subsequent are not precise enough to all applications without interpretation and such review and exception as provided for by this Article. An exception is not a variance.
Family means an individual or married couple and the children thereof with not more than two other persons related directly to the individual or married couple by blood or marriage; or a group of not more than five unrelated persons, living together as a single housekeeping unit in a dwelling unit.
Farm means the carrying on of any agricultural activity or the raising of livestock or small animals as a source of income.
Fence means a manmade structure constructed for the purchase of or to have the effect of enclosing the area it is constructed upon.
Fence, ornamental, means a manmade structure, the hard surface area of which is at least 100 percent open. As used herein, the term "100 percent open" means that each open space area of the fence is equal to the immediately preceding piece of hard surface area of the fence. No piece of hard surface of an ornamental fence may exceed four inches in width. The term "ornamental fence" does not include chain link fences or fences of wire construction.
Floor area, residential, for the purpose of computing the minimum allowable floor area in a residential dwelling unit, means the sum of the horizontal areas of each story of the building shall be measured from the exterior faces of the exterior walls or from the centerline of walls separating two dwellings. The floor area measurement is exclusive of areas of basements, unfinished attics, attached garages, breezeways and enclosed and unenclosed porches.
Floor area, usable, for the purpose of computing parking, means that area used for or intended to be used for the sale of merchandise or services or for use to serve patrons, clients or customers. Such floor area which is used or intended to be used principally for the storage or processing of merchandise, hallways or for utilities or sanitary facilities shall be excluded from this computation of usable floor area shall be the sum of the horizontal areas of the several floors of the building, measured from the interior faces of the exterior walls.
Floor Area
Floor area ratio means the ratio of the floor area of a building to its lot area. For example, means when a floor area ratio of four-tenths is specified, the floor area of a building constructed on a lot of 10,000 square feet in area is limited to a maximum of 4,000 square feet. The number of stories being optional, the building area may be 4,000 square feet for one story, 2,000 square feet for each of two stories, and so forth. The purpose of this ratio is to control the bulk of buildings.
Garage, private, means an accessory building or portion of a main building designed or used solely for the storage of motor-driven vehicles, boats and similar vehicles owned and used by the occupants of the building to which it is accessory.
Garage, service, means any premises used for the storage or care of motor-driven vehicles or where any such vehicles are equipped for operation, repaired or kept for remuneration, hire or sale.
Garage sale means any sale conducted in a residential zone, or from a residence in an OS-1 Zone, where tangible personal property is offered for sale in or out of any building or structure. The term "garage sale" includes garage sales, yard sales, rummage sales, estate sales or other similar sales.
Gasoline service station means a place for the dispensing, sale or offering for sale of motor fuels directly to users of motor vehicles, together with the sale of minor accessories and services for motor vehicles, but not including major automobile repair.
Grade means the ground elevation established for the purpose of regulating the number of stories and the height of buildings. The building grade shall be the level of the ground adjacent to the walls of the building if the finished grade is level. If the ground is not entirely level, the grade shall be determined by averaging the elevation of the ground for each face of the building.
Group care home for children means a child care facility which provides care for no more than eight children in a residential dwelling under 24-hour supervision or care placed by and under the supervision of a licensed child welfare agency with the residential dwelling being owned or rented and staffed and maintained or otherwise operated by the agency and licensed by the State of Illinois for the developmentally disabled under the Child Care Act of 1969, as amended from time to time (225 ILCS 10/1 et seq.).
Guest room means a sleeping room of a bed and breakfast establishment intended to serve no more than two transient guests per night.
Height of a building means vertical distance measured from the level of the public sidewalk or the top of the curb if there is no sidewalk or the centerline of the road if there is no sidewalk and no curb, opposite the middle of the front of the building to the highest point of the main structural roof.
Home garden means a private garden in which vegetables are raised for consumption by the gardener and his family and none of the produce thereof is sold or placed on the market.
Home occupation means is an occupation or profession customarily carried on by an occupant of a dwelling unit as a secondary home occupation use which is clearly subservient to use of the dwelling for residential purposes.
Horse stable means a structure to accommodate horses for personal use or the breeding, raising, training or boarding of horses for remuneration. The term "horse stable" may include the renting of horses for remuneration where appropriate trails are provided on a tract consisting of at least ten acres in addition to the acreage requirement of Section 4-3-4-2(4).
Hotel means a building or part of a building, with a common entrance or entrances, in which the dwelling units or rooming units are used primarily for transient occupancy and in which one or more of the following services are offered: maid service, furnishing of linen, telephone, secretarial or desk service and bellboy service. The term "hotel" may include a restaurant or cocktail lounge, public banquet halls, ballrooms or meeting rooms.
Indoor self-storage means a facility used for storage of personal property (no commercial storage) where individual renters control individual storage spaces, and where the entrance to the individual storage spaces are located and accessed from within a larger building or structure, whether or not such building is climate-controlled.
Irregularly shaped lot means any platted lot whose exterior shape does not form a square or rectangular plane figure.
Junkyard means an area where waste, used or secondhand materials are bought and sold, exchanged, stored, baled, packed, disassembled or handled, including, but not limited to, scrap iron and other metals, paper, rags, rubber tires and bottles. The term "junkyard" includes automobile wrecking yards and includes any open area of more than 200 square feet for storage, keeping or abandonment of junk.
Kennel, commercial, means any lot or premises on which three or more dogs, cats or other household pets are either permanently or temporarily boarded for remuneration.
Livestock means brood cows, feeder cattle or dairy cows.
Loading space means an off-street space on the same lot with a building or group of buildings for the temporary parking of a commercial vehicle while loading and unloading merchandise or materials.
Lodge means a bona fide fraternal association, service organization, club or society whose facilities are available for use only by its dues-paying members and their guests.
Lot means a parcel of land occupied or intended to be occupied by a main building or a group of such buildings and accessory buildings, or utilized for the principal use and uses accessory thereto, together with such yards and open spaces as are required under the provisions of this Article. A lot may or may not be specially designated as such on public records.
Interior, Through, and Corner Lots
Lot, corner, means a lot where the interior angle of two adjacent sides at the intersection of two streets is less than 135 degrees. A lot abutting upon a curved street or streets shall be considered a corner lot for the purposes of this Article if the arc is of less radius than 150 feet and the tangents to the curve, at the two points where the lot lines meet the curve or the straight street line extended form an interior angle of less than 135 degrees.
Lot, exterior villa, means a lot which is or is intended to be a site for a villa dwelling with a similar villa attached on only one side.
Lot, interior, means any lot other than a corner lot.
Lot, interior villa, means a lot which is or is intended to be a site for a villa dwelling with a similar villa attached on each side.
Lot, through, means any interior lot having frontage on two more or less parallel streets as distinguished from a corner lot. In the case of a row of double frontage lots, all yards of said lots adjacent to streets shall be considered frontage, and front yard setbacks shall be provided as required.
Lot, villa, means a parcel of land occupied or intended to be occupied by a principal residential building and accessory buildings, together with such open spaces as are required by this Code, and which piece or parcel has frontage of 24 feet or more on an improved public or private street and is in a previously recorded lot of record.
Lot, zoning, means a single tract of land, located within a single block, which, at the time of filing for a building permit, is designated by its owner or developer as a tract to be used, developed or built upon as a unit, under single ownership or control. A zoning lot shall satisfy this Article with respect to area, size, dimensions and frontage as required in the district in which the zoning lot is located. A zoning lot, therefore, may not coincide with a lot of record as filed with the County Recorder of Deeds, but may include one or more lots of record.
Lot area means the total horizontal area within the lot lines of the lot.
Lot coverage means the part or percent of the lot occupied by buildings and/or structures including accessory buildings and structures excluding driveways; walks and paved patios.
Lot depth means the horizontal distance between the front and rear lot lines, measured along the median between the side lot lines.
Lot lines means the lines bounding a lot as defined herein:
Lot line, front, means in case of an interior lot, is that line separating said lot from the street. In the case of a through lot, is that line separating said lot from either street.
Lot line, rear, means that lot line opposite the front lot line. In the case of a lot pointed at the rear, the rear lot line shall be an imaginary line parallel to the front lot line, not less than ten feet long lying farthest from the front lot line and wholly within the lot.
Lot line, side, means any lot line other than the front line or rear lot line. A side lot line separating a lot from a street is a side street lot line. A side lot line separating a lot from another lot or lots is an interior side lot line.
Lot of record means a parcel of land, the dimensions of which are shown on a document or map on file with the County or in common use by Municipal or County officials, which actually exists as so shown, or any part of such parcel held in a record ownership separate from that of the remainder thereof.
Lot width means the horizontal straight line distance between the side lot lines, measured between the two points where the front setback line intersects the side lot lines.
Main building means a building in which is conducted the principal use of the lot upon which it is situated.
Major thoroughfare means an arterial street which is intended to serve as a large volume trafficway for both the immediate Municipal area and the region beyond and is designated as a major thoroughfare, parkway, freeway, expressway or equivalent term on the major thoroughfare plan to identify those streets comprising the basic structure of the major thoroughfare plan.
Manufactured home means a factory constructed, transportable structure designed for permanent residential use when placed upon a foundation and connected to utilities. The minimum length of a manufactured home shall not be less than 40 feet with a total floor area of not less than 780 square feet. Manufactured homes must meet or exceed Federal and State manufactured home construction codes, and be constructed after June 15, 1976.
Master plan means the comprehensive community plan, including graphic and written proposals, indicating the general location for streets, parks, schools, public buildings and all physical development of the City and includes any unit or part of such plan and any amendment to such plan or parts thereof. Such plan may or may not be adopted by the Zoning Board of Appeals and/or the legislative body.
Medical Cannabis Act means the Compassionate Use of Medical Cannabis Program Act (410 ILCS 130/1 et seq.), as it may be amended from time to time, and any regulations promulgated thereunder.
Medical cannabis cultivation center means a facility operated by an organization or business that is registered by the Department of Agriculture to perform necessary activities to provide only registered medical cannabis dispensing organizations with usable medical cannabis.
Medical cannabis dispensing organization means a facility operated by an organization or business that is registered by the Department of Financial and Professional Regulation to acquire medical cannabis from a registered cultivation center for the purpose of dispensing cannabis, paraphernalia, or related supplies and educational materials to registered qualifying patients, individuals with a provisional registration for qualifying patient cardholder status, or an Opioid Alternative Pilot Program participant.
Medical clinic means a facility used for the medical treatment of individuals on an outpatient basis.
Mezzanine means an intermediate floor in any story, occupying not to exceed one-third of the floor area of such story.
Mini-warehouse means a building or number of buildings used for the storage of goods for compensation which has numerous compartments each not to exceed 600 square feet in area which are available for rent by different parties.
Mixed use means a land use where more than one classification of land use (residential, commercial, and recreational) permitted within a zoning district is combined on a lot or within a structure.
Mobile home means a structure, transportable in one or more sections, which in the traveling mode, is eight feet erected on-site, is 320 or more square feet and which is built on a permanent chassis and designed to be used as a dwelling with or without a permanent foundation when connected to the required utilities and manufactured prior to June 15, 1976.
Mobile home park means any plot of ground upon which two or more mobile homes, occupied for dwelling or sleeping purposes, are located.
Model home means a new, single-family residence, not occupied as such, built by a person engaged in the business of building new homes and used or intended for use for display purposes to be shown to prospective customers.
Motel means a series of attached, semi-detached or detached rental units containing a bedroom, bathroom and closet space. Units shall provide overnight lodging and are offered to the public for compensation and shall cater primarily to the public traveling by motor vehicle.
Motor vehicle means a self-propelled, free moving vehicle designed for the conveyance of goods or persons on a public street and as defined by the Illinois Vehicle Code (625 ILCS 5/1-100 et seq.).
Multi-message sign means an outdoor advertising sign that displays a series of message changes, regardless of the technology used. A multi-message sign provides for a fixed message of at least ten seconds in length with a transition time between message changes of three seconds or less.
Nonconforming building means a building, or portion thereof, lawfully existing at the effective date hereof, or amendments hereto, that does not conform to the provisions of this Article in the district in which it is located.
Nonconforming use means a use which lawfully occupied a building or land at the effective date hereof, or amendments hereto, that does not conform to the use regulations of the district in which it is located.
Nursery, plant materials, means a space, building or structure, or combination thereof, for the storage of live trees, shrubs or plants offered for retail sale on the premises, including products used for gardening or landscaping. The term "plant materials nursery," within the meaning of this Article, does not include any space, building or structure used for the sale of fruits, vegetables or Christmas trees.
Nursery school means a daytime facility which has as its main objective a development program for pre-school children and whose staff meets the educational requirements established by the State of Illinois.
Off-road vehicles mean a self-propelled, free-moving device which is not designed, intended or licensed for travel upon public streets or rights-of-way. The term "off-road vehicles" includes ATVs, mopeds, skidoos, boats, trailers, etc.
Off-street parking lot means a facility providing vehicular parking spaces along with adequate drives and aisles for maneuvering so as to provide access for entrance and exit for the parking of more than three vehicles.
Office means a room or suite of rooms used for the practice of a profession or service or for the conduct of a business, which does not involve the sale of goods from the premises. The term "office" does not include a personal service shop. If goods or merchandise are sold for delivery on or from the premises other than as incidental to the principal office use, then the premises shall be considered to be a store rather than an office.
Open front store means a business establishment so developed that a service to the patron may be extended beyond the walls of the structure, not requiring the patron to enter the structure.
Open space ratio (OSR) means the quotient of the open space on the lot divided by the total gross floor area on the lot.
Operator means the owner of the bed and breakfast establishment, or the owner's agent, who is required by this Article to reside in the bed and breakfast establishment.
Outdoor self-storage means a facility used for storage of personal property (no commercial storage) where individual renters control individual storage spaces, and where the individual storage spaces are accessible directly from the outdoors.
Parking space means an area of definite length and width; said area shall be exclusive of drives, aisles or entrances giving access thereto and shall be fully accessible for the parking of permitted vehicles.
Planned residential development (PRD) means a plan for a specific parcel of land, or several contiguous parcels of land, located entirely within a residential district, of sufficient size to permit development of a planned residential unit and supporting recreational and open space amenities. A planned residential development may include both attached and detached dwelling unit (single-family, multiple family, townhouses, etc.), as well as all typical accessory uses associated with residential uses, planned and designed in such a manner as to preserve and protect the character of abutting land as well as protecting uses within the PRD by preserving as much natural vegetation and terrain as possible.
Planned unit development (PUD) means an area for which a comprehensive unitary plan is to be submitted for a single tract of land allowing for flexibility in density, open space, setbacks and uses
Principal use means the main use to which the premises are devoted, and the principal purpose for which the premises exist.
Property value means the fair market sale value of a property as would be determined through a certified appraisal.
Public right-of-way accessibility guidelines means accessibility guidelines promulgated by the United States Access Board, for the design, construction, and alteration of pedestrian facilities in the public right-of-way. The guidelines ensure that sidewalks, pedestrian street crossings, pedestrian signals, and other facilities for pedestrian circulation and use constructed or altered in the public right-of-way by state and local governments are readily accessible to and usable by pedestrians with disabilities.
Public utility means a person, firm or corporation, Municipal department, board or commission duly authorized to furnish and furnishing, under Federal, State or Municipal regulations, to the public gas, steam, electricity, sewage disposal, communication, telegraph, transportation or water.
Recreational facility means a privately or publicly owned and maintained site, structure, or complex offering active participatory recreational opportunities to the general public or to private club members. The term "recreational facility" does not include land or facilities classified as parkland or open space areas related to a residential development.
Residential shelter means a building other than a hotel or restaurant where meals and sleeping quarters are provided (usually not for compensation), to three or more persons, but not more than 15 who are in need of housing and protective services. Services and shelter are provided on a weekly, or longer, basis but the facility is not open on a daily, overnight or per meal basis to transient guests. The term "residential shelter" does not include community residences.
Restaurant with incidental liquor sales means an establishment not containing a bar anywhere within the building, and serving alcohol only in conjunction with the sale of meals that have been prepared in the kitchen of the same establishment.
Retail store means a store, the primary purpose of which is to present and offer goods for delivery on or from the premises to the ultimate consumer.
Room, for the purpose of determining lot area requirements and density in a multiple family district, means a room is a living room, dining room or bedroom equal to at least 80 square feet in area. The term "room" shall not include the area in a kitchen, sanitary facilities, utility provisions, corridors, hallways and storage. Plans presented showing one-, two- or three- bedroom units, and including a den, library or other extra room, count such extra room as a bedroom for the purpose of computing density.
Rowhouse building means a building which contains a row of two, three or four single-family attached dwelling units, each being connected to the adjoining units in each story by walls that are fire-rated and are without openings and each unit having independent access to the exterior of the building in the ground story and each unit being located on a separate lot. Each common wall shall serve as a common/zero lot line.
Rowhouse dwelling means a dwelling unit which is part of a rowhouse building.
Sanitary landfill means a method of disposing of refuse on land without creating nuisances or hazards to public health or safety, by utilizing the principles of engineering to confine the refuse to the smallest practical area, to reduce it to the smallest practical volume, and to cover it with a layer of earth at the conclusion of each day's operation, or at such more frequent intervals as may be necessary and to provide a final cover following final placement of refuse.
Service station means a building or premises used primarily for dispensing, sale or offering for sale at retail of automobile fuels, oil and accessories.
Setback means the distance in linear feet measured on a horizontal plane from the lot line to the foundation or base of a building or structure on the lot and roughly perpendicular to the lot line.
Setback line means a line generally parallel with and measured from the lot line, defining the limits of a yard in which no building or structure may be located above the ground, except as may be provided within this Article.
Sign means the use of any words, numerals, figures, devices, designs or trademarks by which anything is made known such as are used to show an individual, firm, profession or business and are visible to the general public.
Sign, nonaccessory, means a sign which is not accessory to the principal use of the premises.
Story means the part of a building, except a mezzanine as defined herein, included between the surface of one floor and surface of the next floor or, if there is no floor above, then the ceiling next above. A basement shall not be counted as a story.
Basement and Story
Story, half, means an uppermost story lying under a sloping roof having an area of at least 200 square feet with a clear height of seven feet, six inches. For the purposes of this Article, the usable follow area is only that area having at least four feet clear height between floor and ceiling.
Street means a public dedicated right-of-way, other than an alley, which affords the principal means of access to abutting property.
Stringlights means temporary decor or accent lighting that is UL-listed and is protected by a GFCI circuit or plug.
Structure means anything constructed or erected, the use of which requires location on the ground or attachment to something having location on the ground.
Basic Structural Terms
Temporaryuse or building means a use or building permitted by the Board of Appeals (see Chapter 2, Article VI, Division 10) to exist during a specified period of time.
Use means the principal purpose for which land or a building is arranged, designed or intended or for which land or a building is or may be occupied.
Variance means a modification of the literal provisions of this Article granted when strict enforcement hereof would cause undue hardship owing to circumstances unique to the individual property on which the variance is granted. The crucial points of variance are: undue hardship, unique circumstances, and applying to property. A variance is not justified unless all three elements are present in the case. A variance is not an exception.
Villa means:
(1)
A building which contains a row of two, three or four single-family attached dwelling units, each being connected to the adjoining units in each story by walls that are fire-rated and are without openings and each unit having independent access to the exterior of the building in the ground story and each unit being located on a separate lot. Each common wall shall serve as a common/zero lot line.
(2)
A dwelling unit which is part of a villa building.
Wall, obscuring, means a structure of definite height and location to serve as an obscuring screen in carrying out the requirements of this Article.
Yards mean the open spaces on the same lot with a main building unoccupied and unobstructed from the ground upward except as otherwise provided in this Article and as defined herein:
Yards
Yard, front, means an open space extending the full width of the lot, the depth of which is the minimum horizontal distance between the front lot and the nearest point of the main building.
Yard, rear, means an open space extending the full width of the lot, the depth of which is the minimum horizontal distance between the rear lot line and the nearest point of the main building. In the case of the corner lot, the rear yard may be opposite either street frontage.
Yard, side, means an open space between a main building and the side lot line extending from the front yard to the rear yard, the width of which is the horizontal distance from the nearest point on the side lot line to the nearest point of the main building. See the following corresponding diagrams:
Zoning Administrator means the City staff person or consultant of the City appointed by the City Manager to undertake planning and zoning-related duties.
(Ord. No. 2526-OA-07/08, 8-13-2007; Ord. No. 2527, 8-27-2007; Ord. No. 2542-OA, 12-10-2007; Ord. No. 2590-OA-09/10, 7-27-2009; Ord. No. 2618-OA-10/11, 5-24-2010; Ord. No. 1568-A212-19/20, § 2, 11-25-2019; Ord. No. 2875-19/20, § 2, 3-23-2020; Ord. No. 2982-21-22, § 2, 6-28-2021; Ord. No. 3001-21-22, § 5, 7-26-2021)
For the purpose of this Division, the City is hereby divided into the following districts:
Districts Established
(Prior Code, § 9-2-1; Ord. No. 2526-OA-07/08, 8-13-2007; Ord. No. 2555-08/09, 5-27-2007)
The boundaries of these districts are hereby established as shown on the zoning map of the City of Pekin Zoning Ordinance, which map, with all notations, references and other information shown thereon, shall be as much a part of this Division as if fully described herein.
(Prior Code, § 9-2-2; Ord. No. 2555-08/09, 5-27-2007)
Where uncertainty exists with respect to the boundaries of the various districts as shown on the zoning map, the following rules shall apply:
(1)
Boundaries indicated as approximately following the centerlines of streets, highways or alleys shall be construed to follow such centerlines.
(2)
Boundaries indicated as approximately following platted lot lines shall be construed as following such lot lines.
(3)
Boundaries indicated as approximately following City limits shall be construed as following City limits.
(4)
Boundaries indicated as following railroad lines shall be construed to be the midway between the main tracks.
(5)
Boundaries indicated as following shorelines shall be construed to follow such shorelines and, in the event of change in the shoreline, shall be construed as moving with the actual shoreline; boundaries indicated as approximately following the centerline of streams, rivers, canals, lakes or other bodies of water shall be construed to follow such centerlines.
(6)
Boundaries indicated as parallel to or extensions of features indicated in Subsections (1) through (5) of this Section shall be so construed. Distances not specifically indicated on the official zoning map shall be determined by the scale of the map.
(7)
Where physical or natural features existing on the ground are at variance with those shown on the official zoning map, or in other circumstances not covered by Subsections (1) through (6) of this Section, the Board of Appeals shall interpret the district boundaries.
(8)
Insofar as some or all of the various districts may be indicated on the zoning map by patterns which, for the sake of map clarity, do not cover public rights of way or railroads, it is intended that such district boundaries do extend to the center of any public right-of-way or railroad.
(Prior Code, § 9-2-3; Ord. No. 2555-08/09, 5-27-2007)
Whenever any area is annexed to the City, the following conditions will apply: Land that is zoned previous to annexation shall be classified as being in whichever district of this Division most closely conforms with the zoning that existed prior to annexation, such classification to be recommended by the Zoning Board of Appeals to the City Council, which shall approve same by resolution.
(Prior Code, § 9-2-4; Ord. No. 2555-08/09, 5-27-2007; Ord. No. 3001-21-22, § 5, 7-26-2021)
Whenever any street, alley or other public way within the City shall be vacated, such street, alley or other public way or portion thereof shall automatically be classified in the same zone district as the property to which it attaches. In those instances where a street, alley or other public way serves as a zoning district boundary and is vacated, the centerline of such vacated street, alley or public way shall be considered the zoning district boundary.
(Prior Code, § 9-2-5; Ord. No. 2555-08/09, 5-27-2007)
All buildings and uses in any district shall be subject to the provisions of Divisions 8 and 11 of this Article.
(Prior Code, § 9-2-6; Ord. No. 2555-08/09, 5-27-2007)
Editor's note— Ord. No. 4195-24-25, § 2, adopted June 10, 2024, repealed § 4-3-3-7. Former § 4-3-3-7 pertained to fees and derived from § 9-2-7 of the prior code; Ord. No. 2555-08/09, adopted May 27, 2007; and Ord. No. 3001-21-22, § 5, adopted July 26, 2021.
The AG Agricultural Districts are designed to accommodate agricultural uses.
(Prior Code, § 9-3-1; Ord. No. 2555-08/09, 5-27-2007)
In an Agricultural District, no building or land shall be used and no building shall be erected, except for one or more of the following specified uses, unless otherwise provided in this Article:
(1)
Cemeteries.
(2)
Farms on those parcels of land having an area of not less than five acres, all subject to the health and sanitation provisions of the City, and provided, further, that no farms shall be operated as piggeries or for the disposal of garbage, sewage, rubbish, offal or rendering plants or for the slaughtering of animals except such animals as have been raised on the premises for at least a period of one year immediately prior thereto and for the use and consumption by persons residing on the premises.
(3)
Home-grown produce sales.
(4)
Horse stables, with said horse stables being limited to a density of two horses per one open, uncovered acre on a tract of land consisting of at least ten acres.
(5)
Municipal buildings and uses necessary to service adjacent areas, publicly owned and operated libraries, parks, parkways and recreational facilities.
(6)
One-family detached dwellings.
(7)
Plant nursery or greenhouse.
(8)
Public, parochial and other private elementary schools offering courses in general education.
(9)
Seed and grain sales.
(10)
Utility and public service buildings and uses when operating requirements necessitate the locating of such uses within the district in order to serve the immediate vicinity.
(11)
Accessory buildings and uses, customarily incident to any of the permitted uses provided for in this Section.
(Prior Code, § 9-3-2; Ord. No. 2555-08/09, 5-27-2007)
The following uses may be permitted in an AG Agricultural District, subject to the conditions hereinafter imposed for each use and subject, further, to the review and approval of the site plan and the use by the City Council after a hearing and recommendation is received from the Zoning Board of Appeals for each use:
(1)
Animal clinics, where all buildings are set back at least 200 feet from abutting residential districts on the same side of the street.
(2)
Archery clubs.
(3)
Indoor and outdoor shooting ranges.
(4)
Private country clubs.
(5)
Adult-use cannabis craft grower, subject to the conditions and procedures set forth in Division 10 of this Article.
(6)
Adult use cannabis cultivation center, subject to the conditions and procedures set forth in Division 10 of this Article.
(7)
Medical cannabis cultivation center, subject to the conditions and procedures set forth in Division 10 of this Article.
(Prior Code, § 9-3-3; Ord. No. 2555-08/09, 5-27-2007; Ord. No. 1568-A212-19/20, § 3, 11-25-2019; Ord. No. 3001-21-22, § 5, 7-26-2021; Ord. No. 4300-25-26, § 2, 5-27-2025)
See Section 4-3-7-1 limiting the height and bulk of buildings, providing the minimum size of lot permitted by land use, providing the maximum density permitted and providing minimum yard setback requirements.
(Prior Code, § 9-3-4; Ord. No. 2555-08/09, 5-27-2007)
(a)
See the following tables providing the schedule of regulations:
Schedule of Regulations - R-E, R-1, R-2, R-3, and R-4 Districts
Schedule of Regulations - RT, RM-1, RM-2, and RM-3 Districts
Schedule of Regulations - RT, RM-1, RM-2, and RM-3 Districts
Schedule of Regulations - OS-1, P-1, B-1, B-2, B-3, I-1, I-2 and AG Districts
(b)
The following table provides footnotes to the schedule of regulations provided for in Subsection (a) of this Section:
Footnotes to Schedule of Regulations
(c)
See the following diagrams pertaining to the schedule of regulations:
Schedule of Regulations Diagram
(Prior Code, § 9-9-1; Ord. No. 2543-OA, 12-10-2007; Ord. No. 3001-21-22, § 5, 7-26-2021)
The intent of this Section is to permit the subdivider or developer to vary his lot sizes and lot widths so as to average the minimum size of lot per unit as required in Section 4-3-7-1 for each one-family residential district. If this option is selected, the following conditions shall be met:
(1)
In meeting the average minimum lot size, the subdivision shall be so designed as not to create lots having an area or width greater than ten percent below that area or width required in Section 4-3-7-1 shall not create an attendant increase in the number of lots.
(2)
Each final plat submitted as part of a preliminary plat shall average the minimum required for the district in which it is located.
(3)
All computations showing lot area and the average resulting through this technique shall be indicated on the print of the preliminary plat.
(Prior Code, § 9-9-2)
(a)
Intent. The intent of the subdivision open space plan is to promote the following objectives:
(1)
Provide a more desirable living environment by preserving the natural character of open fields, stands of trees, brooks, hills and similar natural assets.
(2)
Encourage developers to use a more creative approach in the development of residential areas.
(3)
Encourage a more efficient, aesthetic and desirable use of open area while recognizing a reduction in development costs and allowing the developer to bypass natural obstacles on the site.
(4)
Encourage the provision of open space within reasonable distance to all lot development of the subdivision and to further encourage the development of recreational facilities.
(b)
Modifications to standards. Modifications to the standards as outlined in Section 4-3-7-1 may be made in the one-family residential districts when the following conditions are met:
(1)
The lot area in all R-1, R-2 and R-3 Residential Districts which are served by a public sanitary sewer system may be reduced up to 20 percent. In the R-1 District, this reduction may be accomplished in part by reducing lot widths up to ten feet. In the R-2 and R-3 Districts, this reduction may be accomplished in part by reducing lot widths up to five feet. These lot area reductions shall be permitted, provided that the dwelling unit density shall be no greater than if the land area to be subdivided were developed in the minimum square foot lot areas as required for each one-family district under Section 4-3-7-1. All calculations shall be predicated upon the one-family districts having the following gross densities (including roads):
a.
R-1: 3.2 dwelling units per acre.
b.
R-2: 3.6 dwelling units per acre.
c.
R-3: 4.1 dwelling units per acre.
(2)
Rear yards may be reduced to 30 feet when such lots border on land dedicated for park, recreation and/or open space purposes; provided, that the width of said dedicated land shall not be less than 100 feet measured at the point at which it abuts the rear yard of the adjacent lot.
(3)
Under the provisions of Subsection (b)(1) of this Section, for each square foot of land gained within a residential subdivision through the reduction of lot size below the minimum requirements as outlined in Section 4-3-7-1, at least equal amounts of land shall be dedicated to the common use of the lot owners of the subdivision in a manner approved by the City.
(4)
The area to be dedicated for subdivision open space purposes shall in no instance be less than four acres and shall be in a location and shape approved by the Zoning Board of Appeals.
(5)
The land area necessary to meet the minimum requirements of this Section shall not include bodies of water, swamps or land with excessive grades making it unsuitable for recreation. All land dedicated shall be so graded and developed as to have natural drainage. The entire area may, however, be located in a floodplain.
(6)
This plan for reduced lot sizes shall be permitted only if it is mutually agreeable to the legislative body and the subdivider or developer.
(7)
This plan for reduced lot sizes shall be started within six months after having received approval of the final plat and must be completed in a reasonable time. Failure to start within this period shall void all previous approval.
(8)
Under this planned unit approach the developer or subdivider shall dedicate the total park area (see Subsection (b)(1) of this Section) at the time of filing of the final plat on all or any portion of the plat.
(Prior Code, § 9-9-3)
(a)
Minimum requirements; conflict with existing agreements. In the interpretation and application, the provisions of this Article shall be held to be minimum requirements adopted for the promotion of the public health, morals, safety, comfort, convenience or general welfare. It is not intended by this Article to repeal, abrogate, annul or in any way to impair or interfere with any existing provision or law or ordinance other than this Article, which is the zoning ordinance, or with any rules, regulations or permits previously adopted or issued or which shall be adopted or issued pursuant to the law regulating the use of buildings or premises; provided, however, that where this Article imposes a greater restriction than is required by existing ordinances or by rules, regulations or permits, the provisions of this Article shall control.
(b)
Relationship with other laws. Whenever any provision of this Article imposes more stringent requirements, regulations, restrictions or limitations than are imposed or required by the provisions of any other law or ordinance, then the provisions of this Article shall govern. Whenever the provisions of any other law or ordinance impose more stringent requirements than are imposed or required by this Article, then the provisions of such ordinance shall govern.
(Prior Code, § 9-10-1)
No building or structure, or part thereof, shall hereafter be erected, constructed or altered and maintained, and no new use or change to any building, structure or land, or part thereof, shall be made or maintained except in conformity with the provisions of this Article.
(Prior Code, § 9-10-2)
Accessory uses and buildings, except as otherwise permitted in this Article, shall be subject to the following regulations:
(1)
Where the accessory building is structurally attached to a main building, it shall be subject to, and must conform to, all regulations of this Title applicable to the main building.
(2)
Accessory buildings shall not be erected in any minimum side yard setback nor in any front yard.
(3)
An accessory building shall not occupy more than 25 percent of a required rear yard, provided that, in a residential district, the accessory building shall not exceed the greater of 500 square feet or 75 percent of the ground floor area of the main building.
(4)
No detached accessory building shall be located closer than ten feet to any main building nor shall it be located closer than three feet to any side or rear lot line. Exception: In an R-4 Zoning District, any side or rear yard setback from the lot lines may be two feet. In those instances where the rear lot line is conterminous with an alley right-of-way, the accessory building shall not be closer than one foot to such rear lot line. In no instance shall an accessory building be located within a dedicated easement right-of-way.
(5)
Detached accessory buildings may go to the same height as the main building or structure on said property.
(6)
No garage that is an accessory building may be erected prior to obtaining an electrical permit for such garage. The application for such electrical permit shall be submitted with the application for a building permit.
(7)
When an accessory building is located on a corner lot, the side lot line of which is substantially a continuation of the front lot line of the lot to its rear, said building shall not project beyond the front yard setback required on the lot to the rear of such corner lot. In no instance shall an accessory building be located nearer than ten feet to a street right-of-way line.
(8)
When an accessory building in any residence, business or office district is intended for other than the storage of private motor vehicles, the accessory use shall be subject to the approval of the Board of Appeals (see Section 4-3-2-1-1(b)).
(9)
Accessory uses, such as detached heating or cooling units, home television towers and similar accessory uses, shall be located only in the rear yard and shall meet all setback requirements of an accessory building.
(Prior Code, § 9-10-3)
(a)
Generally. Because the uses hereinafter referred to possess unique characteristics making it impractical to include them in a specific use district classification, they may be permitted by the Council under the conditions specified, and after public hearing and after a recommendation has been received from the Zoning Board of Appeals. In every case, the uses hereinafter referred to shall be specifically prohibited from any residential districts unless otherwise specified.
(b)
Uses with special consideration. These uses require special consideration since they service an area larger than the City or require sizable land areas, creating problems of control with reference to abutting use district. Reference to those uses falling specifically within the intent of this Section is as follows:
(1)
Outdoor theaters. Because outdoor theaters possess the unique characteristics of being used only after darkness and since they develop a concentration of vehicular traffic in terms of ingress and egress from their parking area, they shall be permitted in I-2 Districts only. Outdoor theaters shall further be subject to the following conditions.
a.
The proposed internal design shall receive approval from the Building Inspector and the City Engineer as to adequacy of drainage, lighting and other technical aspects.
b.
Outdoor theaters shall abut a major thoroughfare and points of ingress and egress shall be available only from such major thoroughfare.
c.
All vehicles standing or waiting to enter the facility shall be provided off-street waiting space. No vehicle shall be permitted to wait or stand within a dedicated right-of-way.
d.
The area shall be so laid out as to prevent the movie screen from being viewed from residential areas or adjacent major thoroughfares. All lighting used to illuminate the area shall be so installed as to be confined with, and directed onto, the premises of the outdoor theater site.
(2)
Mobile home parks. Mobile home parks may be permitted in B-3 General Business Districts by the City Council, after having received the recommendation of the Zoning Board of Appeals and after it finds the use as not being contrary to the spirit and purpose of this Article and subject further to the following requirements and conditions:
a.
The land parcel being proposed for a mobile home park shall be of such land area as to provide for a minimum of at least 25 mobile homes sites and shall not exceed a maximum of 75 sites.
b.
Mobile home sites shall contain a minimum area of at least 3,000 square feet. All such mobile home site areas shall be computed exclusive of service drives, facilities and recreation space.
c.
All mobile home parks shall have access to major thoroughfares within the City by directly abutting thereon. Frontage on said thoroughfare shall be equal to at least 300 feet in width.
d.
A wall or fence, four feet, six inches in height, shall be provided on all sides of the mobile home park with the exception of that portion providing ingress and egress to the site.
e.
An open area shall be provided on each mobile home lot to ensure privacy, adequate natural light and ventilation to each home and to provide sufficient area for outdoor uses essential to the mobile home. All lots shall contain a minimum area of at least 3,000 square feet. All such trailer site areas shall be computed exclusive of service drives, facilities and recreation space.
f.
The sum of the side yards at the entry side and nonentity side of a mobile home stand shall be not less than 20 feet; provided, however, there shall be a side yard of not less than 15 feet at the entry side of the mobile home stand and a side yard of not less than five feet at the nonentity side of the mobile home stand. There shall be a rear yard of not less than five feet at the rear end of the stand and a front yard of not less than ten feet at the front end of the mobile home stand. For irregularly shaped side yards, the sum is determined as the sum of the average width of each side yard, provided that required minimums above are maintained at all points in the side yard.
g.
No mobile home shall be located closer than 50 feet to the right-of-way line of a major thoroughfare or 20 feet to any mobile home park property line.
h.
No building or structure hereafter erected or altered in a mobile home park shall exceed one story or 14 feet.
i.
All mobile home park developments shall further comply with all codes and ordinances of the City and the State of Illinois.
(3)
Racetracks (including midget auto and karting tracks). Because race tracks develop a concentration of vehicular traffic in terms of ingress and egress from their parking areas and cause noise levels which may project beyond the property so used, they shall be permitted in the I-1 Districts when located adjacent to a major thoroughfare and shall be located on a parcel of land which is abutting land zoned for industrial purposes on all sides of the parcel in question, and shall be subject, further, to the following conditions and such other controls as deemed necessary to promote health, safety and general welfare in the City:
a.
All parking shall be provided as off-street parking within the boundaries of the development.
b.
All access to the parking areas shall be provided from a major thoroughfare.
c.
All sides of the development not abutting a major thoroughfare shall be provided with a 20-foot greenbelt planting and fence or wall so as to obscure from view all activities within the development. Said planting shall be in accordance with Section 4-3-8-6.
(4)
Farms. Farms on those parcels of land having an area of not less than 160 acres, all subject to the heath and sanitation provisions of the City, and provided further, farms, with said livestock being limited to a density of one cattle per five open, uncovered acres on a tract of land, and that no farms shall be operated as piggeries or for the disposal of garbage, sewage, rubbish, offal or rendering plants or for the slaughtering of animals.
(Prior Code, § 9-10-4; Ord. No. 2542-OA, 12-10-2007; Ord. No. 3001-21-22, § 5, 7-26-2021)
No use otherwise allowed shall be permitted within any use district which does not conform to the following standards of use, occupancy and operation, which standards are hereby established as the minimum requirements to be maintained within said area:
(1)
Open storage. The open storage of any equipment and all materials, including wastes, shall be screened from abutting residential property by an enclosure consisting of an obscuring wall or fence not less than six feet high or by a ten-foot-wide greenbelt planting not less than six feet high. The obscuring fence may be eliminated where such fence will interfere with traffic movement on public streets or thoroughfares.
(2)
Glare and radioactive materials.
a.
Glare from any process (such as or similar to arc welding or acetylene torch cutting) which emits harmful rays shall be performed in such a manner as not to extend beyond the property line and as not to create a public nuisance or hazard along lot lines.
b.
Radioactive materials and wastes, including electromagnetic radiation such as through X-ray machine operation, shall not be emitted to exceed quantities established as safe by the U.S. Bureau of Standards when measured at the property line.
(3)
Noise. Objectionable sounds of an intermittent nature shall be controlled so as not to become a nuisance to adjacent uses.
(4)
Fire and explosive hazards.
a.
The storage, utilization or manufacture of materials or products ranging from incombustible to moderate burning, as determined by the Fire Chief, is permitted, subject to compliance with all other performance standards mentioned in this Section.
b.
The storage, utilization or manufacture of materials, goods or products ranging from free or active burning to intense burning, as determined by the Fire Chief, is permitted, subject to compliance with all other yard requirements and performance standards mentioned in this Section, and provided that the following conditions are met:
1.
Said materials or products shall be stored, utilized or produced within completely enclosed buildings or structures having incombustible exterior walls which meet the requirements of the Building Code of the City.
2.
All such buildings or structures shall be set back at least 40 feet from lot lines, and all such buildings or structures shall be protected throughout by an automatic sprinkler system complying with installation standards prescribed by the National Fire Association.
(5)
Grading. Grading, as it relates to residential structures, shall be so developed as to drain surface water away from residential dwellings. A minimum slope of one-fourth inch in one foot shall be provided.
(Prior Code, § 9-10-5)
(a)
Site plan.
(1)
Whenever a greenbelt or planting screen is required under the provisions of this Article, a site of the parcel to be developed, together with a detailed planting plan of said greenbelt, shall be submitted to the Site Plan Review Committee for approval prior to the issuance of a building permit. The site plan shall indicate, to scale, the proposed location and height of buildings and other structures, the location of public walks, roadways and utilities and the proposed location of off-street parking, loading, service and outside storage areas and points of ingress-egress to the site. The planting plan shall indicate, to scale, the location, spacing, starting size and description for each unit of plant material proposed for use within the required greenbelt area, together with the finished grade elevations proposed therein.
(2)
The Site Plan Review Committee shall review said planting plan relative to:
a.
The proper spacing, placement and location of plant materials relative to the length and width of greenbelt so as to ensure that the required horizontal and vertical obscuring effect of proposed land uses will be achieved.
b.
The choice and selection of plant materials so as to ensure that the root system will not interfere with public utilities and that fruit and other debris (other than leaves) will not constitute a nuisance within public rights of way or to abutting property owners.
c.
The proposed relationship between deciduous and evergreen plant materials so as to ensure that a maximum obscuring effect will be maintained throughout the various seasonal periods.
d.
The size of plant material (both starting and ultimate) to ensure adequate maturity and optimum screening effect of proposed plant materials.
(b)
Landscaping requirements and standards.
(1)
Applicability. The landscaping requirements as set forth shall apply to all zoning districts as specified herein, including overlay districts. All landscaping plans are subject to review, comment, and, where appropriate, modification by the Zoning Administrator, Site Plan Review Committee or Zoning Board of Appeals.
(2)
Performance standards. All landscape plans shall fully meet the following performance standards in order to receive approval from the Site Plan Review Committee:
a.
Landscaping shall not hinder the vision of motorists and pedestrians necessary for safe movement into, out of, and within the site.
b.
Landscaping materials shall be selected and placed in such a manner that they do not interfere with or damage existing utilities.
c.
Landscaping materials shall be selected and placed so that the safe and enjoyable use of surrounding properties is not inhibited.
d.
Landscaping shall be selected and placed with a sensitivity toward the ultimate size that will be achieved over time.
e.
Landscaping with thorns, berries, and other harmful plant characteristics shall be carefully placed to avoid potential harm to people or property on- or off-site.
f.
Weak wooded trees shall only be used where limb breakage will not cause harm to property or life.
(3)
Parking lot landscaping.
a.
When a parking lot has less than 75 parking spaces, landscaping as required may be placed either within interior curbed parking islands and/or within ten feet of the perimeter of the parking lot.
b.
When a parking lot has 75 or more parking spaces, a portion of landscaping shall consist of shade trees or other vegetation, planted in curbed islands within the interior of the parking lot. The intent of this provision is to break up large expanses of pavement and to provide shading by locating shade trees away from the perimeter and within the interior of parking lots. Parking lot islands shall be curbed with concrete or a functionally equivalent material that must be approved by the Zoning Administrator and/or Site Review Committee.
c.
The minimum area for planting any types of trees within parking lots shall not be less than 100 square feet. Trees shall not be planted in any area with a width of less than five feet. Evergreen trees shall not be planted in an area with a width of less than ten feet. Shrubs shall not be planted in areas with a width of less than three feet. When plants are proposed to be planted within curbed islands or adjacent to curbs, the width of such planting areas shall be measured from inside of curbs. The locations of the parking lot landscaping will be subject to review by the Site Review Committee or Zoning Board of Appeals. All plant materials shall be in compliance with Subsection (b)(6)b. of this Section.
d.
All parking setback or perimeter areas with a width of less than five feet shall consist of grass, earthen berms, plantings, trees, decorative rock or bark chips.
e.
All parking setback or perimeter areas with a width of five feet or more and abutting public right-of-way shall have one tree, three-inch caliper, planted every 20 to 30 linear feet of setback area in addition to grass, bushes, plantings, decorative rock or bark chips.
1.
The minimum spacing between trees shall be 20 feet.
2.
Tree planting requirements may be satisfied by planting trees in the right-of-way with approval of the Zoning Board of Appeals or Site Review Committee.
3.
Alternate landscaping, including shrubs, may be substituted for tree planting requirements upon submission of a plan and approval by the Zoning Board of Appeals, or by Site Review Committee.
4.
Earthen berms shall be grass or wood chip covered and be a minimum of 2½ feet in height from surrounding grade.
f.
For commercial off-street parking areas of 75 spaces or more, a minimum of five percent of such gross parking area shall consist of interior landscaped islands.
1.
Each interior landscaped island shall have a minimum of one tree in addition to grass, plantings, bushes, decorative rock, bark chips or mulch.
2.
The minimum dimensions of a landscaped interior island shall be ten feet in width by ten feet in length.
3.
Such islands shall be evenly disbursed and placed to assist traffic flow within the parking area.
(4)
Transitional buffer requirement.
a.
All nonresidential zoning lots which abut, or in the absence of an alley would abut any residential zoning lot or district, shall be required to provide a transitional buffer. Multiple family zoning lots containing more than two dwelling units which abut, or in the absence of an alley would abut any single-family district are also required to provide a buffer.
b.
It is the responsibility of the property owner and/or tenant to ensure that buffering landscaping and trees are maintained in good condition as to present a healthy, neat, and orderly appearance.
1.
Trees planted under this Section must be cultivated nursery stock with straight trunks not less than the heights outlined within Subsection (b)(6)b. of this Section, with a minimum three-inch caliper.
2.
Trees and landscaping shall be designed and placed to prevent damage by vehicles.
3.
Trees and landscaping shall be replaced within no later than 30 calendar days if damaged or removed. Failure to do so will be considered a fineable offense under this Code.
4.
Trees shall be placed in such location and/or of a limited growth species so as to prevent interference with any existing or potential future overhead utility lines.
5.
Any shrub treatment used for screening shall be in the form of a deciduous hedge, in a continuous alignment, spaced three feet on center, with a height of three feet at the time of planting.
6.
Earthen berms used as buffers shall meet the same standards as for parking setback areas.
7.
No traditional buffer area shall be less than eight feet in width.
8.
In those cases where the residential zoning lot adjoining or across the alley from the subject nonresidential zoning lot has been developed other than single or duplex residential, the Site Plan Review Committee or Zoning Board of Appeals, shall have the authority to reduce the buffer requirements. This authority may be exercised when the Site Plan Review Committee or Zoning Board of Appeals determine that the proposed reduction will not have a negative impact on the subject residential lot.
(5)
Maintenance. It shall be the responsibility of the lessee and/or owner of the principal use or building to maintain, in a neat, clean, and adequate manner, the parking area, access ways, striping, landscaping, setback area, buffer zones, berms, and/or required fences. Failure to do so, and to remedy any perceived violations, within 30 calendar days of receipt of written notice from the City, shall be considered a fineable offense under this Code.
a.
The required greenbelt or planting screen shall be planted with permanent living plant materials within six months from the date of occupancy and shall thereafter be maintained in presentable condition and shall be kept free from refuse and debris; provided, further, that all plant materials shall be continuously maintained in a sound, healthy and vigorous growing condition and shall be kept free of all diseases and insect pests.
b.
All fences, walls and other barriers shall be maintained in good repair, meaning structurally sound and attractive in appearance. All fences, required or otherwise, having exposed horizontal and vertical structural members of a fence, shall be located on the inside of the property that they are intended to fence.
(6)
Plant material.
a.
Plant selection. Plant materials provided in conformance with the provisions of this Section shall be capable of withstanding the extremes of individual site microclimates.
b.
Suggested plant materials.
1.
Evergreen trees.
(i)
Minimum five feet in height.
(ii)
Juniper.
(iii)
Hemlock.
(iv)
Fir.
(v)
Pine.
(vi)
Spruce.
(vii)
Douglas-Fir.
2.
Narrow evergreens.
(i)
Minimum two feet in height.
(ii)
Column Hinoke Cypress.
(iii)
Blue Columnar Chinese Juniper.
(iv)
Pyramidal Red-Cedar.
(v)
Swiss Stone Pine.
(vi)
Irish Yew.
(vii)
Douglas Arbor Vitae.
(viii)
Columnar Giant Arbor Vitae.
3.
Tree-like shrubs.
(i)
Minimum four feet in height.
(ii)
Mountain Ash.
(iii)
Dogwood.
(iv)
Redbud.
(v)
Rose of Sharon.
(vi)
Hornbean.
(vii)
Magnolia.
4.
Deciduous shrubs. Should be a minimum of two feet in height.
5.
Large deciduous shrubs.
(i)
Minimum six feet in height.
(ii)
Honeysuckle.
(iii)
Virburnum.
(iv)
Mock-Orange.
(v)
Ninebark Forsythia.
(vi)
Cottoneactes Lilac.
(vii)
Hazelnut.
(viii)
Euonymus.
(ix)
Privet.
(x)
Buckthorn.
(xi)
Aumac.
6.
Large deciduous trees.
(i)
Minimum eight feet in height.
(ii)
Oak.
(iii)
Hard Maple.
(iv)
Birch.
(v)
Ginkgo.
(vi)
Beech.
(vii)
Sweet-Gum.
(viii)
Honey Locust.
(ix)
Linden.
(x)
Hop Hornbeam.
(xi)
Red Bud.
(xii)
Ash.
c.
Prohibited trees. The following weak-wooded and generally undesirable trees, for urban conditions, shall be prohibited for use in meeting any of the requirements of this Section:
(i)
Ailanthus (Tree of Heaven).
(ii)
Box Elder.
(iii)
Mulberry.
(iv)
Poplar.
(v)
Purple-leaf Plum.
(vi)
Siberian El.
(vii)
Silver Maple.
(viii)
Willow.
(ix)
Hackberry.
(x)
Sycamore.
(c)
Transition details. See the following graphic for transition details:
Transition Details For Greenbelts and Plants
(Prior Code, § 9-10-6; Ord. No. 1568, 1-27-1986; Ord. No. 3001-21-22, § 5, 7-26-2021)
(a)
Walls.
(1)
Required walls.
a.
For those use districts and uses listed below, there shall be provided and maintained, on those sides abutting or adjacent to a residential district, an obscuring wall as required below (except otherwise required in Subsection (a)(1)d. of this Section).
Required Walls
b.
Required walls shall be located on the lot line except where underground utilities interfere, except in instances where this Article requires conformance with front yard setback lines in abutting residential districts. Upon review of the site plan, the Zoning Board of Appeals or the City staff may approve an alternate location for the wall or may waive the wall requirement if, in specific cases, it would not serve the purposes of screening the parking area effectively. Required walls may, upon approval by City staff, be located on the opposite side of an alley right-of-way from a nonresidential zone that abuts a residential zone when mutually agreeable to affected property owners. The continuity of the required wall on a given block will be a major consideration of the City staff.
c.
1.
Such walls and screening barriers shall have no openings for vehicular traffic or other purposes, except as otherwise provided in this Article, except such openings as may be approved by the Chief of Police and the Building Inspector. All walls herein required shall be constructed of materials approved by the Building Inspector to be durable, weather-resistant, rustproof and easily maintained, and wood or wood products shall be specifically excluded.
2.
Masonry walls may be constructed with openings which do not in any square section (height and width) exceed 20 percent of the surface. Where walls are so pierced, the openings shall be so spaced as to maintain the obscuring character required and shall not reduce the minimum height requirement. The arrangement of the openings shall be reviewed and approved by the Building Inspector.
d.
The requirement for an obscuring wall between off-street parking areas, outdoor storage areas and any abutting residential district shall not be required when such areas are located more than 200 feet distant from such abutting residential district.
e.
The City staff may waive or modify the foregoing requirements where cause can be shown that no good purpose would be served, provided that in no instance shall a required wall be permitted to be less than four feet, six inches in height, except where Section 4-3-8-12 applies.
1.
In consideration of request to waive wall requirements between nonresidential and residential districts, the Zoning Board of Appeals or City staff shall make the determination as to whether or not the residential district is considered to be an area in transition and will become nonresidential in the future.
2.
In such cases as the Zoning Board of Appeals or City staff determines the residential district to be a future nonresidential area, they can temporarily waive wall requirements for an initial period not to exceed 12 months. Granting of subsequent waivers shall be permitted, provided that the Zoning Board of Appeals or City staff make a determination as hereinabove described for each subsequent waiver prior to the granting of such waiver.
3.
See the following graphic for transition details:
Transition Details of Berms
Transition Details of Walls
(2)
Required berms.
a.
Required berms shall be constructed as landscaped earth mounds with a crest area at least four feet in width. The exterior face of the berm shall be constructed as an earthen slope. The interior face of the berm may be constructed as an earthen slope or retained by means of a wall, terrace or other means acceptable to the Building Inspector. Wherever an earthen slope is provided, it shall be constructed with an incline not to exceed one foot of vertical rise to three of horizontal distance.
b.
Berm slopes shall be protected from erosion by sodding or seeding. If slopes are seeded, they shall be protected with a straw mulch held in place by jute netting until the seed germinates and a permanent lawn is established. The straw mulch is not required if the seeded slope is protected by a net that is specifically designed to control erosion. The berm area shall be kept free from refuse and debris and shall be planted with shrubs, trees or lawn and shall be maintained in a healthy, growing condition.
A planting plan and grading shall be prepared for the berm and shall be reviewed by the Zoning Board of Appeals. Plant materials within the berm area shall be installed in accordance with the requirements for greenbelts and plant materials contained herein (see Section 4-3-8-6).
(3)
Prohibited materials. Walls and screening barriers shall not be constructed of sheet metal or of used materials and may be subject to the review by the Zoning Board of Appeals as to the appropriateness of materials for such wall or screening at the discretion of the Building Inspector.
(b)
Fences. Fences are permitted or required subject to the following:
(1)
Height and location.
a.
Fences on all lots of record in all districts which enclose property and/or are within a required side or rear yard shall not exceed six feet in height, measured from the surface of the ground, and shall not extend toward the front of the house or the required minimum front yard, whichever is greater. On corner lots, fences shall not extend toward the front or side yard facing the street nearer than the required minimum front yard setback on both the front and side yard. Exposed horizontal and vertical structural members of a fence shall be located on the inside of the property that they are intended to fence.
b.
Fences which enclose public or institutional parks, playgrounds or public landscaped areas situated within an area developed with recorded lots shall not exceed eight feet in height, measured from the surface of the ground, and shall not obstruct vision to an extent greater than 25 percent of their total area.
c.
Ornamental fences not exceeding four feet in height are permitted in both front yards; provided the provisions of Subsection (b)(3) of this Section are complied with.
(2)
Barbed wire, razor wire and electric fences. Fences on lots of record shall not contain barbed wire, razor wire or electric current or charge of electricity, except that barbed wire which is located at least six feet above ground level may be used in I-1, I-2 and PUD Districts.
(3)
Vision obstruction. No fence, wall, shrubbery or other obstruction to vision above a height of 30 inches from the established street grades shall be permitted within the triangular area formed at the intersection of any street right-of-way lines by a straight line drawn between said right-of-way lines at a distance along each line of 25 feet from their point of intersection.
(4)
Compliance with provisions. Fences shall further comply with all applicable codes and ordinances of the City.
(5)
Exemptions. Recorded lots having a lot area in excess of two acres and a frontage of at least 200 feet and acreage or parcels not included within the boundaries of a recorded plat in all residential districts are excluded from these regulations.
Fence Setbacks
(Prior Code, §§ 9-10-7-1, 9-10-7-2; Ord. No. 3001-21-22, § 5, 7-26-2021)
(a)
Purpose. The purpose of this Title is to establish a comprehensive system of sign controls regarding the construction, installation, and maintenance of signs that will:
(1)
Promote and protect the health, safety, and welfare of the City of Pekin by ensuring the compatibility of signs with surrounding structures and land uses.
(2)
Create a more attractive business and economic climate by enhancing and protecting the orderly and effective display of signs and discourage sign clutter.
(3)
Protect the public from hazardous conditions that result from the indiscriminate use and placement of signs, structurally unsafe signs, signs that obscure the vision of pedestrians or motorists, and signs that compete or conflict with necessary traffic signals, government signs, and warning signs.
(Prior Code, § 9-10-8; Ord. No. 2392-OA, 10-25-2004; Ord. No. 2501-OA-06/07, 11-17-2006; Ord. No. 2575-OA, 11-24-2008; Ord. No. 2590-OA-09/10, 7-27-2009; Ord. No. 2628-OA-10/11, 5-24-2010; Ord. No. 2636-OA-10/11, 2-28-2011; Ord. No. 2916-20-21, § 2, 10-26-2020; Ord. No. 2925-20-21, § 2, 11-23-2020; Ord. No. 4002-22-23, § 2, 7-25-2022)
As used in this Section, the following terms shall have the following definitions:
A-frame or sandwich board. A temporary sign not permanently attached to the ground which is hinged at the top forming the letter A. Two-sided and usually displayed on the sidewalk or ground.
Air dancer tube. An inflatable moving advertising product comprising a long fabric tube (with two or more outlets), which is attached to and powered by an electrical fan. As the electrical fan blows air through the fabric tube, this causes the tube to move about in a dynamic dancing or flailing motion.
Animated. A sign or display that uses movement or the appearance of movement through the use of patterns of lights, changes in color or light intensity, computerized special effects, video displays or through any other method, except for the scrolling of a static message or scene onto or off a signboard in one direction per message.
Attention getting devices. Are pennants, streamers or inflatable characters or symbols.
Awning sign. A sign with copy painted or affixed flat to the surface of an awning which does not extend vertically or horizontally past the limits of the awning.
Balloon sign. An inflated sign that's attached to the ground or some other anchor and is not a free-floating conveyance.
Banner (wall mounted). A temporary sign printed upon flexible material mounted with or without rigid frames on a building or the ground.
Blade sign. A pedestrian oriented sign, adjacent to a pedestrian walkway or sidewalk, attached to a building wall, with the exposed face of the sign perpendicular to the building.
Canopy. A roofed structure constructed of permanent materials that is supported by columns and may be freestanding or attached to a building.
Changeable message board signs (manually). A sign designed where a portion of the sign allows for a message to be changed manually. A changeable message board does not include electronic message signs.
Decorative base. A base of a ground sign that is constructed out of, or affixed or adorned with, limestone, sandstone, granite, stone, or other similar material customarily used in landscaping.
Directional signs. Signs required for the purpose of orientation, when established by the City, County, State or Federal government, shall be permitted in all districts.
Electronic message signs. A sign designed where a portion of the sign area uses changing light emitting diodes (LEDs), fiber optics, light bulbs or other illumination devices within the electronic display panel to form a message in text and/or image from where the sequence of messages and the rate of change is electronically programmed and can be modified by electronic processes. Time/temperature signs are not considered electronic message signs. Flashing signs, animated signs, and video display signs are not considered electronic message signs.
Flags. A symbol or emblem of a country, state, municipality or of fraternal, religious or civic organizations. Usually made of cloth, typically rectangular in shape attachable on one edge to a pole or rope.
Flashing sign. A sign with an intermittent or sequential flashing light source used primarily to attract attention. Flashing signs do not include electronic message signs.
Ground sign. A sign that is placed on or supported by the ground, independent of the principal structure on the lot, designed with a monument base that is an integral part of the sign structure.
Informational sign. Signs containing information about public places of historic, cultural, scientific, educational, or religious sites, and areas of natural scenic beauty or naturally suited for outdoor recreation, considered to be in the interest of the traveling public.
Light pole banner. Banners mounted on poles perpendicular to the light post.
Marquee. A canopy projecting over the entrance of a theater, hotel or arena that may display attractions and principal performers.
Menu board signs. A permanently mounted structure displaying the bill of fare for a drive in or drive thru business.
Monument sign. See ground sign.
Moving sign. A sign where the entire sign structure or a portion of which rotates, moves, elevates, or in any way alters position or geometry. A tri-vision sign where triangular prisms rotate inside a frame to show a new message and/or information are considered moving signs. Moving signs do not include clocks or barber poles.
Multi-tenant sign. A commercial development under unified control consisting of two or more separate commercial establishments sharing a common building, or which are in separate buildings that share a common access/entranceway or parking area.
Neon sign. A source of light for externally lit street signs supplied by a neon tube that is bent to form letters, symbols, or other shapes.
Off-premises sign. A sign advertising a business, person, activity, goods, products, or services not located on the site where the sign is installed, or that directs persons to any location not on that site.
On-premises sign. A sign advertising a business, person, activity, goods, products, or services located on the site where the sign is installed, or that directs persons to any location not on that site.
Pennant. Any lightweight plastic, fabric or other material, whether or not containing a message of any kind, suspended from a rope, wire, or string, usually in series, designed to move in the wind.
Permanent sign. A sign permanently attached to the ground, wall or building that is intended to be displayed for an indefinite period of time.
Pole. A freestanding sign with visible support structure.
Portable reader. A sign whose principal supporting structure is intended, by design and construction, to rest upon the ground for support and may be easily moved or relocated for reuse. Portable reader-board signs include, but are not limited to, signs mounted upon a trailer, wheeled carrier, or other non-motorized mobile structure, with wheels or with wheels removed. Portable reader-board signs do not include A-frame signs.
Portable sign. Any sign that is not permanently anchored to a building, structure or permanently anchored in the ground and set in concrete to withstand 70-mile-an-hour winds.
Pylon. A type of ground sign that is affixed, attached, or erected on one or more poles, uprights, or braces from the ground and not supported by a building or a base structure.
Real estate sign. Signs used for advertising land or buildings for rent, lease and/or sale. Real estate signs shall be permitted only when located on the land or building intended to be rented, leased and/or sold.
Roof sign. A sign that is erected on the roof structure or parapet of any building with the principal support attached to the roof structure.
Sail/feather sign. An outdoor banner mounted to a pole used for attracting attention.
Scenic area. Any location within the city that is within 1,000 feet of a public recreation area or the locations so described within this Code.
Searchlight. An attention-getting device where high intensity light is reflected upward in a focused beam and can turn in any direction to attract attention to a location. Also known as skybeams or sky spotlights.
Security sign. Signs that notify visitors of security measures which may include signs such as No trespassing, private property, video monitored, etc.
Suspended sign. A sign suspended from the underside of the horizontal plane surface of an awning, canopy, cantilever, marquee, arcade or gallery. Under-awning signs are distinct from blade signs, which are attached to the structure.
Temporary sign. A sign not permanently attached to the ground, wall or building that is intended to be displayed for a limited period of time.
Video display. A sign, or portion of a sign, that displays an electronic video, whether prerecorded or streaming.
Vision triangle. A triangular area determined by a diagonal line connecting two points measured along the property lines of abutting streets 25 feet equidistant from the intersection of those property lines, so as to obstruct or obscure the vision of drivers of motor vehicles on either or both streets.
Wall sign. A sign that is attached directly to an exterior wall of a building and dependent upon a building for support and projects 18 inches or less from the wall of a structure with the exposed face of the sign in a plane substantially parallel to the face of the wall. Window signs are not considered wall signs.
Window sign. A sign that is attached to, placed upon, or printed on the interior or exterior of a window or door of a building, or displayed on the interior within two feet of a window intended for viewing from the exterior of such a building. A window sign may be either permanent or temporary. Shadowbox design within display windows, where the window display is designed with a background enclosure against which signs are mounted that blocks view into the establishment, is considered a window sign and the entire area of the shadowbox is subject to the maximum sign area limitation.
(Ord. No. 4002-22-23, § 2, 7-25-2022; Ord. No. 4241-24-25, § 2, 10-14-2024)
(a)
Conformance. All signs shall be approved by the Building Official and shall conform to all applicable Code and Ordinances of the City of Pekin.
(b)
Sign permit. No sign, unless specifically identified as exempt by this chapter may be erected, constructed, altered, or relocated without first applying for and receiving a permit.
(1)
Unless activity related to the erection, construction, alteration, or relocation of a sign has already commenced, all permits for the erection, construction, alteration, or relocation of any sign shall automatically expire on the 181st day after said permit was granted.
(c)
Variances. No sign may be erected, constructed, altered, or relocated that does not comply with the regulations of this Title unless a modification or variance is applied for and approved in accordance with this Section.
(1)
Authority. A sign variance may be authorized after a review by and recommendation from the Zoning Board of Appeals is forwarded to the City Council, who will make a final decision on an application. However, certain administrative modifications may be approved by the City Manager or his/her designee.
(2)
A sign variance may only be approved by the City Council. An administrative modification may be approved by the City Manager or his/her designee. Applications eligible for an administrative modification are defined in this Section.
(3)
Administrative modifications that may be approved by the City Manager or his/her designee are limited to the following:
a.
A modification to the maximum sign area or maximum sign height of no more than ten percent.
b.
Modifications or additions to the permitted sign materials.
c.
Modifications to the required sign landscape area and landscape materials.
d.
All other requests that are not administrative modifications are sign variances, where the Zoning Board of Appeals makes a recommendation, and the City Council makes a final decision.
(4)
Process. All applications for an administrative modification or sign variance must be filed with the Building Official as part of a complete sign permit application. Once it is determined that the application is complete, the Building Official will forward a copy of the application to the Zoning Administrator.
(5)
Administrative modification. The City Manager will approve, approve with conditions, or deny the requested administrative modification. The City Manager's decision must be based on evaluation of the application pursuant to the approval standards listed above.
(6)
The City Manager may also, at his/her discretion, determine that, because of its nature, a proposed administrative modification application, even if it meets the criteria of subsection (b) of this Section, must be resubmitted in accordance with the procedures for a sign variance with no additional fee.
(7)
If the City Manager denies the application for an administrative modification, the applicant may appeal the decision to the Zoning Board of Appeals, by resubmitting the application as a sign variance. For applications for administrative modification that sought relief enumerated in Section (c)(1), (2), and/or (3) above, no new fees for the sign variance are required. Appeals must be filed within 30 days of receipt of the City Manager's decision. In the event an application for administrative modification is denied because it sought relief that the City Manager is not authorized to grant, such denial is not appealable, but the applicant may, upon paying the requisite application fee, assert the same subject matter in a variance application.
(8)
Sign variance. Upon receipt of a completed variance application, the Zoning Board of Appeals will review the application and forward its recommendation to the City Council.
a.
The Zoning Board of Appeals recommendation and the City Council's decision must be based on an evaluation of the application pursuant to the approval standards of subsection (d) of this Section.
b.
The Zoning Board of Appeals may recommend, and the City Council may impose additional conditions and restrictions upon the location and construction of the sign as necessary to protect the public health, safety, and welfare.
c.
The City Council will consider the sign variance after receipt of the Zoning Board of Appeals recommendation. The City Council will approve, approve with conditions, or deny the sign variance.
(9)
Approval standards. Approval of an administrative modification or sign variance must be based on the evaluation of the request pursuant to the following approval standards:
a.
The proposed sign is compatible with the character of the surrounding area.
b.
The proposed sign is not detrimental to the development of the surrounding area.
c.
The proposed sign is not detrimental to the public health, safety, or welfare.
(10)
Expiration. The sign variance or administrative modification is considered part of the sign permit and is subject to the expiration provisions for the sign permit. A sign variance or administrative modification is issued for the specific sign on the specific site indicated on the sign permit. Once such sign is removed or replaced, the sign variance or administrative modification is null and void.
(d)
Sign surface area calculation.
(1)
The area within a frame and including the frame itself shall be used to calculate the square footage of the sign.
(2)
Should letters or graphics be mounted directly on a wall or facia or in any such way as to be without a frame, the dimensions, the dimensions for calculating the square footage shall be the area contained within the periphery formed around such letters or graphics bounded by straight lines connecting the outermost points the sign.
(3)
Only one side of a double-faced sign shall be used in calculating the total sign area, provided the information on both sides of the sign are exactly the same.
(Ord. No. 4002-22-23, § 2, 7-25-2022)
All signs constructed, erected, modified, or altered must comply with the following standards:
(1)
Prohibited installations.
a.
No sign may be erected in a location that violates the Building Code, Fire Code and other applicable City codes or ordinances.
b.
Only signs that have been placed by or authorized by Federal, State, or the City may be installed on public property. Any sign installed on public property including rights-of-way without prior authorization may be removed by the City without notice.
c.
No permanent sign may be erected on private property without the consent of the property owner or his/her authorized agent. When a sign permit applicant proposes to install a sign on property not owned by the applicant, written permission from the property owner or his/her authorized agent must be submitted as part of the sign permit application.
(2)
Construction standards.
a.
Supports and braces must be designed as an integral part of the overall sign and obscured from public view to the extent technically feasible.
b.
All signs attached to a building must be installed and maintained so that wall penetrations are watertight, and the structure does not exceed allowable stresses of supporting materials. To the greatest extent feasible, such penetrations should be located at joints of masonry units, or at locations of structural members of wood or other like constructed façades.
c.
All signs must be designed and constructed in compliance with the Building Code, Electrical Code, and all other applicable codes and ordinances.
d.
All permanent signs must be constructed of rigid, weather-proof materials, as determined by the Building Official.
e.
Glass comprising any part of a sign must be safety glass.
f.
All letters, figures, characters, or representations in cut-out or irregular form, maintained in conjunction with, attached to, or superimposed upon any sign must be safely and securely built into or attached to the sign structure.
g.
Audio components are prohibited on any sign, with the exception of menu boards. For menu boards, the audio component is limited to communication between the customer and service window.
h.
Electrical wiring:
1.
All electrical fixtures, devices, circuits, conduits, raceways, or similar features must be installed and maintained in compliance with the current Electrical Code as adopted by the City.
2.
Conduits and other components of a sign illumination system must be designed as an integral part of the overall sign structure and obscured from public view to the extent technically feasible.
(3)
Required maintenance.
a.
All signs must be kept in a safe and well-maintained condition and appearance and must be repainted or otherwise maintained by the property owner or business owner to prevent corrosion or deterioration caused by the weather, age, or any other condition.
b.
All signs must be maintained to prevent any kind of safety hazard, including faulty or deteriorated sign structures, a fire hazard, or an electrical shock hazard.
c.
All unused sign hardware or wiring must be removed. The Building Official will serve written notice to the permit holder and property owner that unused sign hardware or wiring must be removed within 30 days of written notice for permanent signs or 24 hours for temporary signs. If the unused sign hardware or wiring is not removed within the required time period, the Building Official may enforce this order through permitted enforcement procedures.
d.
If a sign is maintained in an unsafe or unsecured condition, it must be removed, or the condition corrected. The Building Official will serve written notice to the permit holder and property owner that the sign must be removed, or the condition corrected within 30 days of written notice for permanent signs or 24 hours for temporary signs. If the sign is not removed or the condition is not corrected within the required time period, the Building Official may enforce this order through permitted enforcement procedures.
e.
The City may remove any sign that is an immediate public peril to persons or property summarily and without notice.
(4)
Illumination standards.
a.
Any sign illumination, including gooseneck reflectors, external illumination, and internal illumination, must be designed, located, shielded, and directed to prevent the casting of glare or direct light upon roadways and surrounding properties, and prevent the distraction of motor vehicle operators or pedestrians in the public right-of-way.
b.
The sign face of internally illuminated signs must function as a filter to diffuse illumination. The sign face must cover all internal illumination components so that no exposed bulbs are visible.
c.
All external illumination of a sign must concentrate the illumination upon the printed area of the sign face.
d.
No sign illumination may be combined with reflective materials, such as mirrors, polished metal, or highly glazed tiles, which would increase glare.
e.
The use of neon or LED lighting as a sign accent is permitted only in the business, office, and industrial districts. When lit, lighting must be continuously illuminated. Flashing neon or LED lighting is prohibited.
f.
For all signs with the exception of electronic message signs, the maximum allowable foot-candle at the lot line is one foot-candle unless such signs are allowed to extend over the lot line, where the maximum of one foot-candle is measured at the back of curb or edge of pavement.
g.
For electronic message signs, the maximum brightness is limited to 5,000 nits when measured from the sign's face at its maximum brightness, during daylight hours, and 500 nits when measured from the sign's face at its maximum brightness between dusk and dawn, i.e., the time of day between sunrise and sunset. The sign must have an ambient light meter and automatic or manual dimmer control that produces a distinct illumination change from a higher allowed illumination level to a lower allowed level for the time period between one-half hour before sunset and one-half hour after sunrise.
(Ord. No. 4002-22-23, § 2, 7-25-2022)
(a)
Painted signs shall be permitted on walls or other structures, provided that the sign complies with the requirements for painted murals set forth in Section 4-3-8-8-15.
(b)
After 20 continuous years of a display, the owner of a painted sign may file an Application for Historical Status with the Tourism Committee. The fee for such application shall be $25.00. If after due inquiry the Tourism Committee determines that the painted sign has been continuously displayed for 20 years, the Tourism Committee shall recommend that the Council issue a written Certificate of Historical Status to the owner of the sign. Upon issuance of the Certificate of Historical Status, the owner of the sign shall be relieved of all maintenance obligations under subsection (a) above and Section 4-3-8-8-3(3)a.
(Ord. No. 4002-22-23, § 2, 7-25-2022)
The following signs shall be prohibited within the City:
(1)
Wall signs projecting above any roofline of a building or structure.
(2)
Signs painted on any wall other than those permitted by Section 4-3-8-8-4.
(3)
Signs using bare bulb lighting.
(4)
Signs using illuminated intermittent lighting or flashing effects.
(5)
Rotating or revolving signs.
(6)
Reflecting signs that cause glare and visibility problems to adjoining properties or vehicular traffic.
(7)
Signs or banners placed across any public right-of-way, except by permission of the City Council.
(8)
Displays upon any sign or any other advertising structure of any obscene material. For purposes of this subsection, "obscene" means speech which (1) under community standards, appeals to the prurient interest; (2) taken as a whole, is a patently offensive depiction or description of sexual conduct; and (3) lacks serious literary, artistic, political, or scientific value.
(9)
Any sign unlawfully installed, erected or maintained.
(10)
Business signs on trees or utility poles, whether public or private.
(11)
Signs erected or placed in the public right-of-way. The City may remove such signs, and the cost incurred shall be recoverable from the owner of the sign. A $10.00 per sign fee, to cover the resources of the City involved in the removal of the sign, shall be recoverable for each sign, from the owner of the sign. Any sign not claimed within 30 days shall be destroyed.
(12)
Roof signs.
(13)
Strobe lights, moving or fixed spotlights, floodlights/searchlights.
(14)
Obsolete copy and obsolete signs. For any sign that becomes obsolete after the effective date of this Title, all obsolete copy must be removed within 30 days of the discontinuance of the activity that is the subject of such copy. Compliance with the requirement to remove obsolete copy is not satisfied by reversing (i.e., turning such copy so that it faces inward), rotating, altering, covering, or otherwise hiding or obfuscating such copy. In the case of obsolete copy upon panels within a sign frame, such panels must be removed and replaced with a blank panel or panel with lawfully approved copy. No sign frame may remain unfilled or allow any internal part or element of the sign structure to be visible.
(15)
Signs shall not make use of the words STOP, LOOK, DETOUR, DANGER, CAUTION, WARNING, or any other word, phrase, symbol, or character in a manner that misleads, interferes with, or confuses traffic.
(16)
Video display signs.
(17)
Vehicle signs on unlicensed, uninsured or inoperable vehicles that are placed on the vehicle for the primary purpose of attracting attention to an occupant's presence within a building at which the vehicle is being parked. This does not include signs painted on or applied to vehicles, trucks or busses that are being operated and stored in the normal course of business, such as signs located on delivery trucks, moving vans and rental trucks, provided that the primary purpose of such vehicles is not the display of such sign and that they are parked or stored in areas related to their use as vehicles and all such vehicles are in operable condition. Vehicles displaying a for sale sign are exempt from this provision.
(Ord. No. 4002-22-23, § 2, 7-25-2022)
Notwithstanding the provisions of this Division, the following signs shall not require a permit:
(1)
Bulletin boards not over 20 square feet in area for religious institutions, when the same are located on the premises of said institutions; provided, however, if said signs are electrically illuminated, an electrical permit must be obtained.
(2)
Memorial signs or tablets, names of buildings and date of erection, when cut into any masonry surface or when constructed of bronze or aluminum.
(3)
Traffic or other municipal signs, legal notices, danger and such temporary emergency or non-advertising signs as may be approved by the City.
(4)
Signs advertising the rental, sale or lease of the property upon which it is located.
(5)
A-frame or sandwich board signs are permitted in the business districts, subject to the following:
a.
One A-frame sign is permitted per establishment, including one for each tenant in a multi-tenant development. A minimum 15-foot separation is required between all A-frame signs.
b.
An A-frame sign must be placed within 15 feet of the primary entrance of the business and must not interfere with pedestrian traffic or violate standards of accessibility as required by the ADA or other accessibility codes.
c.
A-frame signs are limited to six square feet in area per side and three feet in height.
d.
The placement of A-frame signs outdoors is limited to business hours only. A-frame signs must be stored indoors at all other times.
e.
A-frame signs must not be used outdoors when high winds, heavy rain, or snow conditions exist.
f.
Illumination of A-frame signs is prohibited. No A-frame sign may have any type of electronic component.
(6)
Construction activity sign. On a lot where active construction is taking place, one temporary sign is permitted in conjunction with such construction and may identify the proposed use for the property and the contractors involved in the construction subject to the following:
a.
Construction activity signs are permitted in all zoning districts on all sites with active construction projects.
b.
Construction activity signs may be installed only after approval of a building permit for such activity and shall be removed as follows:
1.
Signs for additions, alterations, or repairs to existing structures the sign shall be removed after 90 days or when the permit expires, whichever occurs first.
2.
Signs for new construction the signs shall be removed prior to the final inspections or when the permit expires, whichever occurs first.
c.
Construction activity signs may be either freestanding signs, wall mounted signs or installed on accessory structures such as fences and are subject to the following:
1.
Signs are limited to 16 square feet in area for construction sites for individual single-family or two-family dwellings and for any site of less than one acre in lot area. Construction activity signs are limited to 32 square feet in area for all other construction sites.
2.
Freestanding construction activity signs are limited to seven feet in height and must be located not less than five feet from any lot line.
d.
Construction activity signs shall not be illuminated.
(7)
Real estate activity sign. When a structure or lot is offered for sale, lease, or rent, such lot is permitted an additional temporary sign as follows:
a.
Real estate activity signs are permitted in all districts. Real estate signs must be located on the site of the property for sale, lease, or rent.
b.
Real estate signs are limited to one per street frontage.
c.
Real estate activity signs may be constructed as either freestanding, wall, or window signs.
d.
Real estate activity signs are limited to 12 square feet in area in residential districts and 32 square feet in all other districts.
e.
Freestanding signs are limited to five feet in height and must be located within five feet from any lot line.
f.
Real estate activity signs may not be illuminated.
g.
Real estate activity signs must be removed within five days of final closing, lease, or rental. If such real estate signs are used in conjunction with a promotional event related to the sale, lease or rent, such signs may be installed 48 hours prior to the event and must be removed within 24 hours of the end of the event.
(8)
Window sign. Window signs are permitted in all districts, except that signs containing illumination of any kind, including but not limited to LED lighting, shall not be permitted in residential zones.
a.
All window signs, whether temporary or permanent, are limited to no more than 30 percent of the surface of each window area. Window area is counted as a continuous surface until divided by an architectural or structural element. Mullions are not considered an element that divides window area.
b.
Up to five percent of window area may be illuminated, including any neon or LED sign, but this area is included in the maximum total area of 30 percent. Flashing or animation is prohibited.
(9)
Signs in residential zones. Flags and temporary signs shall be permitted, subject to the following limitations:
a.
Flags and temporary signs shall be permitted in residential zones so long as the flag or temporary sign does not exceed 12 square feet in area.
(Ord. No. 4002-22-23, § 3, 7-25-2022)
(a)
Air dancer tubes. Air dancer tubes shall be allowed with a permit, subject to the following restrictions:
(1)
No business or establishment shall be granted a permit for more than one air dancer tube at any given time.
(2)
Air dancer tubes may not be installed in a manner that intrudes or encroaches upon any public right-of-way.
(3)
Air dancer tubes must be set back from all adjacent or adjoining streets or roadways in a distance equal to the air dancer tube's height.
(b)
Attention-getting device. Attention-getting devices are permitted for non-residential uses in non-residential districts.
(1)
Each establishment may have one freestanding and one wall-mounted attention-getting device installed or mounted simultaneously.
(2)
Attention-getting devices are limited to the following display periods:
a.
When the attention-getting device advertises an event that has a specific start and end time: a total display period of 30 days prior to the start of the event, the time period of the event, and three days following the end of the event.
b.
All other attention-getting device advertisements (non-time specific): 30 days.
(3)
A maximum of four display periods per year is permitted with a minimum of 30 days between displays.
(4)
Attention-getting devices for multi-tenant sites are subject to the following rules:
a.
The display period and separation period apply to each establishment individually rather than the site as a whole.
b.
For multi-tenant sites, the property owner(s) and/or tenants must coordinate display of attention-getting devices among tenants.
(5)
Freestanding attention-getting devices are subject to the following:
a.
One freestanding attention-getting device is allowed for every 15 feet of street frontage. There must be a 15-foot separation between freestanding attention-getting devices.
b.
Freestanding attention-getting devices are limited to a maximum of 15 feet and 32 square feet in area.
c.
Freestanding attention-getting devices must be located a minimum of five feet from a lot line, as measured from the outermost portion of the sign. No part of a freestanding attention-getting device may extend over the lot line.
(6)
Wall mounted attention-getting devices are limited to 32 square feet.
(c)
Awning sign. Awning signs are permitted for multi-family dwellings and non-residential uses in any district.
(1)
Awning signs must maintain a minimum vertical clearance of eight feet.
(2)
Awning signs may encroach into the public right-of-way but must be located at least two feet from the curb line.
(3)
Awning signs must be made of a durable, weather-resistant material such as canvas, canvas-like material, nylon, vinyl-coated fabric, or permanent building material such as metal.
(4)
Sign copy on any awning sign surface is limited to 25 percent of each surface area. A valance is considered a separate surface area.
(5)
Solid awnings are permitted lettering attached to and located above the top of the awning to a maximum height of 24 inches.
(6)
Awning signs may be externally illuminated, and lighting must be focused on the printed area.
(7)
Back-lit awnings are prohibited.
(d)
Blade sign (projecting signs). Blade signs are permitted for non-residential use districts.
(1)
One blade sign is permitted per establishment with frontage on a street. For a corner lot, one blade sign is permitted for each street frontage.
(2)
Blade signs may encroach into the public right-of-way but must be located at least two feet from the curb line.
(3)
Blade signs must maintain a minimum vertical clearance of seven feet six inches. No blade sign affixed to a building may project higher than the building height, including the sign support structure.
(4)
Blade signs must be constructed of wood or simulated wood, metal, durable, weather-resistant material like canvas, canvas-like material, nylon or vinyl-coated fabric, plastic, or high-density urethane (HDU) foam board or similar durable foam construction. Blade signs constructed of canvas or similar material must be mounted so that they are held taut between support posts.
(5)
Blade signs may be internally or externally illuminated. If externally illuminated, all lighting must be directed onto the sign face from above.
(e)
Banners. Banner shall be permitted in all non-residential zones, provided that they are not displayed for more than 30 days.
(f)
Canopy sign. Canopy signs are divided into the following types: non-structural and structural.
(1)
Non-structural canopy signs. Non-structural canopy signs are permitted multifamily dwellings and non-residential uses in all districts.
a.
Non-structural canopy signs must maintain a minimum vertical clearance of seven feet six inches.
b.
Non-structural canopy signs may encroach into the public right-of-way but must be located at least two feet from the curb line. Support posts must maintain a minimum separation of five feet between posts and five feet between the posts and any building wall.
c.
Non-structural canopy signs must be made of a durable, weather-resistant material such as canvas, canvas-like material, nylon, or vinyl-coated fabric.
d.
Sign copy on any canopy sign surface is limited to 25 percent of each surface area.
e.
Non-structural canopy signs may be externally illuminated, and lighting must be focused on the printed area.
f.
Back-lit canopies are prohibited.
(2)
Structural canopy signs. Structural canopy signs are permitted as follows:
a.
Freestanding structural canopy signs are prohibited.
b.
In residential zones, structural canopy signs attached to the principal structure shall be permitted, but only for structures that constitute a "multi-family dwelling," as defined in Section 4-3-1-2 of the Pekin City Code.
c.
In non-residential zones, structural canopy signs attached to the structure shall be permitted, provided that the structure is not used for residential purposes.
d.
Freestanding structural canopy signs are permitted for non-residential uses. Structural canopy signs attached to the principal structure may encroach into the public right-of-way but must be located at least two feet from the curb line. Support posts must maintain a minimum separation of five feet between posts and five feet between the posts and any building wall, provided the designated PAR is not obstructed.
e.
Freestanding structural canopy signs are subject to the setback requirements of the district where they are located or ten feet from any lot line, whichever is greater. Freestanding structural canopy signs are limited to a maximum height of 25 feet.
f.
All structural canopy signs attached to a building must maintain a minimum vertical clearance of seven feet six inches. Freestanding structural canopy signs must maintain a minimum vertical clearance of 15 feet.
g.
For structural canopies attached to a building, sign copy is limited to 25 percent of each surface area. Such signs are permitted lettering attached to and located above the top of a structural canopy to a maximum height of 24 inches.
h.
For freestanding structural canopies, sign copy is limited to a maximum of 25 percent of the area of each façade. No sign may be mounted above the top of the roof of the structural canopy, but a sign mounted on the structural canopy façade may extend a maximum of 12 inches above the roofline.
i.
Structural canopy signs must be made of permanent building material, such as metal, brick, stucco, or concrete.
j.
Structural canopy signs may be internally or externally. If externally illuminated, the lighting must be focused on the sign. In addition, freestanding structural canopies for gas stations are permitted an illuminated band along each façade of the canopy. The illuminated band is limited to 20 percent of the overall height of the façade of the canopy.
(g)
Electronic message sign.
(1)
Motor vehicle service stations in any district are permitted an electronic message sign to display copy graphic that is required to be displayed by law, such as fuel prices. The total sign area of the electronic message signs cannot exceed that permitted by this Section.
(2)
Electronic message signs are permitted as part of a ground sign—standard, ground sign—multi-tenant retail center, wall sign, or marquee sign and are subject to the requirements for those sign types within that district.
(3)
Electronic message signs must be a minimum of 25 feet from the lot line of any residential district. This is measured from sign face to the residential lot line, including any public right-of-way.
(4)
Electronic message signs must be integrated into the larger sign structure. The electronic component is limited to a maximum of 70 percent of the total area of a sign.
(5)
Only one electronic message sign per lot is permitted. For the purposes of this regulation, a multi-tenant development where the development as a whole is comprised of separate lots of record, the entire development, including out lot parcels and inline development, is considered one lot.
(6)
Each message or image displayed on an electronic message sign must be static for a minimum of four seconds. Multi-color messages and static images are permitted. Unless the content or message is scrolling, transitions between content and messages must be instantaneous.
(h)
Ground sign.
Ground sign types. Ground signs are regulated as the following types in this Title:
(1)
Ground signs—Standard are permitted for multi-family dwellings and non-residential uses in any district.
(2)
Ground signs—Multi-tenant retail center are permitted for multi-tenant retail centers in any district.
(3)
Ground signs—Residential subdivision are permitted for residential subdivisions in any district.
(4)
General ground sign regulations. The following regulations apply to all ground signs:
a.
When the ground sign is designed with the base of the ground sign structure installed at grade, the monument base must be designed as an integral part of the sign structure. The width of the top of the sign face must be a minimum of 70 percent and a maximum of 130 percent of the width of the base.
b.
In order to create flexibility for ground signs installed where the ground is not level, structural (non-decorative) posts may extend out of the ground but are limited to a maximum of six inches above the adjacent ground where they are installed.
c.
A ground sign may be designed with decorative posts that are part of the overall sign structure and sign design, and such decorative posts may extend out of the ground for a maximum of two feet above the adjacent ground where they are installed, provided that if the ground sign is located on a street comer or intersection, such sign may not be situated in a manner that obstructs the vision triangle.
d.
Ground signs must be set back five feet from any lot line. No sign may project into, over, or otherwise encroach on a public right-of-way.
e.
Ground signs may be internally or externally illuminated. If externally illuminated, all light must be directed onto the sign face.
f.
Ground signs must be constructed of brick, wood or simulated wood, stone, concrete, metal, plastic, or high-density urethane (HDU) foam board or similar durable foam construction. The base on which a ground is principally supported should typically be constructed of masonry material.
g.
Ground signs—standard: Ground signs—standard are subject to the following limitations on sign area, sign height, and sign number:
1.
One ground sign—standard is permitted per street frontage. When a lot has over 150 feet of street frontage, an additional ground sign is permitted for each additional access point to the lot along that frontage.
2.
Ground sign—standard height and area are limited to the maximums indicated in other sections of this Code [and] "Ground signs—standard," of this Section.
3.
Any business or office district with frontage along Court St. and Veterans Dr. is permitted a ground sign that meets the standards of the B-3 District, as shown in other sections of this Code of this Section.
h.
Ground signs—multi-tenant retail center: Ground signs—multi-tenant retail center are subject to the following sign area, sign height, and sign number permissions:
1.
One ground sign—multi-tenant retail center is permitted per street frontage of a lot. An additional ground sign is permitted for each additional access point to the lot, however a minimum separation of 50 feet is required between ground signs. For the purposes of this regulation, a multi-tenant development where the development as a whole is comprised of separate lots of record, the entire development, including out lot parcels and inline development, is considered one lot.
i.
Ground signs—multi-tenant retail center permissions are as follows:
1.
Maximum sign area of 120 square feet of area per sign.
2.
Maximum sign height of 12 feet.
j.
Ground signs—residential subdivision: Ground signs—residential subdivision are subject to the following sign area, sign height, and sign number permissions.
1.
One ground sign—residential subdivision is permitted for each access point to the development. A minimum separation of 50 feet is required between ground signs.
2.
Ground signs—residential subdivision are permitted a maximum sign area of 120 square feet per sign and a maximum sign height of eight feet per sign.
k.
Ground sign landscaping: All ground signs must be landscaped at the base of the sign in accordance with the following:
1.
Landscape must extend a minimum of two feet from the sign base on all sides with small shrubs a minimum of 18 inches in height at planting in a single row around the perimeter of the sign base. The remainder of the required landscape area must be planted with trees, perennials, or other live groundcover. If such sign is located within a vision triable, the maximum height at maturity for any planting shall not exceed 30 inches.
2.
If a ground monument sign is designed with a decorative base and such decorative base extends to the ground, the single row of shrubs around the entire perimeter of the sign base is not required. Landscape must extend a minimum of two feet from the sign base around a minimum of 50 percent of the perimeter of the sign base, and must be planted with shrubs, trees, perennials, or other live groundcover.
3.
Landscape is required on a site, ground sign landscape is included in the total amount of landscape required on a site. Where a sign is installed in any landscape area of a site, the specific landscape requirements of this Section do not apply, and the sign landscape must be integrated into the overall site landscape plan. Sign landscape must be shown on the landscape plan.
4.
All landscape must be maintained in good condition, and free and clear of rubbish and weeds.
5.
The owner of any ground sign landscaping shall maintain compliance with these provisions, including replacing any dead plantings.
(i)
Marquee: Marquees are permitted for commercial uses in B-2 District.
(1)
Marquees must be supported solely by the building to which they are attached. No exterior columns or posts are permitted as supports.
(2)
The roof of a marquee may not be used for any purpose other than to form and constitute a roof and must be constructed of noncombustible material.
(3)
Water from the roofs of a marquee may not drain, drip, or flow onto the surface of a public right-of-way. Sufficient downspouts, drains, and gutters must be installed as part of each marquee to prevent water from the roof of the marquee from flowing onto the surface of a public right-of-way.
(4)
Marquees must be erected over a building entrance and are limited to the width of the building entrance plus an additional five feet on each side of the entrance doors covered by the marquee.
(5)
All marquees must maintain a minimum vertical clearance of eight feet, and the roof of the marquee structure must be erected below the second-floor windowsill and must not conceal any significant architectural features or ornamentation of the building.
(6)
Marquees may encroach into the public right-of-way but must be located at least two feet from the curb line.
(7)
Marquees are permitted lettering attached to and located above the roof of a marquee to a maximum height of 48 inches.
(8)
Marquees are permitted an electronic message component if the district allows electronic message signs. Marquees are also permitted a changeable message board as part of the marquee structure. However, the marquee may only have either a changeable message board sign or an electronic message sign.
(9)
Marquees may be internally illuminated.
(10)
Marquees bare-bulb illumination outlining is prohibited.
(j)
Menu board. Menu boards are permitted for all drive-through facilities in any district.
(1)
Menu boards are limited to a maximum of two per drive-through lane.
(2)
Menu boards are limited to 75 square feet in sign area and eight feet in height. The menu board may be designed as separate freestanding signs grouped together and may include the use of preview boards designed as separate freestanding signs installed a distance earlier in the drive-through lane, however the total area of all signs must not exceed 75 square feet.
(3)
Menu boards are permitted an additional ten square feet of sign area for temporary signs attached to the top or sides of the menu board.
(4)
Menu boards must be located a minimum of 15 feet from any residential district lot line. This is measured from sign face to lot line, including any public right-of-way.
(5)
Menu boards may be internally illuminated and also contain an electronic screen for interaction with each customer.
(k)
Suspended signs. The following standards apply to signs suspended or mounted under awnings, canopies, galleries, or arcades.
(1)
Suspended signs must be attached to the underside of an awning, canopy, gallery, or arcade. Suspended signs must not project beyond the awning, canopy, gallery, or arcade.
(2)
Suspended signs must maintain a minimum vertical clearance of seven feet six inches.
(3)
A maximum of one suspended sign is permitted per business establishment with frontage where the awning, canopy, gallery, or arcade is located.
(4)
Suspended signs are limited to a maximum of six square feet in area.
(5)
Suspended signs must be securely fixed to the awning with metal supports.
(6)
Suspended signs must be made of wood, metal, plastic, or high-density urethane (HDU) foam board or similar durable foam construction.
(l)
Wall sign. Wall signs are permitted for all non-residential uses in any district.
(1)
Wall signs are permitted on all façades of a structure. On a site consisting of multiple structures, each structure is permitted wall signs per the regulations of this Section. The square footage from different structures cannot be combined to create a larger sign on any one structure.
(2)
The maximum size of a wall sign is established at one and one-half square feet per linear foot of building wall where the wall sign will be mounted or 40 square feet, whichever is greater. The square footage from different façades cannot be combined to create a larger sign on any one façade.
(3)
In a multi-tenant structure, each tenant is permitted a wall sign of one and one-half square feet per linear foot of business frontage or 40 square feet, whichever is greater, for each tenant. The square footage from different tenants cannot be combined to create a larger sign than allowed by this Section.
(4)
The number of individual wall signs on a façade is not limited, however the cumulative sign area of all signs on that façade cannot exceed the maximum allowable sign area.
(5)
Wall signs may be internally or externally illuminated. If externally illuminated, all light must be directed onto the sign face.
(6)
Wall signs must be safely and securely attached to the building wall. Wall signs must project less than 18 inches from the building wall. Wall signs may encroach into the public right-of-way no more than 18 inches.
(7)
No wall sign affixed to a building, including sign support structure, may project beyond the ends or top of the wall or higher than the roofline of the structure to which it is attached.
(8)
Wall signs must be constructed of wood or simulated wood, metal, durable, weather resistant material like canvas, canvas-like material, nylon or vinyl-coated fabric, plastic, or high-density urethane (HDU) foam board or similar durable foam construction. Wall signs constructed of material must be mounted so that they are held taut against the wall. Painted wall signs are prohibited.
(9)
Wall signs are permitted on architectural appurtenances, such as chimneys or penthouses, which are part of the structure. Wall signs must not cover any window, windowsill, transom sill, or significant architectural feature of the structure.
(Ord. No. 4002-22-23, § 2, 7-25-2022; Ord. No. 4241-24-25, § 3, 10-14-2024)
(a)
Nonconforming signs in existence at the time of this section may be continued until replacement or repair of any portion of the sign would exceed 50 percent of the replacement cost.
(b)
All temporary nonconforming signs must be removed or brought into conformance within 30 days of the effective date of this ordinance [from which this Section derived].
(c)
The sign face of an existing nonconforming permanent sign may be replaced, but the structure cannot be altered to accommodate such change. A change in sign face requires a permit.
(d)
No nonconforming sign and sign structure may be relocated, in whole or part, to any other location on the same or other lot, unless the entire sign and sign structure conforms to all regulations applicable to the lot where the sign is relocated.
(e)
No nonconforming sign may be altered or enlarged in any way that increases the nonconformity of the sign or sign structure.
(Ord. No. 4002-22-23, § 2, 7-25-2022)
(a)
Directional signs. All directional signs required for the purpose of orientation, when established by the City, County, State or Federal Government, shall be permitted in all districts.
(b)
On-premises signs. On-premises signs shall be permitted in any use district. On-premises signs must comply with all other applicable rules and regulations set forth in this Code. By way of example, an on-premises sign located on a lot zoned residential must comply with the requirements for signs in residential zones, including the restriction that such signs be no more than 12 square feet in area.
(c)
Real estate signs. Signs used for advertising land or buildings for rent, lease or sale shall be permitted when located on the land or building intended to be rented, leased or sold.
(d)
Nonconforming signs. Nonconforming signs in existence may be continued until replacement or repair of the sign would exceed 50 percent of the replacement cost.
(Ord. No. 4002-22-23, § 2, 7-25-2022)
Any sign including the sign structure, retractable canopy or awning, which advertises a business no longer being conducted or a product no longer being sold from the premises to which the sign relates is considered obsolete and shall be removed within 30 days from last day of business. Signs left in good repair which remove all aspects of a former business and present a solid color blank slate are not considered obsolete.
(Ord. No. 4002-22-23, § 2, 7-25-2022)
All rights and privileges accrued under the provisions of this Article or any amendment hereto are mere licenses and may be revoked upon the violation of any of the conditions contained herein. If the work authorized under an erection permit has not been completed within 180 days after the date of issuance, said permit shall become null and void.
(Ord. No. 4002-22-23, § 2, 7-25-2022)
(a)
The maximum size of a sign shall be determined by location of the structure and structure frontage. In general, the maximum size for one sign shall be determined by the following: two square feet of sign per one linear foot of building frontage or 120 square feet whichever is larger.
Example: Building front covers 150 feet; therefore, the largest sign allowed would be 300 square feet. A building that has only 50 feet would be allowed a sign of 120 square feet.
(b)
A facility shall not have more sign coverage that exceeds the total of more than three square feet per one linear foot of building frontage for buildings having frontage of 100 linear feet or larger. Buildings less than 100 linear feet shall have a maximum of 120 square feet.
Example: Building front covers 150 feet; therefore, the cumulative total of signage allowed would be 450 square feet. A building that has only 35 feet would still be allowed only a total of 120 square feet.
(c)
Building location determinations. Buildings on corner lots or in large complexes where access to the structure or business is available on more than one side shall be considered to have more than one building front for purposes of calculating the amount of signage allowed. Calculations for signage will be determined by counting each side as a separate frontage.
(d)
Off-premises signs shall be permitted, but only in commercial and industrial zones and only by special use. Off-premises signs shall be permitted in Planned Unit Developments (PUD) by special use only.
(e)
Signs, awnings, or canopies, only within a B-2 and B-3 Business District; provided, further, that the bottoms of signs and valances of any awnings or canopies are no less than eight feet above immediate grade and project no closer than two feet from the nearest curb or pavement edge.
(f)
No sign, otherwise permitted, shall project above or beyond the maximum height of 50 feet above the ground level; except that, for a planned commercial or shopping center development involving five acres or more under one ownership, the Board of Appeals may modify the height limitation. The Board shall, however, respect all yards and setbacks in modifying height requirements.
(g)
Gas stations with canopies covering the pumps shall be allowed only one canopy mounted sign per side.
(Ord. No. 4002-22-23, § 2, 7-25-2022)
(a)
The light intensity or brightness from any illuminated sign located in a district abutting a residential district shall not disrupt the reasonable peaceful enjoyment of surrounding properties. Illuminated signs visible to adjacent residential properties shall be turned off and not operated between the hours of 11:00 p.m. and 7:00 a.m.
(b)
Off-premises signs shall not be permitted in any residential district unless otherwise specifically stated in this Code.
(Ord. No. 4002-22-23, § 2, 7-25-2022; Ord. No. 4241-24-25, § 4, 10-14-2024)
(a)
No portable sign shall be displayed without first obtaining a permit.
(1)
Portable signs shall be licensed as temporary signs for periods not to exceed 21 days. Each property is limited to six portable sign permits within a calendar year. The effective date of a permit must be at least 30 days after expiration of the most recent prior permit.
(2)
Portable signs shall not exceed 32 square feet in area per side.
(3)
Portable signs shall not obstruct parking places or automobile or pedestrian travel lanes.
(4)
Portable signs shall not be located so as to obstruct traffic vision.
(5)
Any lighting of a portable sign shall be of a type that cannot be confused with traffic controls and will not cause vehicle drivers to be distracted.
(6)
Any electrical connections shall be in accordance with all City codes and shall not be exposed in any way which will constitute a safety hazard.
(7)
Fees. The fee for each portable sign permit shall be set from time to time by the City Council. The fee will be waived if the portable sign is to be used for noncommercial, nonprofit use.
(8)
Seasonal businesses. A seasonal business may obtain a permit for a portable sign for a fee set from time to time by the City Council, with a limit of four permits per calendar year.
(9)
Portable sign into a permanent sign. A portable sign on a frame with wheels may be turned into a permanent sign if the following conditions are met:
a.
The wheels and frame are removed.
b.
The sign shall be placed in a permanent concrete base to withstand 70 mph winds, and cannot be moved.
c.
Connections to an energy source for lighting shall be in accordance with all City and National codes.
(Ord. No. 4002-22-23, § 2, 7-25-2022; Ord. No. 4195-24-25, § 2, 6-10-2024)
(a)
Purpose. The purpose is to permit and encourage art murals on a content-neutral basis on certain terms and conditions. It is not the intent of this Section to deny or restrict material protected by the First Amendment. Art murals comprise a unique medium of expression which serves the public interest. Art murals have purposes distinct from signs and confer different benefits. Such purposes and benefits include improved aesthetics; avenues for artistic expression; public access to original works of art; community participation in the creation of original works of art; community building through the presence of and identification with original works of art; and a reduction in the incidence of graffiti and other crime. Murals can increase community identity and foster a sense of place and enclosure if they are located at heights and scales visible to pedestrians, are retained for longer periods of time and include a neighborhood process for discussion. This Section also allows murals on historic property in a way that will not diminish the historic or character-defining features of the property.
(b)
Permitted murals. Art murals that meet all of the following criteria are permitted in all non-residential zoning districts and on structures with legal non-residential used in residential zoning districts, upon satisfaction of the applicable permit requirements.
(c)
Prohibited murals. The following are prohibited:
(1)
Murals on structures with solely a single-family or multiple family residential use and associated accessory structures in residential zoning districts.
(2)
Murals which would result in a property becoming out of compliance with the provisions of this Code or land use conditions of approval for the development on which the mural is to be located.
(3)
Murals of any material characterized as obscene as defined in Section 4-3-8-8-5(8).
(d)
Administrative review process. Art murals are subject to application and approval by the Building Official. If an application is denied by the Building Official, the applicant may seek approval from the Zoning Board of Appeals upon submittal of an application pursuant to Division 2 of this Article and the following:
(1)
Building elevation drawn to scale, and one eight and one-half-inch by 11-inch reduction suitable for photocopying, that identifies:
a.
The façade on which the mural is proposed;
b.
The location of existing and proposed murals;
c.
The mural dimensions; and
d.
The height of the mural above grade.
(2)
Site plan drawn to scale, and one eight and one-half-inch by 11-inch reduction suitable for photocopying, that identifies:
a.
Property lines.
b.
Building location and façade on which the mural will be located.
c.
Names of streets that abut site.
d.
North arrow.
(3)
Written description of the type of mural (painted, mosaic, etc.) and details showing how the mural is to be affixed to the wall.
(4)
Written consent from the building owner.
(5)
No fee is required for a mural permit.
(e)
Design requirements, mural size and materials.
(1)
No part of the mural shall exceed 30 feet in height or higher than the floor level of the third floor, measured from grade, for projects on buildings greater than two stories, whichever is more restrictive. Any mural exceeding the permitted height shall be subject to the special use review process pursuant to this Section.
(2)
No part of the mural shall extend more than six inches from the plane of the wall upon which it is tiled or painted or to which it is affixed.
(f)
Expiration. If the mural is not completed within six months of issuance of a mural permit, the permit is void, and no further work on the mural may be done at the premises until a new permit has been secured.
(g)
Maintenance. Building owners are responsible for ensuring that a permitted mural is maintained in good condition and is repaired in the case of vandalism or accidental destruction. Moralists and building owners are encouraged to consider protective clear top coatings, cleanable surfaces, and/or other measures that will discourage vandalism or facilitate easier and cheaper repair permitted of the mural if needed.
(h)
Alterations. Alterations to the mural area may be allowed but must be approved by obtaining new permit through the process described in this Section.
(i)
Pre-existing murals. Any displays constituting murals under this Section currently in existence at the time of approval of the ordinance from which this Section is derived shall be deemed to be allowed under this Section. Any material alterations, other than routine maintenance, to such a mural would be subject to the provisions herein.
(Ord. No. 4002-22-23, § 2, 7-25-2022; Ord. No. 4241-24-25, § 5, 10-14-2024)
These regulations offer specific construction and operation regulations for the safe and appropriate use of electronic multiple message signs, which include any flashing or running lights creating an illusion of movement, but are not limited to electronic message boards, reader boards and billboard displays.
(1)
All outdoor lighting in all use districts used to light the general area of a specific site shall be shielded to reduce glare and shall be so arranged as to reflect lights away from all adjacent residential districts or adjacent residences.
(2)
All outdoor lighting in all use districts shall be directed toward and confined to the ground areas of lawns or parking lots. String lights used in connection with business premises for commercial purposes must be installed and maintained in compliance to the most current adopted building and electrical codes.
(3)
All lighting in nonresidential districts used for the external illumination of buildings, so as to feature said buildings, shall be placed and shielded so as not to interfere with the vision of persons on adjacent highways or adjacent property.
(4)
Illumination of signs shall be directed or shaded downward so as not to interfere with the vision of persons on the adjacent highways or adjacent property.
(5)
The following regulations shall apply to all zoning districts unless otherwise specified:
a.
Electronic multiple message signs shall be permitted to change their message no more than once per every ten seconds.
b.
Unless the content or message is scrolling, transitions between content and messages must be instantaneous.
c.
Automatic dimming must be maintained by light sensing devices or a scheduled dimming timer that automatically dims the intensity of the light emitted by the sign during ambient low light and nighttime hours not to exceed 500 nits of intensity and during daytime hours not to exceed 5,000 nits of intensity.
d.
Multiple message signs must contain a default design that will freeze the message in one position if a malfunction occurs.
e.
Spacing between signs shall not be closer than 1,000 feet in all industrial zoning districts.
f.
Location of multiple message signs must not be adjacent to official traffic control signs that could confuse the motoring public.
g.
Maintenance of multiple message signs shall include replacement of bulbs, LEDs, pixels and shall be in working and properly illuminating condition at all times.
(Ord. No. 4002-22-23, § 2, 7-25-2022)
Where a permit is required pursuant to this Section 4-3-8-8, a fee as set from time to time by the City Council for such a permit shall be required at the time of permit application.
(Ord. No. 4002-22-23, § 2, 7-25-2022; Ord. No. 4195-24-25, § 2, 6-10-2024)
Off-premises signs shall be allowed in the B-3,I-1, I-2 and PUD zoning districts. No off-premises sign shall be erected in the city without a special use permit. The off-premises sign permit shall be granted only after approval by the city council subsequent to receipt of a recommendation from the zoning board of appeals following a hearing for special use as provided in chapter 4 of this Code.
(a)
Procedure for obtaining off-premises sign permit. A person wishing to erect an off-premises sign within the city shall make application for a permit to the chief building official on forms provided by the building inspections department. The chief building official shall forward the application to the zoning board of appeals, which shall hold a public hearing on the application at a regularly scheduled or special meeting. Notice of the time and place of the hearing together with a brief description of the subject matter shall be published one time, not more than 30, nor less than 15 days prior to the hearing in a newspaper of general circulation in the city. Following the public hearing, the zoning board of appeals shall forward its recommendation on the application to the city council for final action.
(b)
Procedure for obtaining permit to apply automatic changeable technology to an existing, legal off-premises sign. A person wishing to add automatic changeable technology to an existing, legal off-premises sign within the city shall make an application for a permit to the chief building official on forms provided by the building inspections department. The chief building official shall confirm that the off-premises sign in question is legal, that the proposed automatic changeable technology conforms to the provisions of subsection 4-3-8-8-18(c)(7) and, if so, issue a permit.
(c)
Standards for off-premises signs. In addition to the applicable construction standards in subsection 4-3-8-8-3(b) and the zoning regulations found at chapter 4 of this Code, the zoning board of appeals shall determine if the off-premises sign meets the following requirements of this Section:
(1)
The special use standards as provided in subsection 4-3-2-1-4 shall be met.
(2)
All off-premises signs shall be freestanding.
(3)
No off-premises sign may be erected which exceeds 300 square feet in off-premises sign area, ten feet in height and 30 feet in length, including border and trim, but excluding ornamental base or apron, supports and other structural members. The maximum size limitation shall apply to each side of the off-premises sign or off-premises sign structure. A maximum of two off-premises signs may be erected on a facing, in which event the facing shall be deemed to be one off-premises sign, the size of which may not exceed the dimensions listed in this Section. Off-premises signs may be double-faced or be placed back-to-back or V-type. The area shall be measured by the smallest square, rectangle, triangle, circle or combination thereof which will encompass the entire off-premises sign.
(4)
No off-premises sign shall be closer than 1,000 feet to another off-premises sign or to any school, park, church or other place of worship.
(5)
In accordance with subsection 4-3-2-1-4 of this Code, whenever the zoning board of appeals shall recommend a special use permit for an off-premises sign, it shall condition such special use permit on the inclusion of adequate landscaping unless it finds landscaping wholly inappropriate because of the location of the off-premises sign.
(6)
The granting of the permit is otherwise in the best interests of the health, safety and welfare of the city's residents.
(7)
If the off-premises sign uses or incorporates automatic changeable technology, the off-premises sign shall be subject to the following additional restrictions:
a.
The off-premises sign shall not be located within 150 feet of an existing residentially used lot unless all parts of the changeable copy off-premises sign are oriented so that no portion of the off-premises sign face is visible from an existing or permitted principal structure on that lot;
b.
No audio speakers or pyrotechnics shall be used or associated with the off-premises sign;
c.
The maximum brightness is limited to 5,000 nits when measured from the off-premises sign's face at its maximum brightness, during daylight hours, and 500 nits when measured from the off-premises sign's face at its maximum brightness between dusk and dawn, i.e., the time of day between sunrise and sunset. The off-premises sign shall have an ambient light meter and automatic or manual dimmer control that produces a distinct illumination change from a higher allowed illumination level to a lower allowed level for the time period between one-half hour before sunset and one-half hour after sunrise;
d.
The off-premises sign display shall not incorporate video, motion pictures, or intensely flashing or scintillating lights, provided scrolling or animated copy shall be permissible where not elsewhere prohibited by law;
e.
All requirements as listed in subsection 4-3-8-8-16.
(d)
Scenic areas. No off-premises sign shall be erected in any of the following designated scenic areas:
(1)
The area of Court Street and Mineral Springs Park, starting from the intersection of Court Street and Audubon Drive and ending at the intersection of Court Street and South 13 th Street.
(2)
The area of Parkway Drive and Coal Miners Park, starting from the intersection of Parkway Drive and Court Street and ending at the intersection of Parkway Drive and Broadway Street.
(3)
The area of Front Street and the Pekin Riverfront Park, starting from the intersection of Front Street and Broadway and ending at the Intersection of Front Street and St Mary Street.
(4)
The area of Derby St, starting from the intersection of Derby Street and 14 th Street and ending at the intersection of Derby Street and 2 nd Street.
(5)
No off-premises signs shall be allowed within 1,000 feet of any public recreation area.
(e)
Non-conforming signs. Off-premises signs in existence as of October 14, 2024, which do not conform to or comply with this code are subject to the following provisions:
(1)
Existing off-premises signs may continue in use for the purpose used and as existing on October 14, 2024, but may not be replaced or structurally altered without complying in all respects with this Code; provided, however, an existing off-premises sign in a residential district may not be enlarged or altered to include digital displays.
(2)
If such off-premises signs are hereafter damaged or destroyed due to any reason or cause whatsoever, the off-premises sign may be repaired and restored to its former use, location, and physical dimensions upon obtaining a building permit therefor, but without otherwise complying with this Section; provided, however, that if the cost of repairing the off-premises sign to the former use, physical dimensions, and location would be ten percent or more of the cost of a new off-premises sign of like kind and quality, then the off-premises sign may not be repaired or restored, except in full compliance with this Code.
(f)
Co-location on adjoining premises. Any of the provisions of subsections (b) and (c), above, to the contrary notwithstanding, an off-premises sign may be located in the B-3, I-1, I-2 and PUD zoning districts, but only if all of the following conditions are met:
(1)
The off-premises sign is located on-premises adjacent to the premises being advertised by the off-premises sign.
(2)
The off-premises sign is located on the same sign structure as an on-premises sign located on the adjacent premises, thereby eliminating the need for a separate sign structure to support the off-premises sign.
(3)
The sign structure for the on-premises sign which will serve as the sign structure for the co-located off-premises sign has a height in excess of 35 feet and has been lawfully erected.
(4)
The area of the off-premises sign does not exceed the authorized maximum area for an on-premises sign at the proposed location of the off-premises sign.
(5)
The co-location has been authorized as a special use in accordance with the procedure set forth at subsection (a) of this Section.
(6)
Co-location on an off-premises sign shall be limited to one co-located off-premises sign.
(Ord. No. 4241-24-25, § 6, 10-14-2024)
Any person violating any provision of this Article shall be subject to a penalty as provided in Section 1-1-15.
(Ord. No. 4241-24-25, § 7, 10-14-2024)
(a)
Purpose. The purpose is to permit and encourage art murals on a content-neutral basis on certain terms and conditions. It is not the intent of this Section to deny or restrict material protected by the First Amendment. Art murals comprise a unique medium of expression which serves the public interest. Art murals have purposes distinct from signs and confer different benefits. Such purposes and benefits include improved aesthetics; avenues for original artistic expression; public access to original works of art; community participation in the creation of original works of art; community building through the presence of and identification with original works of art; and a reduction in the incidence of graffiti and other crime. Murals can increase community identity and foster a sense of place and enclosure if they are located at heights and scales visible to pedestrians, are retained for longer periods of time and include a neighborhood process for discussion. This Section also allows murals on historic property in a way that will not diminish the historic or character-defining features of the property.
(b)
Permitted murals. Art murals that meet all of the following criteria are permitted in all nonresidential zoning districts and on structures with legal nonresidential uses in residential zoning districts, upon satisfaction of the applicable permit requirements.
(c)
Prohibited murals. The following are prohibited:
(1)
Murals on structures with solely a single-family or multiple family residential use and associated accessory structures in residential zoning districts.
(2)
Murals which would resu1t in a property becoming out of compliance with the provisions of this Code or land use conditions of approval for the development on which the mural is to be located.
(3)
Murals of any material characterized as obscenity, as defined by Section 6-8-3.
(d)
Administrative review process. Art murals are subject to application and approval by the City of Pekin Zoning Administrator. If an application is denied by the City of Pekin Zoning Administrator, the applicant may seek approval from the City of Pekin Zoning Board of Appeals upon submittal of an application pursuant to Division 2 of this Article and the following:
(1)
Building elevation drawn to scale, and one 8½-inch by 11-inch reduction suitable for photocopying, that identifies:
a.
The facade on which the mural is proposed;
b.
The location of existing and proposed murals;
c.
The mural dimensions;
d.
The height of the mural above grade.
(2)
Site plan drawn to scale, and one 8½-inch by 11-inch reduction suitable for photocopying, that identifies:
a.
Property lines;
b.
Building location and facade on which the mural will be located;
c.
Names of streets that abut site;
d.
North arrow.
(3)
Written description of the type of mural (painted, mosaic, etc.) and details showing how the mural is affixed to the wall surface.
(4)
Written consent from the building owner.
(5)
No fee is required for approval of a mural.
(e)
Design requirements; mural size and materials.
(1)
No part of the mural shall exceed 30 feet in height or higher than the floor level of the third floor, measured from grade, for projects on buildings greater than two stories, whichever is more restrictive. Any mural exceeding the permitted height shall be subject to the special use review process pursuant to this Section.
(2)
The mural shall not extend more than six inches from the plane of the wall upon which it is tiled or painted or to which it is affixed.
(f)
Expiration, maintenance, alterations, and removal of mural.
(1)
Expiration. If the mural is not completed within six months of issuance of a mural permit, the permit is void, and no further work on the mural may be done at the premises until a new permit has been secured.
(2)
Maintenance. Building owners are responsible for ensuring that a permitted mural is maintained in good condition and is repaired in the case of vandalism or accidental destruction. Muralists and building owners are encouraged to consider protective clear top coatings, cleanable surfaces, and/or other measures that will discourage vandalism or facilitate easier and cheaper repair of the mural if needed.
(3)
Alterations. Alterations to the mural area may be allowed, but must be approved by obtaining new permit through the process described in this Section.
(4)
Grandfather clause. Any displays constituting murals under this Section currently in existence at the time of approval of the ordinance from which this Section is derived shall be deemed to be allowed under this Section. Any material alterations, other than routine maintenance, to such a mural would be subject to the provisions herein.
(Prior Code, § 9-10-8-2; Ord. No. 2742-OA-15/16, 4-25-2016; Ord. No. 3001-21-22, § 5, 7-26-2021)
These regulations offer specific construction and operation regulations for the safe and appropriate use of electronic multiple message signs, which include any flashing or running lights creating an illusion of movement, but are not limited to electronic message boards, reader boards and billboard displays.
(1)
All outdoor lighting in all use districts used to light the general area of a specific site shall be shielded to reduce glare and shall be so arranged as to reflect lights away from all adjacent residential districts or adjacent residences.
(2)
All outdoor lighting in all use districts shall be directed toward and confined to the ground areas of lawns or parking lots.
a.
String lights used in connection with business premises for commercial purposes, must be installed and maintained in compliance to the most current adopted building and electrical codes.
(3)
All lighting in nonresidential districts used for the external illumination of buildings, so as to feature said buildings, shall be placed and shielded so as not to interfere with the vision of persons on adjacent highways or adjacent property.
(4)
Illumination of signs shall be directed or shaded downward so as not to interfere with the vision of persons on the adjacent highways or adjacent property.
(5)
No sign shall be so illuminated that it interferes with the effectiveness of or obscures an official traffic sign, device, or signal.
(6)
Regulations. These regulations shall apply to all zoning districts unless otherwise specified.
a.
Length of display or dwell time for electronic multiple message signs shall be permitted to change their message no more than once per every ten seconds.
b.
Transitions between content and messages shall not be more than three seconds between displayed messages.
c.
Automatic dimming must be maintained by light sensing devices or a scheduled dimming timer that automatically dims the intensity of the light emitted by the sign during ambient low-light and nighttime hours not to exceed 500 nits of intensity and during daytime hours not to exceed 5,000 nits of intensity.
d.
Multiple message signs must contain a default design that will freeze the message in one position if a malfunction occurs.
e.
Spacing between signs shall not be closer than 1,000 feet in all industrial zoning districts.
f.
Location of multiple message signs must not be adjacent to official traffic control signs that could confuse the motoring public.
g.
Maintenance of multiple message signs shall include replacement of bulbs, LEDs, pixels and shall be in working and properly illuminating condition at all times.
h.
An electrical permit is required for all signs utilizing electrical power.
(Prior Code, § 9-10-9; Ord. No. 2590-OA-09/10, 7-27-2009; Ord. No. 2618-OA-10/11, 5-24-2010; Ord. No. 2916-20-21, § 3, 10-26-2020)
In all residential districts, so-called entranceway structures, including, but not limited to, walls, columns and gates marking entrances to single-family subdivisions or multiple housing projects, may be permitted and may be located in a required yard, except as provided in Section 4-3-8-12, provided that such entranceway structures shall comply to all codes of the City and shall be approved by the Building Inspections Division of the Community Development Department and a permit issued.
(Prior Code, § 9-10-10)
(a)
No fence, wall, shrubbery, sign or other obstruction to vision above a height or 30 inches from the established street grades shall be permitted within the triangular area formed at the intersection of any street right-of-way lines by a straight line drawn between said right-of-way lines at a distance along each line of 25 feet from their point of intersection, nor shall such obstruction to vision be permitted at the intersection of any driveway or alley, and a street right-of-way line within a triangular area formed at such intersection by a straight line drawn between the driveway or alley line and the street right-of-way line at a distance along each line of 15 feet setback shall be required between the property line and the driveway or alley.
(b)
See the following diagram pertaining to this section:
Vision Obstruction
(Prior Code, § 9-10-11)
(a)
Frontage on a public street. No lot shall be used for any purpose permitted by this Article unless said lot abuts a public street, unless otherwise provided for in this Article.
(b)
Individual access points, particularly residential, onto arterial and primary collector streets shall be discouraged unless found not to be feasible. Whenever feasible, joint access points serving abutting properties or frontage roads serving multiple properties shall be provided onto arterial or primary collector streets.
(Prior Code, § 9-10-12)
(a)
Application. The Building Inspector shall require that all applications for building permits shall be accompanied by plans and specifications, including a site plan, as provided for in Section 4-3-2-1-4.
(b)
Submission. A site plan shall be submitted to the Zoning Board of Appeals for approval of:
(1)
Any use or development for which the submission of a site plan is required by any provision of this Article.
(2)
Any development, except single-family and two-family residential, for which off-street parking areas are provided as required.
(3)
Any use in a RM-1, RM-2, RM-3, OS-1, B-1, B-2, B-3, I-1 or I-2 District lying contiguous to or across a street from a single-family residential district.
(4)
Any use, except single- or two-family residential, which lies contiguous to a major thoroughfare or collector street.
(5)
All residentially related uses permitted in single-family districts, such as, but not limited to, churches, schools and public facilities.
(6)
Building additions or accessory buildings shall not require Zoning Board of Appeals review unless off-street parking in addition to that already provided on the site is required.
(7)
All site plans for other than RM uses as required to be reviewed in Subsections (b)(1) through (4) of this Section shall be reviewed by the Building Inspections Division and shall not require Zoning Board of Appeals review, unless such use requires review as in a special use or is specifically referred to the Zoning Board of Appeals for review by the Building Inspections Division or the City Council.
(8)
When site plans are submitted to the City indicating a development containing office space, orc business or an industrial use which will not require City of Pekin Zoning Board of Appeals review, and will abut single-family or duplex residential uses, the property owners within 150 feet of the lot or parcel that is proposed to be developed shall receive individual notification of the site plan submittal and of their opportunity to meet with City staff for discussion of the proposed site plan. Such notice shall be by direct mail. Additionally, a non-legal section notice shall be placed in a newspaper of general circulation, a minimum of three days prior to the scheduled meeting date. Upon the submission of such site plan, the owner shall pay a filing and review fee set from time to time by the City Council.
The appropriate City staff, as well as at least one City Councilmember, shall then meet with all interested property owners in the affected area or community at large, in order to discuss the proposed development and review the site plan. The minutes of the meeting shall be recorded and copies to the City Clerk, the City Manager, the Mayor and all City Councilmembers.
(b)
Review. Every site plan submitted to the Zoning Board of Appeals shall be in accordance with the requirements of this Article. No site plan shall be approved until same has been reviewed by the Building Inspections Division and by the Fire Department. Review of site plans by the Fire Department shall include such recommendations with regard to building spacing as may be required by the Building Code relative to fire-resistant construction. Such review by the Building Inspections Division and Fire Department shall be made prior to submitting such plans to the Zoning Board of Appeals.
(c)
Required information. In addition to the information required for the City staff checklist, the following information shall be included on the site plan:
(1)
A scale of not less than one inch equals 50 feet if the subject property is less than three acres and one inch equals 100 feet if three acres or more.
(2)
Date, north point and scale.
(3)
The dimensions of all lot and property lines, showing the relationship of the subject property to abutting properties.
(4)
The location of all existing and proposed structures on the subject property and all structures within 100 feet of the subject property.
(5)
The location of all existing and proposed drives and parking areas.
(6)
The location and right-of-way widths of all abutting streets and alleys.
(7)
The names, addresses, and phone numbers of the architect, planner, designer, engineer or person responsible for the preparation of the site plan.
(d)
Consideration. In the process of reviewing the site plan, the Zoning Board of Appeals, Building Inspections Division, Fire Department and Public Works Department will consider:
(1)
The location and design of driveways providing vehicular ingress to and egress from the site in relation to streets giving access to the site and in relation to pedestrian traffic.
(2)
The traffic circulation features within the site and location of automobile parking areas and may make such requirements with respect to any matters as will assure:
a.
Safety and convenience of both vehicular and pedestrian traffic both within the site and in relation to access streets.
b.
Satisfactory and harmonious relationships between the development on the site and the existing and prospective development of contiguous land and adjacent neighborhoods.
(3)
The Zoning Board of Appeals, Building Inspections Division, Fire Department, and Public Works Department, may further require landscaping, fences and walls in pursuance of these objectives and same shall be provided and maintained as a condition of the establishment and the continued maintenance of any use to which they are appurtenant.
(4)
In those instances wherein the Zoning Board of Appeals, Building Inspections Division, Fire Department and Public Works Department find that an excessive number of ingress and/or egress points may occur with relation to major streets or any thoroughfares, thereby diminishing the carrying capacity of the thoroughfare, the Zoning Board of Appeals may recommend marginal access drives. For a narrow frontage which will require a single outlet, the Zoning Board of Appeals may recommend that money or suitable bond be placed in escrow with the City so as to provide for a marginal service drive equal in length to the frontage of the property involved. Occupancy permits shall not be issued until the improvement is physically provided or monies or suitable bond have been deposited with the Chief Building Official for such improvement.
(Prior Code, § 9-10-14; Ord. No. 3001-21-22, § 5, 7-26-2021; Ord. No. 4119-23-24, § 6, 10-23-2023; Ord. No. 4195-24-25, § 2, 6-10-2024)
No person or other entity may operate, conduct, manage or permit a garage sale upon his or its premises or other property under his or its control more often than four times per calendar year. No garage sale may be continued for more than three consecutive days. No garage sale may be conducted before 7:00 a.m. or after 7:00 p.m.
(Prior Code, § 9-10-15)
There shall be provided in all districts, at the time of erection or enlargement of any main building or structure, automobile off-street parking space with adequate access to all spaces. The number of off-street parking spaces, in conjunction with all land or building uses shall be provided prior to the issuance of a certificate of occupancy as hereinafter prescribed:
(1)
Use of parking facilities.
a.
Any area once designed as required off-street parking shall never be changed to any other use unless and until equal facilities are provided elsewhere.
b.
For those uses not specifically mentioned, the requirements for off-street parking facilities shall be in accordance with a use which the Zoning Board of Appeals considers is similar in type.
c.
The storage of merchandise, motor vehicles for sale, trucks or the repair of vehicles is prohibited.
(2)
Location.
a.
Generally. Off-street parking spaces may be located within a rear yard when there is alley access to the property or a paved parking bay, paved driveway or garage in the rear yard or within a side yard which is in excess of the minimum side yard setback unless otherwise provided in this Article. Off-street parking shall not be permitted within a front yard setback or within a minimum side yard setback unless otherwise provided in this Article.
b.
Nonresidential use. Off-street parking for other than residential use shall be either on the same lot or within 300 feet of the building it is intended to serve, measured from the nearest point of the building to the nearest point of the off-street parking lot. Ownership of all lots or parcels intended for use as parking by the applicant shall be shown.
c.
Residential use. Required residential off-street parking spaces shall consist of a parking strip, parking bay, driveway, garage or combination thereof and shall be located on the premises they are intended to serve, and subject to the provisions of Section 4-3-8-3 of this Chapter "accessory uses and buildings."
1.
No person shall park or leave unattended, or cause to leave parked or unattended, any vehicle, wholly or partially within any front, side or rear yard of any residential district unless such vehicle is wholly within a driveway or parking area.
2.
Parking any equipment, commercial trailers, commercial vehicles, motor homes, homemade trailers, or any equipment or special use trailer in any front yard or front yard setback, in all residential districts, is prohibited.
3.
No more than one of the following trailers may be legally parked in the driveway or an approved parking surface/area of any residential property, provided they are well maintained and no greater than twenty feet in length from hitch to tail. The trailers shall be legally registered (if required), operational, and shall not create a nuisance, visual or physical obstruction, create a safety concern, or encroach on the city right-of-way.
a)
Camping or travel trailer in stored condition and not connected to any utilities (Note: No camping or travel trailer shall be used for sleeping or cooking purposes while stored or parked within the city limits of Pekin. When preparing for a trip, electrical outlets for such travel trailer may be provided, but the installation shall be in compliance with city electrical regulations. No connected electrical extension cords shall lie on the ground or be suspended less than eight feet from the ground and may be used for no more than 24 hours. No electrical cords shall lie across any city sidewalk).
b)
Flatbed or hauling trailer that is completely empty.
c)
Truck camper properly stored and secured.
d)
Enclosed trailers with the doors closed and secured.
4.
Driveway areas used as means of ingress and egress of any residential lot, shall not exceed 24 feet in width for residential lots with less than 90 feet of frontage or 30 feet in width for residential lots with 90 feet or more of frontage, not including driveway approach flares.
5.
Only one driveway approach shall be permitted for any single-family residential lot, except that residential lots with alley access and through lots that have frontage on two parallel streets may have no more than two driveway approaches, provided that each such driveway approach and curb cut provides egress and ingress to a garage on such properties and no two driveway approaches shall be placed on the same street or alley.
6.
A driveway and/or parking area must be an improved surface constructed of a hard surface of concrete, asphalt or brick pavers for the purpose of accommodating vehicular parking. The improved surface required by this Subsection shall, at a minimum, be as wide and as long as any vehicle parked on such surface.
7.
Improved areas and any parking areas shall not occupy more than 30 percent of the combination of any required side and/or rear yards in all residential zoning districts.
8.
The construction of new or expansion of existing gravel, or similar materials for driveways and/or parking areas are not permitted from the time of approval of this Section.
9.
Expanding existing driveways or parking areas shall be contiguous and parallel to the driveway, shall not take away from the landscaping required for any front yard and shall not cause and additional storm-water runoff to be forced onto the City right-of-way.
10.
The parking of a boat, personal watercraft, or other watercraft, and a trailer for hauling the same shall be allowed in all yards within any residential district, provided that the boat, personal watercraft, other watercraft, and trailer must be parked on a hard surface of asphalt, concrete, or brick or stone pavers. In no instance shall a boat, personal watercraft, other watercraft, or trailer for hauling the same be parked in such a manner as to obstruct the view of cars pulling out of any driveway onto the street, or, in the case of corner lots, to obstruct the view of cars approaching an intersection. No parked boat, personal watercraft, other watercraft, or trailer for hauling the same may extend onto or obstruct the public right-of-way.
d.
In a residential district no vehicle may be displayed for sale except as follows:
1.
Only one vehicle may be displayed at any one time;
2.
No more than two vehicles may be displayed on any property during any calendar year;
3.
Any vehicle displayed for sale must be owned by the owner or possessor of the property on which the vehicle is displayed;
4.
Any vehicle displayed for sale must be parked on a hard surface, have a current license and be operable.
(3)
Joint parking facilities.
a.
Two or more buildings or uses may collectively provide the required off-street parking; in which case, the required number of parking spaces shall not be less than the sum of the requirements for the several individual uses computed separately.
b.
In the instance of dual function of off-street parking spaces where operating hours of buildings do not overlap, the Board of Appeals (see Chapter 2, Article VI, Division 10) may grant an exception.
(4)
Existing parking facilities. Off-street parking existing at the effective date hereof in connection with the operation of an existing building or use shall not be reduced to an amount less than hereinafter required for a similar new building or new use.
(5)
Computation of required spaces.
a.
When units or measurements determining the number of required parking spaces result in the requirement of a fractional space, any fraction up to and including one-half shall be disregarded and fractions over one-half shall require one parking space.
b.
For the purpose of computing the number of parking spaces required, shall be computed on the total usable space and occupancy load.
c.
The requirements of Section 4-3-9-3 may be reduced by one-half the minimum required spaces for those uses within the B-2 Central Business District. For those buildings existing within the B-2 District, no additional parking space need be provided when remodeling or rebuilding of structures is proposed, provided the floor area of existing structures on such site is not increased in the remodeling or rebuilding undertaken. Where floor area is increased, when modifying structures into loft apartments on the stories above the first floor parking spaces shall be provided for such increased floor area in accord with the provisions of this Article.
(6)
Surfacing of parking area and driveway. All driveways in the entire parking area, including parking spaces and maneuvering lanes, required under this Section, shall be provided with asphalt or concrete surfacing in accordance with specifications approved by the City Engineer.
(7)
Publicly owned parks and recreational facilities. In publicly owned parks and publicly owned recreational facilities, the entire parking areas, including parking spaces and maneuvering lanes, required under this Section shall be provided with sealcoat surfacing in accordance with specifications approved by the City Engineer. However, as required elsewhere by this Article, approaches from the public street to the property line (i.e., end of the public right-of-way) shall be concrete.
(Prior Code, § 9-10B-1-1; Ord. No. 2532-OA-07/08, 1-24-2008; Ord. No. 2584-OA 09/10, 5-26-2009; Ord. No. 2846-19/20, § 2, 9-23-2019; Ord. No. 2875-19/20, § 3, 3-23-2020; Ord. No. 3001-21-22, § 5, 7-26-2021; Ord. No. 4331-25-26, § 2(Exh. A), 8-25-2025)
Whenever the off-street parking requirements in Section 4-3-9-4 require the building of an off-street parking facility or where the P-1 Vehicular Parking Districts (see Subdivision VIII of Division 6 of this Article) are provided, such off-street parking lots shall be laid out, constructed and maintained in accordance with the following standards and regulations:
(1)
Permit required; site plans. No parking lot shall be constructed unless and until a permit therefor is issued by the Building Inspector. Applications for a permit shall be submitted to the Building Inspections Division of the Community Development Department and shall be accompanied with two sets of site plans for the development and construction of the parking lot showing that the provisions of this Section will be fully complied with.
(2)
Minimum requirements. Plans for the layout of off-street parking facilities shall be in accordance with the following minimum requirements:
Off-Street Parking and Loading Minimum Requirements
(3)
Access, entrances and exits.
a.
All spaces shall be provided adequate access by means of maneuvering lanes. Backing directly onto a street shall be prohibited.
b.
Adequate ingress and egress to the parking lot by means of clearly limited and defined drives shall be provided for all vehicles.
c.
All maneuvering lane widths shall permit one-way traffic movement; except, that the 90-degree pattern may permit two-way movement.
d.
Each entrance and exit to and from any off-street parking lot located in an area zoned for other than single-family residential use shall be at least 25 feet distant from adjacent property located in any single-family residential district.
(4)
Walls.
a.
That portion of any off-street parking area which is contiguous to or faces a residential district shall be provided with a continuous and obscuring wall not less than four feet, six inches in height measured from the surface of the parking area.
b.
In all cases where a wall extends to an alley which is a means of ingress and egress to an off-street parking area, it shall be permissible to end the wall not more than ten feet from such alley line in order to permit a wider means of access to the parking area.
(5)
Landscaping; removal of refuse. When a front yard setback is required, all land between said wall and front property line or street right-of-way line shall be kept free from refuse and debris and shall be landscaped with deciduous shrubs, evergreen material and ornamental trees. The ground area shall be planted and kept in lawn. All such landscaping and planting shall be maintained in a healthy, growing condition, neat and orderly in appearance.
(6)
Surfacing. The entire parking area, including parking spaces and maneuvering lanes, required under this Section, shall be provided with asphaltic or concrete surfacing in accordance with specifications approved by the City Engineer. The parking area shall be surfaced within six months of the date that the occupancy permit is issued.
(7)
Drainage. Off-street parking areas shall be drained so as to dispose of all surface water accumulated in the parking area in such a way as to preclude drainage of water onto adjacent property or toward buildings.
(8)
Lighting. All lighting used to illuminate any off-street parking area shall be so installed as to be confined within and directed onto the parking area only.
(9)
Modifications to provisions. The Zoning Board of Appeals, upon application by the property owner of the off-street parking area, may modify the yard and wall requirements where, in unusual circumstances, no good purpose would be served by compliance with the requirements of this Section.
(10)
Setbacks. Setbacks shall be as stipulated for the districts in which the parking lot is located. However, parking lots within a B-2 District shall meet the setback requirements of the B-3 Zoning District.
(Prior Code, § 9-10B-1-2; Ord. No. 1568, 1-27-1986; Ord. No. 3001-21-22, § 5, 7-26-2021)
(a)
Specifications. Parking spaces for persons with disabilities shall be provided in accordance with the Standard Specifications for Facilities for the Handicapped (paragraph IVD), as published by the Department of General Services, Office of Supervising Architect and as authorized and enforced under Illinois Revised Statutes and shall be identified by signs as being reserved for persons with disabilities.
(b)
Location. Parking spaces for persons with disabilities shall be located as close as possible to walkways and entrances.
(c)
Signs. Signs shall be provided, when necessary, indicating the direction of travel to an accessible entrance.
(Prior Code, § 9-10B-1-3)
The minimum number of off-street parking spaces by type of use shall be determined in accordance with the following schedule except in the ED-1 Zone wherein the following schedule shall serve solely as a guideline and shall not be mandatory:
Schedule of Parking Requirements
(Prior Code, § 9-10B-1-4)
On the same premises with every building, structure or part thereof involving the receipt or distribution of vehicles or materials or merchandise, there shall be provided and maintained on the lot, adequate space for standing, loading and unloading in order to avoid undue interference with public use of dedicated rights of way. Such space shall be provided as follows:
(1)
All spaces shall be provided as required in Section 4-3-7-1(n), under the footnote (h), except as hereinafter provided for I Districts.
(2)
Within an I District, all spaces shall be laid out in the dimension of at least ten feet by 50 feet or 500 square feet in area with a clearance of at least 14 feet in height. Loading dock approaches shall be provided with a pavement having an asphaltic or Portland cement binder so as to provide a permanent, durable and dustless surface. All spaces in I-1 and I-2 Districts shall be provided in the following ratio of spaces to floor area:
Off-Street Loading Requirements
(3)
All loading and unloading in an I District shall be provided off-street in the rear yard or interior side yard and shall in no instance be permitted in a front yard. In those instances where exterior side yards have a common relationship with an industrial district across a public thoroughfare, loading and unloading may take place in said exterior side yard when the setback is equal to at least 50 feet.
(Prior Code, § 9-10B-2)
The authority to enforce the provisions of this division shall be the joint responsibility of the City of Pekin Community Development Department and the City of Pekin Police Department.
(Prior Code, § 9-10B-3; Ord. No. 2422-OA, 3-28-2005)
It is the intent and purpose of this Division to provide regulations regarding the cultivation, processing, dispensing, and transporting of adult-use cannabis, and the cultivation and dispensing of medical cannabis occurring within the corporate limits of the City. Such facilities shall comply with all regulations provided in the Medical Cannabis Act, the CRTA, and the regulations provided in this Article. In the event that the Medical Cannabis Act or the CRTA is amended, the more restrictive of the state or the city regulations (as established in this Article) shall apply.
(Ord. No. 1568-A212-19/20, § 8(9-10C-1), 11-25-2019)
A cannabis business establishment facility shall require approval as a special use in the respective zoning use district in which such facility is to be located, in accordance with the provisions of this Article.
(1)
In determining compliance with this Article and eligibility as a special use, the following factors shall be considered, taking into account the entirety of the circumstances affecting the particular property for which the special use is sought in the context of the existing and intended future use of the adjacent and nearby properties:
a.
Impact of the proposed facility on existing or planned uses located within the vicinity of the subject property.
b.
Proposed structure in which the facility will be located, including co-tenancy (if in a multi-tenant building), total square footage, security installations and security plan, and building code compliance.
c.
Hours of operation and anticipated number of customers/employees.
d.
Anticipated parking demand, available private parking supply, and parking requirements established in Division 9 of this Article.
e.
Anticipated traffic generation in the context of adjacent roadway capacity and access to such roadways.
f.
Site design, including access points and internal site circulation.
g.
Proposed signage plan.
h.
Compliance with all requirements of the specific section in this Division for the particular type of Cannabis Business Establishment that is being proposed, as applicable.
i.
Other criteria determined to be necessary to assess compliance with the provisions of this Article.
(2)
Any special use permit authorized under this Article shall be issued by the Zoning Administrator, and must be renewed annually by the applicant. If, at any time, the applicant ceases to use said special use permit for the premises authorized, said special use permit shall lapse and become void. The Zoning Administrator may provide further rules and regulations and/or fees to be charged to an applicant to obtain a permit.
(3)
Any special use permit issued pursuant to this Article may be revoked by the City Council upon finding that any conditions of the special use set forth herein have been violated. Prior to revocation of any special use permit issued hereunder, a hearing shall be held before the Zoning Board of Appeals of the City, which Commission shall make a report of its findings to the City Council regarding whether the conditions of the special use have been violated.
(Ord. No. 1568-A212-19/20, § 8(9-10C-2), 11-25-2019; Ord. No. 3001-21-22, § 5, 7-26-2021)
In those zoning use districts in which an adult-use cannabis craft grower may be located, the proposed facility must comply with the following:
(1)
The facility may not be located within 400 feet of the property line of a preexisting place of worship, public or private nursery school, preschool, primary or secondary school, college, university, community or junior college, vocational or trade school, learning center or academy, driving school, cosmetology school, day care center, licensed day care home or group day care home, part day child care facility licensed residential care home, or area zoned for residential use.
(2)
The facility may not conduct any sales or distribution of cannabis other than as authorized by the CRTA.
(3)
For purposes of determining required parking, adult-use cannabis craft growers shall be classified as industrial or research establishments and related accessory offices per Section 4-3-9-4; provided, however, that the City may require that additional parking be provided as a result of the analysis completed through Section 4-3-10-2.
(4)
No more than one adult-use cannabis craft grower shall be granted a special use under this Division or otherwise permitted to operate in the City.
(5)
The facility shall operate in compliance with all applicable state and local laws, including the CRTA and the provisions of this Article.
(Ord. No. 1568-A212-19/20, § 8(9-10C-3), 11-25-2019)
In those zoning use districts in which an adult-use cannabis cultivation center may be located, the proposed facility must comply with the following:
(1)
The facility may not be located within 400 feet of the property line of a preexisting place of worship, public or private nursery school, preschool, primary or secondary school, college, university, community or junior college, vocational or trade school, learning center or academy, driving school, cosmetology school, day care center, licensed day care home or group day care home, part day child care facility licensed residential care home, or area zoned for residential use.
(2)
The facility may not conduct any sales or distribution of cannabis other than as authorized by the CRTA.
(3)
For purposes of determining required parking, adult-use cannabis cultivation centers shall be classified as industrial or research establishments and related accessory offices per Section 4-3-9-4; provided, however, that the City may require that additional parking be provided as a result of the analysis completed through Section 4-3-10-2.
(4)
No more than one adult-use cannabis cultivation center shall be granted a special use under this Division or otherwise permitted to operate in the City.
(5)
The facility shall operate in compliance with all applicable state and local laws, including the CRTA and the provisions of this Article.
(Ord. No. 1568-A212-19/20, § 8(9-10C-4), 11-25-2019)
In those zoning use districts in which an adult-use cannabis dispensing organization may be located, the proposed facility must comply with the following:
(1)
The facility may not be located within 100 feet of the property line of a preexisting place of worship, public or private nursery school, preschool, primary or secondary school, college, university, community or junior college, vocational or trade school, learning center or academy, driving school, cosmetology school, day care center, licensed day care home, or licensed residential care home.
(2)
At least 75 percent of the floor area of any tenant space occupied by the facility shall be devoted to the activities of the dispensing organization as authorized by the CRTA.
(3)
The facility may not conduct any sales or distribution of cannabis other than as authorized by the CRTA.
(4)
For purposes of determining required parking, adult-use cannabis dispensing organizations shall be classified as retail stores, except as otherwise specified herein per Section 4-3-9-4; provided, however, that the City may require that additional parking be provided as a result of the analysis completed through Section 4-3-10-2.
(5)
No more than three adult-use cannabis dispensing organizations shall be granted a special use under this Article or otherwise permitted to operate in the City.
(6)
The hours of operation for an adult-use cannabis dispensing organization shall not be earlier than 6:00 a.m. and not later than 10:00 p.m.
(7)
No person under the age of 21 years shall be allowed to enter an adult-use cannabis dispensing organization; provided, however, that if the facility is also licensed as a medical cannabis dispensing organization, persons under the age of 21 years may be permitted to enter to the extent authorized by Section 4-3-10-10.
(8)
No person shall reside in or permit any person to reside in an adult-use cannabis dispensing organization.
(9)
No outdoor seating areas shall be permitted.
(10)
No drive-through services or sales shall be permitted.
(11)
The facility shall operate in compliance with all applicable state and local laws, including the CRTA and the provisions of this Article.
(Ord. No. 1568-A212-19/20, § 8(9-10C-5), 11-25-2019)
In those zoning districts in which an Adult-Use Cannabis Infuser Organization may be located, the proposed facility must comply with the following:
(1)
The facility may not be located within 100 feet of the property line of a preexisting place of worship, public or private nursery school, preschool, primary or secondary school, college, university, community or junior college, vocational or trade school, learning center or academy, driving school, cosmetology school, day care center, licensed day care home, or licensed residential care home.
(2)
At least 75 percent of the floor area of any tenant space occupied by an infusing organization shall be devoted to the activities of the infusing organization as authorized by the CRTA. The facility may not conduct any sales or distribution of cannabis other than as authorized by the CRTA.
(3)
For purposes of determining required parking, adult-use cannabis craft growers shall be classified as industrial or research establishments and related accessory offices per Section 4-3-9-4; provided, however, that the City may require that additional parking be provided as a result of the analysis completed through Section 4-3-10-2.
(4)
No more than one Adult-Use Cannabis Infuser Organization shall be granted a special use under this Article or otherwise permitted to operate in the City.
(5)
The facility shall operate in compliance with all applicable state and local laws, including the CRTA and the provisions of this Article.
(Ord. No. 1568-A212-19/20, § 8(9-10C-6), 11-25-2019)
In those zoning districts in which an Adult-Use Cannabis Processing Organization may be located, the proposed facility must comply with the following:
(1)
Facility may not be located within 100 feet of the property line of a preexisting place of worship, public or private nursery school, preschool, primary or secondary school, college, university, community or junior college, vocational or trade school, learning center or academy, driving school, cosmetology school, day care center, licensed day care home, or licensed residential care home.
(2)
At least 75 percent of the floor area of any tenant space occupied by a processing organization shall be devoted to the activities of the processing organization as authorized by the CRTA. The facility may not conduct any sales or distribution of cannabis other than as authorized by the CRTA.
(3)
For purposes of determining required parking, adult-use cannabis craft grower shall be classified as industrial or research establishments and related accessory offices per Section 4-3-9-4; provided, however, that the City may require that additional parking be provided as a result of the analysis completed through Section 4-3-10-2.
(4)
No more than one adult-use cannabis processing organization shall be granted a special use under this Article or otherwise permitted to operate in the City.
(5)
The facility shall operate in compliance with all applicable state and local laws, including the CRTA and the provisions of this Article.
(Ord. No. 1568-A212-19/20, § 8(9-10C-7), 11-25-2019)
In those zoning districts in which an Adult-Use Transporting Organization may be located, the proposed facility must comply with the following:
(1)
The facility may not be located within 100 feet of the property line of a preexisting place of worship, public or private nursery school, preschool, primary or secondary school, college, university, community or junior college, vocational or trade school, learning center or academy, driving school, cosmetology school, day care center, licensed day care home, or licensed residential care home.
(2)
The transporting organization shall be the sole use of the tenant space in which it is located. The facility may not conduct any sales or distribution of cannabis other than as authorized by the CRTA.
(3)
For purposes of determining required parking, adult-use cannabis craft grower shall be classified as industrial or research establishments and related accessory offices per Section 4-3-9-4; provided, however, that the City may require that additional parking be provided as a result of the analysis completed through Section 4-3-10-2.
(4)
No more than three Adult-Use Cannabis Transporting Organizations shall be granted a special use under this Division or otherwise permitted to operate in the City.
(5)
The facility shall operate in compliance with all applicable state and local laws, including the CRTA and the provisions of this Article.
(Ord. No. 1568-A212-19/20, § 8(9-10C-8), 11-25-2019)
In those zoning districts in which a medical cannabis cultivation center may be located, the proposed facility must comply with the following:
(1)
Unless otherwise provided by law, facility may not be located within 400 feet of the property line of a preexisting place of worship, public or private preschool, primary or secondary school, college, university, community or junior college, vocational or trade school, learning center or academy, driving school, cosmetology school, day care center, licensed day care home, group day care home, part day child care facility, or area zoned for residential use.
(2)
The facility may not conduct any sales or distribution of cannabis other than as authorized by the Medical Cannabis Act.
(3)
For purposes of determining required parking, medical cannabis cultivation centers shall be classified as industrial or research establishments and related accessory offices per Section 4-3-9-4; provided, however, that the City may require that additional parking be provided as a result of the analysis completed through Section 4-3-10-2.
(4)
No more than one medical cannabis cultivation center shall be granted a special use under this Article or otherwise permitted to operate in the City.
(5)
The facility shall operate in compliance with all applicable state and local laws, including the Medical Cannabis Act and the provisions of this Article.
(Ord. No. 1568-A212-19/20, § 8(9-10C-9), 11-25-2019)
In those zoning districts in which a medical cannabis dispensary organization may be located, the proposed facility must comply with the following:
(1)
A facility may not be located within 100 feet of the property line of a preexisting place of worship, public or private nursery school, preschool, primary or secondary school, college, university, community or junior college, vocational or trade school, learning center or academy, driving school, cosmetology school, day care center, licensed day care home, or licensed residential care home.
(2)
At least 75 percent of the floor area of any tenant space occupied by the facility shall be devoted to the activities of the dispensing organization as authorized by the CRTA.
(3)
A facility may not conduct any sales or distribution of cannabis other than as authorized by the Medical Cannabis Act.
(4)
For purposes of determining required parking, medical cannabis dispensing organizations shall be classified as retail stores, except as otherwise specified per Section 4-3-9-4; provided, however, that the City may require that additional parking be provided as a result of the analysis completed through Section 4-3-10-2.
(5)
No person under the age of 18 years shall be allowed to enter a medical cannabis dispensing organization unless accompanied by a parent or guardian.
(6)
No person shall reside in or permit any person to reside in a medical cannabis dispensing organization.
(7)
No outdoor seating areas shall be permitted.
(8)
No drive-through services or sales shall be permitted.
(9)
Hours of operation shall not be earlier than 6:00 a.m. and not later than 10:00 p.m.
(10)
A facility shall operate in compliance with all applicable state and local laws, including the Medical Cannabis Act and the provisions of this Article.
(Ord. No. 1568-A212-19/20, § 8(9-10C-10), 11-25-2019)
The City may approve the co-location of an adult-use cannabis dispensing organization with an adult-use cannabis craft grower center or an adult-use cannabis infuser organization, or both, subject to the provisions of the CRTA and the special use criteria set forth in this Article. In a co-location, the floor space requirements of Sections 4-3-10-5(2) and 4-3-10-6(2) shall not apply, but the co-located establishments shall be the sole use of the tenant space.
(Ord. No. 1568-A212-19/20, § 8(9-10C-11), 11-25-2019)
No on-site use or consumption of cannabis shall be permitted at any cannabis business establishment in the City or at any other retail or service business, private club, or similar organization location in the City. Additionally, no on-site consumption shall be permitted of food, beverages, or other products sold at a cannabis business establishment in the City.
(Ord. No. 1568-A212-19/20, § 8(9-10C-12), 11-25-2019)
A petitioner shall install building enhancements, such as security cameras, lighting or other improvements, as set forth in the special use permit, to ensure the safety of employees and customers of the cannabis business establishments, as well as its environs. Said improvements shall be determined based on the specific characteristics of the floor plan for a cannabis business establishment and the site on which it is located, consistent with the requirements of the CRTA and the Medical Cannabis Act.
(Ord. No. 1568-A212-19/20, § 8(9-10C-13), 11-25-2019)
An application for a special use under this Article shall be processed in the same manner and with the same review and approval process as required for a special use under Division 2 of this Article, except the standards set forth in Section 4-3-10-2 shall apply in lieu of any standards set forth elsewhere in this Article. The application for a special use filed by a petitioner shall include an affidavit affirming compliance with the applicable section of this Article, all requirements of the CRTA and/or Medical Cannabis Act, as applicable, and any stipulations or conditions imposed during the review and approval process.
(Ord. No. 1568-A212-19/20, § 8(9-10C-14), 11-25-2019)
The regulations in this Division shall be subject to the interpretations and exceptions provided in this Article.
(Prior Code, § 9-11-1)
(a)
Lot area. Any lot existing and of record on the effective date hereof may be used for any principal use permitted, other than conditional uses for which special lot area requirements are specified in this Article, in the district in which such lot is located, whether or not such lot complies with the lot area and width requirements of this Article. Such use may be made, provided that all requirements other than lot area complied with, and provided that not more than one dwelling unit shall occupy any lot except in conformance with the provisions of this Article for required lot area for each dwelling unit.
(b)
Yards.
(1)
Modification to yard regulations. When yard regulations cannot reasonably be complied with or where their application cannot be determined on lots of peculiar shape, topography or due to architectural or site arrangement, such regulations may be modified or determined by the Board of Appeals (see Chapter 2, Article VI, Division 10).
(2)
Projections into yards.
a.
An open, unenclosed (with a roof only and no walls) porch or hard surface terrace may project into a rear yard for a distance not exceeding eight feet, into the minimum rear yard setback
b.
Architectural features, not including vertical projections, may extend or project into a required side yard not more than four inches for each one foot of width of such side yard and may extend or project into a required front yard or rear yard not more than three feet.
c.
A handicap access ramp may extend into any required yard setback, provided that:
1.
The ramp complies with the applicable construction and building codes and accessibility standards.
2.
The ramp is not entered from or exited into a public sidewalk or right of way.
(3)
Access through yards. For the purpose of this Article, access drives may be placed in the required front or side yards so as to provide access to rear yards or accessory or attached structures. These drives shall not be considered as structural violations in front and side yards. Further, any walk, terrace or other pavement servicing a like function and not in excess of nine inches above the grade upon which placed shall, for the purpose of this Article, not be considered to be a structure and shall be permitted in any required yard.
(c)
Height limits. The height limitations of this Article shall not apply to farm buildings, chimneys, church spires, flagpoles, public monuments or wireless transmission towers; provided, however, that the Board of Appeals (see Chapter 2, Article VI, Division 10) may specify a height limit for any such structure when such structure required authorization as a conditional use.
(Prior Code, § 9-11-2)
Essential services shall be permitted as authorized and regulated by law and other ordinances of the City, it being the intention hereof to exempt such essential services from the application of this Article.
(Prior Code, § 9-11-3; Ord. No. 2983-21-22, § 2, 6-28-2021)
The provisions of this Article shall not be so construed as to interfere with the temporary use of any property as a voting place in connection with a Municipal or other public election.
(Prior Code, § 9-11-4)
(a)
Residences existing in B-1, B-2, B-3, I-1 and I-2 Districts shall not be considered as nonconforming uses for the purposes of remodeling or such residences.
(b)
Businesses or offices existing in I-1 and I-2 Districts shall not be considered as nonconforming uses for the purposes of remodeling or such offices or business buildings.
(Prior Code, § 9-11-5)
Television reception towers and satellite reception antennas shall be permitted in all districts, subject to the following conditions:
(1)
Television reception towers. Television reception towers shall be located centrally on a continuous parcel of not less than 1½ times the height of the tower to a point on each property line and shall meet the following conditions:
a.
The height of television reception towers shall not exceed the following heights by district:
Television Reception Tower Maximum Height
b.
The construction of the tower shall meet all applicable Building Codes and ordinances of the City. (see Article I of this Chapter.)
(2)
Satellite reception antennas. A satellite reception antenna may be permitted as an accessory use in any district subject to the following conditions:
a.
Roof-mounted antennas.
1.
Residential districts.
(i)
Satellite reception antenna shall be mounted directly upon the roof of the main or accessory building and shall not be upon appurtenances such as chimneys and towers.
(ii)
Satellite reception antenna shall not exceed a height of more than three feet above the roof on which it is mounted, and in no instance shall such antenna exceed the height limit of the district nor shall such antenna be located on the street side of such roof.
2.
Nonresidential districts. Satellite reception antenna shall not exceed the maximum height of structure requirements for the district in which it is located.
b.
Ground-mounted antennas.
1.
Residential districts.
(i)
Satellite reception antenna shall not be constructed in any front or side yard.
(ii)
Satellite reception antenna, including its concrete base slab or other substructure, shall be constructed not less than ten feet from any property line.
(iii)
Satellite reception antenna shall be constructed with appropriate landscaping to reasonably conceal said satellite reception antenna from view. Planting shall be completed before final approval by the Building Inspector.
(iv)
Satellite reception antenna shall not exceed a height of 14 feet.
2.
Nonresidential districts.
(i)
Satellite reception antenna, including its concrete base slab or other substructure, shall not be constructed less than five feet from any property line.
(ii)
Satellite reception antenna located on properties abutting a residential district shall be appropriately landscaped to reasonably conceal such antenna from the abutting residential district.
c.
Mobile units. Satellite reception antenna mobile units utilized for sales demonstrations may be granted temporary permits for periods not to exceed 72 hours by the Building Inspector. Such units shall be located in accord with locational requirements for a permanent installation or as nearly thereto as possible. In those instances where a front yard installation may be required, such temporary installation shall not be permitted to exceed a 24-hour period. Locations for temporary installation shall be established prior to issuance of a permit for such installation.
d.
Electrical requirements. All satellite reception antennas shall be grounded, and in the case of ground-mounted antennas, wiring between the antenna and the receiver shall be placed at least four inches beneath the surface of the ground.
(Prior Code, § 9-11-6)
Wind generators may be permitted in rear yards when the following conditions are met:
(1)
Height. The highest point of any portion of the generator shall not exceed 35 feet above the average grade of the lot.
(2)
Location. The generator device shall be placed no closer to any side or rear lot line than the total distance between the grade of the lot at the base of the tower and the highest point of any portion of the generator.
(3)
Size. The maximum diameter formed by a circle encompassing the outer-most portions of the blades or other wind-activated surfaces shall not exceed 30 percent of the distance between the ground and the highest point of any portion of the wind generator. The generator shall be so located that no portion of the structure would penetrate the vertical plane of any adjacent property line if it were to topple over in its normal assembled configuration.
(4)
Construction requirements. The construction of the tower, blades, base structure, accessory building and wiring shall meet all applicable local Building Codes and Ordinances (see Article I of this Chapter).
(Prior Code, § 9-11-7)
(a)
Purpose. The purpose of this Section is to facilitate the construction, installation, and operation of Solar Energy Systems (SES) in the City of Pekin in a manner that promotes economic development and ensures the protection of health, safety, and welfare while also avoiding adverse impacts to important areas such as agricultural lands, endangered species habitats, conservation lands, and other sensitive lands. It is the intent of this Section to encourage the development of SESs that reduce reliance on foreign and out-of-state energy resources, bolster local economic development and job creation. This Section is not intended to abridge safety, health or environmental requirements contained in other applicable codes, standards, or ordinances. The provisions of this Section shall not be deemed to nullify any provisions of local, State or Federal law.
(b)
Definitions. The following words, terms and phrases, when used in this Section, shall have the meanings ascribed to them in this Subsection, except where the concept clearly indicates a different meaning:
Building integrated photovoltaic systems means a Solar Energy System that consists of integrating photovoltaic modules into the building structure as the roof or façade and which does not alter the relief of the roof.
Collective solar means solar installations owned collectively through subdivision homeowner associations, college student groups, or other similar arrangements.
Commercial/large scale solar farm means a utility scale commercial facility that converts sunlight to electricity, whether by photovoltaics, concentrating solar thermal devices, or various experimental technologies for onsite or offsite use with the primary purpose of selling wholesale or retail generated electricity.
Community solar garden means a community solar-electric (photovoltaic) array, of no more than ten acres in size, that provides retail electric power (or financial proxy for retail power) to multiple households or businesses residing in or located off-site from the location of the Solar Energy System.
Ground mount solar energy system means a Solar Energy System that is directly installed into the ground and is not attached or affixed to an existing structure.
Net metering means a billing arrangement that allows solar customers to get credit for excess electricity that they generate and deliver back to the grid so that they only pay for their net electricity usage at the end of the month.
Photovoltaic system means a Solar Energy System that produces electricity by the use of semi-conductor devices calls photovoltaic cells that generate electricity whenever light strikes them.
Qualified solar installer means a trained and qualified electrical professional who has the skills and knowledge related to the construction and operation of solar electrical equipment and installations and has received safety training on the hazards involved. A qualified solar installer must also be listed as a certified distributed generation installer with the Illinois Commerce Commission.
Roof mount means a Solar Energy System in which solar panels are mounted on top of a building roof as either a flush mounted system or as modules fixed to frames which can be tilted toward the south at an optical angle.
Solar access means unobstructed access to direct sunlight on a lot or building through the entire year, including access across adjacent parcel air rights, for the purpose of capturing direct sunlight to operate a Solar Energy System.
Solar collector means a device, structure or part of a device or structure for which the primary purpose is to transform solar radiant energy into thermal, mechanical, chemical or electrical energy.
Solar energy means radiant energy received from the sun that can be collected in the form of heat or light by a solar collector.
Solar Energy System (SES) means the components and subsystems required to convert solar energy into electric or thermal energy suitable for use. The area of the system includes all the land inside the perimeter of the system, which extends to any fencing. The term "Solar Energy System" applies, but is not limited to, solar photovoltaic systems, solar thermal systems and solar hot water systems.
Solar storage battery/unit means a component of a solar energy device that is used to store solar generated electricity or heat for later use.
Solar thermal systems. Solar thermal systems directly heat water or other liquid using sunlight. The heated liquid is used for such purposes as space heating and cooling, domestic hot water and heating pool water.
(c)
Permitted ground mount and roof mount SES. Ground mount and roof mount SES shall be permitted by a building permit in all zoning districts where there is a principal use. A building permit application shall be submitted to the Director of Building Inspections, with a written plan and a drawing for the proposed Solar Energy System also submitted with the permit application. The drawing must show the location of the system on the building or on the property (for ground-mount system, show arrangement of panel), with all property lines and setback dimensions indicated on the drawing. Additional information shall be provided to demonstrate compliance with the following restrictions:
(1)
Height.
a.
Building- or roof-mounted Solar Energy Systems shall not exceed the maximum allowed height for principal structures in any zoning district.
b.
Ground- or pole-mounted Solar Energy Systems shall not exceed the maximum permitted height for an accessory structure when oriented at maximum tilt.
c.
Ground-mounted Solar Energy Systems may not be placed in the front yard.
(2)
Setbacks.
a.
Ground-mounted Solar Energy Systems shall meet the applicable setbacks for the zoning district in which the unit is located.
b.
Ground-mounted Solar Energy Systems shall not extend beyond the side yard or rear yard setback when oriented at minimum design tilt.
c.
In addition to building setbacks, the collector surface and mounting devices for roof-mounted systems shall not extend beyond the exterior perimeter of the building on which the systems are mounted or built, unless the collector or mounting system has been engineered to safely extend beyond the edge, and setback requirements are not violated. Exterior piping for solar thermal systems shall be allowed to extend beyond the perimeter of the building on a side yard exposure.
(3)
Reflection angles. Reflection angles for solar collectors shall be oriented such that they do not project glare onto adjacent properties.
(4)
Visibility. Solar Energy Systems shall be located in a manner to reasonably minimize view blockage for surrounding properties and shading of property to the north while still providing adequate solar access for collectors.
(5)
Safety.
a.
Roof- or building-mounted Solar Energy Systems, excluding building integrated systems, shall allow for adequate roof access for firefighting purposes to the south facing or flat roof upon which the panels are mounted.
b.
Roof- or building-mounted Solar Energy Systems shall meet the requirements of the Pekin City Code regarding building regulations.
c.
All Solar Energy System installations shall be performed by a qualified solar installer.
d.
Any connection to the public utility grid shall be inspected by the appropriate public utility.
e.
All Solar Energy Systems shall be maintained and kept in good working order. If it is determined that a Solar Energy System is not being maintained, kept in good working order, or is no longer being utilized to perform its intended use for six consecutive months, the property owner shall be given a 30-day notice for removal or repair of the unit and all equipment. If the Solar Energy System is not removed or repaired within 30 days, then a notice of violation and a notice to appear before the City court as an ordinance violation shall be delivered to the property owner.
(6)
Approved solar components. Electric solar energy system components shall have a UL listing or approved equivalent and solar hot water systems shall have a Solar Rating and Certification Corporation (SRCC) rating.
(7)
Restrictions on Solar Energy Systems limited. Consistent with 765 ILCS 165/1 et seq., no homeowner's agreement, covenant, common interest community or other contracts between multiple property owners within a subdivision incorporated in the City of Pekin shall prohibit or restrict homeowners from installing Solar Energy Systems.
(8)
Lighting for solar gardens/farms. Any lighting for solar gardens/farms shall be installed for security and safety purposes only. Except for lightening that is required by the FCC or FAA, all lighting shall be shielded so that no glare extends substantially beyond the boundaries of the facility.
(d)
Community solar gardens (SES). Development of community solar gardens is permitted by Special Use as a principal use in all zoning districts subject to the following requirements:
(1)
Rooftop gardens permitted. Rooftop gardens are a special use in all zoning districts where buildings are permitted.
(2)
Ground mount gardens. Ground mount community Solar Energy Systems must be less than ten acres in total size, and require a Special Use in all districts. Ground-mount solar developments covering more than ten acres shall be considered a solar farm.
(3)
Interconnection. An interconnection agreement must be completed with the electric utility in whose service the territory the system is located.
(4)
Dimensional standards. All solar garden-related structures in newly platted and existing platted subdivisions shall comply with the applicable setback, height, and coverage limitations for the district in which the system is located.
(5)
Other standards.
a.
Ground mount systems shall comply with all required standards for structures in the district in which the system is located.
b.
All solar gardens shall comply with all City Code procedures regarding Special Use permits.
c.
All solar gardens shall also comply with all other State and local requirements.
(e)
Commercial/large scale solar farm (SES). Ground mount Solar Energy Systems that are the primary use of the lot, and are designed for providing energy to off-site uses or export to the wholesale market require a Special Use, and shall be permitted with such Special Use only in the I-1 and I-2 Industrial Districts. The following information shall also be submitted as part of the application and/or the following restrictions shall apply:
(1)
Site plan—Existing conditions. A site plan with existing conditions showing the following:
a.
Existing property lines and property lines extending one hundred feet from the exterior boundaries including the names of adjacent property owners and the current use of those properties.
b.
Existing public and private roads, showing widths of the road and any associated easements.
c.
Location and size of any abandoned wells or sewage treatment systems.
d.
Existing buildings and impervious surfaces.
e.
A contour map showing topography at two-foot intervals. A contour map of surrounding properties may also be required.
f.
Existing vegetation — list type and percent of coverage (i.e., cropland/plowed fields, grassland, wooded areas, etc.).
g.
Any delineated wetland boundaries.
h.
A copy of the current FEMA FIRM maps that shows the subject property, including the 100-year floor elevation and any regulated flood protection elevation, if available.
i.
Surface water drainage patterns.
j.
The location of any subsurface drainage tiles.
(2)
Site plan—Proposed conditions. A site plan of proposed conditions showing the following:
a.
Location and spacing of the solar panels.
b.
Location of access roads.
c.
Location of underground or overhead electric lines connecting the solar farm to a building, substation or other electric load.
d.
New electrical equipment other than at the existing building or substation that is to be the connection point for the solar farm.
(3)
Fencing and weed/grass control.
a.
To promote and maintain the absorption of stormwater, a pervious softscape shall be installed under and around the solar array.
b.
The applicant shall submit an acceptable weed/grass control plan for property inside and outside the fenced area for the entire property. The operating company or successor during the operation of the solar farm shall adhere to the weed/grass control plan.
c.
Perimeter fencing having a maximum height of eight feet shall be installed around the boundary of the solar farm. The fence shall contain appropriate warning signage that is posted such that it is clearly visible on the site.
d.
The applicant shall maintain the fence and adhere to the weed/grass control plan. If the operating company does not adhere to the proposed plan, a fine of $500.00 per week will be assessed until the operating company or successor complies with the weed/grass control and fencing requirements.
(4)
Manufacture's specifications. The manufacturer's specifications and recommended installation methods for all major equipment, including solar panels, mounting systems and foundations for poles and racks.
(5)
Connection and interconnection.
a.
A description of the method of connecting the solar array to a building or substation.
b.
Utility interconnection details and a copy of written notification to the utility company requesting the proposed interconnection.
(6)
Setbacks. Commercial/large scale solar farm (SES) ground-mounted Solar Energy Systems shall meet the applicable setbacks for the zoning district in which the unit is located.
(7)
Aviation protection. For Solar Energy Systems located within 500 feet of an airport or within approach zones of an airport, the applicant shall complete and provide the results of the Solar Glaze Hazard Analysis Tool (SGHAT) for the airport traffic control tower cab and final approach paths, consistent with the Interim Policy, FAA Review of Solar Energy Projects on Federal Obligated Airports, or most recent version adopted by the FAA.
(8)
Fire protection. A fire protection plan for the construction and the operation of the facility, and emergency access to the site.
(9)
Endangered species and wetlands. Solar farm developers shall be required to initiate a natural resource review consultation with the Illinois Department of Natural Resources (IDNR) through the Department's online EcoCat Program. Areas reviewed through this process will be endangered species and wetlands. The cost of the EcoCat consultation shall be borne by the developer.
(10)
Road use agreements. All routes on City roads that will be used for the construction and maintenance purposes shall be identified on the site plan. All routes for either egress or ingress need to be shown. The routing shall be approved subject to the approval of the City of Pekin. The solar farm developer shall complete and provide a preconstruction baseline survey to determine existing road conditions for assessing potential future damage due to development related traffic. The development shall provide a road repair plan to ameliorate any and all damage, installation or replacement of roads that might be required by the City or the developer. The developer shall provide a letter of credit or surety bond in an amount and form approved by City officials when warranted.
(11)
Decommissioning of the solar farm. The developer shall provide a decommissioning plan for the anticipated service life of the facility or in the event the facility is abandoned or had reached its life expectancy. If the solar farm is out of service or not producing electrical energy for a period of 12 months, it will be deemed nonoperational and decommissioning and removal of that facility will need to commence according to the decommissioning plan as provided and approved. A cost estimate for the decommissioning of the facility shall be prepared by a professional engineer or contractor who has expertise in the removal of the solar farm. The decommissioning cost estimate shall explicitly detail the cost before considering any projected salvage value of the out-of-service solar farm. The decommissioning cost shall be made by a cash, surety bond or irrevocable letter of credit before construction commences. Further, a restoration plan shall be provided for the site with the application. The decommissioning plan shall have the following provided:
a.
Removal of the following within six months:
1.
All solar collectors and components, aboveground improvements and outside storage.
2.
Foundations, pads and underground electrical wires ad reclaim site to a depth of four feet below the surface of the ground.
3.
Hazardous material from the property and dispose in accordance with Federal and State law.
b.
The decommissioning plan shall also recite an agreement between the applicant and the City that:
1.
The financial resources for decommissioning shall be in the form of a surety bond, or shall be deposited in an escrow account with an escrow agent acceptable to the Building Inspections/Development Director.
2.
A written escrow agreement will be prepared, establishing upon what conditions the funds will be disbursed.
3.
The City shall have access to the escrow account funds for the expressed purpose of completing decommissioning if decommissioning is not completed by the applicant within six months of the end of project life or facility abandonment.
4.
The City is granted the right of entry onto the site, pursuant to reasonable notice, to effect or complete decommissioning.
5.
The City is granted the right to seek injunctive relief to effect or complete decommissioning, as well as the City's right to seek reimbursement from applicant or applicant successor for decommissioning costs in excess of the amount deposited in escrow and to file a lien against any real estate owned by applicant or applicant's successor, or in which they have an interest, for the amount of the excess, and to take all steps allowed by law to enforce said lien.
(f)
Compliance with Building Code. All Solar Energy Systems shall comply with the ordinances of the City of Pekin, as well as all Federal and State requirements.
(g)
Liability insurance. The owner/operator of the solar farm shall maintain a current general liability policy covering bodily injury and property damage and name the City of Pekin as an additional insured with limits of at least $2,000,000.00 per occurrence and $5,000,000.00 in the aggregate with a deductible of no more than $5,000.00.
(h)
Administration and enforcement. The Building Inspections/Development Director shall enforce the provisions of this Section through an inspection of the solar farm every year. The Director of Building Inspections is hereby granted the power and authority to enter upon the premises of the solar farm at any time by coordinating a reasonable time with the operator/owner of the facility. Any person, firm or cooperation who violates, disobeys, omits, neglects, refuses to comply with, or resists enforcement of any of the provisions of this Section may face fines of not less than $25.00 nor more than $750.00 for each offense.
(i)
Fees charged for building permits. The fees for processing the applications for building permits for Solar Energy Systems shall be set from time to time by the City Council and collected by the Director of Building Inspections who shall be accountable to the City for such fees.
(Ord. No. 2805-18/19, § 9-11-8, 11-13-2018; Ord. No. 4195-24-25, § 2, 6-10-2024)
This code shall be known as the Telecommunications Tower and Equipment Code of the City of Pekin, Illinois, and may be so cited and pleaded and shall be referred to herein as the Code.
(Prior Code, § 9-13-1)
The primary intent of this Code is to regulate telecommunications towers and equipment to be located within the City of Pekin. Therefore, the purpose of this Code shall be to:
(1)
Comply with all Federal and State regulations regarding the placement, use, and maintenance of telecommunications towers and equipment.
(2)
Encourage the continued improvement of wireless telecommunications service in the City.
(3)
Minimize, to the extent permitted by law, the proliferation of unsightly towers and equipment throughout the City.
(4)
Promote both property maintenance and renovation of telecommunications equipment.
(5)
Encourage the use of co-location of telecommunications towers by multiple providers so as to reduce the number of towers needed within the City.
(6)
Ensure that these regulations are compatible with the zoning regulations.
(7)
Recognize the commercial communication requirements of all sectors of the business and residential community.
(Prior Code, § 9-13-2)
The following words, terms and phrases, when used in this Division, shall have the meanings ascribed to them in this Section, except where the context clearly indicates a different meaning:
Antenna means any structure or device not exceeding 20 feet in height which is used for the purpose of collecting or transmitting electromagnetic waves, including, but not limited to, directional antennas, such as panels, microwave dishes, and satellite dishes and omni directional antennas, such as whip antennas.
Attached wireless communication facility (attached WCF) means an antenna that is attached to an existing building or structure, which structures shall include, but not be limited to, utility poles, signs, water towers, with any accompanying pole or device which attaches the antenna to the existing building or structure and associated connection cables, and an accessory building which may be located either inside or outside of the attachment structure.
Co-location/site sharing means use of a common WCF or common site by two or more wireless license holders or by one wireless license holder for more than one type of communications technology and/or placement of a WCF on a structure owned or operated by a utility or other public entity.
Commercial wireless telecommunication services mean licensed commercial wireless telecommunication services, including cellular, personal communication services (PCS), specialized mobilized radio (SMR), enhanced specialized mobilized radio (ESMR), paging, and similar services, that are marketed to the general public.
Support structure means a structure designed and constructed specifically to support an antenna, and may include a monopole, self-supporting (lattice) tower, guy-wire-support tower and other similar structures. Any device which is used to attach an Attached WCF to an existing building or structure shall be excluded from the definition of support structures.
Tower means any ground or roof-mounted pole, spire, antenna, structure, or combination thereof, taller than 15 feet, including supporting lines, cables, wires, braces and masts, intended primarily for the purpose of mounting an antenna, meteorological device, or similar apparatus above grade.
Tower, multi-user, means a tower to which is attached the antennas of more than one commercial wireless telecommunication service provider or governmental entity.
Tower, single-user, means a tower to which is attached only the antennas of a single-user, although the tower may be designed to accommodate the antennas of multiple users as required in this Code.
Wireless communication means any personal wireless services as defined in the Telecommunications Act of 1996, which includes FCC licensed commercial wireless telecommunications services including cellular, personal communication services (PCS), specialized mobile radio (SMR), enhanced specialized mobile radio (ESMR), paging, and similar services that currently exist or that may in the future be developed.
Wireless communication facility (WCF) means any unstaffed facility for the transmission and/or reception of wireless telecommunications services, usually consisting of antenna connection cables, an accessory building, and a support structure to achieve the necessary elevation.
(Prior Code, § 9-13-3)
All commercial wireless telecommunication towers erected, constructed, or located within the City shall comply with the following requirements:
(1)
A proposal for a new commercial wireless telecommunication service tower shall not be approved unless the City Council finds that the telecommunications equipment planned for the proposed tower cannot be accommodated on an existing or previously approved tower or building, particularly on publicly owned land within a one-half mile search radius of the proposed tower due to one or more of the following reasons:
a.
The planned equipment would exceed the structural capacity of all existing or approved towers or buildings, as documented by a qualified and licensed professional engineer, and all of the existing or approved towers cannot be reinforced, modified, or replaced to accommodate the planned or equivalent equipment at a reasonable cost.
b.
The planned equipment would cause interference materially impacting the usability of other existing or planned equipment at a tower or building as documented by a qualified and licensed professional engineer and interference cannot be prevented at a reasonable cost.
c.
Existing or approved towers and buildings within the search radius cannot accommodate the planned equipment at a height necessary to function reasonably as documented by a qualified and licensed professional engineer.
d.
The fees, costs, or contractual provisions required by the owner in order to share an existing tower or structure to adapt an existing tower or structure for sharing are unreasonable. Costs exceeding new tower development are presumed to be unreasonable.
e.
Other unforeseen reasons that make it unfeasible to locate the planned telecommunications equipment upon an existing or approved tower or building.
(2)
Any proposed commercial wireless telecommunication service tower shall be designed, structurally, electrically, and in all respects to accommodate both the applicant's antennas and comparable antennas for at least two additional users if the tower is over 100 feet in height, or for at least one additional user if the tower is over 60 feet in height. Towers must be designed to allow for future rearrangement of antennas upon the tower and to accept antennas mounted at varying heights.
(3)
The following sites shall be considered by applicants as the preferred order to location of proposed wireless facilities including antennas, equipment, and accessory buildings. As determined feasible, and in order of preference, the sites are:
a.
Existing broadcast, relay towers and water tanks, roof tops and attachments to existing structures.
b.
Public structures and sites. Attached to existing public facilities such as utility properties, fire stations, parks, and other public assets within nonresidential zoning districts.
c.
Industrial zones.
d.
Business sites/zones.
e.
Office zones.
f.
Residential zones.
(Prior Code, § 9-13-4)
(a)
Permits.
(1)
It shall be unlawful for any person, firm, or corporation to erect, construct in a place, place or re-erect, replace or repair any tower without first making application to the City and securing a permit therefore as hereinafter provided.
(2)
The applicant shall provide, at the time of application sufficient information to indicate that construction, installation, and maintenance of the antenna and tower will not create a safety hazard or damage to the property of other persons.
(3)
The applicant shall provide written certification from a licensed engineer that the provision of commercial wireless communication services would be prohibited unless a tower is constructed at or near the location requested.
(b)
Fee. The applicant shall pay a building permit fee as set from time to time by the City Council for any new towers and any new co-locations.
(c)
Construction requirements. All antennas and towers erected, constructed, or modified within the City, and all wiring therefor, shall comply with the following requirements:
(1)
All applicable provisions of the City of Pekin Municipal Code.
(2)
The tower shall be certified by a qualified and licensed professional engineer to conform to the latest structural standards and wind loading requirements of the International Building Code and the Electronics Industry Association.
(3)
With the exception of necessary electric and telephone service connection lines, no part of any antenna or tower, nor any lines, cable, equipment or wires or braces in connection with either, shall at any time extend across or over any part of the right-of-way, public street, highway, sidewalk or property line.
(4)
Towers and associated antennas shall be designed to conform with accepted electrical engineering methods and practices and to comply with the provisions of the National Electrical Code.
(5)
All signal and remote control conductors of low energy extending substantially horizontally above the ground between a tower and antenna and a structure, or between towers, shall be at least eight feet above the ground at all points unless buried underground.
(6)
Every tower affixed to the ground shall be protected to discourage climbing of the tower by unauthorized persons.
(7)
All towers shall be constructed to conform with the requirements of the Occupational Safety and Health Administration.
(8)
Antennas and towers shall not be erected in Residential Zoning Districts in violation of the following restrictions:
a.
Notwithstanding the general provisions of this Code, and the applicable provisions of this Article, the required setback for an antenna or tower attached directly to the ground, shall be equal to one-half the height of the antenna and tower. Those antennas and towers attached to a building and whose base is not on the ground may be constructed, if setback a distance equal to one-half the height of the tower, less the distance from the point of attachment on the building to the ground.
b.
No tower shall exceed a height equal to the distance from the base of the antenna and tower to the nearest overhead electrical power line which serves more than one dwelling or place of business. Those antennas and towers originally attached to a building, and whose base is not on the ground, shall not exceed an overall height from the point of attachment to the top of tower which is greater than the distance from the point of attachment to the nearest overhead electrical power line serving more than one dwelling or business.
c.
Metal towers shall be constructed of, or treated with, corrosive resistant material. Wood poles shall be impregnated with rot-resistant substances.
d.
The applicant will provide a written statement from a licensed engineer certifying that the applicant will be prohibited from providing commercial wireless telecommunication services unless a tower is constructed in a residential zoning district.
e.
The applicant must request approval of a special use from the Pekin Zoning Board of Appeals/Pekin City Council, for placement of a tower in all residential zoning districts or at any site of which the tower is situated within 500 feet or less from any residential district.
f.
For municipal properties, attached WCFs and new support structures should be allowable with approved building permit and necessary agreements.
(d)
Existing antennas and towers. Antennas and towers in existence as of August 1, 1997, which do not conform to or comply with this Code are subject to the following provisions:
(1)
Towers may continue in use for the purpose used and as existing on August 1, 1997, but may not be replaced or structurally altered without complying in all respects with this Code; provided, however, an existing tower in a residential district may be enlarged to a total height of no more than 175 feet if the following conditions are satisfied:
a.
No part of the tower or its appurtenances is within 300 feet of any residential structure; and
b.
A special use permit is obtained as provided in this Code.
(2)
If such towers are hereafter damaged or destroyed due to any reason or cause whatsoever, the tower may be repaired and restored to its former use, location, and physical dimensions upon obtaining a building permit therefor, but without otherwise complying with this section; provided, however, that if the cost of repairing the tower to the former use, physical dimensions, and location would be ten percent or more of the cost of a new tower of like kind and quality, then the tower may not be repaired or restored, except in full compliance with this Code.
(Prior Code, § 9-13-5; Ord. No. 2617-OA-09/10, 4-26-2010; Ord. No. 3001-21-22, § 5, 7-26-2021; Ord. No. 4195-24-25, § 2, 6-10-2024)
Proposed or modified towers and antennas in all zoning districts shall meet the following design requirements:
(1)
Towers and antennas shall be designed to blend into the surrounding environment through the use of color and camouflaging architectural treatment, except in instances where the color is dictated by Federal or State authorities, such as the Federal Aviation Administration. For the purpose of this Subsection, camouflaging architectural treatment shall consist of disguising the applicable tower as an object which would otherwise be fully consistent with the surrounding area, such as a tree, church steeple, or building spire, as appropriate. The camouflaging shall disguise the existence of the tower, while retaining the natural or improved appearance of the surrounding area, to the maximum extent possible.
(2)
Commercial wireless telecommunication service towers shall be of a monopole design unless the Zoning Board of Appeals determines that an alternative design would better blend into the surrounding environment.
(Prior Code, § 9-13-6; Ord. No. 3001-21-22, § 5, 7-26-2021)
Towers shall conform with the following minimum setback requirement.
(1)
Generally. Towers shall meet the setback requirements of buildings found in the underlying zoning district unless otherwise specified herein.
(2)
Residential zoning districts. Towers shall meet the setback requirements provided in Section 4-3-12-5(c)(8).
a.
Attached WCFs are exempt from any setback standards beyond those of the structure upon which WCF is attached. An attached WCF antenna may extend up to five feet horizontally beyond the edge of the attachment structure so long as the antenna does not encroach upon an adjoining parcel.
b.
Minimum setback for WCFs with support structures shall be as follows:
Minimum Setback for WCFs with Support Structures
(Prior Code, § 9-13-7)
(a)
Towers placed within any residential district shall not exceed 75 feet in height from existing grade. Towers placed within any Industrial, Business, or Office Districts shall not exceed 175 feet in height from existing grade or, if attached to an existing building, 200 feet less the distance from the existing grade to the point of attachment.
(a)
A variation to this height requirement may be granted by the Zoning Board of Appeals after receiving an application therefore and holding a public hearing at a regularly scheduled meeting. A variation from the height requirement in this section shall be granted by the Zoning Board of Appeals only if the applicant establishes by clear and convincing evidence that it will be unable to provide wireless communication services without such a variation. Under no circumstance shall a tower be erected to a height greater than that required to provide wireless communication services.
(Prior Code, § 9-13-8)
Towers shall not be illuminated by artificial means and shall not display any strobe or flashing lights unless such lighting is required by the Federal Aviation Administration or other Federal or State authority for a particular tower.
(Prior Code, § 9-13-9)
Any tower exceeding 50 feet in height shall be fenced with a six-foot fence. All fencing shall meet the requirements of Section 4-3-7-1.
(Prior Code, § 9-13-10)
Signs no larger than six square feet may display warning or equipment information and may be placed on towers. All other signs, including signs used for advertising purposes, are prohibited.
(Prior Code, § 9-13-11)
All utility buildings and structures accessory to a tower shall be architecturally designed to blend in with the surrounding environment. Further, such buildings shall meet minimum setback requirements of the underlying zoning district. Ground mounted equipment shall be screened from view by suitable vegetation and/or landscaping, except where a design of non-vegetative screening better reflects and compliments the architectural character of the surrounding area, in which case, such non vegetative screening shall be utilized.
(Prior Code, § 9-13-12)
Abandoned or unused towers or portions of towers shall be removed as follows:
(1)
All abandoned or unused towers and associated facilities shall be removed within 12 months of the cessation of operations. A copy of the relevant portions of a signed lease which requires the applicant to remove the tower and associated facilities upon cessation of operations at the site shall be submitted at the time of application. In the event that a tower is not removed in a timely manner as provided herein, the tower and associated facilities may be removed by the City and the cost of removal assessed against a bond or other financial security as provided under Section 4-3-12-15(5)e.
(2)
Unused portions of towers above utilized communications or other electrical equipment shall be removed within six months of the time of antenna relocation. The replacement of portions of a tower previously removed requires the issuance of a new building permit and special use permit as applicable.
(Prior Code, § 9-13-13)
No new or existing telecommunication service shall interfere with public safety telecommunications. All applications for new service shall be accompanied by an intermodulation study which provides a technical evaluation of existing and proposed transmissions and indicates all potential interference problems. Before the introduction of new services or changes in existing service, telecommunication providers shall notify the City at least ten calendar days in advance of such changes and allow the City to monitor interference levels during the testing process.
(Prior Code, § 9-13-14)
All development applications for towers shall include written documentation evidencing compliance with each provision of this Code as well as the applicable zoning regulations in addition to the following supplemental information:
(1)
A report from a qualified and licensed professional engineer which:
a.
Describes the tower height and design, including a cross section in elevation;
b.
Documents the height above grade for all potential mounting positions for collocated antennas and the minimum separation distances between antennas;
c.
Describes the tower's capacity, including the number and type of antennas that it can accommodate;
d.
Documents what steps the applicant will take to avoid interference with established public safety telecommunications;
e.
Includes an engineer's stamp and registration number;
f.
Includes other information necessary to evaluate the request.
(2)
Architectural drawings depicting the constructed tower with camouflaging treatment set in the surrounding area. These drawings shall include at least one perspective from the North, South, East, and West.
(3)
An overhead map of the site showing a one-mile radius of the subject tower's location, as well as the location of each of the applicant's existing and planned future tower sites.
(4)
For all commercial wireless telecommunication service towers, a letter of intent committing the tower owner and his or her successors to allow the shared use of the tower if an additional user agrees in writing to meet reasonable terms and conditions for shared use.
(5)
Before the issuance of a building permit, the following supplemental information shall be provided:
a.
Proof that the proposed tower complies with regulations administered by the Federal Aviation Administration.
b.
Proof that the proposed tower complies with the emission standards promulgated by the Federal Communications Commission and ANSI and IEEE.
c.
Report from a qualified and licensed professional engineer which demonstrates the tower's compliance with the aforesaid structural and electrical standards.
d.
Proof of technological evidence which indicates that the height of the tower requested is the minimum necessary to fulfill the cell site's function.
e.
Proof of bond or financial security sufficient to provide for cost of removal in the case of abandonment as described within Section 4-3-12-13(1) and (2).
(Prior Code, § 9-13-15)
(a)
Conflict. If any portion of this Code is found to be in conflict with any other provision of any zoning, building, fire safety, or other ordinance of the Code of the City, the provision which establishes the higher standard shall prevail.
(b)
Severability. If any section, subsection, sentence, clause or phrase of this Code or its application to any person or circumstance is held invalid by the decision of any court or administrative tribunal of competent jurisdiction, the remainder of this Code, or the application of the provision to other persons or circumstances is in effect and shall remain in full force and effect.
(Prior Code, § 9-13-16)