- SUPPLEMENTAL REGULATIONS
(a)
Statutory Authorization. The ordinance from which this section is derived is adopted pursuant to the authorization contained in the Laws of Minnesota 1973, Chapter 379, and in furtherance of the policies declared in Minn. Stats. chs. 103G, 115, 116 and 462.
(b)
Policy. The State Legislature has delegated responsibility to the municipalities of the State to regulate the subdivision, use and development of the shorelands of public waters and for purposes of preserving and enhancing the quality of surface waters, preserving the economic and natural environmental values of shorelands, and providing for the wise utilization of waters and related land resources. The responsibility is hereby recognized by the City.
(c)
Definitions. The following words, terms and phrases, when used in this section, shall have the meanings ascribed to them in this subsection, except where the context clearly indicates a different meaning:
Boathouse: A structure used solely for the storage of boats or boating equipment.
Building Line: That line measured across the width of the lot at the point where the principal structure is placed in accordance with setback provisions.
Clear-cutting: The removal of an entire stand of trees.
Conditional Use: A use of shorelands which is permitted within a zoning district only when allowed by the City after a public hearing, if certain conditions are met which eliminate or minimize the incompatibility of the conditional use with other permitted uses of the district.
Hardship: The property in question cannot be put to reasonable use under the conditions allowed by the official controls; the plight of the landowner is due to circumstances unique to said property, not created by the landowner; and the variance, if granted, will not alter the essential character of the locality. Economic considerations alone shall not constitute a hardship if a reasonable use for the property exists under terms of the official controls.
Ordinary High Water Mark: For lakes, a mark delineating the highest water level which has been maintained for a sufficient period of time to leave evidence upon the landscape. The ordinary high water mark is commonly that point where the natural vegetation changes from predominately aquatic to predominately terrestrial. The term "ordinary high water mark" for watercourses means the top of the bank.
Protected Waters: Any waters of the State as defined in Minn. Stats. § 103G.005, subd. 17. However, no lake, pond or flowage of less than 10 acres in size and no river or stream having a total drainage area less than two square miles shall be regulated for the purpose of these regulations.
Riparian: Land relating or belonging to the bank and/or shore of a river, stream, creek, lake, pond or other water basin.
Setback: The minimum horizontal distance between a structure or sanitary facility and the ordinary high water mark or between a structure or sanitary facility and a road, well, highway, or lot lines.
Shoreland: Land located within the following distances from protected waters:
(1)
1,000 feet from the ordinary high water mark of a lake, pond, or flowage; and
(2)
300 feet from a river or stream, or the landward extent of a floodplain on such rivers or streams, whichever is greater.
The practical limits of shorelands may be less than the statutory limits where such limits are designated by natural drainage divides at lesser distances.
Subdivision: Improved or unimproved lands which are divided for the purpose of ready sale or lease, or divided successively within a five-year period for the purpose of sale or lease.
Substandard Use: Any use of shorelands existing prior to the effective date of the ordinance from which this section is derived which is permitted within the applicable zoning district but does not meet the minimum lot area and length or water frontage, structure setbacks, or other dimensional standards of this section.
Variance: Any modification or variation of official controls where it is determined that, because of hardships, strict enforcement of the official controls is impractical.
(d)
Designation of Types of Land Use.
(1)
Shoreland Management Classification. In order to guide the wise development and utilization of shorelands of protected waters for the preservation of water quality, natural characteristics, economic values and the general health, safety and welfare, certain protected waters in the City have been given a shoreland management classification, and the land lying within prescribed distances of said waters in accordance with the definitions and terms of this section shall be the shorelands of the City. The protected waters of the City, as herein defined, that have heretofore been so classified by the Commissioner of Natural Resources and which are now deemed to be the determinants for the management of shorelands in the City are as follows:
(2)
Shoreland Overlay District. The shorelands of the City, as determined by the foregoing terms of this section, are hereby designated as a Shoreland Overlay District to provide for the wise utilization of shoreland areas in order to preserve the quality and natural character of these protected waters of the City.
(3)
Permitted Uses. The following uses shall be permitted within the Shoreland Overlay District:
a.
All permitted uses as allowed and regulated by the applicable zoning district underlying the Shoreland Overlay District as the same are indicated in the zoning provisions of the City.
(4)
Conditional Uses. The following conditional uses shall be permitted within the Shoreland Overlay District:
a.
All conditional uses according to their applicable attached conditions As Allowed And Regulated By The Applicable Zoning District Underlying The Shoreland overlay district according to and as heretofore approved under the zoning provisions and as required by this section; and
b.
Boathouses.
(5)
Substandard Uses. Any uses of shorelands in existence prior to the effective date of the ordinance from which this section is derived which are permitted within the applicable zoning district, but do not meet the minimum lot area, setbacks or other dimensional requirements of this section are hereby deemed to be nonconforming substandard uses. Substandard uses, including substandard sanitary facilities, shall be allowed to continue.
(e)
Zoning Provisions.
(1)
Standards. The following standards shall apply to all shorelands of the protected standard waters listed in this section. Where the requirements of the underlying zoning district as set forth in the zoning provisions are more restrictive than those set forth herein, then the more restrictive standards shall apply:
(2)
Substandard Lots. Lots of record in the office of the County Recorder (or Registrar of Titles) prior to the effective date of the ordinance from which this section is derived which do not meet the requirements of Subsection (e)(1) of this section may be allowed as building sites provided:
a.
Such use is permitted in the zoning district
b.
The lot is in separate ownership from abutting lands; and
c.
All other sanitary and dimensional requirements of this section are complied with insofar as practical.
(3)
Roads and Parking Areas. Roads and parking areas shall be located to retard the runoff of surface waters and nutrients in accordance with the following criteria:
a.
Where feasible and practical, all roads and parking areas shall meet the setback requirements established for structures in this section.
b.
In no instance shall these impervious surfaces be placed less than 50 feet from the ordinary high water mark.
c.
Where feasible and practical, natural vegetation or other natural materials shall be used to screen parking areas when viewed from the water.
(4)
Elevation of Lowest Floor. Structures shall be placed at an elevation consistent with the City's floodplain management controls.
(5)
Exceptions to Structure Setback Requirements.
a.
Setback requirements from the ordinary high water mark shall not apply to boathouses and docks. Location of docks shall be controlled by applicable State and local regulations. Boathouses may be allowed as a conditional use provided they are not used for habitation and do not contain sanitary facilities.
b.
On undeveloped shoreland lots that have two adjacent lots with existing principal structures on both such adjacent lots, any new residential structure may be set back the average setback of the adjacent structures from the ordinary high water mark or 50 feet, whichever is greater, provided all other provisions of the Shoreland Overlay District are complied with.
(f)
Shoreland Alterations.
(1)
Removal of Vegetation. The removal of natural vegetation shall be restricted to prevent erosion into protected waters, to consume nutrients in the soil, and to preserve shoreland aesthetics. Removal of natural vegetation in the Shoreland Overlay District shall be subject to the following provisions:
a.
Selective removal of natural vegetation is allowed, provided that sufficient vegetative cover remains to screen cars, dwellings and other structures when viewed from the water.
b.
Clear cutting of natural vegetation is prohibited.
c.
Natural vegetation shall be restored insofar as feasible after any construction project is completed to retard surface runoff and soil erosion.
d.
The provisions of this subsection (f) shall not apply to permitted uses which normally require the removal of natural vegetation.
(2)
Grading and Filling. Grading and filling in shoreland areas or any alteration of the natural topography where the slope of the land is toward a protected water or a watercourse leading to a protected water shall be in accordance with requirements of and authorized by the Bassett Creek Watershed Management Commission.
(3)
Course and Current of Protected Water. Any work which will change or diminish the course, current or cross section of a protected water shall be approved by the Commissioner of Natural Resources, and such approval shall be construed to mean the issuance by the Commissioner of Natural Sources of a permit under the procedures of Minn. Stats. § 105.42 and other related statutes.
(g)
Subdivisions.
(1)
Plats. Copies of all plats riparian to protect waters within the Shoreland Overlay District shall be submitted to the Commissioner of Natural Resources within 10 days of final approval by the City.
(2)
Planned Unit Developments (PUDs). Altered zoning standards may be allowed as exceptions to this section for PUDs provided preliminary plans for PUDs riparian to protected waters are reviewed and approved by the Commissioner of Natural Resources prior to their approval by the City, and further provided:
a.
Open space is preserved through the use of restrictive deed covenants, public dedications, or other methods.
b.
The following factors are carefully evaluated to ensure the increased density of development is consistent with the resource limitations of the protected water:
1.
Suitability of the site for the proposed use.
2.
Physical and aesthetic impact of increased density.
3.
Level of current development.
4.
Amount and ownership of undeveloped shoreland.
5.
Levels and types of water surface use and public accesses.
6.
Possible effects on over-all public use.
c.
Any commercial, recreational, community, or religious facility allowed as part of the PUD shall conform to all applicable Federal and State regulations including, but not limited to, the following:
1.
Licensing provisions or procedures
2.
Waste disposal regulations
3.
Water supply regulations
4.
Building codes
5.
Safety regulations
6.
Regulations concerning the appropriation and use of protected waters as defined in Minn. Stats. ch. 103G; and
7.
Applicable requirements of the State Environmental Quality Board.
d.
Public access is provided in accordance with the City Comprehensive Parks Plan.
e.
The final plan for a PUD riparian to protected waters shall not be modified, amended, repealed, or otherwise altered unless reviewed and approved by the Commissioner.
(h)
Notification Procedures.
(1)
Public Hearings; Amendments, Variances and Conditional Uses. A copy of the notice of a public hearing to consider an amendment to this section, a variance to the provisions of the Shoreland Overlay District for property riparian to private waters, or a conditional use for property riparian to protected waters in the Shoreland Overlay District shall be sent to the Commissioner of Natural Resources such that the notice is received by the Commissioner at least 10 days prior to such hearings.
(2)
Amendments and Decisions. A copy of all amendments to this section and final decisions granting variances or conditional uses for properties riparian to protected waters within the Shoreland Overlay District shall be sent to the Commissioner of Natural Resources within 10 days of the amendment or final action.
(Code 1988, § 11.65; Ord. No. 682, 5-30-1986)
(a)
Findings and Purpose. The purpose of this section is to regulate the location of accessory sexually oriented sales and sexually oriented businesses within the City based on information from the Comprehensive Land Use Plan Map and the Zoning Map of the City.
(b)
Definitions. The following words, terms and phrases, when used in this section, shall have the meanings ascribed to them in this subsection, except where the context clearly indicates a different meaning:
Accessory Sexually Oriented Sales: Sales accounting for less than five percent of the floor area, up to a maximum of 50 square feet, of an otherwise permitted business (not including storerooms, stock areas, bathrooms, basements, or any portion of the business not open to the public) devoted to materials or persons depicting, exposing, describing, discussing, or relating to specified sexual activities or specified anatomical areas, and is available for barter, rental, or sale for off the premises use only. Accessory sexually oriented sales do not include the sale of instruments, devices, or paraphernalia which are used or designed for use in connection with specified sexual activities. In order to qualify, accessory sexually oriented sales shall at all times be out of view by any persons under the age of 18, and hereunder, they shall be restricted from and prohibit access to persons under age 18 by physical separation, except for sales of print media, which shall be displayed with a completely opaque cover excluding the media's title, and shall be kept a minimum of five feet off the floor. Any business with accessory sexually oriented sales not meeting the requirements of this definition shall be considered a sexually oriented business, subject to all requirements for such businesses.
Adult Body Painting Studio: An establishment or business which provides the service of applying paint or other substance, whether transparent or nontransparent, to or on the body of a patron when such body is wholly or partially nude in terms of specified anatomical areas.
Adult Bookstore: An establishment or business which barters, rents or sells items consisting of printed matter, pictures, slides, records, audio tape, videotape or motion picture film and, either alone or when combined with adult motion picture rental or sales and adult novelty sales within the same business premises, has either six percent or more of its stock in trade or six percent or more of its floor area containing items which are distinguished or characterized by an emphasis on the depiction or description of specified sexual activities or specified anatomical areas.
Adult Cabaret: An establishment or business which provides dancing or other live entertainment, if such dancing or other live entertainment is distinguished or characterized by an emphasis on the presentation, display, depiction, or description of specified sexual activities or specified anatomical areas.
Adult Companionship Establishment: An establishment or business which provides the service of engaging in or listening to conversation, talk, or discussion between an employee of the establishment and a customer, if such service is distinguished or characterized by an emphasis on specified sexual activities or specified anatomical areas.
Adult Conversation/Rap Parlor: An establishment or business which provides the service of engaging in or listening to conversation, talk, or discussion, if such service is distinguished or characterized by an emphasis on specified sexual activities or specified anatomical areas.
Adult Health/Sport Club: An establishment or business which excludes minors, by reason of age, and is distinguished or characterized by an emphasis on specified sexual activities or specified anatomical areas.
Adult Hotel or Motel: A hotel or motel from which minors are specifically excluded from patronage and wherein material is presented which is distinguished or characterized by an emphasis on matter depicting, describing, or relating to specified sexual activities or specified anatomical areas.
Adult Mini-Motion Picture Theater: A building or portion of a building with a capacity for less than 50 persons used for presenting material distinguished or characterized by an emphasis on specified sexual activities or specified anatomical areas for observation by patrons therein.
Adult Modeling Studio: An establishment or business which provides to customers figure models who engage in specified sexual activities or specified anatomical areas while being observed, painted, painted upon, sketched, drawn, sculptured, photographed, or otherwise depicted by such customers.
Adult Motion Picture Arcade: Any place to which the public is permitted or invited wherein coin- or slug-operated or electronically, electrically, or mechanically controlled or operated still or motion picture machines, projectors, or other image-producing devices are maintained to show images to five or fewer persons per machine at any one time, and where the images so displayed are distinguished or characterized by an emphasis on depicting or describing Specified Sexual Activities or Specified Anatomical Areas.
Adult Motion Picture Rental or Sales: An establishment or business which barters, rents, or sells videotapes or motion picture film and, either alone or when combined with adult bookstore or adult novelty sales within the same business premises, has either six percent or more of its stock in trade or six percent or more of its floor area containing items which are distinguished or characterized by an emphasis on the depiction or description of specified sexual activities or specified anatomical areas.
Adult Motion Picture Theater: A building or portion of a building with a capacity of 50 or more persons used for presenting material distinguished or characterized by an emphasis on specified sexual activities or specified anatomical areas for observation by patrons therein.
Adult Novelty Sales: An establishment or business which, either alone or when combined with adult bookstore and adult motion picture rental or sales, has:
(1)
More than five percent of its stock in trade or five percent or more of its floor area consisting of media characterized by emphasis on specified sexual activities or specified anatomical areas
(2)
Sales of lingerie marketed or presented in a context to suggest use for sadomasochistic practices
(3)
Sales of leather goods marketed or presented in a context to suggest their use for sadomasochistic practices; or
(4)
Sales of instruments, devices, paraphernalia, or general retail products either designed as complete or partial representations of human genital organs or female breasts, or designed or marketed primarily for use to stimulate human genital organs.
Adult Sauna/Bathhouse/Steam Room: An establishment or business which excludes minors, by reason of age, and which provides a steam bath or heat bathing room if the service provided by the sauna is distinguished or characterized by an emphasis on specified sexual activities or specified anatomical areas.
Sexually Oriented Business: An inclusive term describing collectively the following retail, entertainment, or service oriented businesses:
(1)
Adult body painting studio
(2)
Adult bookstore
(3)
Adult cabaret
(4)
Adult companionship establishment
(5)
Adult conversation/rap parlor
(6)
Adult heath/sport club
(7)
Adult hotel or motel
(8)
Adult mini-motion picture theater
(9)
Adult modeling studio
(10)
Adult motion picture arcade
(11)
Adult motion picture rental or sales
(12)
Adult motion picture theater
(13)
Adult novelty sales
(14)
Adult sauna/bathhouse/steam room.
Specified Anatomical Areas: Less than completely and opaquely covered human genitals, pubic region or pubic hair, buttock, and female breast below a point immediately above the top of the areola; or human male genitals in a discernibly turgid state even if completely and opaquely covered.
Specified Sexual Activities: Human genitals in a state of sexual stimulation or arousal or acts of human masturbation, sexual intercourse, sodomy, or fondling or other erotic touching of human genitals, pubic region, buttock, or female breast.
(c)
License Required. All sexually oriented businesses shall hold a license prior to opening to the public as required by City Code.
(d)
Location.
(1)
Accessory Sexually Oriented Sales. Accessory sexually oriented sales shall be a permitted use in all Commercial Zoning Districts and no others.
(2)
Sexually Oriented Businesses. Sexually oriented business shall be a permitted use in Light Industrial and Industrial Zoning Districts. All sexually oriented businesses shall adhere to the following land use regulations:
a.
No sexually oriented business shall be within 500 feet of another sexually oriented business, as measured at the lot line.
b.
No sexually oriented business shall be within 500 feet of any Residential Zoning District, as measured at the lot line, nor shall a sexually oriented business locate within 500 feet of any Residential Zoning District of any city adjoining Golden Valley, as measured at the lot line.
c.
No sexually oriented business shall be within 500 feet of any Institutional Zoning District, as measured at the lot line, nor shall a sexually oriented business locate within 500 feet of any Institutional Zoning District of any city adjoining Golden Valley, as measured at the lot line.
d.
No sexually oriented business shall be within 500 feet, as measured at the lot line, of any of the following conditional uses within a Light Industrial or Industrial Zoning District:
1.
Ball fields and other recreational facilities
2.
On-site child care centers
3.
Health, fitness and/or exercise facilities, including dance studio, gymnastic training, weight lifting studio, aerobic exercise, and gymnasiums
4.
Child care centers; or
5.
Trade schools or training centers.
(e)
Variance Procedure. Any variance requests under this section for sexually oriented businesses shall be heard only by the City Council. Such requests shall be heard at a regular City Council meeting within 30 days of receipt by the City of a completed zoning code variance application. The City Council shall adhere to the standards and procedures for the variance requests established for the Board of Zoning Appeals.
(Code 1988, § 11.50; Ord. No. 326, 2nd Series, 4-15-2005)
State Law reference— Adult entertainment establishments, Minn. Stats. § 617.242.
(a)
Purpose and Application. The purpose of requiring and regulating off-street parking and loading is to prevent congestion on public rights-of-way and private roadways and to promote the safety and general welfare of the public. The following minimums are established for off-street parking and loading based on the use of land and structures. If a change of use occurs, the new use shall comply with the off-street parking and loading requirements.
(b)
Design Standards.
(1)
Site Plan. Application for construction of new buildings, expansion of existing buildings, reuse of existing buildings and establishing or changing the use of property, shall include a site plan or plot plan for parking, which is drawn to scale and dimensioned, which depicts the location and number of off-street parking spaces consistent with this section, which shows proposed internal landscaping, and which includes provisions for storage and/or removal of snow.
(2)
Access and Curb Cuts. All off-street automobile parking facilities shall be designed with appropriate means of vehicular access to a street or alley and with adequate maneuvering area. Detailed plans may have to be submitted to the City Engineer for approval of all curb cuts or driveway openings before a permit will be granted.
(3)
Use. With the exception of garage sales and other sales approved by the City, required off-street parking and loading areas and the driveways providing access to them shall not be used for the storage, display, sale or rental or repair of goods or for the storage of inoperable vehicles.
(4)
Lighting. Where artificial lighting is provided in parking lots, it shall be directed perpendicular to the ground and arranged to reflect away from any residences, street or highway. All light fixtures shall minimize glare and spillover from the site and shall meet the standards outlined in Sec. 113-153, Outdoor Lighting, of the City Code.
(5)
Dimensions for Spaces. All required off-street parking spaces shall be at least nine feet in width and at least 18.5 feet in depth, except for handicapped spaces and compact car spaces.
(6)
Surfacing; Construction Standards. Parking areas and driveways shall be surfaced with an all-weather dustless material. Parking lots containing more than six spaces and access drives, except for landscaped areas, shall be covered with asphalt, brick, concrete pavers (including grass-crete or other permeable pavers where deemed appropriate by the City Manager or his/her designee) or concrete with proper surface drainage as required by the City. The finished surface shall be capable of carrying a load of 2,000 pounds per square foot. (Normally a two-inch blacktop surfacing on a four-inch base or five inches of Portland cement will meet this requirement.)
a.
Permeable pavers shall not be considered pervious surface for purposes of meeting City impervious surface maximums without approval from City Engineer and provision of a long-term maintenance agreement.
(7)
Grade, Drainage and Curbing.
a.
Grade. In general, grades shall not exceed five percent and shall meet the following standard: Private roads, driveways (other than single-family), parking lots, and loading docks exposed to the elements shall have grades of not less than five percent nor more than four percent in order to provide adequate drainage and maneuverability of vehicles. Grades in excess of four percent will be reviewed for approval based on: the amount by which the grade exceeds four percent, number of slopes, length of slopes, starting and stopping areas and their grades, angles and curvatures, traffic volumes, parking turn-over, turning and intersection factors, road-way width, lineal feet and/or number of spaces with grades over four percent, sight distance and obstructions and alternative routes.
b.
Drainage. Off-street parking areas shall be designed to drain and properly dispose of surface water. Alternative low impact development practices such as rain gardens and vegetative swales are encouraged by the City. Detailed plans for drainage shall be submitted to the City Manager or his/her designee for approval.
c.
Curbing. Parking lots containing more than six spaces shall be delineated by a concrete box curb or concrete curb and gutter extending at least six inches above and six inches below the surface. The curb may have cuts for drainage. Exception: Some exception for rain gardens may be allowed provided suitable controls are provided to prevent cars from parking beyond the intended limits.
(8)
Parking Layouts. Required off-street parking consisting of six or more spaces shall be consistent with the layout alternatives and dimensions specified in the parking layout chart below except handicapped spaces and, if allowed by the City, compact car spaces.
a.
Traffic Islands. Traffic islands shall be provided based on the circulation system, number of spaces, frequency of use (turnover rate), and other relevant factors. Traffic islands can be landscaped to meet interior landscape requirements.
(9)
Landscaping; Internal and External. The minimum required landscaped areas, within which there shall be no parking or drive aisles (except driveway access from street) in R-3, R-4, Institutional, Office, Commercial, Light Industrial, and Industrial Zoning Districts, shall be:
a.
External Landscaping. These areas shall be maintained fully as landscaped green space and may or may not include vegetation such as trees, shrubs, and other native plants. In cases where a parking lot is located on the periphery of sites and in view of adjacent properties, the City will require them to be screened with trees, shrubs, fencing, berms or some combination of these in setback areas along one or more lot lines.
1.
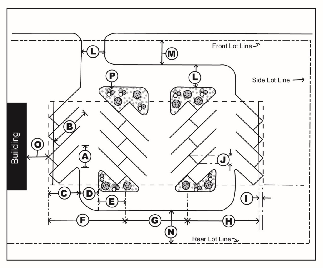
Front yard: 25 feet for R-3 and R-4 districts; 35 feet for all others (see M on diagram).
2.
Side and rear yards: one-half of the required building setback (see N on diagram).
b.
Internal Landscaping. Parking lots designed and constructed for more than 40 off-street parking spaces shall have at least four percent of the interior of the parking lot landscaped with vegetation including shade trees. Each landscape break shall occur approximately every 24 spaces. Such landscaping is expected to be in traffic islands, other islands or other areas used for drainage or light standard or exclusive landscape islands located within the interior portion of the parking lot. Such landscaped areas shall not be considered as impervious if essentially the ground is left open. A landscape plan shall be submitted as part of the required site plan. The landscape plan shall be approved by the City Manager or his/her designee. All landscaping shall be guaranteed with a financial security for a period of one full growing season.
(10)
Joint Parking Setbacks. Joint or combined parking facilities on separate lots as authorized and when constructed adjacent to a common lot line separating two or more parking areas are not required to observe the parking area setback from such a common lot line.
(11)
Fire Lane. Off-street parking lots may have to be designed to include fire lanes as determined by the City Manager or his/her designee.
(12)
Spaces Delineated. All required off-street parking areas consisting of six or more spaces shall be delineated by durable painted stripes at least four inches wide unless walls or columns are used to provide an equivalent means to delineate the spaces such as in an underground garage.
(13)
Location. Required off-street parking shall be located on the same lot as the use it serves, except where parking spaces cannot be reasonably provided on the same lot as the principal use, the City may permit such required parking spaces to be located on other property in a similar zoning district located within 500 feet of the permitted use, measured along lines of public access.
(14)
Parking Ramps and Underground Parking. Because of the cost of such spaces and more control over environmental factors, the City Manager or his/her designee may allow some reduction in the width of the aisle and spaces in parking ramps and underground parking.
(15)
Internal driveway access. Private internal driveways between properties are permitted with approval of the City Manager and/or their designee. Internal driveways between properties shall be allowed only when they do not cause either property to exceed impervious surface limits, they follow drive aisle dimension guidelines from this chapter, both properties have a legal access to a public roadway, and that a cross-access agreement is signed by both properties and recorded. In the case of the agreement terminating, the internal drive shall be removed and restored to landscaped green space.
(16)
Plowing and Snow Storage or Removal. Required off-street parking plans shall include provisions for snow storage and/or removal.
(17)
Provisions for Pedestrian Access. Provisions for pedestrian circulation to and from, and in some cases through, parking lots shall be required as determined appropriate by the City. Patterned pavement, decorative lighting, and associated facilities shall be provided as may be appropriate.
(18)
Maintenance. Off-street parking areas including spaces, accessway, striping, landscaping, and required buffers and fences, shall be maintained in a neat, safe and adequate manner. Potholes, deteriorated pavement, and striping must be repaired or restored in a timely manner by the owner of the off-street parking.
(19)
Accessible Parking. Accessible parking spaces shall be provided pursuant to the Minnesota Accessibility Code.
(20)
Signs. Small informational-direction signs may be allowed or required in off-street parking facilities to identify handicapped parking, compact car parking, traffic flow, and similar information essential to safe and efficient operation of the facility.
(21)
Compact Vehicles. If an off-street parking lot, ramp or garage contains 50 or more spaces, the City will allow up to 10 percent of the spaces to be designated compact cars only, provided a suitable parking plan for such spaces is submitted and approved by the City.
(22)
Joint use of Parking. Off-street parking facilities for a combination of one or more structures or uses may be provided collectively in any district, except the R-1 and R-2 Zoning Districts, provided the total number of spaces shall not be less than the sum of the separate requirements for each use.
(23)
Potential Reduction. The City may allow up to 50 percent reduction when joint use or combined parking is provided for uses which have substantially different parking demands and peak parking needs such as a daytime use with a nighttime use (e.g., office and movie theater) or a week day use with a weekend use (e.g., office and a church). Such reduction may require an agreement between the uses and an agreement between the owners and City. Such agreement may also be subject to proof of parking.
(24)
Bicycle Parking. Bicycle racks or a similar facility to park/store bicycles shall be provided in a location accessible to residents in residential developments having more than 12 dwelling units and employees and to the public in other developments at the rate of five percent of parking required for vehicles with a minimum of four spaces. Bicycle racks shall be secured to either the ground or a building.
(c)
Minimum Number of Required Off-Street Parking Spaces.
(1)
General Requirement. For any and all uses or structures not specifically provided for in the table above, such parking space as the City shall determine to be necessary shall be required, considering all the parking generating factors involved.
(2)
Maximum Parking. In the Institutional, Office, Commercial, Light Industrial, Industrial, and Mixed Use Zoning Districts parking provided shall not exceed the minimum required parking + 10% of that minimum amount in the case of new or reconstructed surface parking lots.
(3)
Upon receipt of a written request, the City Manager and/or their designee may reduce or increase the parking minimum or maximum requirements, if the applicant demonstrates a demand which is different than required by this chapter based on specifics of the use or other factors. The City may in the case of a reduction, require that land be reserved for parking development should the use or demands change.
(4)
Required Ratios. Where the number of required parking spaces is measured by seating capacity, such seating capacity shall be determined for maximum capacity.
(5)
Compliance with Current Controls. New buildings erected after the effective date of the ordinance from which this section is derived, and old buildings altered after the effective date of the ordinance from which this section is derived, must comply with all applicable off-street parking requirements in effect at the time that said buildings are constructed or altered.
(d)
Proof of Parking. When the required off-street parking is 20 or more spaces, the owner is only required to pave and stripe 75 percent of the required parking spaces if the following conditions are met:
(1)
A parking plan drawn to scale for the lot is submitted to the City Manager or his/her designee and the plan indicates that the site complies with the total parking requirements stated above and the parking lot is designed to the standards required by this section.
(2)
The portion of the site which is not paved and is capable of containing the amount of parking equal to the difference between the total amount of required parking and the amount of parking required to be paved (known as the proof of parking area) is suitably landscaped and curbed to meet the requirements of this section.
(3)
The proof of parking area shall be clearly delineated on the parking plan for the site.
(4)
The paved portion of the parking area shall comply with the pertinent provisions of this section.
(5)
The proof of parking area is not used to satisfy any other landscaping or other requirement and is not located in an area occupied by a building.
(6)
The property owner is responsible for informing any subsequent owner of the proof of parking area and parking status of the property.
(7)
The City may, at any time in its sole discretion, require proof that the parking area will be paved and striped in such a way that it meets the requirements to provide the total number of required parking spaces on the site or a percentage between 75 percent and 100 percent if so determined by the City.
(8)
The City may require the owner to enter into a proof of parking agreement specifying the requirements and restrictions and stating that the owner developer and successor shall be responsible for making improvements to meet the Code at the time the City requires such action.
(e)
Loading Regulations.
(1)
Design Standards.
a.
Location. Truck docks for loading and unloading goods or wares shall be provided on the same lot or parcel to be serviced. When truck docks are provided inside the building such area shall not be included in the total floor area used for determining the required number of such docks, nor for parking space requirements.
b.
Size. Loading docks shall be sized and provided with maneuvering space to adequately meet the needs.
c.
Surfacing. Minimum seven-ton capacity is required.
d.
Lighting. Lighting for parking areas shall meet the standards outlined in Sec. 113-153. - Outdoor Lighting, of the City Code.
(2)
Minimum Number of Off-Street Loading Docks Required.
(f)
Electric Vehicle Provisions.
(1)
Definitions.
a.
Charging levels means the standardized indicators of electrical force, or voltage, at which an electric vehicle's battery is recharged. The terms 1, 2, and 3 (DC) are the most common charging levels, and include the following specifications:
i.
Level 1 is considered slow charging with 120v outlets.
ii.
Level 2 is considered medium charging with 240v outlets, charging head and cord hard-wired to the circuit.
iii.
Level 3 (DC) is considered fast or rapid charging. Voltage is greater than 240 volts.
b.
Electric vehicle means a vehicle that operates, either partially or exclusively, on electrical energy from the electrical grid, or an off-grid source, that is stored on-board for motive purposes. "Electric vehicle" includes:
i.
Battery electric vehicle.
ii.
Plug-in hybrid electric vehicle.
c.
Electric vehicle charging stations (EVCS) means a public or private parking space that is served by battery charging station equipment that has as its primary purpose the transfer of electric energy (by conductive or inductive means) to a battery or other energy storage device in an electric vehicle.
d.
Electric vehicle infrastructure means conduit/wiring, structures, machinery, and equipment necessary and integral to support an electric vehicle, including battery charging stations and rapid charging stations.
(2)
Number of required Electric Vehicle Charging Stations.
a.
All new or reconstructed parking structures shall be allowed, but not required, to install EVCS.
b.
All new or reconstructed parking lots with 14 or fewer parking spaces shall be allowed, but not required, to install EVCS.
c.
All new or reconstructed parking lots with at least 15 but no more than 49 spaces or expanded parking lots that result in a parking lot with 15 to 49 parking spaces, shall install EVCS as required below.
i.
Multifamily residential land uses shall have 10% of required residential parking served by ECVSs with at least 5% as Level 2 stations. At least one accessible parking space shall have access to an EVCS.
ii.
Non-residential land uses with parking spaces available for use by the general public shall have two Level 2 stations or one Level 3 station. At least one accessible parking space shall have access to an EVCS.
d.
All new or reconstructed parking lots with at least 50 parking spaces or expanded parking lots that result in 50 or more parking spaces, shall install EVCS as required below.
i.
Multifamily residential land uses shall have 10% of required residential parking as Level 2 stations. At least one accessible parking space shall have access to an EVCS.
ii.
Non-residential land uses with parking spaces available for use by the general public shall have at least 5% of required parking as Level 2, with at least one station adjacent to an accessible parking space. In non-residential zoned districts, Level 3 charging stations may be installed to satisfy the EVCS requirements described above on a one-for-one basis.
e.
All new or reconstructed motor fuel stations shall be required to install at least one additional Level 2 or Level 3 charging station.
(3)
Reductions to EVCS requirements. When the cost of installing EVCS required by this Chapter would exceed five percent of the total project cost, the property owner or applicant may request a reduction in the EVCS requirements and submit cost estimates for city consideration. When City Council approval of the project is not required, the City Manager or their designee may administratively approve a reduction the required amount of EVCS in order to limit the EVCS installation costs to not more than five percent of the total project cost.
(Code 1988, § 11.70; Ord. No. 271, 2nd Series, 11-15-2002; Ord. No. 654, § 1, 1-2-2019; Ord. No. 764, §§ 1—8, 6-6-2023)
(a)
Definitions. The following words, terms and phrases, when used in this section, shall have the meanings ascribed to them in this subsection, except where the context clearly indicates a different meaning:
Berm: An earthen mound designed to provide visual interest on a site, screen undesirable views, reduce noise, or fulfill other similar purposes.
Fence: A structural enclosure or barrier used as a boundary, means of protection, or concealment.
Front Yard: The portion of a lot between the street right-of-way and the front plane of the principal structure. This area may be deeper than the yard required by the front yard setback.
Parking: In non-residential zoning districts, the temporary use of designated spaces for vehicles associated with the primary operation of a site or as the principal use where allowed.
Screening: A method of visually shielding or obscuring one abutting or nearby structure or use from another by fencing, walls, berms, or densely planted vegetation.
Storage: The placement of an item in a location for a period of time in order to retrieve for future use or sale.
Trailer: An unpowered vehicle used for multiple purposes, including, but not limited to, hauling a boat, personal motorized recreational vehicle, or fish house.
(b)
General Regulations. All zoning districts are subject to the following requirements:
(1)
The side of a fence without primary structural supports shall be considered the finished side and must face outward from the property on which it is constructed towards the adjacent property and/or street. If a Fence has two similarly finished sides, either side may face the adjacent property and/or street.
(2)
All berms, screening, and fences, including fence footings, must be located entirely on the property for which they are being constructed. A property owner installing a new fence must accurately determine lot lines prior to installing a fence.
(3)
All berms, screening, and fences shall be maintained and kept in good repair by property owners. Any hazardous fence or fence in a state of disrepair shall be repaired or removed by the property owner within 30 days of notice by the City. If a property owner fails to comply with such notice, in addition to all other applicable penalties under City Code, the City may remove the fence and assess the property owner the cost of such removal.
(4)
All berms, screening, and fences shall comply with the right-of-way management regulations of the City Code.
(5)
Electrified fences are prohibited. Barbed wire fences are prohibited except in the Light Industrial or Industrial Zoning Districts as described below.
(6)
All mechanical equipment shall be screened from view from the street right-of-way. Rooftop equipment shall be screened by a parapet wall or a fence the height of which is at least equal to the top of the rooftop equipment and is compatible with exterior materials and architectural features of the building. Equipment associated with solar and wind energy systems are exempt from this provision if screening would interfere with system operations.
(7)
For all other standards related to visual nuisances and threats to the health, safety, and welfare of the community, the City's adopted International Property Maintenance Code shall apply.
(c)
Regulations By Zoning District. Fences and the screening of outdoor storage shall be governed by the following provisions:
(1)
All Residential Zoning Districts.
a.
Fences in all front yards shall not exceed four feet in height. Fences in side and rear yards shall not exceed six feet in height.
b.
Storage in all front yards may occur solely upon a driveway and in no other location. Any storage shall be behind the lot line.
c.
Only one of the following may be stored in all front yards of any lot:
1.
Recreational camping vehicle.
2.
Trailer.
d.
No personal motorized recreational vehicle or boat may be stored in a front yard, except upon a trailer.
e.
The storage in any front yard of landscaping or construction materials may not exceed 30 days.
f.
Items stored in the side and rear yard may not be stored within five feet of the lot line.
g.
All outdoor storage, including any storage of a motorized vehicle, recreational camping vehicle, fish house, trailer, boat, or personal motorized recreational vehicle, in the side or rear yard must be screened from view of adjacent properties by a wall or fence not more than six feet in height and not less than 75 percent opacity, or by vegetation of not less than six feet in height and not less than 75 percent opacity year round.
h.
Views of storage in any side or rear yard from the street right-of-way must be at least 50 percent obscured by screening.
(2)
All Other Zoning Districts.
a.
Fences shall not exceed eight feet in height except as noted below.
b.
Barbed wire fences are permitted in Light Industrial and Industrial Zoning Districts. No barbed wire shall be erected upon any fence at a height lower than seven feet.
c.
No materials or equipment shall be stored outside, unless screened in such a manner as not to be visible from adjacent properties or street right-of-way. All outdoor storage shall be screened by a wall, fence, or vegetation not less than six feet in height and not less than 90 percent opacity year round. No storage shall be permitted within required landscaped areas.
d.
Storage of automobile sales inventory on surface lots is allowed by conditional use permit in the Light Industrial and Industrial Zoning Districts. With the permission of the property owner, automobile sales inventory may be stored in parking ramps in the Office Zoning District. The City reserves the right to disallow this storage if parking for the principal uses is negatively impacted.
e.
A solid screen, consisting of either a solid fence or wall not less than six feet in height, or a planted landscape screen providing at least 90 percent opacity year round and at least six feet in height at the time of planting, shall be installed and maintained along all lot lines separating an Industrial Zoning District from any Residential or Institutional Zoning District.
f.
All waste material, debris, refuse, junk or damaged vehicles, or vehicles under repair or being stored in connection with repair services, shall be either kept entirely within an enclosed building or completely screened from adjacent properties and street rights-of-way.
g.
Outdoor storage as a principal use in an Industrial Zoning District shall not include overnight parking of semitrailers or other vehicles or equipment.
(d)
Exceptions. Any deviation from this section shall require a variance in accordance with this chapter except for the following:
(1)
Tennis and basketball courts in all zoning districts may have a single perimeter fence no higher than 10 feet. Such fences shall be located to the rear of the principal structure and shall require a minimum three-foot strip of landscaping around the entire perimeter.
(2)
A wall or fence not exceeding six feet in height is permitted in the front yard of all properties directly adjoining a minor arterial street or adjoining the frontage road of a principal arterial, freeway, or expressway; as designated by the City.
(3)
A wall or fence not exceeding 12 feet in height is permitted in Light Industrial and Industrial Zoning Districts solely for the purpose of screening outdoor storage areas.
(4)
The screening requirement for mechanical equipment located in the side yards of properties in Light Industrial and Industrial Zoning Districts may be waived by the City Manager or his/her designee.
(5)
A portion of the required screening for properties in the Commercial, Light Industrial, and Industrial Zoning Districts may be waived for enhanced security and public safety purposes at the discretion of the City Manager or their designee, and only upon request by the Golden Valley Police Department.
(Code 1988, § 11.72; Ord. No. 312, 2nd Series, 10-20-2004; Ord. No. 654, § 1, 1-2-2019; Ord. No. 688, § 2, 9-1-2020; Ord. No. 733, §§ 2—5, 3-15-2022)
(a)
Purpose. The purpose of these regulations is to create standards for outdoor lighting which will provide for nighttime safety, security and utility while reducing light pollution, light trespass, and conserving energy for residential and nonresidential properties.
(b)
Definitions. The following words, terms and phrases, when used in this section, shall have the meanings ascribed to them in this subsection, except where the context clearly indicates a different meaning:
Cutoff: The point at which all light rays emitted by a lamp, light source, or luminaire are completely eliminated (cutoff) at a specific angle above the ground.
Cutoff Angle: The maximum angle formed by a line drawn in the direction of emitted light rays at the light source and a line perpendicular to the ground from the light source.
Flood Lighting: Any light fixture or lamp that incorporates a reflector or a refractor to concentrate the light output into a directed beam in a particular direction with a wide or narrow beam.
Footcandle: The American unit used to measure the total amount of light cast on a surface (illuminance). One footcandle is equivalent to the illuminance produced by a source of one candle at a distance of one foot.
Full Cutoff-Type Luminaire: A luminaire constructed or shielded to direct all light at a cutoff angle of less than 90 degrees.
Fully Shielded: The condition where the luminaire is designed and installed where no light is emitted at or above a horizontal plane running through the lowest point on the luminaire.
Glare: Direct light emitted from a luminaire with intensity great enough to cause visual discomfort, eye fatigue, a reduction in a viewer's ability to see, or, in extreme cases, momentary blindness.
IESNA (Illuminating Engineering Society of North America [IES or IESNA]): The professional society of lighting engineers, including those from manufacturing companies, and others professionally involved in lighting.
Lamp: The generic term for an artificial light source, to be distinguished from the whole assembly (the luminaire). The lamp is commonly referred to as the "bulb."
Light Pollution: The shining of light produced by a luminaire above the height of the luminaire and into the sky.
Light Trespass: The shining of light produced by a luminaire beyond the boundaries of the property on which it is located.
Lumen: A quantitative unit measuring the amount of light emitted from a light source.
Luminaire: A complete lighting unit consisting of a lamp or lamps together with the parts designed to distribute the light. A luminaire is commonly referred to as a "fixture."
Partially Shielded: The condition where the luminaire incorporates a translucent barrier that forms a partial shield around the lamp that allows some light to pass through the barrier while concealing the lamp from the viewer.
Shielded/Shielding: The lamp is not visible with a shielded light fixture, and no light is emitted from the sides of the fixture. Also considered a "full cut-off fixture."
Uniformity Ratio: A description of the smoothness of the lighting pattern or the degree of intensity of light and dark areas in the area to be lighted. Uniformity is expressed as a ratio of the maximum footcandle measurement to the minimum footcandle measurement. The lower the ratio the more uniform the lighting design.
Uplighting: Lighting that is directed in such a manner as to shine light rays above the horizontal plane.
Wallpack: A luminaire that mounts on the wall.
(c)
Applicability.
(1)
Except as otherwise provided, the lighting standards of this section shall be applicable to all residential and nonresidential uses.
(2)
The regulations in this section do not apply to the following:
a.
Lighting required by the Federal Aviation Administration or other Federal or State agency.
b.
Public street or alley lighting located within the public right-of-way that is authorized by the City.
c.
Temporary lighting for City authorized special events, theatrical productions, outdoor television production sets, and performance areas.
d.
Temporary lighting used for the construction or repair of roadways, utilities, and other public infrastructure.
e.
Vehicular lights and all temporary emergency lighting needed by the police department and fire protection district, or other emergency services.
f.
Lighting of public and existing outdoor recreational facilities, such as, but not limited to, ball fields, tennis courts, soccer fields, hockey or skating rinks, golf courses, golf-ball driving ranges, and special events or play areas. Lighting for these outdoor recreational uses shall be shielded to minimize light from spilling over onto adjacent residential properties. Public recreational facility lighting is prohibited after 10:30 p.m., unless a later completion time is approved by the City Manager, or his/her designee.
g.
Lighting within swimming pools.
h.
Sign lighting which is governed by City Code.
i.
Decorative seasonal lighting.
(d)
Prohibited Lights. The following lights are prohibited.
(1)
Mercury vapor lamps.
(2)
Low pressure sodium lamps are prohibited unless the City Manager or his/her designee finds that the color distortion effect of low pressure sodium lighting will not create a hindrance to crime prevention and investigation.
(e)
Method of Measurement.
(1)
Any light measurements shall be taken with a light meter with cosine, color correction. Measurements shall be taken with a light meter that has been calibrated within the year. Any measurements shall be measured by positioning the meter horizontally at ground level.
(2)
Any light measurement taken at the lot line shall be measured at the greatest point of illumination of said lot line. If measurement on private property is not possible or practical, light level measurements may be made at the boundary of the public street right-of-way that adjoins the property of the complainant or at any other location on the property of the complainant.
(3)
Any light measurements to determine the minimum and maximum lighting levels internal to a site will be taken at the greatest and least points of artificial illumination.
(f)
Nonconformities and Nuisance.
(1)
Any new outdoor lighting installed after the effective date of the ordinance from which this section is derived shall comply with the requirements of this section. Lighting in existence before the effective date of the ordinance from which this section is derived that does not comply with the requirements hereof shall be considered legally nonconforming to the extent provided by the terms of this chapter.
(2)
Evidence that a nonconforming luminaire directs glare to other private property located in a Residential Zoning District at a level of illumination caused by the luminaire equal to or greater than 0.5 footcandle on the other private property creates a presumption that it is a public nuisance. Such fixtures shall be altered to reduce the level of illumination in the Residential Zoning District to less than 0.3 footcandle within 30 days of receiving a written notice from the City Manager or his/her designee. If the owner or occupier of the property containing the nuisance fails to correct the level of illumination within such 30-day period, such failure to correct shall be deemed to be a continuing violation of this section.
(g)
Lighting Plan Requirements. An outdoor lighting (photometric) plan shall be submitted in conjunction with the building permit application for any new development not in an R-1 or R-2 Zoning District and for any expansion of more than 20 percent of the building or site area. No building permits shall be issued for said development until the photometric plan has been approved by the City as being consistent with the terms of this section. A photometric plan shall include the following:
(1)
The location and height above grade of each light fixture.
(2)
The type (such as incandescent, halogen, high pressure sodium) and luminous intensity of each light source with intensity reading points no greater than 30 feet apart.
(3)
The type of fixture (such as floodlight, full-cutoff, lantern, coach light).
(4)
Estimates for site illumination resulting from the lighting, as measured in footcandles, should include minimum, maximum and average illumination. Comparable examples already in the community that demonstrate technique, specification, and/or light level should be provided if available to expedite the review process.
(5)
Hours of illumination.
(6)
Certification by the property owner or agent and the preparer of the plan in writing that the exterior lighting depicted on the plan complies with the requirements of this section. Once the plan is approved, the exterior lighting of the property shall conform to the plan.
(7)
Other information deemed necessary may also be required by the City Manager or his/her designee to document compliance with the provisions of this section.
(8)
If deemed necessary, the City may require the applicant's outdoor lighting plan to be reviewed by a lighting consultant at the applicant's expense.
(h)
Requirements for R-1 and R-2 Zoning Districts. The provisions in this subsection (h) apply to the R-1 and R-2 Zoning Districts.
(1)
Lighting levels. The maximum power of any luminaire shall be 150 watts.
(2)
Light trespass. All outdoor lighting shall be designed and located such that the maximum illumination shall not exceed 0.3 footcandle at the lot line.
(3)
Security lights. Motion-activated security lights and unshielded floodlights or spotlights are permitted. However, they must meet the light trespass requirements above.
(i)
General Requirements for Other Zoning Districts. The following provisions apply in all areas except for R-1 and R-2 Zoning Districts.
(1)
Lighting Fixtures. All exterior lighting shall use full cut-off luminaires with the light source downcast and fully shielded, with the following exceptions:
a.
Luminaires that have a maximum output of 400 lumens per fixture, regardless of number of lamps (equal to one 40-watt incandescent light), may be left unshielded provided the luminaire has an opaque top or is under an opaque structure.
b.
Luminaires that have a maximum output of 1,000 lumens per fixture, regardless of number of lamps (equal to one 60-watt incandescent light) may be partially shielded provided the lamp is not visible, and the luminaire has an opaque top or is under an opaque structure.
c.
The City Manager or his/her designee may permit alternatives to full-cut off fixtures if there is a City-approved area lighting plan. In order for the area lighting plan to be approved, it must be demonstrated that undesirable off-site impacts stemming from the luminaires are reduced by the fixture design or location.
d.
Uplighting/accent lighting described in this section.
(2)
Light Trespass. Outdoor lighting shall be designed and located such that the maximum illumination shall not exceed 0.5 footcandle at the lot line.
(3)
Mounting Height. Luminaire height includes base and pole height. Freestanding luminaires are permitted to be a maximum of 30 feet in height, except for the following:
a.
When a luminaire is located within 500 feet of an R-1 or R-2 residential property the maximum permitted luminaire height shall be 25 feet and the lights shall be shielded.
b.
The top exterior deck of parking garages shall be treated as normal pole mounted lighting rather than as lights mounted to buildings. The maximum height for light poles in these locations shall be 20 feet and light poles shall be located at least 20 feet from the perimeter of the parking deck.
c.
Freestanding luminaires used for walkways, plazas and other pedestrian areas are permitted to be a maximum of 18 feet.
(4)
Timers, Dimmers, and Sensors. Lighting installation shall include timers, dimmers, and/or sensors to reduce overall energy consumption and eliminate unneeded lighting.
(5)
Curfew. Lighting systems described below for parking lots, service stations, and auto sales areas shall be extinguished or reduced in lighting by at least 50 percent beginning one hour after close of business and continuing until dawn or start of business, whichever is sooner. The reduction shall be determined as an overall average for the site. This provision does not require parking lot lighting levels to be reduced to less than 0.2 footcandle.
(j)
Specific Requirements for Parking Lot Lighting. The following specific lighting level requirements apply only to parking lot lighting.
(1)
Open-Air Parking Lot Lighting Standards. The table below establishes open-air parking lot lighting standards. For multilevel parking facilities, the roof level shall be considered an open-air parking lot.
*When requested by the property owner, the City Manager or his/her designee may increase from basic to enhanced security lighting levels when personal security is an issue. The City Manager or his/her designee may consider specific site characteristics, level of vehicle and pedestrian conflict, special security needs, and history or likelihood of crimes in making the determination.
(k)
Specific Requirements for Service Stations. The following specific requirements apply only to service stations:
(1)
Canopy Lighting.
a.
Lighting fixtures mounted under canopies used for vehicle shelter shall be aimed downward and installed such that the bottom of the light fixture or its lens, whichever is lower, is recessed or mounted flush with the bottom surface of the canopy. A full cutoff light fixture may project below the underside of a canopy. All light emitted by an under-canopy fixture shall be substantially confined to the ground surface directly beneath the perimeter of the canopy.
b.
Lights shall not be mounted on the top or sides (fascias) of the canopy, and the sides (fascias) of the canopy shall not be internally illuminated.
c.
Light levels shall not exceed 12 footcandles average maintained at the perimeter of the canopy and measured at ground level.
(2)
Illumination Beyond Canopy Perimeter. The illumination 20 feet beyond the perimeter of the canopy shall be a minimum of two footcandles and a maximum of five footcandles.
(3)
Exceptions to Lighting Level Standards. At the discretion of the City Manager or his/her designee, increased lighting levels may be permitted for enhanced security purposes only.
(l)
Specific Requirements for Auto Sales Areas. The following specific requirements apply only to auto sales areas:
(1)
Lighting Levels. Lighting levels shall not exceed a maximum of 20 footcandles within an auto sales area.
(2)
Light Uniformity. The maximum uniformity ratio (maximum illumination to minimum illumination) throughout an auto sales area shall not exceed 30:1.
(m)
Requirements for Uplighting and Accent Lighting.
(1)
Architectural features may be illuminated by uplighting, provided no glare or light trespass is produced. All floodlights or other lighting attached to poles to illuminate buildings are prohibited.
(2)
For statues, public art, or other objects of interest that cannot be illuminated with downlighting, upward lighting may only be used that is confined to the illumination to the object of interest.
(3)
Uplighting of flags is permitted with a limit of three luminaires per flag pole with a maximum of 150 watts from each luminaire. The fixtures must be shielded such that the light source is not visible outside of a 15-foot radius.
(n)
Temporary Lighting.
(1)
Lighting used to illuminate temporary uses shall be reviewed, and if necessary conditioned, through the temporary use permitting process.
(2)
The City Manager or his/her designee may impose specific conditions for the lighting of temporary uses consistent with the purposes of this section.
(Code 1988, § 11.73; Ord. No. 365, 2nd Series, 3-23-2007)
(a)
Purpose. The purpose of this section is to provide for and regulate the design, location, placement, construction, maintenance, and removal of telecommunications facilities; to provide safety and emergency services through the use of telecommunications facilities; to provide broader forms of communication in a more reliable way; to ensure such telecommunications facilities are unobtrusive in appearance and location and do not detract from the character of the City's residential neighborhoods and historic architecture; to provide clear standards governing all aspects of such telecommunications facilities; to encourage co-location and shared use of telecommunications facilities and support structures; and to allow new telecommunications towers only when a demonstration of need satisfactory to the City can be shown in order to protect property values and preserve the image of the City.
(b)
Definitions. The following words, terms and phrases, when used in this section, shall have the meanings ascribed to them in this subsection, except where the context clearly indicates a different meaning:
Antennas: A device placed outdoors and mounted on the rooftop or facade of a building or other support structure and used to transmit and/or receive radio or electromagnetic waves. The definition of the term "antennas" does not include satellite dishes six feet in height or shorter, whip antennas one inch or less in diameter, or television antennas having a total length of six feet or less, which are located on a dwelling or other permitted building.
Co-locate or Co-location: To place, mount, install, operate, modify or replace a telecommunications facility on an existing telecommunications tower or wireless support structure that is owned privately or by a local government unit.
Eligible Facilities Request: A request made by an owner/operator pursuant to 47 USC 1455(a) and 47 CFR 1.40001(c), as the same may be amended, to modify an existing telecommunications facility that does not result in a substantial change to the physical dimensions of the telecommunications facility.
Micro Wireless Facility: A wireless facility that is no larger than 24 inches long, 15 inches wide, and 12 inches high, and whose exterior antenna, if any, is no longer than 11 inches.
Monopole: A freestanding, self-supporting telecommunications tower which uses a single pole, does not use a lattice design, and has no guy wires.
Satellite Dish or Satellite Antenna: A round, conical or cone-shaped device more than 18 inches in diameter, placed outdoors on the ground or on a building or structure, and used to transmit and/or receive radio or electromagnetic waves.
Small Wireless Facility:
(1)
A wireless facility that meets both of the following qualifications:
a.
Each antenna is located inside an enclosure of no more than six cubic feet in volume or, in the case of an antenna that has exposed elements, the antenna and all its exposed elements could fit within an enclosure of no more than six cubic feet; and
b.
All other wireless equipment associated with the small wireless facility, excluding electric meters, concealment elements, telecommunications demarcation boxes, battery backup power systems, grounding equipment, power transfer switches, cutoff switches, cable, conduit, vertical cable runs for the connection of power and other services, and any equipment concealed from public view within or behind an existing structure or concealment, is in aggregate no more than 28 cubic feet in volume; or
(2)
A micro wireless facility.
Telecommunications Facility: Towers, cables, wires, lines, wave guides, antennas, wireless facilities (including small and micro wireless facilities) and any other telecommunications or wireless equipment or accessories associated with the transmission or reception of communications or wireless services located or installed on or near a tower or antenna support structure.
Telecommunications Tower: A self-supporting monopole, poles, or lattice structure constructed at normal grade and extending into the air at least 12 feet and used to support telecommunications facilities.
Tower Height: The vertical distance from the average grade at the base of the telecommunications tower to the highest point of the tower or to the highest point of the highest telecommunications facilities on the tower whichever is higher.
(c)
Demonstration of Need. The applicant shall provide an analysis prepared by a radio or electrical engineer demonstrating that the proposed location of the antennas is necessary to meet the coverage and capacity needs of its system and that there is no existing antenna support structure that could adequately serve the area if antennas were placed on it.
(d)
Location of New Facilities. The following preferences, listed in ranked order, shall be followed for a new telecommunications facility (except small and micro cell wireless facilities), or tower and each preference shall be analyzed to determine the most appropriate location:
(1)
Whenever possible, an existing telecommunications tower, structure or building shall be used to support the proposed telecommunications facility. If an existing building or structure is used, it shall be over 35 feet in height. Preference shall be given to existing light poles, high voltage utility towers and water towers. Public and commercial buildings four or more stories high which can more likely accommodate telecommunications facilities without obstructing views or being obtrusive to views shall be given preference over shorter buildings.
(2)
Less restrictive (heavier) zoning district shall be given preference over more restrictive zoning districts.
(3)
Sites with the least impact on residential areas shall be given preference over sites in or near residential areas. Where feasible and practical, telecommunications towers shall exceed the setback requirements by 50 percent when located adjacent to a property zoned residential. Also, where feasible and practical, antennas on lots zoned R-3 or R-4 shall be located discreetly on building rooftops or facades rather than on a new monopole.
(4)
In all cases, except for nonconforming existing telecommunications towers, the location must meet the zoning requirements.
(5)
Amateur radio towers in the R-1 and R-2 Zoning Districts are not required to co-locate.
(e)
Where Allowed. Telecommunications towers and antenna facilities shall be allowed in the City's zoning districts as specified in this section, provided that all of the requirements of this section are met.
(f)
Administrative Review. Notwithstanding the height restrictions of each zoning district, the following uses shall be permitted in all zoning districts, subject to administrative review and approval by the City Manager or his/her designee and the design and performance standards set forth in this section:
(1)
Antennas 15 feet in length or less when located on an existing building or structure
(2)
Satellite dishes meeting the following diameter and height limitations:
(3)
Small wireless facilities not located in the public right-of-way
(4)
Small wireless facilities located in the public right-of-way. However, these facilities are regulated under Chapter 24, Article II, pertaining to right-of-way management
(5)
A one-time extension of the height of an existing telecommunications tower by 15 feet or less, provided that the total height of the telecommunications tower and all antennas does not exceed the total allowable height pursuant to this section; and
(6)
Temporary mobile telecommunications towers may be installed in the R-1 and R-2 Zoning Districts for emergency purposes only, and in all other zoning districts for testing purposes only, for a period not to exceed 100 days, subject to the following height limitations:
(g)
Administrative Review Process.
(1)
Submittal Requirements. In additional to the general requirements, the applicant shall submit the following information:
a.
Complete site plan, survey, scaled schematic drawings, photographic perspectives, building elevations, antenna elevations showing the structure and placement of the telecommunications facility, signed by a registered architect, civil engineer, landscape architect, or other appropriate design professional
b.
Scaled drawings showing the size, location, materials and screening of the telecommunications facility, including the base unit or antenna support structure and all antennas and related equipment; and
c.
An analysis prepared by a radio or electrical engineer demonstrating that the proposed location of the antennas is necessary to meet the coverage and capacity needs of the applicant's system and that there is no existing antenna support structure that could adequately serve the area if antennas were placed on it.
(2)
Appeals. Decisions regarding the administrative review of permitted telecommunications facilities shall be subject to appeal to the Board of Zoning Appeals pursuant to this section.
(h)
Conditional Uses. The following uses may be allowed as conditional uses, subject to the provisions of this section:
(1)
Antennas exceeding 15 feet in length when located on an existing building or structure
(2)
Satellite dishes meeting the following diameter and height limitations:
(3)
Telecommunications towers meeting the following height limitations:
(i)
Conditional Use Review Process.
(1)
Submittal Requirements. In additional to the general conditional use requirements, the applicant shall submit the following information:
a.
Complete site plan, survey, scaled schematic drawings, photographic perspectives, building elevations, antenna elevations showing the structure and placement of the telecommunications facility, signed by a registered architect, civil engineer, landscape architect, or other appropriate design professional
b.
Scaled drawings showing the size, location, materials and screening of the telecommunications facility, including the base unit or antenna support structure and all antennas and related equipment; and
c.
An analysis prepared by a radio or electrical engineer demonstrating that the proposed location of the antennas is necessary to meet the coverage and capacity needs of the applicant's system and that there is no existing antenna support structure that could adequately serve the area if antennas were placed on it.
(j)
Design and Performance Standards for All Permitted and Conditional Telecommunications Facilities, Towers, and Antennas. The following design and performance standards are hereby established to meet the objectives of the City and the purposes of this section:
(1)
Telecommunications Towers. If a new telecommunications tower over 60 feet in height is to be constructed:
a.
The telecommunications tower must be designed to accommodate both the applicant's antennas and antennas for at least one additional comparable user
b.
The telecommunications tower must be designed to accept antennas mounted at additional heights
c.
The applicant, the telecommunications tower owner, the landowner, and their successors must allow the shared use of the telecommunications tower if an additional user agrees in writing to meet reasonable terms and conditions for shared use; any such agreement shall require that disputes be submitted to binding arbitration; all interested parties must sign the conditional use permit agreeing to these requirements.
(2)
Placement. New telecommunications towers shall be placed on the site or within the site so as to be visually as unobtrusive as possible and existing trees and landscaping which can screen the telecommunications tower shall be preserved. Placement of new telecommunications towers or telecommunications facilities shall be consistent with the City's Natural Resource Management Plan and the Stormwater Management Plan to consider wetlands, floodplains, steep slopes, quality of existing vegetation, and utility, recreational, or other public purposes or uses of the property.
(3)
Interference. The placement, design, use, and operation of the telecommunications facilities shall comply with the Telecommunications Act of 1996 and the rules and regulations of the Federal Communications Commission.
(4)
Setbacks.
a.
No telecommunications tower shall be located in the required minimum front, side, or rear yard building setback of any lot.
b.
Exceptions. Use of existing light poles, high voltage poles or towers, and telecommunications towers are exempt from the setback requirements provided that such pole or telecommunications tower is not increased in height.
c.
Satellite dish. In the Institutional, Business and Industrial Zoning Districts, no satellite dish greater than two meters (6.56 feet) in diameter shall be located in the minimum required front or side yard setbacks.
(5)
Ground Structures. If the ground structure is a building, the design shall be compatible with the principal building. If no principal building is on the site, the building must be compatible with nearby buildings. Structures which are not buildings must be designed to be compatible with the area.
(6)
Structural. Telecommunications towers shall be approved by a licensed and qualified professional structural engineer to conform to the lateral and other structure standards of the most current uniform building code and to be structurally sound for conditions reasonably likely to occur on or near the site and be capable of carrying at least four separate antenna arrays if the telecommunications tower is higher than 130 feet. All other applicable requirements of other Federal, State, and other regulatory agencies must be met.
(7)
Guy Wires. Guy wires are prohibited for new telecommunications towers.
(8)
Security. Reasonable security measures shall be provided. If fencing is used, it must be decorative and landscaping shall be used to soften its impact.
(9)
Lighting. No telecommunications towers or antennas shall be artificially illuminated unless required by law or the Federal Aviation Administration. This provision does not prevent general exterior lighting of a building or steeple to meet aesthetic or functional objectives provided such lighting otherwise meets the provisions of the code.
(10)
Signs. No sign shall be located on a telecommunications tower or antenna except to provide necessary information as required to meet Federal, State, or local laws.
(11)
Landscaping and Screening. All telecommunications towers and related building facilities shall be landscaped and screened with natural vegetation to lessen the visual impact. The natural vegetation on the site shall be documented on the site plans and drawings submitted to the City Manager or his/her designee during the review and approval process. Suitable existing vegetation shall be retained to the extent possible based on an analysis of the site. New landscaping shall be shown on a landscape plan, which will be reviewed as part of the conditional use permit application.
(12)
Color. The finished color for the telecommunications tower shall be natural for the environment and setting and shall be permanent (e.g., anodized, baked enamel).
(13)
Access. Adequate access to the telecommunications facility must be provided from a public right-of-way to the telecommunications facility consistent with the type of facility constructed.
(14)
Parking. No off-street parking is required for telecommunications towers or antennas. However, if off-street parking is provided, it shall have a suitable base and be landscaped along the outside perimeter.
(15)
Antenna Locations and Mounting. The location and mounting of antennas on buildings and structures shall be done in accordance with the following:
a.
If mounted at the top of a telecommunications tower so that any portion of the antenna extends above the top of the tower, such extension is included in determining the height of the tower.
b.
If mounted on a public water tower, light pole, high voltage utility pole, steeple or similar structure, preference shall be given to placing the antennas on the side or on the support portion of the structure instead of on top of the facility.
c.
If mounted on a building, preference shall be given to placing the antenna on the side of the building mounted flush with the building and colored to match the background instead of a location on top of the building. However, any antenna mounted on the side of a building shall not extend above the roofline. (Satellite dishes may be more appropriately located on the roof and screened from view.)
d.
If mounted on the top of a building, preference shall be given to placing the antennas in the center portion of the building. In no event shall a rooftop antenna be located closer than 10 feet from all outside edges/perimeter of the building.
e.
Antennas located on the side or top of a building or structure shall be designed, colored, and maintained to blend in with the color and architecture of the building or structure.
(k)
Additional Standards for Public Property. The City recognizes that in certain locations and in certain circumstances it is appropriate public policy and in the best interest of the community to allow using some public land and structures for telecommunications facilities (except small and micro cell wireless facilities) because it may provide efficient use of resources and may reduce clutter by using existing facilities.
Accordingly, the City supports consideration of the following when applications meet all other provisions of this section:
(1)
Encouraging and allowing the City's high voltage electric utility towers, some of which are in public rights-of-way, to be used as telecommunications towers in accordance with Minn. Stats. ch. 237.
(2)
Encouraging and allowing existing City light and utility poles within the public right-of-way to be used as telecommunications towers in accordance with State law and subject to approval by the City Manager or his/her designee based on requirements set forth in Chapter 24, Article II, pertaining to right-of-way management.
(3)
Encouraging and allowing the use of the tower located on MnDOT property at the northwest quadrant of Trunk Highway 100 and Duluth Street.
(4)
Allowing public land and structures to be used for telecommunications facilities, but not in neighborhood parks as defined by the Comprehensive Plan. On school sites, telecommunications towers shall not exceed 100 feet.
(l)
Nonconforming Facilities. Legal nonconforming telecommunications facilities may be structurally altered to carry additional antenna arrays, provided that:
(1)
The overall height of the telecommunications facility is not increased.
(2)
The location of the telecommunications tower and the proposed change is not adverse to the use and enjoyment of the adjacent property.
(3)
The proposed change and plan meets the design and performance standards set forth in this section to the extent reasonably possible.
(4)
A review is made by the City allowing the change and subject to plans and conditions agreeable to the City and applicant.
(m)
Inspection. The City may inspect telecommunications towers, antenna support facilities, and the property on which such facilities are located to determine compliance with the City Code, City ordinances, regulations, and conditions of approval. The City may require repair or modification of the facility, site maintenance, or removal of the facility based on the results of the inspection.
(n)
Maintenance. Telecommunications towers and antennas and the site upon which they are located must be maintained in accordance with the following provisions:
(1)
Telecommunications tower owners must employ ordinary and reasonable care in construction and use commonly accepted methods and devices for preventing failures and accidents that are likely to cause damage, injuries, or nuisances to the public.
(2)
Telecommunications tower owners must install and maintain telecommunications towers, telecommunications facilities, fixtures, and other equipment in compliance with the requirements of the National Electric Safety Code and all Federal Communications Commission, State and local regulations, and in such a manner that they will not interfere with the use of other property.
(3)
Telecommunications towers, telecommunications facilities, antenna support structures, and landscaped areas must be kept and maintained in good condition, order, and repair.
(4)
Maintenance or construction on telecommunications facilities, telecommunications towers, or antenna support structure must be performed by qualified maintenance and construction personnel.
(5)
Telecommunications towers and antennas must comply with radio frequency emissions standards of the Federal Communications Commission.
(6)
If the use of a telecommunications tower is discontinued by the tower owner or lessee, the tower owner or lessee must provide written notice to the City of its intent to discontinue use and the date when the use will be discontinued.
(o)
Removal. Any Telecommunications Tower or Antenna which is not used for 12 months shall be removed along with any associated above-ground facilities within 90 days of said 12 months unless an extension is approved by the City Council prior to the expiration of said 90 days. Failure to remove a telecommunications tower or antenna as provided by this subsection shall be deemed a nuisance and the City may act to abate such nuisance and require removal at the property owner's expense.
(p)
Eligible Facilities Request. Notwithstanding the foregoing, nothing in this section shall be read to allow the City to prohibit or deny an eligible facilities request.
(q)
All Telecommunication Facilities shall comply with all applicable, rules, regulations and laws.
(Code 1988, § 11.71; Ord. No. 271, 2nd Series, 11-15-2002; Ord. No. 654, § 1, 1-2-2019; Ord. No. 788, §§ 1—3, 12-3-2024)
(a)
Purpose. The purpose of this section is to allow for and regulate the location, placement, design, and maintenance of wind energy conversion systems, which are not otherwise subject to siting and oversight by the State, to ensure such facilities are appropriately located and are used in a safe and effective manner.
(b)
Definitions. The following words, terms and phrases, when used in this section, shall have the meanings ascribed to them in this subsection, except where the context clearly indicates a different meaning:
Height: The height of a freestanding wind energy conversion system shall be measured as the distance from ground level to the highest point on the wind energy conversion system, including the vertical length of any extensions including without limitation the rotor blade at its highest point in rotation. The height of a building mounted wind energy conversion system shall be measured as the distance from the point where the base of the system is attached to the building or to the lowest point on the wind energy conversion system, whichever is closer to the ground, to the highest point on the wind energy conversion system, including the vertical length of any extensions, including, without limitation, the rotor blade at its highest point in rotation.
Monopole: A freestanding, self-supporting tower which uses a single pole, does not use a lattice design, and has no guyed wires.
Wind Energy Conversion System: Any electrical generating facility that converts wind energy to electrical energy, such as a windmill or wind turbine, and associated and accessory facilities, including without limitation, the support structure of the system.
(c)
Conditional Uses.
(1)
Mounted wind energy conversion systems shall be allowed by a conditional use permit in all zoning districts except in the R-1, R-2, R-3, R-4, and Shoreland Overlay Districts, subject to administrative review and approval by the City Manager or his/her designee, so long as they meet the following requirements:
a.
Mounted wind energy conversion systems shall not exceed 15 feet in height from the base to the top of the rotor blade in all zoning districts.
b.
No mounted wind energy conversion system shall be established on a zoning lot less than one acre in area. A maximum of one mounted wind energy conversion system per acre of lot area shall be allowed.
c.
On buildings less than three stories and 32 feet in height, mounted wind energy conversion systems shall be set back at least 10 feet from the front, side, and rear walls of the structure upon which the wind energy conversion system would be mounted.
d.
Mounted wind energy conversion systems shall be placed no lower than the primary roofline.
e.
The base of the mounted wind energy conversion system shall maintain a minimum distance from any overhead utility to twice the height of the mounted wind energy conversion system.
f.
The structure upon which the wind energy conversion system is mounted shall have the structural integrity to carry the weight and wind loads of the wind energy conversion system and have minimal vibration impacts on the structure. The Building Official shall make a determination as to whether a structural engineer report is necessary.
g.
A building permit shall be obtained before a mounted wind energy conversion system is placed on a structure.
(2)
Freestanding wind energy conversion systems shall be allowed by a conditional use permit in all zoning districts except in the R-1, R-2, R-3, R-4, and Shoreland Overlay Districts, subject to administrative review and approval by the City Manager or his/her designee, so long as they meet the following requirements:
a.
The height of freestanding wind energy conversion systems shall be no more than 60 feet on lots between one and five acres and shall be no more than 120 feet on lots of more than five acres in area.
b.
No freestanding wind energy conversion system shall be established on a lot less than one acre in area. A maximum of one freestanding wind energy conversion system per acre of lot area shall be allowed.
c.
The minimum clearance between the ground and the vertical length of any extensions such as the rotor blades shall be 15 feet.
d.
The base of the wind energy conversion system shall maintain a minimum distance from any overhead utility lines equal to twice the height of the wind energy conversion system.
e.
The base of the wind energy conversion system shall maintain a minimum distance from the nearest residential structure equal to at least 500 feet.
f.
All electrical wires associated with a freestanding wind energy conversion system shall be located within the tower and underground.
g.
All sites shall be reasonably secured. The bottom of the wind energy conversion system, measured from ground level to 12 feet above ground level, shall be designed in a manner to discourage unauthorized climbing. If fencing is used, it must be decorative and landscaping shall be used to soften its impact.
(d)
Submittal Requirements.
(1)
The City shall have up to 60 working days following the submittal of a complete application to approve or deny such application. The City may impose such conditions and require such guarantees deemed reasonable and necessary to protect the public interest and to ensure compliance with the standards and purposes of this Zoning Code and policies of the Comprehensive Plan.
(2)
The applicant shall submit the following:
a.
A completed application for a conditional use permit in accordance with the City Code.
b.
A site plan showing the placement of the wind energy conversion system and its associated facilities and accessories, the location of lot lines, location and height of structures, above-ground utilities, location and height of significant tress, setbacks, easements and rights-of-way, and interconnection points with the grid.
c.
A scaled drawing showing the dimensions of the system including the type of wind energy conversion system and the name plate generating capacity.
d.
Documentation from the local utility showing that the wind energy conversion system is compliant with regulations related to utility connections if the system is to be connected to utility lines.
(e)
Design and Performance Standards. Design and performance standards are hereby established to meet the objectives of the City and the purposes and other provisions of this chapter. The standards apply to both mounted and freestanding wind energy conversion systems.
(1)
Compatibility with Nearby Properties. Wind energy conversion systems shall utilize building materials, colors, and textures that are neutral and compatible with the existing principal structure. Rotor blades shall be non-metallic to prevent communication signal interference. Metal towers shall be constructed of, or treated with, corrosive resistant material. Unpainted, galvanized metal or similar towers shall be prohibited.
(2)
Compliance. All systems shall be designed, constructed, and operated in compliance with all applicable Federal, State, and local laws, codes, standards, and ordinances, as well as adhere to the requirements of local utilities if connected to utility lines.
(3)
Controls and Brakes. All systems shall contain an internal governor or braking device which engages at excessive wind speeds, determined by the manufacturer, to minimize the potential for wind damage to the equipment.
(4)
Encroachments and Setbacks.
a.
Wind energy conversion systems shall comply with the minimum yard requirements of the district in which they are located.
b.
Wind energy conversion systems shall comply with applicable regulations as established by the Federal Aviation Administration and State Pollution Control Agency.
c.
The base of the wind energy conversion shall maintain a minimum distance from public right-of-way equal to the vertical height of the system plus 10 feet.
(5)
Interference. The wind energy conversion system shall be designed to not cause electrical, radio frequency, television, and other communication signal interference.
(6)
Lighting. Wind energy conversion systems shall not be illuminated by artificial means, except where the illumination is specifically required by the Federal Aviation Administration or other Federal, State, or local regulations.
(7)
Maximum Capacity. Wind energy conversion systems shall have a rated capacity of not more than 100 kilowatts.
(8)
Maintenance Required. All wind energy conversion systems shall be kept in good repair and free from rust, damaged supports, framework, or other components.
(9)
Noise. Wind energy conversion systems shall comply with the standards governing noise of the State Pollution Control Agency.
(10)
Safety. Wind energy conversion systems shall be designed and operated to reduce the impact of ice buildup on extensions and ice throw from those extensions.
(11)
Signage. Advertising or identification of any kind on wind energy conversion systems shall be prohibited, except for applicable warning and equipment information signage required by the manufacturer or by Federal, State or local regulations.
(12)
Tower Type. Towers shall be of a monopole design.
(f)
Abandoned, Unused, or Inoperable Wind Energy Conversion Systems. All abandoned, unused, or inoperable wind energy conversion systems shall be removed within six months of the cessation of normal operations and the property must be restored to its original condition or to an improved condition unless an extension is approved by the City Manager or his/her designee. If an extension is not approved, such wind energy conversion system shall be deemed a nuisance, and the City may act to abate such nuisance and require its removal and the restoration of the site at the property owner's expense.
(Code 1988, § 11.74; Ord. No. 442, 2nd Series, 7-30-2010)
(a)
Purpose. The purpose of this section is to allow for and regulate the location, placement, design, and maintenance of active and passive solar energy systems to ensure such equipment are appropriately located and are used in a safe and effective manner.
(b)
Definitions. The following words, terms and phrases, when used in this section, shall have the meanings ascribed to them in this subsection, except where the context clearly indicates a different meaning:
Building Integrated Solar System: A solar energy system that is directly integrated into the building by replacing typical building materials.
Flush Mounted Solar System: A solar energy system that is installed on the roof of a building in which the solar panels are parallel with the finished roof materials.
Ground Mounted Solar System: A solar energy system that is installed directly onto the ground by means of brackets or poles.
Non-Flush Mounted Solar System: A solar energy system that is installed on the roof of a building at a different pitch than the finished roof surface.
Solar Energy System: A device, structure, or part thereof that transfers direct solar energy into thermal, chemical, or electrical energy.
Solar Garden: A community shared solar energy system with linked subscribers or leased panel members.
(c)
Permitted Use Where Allowed.
(1)
Building mounted solar energy systems shall be allowed in all zoning districts, subject to administrative review and approval by the City Manager or his/her designee, so long as they meet the following requirements:
a.
Flush-mounted solar systems shall not exceed the designated height requirement of the principal structure in all zoning districts.
b.
Non-flush-mounted solar systems shall extend no more than three feet directly above the surface of a roof at any point.
c.
The structure upon which the solar energy system is mounted shall have the structural integrity to carry the weight of the solar energy system.
d.
A building permit shall be obtained before a mounted solar energy system may be placed on a structure.
(2)
Building integrated solar systems shall be considered a part of the structure rather than a separate entity. Building integrated solar systems need to follow the regulations set by the building code.
(3)
Ground mounted solar systems shall have a maximum height of 10 feet.
(4)
Ground mounted solar systems shall be set back a minimum of five feet from all lot line from the outermost perimeter of the solar panel.
(5)
Solar gardens shall be permitted with a conditional use permit.
(d)
Design and Performance Standards. Design and performance standards for solar energy systems are hereby established to meet the objectives of the City outlined in the Comprehensive Plan and the purpose and other provisions of this section.
(1)
Compatibility with Nearby Properties. The visual impact of rooftop equipment on nearby properties shall be minimized through such means as location on the roof, flush-mounting to the roof, screening, or other integration into the roof design. Screening shall be of durable, permanent materials that are compatible with the primary building materials. Screening shall be done to the extent possible without reducing the system's efficiency.
(2)
Compliance.
a.
Solar energy systems shall be designed, constructed, and operated in compliance with any applicable Federal, State, and local laws, codes, standards, and ordinances, as well as adhere to the requirements of local utilities if connected to utility lines.
b.
Solar energy systems shall comply with applicable regulations as established by Chapter 1325 of the Minnesota State Building Code and the National Electrical Code (NFPA 70).
(3)
Interference. Solar energy systems shall be designed to not cause electrical, radio frequency, television, and other communication signal interference.
(4)
Installation. Solar energy systems shall be installed only by licensed contractors.
(5)
Maintenance. Solar energy systems shall be kept in good repair and free from damaged supports, mounts, framework, or other components.
(Code 1988, § 11.75; Ord. No. 506, 2nd Series, 11-15-2013)
(a)
Purpose. The purpose of these standards is to ensure that:
(1)
Development and redevelopment within the city is held to a high standard with respect to visual quality.
(2)
Structural and ornamental elements are utilized to maximize variety and architectural interest.
(3)
Building façades facing the public realm are active and engaging.
(4)
The built environment is maintained in good condition.
(b)
General Standards.
(1)
Architectural.
a.
Massing shall be varied to incorporate staggered building components, recessed doorways, and other elements that provide visual interest.
b.
Roof lines shall include pitched roofs, dormers, gable or hip roof accents, parapets, cornices, and other interesting profiles.
c.
Buildings shall include consistent architectural treatment on all façades and all sides of a building shall include compatible materials.
d.
Focal features shall add interest or distinction to a building.
(2)
Materials. Exterior materials shall be divided into Class I, Class II, Class III, and Prohibited categories as follows:
(c)
Rowhouses in Moderate Density Residential (R-2) Zoning Districts.
(1)
Architectural.
a.
Façades. Façades greater than 40 feet in length shall be visually articulated into smaller intervals by:
1.
Stepping back or extending forward a portion of the façade
2.
Providing variation in materials, texture, or color
3.
Placement of doors, windows, and balconies
Buildings shall have a defined base, middle, and top, and employ elements that relate to the human scale and appeal to pedestrians, such as doors and windows, projections, or awnings and canopies. A middle is not required on a one-story building.
b.
Openings. Views into and out of the building shall be provided to enliven the streetscape and enhance security. Windows and door openings shall comprise at least 20 percent of the area of the ground floor façade facing the primary street. Window and door openings shall comprise at least 15 percent of the area of the side and rear ground floor façades.
On upper stories, windows shall comprise at least 15 percent of the façade area.
Window and door openings shall be clear or slightly tinted to allow unobstructed views into and out of buildings. Window shape, size, and patterns shall emphasize the intended organization and articulation of the building façade.
c.
Entrances. Building entrances shall be provided on the primary street on which the building fronts, in addition to any entrances from rear parking areas. Street entrances shall be lighted and defined by means of a canopy, portico, recess, or other architectural details.
d.
Screening. Utility service structures (such as utility meters, utility lines, and transformers), refuse and recycling containers, and other ancillary equipment must be inside a building or be screened from off-site views. Rooftop equipment shall be screened by a parapet wall or a fence the height of which is at least equal to the top of the rooftop equipment and is compatible with exterior materials and architectural features of the building. Equipment associated with solar and wind energy systems are exempt from this provision if screening would interfere with system operations.
(2)
Materials.
a.
Front façades, and side are rear façades visible from the public right-of-way, shall be composed of at least 50% Class I materials and no more than 10% Class III materials.
b.
Side and rear façades not visible from the public right-of-way shall be composed of at least 40% Class I materials and no more than Class III materials.
c.
Each façade must utilize a minimum of two types of Class I materials.
(d)
Medium Density Residential (R-3) and High Density Residential (R-4) Zoning Districts.
(1)
Architectural.
a.
Façades. Façades greater than 40 feet in length shall be visually articulated into smaller intervals by:
1.
Stepping back or extending forward a portion of the façade
2.
Providing variation in materials, texture, or color
3.
Placement of doors, windows, and balconies
Buildings shall have a defined base, middle, and top, and employ elements that relate to the human scale and appeal to pedestrians, such as doors and windows, projections, or awnings and canopies. A middle is not required on a one-story building.
b.
Openings. Views into and out of the building shall be provided to enliven the streetscape and enhance security. Where residential uses occupy the ground floor level, window and door openings shall comprise at least 20 percent of the area of the ground floor façade facing the primary street. Window and door openings shall comprise at least 15 percent of the area of the side and rear ground floor façades.
Where nonresidential uses occupy the ground floor level, window and door openings shall comprise at least 30 percent of the area of the ground floor façade facing the primary street. Window and door openings shall comprise at least 20 percent of the areas of the side and rear ground floor façades.
On upper stories, windows shall comprise at least 15 percent of the façade area.
Window and door openings shall be clear or slightly tinted to allow unobstructed views into and out of buildings. Spandrel glass may be used in service areas. Window shape, size, and patterns shall emphasize the intended organization and articulation of the building façade.
c.
Entrances. Building entrances shall be provided on the primary street on which the building fronts, in addition to any entrances from rear or side parking areas. Street entrances shall be lighted and defined by means of a canopy, portico, recess, or other architectural details.
d.
Screening. Utility service structures (such as utility meters, utility lines, and transformers), refuse and recycling containers, and other ancillary equipment must be inside a building or be screened from off-site views. Rooftop equipment shall be screened by a parapet wall or a fence the height of which is at least equal to the top of the rooftop equipment and is compatible with exterior materials and architectural features of the building. Equipment associated with solar and wind energy systems are exempt from this provision if screening would interfere with system operations.
(2)
Materials.
a.
Front façades, and side and rear façades visible from the public right-of-way, shall be composed of at least 50% Class I materials and no more than 10% Class III materials.
b.
Side and rear façades not visible from the public right-of-way shall be composed of at least 40% Class I materials and no more than 10% Class III materials.
c.
Each façade must utilize a minimum of two types of Class I materials.
(e)
Commercial, Office, and Institutional Zoning Districts.
(1)
Architectural.
a.
Façades. Façades greater than 40 feet in length shall be visually articulated into smaller intervals by:
1.
Stepping back or extending forward a portion of the façade
2.
Providing variation in materials, texture, or color
3.
Placement of doors, windows, and balconies
Buildings shall have a defined base, middle, and top, and employ elements that relate to the human scale and appeal to pedestrians, such as doors and windows, projections, or awnings and canopies. A middle is not required on a one-story building.
b.
Openings. Views into and out of the building shall be provided to enliven the streetscape and enhance security. Window and door openings shall comprise at least 60 percent of the length of the front façade and 30 percent of the area of the ground floor façade facing the primary street. Window and door openings shall comprise at least 20 percent of the area of the side and rear ground floor façades. On upper stories, windows shall comprise at least 20 percent of the façade area.
Window and door openings shall be clear or slightly tinted to allow unobstructed views into and out of buildings. Views shall not be blocked by storage, shelving, mechanical equipment, or other visual barriers. Spandrel glass may be used in service areas. Window shape, size, and patterns shall emphasize the intended organization and articulation of the building façade.
c.
Entrances. Building entrances shall be provided on the primary street on which the building fronts, in addition to any entrances from rear or side parking areas. Street entrances shall be lighted and defined by means of a canopy, portico, recess, or other architectural details.
d.
Screening. Utility service structures (such as utility meters, utility lines, and transformers), refuse and recycling containers, and other ancillary equipment must be inside a building or be screened from off-site views. Rooftop equipment shall be screened by a parapet wall or a fence the height of which is at least equal to the top of the rooftop equipment and is compatible with exterior materials and architectural features of the building. Equipment associated with solar and wind energy systems are exempt from this provision if screening would interfere with system operations.
(2)
Materials.
a.
Front façades, and side and rear façades visible from the public right-of-way, shall be composed of at least 50% Class I materials and no more than 10% Class III materials.
b.
Side and rear façades not visible from the public right-of-way shall be composed of at least 40% Class I materials and no more than 10% Class III materials.
c.
Each façade must use a minimum of two types of Class I materials.
(f)
Light Industrial and Industrial Zoning Districts.
(1)
Architectural.
a.
Façades. Façades greater than 40 feet in length shall be visually articulated into smaller intervals by:
1.
Stepping back or extending forward a portion of the façade
2.
Providing variation in materials, texture, or color
3.
Placement of doors and windows
Buildings shall have a defined base, middle, and top, and employ elements that relate to the human scale and appeal to pedestrians, such as doors and windows, projections, or awnings and canopies. A middle is not required on a one-story building.
b.
Openings. Views into and out of the building shall be provided to enliven the streetscape and enhance security. Window and door openings shall comprise at least 60 percent of the length of the front façade and 30 percent of the area of the ground floor façade facing the primary street. Window and door opening shall comprise at least 15 percent of the area of the side and rear ground floor façades. On upper stories, windows shall comprise at least 20 percent of the façade area.
Window and door openings shall be clear or slightly tinted to allow unobstructed views into and out of buildings. Views shall not be blocked by storage, shelving, mechanical equipment, or other visual barriers. Spandrel glass may be used in service areas. Window shape, size, and patterns shall emphasize the intended organization and articulation of the building façade.
c.
Entrances. Building entrances shall be provided on the primary street on which the building fronts, in addition to any entrances from rear or side parking areas. Street entrances shall be lighted and defined by means of a canopy, portico, recess, or other architectural details.
d.
Screening. Utility service structures (such as utility meters, utility lines, and transformers), refuse and recycling containers, loading docks, maintenance structures, and other ancillary equipment must be inside a building or be screened from off-site views. Overhead doors shall be located on side or rear façades that do not front a public right-of-way. Rooftop equipment shall be screened from view from the public right-of-way by a parapet wall or a fence the height of which extends at least one foot above the top of the rooftop equipment and is compatible with exterior materials and architectural features of the building.
(2)
Materials.
a.
Front, side, and rear façades adjacent to or facing a property zoned Residential, Commercial, Office, Institutional, or Mixed Use across a public right-of-way shall be composed of at least 50% Class I materials and no more than 10% Class III materials.
b.
All other front façades shall be composed of at least 40% Class I materials and not more than 10% Class III materials.
c.
All other side and rear façades shall be composed of at least 30% Class I materials and no more than 10% Class III materials.
d.
Each façade must use a minimum of two types of Class I materials.
(g)
Mixed Use Zoning District.
(1)
Architectural.
a.
Façades. Façades greater than 40 feet in length shall be visually articulated into smaller intervals by:
1.
Stepping back or extending forward a portion of the façade;
2.
Providing variation in materials, texture, or color;
3.
Placement of doors, windows, and balconies;
Buildings shall have a defined base, middle, and top, and employ elements that relate to the human scale and appeal to pedestrians, such as doors and windows, projections, or awnings and canopies. A middle is not required on a one-story building.
b.
Openings. Views into and out of the building shall be provided to enliven the streetscape and enhance security. Where residential uses occupy the ground floor level, window and door openings shall comprise at least 20 percent of the area of the ground floor façade facing the primary street. Window and door openings shall comprise at least 15 percent of the area of the side and rear ground floor façades.
Where nonresidential uses occupy the ground floor level, window and door openings shall comprise at least 60 percent of the length of the front façade and at least 30 percent of the area of the ground floor façade facing the primary street. Window and door openings shall comprise at least 20 percent of the areas of the side and rear ground floor façades.
On upper stories, windows shall comprise at least 15 percent of the façade area for residential uses and 20 percent of the façade area for nonresidential uses.
Window and door openings shall be clear or slightly tinted to allow unobstructed views into and out of buildings. Spandrel glass may be used in service areas. Window shape, size, and patterns shall emphasize the intended organization and articulation of the building façade.
c.
Entrances. Building entrances shall be provided on the primary street on which the building fronts, in addition to any entrances from rear or side parking areas. Street entrances shall be lighted and defined by means of a canopy, portico, recess, or other architectural details.
d.
Screening. Utility service structures (such as utility meters, utility lines, and transformers), refuse and recycling containers, and other ancillary equipment must be inside a building or be screened from off-site views. Rooftop equipment shall be screened by a parapet wall or a fence the height of which is at least equal to the top of the rooftop equipment and is compatible with exterior materials and architectural features of the building. Equipment associated with solar and wind energy systems are exempt from this provision if screening would interfere with system operations.
(2)
Materials.
a.
Front façades, and side and rear façades visible from the public right-of-way, shall be composed of at least 50% Class I materials and no more than 10% Class III materials.
b.
Side and rear façades not visible from the public right-of-way shall be composed of at least 40% Class I materials and no more than 10% Class III materials.
c.
Each façade must utilize a minimum of two types of Class I materials.
(h)
Additions and Expansions.
(1)
Architectural. The exterior wall surface materials, roof treatment, colors, textures, major divisions, proportion, rhythm of openings, and general architectural character, including horizontal or vertical emphasis, scale, stylistic features of additions, and exterior alterations shall address and respect the original architectural design and general appearance of the principal building on the site and shall comply with the requirements of this section.
(2)
Materials. All façades of a building addition or expansion shall be composed of at least 90% Class I materials until the appropriate minimum Class I percentage standards for the building are met.
(Ord. No. 664, § 1, 6-4-2019; Ord. No. 687, §§ 1, 2, 8-18-2020; Ord. No. 705, § 14, 3-16-2021; Ord. No. 733, §§ 6—9, 3-15-2022)
(a)
The purpose of these regulations is to create general standards for the layout and placement of individual manufactured homes and other structures within a manufactured home park, to ensure the health, safety, and general welfare of its residents, and to minimize impacts to adjacent properties.
(b)
General Regulations.
(1)
Park Size. The minimum area required for a manufactured home park designation shall be 10 acres.
(2)
Emergency Storm Protections. Manufactured home parks shall have storm shelters in compliance with State statutes. Any manufactured home park shall submit emergency storm protection measures for review and approval of the City Manager or their designee.
(3)
Setbacks.
a.
No manufactured home shall be located closer than 15 feet to a side or rear lot line. The minimum front yard setback shall be 25 feet from the front lot line. On corner lots, the secondary front yard setback shall be at least 15 feet from the lot line.
b.
There shall be a space of at least 15 feet between the sides of adjacent manufactured homes and at least 10 feet between manufactured homes when parked end to end.
(4)
Permitted Encroachments.
a.
Stairs and stair landings up to 25 square feet in size and accessible ramps may encroach up to five feet into the interior setback, provided that they do not extend closer than 10 feet to an adjacent structure.
b.
Cornices and eaves may extend outside the building envelope by no more than 30 inches.
(5)
Foundation. The area beneath a manufactured home shall be enclosed except that such enclosure must have access for inspection.
(6)
Building Height Requirements. No structure shall exceed one story or 15 feet above grade, whichever is less.
(7)
Parking.
a.
Each manufactured home site shall have off-street parking spaces for two vehicles.
b.
All parking spaces shall be paved.
(8)
Accessory Buildings.
a.
Accessory structures shall be limited to one per manufactured home. No accessory structure may be larger than 400 square feet in area.
b.
No accessory structure shall be erected with a height in excess of one story, which is 10 feet from the floor to the top horizontal component of a frame building to which the rafters are fastened (known as the "top plate"). For the purposes of this regulation, the height of a shed roof shall be measured to the top plate.
c.
The manufactured home park site plan shall designate the locations proposed for garages and/or accessory structures for each manufactured home. These shall comply with the following setback requirements:
1.
Accessory buildings shall not be located within a front yard setback.
2.
Accessory buildings shall not be located closer than five feet from a side or rear property line.
3.
Accessory buildings shall not be located within any utility easements.
4.
All accessory buildings shall be owned, constructed, and maintained by the manufactured home park owner. All accessory structures shall be established as part of an approved site plan.
(9)
Recreation. All manufactured home parks shall have at least 10 percent of the land area developed for recreational use by its residents. The recreational use shall be developed and maintained at the expense of the owner/operator.
(Ord. No.728, § 32, 12-21-2021)
(a)
Purpose. The purpose of this section is to allow for and regulate the location, placement, design, and use of Accessory Dwelling Units (ADU) that broadens the range of housing options in the city in a manner that mitigates impacts on surrounding properties while allowing additional housing unit density beyond a single-family home.
(b)
Definitions. The following words, terms and phrases, when used in this section, shall have the meanings ascribed to them in this subsection, except where the context clearly indicates a different meaning:
(1)
Accessory Dwelling Unit. A smaller, independent residential dwelling unit located on the same lot as a stand-alone single-family home.
(2)
Living Space. the area within a house which is suitable for human habitation including suitable finished basement areas but excluding garages, services areas and unfinished portions of the building.
(3)
Owner. The person who holds fee title or is a bona fide purchaser under a contract for deed of the property.
(4)
Attached ADU. An accessory dwelling unit which involves an addition to the principal structure of a lot to allow for the new secondary unit.
(5)
Internal ADU. An accessory dwelling unit in which a portion of the existing principal structure is converted for use as a new secondary unit.
(6)
Detached ADU. An accessory dwelling unit which is stand-alone from the principal structure, or which is incorporated into an existing stand-alone accessory structure.
(c)
General Regulations. Accessory dwelling units shall not be created or used except in conformity with the following requirements:
(1)
Accessory dwelling units shall only be allowed on lots zoned for R-1 or R-2 zoning and which have a single-family home present.
(2)
There shall be no more than one accessory dwelling unit allowed per lot.
(3)
The owner must have permanent residence established at the property and reside in either the principal or accessory dwelling.
(4)
A minimum of one additional off-street parking space shall be provided for the accessory dwelling unit in addition to those required for the principal dwelling. The creation of the accessory dwelling unit by conversion of garage space shall not reduce the home's provided off-street parking below the minimum requirements listed in Section 113-151 of zoning code.
(5)
Utility connections for the accessory dwelling unit shall be provided from the existing principal structure so long as adequate capacity exists or can be provided.
(6)
All other provisions of zoning code relating to single-family dwelling units shall be met, unless specifically amended by this code section.
(7)
Administration and Establishment
i.
Establishment of an accessory dwelling unit shall require an administrative review by City Staff in addition to any required permits relating to construction.
ii.
No accessory dwelling unit shall be created except in compliance with all applicable building, housing, electrical, plumbing, heating and related codes of the city;
iii.
An accessory dwelling unit shall not be leased or rented without first receiving a rental license from the City as regulated under Chapter 16, Article III of City Code.
iv.
The accessory dwelling unit shall not be sold independently of the principal residential dwelling and may not be a separate tax parcel.
(d)
Attached and Internal ADUs. Accessory dwelling units incorporated with the principal dwelling shall be subject to the following requirements.
(1)
Size Restrictions.
i.
The floor area of the accessory dwelling unit shall be no more than 35 percent of the home's gross living area, or 950 square feet, whichever is less. In the case of internal accessory dwelling units, the area being converted for use shall be included in this calculation of gross living area.
ii.
The accessory dwelling unit shall have a minimum floor area of 250 square feet.
(2)
Design Guidelines.
i.
Exterior changes to the home shall not substantially alter the single-family character of the structure.
ii.
Entrance to the accessory dwelling unit shall face either the side or rear yard.
(e)
Detached ADUs. Stand-alone accessory dwelling units shall be subject to the following requirements.
(1)
Approval.
i.
A detached accessory dwelling unit shall be permitted only via a conditional use permit, as defined in Sec. 113-30, unless the accessory dwelling unit is shown to meet the same side and rear setbacks as required of the principal structure, in which case ADU administrative approval is still required.
(2)
Location Restrictions.
i.
Detached accessory structures shall be located completely to the rear of the principal structure, unless it is built with frost footings. In that case, an accessory structure may be built no closer to the front setback than the principal structure.
ii.
A minimum lot size of 10,000 sq. ft. is required to establish a detached accessory dwelling unit.
iii.
Detached accessory dwelling units shall be located no less than ten feet from a side or rear lot line.
iv.
Detached accessory dwelling units shall be located no less than ten feet from the principal structure.
(3)
Size Restrictions.
i.
The floor area of the accessory dwelling unit shall be no more than 35 percent of the home's gross living area, or 950 square feet, whichever is less.
ii.
The accessory dwelling unit shall have a minimum floor area of 250 square feet.
iii.
Detached accessory dwelling units shall be restricted to a maximum height of 12 feet, as measured from the floor to the top horizontal component of a frame building to which the rafters are fastened (known as the "top plate").
iv.
The floor area of a detached accessory dwelling unit shall not count towards the maximum area limitation for accessory structures in the R-1 or R-2 zoning districts.
(4)
Design Guidelines.
i.
The detached accessory dwelling unit shall be designed and use materials which complement and match the existing principal dwelling.
ii.
Rooftop decks are not permitted in conjunction with a detached accessory dwelling unit.
iii.
Windowed dormers shall not face towards adjacent properties to the side or rear.
(Ord. No. 746, § 4, 11-2-2022)
- SUPPLEMENTAL REGULATIONS
(a)
Statutory Authorization. The ordinance from which this section is derived is adopted pursuant to the authorization contained in the Laws of Minnesota 1973, Chapter 379, and in furtherance of the policies declared in Minn. Stats. chs. 103G, 115, 116 and 462.
(b)
Policy. The State Legislature has delegated responsibility to the municipalities of the State to regulate the subdivision, use and development of the shorelands of public waters and for purposes of preserving and enhancing the quality of surface waters, preserving the economic and natural environmental values of shorelands, and providing for the wise utilization of waters and related land resources. The responsibility is hereby recognized by the City.
(c)
Definitions. The following words, terms and phrases, when used in this section, shall have the meanings ascribed to them in this subsection, except where the context clearly indicates a different meaning:
Boathouse: A structure used solely for the storage of boats or boating equipment.
Building Line: That line measured across the width of the lot at the point where the principal structure is placed in accordance with setback provisions.
Clear-cutting: The removal of an entire stand of trees.
Conditional Use: A use of shorelands which is permitted within a zoning district only when allowed by the City after a public hearing, if certain conditions are met which eliminate or minimize the incompatibility of the conditional use with other permitted uses of the district.
Hardship: The property in question cannot be put to reasonable use under the conditions allowed by the official controls; the plight of the landowner is due to circumstances unique to said property, not created by the landowner; and the variance, if granted, will not alter the essential character of the locality. Economic considerations alone shall not constitute a hardship if a reasonable use for the property exists under terms of the official controls.
Ordinary High Water Mark: For lakes, a mark delineating the highest water level which has been maintained for a sufficient period of time to leave evidence upon the landscape. The ordinary high water mark is commonly that point where the natural vegetation changes from predominately aquatic to predominately terrestrial. The term "ordinary high water mark" for watercourses means the top of the bank.
Protected Waters: Any waters of the State as defined in Minn. Stats. § 103G.005, subd. 17. However, no lake, pond or flowage of less than 10 acres in size and no river or stream having a total drainage area less than two square miles shall be regulated for the purpose of these regulations.
Riparian: Land relating or belonging to the bank and/or shore of a river, stream, creek, lake, pond or other water basin.
Setback: The minimum horizontal distance between a structure or sanitary facility and the ordinary high water mark or between a structure or sanitary facility and a road, well, highway, or lot lines.
Shoreland: Land located within the following distances from protected waters:
(1)
1,000 feet from the ordinary high water mark of a lake, pond, or flowage; and
(2)
300 feet from a river or stream, or the landward extent of a floodplain on such rivers or streams, whichever is greater.
The practical limits of shorelands may be less than the statutory limits where such limits are designated by natural drainage divides at lesser distances.
Subdivision: Improved or unimproved lands which are divided for the purpose of ready sale or lease, or divided successively within a five-year period for the purpose of sale or lease.
Substandard Use: Any use of shorelands existing prior to the effective date of the ordinance from which this section is derived which is permitted within the applicable zoning district but does not meet the minimum lot area and length or water frontage, structure setbacks, or other dimensional standards of this section.
Variance: Any modification or variation of official controls where it is determined that, because of hardships, strict enforcement of the official controls is impractical.
(d)
Designation of Types of Land Use.
(1)
Shoreland Management Classification. In order to guide the wise development and utilization of shorelands of protected waters for the preservation of water quality, natural characteristics, economic values and the general health, safety and welfare, certain protected waters in the City have been given a shoreland management classification, and the land lying within prescribed distances of said waters in accordance with the definitions and terms of this section shall be the shorelands of the City. The protected waters of the City, as herein defined, that have heretofore been so classified by the Commissioner of Natural Resources and which are now deemed to be the determinants for the management of shorelands in the City are as follows:
(2)
Shoreland Overlay District. The shorelands of the City, as determined by the foregoing terms of this section, are hereby designated as a Shoreland Overlay District to provide for the wise utilization of shoreland areas in order to preserve the quality and natural character of these protected waters of the City.
(3)
Permitted Uses. The following uses shall be permitted within the Shoreland Overlay District:
a.
All permitted uses as allowed and regulated by the applicable zoning district underlying the Shoreland Overlay District as the same are indicated in the zoning provisions of the City.
(4)
Conditional Uses. The following conditional uses shall be permitted within the Shoreland Overlay District:
a.
All conditional uses according to their applicable attached conditions As Allowed And Regulated By The Applicable Zoning District Underlying The Shoreland overlay district according to and as heretofore approved under the zoning provisions and as required by this section; and
b.
Boathouses.
(5)
Substandard Uses. Any uses of shorelands in existence prior to the effective date of the ordinance from which this section is derived which are permitted within the applicable zoning district, but do not meet the minimum lot area, setbacks or other dimensional requirements of this section are hereby deemed to be nonconforming substandard uses. Substandard uses, including substandard sanitary facilities, shall be allowed to continue.
(e)
Zoning Provisions.
(1)
Standards. The following standards shall apply to all shorelands of the protected standard waters listed in this section. Where the requirements of the underlying zoning district as set forth in the zoning provisions are more restrictive than those set forth herein, then the more restrictive standards shall apply:
(2)
Substandard Lots. Lots of record in the office of the County Recorder (or Registrar of Titles) prior to the effective date of the ordinance from which this section is derived which do not meet the requirements of Subsection (e)(1) of this section may be allowed as building sites provided:
a.
Such use is permitted in the zoning district
b.
The lot is in separate ownership from abutting lands; and
c.
All other sanitary and dimensional requirements of this section are complied with insofar as practical.
(3)
Roads and Parking Areas. Roads and parking areas shall be located to retard the runoff of surface waters and nutrients in accordance with the following criteria:
a.
Where feasible and practical, all roads and parking areas shall meet the setback requirements established for structures in this section.
b.
In no instance shall these impervious surfaces be placed less than 50 feet from the ordinary high water mark.
c.
Where feasible and practical, natural vegetation or other natural materials shall be used to screen parking areas when viewed from the water.
(4)
Elevation of Lowest Floor. Structures shall be placed at an elevation consistent with the City's floodplain management controls.
(5)
Exceptions to Structure Setback Requirements.
a.
Setback requirements from the ordinary high water mark shall not apply to boathouses and docks. Location of docks shall be controlled by applicable State and local regulations. Boathouses may be allowed as a conditional use provided they are not used for habitation and do not contain sanitary facilities.
b.
On undeveloped shoreland lots that have two adjacent lots with existing principal structures on both such adjacent lots, any new residential structure may be set back the average setback of the adjacent structures from the ordinary high water mark or 50 feet, whichever is greater, provided all other provisions of the Shoreland Overlay District are complied with.
(f)
Shoreland Alterations.
(1)
Removal of Vegetation. The removal of natural vegetation shall be restricted to prevent erosion into protected waters, to consume nutrients in the soil, and to preserve shoreland aesthetics. Removal of natural vegetation in the Shoreland Overlay District shall be subject to the following provisions:
a.
Selective removal of natural vegetation is allowed, provided that sufficient vegetative cover remains to screen cars, dwellings and other structures when viewed from the water.
b.
Clear cutting of natural vegetation is prohibited.
c.
Natural vegetation shall be restored insofar as feasible after any construction project is completed to retard surface runoff and soil erosion.
d.
The provisions of this subsection (f) shall not apply to permitted uses which normally require the removal of natural vegetation.
(2)
Grading and Filling. Grading and filling in shoreland areas or any alteration of the natural topography where the slope of the land is toward a protected water or a watercourse leading to a protected water shall be in accordance with requirements of and authorized by the Bassett Creek Watershed Management Commission.
(3)
Course and Current of Protected Water. Any work which will change or diminish the course, current or cross section of a protected water shall be approved by the Commissioner of Natural Resources, and such approval shall be construed to mean the issuance by the Commissioner of Natural Sources of a permit under the procedures of Minn. Stats. § 105.42 and other related statutes.
(g)
Subdivisions.
(1)
Plats. Copies of all plats riparian to protect waters within the Shoreland Overlay District shall be submitted to the Commissioner of Natural Resources within 10 days of final approval by the City.
(2)
Planned Unit Developments (PUDs). Altered zoning standards may be allowed as exceptions to this section for PUDs provided preliminary plans for PUDs riparian to protected waters are reviewed and approved by the Commissioner of Natural Resources prior to their approval by the City, and further provided:
a.
Open space is preserved through the use of restrictive deed covenants, public dedications, or other methods.
b.
The following factors are carefully evaluated to ensure the increased density of development is consistent with the resource limitations of the protected water:
1.
Suitability of the site for the proposed use.
2.
Physical and aesthetic impact of increased density.
3.
Level of current development.
4.
Amount and ownership of undeveloped shoreland.
5.
Levels and types of water surface use and public accesses.
6.
Possible effects on over-all public use.
c.
Any commercial, recreational, community, or religious facility allowed as part of the PUD shall conform to all applicable Federal and State regulations including, but not limited to, the following:
1.
Licensing provisions or procedures
2.
Waste disposal regulations
3.
Water supply regulations
4.
Building codes
5.
Safety regulations
6.
Regulations concerning the appropriation and use of protected waters as defined in Minn. Stats. ch. 103G; and
7.
Applicable requirements of the State Environmental Quality Board.
d.
Public access is provided in accordance with the City Comprehensive Parks Plan.
e.
The final plan for a PUD riparian to protected waters shall not be modified, amended, repealed, or otherwise altered unless reviewed and approved by the Commissioner.
(h)
Notification Procedures.
(1)
Public Hearings; Amendments, Variances and Conditional Uses. A copy of the notice of a public hearing to consider an amendment to this section, a variance to the provisions of the Shoreland Overlay District for property riparian to private waters, or a conditional use for property riparian to protected waters in the Shoreland Overlay District shall be sent to the Commissioner of Natural Resources such that the notice is received by the Commissioner at least 10 days prior to such hearings.
(2)
Amendments and Decisions. A copy of all amendments to this section and final decisions granting variances or conditional uses for properties riparian to protected waters within the Shoreland Overlay District shall be sent to the Commissioner of Natural Resources within 10 days of the amendment or final action.
(Code 1988, § 11.65; Ord. No. 682, 5-30-1986)
(a)
Findings and Purpose. The purpose of this section is to regulate the location of accessory sexually oriented sales and sexually oriented businesses within the City based on information from the Comprehensive Land Use Plan Map and the Zoning Map of the City.
(b)
Definitions. The following words, terms and phrases, when used in this section, shall have the meanings ascribed to them in this subsection, except where the context clearly indicates a different meaning:
Accessory Sexually Oriented Sales: Sales accounting for less than five percent of the floor area, up to a maximum of 50 square feet, of an otherwise permitted business (not including storerooms, stock areas, bathrooms, basements, or any portion of the business not open to the public) devoted to materials or persons depicting, exposing, describing, discussing, or relating to specified sexual activities or specified anatomical areas, and is available for barter, rental, or sale for off the premises use only. Accessory sexually oriented sales do not include the sale of instruments, devices, or paraphernalia which are used or designed for use in connection with specified sexual activities. In order to qualify, accessory sexually oriented sales shall at all times be out of view by any persons under the age of 18, and hereunder, they shall be restricted from and prohibit access to persons under age 18 by physical separation, except for sales of print media, which shall be displayed with a completely opaque cover excluding the media's title, and shall be kept a minimum of five feet off the floor. Any business with accessory sexually oriented sales not meeting the requirements of this definition shall be considered a sexually oriented business, subject to all requirements for such businesses.
Adult Body Painting Studio: An establishment or business which provides the service of applying paint or other substance, whether transparent or nontransparent, to or on the body of a patron when such body is wholly or partially nude in terms of specified anatomical areas.
Adult Bookstore: An establishment or business which barters, rents or sells items consisting of printed matter, pictures, slides, records, audio tape, videotape or motion picture film and, either alone or when combined with adult motion picture rental or sales and adult novelty sales within the same business premises, has either six percent or more of its stock in trade or six percent or more of its floor area containing items which are distinguished or characterized by an emphasis on the depiction or description of specified sexual activities or specified anatomical areas.
Adult Cabaret: An establishment or business which provides dancing or other live entertainment, if such dancing or other live entertainment is distinguished or characterized by an emphasis on the presentation, display, depiction, or description of specified sexual activities or specified anatomical areas.
Adult Companionship Establishment: An establishment or business which provides the service of engaging in or listening to conversation, talk, or discussion between an employee of the establishment and a customer, if such service is distinguished or characterized by an emphasis on specified sexual activities or specified anatomical areas.
Adult Conversation/Rap Parlor: An establishment or business which provides the service of engaging in or listening to conversation, talk, or discussion, if such service is distinguished or characterized by an emphasis on specified sexual activities or specified anatomical areas.
Adult Health/Sport Club: An establishment or business which excludes minors, by reason of age, and is distinguished or characterized by an emphasis on specified sexual activities or specified anatomical areas.
Adult Hotel or Motel: A hotel or motel from which minors are specifically excluded from patronage and wherein material is presented which is distinguished or characterized by an emphasis on matter depicting, describing, or relating to specified sexual activities or specified anatomical areas.
Adult Mini-Motion Picture Theater: A building or portion of a building with a capacity for less than 50 persons used for presenting material distinguished or characterized by an emphasis on specified sexual activities or specified anatomical areas for observation by patrons therein.
Adult Modeling Studio: An establishment or business which provides to customers figure models who engage in specified sexual activities or specified anatomical areas while being observed, painted, painted upon, sketched, drawn, sculptured, photographed, or otherwise depicted by such customers.
Adult Motion Picture Arcade: Any place to which the public is permitted or invited wherein coin- or slug-operated or electronically, electrically, or mechanically controlled or operated still or motion picture machines, projectors, or other image-producing devices are maintained to show images to five or fewer persons per machine at any one time, and where the images so displayed are distinguished or characterized by an emphasis on depicting or describing Specified Sexual Activities or Specified Anatomical Areas.
Adult Motion Picture Rental or Sales: An establishment or business which barters, rents, or sells videotapes or motion picture film and, either alone or when combined with adult bookstore or adult novelty sales within the same business premises, has either six percent or more of its stock in trade or six percent or more of its floor area containing items which are distinguished or characterized by an emphasis on the depiction or description of specified sexual activities or specified anatomical areas.
Adult Motion Picture Theater: A building or portion of a building with a capacity of 50 or more persons used for presenting material distinguished or characterized by an emphasis on specified sexual activities or specified anatomical areas for observation by patrons therein.
Adult Novelty Sales: An establishment or business which, either alone or when combined with adult bookstore and adult motion picture rental or sales, has:
(1)
More than five percent of its stock in trade or five percent or more of its floor area consisting of media characterized by emphasis on specified sexual activities or specified anatomical areas
(2)
Sales of lingerie marketed or presented in a context to suggest use for sadomasochistic practices
(3)
Sales of leather goods marketed or presented in a context to suggest their use for sadomasochistic practices; or
(4)
Sales of instruments, devices, paraphernalia, or general retail products either designed as complete or partial representations of human genital organs or female breasts, or designed or marketed primarily for use to stimulate human genital organs.
Adult Sauna/Bathhouse/Steam Room: An establishment or business which excludes minors, by reason of age, and which provides a steam bath or heat bathing room if the service provided by the sauna is distinguished or characterized by an emphasis on specified sexual activities or specified anatomical areas.
Sexually Oriented Business: An inclusive term describing collectively the following retail, entertainment, or service oriented businesses:
(1)
Adult body painting studio
(2)
Adult bookstore
(3)
Adult cabaret
(4)
Adult companionship establishment
(5)
Adult conversation/rap parlor
(6)
Adult heath/sport club
(7)
Adult hotel or motel
(8)
Adult mini-motion picture theater
(9)
Adult modeling studio
(10)
Adult motion picture arcade
(11)
Adult motion picture rental or sales
(12)
Adult motion picture theater
(13)
Adult novelty sales
(14)
Adult sauna/bathhouse/steam room.
Specified Anatomical Areas: Less than completely and opaquely covered human genitals, pubic region or pubic hair, buttock, and female breast below a point immediately above the top of the areola; or human male genitals in a discernibly turgid state even if completely and opaquely covered.
Specified Sexual Activities: Human genitals in a state of sexual stimulation or arousal or acts of human masturbation, sexual intercourse, sodomy, or fondling or other erotic touching of human genitals, pubic region, buttock, or female breast.
(c)
License Required. All sexually oriented businesses shall hold a license prior to opening to the public as required by City Code.
(d)
Location.
(1)
Accessory Sexually Oriented Sales. Accessory sexually oriented sales shall be a permitted use in all Commercial Zoning Districts and no others.
(2)
Sexually Oriented Businesses. Sexually oriented business shall be a permitted use in Light Industrial and Industrial Zoning Districts. All sexually oriented businesses shall adhere to the following land use regulations:
a.
No sexually oriented business shall be within 500 feet of another sexually oriented business, as measured at the lot line.
b.
No sexually oriented business shall be within 500 feet of any Residential Zoning District, as measured at the lot line, nor shall a sexually oriented business locate within 500 feet of any Residential Zoning District of any city adjoining Golden Valley, as measured at the lot line.
c.
No sexually oriented business shall be within 500 feet of any Institutional Zoning District, as measured at the lot line, nor shall a sexually oriented business locate within 500 feet of any Institutional Zoning District of any city adjoining Golden Valley, as measured at the lot line.
d.
No sexually oriented business shall be within 500 feet, as measured at the lot line, of any of the following conditional uses within a Light Industrial or Industrial Zoning District:
1.
Ball fields and other recreational facilities
2.
On-site child care centers
3.
Health, fitness and/or exercise facilities, including dance studio, gymnastic training, weight lifting studio, aerobic exercise, and gymnasiums
4.
Child care centers; or
5.
Trade schools or training centers.
(e)
Variance Procedure. Any variance requests under this section for sexually oriented businesses shall be heard only by the City Council. Such requests shall be heard at a regular City Council meeting within 30 days of receipt by the City of a completed zoning code variance application. The City Council shall adhere to the standards and procedures for the variance requests established for the Board of Zoning Appeals.
(Code 1988, § 11.50; Ord. No. 326, 2nd Series, 4-15-2005)
State Law reference— Adult entertainment establishments, Minn. Stats. § 617.242.
(a)
Purpose and Application. The purpose of requiring and regulating off-street parking and loading is to prevent congestion on public rights-of-way and private roadways and to promote the safety and general welfare of the public. The following minimums are established for off-street parking and loading based on the use of land and structures. If a change of use occurs, the new use shall comply with the off-street parking and loading requirements.
(b)
Design Standards.
(1)
Site Plan. Application for construction of new buildings, expansion of existing buildings, reuse of existing buildings and establishing or changing the use of property, shall include a site plan or plot plan for parking, which is drawn to scale and dimensioned, which depicts the location and number of off-street parking spaces consistent with this section, which shows proposed internal landscaping, and which includes provisions for storage and/or removal of snow.
(2)
Access and Curb Cuts. All off-street automobile parking facilities shall be designed with appropriate means of vehicular access to a street or alley and with adequate maneuvering area. Detailed plans may have to be submitted to the City Engineer for approval of all curb cuts or driveway openings before a permit will be granted.
(3)
Use. With the exception of garage sales and other sales approved by the City, required off-street parking and loading areas and the driveways providing access to them shall not be used for the storage, display, sale or rental or repair of goods or for the storage of inoperable vehicles.
(4)
Lighting. Where artificial lighting is provided in parking lots, it shall be directed perpendicular to the ground and arranged to reflect away from any residences, street or highway. All light fixtures shall minimize glare and spillover from the site and shall meet the standards outlined in Sec. 113-153, Outdoor Lighting, of the City Code.
(5)
Dimensions for Spaces. All required off-street parking spaces shall be at least nine feet in width and at least 18.5 feet in depth, except for handicapped spaces and compact car spaces.
(6)
Surfacing; Construction Standards. Parking areas and driveways shall be surfaced with an all-weather dustless material. Parking lots containing more than six spaces and access drives, except for landscaped areas, shall be covered with asphalt, brick, concrete pavers (including grass-crete or other permeable pavers where deemed appropriate by the City Manager or his/her designee) or concrete with proper surface drainage as required by the City. The finished surface shall be capable of carrying a load of 2,000 pounds per square foot. (Normally a two-inch blacktop surfacing on a four-inch base or five inches of Portland cement will meet this requirement.)
a.
Permeable pavers shall not be considered pervious surface for purposes of meeting City impervious surface maximums without approval from City Engineer and provision of a long-term maintenance agreement.
(7)
Grade, Drainage and Curbing.
a.
Grade. In general, grades shall not exceed five percent and shall meet the following standard: Private roads, driveways (other than single-family), parking lots, and loading docks exposed to the elements shall have grades of not less than five percent nor more than four percent in order to provide adequate drainage and maneuverability of vehicles. Grades in excess of four percent will be reviewed for approval based on: the amount by which the grade exceeds four percent, number of slopes, length of slopes, starting and stopping areas and their grades, angles and curvatures, traffic volumes, parking turn-over, turning and intersection factors, road-way width, lineal feet and/or number of spaces with grades over four percent, sight distance and obstructions and alternative routes.
b.
Drainage. Off-street parking areas shall be designed to drain and properly dispose of surface water. Alternative low impact development practices such as rain gardens and vegetative swales are encouraged by the City. Detailed plans for drainage shall be submitted to the City Manager or his/her designee for approval.
c.
Curbing. Parking lots containing more than six spaces shall be delineated by a concrete box curb or concrete curb and gutter extending at least six inches above and six inches below the surface. The curb may have cuts for drainage. Exception: Some exception for rain gardens may be allowed provided suitable controls are provided to prevent cars from parking beyond the intended limits.
(8)
Parking Layouts. Required off-street parking consisting of six or more spaces shall be consistent with the layout alternatives and dimensions specified in the parking layout chart below except handicapped spaces and, if allowed by the City, compact car spaces.
a.
Traffic Islands. Traffic islands shall be provided based on the circulation system, number of spaces, frequency of use (turnover rate), and other relevant factors. Traffic islands can be landscaped to meet interior landscape requirements.
(9)
Landscaping; Internal and External. The minimum required landscaped areas, within which there shall be no parking or drive aisles (except driveway access from street) in R-3, R-4, Institutional, Office, Commercial, Light Industrial, and Industrial Zoning Districts, shall be:
a.
External Landscaping. These areas shall be maintained fully as landscaped green space and may or may not include vegetation such as trees, shrubs, and other native plants. In cases where a parking lot is located on the periphery of sites and in view of adjacent properties, the City will require them to be screened with trees, shrubs, fencing, berms or some combination of these in setback areas along one or more lot lines.
1.
Front yard: 25 feet for R-3 and R-4 districts; 35 feet for all others (see M on diagram).
2.
Side and rear yards: one-half of the required building setback (see N on diagram).
b.
Internal Landscaping. Parking lots designed and constructed for more than 40 off-street parking spaces shall have at least four percent of the interior of the parking lot landscaped with vegetation including shade trees. Each landscape break shall occur approximately every 24 spaces. Such landscaping is expected to be in traffic islands, other islands or other areas used for drainage or light standard or exclusive landscape islands located within the interior portion of the parking lot. Such landscaped areas shall not be considered as impervious if essentially the ground is left open. A landscape plan shall be submitted as part of the required site plan. The landscape plan shall be approved by the City Manager or his/her designee. All landscaping shall be guaranteed with a financial security for a period of one full growing season.
(10)
Joint Parking Setbacks. Joint or combined parking facilities on separate lots as authorized and when constructed adjacent to a common lot line separating two or more parking areas are not required to observe the parking area setback from such a common lot line.
(11)
Fire Lane. Off-street parking lots may have to be designed to include fire lanes as determined by the City Manager or his/her designee.
(12)
Spaces Delineated. All required off-street parking areas consisting of six or more spaces shall be delineated by durable painted stripes at least four inches wide unless walls or columns are used to provide an equivalent means to delineate the spaces such as in an underground garage.
(13)
Location. Required off-street parking shall be located on the same lot as the use it serves, except where parking spaces cannot be reasonably provided on the same lot as the principal use, the City may permit such required parking spaces to be located on other property in a similar zoning district located within 500 feet of the permitted use, measured along lines of public access.
(14)
Parking Ramps and Underground Parking. Because of the cost of such spaces and more control over environmental factors, the City Manager or his/her designee may allow some reduction in the width of the aisle and spaces in parking ramps and underground parking.
(15)
Internal driveway access. Private internal driveways between properties are permitted with approval of the City Manager and/or their designee. Internal driveways between properties shall be allowed only when they do not cause either property to exceed impervious surface limits, they follow drive aisle dimension guidelines from this chapter, both properties have a legal access to a public roadway, and that a cross-access agreement is signed by both properties and recorded. In the case of the agreement terminating, the internal drive shall be removed and restored to landscaped green space.
(16)
Plowing and Snow Storage or Removal. Required off-street parking plans shall include provisions for snow storage and/or removal.
(17)
Provisions for Pedestrian Access. Provisions for pedestrian circulation to and from, and in some cases through, parking lots shall be required as determined appropriate by the City. Patterned pavement, decorative lighting, and associated facilities shall be provided as may be appropriate.
(18)
Maintenance. Off-street parking areas including spaces, accessway, striping, landscaping, and required buffers and fences, shall be maintained in a neat, safe and adequate manner. Potholes, deteriorated pavement, and striping must be repaired or restored in a timely manner by the owner of the off-street parking.
(19)
Accessible Parking. Accessible parking spaces shall be provided pursuant to the Minnesota Accessibility Code.
(20)
Signs. Small informational-direction signs may be allowed or required in off-street parking facilities to identify handicapped parking, compact car parking, traffic flow, and similar information essential to safe and efficient operation of the facility.
(21)
Compact Vehicles. If an off-street parking lot, ramp or garage contains 50 or more spaces, the City will allow up to 10 percent of the spaces to be designated compact cars only, provided a suitable parking plan for such spaces is submitted and approved by the City.
(22)
Joint use of Parking. Off-street parking facilities for a combination of one or more structures or uses may be provided collectively in any district, except the R-1 and R-2 Zoning Districts, provided the total number of spaces shall not be less than the sum of the separate requirements for each use.
(23)
Potential Reduction. The City may allow up to 50 percent reduction when joint use or combined parking is provided for uses which have substantially different parking demands and peak parking needs such as a daytime use with a nighttime use (e.g., office and movie theater) or a week day use with a weekend use (e.g., office and a church). Such reduction may require an agreement between the uses and an agreement between the owners and City. Such agreement may also be subject to proof of parking.
(24)
Bicycle Parking. Bicycle racks or a similar facility to park/store bicycles shall be provided in a location accessible to residents in residential developments having more than 12 dwelling units and employees and to the public in other developments at the rate of five percent of parking required for vehicles with a minimum of four spaces. Bicycle racks shall be secured to either the ground or a building.
(c)
Minimum Number of Required Off-Street Parking Spaces.
(1)
General Requirement. For any and all uses or structures not specifically provided for in the table above, such parking space as the City shall determine to be necessary shall be required, considering all the parking generating factors involved.
(2)
Maximum Parking. In the Institutional, Office, Commercial, Light Industrial, Industrial, and Mixed Use Zoning Districts parking provided shall not exceed the minimum required parking + 10% of that minimum amount in the case of new or reconstructed surface parking lots.
(3)
Upon receipt of a written request, the City Manager and/or their designee may reduce or increase the parking minimum or maximum requirements, if the applicant demonstrates a demand which is different than required by this chapter based on specifics of the use or other factors. The City may in the case of a reduction, require that land be reserved for parking development should the use or demands change.
(4)
Required Ratios. Where the number of required parking spaces is measured by seating capacity, such seating capacity shall be determined for maximum capacity.
(5)
Compliance with Current Controls. New buildings erected after the effective date of the ordinance from which this section is derived, and old buildings altered after the effective date of the ordinance from which this section is derived, must comply with all applicable off-street parking requirements in effect at the time that said buildings are constructed or altered.
(d)
Proof of Parking. When the required off-street parking is 20 or more spaces, the owner is only required to pave and stripe 75 percent of the required parking spaces if the following conditions are met:
(1)
A parking plan drawn to scale for the lot is submitted to the City Manager or his/her designee and the plan indicates that the site complies with the total parking requirements stated above and the parking lot is designed to the standards required by this section.
(2)
The portion of the site which is not paved and is capable of containing the amount of parking equal to the difference between the total amount of required parking and the amount of parking required to be paved (known as the proof of parking area) is suitably landscaped and curbed to meet the requirements of this section.
(3)
The proof of parking area shall be clearly delineated on the parking plan for the site.
(4)
The paved portion of the parking area shall comply with the pertinent provisions of this section.
(5)
The proof of parking area is not used to satisfy any other landscaping or other requirement and is not located in an area occupied by a building.
(6)
The property owner is responsible for informing any subsequent owner of the proof of parking area and parking status of the property.
(7)
The City may, at any time in its sole discretion, require proof that the parking area will be paved and striped in such a way that it meets the requirements to provide the total number of required parking spaces on the site or a percentage between 75 percent and 100 percent if so determined by the City.
(8)
The City may require the owner to enter into a proof of parking agreement specifying the requirements and restrictions and stating that the owner developer and successor shall be responsible for making improvements to meet the Code at the time the City requires such action.
(e)
Loading Regulations.
(1)
Design Standards.
a.
Location. Truck docks for loading and unloading goods or wares shall be provided on the same lot or parcel to be serviced. When truck docks are provided inside the building such area shall not be included in the total floor area used for determining the required number of such docks, nor for parking space requirements.
b.
Size. Loading docks shall be sized and provided with maneuvering space to adequately meet the needs.
c.
Surfacing. Minimum seven-ton capacity is required.
d.
Lighting. Lighting for parking areas shall meet the standards outlined in Sec. 113-153. - Outdoor Lighting, of the City Code.
(2)
Minimum Number of Off-Street Loading Docks Required.
(f)
Electric Vehicle Provisions.
(1)
Definitions.
a.
Charging levels means the standardized indicators of electrical force, or voltage, at which an electric vehicle's battery is recharged. The terms 1, 2, and 3 (DC) are the most common charging levels, and include the following specifications:
i.
Level 1 is considered slow charging with 120v outlets.
ii.
Level 2 is considered medium charging with 240v outlets, charging head and cord hard-wired to the circuit.
iii.
Level 3 (DC) is considered fast or rapid charging. Voltage is greater than 240 volts.
b.
Electric vehicle means a vehicle that operates, either partially or exclusively, on electrical energy from the electrical grid, or an off-grid source, that is stored on-board for motive purposes. "Electric vehicle" includes:
i.
Battery electric vehicle.
ii.
Plug-in hybrid electric vehicle.
c.
Electric vehicle charging stations (EVCS) means a public or private parking space that is served by battery charging station equipment that has as its primary purpose the transfer of electric energy (by conductive or inductive means) to a battery or other energy storage device in an electric vehicle.
d.
Electric vehicle infrastructure means conduit/wiring, structures, machinery, and equipment necessary and integral to support an electric vehicle, including battery charging stations and rapid charging stations.
(2)
Number of required Electric Vehicle Charging Stations.
a.
All new or reconstructed parking structures shall be allowed, but not required, to install EVCS.
b.
All new or reconstructed parking lots with 14 or fewer parking spaces shall be allowed, but not required, to install EVCS.
c.
All new or reconstructed parking lots with at least 15 but no more than 49 spaces or expanded parking lots that result in a parking lot with 15 to 49 parking spaces, shall install EVCS as required below.
i.
Multifamily residential land uses shall have 10% of required residential parking served by ECVSs with at least 5% as Level 2 stations. At least one accessible parking space shall have access to an EVCS.
ii.
Non-residential land uses with parking spaces available for use by the general public shall have two Level 2 stations or one Level 3 station. At least one accessible parking space shall have access to an EVCS.
d.
All new or reconstructed parking lots with at least 50 parking spaces or expanded parking lots that result in 50 or more parking spaces, shall install EVCS as required below.
i.
Multifamily residential land uses shall have 10% of required residential parking as Level 2 stations. At least one accessible parking space shall have access to an EVCS.
ii.
Non-residential land uses with parking spaces available for use by the general public shall have at least 5% of required parking as Level 2, with at least one station adjacent to an accessible parking space. In non-residential zoned districts, Level 3 charging stations may be installed to satisfy the EVCS requirements described above on a one-for-one basis.
e.
All new or reconstructed motor fuel stations shall be required to install at least one additional Level 2 or Level 3 charging station.
(3)
Reductions to EVCS requirements. When the cost of installing EVCS required by this Chapter would exceed five percent of the total project cost, the property owner or applicant may request a reduction in the EVCS requirements and submit cost estimates for city consideration. When City Council approval of the project is not required, the City Manager or their designee may administratively approve a reduction the required amount of EVCS in order to limit the EVCS installation costs to not more than five percent of the total project cost.
(Code 1988, § 11.70; Ord. No. 271, 2nd Series, 11-15-2002; Ord. No. 654, § 1, 1-2-2019; Ord. No. 764, §§ 1—8, 6-6-2023)
(a)
Definitions. The following words, terms and phrases, when used in this section, shall have the meanings ascribed to them in this subsection, except where the context clearly indicates a different meaning:
Berm: An earthen mound designed to provide visual interest on a site, screen undesirable views, reduce noise, or fulfill other similar purposes.
Fence: A structural enclosure or barrier used as a boundary, means of protection, or concealment.
Front Yard: The portion of a lot between the street right-of-way and the front plane of the principal structure. This area may be deeper than the yard required by the front yard setback.
Parking: In non-residential zoning districts, the temporary use of designated spaces for vehicles associated with the primary operation of a site or as the principal use where allowed.
Screening: A method of visually shielding or obscuring one abutting or nearby structure or use from another by fencing, walls, berms, or densely planted vegetation.
Storage: The placement of an item in a location for a period of time in order to retrieve for future use or sale.
Trailer: An unpowered vehicle used for multiple purposes, including, but not limited to, hauling a boat, personal motorized recreational vehicle, or fish house.
(b)
General Regulations. All zoning districts are subject to the following requirements:
(1)
The side of a fence without primary structural supports shall be considered the finished side and must face outward from the property on which it is constructed towards the adjacent property and/or street. If a Fence has two similarly finished sides, either side may face the adjacent property and/or street.
(2)
All berms, screening, and fences, including fence footings, must be located entirely on the property for which they are being constructed. A property owner installing a new fence must accurately determine lot lines prior to installing a fence.
(3)
All berms, screening, and fences shall be maintained and kept in good repair by property owners. Any hazardous fence or fence in a state of disrepair shall be repaired or removed by the property owner within 30 days of notice by the City. If a property owner fails to comply with such notice, in addition to all other applicable penalties under City Code, the City may remove the fence and assess the property owner the cost of such removal.
(4)
All berms, screening, and fences shall comply with the right-of-way management regulations of the City Code.
(5)
Electrified fences are prohibited. Barbed wire fences are prohibited except in the Light Industrial or Industrial Zoning Districts as described below.
(6)
All mechanical equipment shall be screened from view from the street right-of-way. Rooftop equipment shall be screened by a parapet wall or a fence the height of which is at least equal to the top of the rooftop equipment and is compatible with exterior materials and architectural features of the building. Equipment associated with solar and wind energy systems are exempt from this provision if screening would interfere with system operations.
(7)
For all other standards related to visual nuisances and threats to the health, safety, and welfare of the community, the City's adopted International Property Maintenance Code shall apply.
(c)
Regulations By Zoning District. Fences and the screening of outdoor storage shall be governed by the following provisions:
(1)
All Residential Zoning Districts.
a.
Fences in all front yards shall not exceed four feet in height. Fences in side and rear yards shall not exceed six feet in height.
b.
Storage in all front yards may occur solely upon a driveway and in no other location. Any storage shall be behind the lot line.
c.
Only one of the following may be stored in all front yards of any lot:
1.
Recreational camping vehicle.
2.
Trailer.
d.
No personal motorized recreational vehicle or boat may be stored in a front yard, except upon a trailer.
e.
The storage in any front yard of landscaping or construction materials may not exceed 30 days.
f.
Items stored in the side and rear yard may not be stored within five feet of the lot line.
g.
All outdoor storage, including any storage of a motorized vehicle, recreational camping vehicle, fish house, trailer, boat, or personal motorized recreational vehicle, in the side or rear yard must be screened from view of adjacent properties by a wall or fence not more than six feet in height and not less than 75 percent opacity, or by vegetation of not less than six feet in height and not less than 75 percent opacity year round.
h.
Views of storage in any side or rear yard from the street right-of-way must be at least 50 percent obscured by screening.
(2)
All Other Zoning Districts.
a.
Fences shall not exceed eight feet in height except as noted below.
b.
Barbed wire fences are permitted in Light Industrial and Industrial Zoning Districts. No barbed wire shall be erected upon any fence at a height lower than seven feet.
c.
No materials or equipment shall be stored outside, unless screened in such a manner as not to be visible from adjacent properties or street right-of-way. All outdoor storage shall be screened by a wall, fence, or vegetation not less than six feet in height and not less than 90 percent opacity year round. No storage shall be permitted within required landscaped areas.
d.
Storage of automobile sales inventory on surface lots is allowed by conditional use permit in the Light Industrial and Industrial Zoning Districts. With the permission of the property owner, automobile sales inventory may be stored in parking ramps in the Office Zoning District. The City reserves the right to disallow this storage if parking for the principal uses is negatively impacted.
e.
A solid screen, consisting of either a solid fence or wall not less than six feet in height, or a planted landscape screen providing at least 90 percent opacity year round and at least six feet in height at the time of planting, shall be installed and maintained along all lot lines separating an Industrial Zoning District from any Residential or Institutional Zoning District.
f.
All waste material, debris, refuse, junk or damaged vehicles, or vehicles under repair or being stored in connection with repair services, shall be either kept entirely within an enclosed building or completely screened from adjacent properties and street rights-of-way.
g.
Outdoor storage as a principal use in an Industrial Zoning District shall not include overnight parking of semitrailers or other vehicles or equipment.
(d)
Exceptions. Any deviation from this section shall require a variance in accordance with this chapter except for the following:
(1)
Tennis and basketball courts in all zoning districts may have a single perimeter fence no higher than 10 feet. Such fences shall be located to the rear of the principal structure and shall require a minimum three-foot strip of landscaping around the entire perimeter.
(2)
A wall or fence not exceeding six feet in height is permitted in the front yard of all properties directly adjoining a minor arterial street or adjoining the frontage road of a principal arterial, freeway, or expressway; as designated by the City.
(3)
A wall or fence not exceeding 12 feet in height is permitted in Light Industrial and Industrial Zoning Districts solely for the purpose of screening outdoor storage areas.
(4)
The screening requirement for mechanical equipment located in the side yards of properties in Light Industrial and Industrial Zoning Districts may be waived by the City Manager or his/her designee.
(5)
A portion of the required screening for properties in the Commercial, Light Industrial, and Industrial Zoning Districts may be waived for enhanced security and public safety purposes at the discretion of the City Manager or their designee, and only upon request by the Golden Valley Police Department.
(Code 1988, § 11.72; Ord. No. 312, 2nd Series, 10-20-2004; Ord. No. 654, § 1, 1-2-2019; Ord. No. 688, § 2, 9-1-2020; Ord. No. 733, §§ 2—5, 3-15-2022)
(a)
Purpose. The purpose of these regulations is to create standards for outdoor lighting which will provide for nighttime safety, security and utility while reducing light pollution, light trespass, and conserving energy for residential and nonresidential properties.
(b)
Definitions. The following words, terms and phrases, when used in this section, shall have the meanings ascribed to them in this subsection, except where the context clearly indicates a different meaning:
Cutoff: The point at which all light rays emitted by a lamp, light source, or luminaire are completely eliminated (cutoff) at a specific angle above the ground.
Cutoff Angle: The maximum angle formed by a line drawn in the direction of emitted light rays at the light source and a line perpendicular to the ground from the light source.
Flood Lighting: Any light fixture or lamp that incorporates a reflector or a refractor to concentrate the light output into a directed beam in a particular direction with a wide or narrow beam.
Footcandle: The American unit used to measure the total amount of light cast on a surface (illuminance). One footcandle is equivalent to the illuminance produced by a source of one candle at a distance of one foot.
Full Cutoff-Type Luminaire: A luminaire constructed or shielded to direct all light at a cutoff angle of less than 90 degrees.
Fully Shielded: The condition where the luminaire is designed and installed where no light is emitted at or above a horizontal plane running through the lowest point on the luminaire.
Glare: Direct light emitted from a luminaire with intensity great enough to cause visual discomfort, eye fatigue, a reduction in a viewer's ability to see, or, in extreme cases, momentary blindness.
IESNA (Illuminating Engineering Society of North America [IES or IESNA]): The professional society of lighting engineers, including those from manufacturing companies, and others professionally involved in lighting.
Lamp: The generic term for an artificial light source, to be distinguished from the whole assembly (the luminaire). The lamp is commonly referred to as the "bulb."
Light Pollution: The shining of light produced by a luminaire above the height of the luminaire and into the sky.
Light Trespass: The shining of light produced by a luminaire beyond the boundaries of the property on which it is located.
Lumen: A quantitative unit measuring the amount of light emitted from a light source.
Luminaire: A complete lighting unit consisting of a lamp or lamps together with the parts designed to distribute the light. A luminaire is commonly referred to as a "fixture."
Partially Shielded: The condition where the luminaire incorporates a translucent barrier that forms a partial shield around the lamp that allows some light to pass through the barrier while concealing the lamp from the viewer.
Shielded/Shielding: The lamp is not visible with a shielded light fixture, and no light is emitted from the sides of the fixture. Also considered a "full cut-off fixture."
Uniformity Ratio: A description of the smoothness of the lighting pattern or the degree of intensity of light and dark areas in the area to be lighted. Uniformity is expressed as a ratio of the maximum footcandle measurement to the minimum footcandle measurement. The lower the ratio the more uniform the lighting design.
Uplighting: Lighting that is directed in such a manner as to shine light rays above the horizontal plane.
Wallpack: A luminaire that mounts on the wall.
(c)
Applicability.
(1)
Except as otherwise provided, the lighting standards of this section shall be applicable to all residential and nonresidential uses.
(2)
The regulations in this section do not apply to the following:
a.
Lighting required by the Federal Aviation Administration or other Federal or State agency.
b.
Public street or alley lighting located within the public right-of-way that is authorized by the City.
c.
Temporary lighting for City authorized special events, theatrical productions, outdoor television production sets, and performance areas.
d.
Temporary lighting used for the construction or repair of roadways, utilities, and other public infrastructure.
e.
Vehicular lights and all temporary emergency lighting needed by the police department and fire protection district, or other emergency services.
f.
Lighting of public and existing outdoor recreational facilities, such as, but not limited to, ball fields, tennis courts, soccer fields, hockey or skating rinks, golf courses, golf-ball driving ranges, and special events or play areas. Lighting for these outdoor recreational uses shall be shielded to minimize light from spilling over onto adjacent residential properties. Public recreational facility lighting is prohibited after 10:30 p.m., unless a later completion time is approved by the City Manager, or his/her designee.
g.
Lighting within swimming pools.
h.
Sign lighting which is governed by City Code.
i.
Decorative seasonal lighting.
(d)
Prohibited Lights. The following lights are prohibited.
(1)
Mercury vapor lamps.
(2)
Low pressure sodium lamps are prohibited unless the City Manager or his/her designee finds that the color distortion effect of low pressure sodium lighting will not create a hindrance to crime prevention and investigation.
(e)
Method of Measurement.
(1)
Any light measurements shall be taken with a light meter with cosine, color correction. Measurements shall be taken with a light meter that has been calibrated within the year. Any measurements shall be measured by positioning the meter horizontally at ground level.
(2)
Any light measurement taken at the lot line shall be measured at the greatest point of illumination of said lot line. If measurement on private property is not possible or practical, light level measurements may be made at the boundary of the public street right-of-way that adjoins the property of the complainant or at any other location on the property of the complainant.
(3)
Any light measurements to determine the minimum and maximum lighting levels internal to a site will be taken at the greatest and least points of artificial illumination.
(f)
Nonconformities and Nuisance.
(1)
Any new outdoor lighting installed after the effective date of the ordinance from which this section is derived shall comply with the requirements of this section. Lighting in existence before the effective date of the ordinance from which this section is derived that does not comply with the requirements hereof shall be considered legally nonconforming to the extent provided by the terms of this chapter.
(2)
Evidence that a nonconforming luminaire directs glare to other private property located in a Residential Zoning District at a level of illumination caused by the luminaire equal to or greater than 0.5 footcandle on the other private property creates a presumption that it is a public nuisance. Such fixtures shall be altered to reduce the level of illumination in the Residential Zoning District to less than 0.3 footcandle within 30 days of receiving a written notice from the City Manager or his/her designee. If the owner or occupier of the property containing the nuisance fails to correct the level of illumination within such 30-day period, such failure to correct shall be deemed to be a continuing violation of this section.
(g)
Lighting Plan Requirements. An outdoor lighting (photometric) plan shall be submitted in conjunction with the building permit application for any new development not in an R-1 or R-2 Zoning District and for any expansion of more than 20 percent of the building or site area. No building permits shall be issued for said development until the photometric plan has been approved by the City as being consistent with the terms of this section. A photometric plan shall include the following:
(1)
The location and height above grade of each light fixture.
(2)
The type (such as incandescent, halogen, high pressure sodium) and luminous intensity of each light source with intensity reading points no greater than 30 feet apart.
(3)
The type of fixture (such as floodlight, full-cutoff, lantern, coach light).
(4)
Estimates for site illumination resulting from the lighting, as measured in footcandles, should include minimum, maximum and average illumination. Comparable examples already in the community that demonstrate technique, specification, and/or light level should be provided if available to expedite the review process.
(5)
Hours of illumination.
(6)
Certification by the property owner or agent and the preparer of the plan in writing that the exterior lighting depicted on the plan complies with the requirements of this section. Once the plan is approved, the exterior lighting of the property shall conform to the plan.
(7)
Other information deemed necessary may also be required by the City Manager or his/her designee to document compliance with the provisions of this section.
(8)
If deemed necessary, the City may require the applicant's outdoor lighting plan to be reviewed by a lighting consultant at the applicant's expense.
(h)
Requirements for R-1 and R-2 Zoning Districts. The provisions in this subsection (h) apply to the R-1 and R-2 Zoning Districts.
(1)
Lighting levels. The maximum power of any luminaire shall be 150 watts.
(2)
Light trespass. All outdoor lighting shall be designed and located such that the maximum illumination shall not exceed 0.3 footcandle at the lot line.
(3)
Security lights. Motion-activated security lights and unshielded floodlights or spotlights are permitted. However, they must meet the light trespass requirements above.
(i)
General Requirements for Other Zoning Districts. The following provisions apply in all areas except for R-1 and R-2 Zoning Districts.
(1)
Lighting Fixtures. All exterior lighting shall use full cut-off luminaires with the light source downcast and fully shielded, with the following exceptions:
a.
Luminaires that have a maximum output of 400 lumens per fixture, regardless of number of lamps (equal to one 40-watt incandescent light), may be left unshielded provided the luminaire has an opaque top or is under an opaque structure.
b.
Luminaires that have a maximum output of 1,000 lumens per fixture, regardless of number of lamps (equal to one 60-watt incandescent light) may be partially shielded provided the lamp is not visible, and the luminaire has an opaque top or is under an opaque structure.
c.
The City Manager or his/her designee may permit alternatives to full-cut off fixtures if there is a City-approved area lighting plan. In order for the area lighting plan to be approved, it must be demonstrated that undesirable off-site impacts stemming from the luminaires are reduced by the fixture design or location.
d.
Uplighting/accent lighting described in this section.
(2)
Light Trespass. Outdoor lighting shall be designed and located such that the maximum illumination shall not exceed 0.5 footcandle at the lot line.
(3)
Mounting Height. Luminaire height includes base and pole height. Freestanding luminaires are permitted to be a maximum of 30 feet in height, except for the following:
a.
When a luminaire is located within 500 feet of an R-1 or R-2 residential property the maximum permitted luminaire height shall be 25 feet and the lights shall be shielded.
b.
The top exterior deck of parking garages shall be treated as normal pole mounted lighting rather than as lights mounted to buildings. The maximum height for light poles in these locations shall be 20 feet and light poles shall be located at least 20 feet from the perimeter of the parking deck.
c.
Freestanding luminaires used for walkways, plazas and other pedestrian areas are permitted to be a maximum of 18 feet.
(4)
Timers, Dimmers, and Sensors. Lighting installation shall include timers, dimmers, and/or sensors to reduce overall energy consumption and eliminate unneeded lighting.
(5)
Curfew. Lighting systems described below for parking lots, service stations, and auto sales areas shall be extinguished or reduced in lighting by at least 50 percent beginning one hour after close of business and continuing until dawn or start of business, whichever is sooner. The reduction shall be determined as an overall average for the site. This provision does not require parking lot lighting levels to be reduced to less than 0.2 footcandle.
(j)
Specific Requirements for Parking Lot Lighting. The following specific lighting level requirements apply only to parking lot lighting.
(1)
Open-Air Parking Lot Lighting Standards. The table below establishes open-air parking lot lighting standards. For multilevel parking facilities, the roof level shall be considered an open-air parking lot.
*When requested by the property owner, the City Manager or his/her designee may increase from basic to enhanced security lighting levels when personal security is an issue. The City Manager or his/her designee may consider specific site characteristics, level of vehicle and pedestrian conflict, special security needs, and history or likelihood of crimes in making the determination.
(k)
Specific Requirements for Service Stations. The following specific requirements apply only to service stations:
(1)
Canopy Lighting.
a.
Lighting fixtures mounted under canopies used for vehicle shelter shall be aimed downward and installed such that the bottom of the light fixture or its lens, whichever is lower, is recessed or mounted flush with the bottom surface of the canopy. A full cutoff light fixture may project below the underside of a canopy. All light emitted by an under-canopy fixture shall be substantially confined to the ground surface directly beneath the perimeter of the canopy.
b.
Lights shall not be mounted on the top or sides (fascias) of the canopy, and the sides (fascias) of the canopy shall not be internally illuminated.
c.
Light levels shall not exceed 12 footcandles average maintained at the perimeter of the canopy and measured at ground level.
(2)
Illumination Beyond Canopy Perimeter. The illumination 20 feet beyond the perimeter of the canopy shall be a minimum of two footcandles and a maximum of five footcandles.
(3)
Exceptions to Lighting Level Standards. At the discretion of the City Manager or his/her designee, increased lighting levels may be permitted for enhanced security purposes only.
(l)
Specific Requirements for Auto Sales Areas. The following specific requirements apply only to auto sales areas:
(1)
Lighting Levels. Lighting levels shall not exceed a maximum of 20 footcandles within an auto sales area.
(2)
Light Uniformity. The maximum uniformity ratio (maximum illumination to minimum illumination) throughout an auto sales area shall not exceed 30:1.
(m)
Requirements for Uplighting and Accent Lighting.
(1)
Architectural features may be illuminated by uplighting, provided no glare or light trespass is produced. All floodlights or other lighting attached to poles to illuminate buildings are prohibited.
(2)
For statues, public art, or other objects of interest that cannot be illuminated with downlighting, upward lighting may only be used that is confined to the illumination to the object of interest.
(3)
Uplighting of flags is permitted with a limit of three luminaires per flag pole with a maximum of 150 watts from each luminaire. The fixtures must be shielded such that the light source is not visible outside of a 15-foot radius.
(n)
Temporary Lighting.
(1)
Lighting used to illuminate temporary uses shall be reviewed, and if necessary conditioned, through the temporary use permitting process.
(2)
The City Manager or his/her designee may impose specific conditions for the lighting of temporary uses consistent with the purposes of this section.
(Code 1988, § 11.73; Ord. No. 365, 2nd Series, 3-23-2007)
(a)
Purpose. The purpose of this section is to provide for and regulate the design, location, placement, construction, maintenance, and removal of telecommunications facilities; to provide safety and emergency services through the use of telecommunications facilities; to provide broader forms of communication in a more reliable way; to ensure such telecommunications facilities are unobtrusive in appearance and location and do not detract from the character of the City's residential neighborhoods and historic architecture; to provide clear standards governing all aspects of such telecommunications facilities; to encourage co-location and shared use of telecommunications facilities and support structures; and to allow new telecommunications towers only when a demonstration of need satisfactory to the City can be shown in order to protect property values and preserve the image of the City.
(b)
Definitions. The following words, terms and phrases, when used in this section, shall have the meanings ascribed to them in this subsection, except where the context clearly indicates a different meaning:
Antennas: A device placed outdoors and mounted on the rooftop or facade of a building or other support structure and used to transmit and/or receive radio or electromagnetic waves. The definition of the term "antennas" does not include satellite dishes six feet in height or shorter, whip antennas one inch or less in diameter, or television antennas having a total length of six feet or less, which are located on a dwelling or other permitted building.
Co-locate or Co-location: To place, mount, install, operate, modify or replace a telecommunications facility on an existing telecommunications tower or wireless support structure that is owned privately or by a local government unit.
Eligible Facilities Request: A request made by an owner/operator pursuant to 47 USC 1455(a) and 47 CFR 1.40001(c), as the same may be amended, to modify an existing telecommunications facility that does not result in a substantial change to the physical dimensions of the telecommunications facility.
Micro Wireless Facility: A wireless facility that is no larger than 24 inches long, 15 inches wide, and 12 inches high, and whose exterior antenna, if any, is no longer than 11 inches.
Monopole: A freestanding, self-supporting telecommunications tower which uses a single pole, does not use a lattice design, and has no guy wires.
Satellite Dish or Satellite Antenna: A round, conical or cone-shaped device more than 18 inches in diameter, placed outdoors on the ground or on a building or structure, and used to transmit and/or receive radio or electromagnetic waves.
Small Wireless Facility:
(1)
A wireless facility that meets both of the following qualifications:
a.
Each antenna is located inside an enclosure of no more than six cubic feet in volume or, in the case of an antenna that has exposed elements, the antenna and all its exposed elements could fit within an enclosure of no more than six cubic feet; and
b.
All other wireless equipment associated with the small wireless facility, excluding electric meters, concealment elements, telecommunications demarcation boxes, battery backup power systems, grounding equipment, power transfer switches, cutoff switches, cable, conduit, vertical cable runs for the connection of power and other services, and any equipment concealed from public view within or behind an existing structure or concealment, is in aggregate no more than 28 cubic feet in volume; or
(2)
A micro wireless facility.
Telecommunications Facility: Towers, cables, wires, lines, wave guides, antennas, wireless facilities (including small and micro wireless facilities) and any other telecommunications or wireless equipment or accessories associated with the transmission or reception of communications or wireless services located or installed on or near a tower or antenna support structure.
Telecommunications Tower: A self-supporting monopole, poles, or lattice structure constructed at normal grade and extending into the air at least 12 feet and used to support telecommunications facilities.
Tower Height: The vertical distance from the average grade at the base of the telecommunications tower to the highest point of the tower or to the highest point of the highest telecommunications facilities on the tower whichever is higher.
(c)
Demonstration of Need. The applicant shall provide an analysis prepared by a radio or electrical engineer demonstrating that the proposed location of the antennas is necessary to meet the coverage and capacity needs of its system and that there is no existing antenna support structure that could adequately serve the area if antennas were placed on it.
(d)
Location of New Facilities. The following preferences, listed in ranked order, shall be followed for a new telecommunications facility (except small and micro cell wireless facilities), or tower and each preference shall be analyzed to determine the most appropriate location:
(1)
Whenever possible, an existing telecommunications tower, structure or building shall be used to support the proposed telecommunications facility. If an existing building or structure is used, it shall be over 35 feet in height. Preference shall be given to existing light poles, high voltage utility towers and water towers. Public and commercial buildings four or more stories high which can more likely accommodate telecommunications facilities without obstructing views or being obtrusive to views shall be given preference over shorter buildings.
(2)
Less restrictive (heavier) zoning district shall be given preference over more restrictive zoning districts.
(3)
Sites with the least impact on residential areas shall be given preference over sites in or near residential areas. Where feasible and practical, telecommunications towers shall exceed the setback requirements by 50 percent when located adjacent to a property zoned residential. Also, where feasible and practical, antennas on lots zoned R-3 or R-4 shall be located discreetly on building rooftops or facades rather than on a new monopole.
(4)
In all cases, except for nonconforming existing telecommunications towers, the location must meet the zoning requirements.
(5)
Amateur radio towers in the R-1 and R-2 Zoning Districts are not required to co-locate.
(e)
Where Allowed. Telecommunications towers and antenna facilities shall be allowed in the City's zoning districts as specified in this section, provided that all of the requirements of this section are met.
(f)
Administrative Review. Notwithstanding the height restrictions of each zoning district, the following uses shall be permitted in all zoning districts, subject to administrative review and approval by the City Manager or his/her designee and the design and performance standards set forth in this section:
(1)
Antennas 15 feet in length or less when located on an existing building or structure
(2)
Satellite dishes meeting the following diameter and height limitations:
(3)
Small wireless facilities not located in the public right-of-way
(4)
Small wireless facilities located in the public right-of-way. However, these facilities are regulated under Chapter 24, Article II, pertaining to right-of-way management
(5)
A one-time extension of the height of an existing telecommunications tower by 15 feet or less, provided that the total height of the telecommunications tower and all antennas does not exceed the total allowable height pursuant to this section; and
(6)
Temporary mobile telecommunications towers may be installed in the R-1 and R-2 Zoning Districts for emergency purposes only, and in all other zoning districts for testing purposes only, for a period not to exceed 100 days, subject to the following height limitations:
(g)
Administrative Review Process.
(1)
Submittal Requirements. In additional to the general requirements, the applicant shall submit the following information:
a.
Complete site plan, survey, scaled schematic drawings, photographic perspectives, building elevations, antenna elevations showing the structure and placement of the telecommunications facility, signed by a registered architect, civil engineer, landscape architect, or other appropriate design professional
b.
Scaled drawings showing the size, location, materials and screening of the telecommunications facility, including the base unit or antenna support structure and all antennas and related equipment; and
c.
An analysis prepared by a radio or electrical engineer demonstrating that the proposed location of the antennas is necessary to meet the coverage and capacity needs of the applicant's system and that there is no existing antenna support structure that could adequately serve the area if antennas were placed on it.
(2)
Appeals. Decisions regarding the administrative review of permitted telecommunications facilities shall be subject to appeal to the Board of Zoning Appeals pursuant to this section.
(h)
Conditional Uses. The following uses may be allowed as conditional uses, subject to the provisions of this section:
(1)
Antennas exceeding 15 feet in length when located on an existing building or structure
(2)
Satellite dishes meeting the following diameter and height limitations:
(3)
Telecommunications towers meeting the following height limitations:
(i)
Conditional Use Review Process.
(1)
Submittal Requirements. In additional to the general conditional use requirements, the applicant shall submit the following information:
a.
Complete site plan, survey, scaled schematic drawings, photographic perspectives, building elevations, antenna elevations showing the structure and placement of the telecommunications facility, signed by a registered architect, civil engineer, landscape architect, or other appropriate design professional
b.
Scaled drawings showing the size, location, materials and screening of the telecommunications facility, including the base unit or antenna support structure and all antennas and related equipment; and
c.
An analysis prepared by a radio or electrical engineer demonstrating that the proposed location of the antennas is necessary to meet the coverage and capacity needs of the applicant's system and that there is no existing antenna support structure that could adequately serve the area if antennas were placed on it.
(j)
Design and Performance Standards for All Permitted and Conditional Telecommunications Facilities, Towers, and Antennas. The following design and performance standards are hereby established to meet the objectives of the City and the purposes of this section:
(1)
Telecommunications Towers. If a new telecommunications tower over 60 feet in height is to be constructed:
a.
The telecommunications tower must be designed to accommodate both the applicant's antennas and antennas for at least one additional comparable user
b.
The telecommunications tower must be designed to accept antennas mounted at additional heights
c.
The applicant, the telecommunications tower owner, the landowner, and their successors must allow the shared use of the telecommunications tower if an additional user agrees in writing to meet reasonable terms and conditions for shared use; any such agreement shall require that disputes be submitted to binding arbitration; all interested parties must sign the conditional use permit agreeing to these requirements.
(2)
Placement. New telecommunications towers shall be placed on the site or within the site so as to be visually as unobtrusive as possible and existing trees and landscaping which can screen the telecommunications tower shall be preserved. Placement of new telecommunications towers or telecommunications facilities shall be consistent with the City's Natural Resource Management Plan and the Stormwater Management Plan to consider wetlands, floodplains, steep slopes, quality of existing vegetation, and utility, recreational, or other public purposes or uses of the property.
(3)
Interference. The placement, design, use, and operation of the telecommunications facilities shall comply with the Telecommunications Act of 1996 and the rules and regulations of the Federal Communications Commission.
(4)
Setbacks.
a.
No telecommunications tower shall be located in the required minimum front, side, or rear yard building setback of any lot.
b.
Exceptions. Use of existing light poles, high voltage poles or towers, and telecommunications towers are exempt from the setback requirements provided that such pole or telecommunications tower is not increased in height.
c.
Satellite dish. In the Institutional, Business and Industrial Zoning Districts, no satellite dish greater than two meters (6.56 feet) in diameter shall be located in the minimum required front or side yard setbacks.
(5)
Ground Structures. If the ground structure is a building, the design shall be compatible with the principal building. If no principal building is on the site, the building must be compatible with nearby buildings. Structures which are not buildings must be designed to be compatible with the area.
(6)
Structural. Telecommunications towers shall be approved by a licensed and qualified professional structural engineer to conform to the lateral and other structure standards of the most current uniform building code and to be structurally sound for conditions reasonably likely to occur on or near the site and be capable of carrying at least four separate antenna arrays if the telecommunications tower is higher than 130 feet. All other applicable requirements of other Federal, State, and other regulatory agencies must be met.
(7)
Guy Wires. Guy wires are prohibited for new telecommunications towers.
(8)
Security. Reasonable security measures shall be provided. If fencing is used, it must be decorative and landscaping shall be used to soften its impact.
(9)
Lighting. No telecommunications towers or antennas shall be artificially illuminated unless required by law or the Federal Aviation Administration. This provision does not prevent general exterior lighting of a building or steeple to meet aesthetic or functional objectives provided such lighting otherwise meets the provisions of the code.
(10)
Signs. No sign shall be located on a telecommunications tower or antenna except to provide necessary information as required to meet Federal, State, or local laws.
(11)
Landscaping and Screening. All telecommunications towers and related building facilities shall be landscaped and screened with natural vegetation to lessen the visual impact. The natural vegetation on the site shall be documented on the site plans and drawings submitted to the City Manager or his/her designee during the review and approval process. Suitable existing vegetation shall be retained to the extent possible based on an analysis of the site. New landscaping shall be shown on a landscape plan, which will be reviewed as part of the conditional use permit application.
(12)
Color. The finished color for the telecommunications tower shall be natural for the environment and setting and shall be permanent (e.g., anodized, baked enamel).
(13)
Access. Adequate access to the telecommunications facility must be provided from a public right-of-way to the telecommunications facility consistent with the type of facility constructed.
(14)
Parking. No off-street parking is required for telecommunications towers or antennas. However, if off-street parking is provided, it shall have a suitable base and be landscaped along the outside perimeter.
(15)
Antenna Locations and Mounting. The location and mounting of antennas on buildings and structures shall be done in accordance with the following:
a.
If mounted at the top of a telecommunications tower so that any portion of the antenna extends above the top of the tower, such extension is included in determining the height of the tower.
b.
If mounted on a public water tower, light pole, high voltage utility pole, steeple or similar structure, preference shall be given to placing the antennas on the side or on the support portion of the structure instead of on top of the facility.
c.
If mounted on a building, preference shall be given to placing the antenna on the side of the building mounted flush with the building and colored to match the background instead of a location on top of the building. However, any antenna mounted on the side of a building shall not extend above the roofline. (Satellite dishes may be more appropriately located on the roof and screened from view.)
d.
If mounted on the top of a building, preference shall be given to placing the antennas in the center portion of the building. In no event shall a rooftop antenna be located closer than 10 feet from all outside edges/perimeter of the building.
e.
Antennas located on the side or top of a building or structure shall be designed, colored, and maintained to blend in with the color and architecture of the building or structure.
(k)
Additional Standards for Public Property. The City recognizes that in certain locations and in certain circumstances it is appropriate public policy and in the best interest of the community to allow using some public land and structures for telecommunications facilities (except small and micro cell wireless facilities) because it may provide efficient use of resources and may reduce clutter by using existing facilities.
Accordingly, the City supports consideration of the following when applications meet all other provisions of this section:
(1)
Encouraging and allowing the City's high voltage electric utility towers, some of which are in public rights-of-way, to be used as telecommunications towers in accordance with Minn. Stats. ch. 237.
(2)
Encouraging and allowing existing City light and utility poles within the public right-of-way to be used as telecommunications towers in accordance with State law and subject to approval by the City Manager or his/her designee based on requirements set forth in Chapter 24, Article II, pertaining to right-of-way management.
(3)
Encouraging and allowing the use of the tower located on MnDOT property at the northwest quadrant of Trunk Highway 100 and Duluth Street.
(4)
Allowing public land and structures to be used for telecommunications facilities, but not in neighborhood parks as defined by the Comprehensive Plan. On school sites, telecommunications towers shall not exceed 100 feet.
(l)
Nonconforming Facilities. Legal nonconforming telecommunications facilities may be structurally altered to carry additional antenna arrays, provided that:
(1)
The overall height of the telecommunications facility is not increased.
(2)
The location of the telecommunications tower and the proposed change is not adverse to the use and enjoyment of the adjacent property.
(3)
The proposed change and plan meets the design and performance standards set forth in this section to the extent reasonably possible.
(4)
A review is made by the City allowing the change and subject to plans and conditions agreeable to the City and applicant.
(m)
Inspection. The City may inspect telecommunications towers, antenna support facilities, and the property on which such facilities are located to determine compliance with the City Code, City ordinances, regulations, and conditions of approval. The City may require repair or modification of the facility, site maintenance, or removal of the facility based on the results of the inspection.
(n)
Maintenance. Telecommunications towers and antennas and the site upon which they are located must be maintained in accordance with the following provisions:
(1)
Telecommunications tower owners must employ ordinary and reasonable care in construction and use commonly accepted methods and devices for preventing failures and accidents that are likely to cause damage, injuries, or nuisances to the public.
(2)
Telecommunications tower owners must install and maintain telecommunications towers, telecommunications facilities, fixtures, and other equipment in compliance with the requirements of the National Electric Safety Code and all Federal Communications Commission, State and local regulations, and in such a manner that they will not interfere with the use of other property.
(3)
Telecommunications towers, telecommunications facilities, antenna support structures, and landscaped areas must be kept and maintained in good condition, order, and repair.
(4)
Maintenance or construction on telecommunications facilities, telecommunications towers, or antenna support structure must be performed by qualified maintenance and construction personnel.
(5)
Telecommunications towers and antennas must comply with radio frequency emissions standards of the Federal Communications Commission.
(6)
If the use of a telecommunications tower is discontinued by the tower owner or lessee, the tower owner or lessee must provide written notice to the City of its intent to discontinue use and the date when the use will be discontinued.
(o)
Removal. Any Telecommunications Tower or Antenna which is not used for 12 months shall be removed along with any associated above-ground facilities within 90 days of said 12 months unless an extension is approved by the City Council prior to the expiration of said 90 days. Failure to remove a telecommunications tower or antenna as provided by this subsection shall be deemed a nuisance and the City may act to abate such nuisance and require removal at the property owner's expense.
(p)
Eligible Facilities Request. Notwithstanding the foregoing, nothing in this section shall be read to allow the City to prohibit or deny an eligible facilities request.
(q)
All Telecommunication Facilities shall comply with all applicable, rules, regulations and laws.
(Code 1988, § 11.71; Ord. No. 271, 2nd Series, 11-15-2002; Ord. No. 654, § 1, 1-2-2019; Ord. No. 788, §§ 1—3, 12-3-2024)
(a)
Purpose. The purpose of this section is to allow for and regulate the location, placement, design, and maintenance of wind energy conversion systems, which are not otherwise subject to siting and oversight by the State, to ensure such facilities are appropriately located and are used in a safe and effective manner.
(b)
Definitions. The following words, terms and phrases, when used in this section, shall have the meanings ascribed to them in this subsection, except where the context clearly indicates a different meaning:
Height: The height of a freestanding wind energy conversion system shall be measured as the distance from ground level to the highest point on the wind energy conversion system, including the vertical length of any extensions including without limitation the rotor blade at its highest point in rotation. The height of a building mounted wind energy conversion system shall be measured as the distance from the point where the base of the system is attached to the building or to the lowest point on the wind energy conversion system, whichever is closer to the ground, to the highest point on the wind energy conversion system, including the vertical length of any extensions, including, without limitation, the rotor blade at its highest point in rotation.
Monopole: A freestanding, self-supporting tower which uses a single pole, does not use a lattice design, and has no guyed wires.
Wind Energy Conversion System: Any electrical generating facility that converts wind energy to electrical energy, such as a windmill or wind turbine, and associated and accessory facilities, including without limitation, the support structure of the system.
(c)
Conditional Uses.
(1)
Mounted wind energy conversion systems shall be allowed by a conditional use permit in all zoning districts except in the R-1, R-2, R-3, R-4, and Shoreland Overlay Districts, subject to administrative review and approval by the City Manager or his/her designee, so long as they meet the following requirements:
a.
Mounted wind energy conversion systems shall not exceed 15 feet in height from the base to the top of the rotor blade in all zoning districts.
b.
No mounted wind energy conversion system shall be established on a zoning lot less than one acre in area. A maximum of one mounted wind energy conversion system per acre of lot area shall be allowed.
c.
On buildings less than three stories and 32 feet in height, mounted wind energy conversion systems shall be set back at least 10 feet from the front, side, and rear walls of the structure upon which the wind energy conversion system would be mounted.
d.
Mounted wind energy conversion systems shall be placed no lower than the primary roofline.
e.
The base of the mounted wind energy conversion system shall maintain a minimum distance from any overhead utility to twice the height of the mounted wind energy conversion system.
f.
The structure upon which the wind energy conversion system is mounted shall have the structural integrity to carry the weight and wind loads of the wind energy conversion system and have minimal vibration impacts on the structure. The Building Official shall make a determination as to whether a structural engineer report is necessary.
g.
A building permit shall be obtained before a mounted wind energy conversion system is placed on a structure.
(2)
Freestanding wind energy conversion systems shall be allowed by a conditional use permit in all zoning districts except in the R-1, R-2, R-3, R-4, and Shoreland Overlay Districts, subject to administrative review and approval by the City Manager or his/her designee, so long as they meet the following requirements:
a.
The height of freestanding wind energy conversion systems shall be no more than 60 feet on lots between one and five acres and shall be no more than 120 feet on lots of more than five acres in area.
b.
No freestanding wind energy conversion system shall be established on a lot less than one acre in area. A maximum of one freestanding wind energy conversion system per acre of lot area shall be allowed.
c.
The minimum clearance between the ground and the vertical length of any extensions such as the rotor blades shall be 15 feet.
d.
The base of the wind energy conversion system shall maintain a minimum distance from any overhead utility lines equal to twice the height of the wind energy conversion system.
e.
The base of the wind energy conversion system shall maintain a minimum distance from the nearest residential structure equal to at least 500 feet.
f.
All electrical wires associated with a freestanding wind energy conversion system shall be located within the tower and underground.
g.
All sites shall be reasonably secured. The bottom of the wind energy conversion system, measured from ground level to 12 feet above ground level, shall be designed in a manner to discourage unauthorized climbing. If fencing is used, it must be decorative and landscaping shall be used to soften its impact.
(d)
Submittal Requirements.
(1)
The City shall have up to 60 working days following the submittal of a complete application to approve or deny such application. The City may impose such conditions and require such guarantees deemed reasonable and necessary to protect the public interest and to ensure compliance with the standards and purposes of this Zoning Code and policies of the Comprehensive Plan.
(2)
The applicant shall submit the following:
a.
A completed application for a conditional use permit in accordance with the City Code.
b.
A site plan showing the placement of the wind energy conversion system and its associated facilities and accessories, the location of lot lines, location and height of structures, above-ground utilities, location and height of significant tress, setbacks, easements and rights-of-way, and interconnection points with the grid.
c.
A scaled drawing showing the dimensions of the system including the type of wind energy conversion system and the name plate generating capacity.
d.
Documentation from the local utility showing that the wind energy conversion system is compliant with regulations related to utility connections if the system is to be connected to utility lines.
(e)
Design and Performance Standards. Design and performance standards are hereby established to meet the objectives of the City and the purposes and other provisions of this chapter. The standards apply to both mounted and freestanding wind energy conversion systems.
(1)
Compatibility with Nearby Properties. Wind energy conversion systems shall utilize building materials, colors, and textures that are neutral and compatible with the existing principal structure. Rotor blades shall be non-metallic to prevent communication signal interference. Metal towers shall be constructed of, or treated with, corrosive resistant material. Unpainted, galvanized metal or similar towers shall be prohibited.
(2)
Compliance. All systems shall be designed, constructed, and operated in compliance with all applicable Federal, State, and local laws, codes, standards, and ordinances, as well as adhere to the requirements of local utilities if connected to utility lines.
(3)
Controls and Brakes. All systems shall contain an internal governor or braking device which engages at excessive wind speeds, determined by the manufacturer, to minimize the potential for wind damage to the equipment.
(4)
Encroachments and Setbacks.
a.
Wind energy conversion systems shall comply with the minimum yard requirements of the district in which they are located.
b.
Wind energy conversion systems shall comply with applicable regulations as established by the Federal Aviation Administration and State Pollution Control Agency.
c.
The base of the wind energy conversion shall maintain a minimum distance from public right-of-way equal to the vertical height of the system plus 10 feet.
(5)
Interference. The wind energy conversion system shall be designed to not cause electrical, radio frequency, television, and other communication signal interference.
(6)
Lighting. Wind energy conversion systems shall not be illuminated by artificial means, except where the illumination is specifically required by the Federal Aviation Administration or other Federal, State, or local regulations.
(7)
Maximum Capacity. Wind energy conversion systems shall have a rated capacity of not more than 100 kilowatts.
(8)
Maintenance Required. All wind energy conversion systems shall be kept in good repair and free from rust, damaged supports, framework, or other components.
(9)
Noise. Wind energy conversion systems shall comply with the standards governing noise of the State Pollution Control Agency.
(10)
Safety. Wind energy conversion systems shall be designed and operated to reduce the impact of ice buildup on extensions and ice throw from those extensions.
(11)
Signage. Advertising or identification of any kind on wind energy conversion systems shall be prohibited, except for applicable warning and equipment information signage required by the manufacturer or by Federal, State or local regulations.
(12)
Tower Type. Towers shall be of a monopole design.
(f)
Abandoned, Unused, or Inoperable Wind Energy Conversion Systems. All abandoned, unused, or inoperable wind energy conversion systems shall be removed within six months of the cessation of normal operations and the property must be restored to its original condition or to an improved condition unless an extension is approved by the City Manager or his/her designee. If an extension is not approved, such wind energy conversion system shall be deemed a nuisance, and the City may act to abate such nuisance and require its removal and the restoration of the site at the property owner's expense.
(Code 1988, § 11.74; Ord. No. 442, 2nd Series, 7-30-2010)
(a)
Purpose. The purpose of this section is to allow for and regulate the location, placement, design, and maintenance of active and passive solar energy systems to ensure such equipment are appropriately located and are used in a safe and effective manner.
(b)
Definitions. The following words, terms and phrases, when used in this section, shall have the meanings ascribed to them in this subsection, except where the context clearly indicates a different meaning:
Building Integrated Solar System: A solar energy system that is directly integrated into the building by replacing typical building materials.
Flush Mounted Solar System: A solar energy system that is installed on the roof of a building in which the solar panels are parallel with the finished roof materials.
Ground Mounted Solar System: A solar energy system that is installed directly onto the ground by means of brackets or poles.
Non-Flush Mounted Solar System: A solar energy system that is installed on the roof of a building at a different pitch than the finished roof surface.
Solar Energy System: A device, structure, or part thereof that transfers direct solar energy into thermal, chemical, or electrical energy.
Solar Garden: A community shared solar energy system with linked subscribers or leased panel members.
(c)
Permitted Use Where Allowed.
(1)
Building mounted solar energy systems shall be allowed in all zoning districts, subject to administrative review and approval by the City Manager or his/her designee, so long as they meet the following requirements:
a.
Flush-mounted solar systems shall not exceed the designated height requirement of the principal structure in all zoning districts.
b.
Non-flush-mounted solar systems shall extend no more than three feet directly above the surface of a roof at any point.
c.
The structure upon which the solar energy system is mounted shall have the structural integrity to carry the weight of the solar energy system.
d.
A building permit shall be obtained before a mounted solar energy system may be placed on a structure.
(2)
Building integrated solar systems shall be considered a part of the structure rather than a separate entity. Building integrated solar systems need to follow the regulations set by the building code.
(3)
Ground mounted solar systems shall have a maximum height of 10 feet.
(4)
Ground mounted solar systems shall be set back a minimum of five feet from all lot line from the outermost perimeter of the solar panel.
(5)
Solar gardens shall be permitted with a conditional use permit.
(d)
Design and Performance Standards. Design and performance standards for solar energy systems are hereby established to meet the objectives of the City outlined in the Comprehensive Plan and the purpose and other provisions of this section.
(1)
Compatibility with Nearby Properties. The visual impact of rooftop equipment on nearby properties shall be minimized through such means as location on the roof, flush-mounting to the roof, screening, or other integration into the roof design. Screening shall be of durable, permanent materials that are compatible with the primary building materials. Screening shall be done to the extent possible without reducing the system's efficiency.
(2)
Compliance.
a.
Solar energy systems shall be designed, constructed, and operated in compliance with any applicable Federal, State, and local laws, codes, standards, and ordinances, as well as adhere to the requirements of local utilities if connected to utility lines.
b.
Solar energy systems shall comply with applicable regulations as established by Chapter 1325 of the Minnesota State Building Code and the National Electrical Code (NFPA 70).
(3)
Interference. Solar energy systems shall be designed to not cause electrical, radio frequency, television, and other communication signal interference.
(4)
Installation. Solar energy systems shall be installed only by licensed contractors.
(5)
Maintenance. Solar energy systems shall be kept in good repair and free from damaged supports, mounts, framework, or other components.
(Code 1988, § 11.75; Ord. No. 506, 2nd Series, 11-15-2013)
(a)
Purpose. The purpose of these standards is to ensure that:
(1)
Development and redevelopment within the city is held to a high standard with respect to visual quality.
(2)
Structural and ornamental elements are utilized to maximize variety and architectural interest.
(3)
Building façades facing the public realm are active and engaging.
(4)
The built environment is maintained in good condition.
(b)
General Standards.
(1)
Architectural.
a.
Massing shall be varied to incorporate staggered building components, recessed doorways, and other elements that provide visual interest.
b.
Roof lines shall include pitched roofs, dormers, gable or hip roof accents, parapets, cornices, and other interesting profiles.
c.
Buildings shall include consistent architectural treatment on all façades and all sides of a building shall include compatible materials.
d.
Focal features shall add interest or distinction to a building.
(2)
Materials. Exterior materials shall be divided into Class I, Class II, Class III, and Prohibited categories as follows:
(c)
Rowhouses in Moderate Density Residential (R-2) Zoning Districts.
(1)
Architectural.
a.
Façades. Façades greater than 40 feet in length shall be visually articulated into smaller intervals by:
1.
Stepping back or extending forward a portion of the façade
2.
Providing variation in materials, texture, or color
3.
Placement of doors, windows, and balconies
Buildings shall have a defined base, middle, and top, and employ elements that relate to the human scale and appeal to pedestrians, such as doors and windows, projections, or awnings and canopies. A middle is not required on a one-story building.
b.
Openings. Views into and out of the building shall be provided to enliven the streetscape and enhance security. Windows and door openings shall comprise at least 20 percent of the area of the ground floor façade facing the primary street. Window and door openings shall comprise at least 15 percent of the area of the side and rear ground floor façades.
On upper stories, windows shall comprise at least 15 percent of the façade area.
Window and door openings shall be clear or slightly tinted to allow unobstructed views into and out of buildings. Window shape, size, and patterns shall emphasize the intended organization and articulation of the building façade.
c.
Entrances. Building entrances shall be provided on the primary street on which the building fronts, in addition to any entrances from rear parking areas. Street entrances shall be lighted and defined by means of a canopy, portico, recess, or other architectural details.
d.
Screening. Utility service structures (such as utility meters, utility lines, and transformers), refuse and recycling containers, and other ancillary equipment must be inside a building or be screened from off-site views. Rooftop equipment shall be screened by a parapet wall or a fence the height of which is at least equal to the top of the rooftop equipment and is compatible with exterior materials and architectural features of the building. Equipment associated with solar and wind energy systems are exempt from this provision if screening would interfere with system operations.
(2)
Materials.
a.
Front façades, and side are rear façades visible from the public right-of-way, shall be composed of at least 50% Class I materials and no more than 10% Class III materials.
b.
Side and rear façades not visible from the public right-of-way shall be composed of at least 40% Class I materials and no more than Class III materials.
c.
Each façade must utilize a minimum of two types of Class I materials.
(d)
Medium Density Residential (R-3) and High Density Residential (R-4) Zoning Districts.
(1)
Architectural.
a.
Façades. Façades greater than 40 feet in length shall be visually articulated into smaller intervals by:
1.
Stepping back or extending forward a portion of the façade
2.
Providing variation in materials, texture, or color
3.
Placement of doors, windows, and balconies
Buildings shall have a defined base, middle, and top, and employ elements that relate to the human scale and appeal to pedestrians, such as doors and windows, projections, or awnings and canopies. A middle is not required on a one-story building.
b.
Openings. Views into and out of the building shall be provided to enliven the streetscape and enhance security. Where residential uses occupy the ground floor level, window and door openings shall comprise at least 20 percent of the area of the ground floor façade facing the primary street. Window and door openings shall comprise at least 15 percent of the area of the side and rear ground floor façades.
Where nonresidential uses occupy the ground floor level, window and door openings shall comprise at least 30 percent of the area of the ground floor façade facing the primary street. Window and door openings shall comprise at least 20 percent of the areas of the side and rear ground floor façades.
On upper stories, windows shall comprise at least 15 percent of the façade area.
Window and door openings shall be clear or slightly tinted to allow unobstructed views into and out of buildings. Spandrel glass may be used in service areas. Window shape, size, and patterns shall emphasize the intended organization and articulation of the building façade.
c.
Entrances. Building entrances shall be provided on the primary street on which the building fronts, in addition to any entrances from rear or side parking areas. Street entrances shall be lighted and defined by means of a canopy, portico, recess, or other architectural details.
d.
Screening. Utility service structures (such as utility meters, utility lines, and transformers), refuse and recycling containers, and other ancillary equipment must be inside a building or be screened from off-site views. Rooftop equipment shall be screened by a parapet wall or a fence the height of which is at least equal to the top of the rooftop equipment and is compatible with exterior materials and architectural features of the building. Equipment associated with solar and wind energy systems are exempt from this provision if screening would interfere with system operations.
(2)
Materials.
a.
Front façades, and side and rear façades visible from the public right-of-way, shall be composed of at least 50% Class I materials and no more than 10% Class III materials.
b.
Side and rear façades not visible from the public right-of-way shall be composed of at least 40% Class I materials and no more than 10% Class III materials.
c.
Each façade must utilize a minimum of two types of Class I materials.
(e)
Commercial, Office, and Institutional Zoning Districts.
(1)
Architectural.
a.
Façades. Façades greater than 40 feet in length shall be visually articulated into smaller intervals by:
1.
Stepping back or extending forward a portion of the façade
2.
Providing variation in materials, texture, or color
3.
Placement of doors, windows, and balconies
Buildings shall have a defined base, middle, and top, and employ elements that relate to the human scale and appeal to pedestrians, such as doors and windows, projections, or awnings and canopies. A middle is not required on a one-story building.
b.
Openings. Views into and out of the building shall be provided to enliven the streetscape and enhance security. Window and door openings shall comprise at least 60 percent of the length of the front façade and 30 percent of the area of the ground floor façade facing the primary street. Window and door openings shall comprise at least 20 percent of the area of the side and rear ground floor façades. On upper stories, windows shall comprise at least 20 percent of the façade area.
Window and door openings shall be clear or slightly tinted to allow unobstructed views into and out of buildings. Views shall not be blocked by storage, shelving, mechanical equipment, or other visual barriers. Spandrel glass may be used in service areas. Window shape, size, and patterns shall emphasize the intended organization and articulation of the building façade.
c.
Entrances. Building entrances shall be provided on the primary street on which the building fronts, in addition to any entrances from rear or side parking areas. Street entrances shall be lighted and defined by means of a canopy, portico, recess, or other architectural details.
d.
Screening. Utility service structures (such as utility meters, utility lines, and transformers), refuse and recycling containers, and other ancillary equipment must be inside a building or be screened from off-site views. Rooftop equipment shall be screened by a parapet wall or a fence the height of which is at least equal to the top of the rooftop equipment and is compatible with exterior materials and architectural features of the building. Equipment associated with solar and wind energy systems are exempt from this provision if screening would interfere with system operations.
(2)
Materials.
a.
Front façades, and side and rear façades visible from the public right-of-way, shall be composed of at least 50% Class I materials and no more than 10% Class III materials.
b.
Side and rear façades not visible from the public right-of-way shall be composed of at least 40% Class I materials and no more than 10% Class III materials.
c.
Each façade must use a minimum of two types of Class I materials.
(f)
Light Industrial and Industrial Zoning Districts.
(1)
Architectural.
a.
Façades. Façades greater than 40 feet in length shall be visually articulated into smaller intervals by:
1.
Stepping back or extending forward a portion of the façade
2.
Providing variation in materials, texture, or color
3.
Placement of doors and windows
Buildings shall have a defined base, middle, and top, and employ elements that relate to the human scale and appeal to pedestrians, such as doors and windows, projections, or awnings and canopies. A middle is not required on a one-story building.
b.
Openings. Views into and out of the building shall be provided to enliven the streetscape and enhance security. Window and door openings shall comprise at least 60 percent of the length of the front façade and 30 percent of the area of the ground floor façade facing the primary street. Window and door opening shall comprise at least 15 percent of the area of the side and rear ground floor façades. On upper stories, windows shall comprise at least 20 percent of the façade area.
Window and door openings shall be clear or slightly tinted to allow unobstructed views into and out of buildings. Views shall not be blocked by storage, shelving, mechanical equipment, or other visual barriers. Spandrel glass may be used in service areas. Window shape, size, and patterns shall emphasize the intended organization and articulation of the building façade.
c.
Entrances. Building entrances shall be provided on the primary street on which the building fronts, in addition to any entrances from rear or side parking areas. Street entrances shall be lighted and defined by means of a canopy, portico, recess, or other architectural details.
d.
Screening. Utility service structures (such as utility meters, utility lines, and transformers), refuse and recycling containers, loading docks, maintenance structures, and other ancillary equipment must be inside a building or be screened from off-site views. Overhead doors shall be located on side or rear façades that do not front a public right-of-way. Rooftop equipment shall be screened from view from the public right-of-way by a parapet wall or a fence the height of which extends at least one foot above the top of the rooftop equipment and is compatible with exterior materials and architectural features of the building.
(2)
Materials.
a.
Front, side, and rear façades adjacent to or facing a property zoned Residential, Commercial, Office, Institutional, or Mixed Use across a public right-of-way shall be composed of at least 50% Class I materials and no more than 10% Class III materials.
b.
All other front façades shall be composed of at least 40% Class I materials and not more than 10% Class III materials.
c.
All other side and rear façades shall be composed of at least 30% Class I materials and no more than 10% Class III materials.
d.
Each façade must use a minimum of two types of Class I materials.
(g)
Mixed Use Zoning District.
(1)
Architectural.
a.
Façades. Façades greater than 40 feet in length shall be visually articulated into smaller intervals by:
1.
Stepping back or extending forward a portion of the façade;
2.
Providing variation in materials, texture, or color;
3.
Placement of doors, windows, and balconies;
Buildings shall have a defined base, middle, and top, and employ elements that relate to the human scale and appeal to pedestrians, such as doors and windows, projections, or awnings and canopies. A middle is not required on a one-story building.
b.
Openings. Views into and out of the building shall be provided to enliven the streetscape and enhance security. Where residential uses occupy the ground floor level, window and door openings shall comprise at least 20 percent of the area of the ground floor façade facing the primary street. Window and door openings shall comprise at least 15 percent of the area of the side and rear ground floor façades.
Where nonresidential uses occupy the ground floor level, window and door openings shall comprise at least 60 percent of the length of the front façade and at least 30 percent of the area of the ground floor façade facing the primary street. Window and door openings shall comprise at least 20 percent of the areas of the side and rear ground floor façades.
On upper stories, windows shall comprise at least 15 percent of the façade area for residential uses and 20 percent of the façade area for nonresidential uses.
Window and door openings shall be clear or slightly tinted to allow unobstructed views into and out of buildings. Spandrel glass may be used in service areas. Window shape, size, and patterns shall emphasize the intended organization and articulation of the building façade.
c.
Entrances. Building entrances shall be provided on the primary street on which the building fronts, in addition to any entrances from rear or side parking areas. Street entrances shall be lighted and defined by means of a canopy, portico, recess, or other architectural details.
d.
Screening. Utility service structures (such as utility meters, utility lines, and transformers), refuse and recycling containers, and other ancillary equipment must be inside a building or be screened from off-site views. Rooftop equipment shall be screened by a parapet wall or a fence the height of which is at least equal to the top of the rooftop equipment and is compatible with exterior materials and architectural features of the building. Equipment associated with solar and wind energy systems are exempt from this provision if screening would interfere with system operations.
(2)
Materials.
a.
Front façades, and side and rear façades visible from the public right-of-way, shall be composed of at least 50% Class I materials and no more than 10% Class III materials.
b.
Side and rear façades not visible from the public right-of-way shall be composed of at least 40% Class I materials and no more than 10% Class III materials.
c.
Each façade must utilize a minimum of two types of Class I materials.
(h)
Additions and Expansions.
(1)
Architectural. The exterior wall surface materials, roof treatment, colors, textures, major divisions, proportion, rhythm of openings, and general architectural character, including horizontal or vertical emphasis, scale, stylistic features of additions, and exterior alterations shall address and respect the original architectural design and general appearance of the principal building on the site and shall comply with the requirements of this section.
(2)
Materials. All façades of a building addition or expansion shall be composed of at least 90% Class I materials until the appropriate minimum Class I percentage standards for the building are met.
(Ord. No. 664, § 1, 6-4-2019; Ord. No. 687, §§ 1, 2, 8-18-2020; Ord. No. 705, § 14, 3-16-2021; Ord. No. 733, §§ 6—9, 3-15-2022)
(a)
The purpose of these regulations is to create general standards for the layout and placement of individual manufactured homes and other structures within a manufactured home park, to ensure the health, safety, and general welfare of its residents, and to minimize impacts to adjacent properties.
(b)
General Regulations.
(1)
Park Size. The minimum area required for a manufactured home park designation shall be 10 acres.
(2)
Emergency Storm Protections. Manufactured home parks shall have storm shelters in compliance with State statutes. Any manufactured home park shall submit emergency storm protection measures for review and approval of the City Manager or their designee.
(3)
Setbacks.
a.
No manufactured home shall be located closer than 15 feet to a side or rear lot line. The minimum front yard setback shall be 25 feet from the front lot line. On corner lots, the secondary front yard setback shall be at least 15 feet from the lot line.
b.
There shall be a space of at least 15 feet between the sides of adjacent manufactured homes and at least 10 feet between manufactured homes when parked end to end.
(4)
Permitted Encroachments.
a.
Stairs and stair landings up to 25 square feet in size and accessible ramps may encroach up to five feet into the interior setback, provided that they do not extend closer than 10 feet to an adjacent structure.
b.
Cornices and eaves may extend outside the building envelope by no more than 30 inches.
(5)
Foundation. The area beneath a manufactured home shall be enclosed except that such enclosure must have access for inspection.
(6)
Building Height Requirements. No structure shall exceed one story or 15 feet above grade, whichever is less.
(7)
Parking.
a.
Each manufactured home site shall have off-street parking spaces for two vehicles.
b.
All parking spaces shall be paved.
(8)
Accessory Buildings.
a.
Accessory structures shall be limited to one per manufactured home. No accessory structure may be larger than 400 square feet in area.
b.
No accessory structure shall be erected with a height in excess of one story, which is 10 feet from the floor to the top horizontal component of a frame building to which the rafters are fastened (known as the "top plate"). For the purposes of this regulation, the height of a shed roof shall be measured to the top plate.
c.
The manufactured home park site plan shall designate the locations proposed for garages and/or accessory structures for each manufactured home. These shall comply with the following setback requirements:
1.
Accessory buildings shall not be located within a front yard setback.
2.
Accessory buildings shall not be located closer than five feet from a side or rear property line.
3.
Accessory buildings shall not be located within any utility easements.
4.
All accessory buildings shall be owned, constructed, and maintained by the manufactured home park owner. All accessory structures shall be established as part of an approved site plan.
(9)
Recreation. All manufactured home parks shall have at least 10 percent of the land area developed for recreational use by its residents. The recreational use shall be developed and maintained at the expense of the owner/operator.
(Ord. No.728, § 32, 12-21-2021)
(a)
Purpose. The purpose of this section is to allow for and regulate the location, placement, design, and use of Accessory Dwelling Units (ADU) that broadens the range of housing options in the city in a manner that mitigates impacts on surrounding properties while allowing additional housing unit density beyond a single-family home.
(b)
Definitions. The following words, terms and phrases, when used in this section, shall have the meanings ascribed to them in this subsection, except where the context clearly indicates a different meaning:
(1)
Accessory Dwelling Unit. A smaller, independent residential dwelling unit located on the same lot as a stand-alone single-family home.
(2)
Living Space. the area within a house which is suitable for human habitation including suitable finished basement areas but excluding garages, services areas and unfinished portions of the building.
(3)
Owner. The person who holds fee title or is a bona fide purchaser under a contract for deed of the property.
(4)
Attached ADU. An accessory dwelling unit which involves an addition to the principal structure of a lot to allow for the new secondary unit.
(5)
Internal ADU. An accessory dwelling unit in which a portion of the existing principal structure is converted for use as a new secondary unit.
(6)
Detached ADU. An accessory dwelling unit which is stand-alone from the principal structure, or which is incorporated into an existing stand-alone accessory structure.
(c)
General Regulations. Accessory dwelling units shall not be created or used except in conformity with the following requirements:
(1)
Accessory dwelling units shall only be allowed on lots zoned for R-1 or R-2 zoning and which have a single-family home present.
(2)
There shall be no more than one accessory dwelling unit allowed per lot.
(3)
The owner must have permanent residence established at the property and reside in either the principal or accessory dwelling.
(4)
A minimum of one additional off-street parking space shall be provided for the accessory dwelling unit in addition to those required for the principal dwelling. The creation of the accessory dwelling unit by conversion of garage space shall not reduce the home's provided off-street parking below the minimum requirements listed in Section 113-151 of zoning code.
(5)
Utility connections for the accessory dwelling unit shall be provided from the existing principal structure so long as adequate capacity exists or can be provided.
(6)
All other provisions of zoning code relating to single-family dwelling units shall be met, unless specifically amended by this code section.
(7)
Administration and Establishment
i.
Establishment of an accessory dwelling unit shall require an administrative review by City Staff in addition to any required permits relating to construction.
ii.
No accessory dwelling unit shall be created except in compliance with all applicable building, housing, electrical, plumbing, heating and related codes of the city;
iii.
An accessory dwelling unit shall not be leased or rented without first receiving a rental license from the City as regulated under Chapter 16, Article III of City Code.
iv.
The accessory dwelling unit shall not be sold independently of the principal residential dwelling and may not be a separate tax parcel.
(d)
Attached and Internal ADUs. Accessory dwelling units incorporated with the principal dwelling shall be subject to the following requirements.
(1)
Size Restrictions.
i.
The floor area of the accessory dwelling unit shall be no more than 35 percent of the home's gross living area, or 950 square feet, whichever is less. In the case of internal accessory dwelling units, the area being converted for use shall be included in this calculation of gross living area.
ii.
The accessory dwelling unit shall have a minimum floor area of 250 square feet.
(2)
Design Guidelines.
i.
Exterior changes to the home shall not substantially alter the single-family character of the structure.
ii.
Entrance to the accessory dwelling unit shall face either the side or rear yard.
(e)
Detached ADUs. Stand-alone accessory dwelling units shall be subject to the following requirements.
(1)
Approval.
i.
A detached accessory dwelling unit shall be permitted only via a conditional use permit, as defined in Sec. 113-30, unless the accessory dwelling unit is shown to meet the same side and rear setbacks as required of the principal structure, in which case ADU administrative approval is still required.
(2)
Location Restrictions.
i.
Detached accessory structures shall be located completely to the rear of the principal structure, unless it is built with frost footings. In that case, an accessory structure may be built no closer to the front setback than the principal structure.
ii.
A minimum lot size of 10,000 sq. ft. is required to establish a detached accessory dwelling unit.
iii.
Detached accessory dwelling units shall be located no less than ten feet from a side or rear lot line.
iv.
Detached accessory dwelling units shall be located no less than ten feet from the principal structure.
(3)
Size Restrictions.
i.
The floor area of the accessory dwelling unit shall be no more than 35 percent of the home's gross living area, or 950 square feet, whichever is less.
ii.
The accessory dwelling unit shall have a minimum floor area of 250 square feet.
iii.
Detached accessory dwelling units shall be restricted to a maximum height of 12 feet, as measured from the floor to the top horizontal component of a frame building to which the rafters are fastened (known as the "top plate").
iv.
The floor area of a detached accessory dwelling unit shall not count towards the maximum area limitation for accessory structures in the R-1 or R-2 zoning districts.
(4)
Design Guidelines.
i.
The detached accessory dwelling unit shall be designed and use materials which complement and match the existing principal dwelling.
ii.
Rooftop decks are not permitted in conjunction with a detached accessory dwelling unit.
iii.
Windowed dormers shall not face towards adjacent properties to the side or rear.
(Ord. No. 746, § 4, 11-2-2022)