Parking and vehicular circulation regulations.
A.
Parking requirements by use. In all zoning districts, off-street vehicle parking spaces shall be provided in accordance with the following requirements. In any case where specific requirements result in a fraction of a parking space the next larger whole number of spaces shall be required. In any case where specific requirements include the number of persons employed on the premises, the number persons employed in two shifts shall be used for calculating parking requirements when a use customarily exceeds nine hours of operation in a 24-hour period. Parking spaces shall be required as follows:
B.
Off-street loading requirements. All retail or wholesale sales, distribution, manufacturing and warehouse uses shall provide and maintain off-street facilities for the loading and unloading of merchandise and goods within the building or on the lot adjacent to a public alley or private service drive to facilitate the movement of traffic on the public street in addition to other parking requirements. Such space shall consist of a minimum area of ten feet by 25 feet and be provided as follows.
In cases of unusual design considerations, exemptions or modifications to the off-street loading requirements will be permitted only by approval of the planning and zoning commission.
C.
Stack space requirements. All business uses containing an automobile drive-in type ordering or service facility, whether manned or unmanned, shall provide automobile stack space in conjunction with the drive-in facility. Stack spaces shall be nine feet wide by 18 feet long and shall be located in a sequential arrangement oriented to the drive-in ordering or service area. The space occupied by an automobile placing an order or being served shall not be considered as a stack space. Required stack space(s) shall not be on any street right-of-way or alley, any necessary maneuvering area for parking spaces, within the general traffic circulation pattern of a parking lot, or a designated fire lane. Stack spaces may be situated in a straight alignment or in a curved pattern with functional radii. All stack space requirements shall be in addition to all parking space and loading requirements specified in section 90-17 A and B, above. Such stack spaces shall be provided as follows:
D.
General requirements.
1.
Parking requirements in all "SF", "RE", "MF", "MH", and "C" districts shall be provided behind the required front yard and second front yard setback.
2.
For the purpose of this section, an off-street parking space shall be a minimum of nine feet in width and 18 feet in length, plus off-street maneuvering space.
3.
For a single row of 90 degree head-in parking, the minimum width for a parking space plus aisle shall be 38 feet. For two rows of 90 degree head-in parking using the same aisle, the minimum width for parking spaces plus aisle shall be 56 feet (see Figure 4).
4.
For a single row of 60 degree head-in parking, the minimum width for parking space plus aisle shall be 34 feet. For two rows of 60 degree head-in parking, using the same aisle, the minimum width for parking spaces plus aisle shall be 52 feet (see Figure 4).
5.
For a single row of 45 degree head-in parking the minimum width for parking space plus aisle shall be 30 feet. For two rows of 45 degree head-in parking, using the same aisle, the minimum width for parking spaces plus aisle shall be 48 feet (see Figure 4).
6.
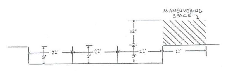
A single line of parking spaces may be provided parallel to an aisle provided they are at least 22 feet in length and nine feet in width and 22 feet of maneuvering space in front of and diagonal to the front most parallel parking space (see Figure 5).
7.
When driveways are less than 20 feet in width, marked separate entrances and exits shall be provided so that traffic shall flow in one direction only. Entrances and exits to an alley may be provided, if prior approval is obtained in writing from the city.
8.
When more than one aisle is provided, adequate internal circulation shall be provided between the aisles to allow movement between the aisles without using public right-of-way.
9.
No parking shall be allowed within an area measuring 18 feet square with one side of the square along a property line and a second side of the square along the width limit of a drive approach in any district. The above noted 18-foot square area of no parking shall be behind the property line and adjacent to the throat of a driveway. Attached hereto is Figure 6 which is incorporated in and made part of this chapter.
10.
Maneuvering space shall be completely off the right-of-way of a public street, place or court. Drives and parking areas, including one and two family dwellings, shall be asphalt, concrete, or other approved hard, all-weather surface, free of litter, debris, weeds, grass, or other objectionable material or objects. All parking requirements applying to a stated unit of measurement shall be understood to include a parking space for each unit or fraction thereof.
11.
Parking areas, which would require the use of public rights-of-way for maneuvering, shall not be acceptable other than for one and two family dwellings. Parking parallel to the curb on a public street shall not be substituted for off-street requirements.
Figure 5
PARALLEL PARKING LAYOUT
Figure 6
NO PARKING ADJACENT TO DRIVE APPROACH
12.
Nothing in this section shall require the furnishing of additional parking spaces for existing buildings to meet the requirements of this section for the existing use.
13.
When the occupancy of any building is changed to another use, parking shall be provided to meet the requirements of this section for the new use.
14.
For existing buildings, which are enlarged, parking spaces shall be required for the overall building.
15.
When permanent seating is not provided in any public assembly area, the occupant load shall be computed in accordance with current fire code regulations of the City of Kenedy as the fire code currently exists or may be amended in the future without requiring amendment to this chapter. The applicable parking requirement will then be calculated as if each occupant had a permanent seat.
16.
The location of ingress and egress driveways shall be subject to the approval of the administrative official under curb cut or laid down curb authorization procedures.
17.
Auxiliary parking may be used if sufficient parking is not available on the premises. A private parking lot may be provided within 500 feet, either on property zoned for that purpose or as approved by the planning and zoning commission under the following restrictions:
a.
The parking must be subject to the front yard setback requirements of the district in which it is located.
b.
The parking area must be hard surfaced and dust free.
c.
A minimum five-foot high screen type fence or planting must be provided on all sides for the protection of the adjacent properties zoned for residential use.
d.
Area lights must be directed away from adjacent properties and adjacent roadways.
18.
Handicapped parking spaces. In each parking facility in districts "MF", "C", "CBD", and "I", a portion of the total parking spaces available shall be specifically designed, located and reserved for vehicles licensed by the state for use by the handicapped. These spaces shall be provided according to the following schedule:
Each parking space designated for use by the handicapped shall consist of a rectangular area not less than 12 and one-half feet wide by 18 feet long, with a vertical clearance of seven and one-half feet, shall be located in an area not exceeding two percent slope, and shall be located near and convenient to a level or ramped entrance accessible to handicapped persons. Parking spaces for the handicapped shall be signed in accordance with state law and restricted for use by the handicapped only.
19.
Parking facilities shall meet the following safety standards.
a.
Safety barriers, protective bumpers or curbing shall be provided to prevent encroachment onto adjoining public or private property.
b.
Visibility of and between pedestrians, bicyclists, and motorists shall be assured when entering individual parking spaces, when circulating within a parking facility, and when entering and exiting a parking facility.
c.
Internal circulation patterns, and the location and traffic direction of all access drives, shall be designed and maintained in accordance with accepted principles of traffic engineering and traffic safety.
20.
Lighting. Lights provided to illuminate any parking facility or paved area shall, to the maximum extend feasible, be designed to reflect away from any residential use.
21.
Maintenance. All parking and loading facilities shall be maintained to assure desirability and usefulness of the facility. Such facilities shall be maintained free of refuse, debris, or other accumulated matter and shall at all times be available for the off-street parking or loading use for which they are required or intended.
22.
Drainage. All parking facilities shall be graded and provided with permanent storm drainage facilities, meeting the construction specifications set by the city engineer. Surfacing, curbing, and drainage improvements shall be sufficient to preclude the free flow of water onto adjacent properties or public streets or alleys, and to provide adequate drainage.
23.
Parking and storage of certain vehicles. Automotive vehicles or trailers meeting the definition of "junked vehicle" shall not be parked or stored on any property other than completely enclosed in a building in a lawful manner and is not visible from the street or other public or private property. Antique or special interest vehicles may be parked by a motor vehicle collector on the collector's property behind the front building line provided that the vehicle is parked on a concrete or asphalt surface at least nine feet by 18 feet in size, the area is maintained in an orderly manner and not a health hazard, and that the area is screened from ordinary public view by not less than a six-foot solid fence. Covering of a junked, antique or special interest vehicle by a tarp or other fabric cover alone is not sufficient to comply with the screening requirement herein. Parking or storage of all licensed trailers shall conform to requirements of major recreational equipment. All automotive vehicles or trailers of any kind shall be parked on a concrete or asphalt surface not less than nine feet by 18 feet. Use of an alternate all-weather hard surface may be approved only by the administrative official.
Parking and vehicular circulation regulations.
A.
Parking requirements by use. In all zoning districts, off-street vehicle parking spaces shall be provided in accordance with the following requirements. In any case where specific requirements result in a fraction of a parking space the next larger whole number of spaces shall be required. In any case where specific requirements include the number of persons employed on the premises, the number persons employed in two shifts shall be used for calculating parking requirements when a use customarily exceeds nine hours of operation in a 24-hour period. Parking spaces shall be required as follows:
B.
Off-street loading requirements. All retail or wholesale sales, distribution, manufacturing and warehouse uses shall provide and maintain off-street facilities for the loading and unloading of merchandise and goods within the building or on the lot adjacent to a public alley or private service drive to facilitate the movement of traffic on the public street in addition to other parking requirements. Such space shall consist of a minimum area of ten feet by 25 feet and be provided as follows.
In cases of unusual design considerations, exemptions or modifications to the off-street loading requirements will be permitted only by approval of the planning and zoning commission.
C.
Stack space requirements. All business uses containing an automobile drive-in type ordering or service facility, whether manned or unmanned, shall provide automobile stack space in conjunction with the drive-in facility. Stack spaces shall be nine feet wide by 18 feet long and shall be located in a sequential arrangement oriented to the drive-in ordering or service area. The space occupied by an automobile placing an order or being served shall not be considered as a stack space. Required stack space(s) shall not be on any street right-of-way or alley, any necessary maneuvering area for parking spaces, within the general traffic circulation pattern of a parking lot, or a designated fire lane. Stack spaces may be situated in a straight alignment or in a curved pattern with functional radii. All stack space requirements shall be in addition to all parking space and loading requirements specified in section 90-17 A and B, above. Such stack spaces shall be provided as follows:
D.
General requirements.
1.
Parking requirements in all "SF", "RE", "MF", "MH", and "C" districts shall be provided behind the required front yard and second front yard setback.
2.
For the purpose of this section, an off-street parking space shall be a minimum of nine feet in width and 18 feet in length, plus off-street maneuvering space.
3.
For a single row of 90 degree head-in parking, the minimum width for a parking space plus aisle shall be 38 feet. For two rows of 90 degree head-in parking using the same aisle, the minimum width for parking spaces plus aisle shall be 56 feet (see Figure 4).
4.
For a single row of 60 degree head-in parking, the minimum width for parking space plus aisle shall be 34 feet. For two rows of 60 degree head-in parking, using the same aisle, the minimum width for parking spaces plus aisle shall be 52 feet (see Figure 4).
5.
For a single row of 45 degree head-in parking the minimum width for parking space plus aisle shall be 30 feet. For two rows of 45 degree head-in parking, using the same aisle, the minimum width for parking spaces plus aisle shall be 48 feet (see Figure 4).
6.
A single line of parking spaces may be provided parallel to an aisle provided they are at least 22 feet in length and nine feet in width and 22 feet of maneuvering space in front of and diagonal to the front most parallel parking space (see Figure 5).
7.
When driveways are less than 20 feet in width, marked separate entrances and exits shall be provided so that traffic shall flow in one direction only. Entrances and exits to an alley may be provided, if prior approval is obtained in writing from the city.
8.
When more than one aisle is provided, adequate internal circulation shall be provided between the aisles to allow movement between the aisles without using public right-of-way.
9.
No parking shall be allowed within an area measuring 18 feet square with one side of the square along a property line and a second side of the square along the width limit of a drive approach in any district. The above noted 18-foot square area of no parking shall be behind the property line and adjacent to the throat of a driveway. Attached hereto is Figure 6 which is incorporated in and made part of this chapter.
10.
Maneuvering space shall be completely off the right-of-way of a public street, place or court. Drives and parking areas, including one and two family dwellings, shall be asphalt, concrete, or other approved hard, all-weather surface, free of litter, debris, weeds, grass, or other objectionable material or objects. All parking requirements applying to a stated unit of measurement shall be understood to include a parking space for each unit or fraction thereof.
11.
Parking areas, which would require the use of public rights-of-way for maneuvering, shall not be acceptable other than for one and two family dwellings. Parking parallel to the curb on a public street shall not be substituted for off-street requirements.
Figure 5
PARALLEL PARKING LAYOUT
Figure 6
NO PARKING ADJACENT TO DRIVE APPROACH
12.
Nothing in this section shall require the furnishing of additional parking spaces for existing buildings to meet the requirements of this section for the existing use.
13.
When the occupancy of any building is changed to another use, parking shall be provided to meet the requirements of this section for the new use.
14.
For existing buildings, which are enlarged, parking spaces shall be required for the overall building.
15.
When permanent seating is not provided in any public assembly area, the occupant load shall be computed in accordance with current fire code regulations of the City of Kenedy as the fire code currently exists or may be amended in the future without requiring amendment to this chapter. The applicable parking requirement will then be calculated as if each occupant had a permanent seat.
16.
The location of ingress and egress driveways shall be subject to the approval of the administrative official under curb cut or laid down curb authorization procedures.
17.
Auxiliary parking may be used if sufficient parking is not available on the premises. A private parking lot may be provided within 500 feet, either on property zoned for that purpose or as approved by the planning and zoning commission under the following restrictions:
a.
The parking must be subject to the front yard setback requirements of the district in which it is located.
b.
The parking area must be hard surfaced and dust free.
c.
A minimum five-foot high screen type fence or planting must be provided on all sides for the protection of the adjacent properties zoned for residential use.
d.
Area lights must be directed away from adjacent properties and adjacent roadways.
18.
Handicapped parking spaces. In each parking facility in districts "MF", "C", "CBD", and "I", a portion of the total parking spaces available shall be specifically designed, located and reserved for vehicles licensed by the state for use by the handicapped. These spaces shall be provided according to the following schedule:
Each parking space designated for use by the handicapped shall consist of a rectangular area not less than 12 and one-half feet wide by 18 feet long, with a vertical clearance of seven and one-half feet, shall be located in an area not exceeding two percent slope, and shall be located near and convenient to a level or ramped entrance accessible to handicapped persons. Parking spaces for the handicapped shall be signed in accordance with state law and restricted for use by the handicapped only.
19.
Parking facilities shall meet the following safety standards.
a.
Safety barriers, protective bumpers or curbing shall be provided to prevent encroachment onto adjoining public or private property.
b.
Visibility of and between pedestrians, bicyclists, and motorists shall be assured when entering individual parking spaces, when circulating within a parking facility, and when entering and exiting a parking facility.
c.
Internal circulation patterns, and the location and traffic direction of all access drives, shall be designed and maintained in accordance with accepted principles of traffic engineering and traffic safety.
20.
Lighting. Lights provided to illuminate any parking facility or paved area shall, to the maximum extend feasible, be designed to reflect away from any residential use.
21.
Maintenance. All parking and loading facilities shall be maintained to assure desirability and usefulness of the facility. Such facilities shall be maintained free of refuse, debris, or other accumulated matter and shall at all times be available for the off-street parking or loading use for which they are required or intended.
22.
Drainage. All parking facilities shall be graded and provided with permanent storm drainage facilities, meeting the construction specifications set by the city engineer. Surfacing, curbing, and drainage improvements shall be sufficient to preclude the free flow of water onto adjacent properties or public streets or alleys, and to provide adequate drainage.
23.
Parking and storage of certain vehicles. Automotive vehicles or trailers meeting the definition of "junked vehicle" shall not be parked or stored on any property other than completely enclosed in a building in a lawful manner and is not visible from the street or other public or private property. Antique or special interest vehicles may be parked by a motor vehicle collector on the collector's property behind the front building line provided that the vehicle is parked on a concrete or asphalt surface at least nine feet by 18 feet in size, the area is maintained in an orderly manner and not a health hazard, and that the area is screened from ordinary public view by not less than a six-foot solid fence. Covering of a junked, antique or special interest vehicle by a tarp or other fabric cover alone is not sufficient to comply with the screening requirement herein. Parking or storage of all licensed trailers shall conform to requirements of major recreational equipment. All automotive vehicles or trailers of any kind shall be parked on a concrete or asphalt surface not less than nine feet by 18 feet. Use of an alternate all-weather hard surface may be approved only by the administrative official.