- Parking and Loading Requirements
This Article establishes requirements for the amount, location, and design of off-street motor vehicle and bicycle parking and loading areas. As part of a balanced transportation system, these requirements are intended to promote public safety and environmental quality. Specifically, these requirements are intended to:
Mobility
· Balance the motor vehicle parking needs of development, including the range of land uses that might locate at a site over time, with the needs of pedestrians, bicyclists, transit users, and the need to preserve community character.
· Ensure that sufficient loading and unloading areas are provided for freight as well as for passengers and users of public transportation services.
· Ensure that the design of motor vehicle and bicycle parking areas facilitates safe, convenient, and comfortable movement for the driver, pedestrian, and bicyclist.
· Allow for transportation options and movement efficiency.
Flexibility
· Provide decision-making flexibility in addressing the parking needs of individual projects.
· Accommodate multiple uses of parking areas.
· Accommodate changing transportation technology and trends, as well as innovative uses of parking infrastructure.
Resource Conservation
· Encourage reduced driving and the use of alternative modes of transportation—thereby reducing traffic congestion, air pollution, and greenhouse gas emissions.
· Avoid installation of excess motor vehicle parking spaces.
· Minimize the use of impervious surfaces.
· Reduce the adverse environmental effects of motor vehicle parking areas, including increased and contaminated stormwater runoff, the urban heat island effect, and resource consumption.
Human-Scaled Urban Form
· Reduce the adverse effects of motor vehicle parking areas on neighborhood design, including the consumption of land for a low-value use; non-compact, sprawling development; and creation of an urban form that discourages walking.
· Ensure that the design of motor vehicle and bicycle parking areas is attractive, efficient, and reduces the visual dominance of pavement.
· Create pleasant neighborhoods designed at a human-scale for human needs (e.g., walking) vs. developments designed primarily around the needs of automobiles.
(Ord. No. 4407, § 1, 10-20-2009)
Every new land use shall have appropriately maintained off-street parking and loading facilities in compliance with the provisions of this Article.
(Ord. No. 4407, § 1, 10-20-2009)
Changes to or expansions of existing land uses shall have appropriately maintained off-street parking and loading facilities in compliance with the provisions of this Article as outlined below.
In order to determine if the change or expansion of the existing land use requires additional motor vehicle parking spaces, the number of parking spaces required by the existing land use (prior to the expansion or change) per Section 8108-4.7 below is compared to the number of parking spaces required by the change or expansion to the land use based on Section 8108-4.7 below, regardless of whether the existing use was established prior to or after adoption of this Article and regardless of the existing number of motor vehicle parking spaces at the land use.
(Ord. No. 4407, § 1, 10-20-2009)
When a change to or expansion of a land use does not require additional motor vehicle parking spaces per Section 8108-1.2 above, modifications to the existing parking spaces or parking area are not required, except that any required short-term bicycle parking must be installed.
(Ord. No. 4407, § 1, 10-20-2009)
a.
Land Uses that Meet Current Motor Vehicle Parking Space Requirements. Land uses that require additional motor vehicle parking spaces per Section 8108-1.2 above, and that meet the requirements in Section 8108-4.7 below for number of motor vehicle parking spaces, shall comply with the provisions of this Article as follows:
(1)
For land uses with fifty-two (52) or fewer existing motor vehicle parking spaces, and when four (4) or fewer new motor vehicle parking spaces are required, only the additional required motor vehicle parking spaces shall are required to comply with all the provisions of this Article. In addition, short-term bicycle parking requirements shall be met.
(2)
For land uses with fifty-two (52) or fewer existing motor vehicle parking spaces, and when five (5) or more new motor vehicle parking spaces are required, all provisions of this Article shall be met for the new and existing parking spaces and/or parking area.
(3)
For land uses with fifty-three (53) or more existing motor vehicle parking spaces, and when the number of additional motor vehicle parking spaces required is nine (9) percent or less of the existing number of motor vehicle parking spaces, only the additional required spaces are required to comply with all the provisions of this Article. In addition, short-term bicycle parking requirements shall be met.
(4)
For land uses with fifty-three (53) or more existing motor vehicle parking spaces, and when the number of additional motor vehicle parking spaces required is ten (10) percent or more of the existing number of motor vehicle parking, all provisions of this Article shall be met for the entire parking area.
b.
Land Uses that Do Not Meet Current Motor Vehicle Parking Space Requirements. Land uses that require additional motor vehicle parking spaces per Section 8108-1.2 above, and that do not meet the requirements in Section 8108-4.7 below for number of motor vehicle spaces, shall provide the additional motor vehicle parking spaces required by the change or expansion, and meet all other provisions of this Article for the new and existing parking spaces and/or parking area.
Exception. A single-family or two-family dwelling that does not meet current parking requirements for number of motor vehicle spaces may be expanded if all of the following conditions exist:
(1)
The dwelling has at least one (1) motor vehicle parking space; and
(2)
The existing lot configuration does not allow for a second space or does not allow for access to a second space; and
(3)
The driveway provides a minimum of twenty (20) feet from the property line to the existing covered space that can be utilized as a parking space; and
(4)
The proposed addition otherwise conforms to the provisions of this Chapter.
If the gross floor area of the dwelling, including the expansion but excluding garage space, will be one thousand (1,000) square feet or less, then compliance with (b)(1) and (b)(3) of this subsection is not required.
(Ord. No. 4407, § 1, 10-20-2009)
The Planning Director (Director) may waive or modify the requirements of this Article as indicated, but only if such modifications or waivers are supported by written findings of fact in the final project approval letter showing how the modification or waiver of parking or loading requirements for the particular project meets all of the following:
· Is consistent with the purposes of this Article and Section 8101-4.10 regarding Director interpretation of requirements and standards; and
· Will not adversely affect existing or potential land uses adjoining, or in the general vicinity of, the project site; and
· Is supported by substantial evidence in light of the whole record before the Director.
(Ord. No. 4407, § 1, 10-20-2009)
a.
Required covered and uncovered parking spaces shall be available for the temporary parking and maneuvering of vehicles as appropriate to the land use they are intended to serve unless otherwise provided herein.
b.
Required parking spaces shall not be converted to other uses or used for the sale, lease, display, repair, or storage of vehicles, trailers, boats, campers, mobilehomes, waste containers, merchandise, equipment, or any other use not authorized by the provisions of this Chapter.
c.
Required parking spaces at automobile repair providers, service stations, or similar land uses shall not be used for the storage of vehicles for repair or servicing.
d.
Multiple uses of parking areas, such as off-hours uses, are encouraged and may be approved if the primary purpose of the parking area is not compromised.
e.
Excess motor vehicle parking spaces may either remain as motor vehicle parking spaces or be converted to bicycle parking spaces, motorcycle parking spaces, landscaping, or other allowable uses.
(Ord. No. 4407, § 1, 10-20-2009)
The permittee and property owner must ensure that required parking and loading areas and associated facilities are permanently maintain in good condition as determined by the Director and in compliance with permit conditions. This maintenance requirement includes but is not limited to curbs, directional markings, accessible parking symbols, screening, pavement, signs, striping, lighting fixtures, landscaping, and trash and recyclables receptacles.
(Ord. No. 4407, § 1, 10-20-2009)
Required parking spaces shall be located on the same site as the building or land use they serve or off-site pursuant to Section 8108-3.3.1 below.
(Ord. No. 4407, § 1, 10-20-2009)
Off-site parking for non-residential land uses may be provided at a site remote from the land use if all of the following conditions can be met:
a.
The off-site parking area is located within five hundred (500) feet of the land use to be served. The distance from the off-site parking area to the land use to be served shall be measured along a sidewalk or other pedestrian pathway from the nearest off-site parking space to the nearest public entrance to the building.
(1)
Planning Director Waivers/Modifications. The Director may approve the provision of off-street parking spaces at a site more than five hundred (500) feet from the land use to be served if the applicant can demonstrate to the Director that such off-site parking will actually be used as intended. Evidence of this may be the provision of shuttle or valet service between the parking area and the land use to be served, or similar arrangements.
b.
The applicant provides documentation demonstrating that the off-site parking area is capable of meeting parking demand for both the land use to be served and any other land uses that may utilize the off-site parking area.
c.
The off-site parking area meets the design standards of Section 8108-5.
d.
The off-site parking area can be accessed easily from the primary land use and does not expose pedestrians to hazardous traffic safety conditions or create a traffic hazard.
e.
The number of off-site parking spaces assigned to the property to be served does not exceed the allowed number of parking spaces for the land use.
(Ord. No. 4407, § 1, 10-20-2009)
The following requirements shall apply whenever the motor vehicle parking required by this Article is not located on the same site as the land use it serves.
a.
The lot or part of a lot on which the parking is provided shall be legally encumbered by a recorded restrictive covenant to ensure continued use of the lot or part of a lot for motor vehicle parking. The restrictive covenant shall be recorded with the Ventura County Recorder so that it appears on the subject property's title. The restrictive covenant shall include the following provisions:
(1)
The County of Ventura must be named as the beneficiary of the restrictive covenant.
(2)
The restrictive covenant may not be released or terminated without the prior notice and written consent of the Director.
(3)
The restrictive covenant shall include the persons and addresses of the other land uses sharing the parking.
(4)
The restrictive covenant shall include the location and number of parking spaces that are being shared.
b.
If the lot designated for off-site parking is under different ownership from the subject lot, a legal contract between the property owners is required to evidence the existence of a contractual right to use the lot as an off-site parking area. Any such contract shall provide for and assign the responsibility for operating and maintaining the facility to the applicable party. The contract shall contain a provision that indemnifies and holds the County harmless from any and all claims or damages relating to the operation or maintenance of the parking area. The County of Ventura shall be named as an intended third party beneficiary to the contract.
c.
The owner of the property shall place and maintain permanent, weatherproof signs providing clear and easy-to-follow directions for access to and from the off-site parking location.
(1)
There shall be one (1) sign at each site or parking area entrance. The signs may be placed at building entrances or other appropriate locations if it is demonstrated that such placement would provide superior information to parking users.
(2)
Information on the signs shall be readable by a person seated in a vehicle at the nearest driveway. Use of graphics (e.g., maps and arrows) is encouraged to supplement written directions.
(3)
Signs shall be placed and designed pursuant to the provisions of Article 10 and are subject to approval by the Director.
(Ord. No. 4407, § 1, 10-20-2009)
The accessory parking and storage of commercial vehicles with a gross vehicle weight greater than ten thousand (10,000) pounds, including attendant trailers and/or equipment, is allowed in residential, agricultural, or open space zoned lots, but only if the applicant demonstrates one of the following:
a.
The vehicle is required for emergency purposes and is either a government vehicle or under contract to a governmental entity; or
b.
The lot on which the vehicle is located is at least one (1) acre in size and a waiver has been received pursuant to Section 8111-1.1.2; or
c.
The lot on which the vehicle is located is at least one (1) acre in size and the vehicle is parked in an enclosed structure; or
d.
The vehicle is used for agricultural production, shipping, or delivery associated with the agricultural land use on the lot on which the vehicle is located.
(Ord. No. 4407, § 1, 10-20-2009)
The installation of solar photovoltaic or hot water systems on canopies or other structures over parking areas/spaces is encouraged and allowable, but only if such structures do not violate any required setback, height, or building lot coverage restrictions, or obstruct any required fire apparatus access lanes. Solar structures shall be compatible in scale, materials, color, and character with the surrounding building(s) and background.
(Ord. No. 4407, § 1, 10-20-2009; Ord. No. 4618, § 5, 7-25-2023)
The installation of green roofs on structures over parking areas/spaces is encouraged and allowable, but only if such structures do not violate any required setback, height, or building lot coverage restrictions, or obstruct any required fire apparatus access lanes. Green roofs shall be compatible in scale, materials, color, and character with the surrounding building(s) and background. The use of any invasive or watch list species Division 8, Chapter 1 Ventura County Non-Coastal Zoning Ordinance (2-7-2023 edition) υ 8-6 as inventoried by the California Invasive Plant Council is prohibited. Green roof plant material and irrigation systems shall be installed pursuant to the MWELO where applicable (see Section 8106-8.2.1(b)).
(Ord. No. 4407, § 1, 10-20-2009; Ord. No. 4577 § 4, 3-9-2021; Ord. No. 4618, § 5, 7-25-2023)
a.
Except as otherwise provided, when calculating the number of required parking spaces results in a fraction, such fractions shall be rounded to whole numbers pursuant to Section 8101-4.8.
b.
When calculating required parking spaces based on gross floor area or sales and display area, areas used for parking are not included.
c.
Motor vehicle parking requirements may be increased or decreased by ten (10) percent from the basic rates shown in Section 8108-4.7 - Table of Parking Space Requirements by Land Use, but this adjustment shall be used only once. For example, determining if additional parking is required for a change to a land use involves comparing the parking required for the proposed use with the parking required for the current use. In this case, the basic parking rate may be adjusted by up to ten (10) percent for the proposed use or the current use, but not both.
d.
Whenever requirements (e.g., bicycle or carpool parking spaces) are based upon the number of motor vehicle spaces, these shall be calculated based on the number of required motor vehicle spaces before any subtraction of spaces has occurred for provision of motorcycle spaces, and after any adjustments pursuant to Section 8108-4.8.
e.
When the number of required parking spaces for motor vehicles or bicycles is calculated based upon the number of employees or students, and the number of employees or students is not known at the time of permit application, the Director shall determine the parking requirements based upon the gross floor area, type of land use, or other appropriate factors. The number of employees shall mean the number of employees on the largest shift and the number of students shall mean the maximum number of students expected onsite at any one time.
f.
When the number of required parking spaces is calculated based upon the number of seats and seats are provided by benches or the like, two (2) feet shall be considered one seat.
g.
When there are two (2) or more separate primary land uses on a site, the required number and type of off-street parking spaces shall be the sum of the requirements for the various individual land uses, unless otherwise provided for in Section 8108-4.6.
h.
Mechanical parking lifts may be used to meet motor vehicle parking requirements.
(Ord. No. 4407, § 1, 10-20-2009)
At least one (1) designated space for the parking of motorcycles or other two-wheeled motorized vehicles shall be provided for every twenty (20) automobile parking spaces provided. Every required motorcycle parking space provided shall count toward fulfilling one (1) required automobile parking space. Existing parking areas may be converted to take advantage of this provision, provided the converted spaces do not exceed the one (1) motorcycle space per twenty (20) automobile space ratio. Land uses that require additional motorcycle parking in excess of this ratio may, with Director approval, convert required automobile parking spaces to motorcycle spaces if the converted automobile spaces are designed and kept available for future conversion back to the automobile spaces.
(Ord. No. 4407, § 1, 10-20-2009)
A minimum number of bicycle parking spaces shall be provided, as set forth in Section 8108-4.7. Where there are two (2) or more separate primary land uses on a site, the required bicycle parking for the site is the sum of the required bicycle parking for each of the individual land uses.
(Ord. No. 4407, § 1, 10-20-2009)
The Director may reduce the number of required bicycle parking spaces when the applicant demonstrates that providing the otherwise required bicycle parking spaces is not practical because of the remote project location, or because the nature of the land use precludes the use of bicycle parking spaces. The Director may also defer the requirement to provide bicycle parking spaces, but only if the subject permit includes an enforceable commitment by the property owner to supply such deferred bicycle parking spaces as may be needed in the future.
(Ord. No. 4407, § 1, 10-20-2009)
Accessible parking for disabled persons shall be provided in compliance with the California Building Standards Code (California Code of Regulations, Title 24) and the Americans with Disabilities Act. Accessible parking is included in the total number of motor vehicle parking spaces required by this Article.
(Ord. No. 4407, § 1, 10-20-2009)
The requirement to provide carpool parking spaces is intended to encourage carpooling, but should not result in parking spaces that consistently go unused.
a.
Number of Spaces. For all land uses, one (1) carpool or vanpool parking space shall be provided for every thirty-five (35) employees employed at the site. Carpool or vanpool parking spaces shall be reserved until one (1) hour after the employees' work shift begins, after which they may be open to single-occupancy vehicles. In addition, for professional, vocational, art and craft schools, colleges, universities and the like, one (1) out of every twenty-five (25) student parking spaces on a site shall be reserved for carpool or vanpool parking at all times. This requirement does not preclude designation of more than the minimum required number of carpool spaces.
b.
Signs. Signs shall be posted clearly indicating carpool and vanpool restrictions.
c.
Planning Director Waivers/Modifications. The Director may modify or waive carpool parking requirements when the applicant demonstrates that the nature of the land use precludes carpooling.
(Ord. No. 4407, § 1, 10-20-2009)
Shared use of required motor vehicle parking spaces is allowable where two (2) or more land uses on the same or separate sites are able to share the same parking spaces because their parking demands occur at different times. Shared use of required parking spaces may be allowed if an analysis is provided to the satisfaction of the Director, using an authoritative methodology, documenting the parking demand for each land use by hour-of-day, showing that the peak parking demands of the land uses occur at different times, and demonstrating that the parking area will be large enough for the anticipated demands of all the land uses that utilize the shared parking area. The lot or part of a lot on which the parking is provided shall be legally encumbered by a recorded restrictive covenant to ensure continued availability of the shared parking spaces for all the land uses that utilize the shared parking area. When shared parking is provided at an off-site location, the requirements of Section 8108-3.3.2 shall be met.
(Ord. No. 4407, § 1, 10-20-2009)
The table below indicates the number of required off-street motor vehicle and bicycle parking spaces that shall be provided for various land uses. For non-residential land uses, the number of motor vehicle parking spaces set forth in the table, plus or minus ten (10) percent of the total, represents the minimum required and the maximum allowed number of spaces, unless varied pursuant to Section 8108-4.8 below. For residential land uses the number of motor vehicle parking spaces set forth in the table represents the minimum required number of spaces, unless varied pursuant to Section 8108-4.8 below.
The number of motor vehicle parking spaces required in this Section is intended to address the needs of residents, employees and regular users of an establishment. The number is not intended to reflect the need for parking large delivery trucks, vans or buses; storage of vehicle inventory; or other specialty parking needs related to the operation of specific land uses.
The Director has the authority to determine the parking space requirements for any land use not specifically listed based on the requirements for the most comparable land use.
ST: Short-term bicycle parking spaces, generally bike rakes.
LT: Long-term bicycle parking spaces, generally enclosed lockers.
1 Pursuant to Sec. 8107-1.7.5(c)(3), when a garage, carport, or covered parking structure is demolished in conjunction with the construction of an ADU or converted to an ADU, those off-street parking spaces do not need to be replaced.
2 Except that on parcels larger than 1 acre located in OS, AE, RA, RE, RO, and TP zones, parking may be uncovered.
(Ord. No. 4407, § 1, 10-20-2009; Ord. No. 4507, § 4, 3-14-2017; Ord. No. 4519, § 5, 4-18-2017; Ord. No. 4596, § 4, 3-1-2022; Ord. No. 4615, § 4, 2-7-2023; Ord. No. 4624, § 5, 1-9-2024; Ord. No. 4641, § 5, 12-17-2024)
Parking for multi-family dwelling units shall be covered, except for visitor parking, and all parking on parcels larger than one (1) acre in the OS, AE, RA, RE, RO, and TP zones. The number of required spaces depends upon both the number of bedrooms and whether provided parking is assigned or unassigned, as indicated in the table below.
(Ord. No. 4407, § 1, 10-20-2009)
The Director may adjust the number of off-street parking spaces required in Section 8108-4.7 by up to twenty (20) percent for a particular project so that the parking supply of individual land uses better corresponds with actual parking demand, but only if such an adjustment to the required parking spaces is commensurate with the land use's demonstrated parking demand and pursuant to the requirements below.
(Ord. No. 4407, § 1, 10-20-2009)
An applicant may use one (1) or more of the following measures and approaches to justify a reduction in the number of required motor vehicle parking spaces. Additional justifications may be considered by the Director or designee.
a.
Parking Study. Applicant funds and provides a parking study to assess the land use's parking needs. Parking studies shall be prepared by a person/firm qualified to prepare such studies, as determined by the Director.
b.
Transportation Demand Management Plan. Applicant funds and prepares a Transportation Demand Management plan to reduce motor vehicle trips to the land use. Transportation Demand Management plans shall be prepared by a person/firm qualified to prepare such plans, as determined by the Director. Such plans shall provide documentation describing the measures that will be used to reduce parking demand. Such measures may include, but are not limited to:
(1)
Locating a project within one thousand five hundred (1,500) feet of a stop for bus, rail, shuttle, or other public transit services.
(2)
Installing transit stops or enhancing existing adjacent transit stops by incorporating additional landscaping, shelters, informational kiosks, or other amenities.
(3)
Locating the project adjacent to a designated bicycle route or path.
(4)
Improving existing bicycle routes and paths in the vicinity of the project.
(5)
Providing employees with a parking cash-out option.
(6)
Providing residents or employees with transit passes.
(7)
Providing shuttle services for employees, visitors, or residents.
(8)
Creating ridesharing programs.
(9)
Charging for parking.
(10)
Improving the pedestrian environment surrounding the project by the provision of sidewalks, marked crosswalks, additional landscaping, street furniture, lighting, and/or other safety features.
(11)
Allowing flexible work schedules or telecommuting.
(12)
Providing on-site amenities, which could include daycare, restaurants, and/or personal services such as banking or dry cleaning.
(13)
Installing additional bicycle parking facilities above the minimum requirements. Requirements for this reduction include:
i.
Bicycle parking spaces shall meet the short- and long-term bicycle parking standards outlined in Section 8108-6.
ii.
For every four (4) bicycle parking spaces provided above the minimum requirement, the amount of motor vehicle parking spaces provided may be reduced by one (1) space, up to a maximum reduction of six (6) percent of required motor vehicle spaces. Existing parking may be converted to take advantage of this provision.
(14)
Providing shower and locker facilities. The provision of showers and associated lockers may be provided in lieu of required motor vehicle parking under some circumstances. Requirements for this reduction include:
i.
The number of showers provided shall be based on demonstrated demand. At least six (6) lockers for personal effects shall be provided per shower and shall be located near showers and dressing areas. Lockers shall be well ventilated and of a size sufficient to allow the storage of cycling attire and equipment. Showers and lockers should be located as close as possible to the bicycle parking facilities.
ii.
For every two (2) showers (one (1) per gender) and six (6) clothing lockers per shower provided, the amount of motor vehicle parking spaces provided may be reduced by three (3) spaces, up to a maximum reduction of three (3) percent of required motor vehicle spaces. Existing parking may be converted to take advantage of this provision.
(15)
Other measures to encourage transit use or to reduce parking needs.
c.
Affordable or Senior Housing. The total number of spaces required may be reduced for affordable (low income, very low income, extremely low income) or senior housing units, commensurate with the reduced parking demand created by the housing facility, including for visitors and accessory facilities. The reduction shall consider proximity to transit and support services and the Director may require traffic demand management measures in conjunction with any approval.
d.
Drive-Through Land Uses. A reduction in the required number of parking spaces may be approved if documentation is provided which demonstrates to the satisfaction of the Director that the required number of parking spaces will not be needed due to the drive-through nature of the land use.
e.
On-Street Parking. The availability of on-street parking spaces contiguous with the proposed land use's parcel(s) may be considered by the Director in approving a request to reduce the required number of off-street parking spaces.
f.
Parking Reserve. When parking spaces required by this Article are not needed by the current land use occupants or are not needed in the current phase of development, the land for those spaces may be held in reserve. For non-residential land uses this parking reserve shall be limited to one (1) parking space or up to ten (10) percent of the total number of required parking spaces, whichever is greater. The parking reserve area shall be included in the determination of lot coverage as though the spaces were in use. To take advantage of reserved parking, the following provisions shall be met:
(1)
The applicant must demonstrate that the reduced number of parking spaces will be adequate to provide sufficient parking for the land uses on the property.
(2)
The area designated as reserve parking must be clearly depicted on the approved site plan, and the terms and conditions of the reserved parking shall be clearly set forth in the approved site plan notations.
(3)
For nonresidential land uses, landscaping must be provided in lieu of the required parking spaces in compliance with Section 8108-5.14 and Section 8106-8.2.
(4)
The reserved parking spaces must be maintained in a manner that leaves them available for conversion to required parking spaces. No above-ground improvements shall be placed or constructed upon the reserve parking area.
(5)
The permit shall be conditioned to require the conversion of the reserved spaces into usable parking spaces at any time that the Director determines necessary.
(Ord. No. 4407, § 1, 10-20-2009; Ord. No. 4577 § 4, 3-9-2021)
The applicant shall provide documentation that describes the proposed parking reduction and identifies the parties responsible for implementing any parking measures associated with the proposed reduction. The documentation shall discuss the estimated parking demand for the land use, describe how parking demand will be met with the requested reduction, explain how the proposed measures will effectively decrease parking demand at the site, and include proposed performance targets for parking. Documentation shall demonstrate how adjusting the amount of parking provided will not impact neighboring or nearby land uses. Required documentation shall include information regarding specific parking reduction measures as described in Section 8108-4.8.1. Required documentation may also include existing parking counts, parking counts at similar land uses, and calculation of future parking demand based on industry standards.
a.
Monitoring Reports. Monitoring reports shall be submitted to the Director three (3) years after building occupancy and again six (6) years after building occupancy. Monitoring reports shall note the effectiveness of the proposed measures as compared to the initial performance targets, and provide suggestions for modifications if necessary to enhance parking and/or trip reductions. Where the monitoring reports indicate that performance measures are not met, the Director may require further program modifications or the provision of additional parking.
b.
Recordation. As a condition of approval of the parking reduction, the property owner, if different than the applicant, may be required to record agreements or restrictive covenants on the subject property prior to issuance of a land use permit to ensure that appropriate measures are implemented to justify the parking reduction.
(Ord. No. 4407, § 1, 10-20-2009)
In order for the Director to approve an increase to the number of parking spaces provided for a land use over the number of motor vehicle parking spaces required by Section 8108-4.7, both of the following provisions must be met:
a.
Parking Study. Applicant funds and provides a parking study demonstrating that the number of motor vehicle parking spaces required by Section 8108-4.7 is inadequate for the land use. Parking studies shall be prepared by a person/firm qualified to prepare such studies as determined by the Director.
b.
Other Options Explored. The project applicant provides documentation to the Director demonstrating that the applicant has fully explored all other options for meeting parking demand without increasing the number of parking spaces, including utilizing shared parking, remote parking, and demand reduction measures.
(Ord. No. 4407, § 1, 10-20-2009)
The following standards shall apply to all proposed off-street motor vehicle parking areas/spaces, except for temporary parking areas.
(Ord. No. 4407, § 1, 10-20-2009)
Applications for land use developments that include parking areas shall include a detailed parking plan(s) with a corresponding preliminary grading and drainage plan. These plans shall be prepared by a California-licensed civil engineer, and shall clearly illustrate compliance with all applicable requirements of this Article. The applicant shall submit these plans to the Public Works Agency Director and the Building and Safety Division Director for their approval prior to issuance of any land use entitlement.
(Ord. No. 4407, § 1, 10-20-2009)
Parking area design shall be in compliance with the Division 7 of the California Water Code, and in accordance with conditions and requirements established by Ventura County's National Pollutant Discharge Elimination System (NPDES) Permit and Ventura County Stormwater Quality Management Ordinance No. 4142. Larger parking areas may be required to submit a hydrology and hydraulics report to the Public Works Agency to demonstrate compliance with stormwater management requirements. Parking area design should incorporate methods of accommodating infiltration or filtration of stormwater onsite through use of pervious pavements, vegetated drainage swales, bioretention areas, tree box filters, dry swales, or other means.
(Ord. No. 4407, § 1, 10-20-2009)
Off-street parking areas and spaces shall be located in the following manner:
(Ord. No. 4407, § 1, 10-20-2009)
To promote attractive urban form and facilitate pedestrian circulation, the preferred location of required parking areas (when provided above ground) relative to the street is as follows:
· First priority: To the rear of buildings or land uses.
· Second priority: To the side of buildings or land uses.
· Last priority: In front of buildings or land uses.
(Ord. No. 4407, § 1, 10-20-2009)
Parking in setbacks is limited by Sections 8106-5.3, 8107-1.7(f), and 8108-1.2.2(b) of this Chapter. Except as provided for in these sections, required uncovered single or two-family residential parking spaces shall not be located within the front set back.
(Ord. No. 4407, § 1, 10-20-2009)
Motorcycle parking spaces shall be located as close as practical to the building entrance, but not closer than the spaces for disabled persons.
(Ord. No. 4407, § 1, 10-20-2009)
Carpool parking spaces shall be located as close as practical to the building entrance, but not closer than the spaces for disabled persons.
(Ord. No. 4407, § 1, 10-20-2009)
See Section 8108-6.3.
(Ord. No. 4407, § 1, 10-20-2009)
a.
Parking areas are prohibited in Federal Emergency Management Agency (FEMA) designated regulatory floodways.
b.
Parking areas located in a FEMA designated one (1) percent annual chance floodplain (100-year floodplain) are subject to special design requirements pursuant to the Ventura County Floodplain Management Ordinance as administered by the Public Works Agency and Watershed Protection District. These requirements may include, but are not limited to, flood warning signage, design measures to contain motor vehicles in the parking area in the event of a flood, special lighting, mechanical and electrical system design requirements, and fencing restrictions.
(Ord. No. 4407, § 1, 10-20-2009)
Cross access is encouraged between adjacent sites in commercial, industrial, and multi-family housing developments. A joint cross access agreement between two (2) or more participating adjacent property owners must be executed where cross access is provided so that cross access between the properties is legally established, enforceable and maintained. This joint cross access agreement must be approved by the Director, recorded by the parties to the agreement and run with the respective properties.
(Ord. No. 4407, § 1, 10-20-2009)
a.
Parking areas serving commercial, institutional, and multifamily dwelling land uses shall not impede safe and direct pedestrian access from the street or sidewalk to building entrances.
b.
At least one (1) pedestrian pathway shall be provided from the street or sidewalk to the primary building entrance. If not completely separated from vehicular traffic, pedestrian pathways shall be clearly designated using a raised surface, distinctive paving, bollards, special railing, or similar treatment. Such pathways shall be in compliance with the California Building Standards Code (California Code of Regulations, Title 24) and the Americans with Disabilities Act. Pathways shall be designed to have minimal direct contact with traffic and prevent parked vehicles from overhanging the pathways. The use of pervious surface materials for pedestrian pathways is encouraged.
c.
Where feasible, parking rows shall be perpendicular to the main building entrance(s) or main pedestrian pathway(s) to assist safe pedestrian movement toward the building.
d.
Where cross access is provided, it shall be designed, established, and maintained so that internal drive aisles, parking spaces, and pedestrian paths assure safe pedestrian access to adjacent land uses, and adjacent parking areas.
e.
Where pedestrian routes cross driveways such crossings shall be clearly marked.
f.
If parking is designed to allow vehicle overhang into a pedestrian pathway, the pathway width shall be increased by at least two (2) feet. Pedestrian pathways adjacent to a building shall be in compliance with the California Building Standards Code (California Code of Regulations, Title 24) and the Americans with Disabilities Act.
(Ord. No. 4407, § 1, 10-20-2009; Ord. No. 4639, § 7, 12-17-2024)
Approved fire apparatus access roads shall be provided when required by the Ventura County Fire Protection District. Generally this requirement is triggered when any facility or portion of the exterior walls of the first story of a building is located more than one hundred fifty (150) feet from an existing public street or approved fire apparatus access driveway. For the purposes of this requirement, the term facility includes recreational vehicles, mobilehome and manufactured housing parks, and sales and storage lots.
(Ord. No. 4407, § 1, 10-20-2009)
All internal circulation and queuing areas shall be designed to accommodate the turning radii of the vehicles that will be using the site, pursuant to the design criteria of the American Association for State Highway and Transportation Officials (AASHTO) and/or Institute of Transportation Engineers (ITE).
(Ord. No. 4407, § 1, 10-20-2009)
Parking areas shall be designed so that motor vehicles will exit onto a public street in a forward direction, unless approved otherwise by the Public Works Agency Transportation Director. Circulation of vehicles among parking spaces shall be accomplished entirely within the parking area. The Director may waive or modify this requirement in consultation with the Public Works Agency Transportation Director when the applicant can demonstrate that it is not appropriate to the land use or location.
(Ord. No. 4407, § 1, 10-20-2009)
Parking areas should be divided both visually and functionally into smaller parking courts. Interior rows of parking spaces shall be no more than two hundred seventy (270) feet in length, inclusive of landscape planters but not including cross aisles or turnarounds. The Director may waive or modify this requirement when the applicant can demonstrate that it is not appropriate to the land use or location.
(Ord. No. 4407, § 1, 10-20-2009)
Dead-end drive aisles shall be avoided or otherwise minimized.
(Ord. No. 4407, § 1, 10-20-2009)
Maneuvering areas within parking areas shall be clearly marked with directional signs or painted arrows to ensure the safe and efficient flow of vehicles, bicycles, and pedestrians.
(Ord. No. 4407, § 1, 10-20-2009)
a.
Portion Within Right-of-Way: Driveway width shall be the minimum necessary to provide access to the land use consistent with the Ventura County Road Standards, Ventura County Fire Protection District requirements, or the latest edition of Caltrans' Standard Plans, as appropriate.
b.
Portion Outside Right-of-Way: Driveway widths shall be minimized where possible.
(Ord. No. 4407, § 1, 10-20-2009)
Each site is limited to one (1) driveway unless the Public Works Agency Transportation Director determines that more than one (1) driveway is required to handle traffic volumes or specific designs, such as residential circular driveways. Additional driveways shall not be allowed if they are determined to be detrimental to traffic flow and the safety of adjacent public streets. Whenever a property has access to more than one (1) road, access shall be limited to the lowest traffic-volume road whenever possible.
(Ord. No. 4407, § 1, 10-20-2009)
The number of driveways should be minimized where feasible by the use of shared driveways between adjacent properties. A joint access agreement between two (2) or more participating adjacent property owners must be executed where driveways are shared, so that shared driveway access by the properties is legally established, enforceable and maintained. This joint access agreement must be approved by the Director, recorded by the parties to the agreement properties and run with the respective properties.
(Ord. No. 4407, § 1, 10-20-2009)
Parking areas shall be designed to prevent entrance or exit at any point other than driveways. Appropriate barriers and entrance and exit signs shall be provided within parking areas. Stop signs that comply with Manual on Uniform Traffic Control Devices (MUCTD) standards and shall be installed at all exits from parking areas.
The Director may waive or modify motor vehicle parking design standards when the applicant can demonstrate that the required motor vehicle parking design standard is not appropriate to the land use or location.
(Ord. No. 4407, § 1, 10-20-2009)
Ninety-degree parking, which uses the least amount of pavement per parking space, is preferred wherever possible.
(Ord. No. 4407, § 1, 10-20-2009)
Each standard parking space shall be nine (9) feet wide by eighteen (18) feet long, with the following exceptions:
a.
The length of the parking space to be decreased by two (2) feet where parking spaces face into landscape planters so that the concrete curb around the planter functions as the wheel stop, allowing motor vehicles to overhang the landscape planter. Use of such a bumper overhang reduces impervious surfaces and is encouraged. Plant material and irrigation equipment in the outside two (2) feet of these landscape planters shall conform to the requirements of Section 8108-5.14. Utilization of a bumper overhang shall not allow a vehicle to extend into or over a pedestrian pathway or drive aisle.
b.
Required parking space dimensions do not apply if mechanical parking lifts are used to stack cars.
c.
The width of parking spaces may be reduced to eight (8) feet on legal lots that are less than twenty-six (26) feet wide and where two (2) or more parking spaces are required.
d.
The Director may approve an increase to the width or length of parking spaces for land uses that cater to larger vehicles such as trucks, shuttles, or vans.
e.
Parking space width shall be increased by six (6) inches to nine (9) feet six (6) inches (one hundred fourteen (114) inches) if adjacent on one (1) side to a wall, fence, hedge, or structure; and by one (1) foot six (6) inches to ten (10) feet six (6) inches (one hundred twenty-six (126) inches) if adjacent on both sides to a wall, fence, hedge, or structure.
(Ord. No. 4407, § 1, 10-20-2009)
Each motorcycle parking space shall be a minimum of four (4) feet wide by eight (8) feet long.
(Ord. No. 4407, § 1, 10-20-2009)
Up to thirty (30) percent of the total parking spaces required for low-turnover, nonretail parking areas serving primarily employees, residents, or students may be provided as compact spaces. Each compact space shall be a minimum of eight (8) feet six (6) inches wide by sixteen (16) feet long and be clearly designated for compact vehicles.
(Ord. No. 4407, § 1, 10-20-2009)
The minimum size of a parallel parking space shall be eight (8) feet six (6) inches wide by twenty-two (22) feet long.
(Ord. No. 4407, § 1, 10-20-2009)
See Section 8108-6—Bicycle parking design standards.
(Ord. No. 4407, § 1, 10-20-2009)
At least one (1) floor in parking structures shall be designed with a minimum height of eight (8) feet three (3) inches to allow for vanpool vehicles and accessible parking for disabled persons.
(Ord. No. 4407, § 1, 10-20-2009)
Where drive aisles terminate at a dead-end, adequate provision shall be made for vehicles to turn around. Depending on the situation, this may be satisfied by provision of at least six (6) feet between the end of parking rows and the end of the drive aisle.
(Ord. No. 4407, § 1, 10-20-2009)
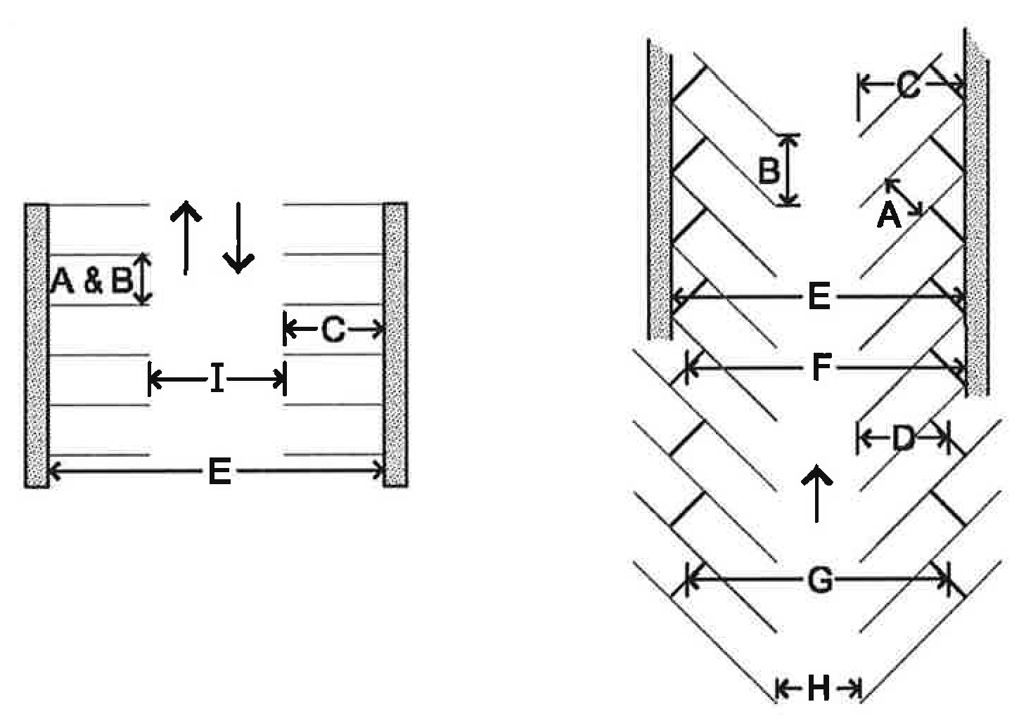
Parking area drive aisles and modules shall be designed following the standard dimensions included in the table in Section 8108-5.6.11 and the figure in Section 8108-5.6.12 and as required to meet Section 8108-5.4. The Director may approve wider aisles when appropriate for truck maneuvering. Two-way aisles are permitted in conjunction with 90-degree and parallel spaces only.
(Ord. No. 4407, § 1, 10-20-2009)
1 Parking area design for full rows of compact spaces shall be reviewed on a case-by-case basis.
(Ord. No. 4407, § 1, 10-20-2009)
Required parking may be provided in tandem for residential land uses with the following restrictions:
a.
Tandem parking shall not be more than two (2) cars in depth.
b.
Both tandem spaces shall serve the same dwelling unit.
c.
For multi-family residential dwellings, tandem parking may be provided to meet up to fifty (50) percent of the required parking spaces.
(Ord. No. 4407, § 1, 10-20-2009)
Accessible parking spaces for disabled persons shall be in compliance with the California Building Standards Code (California Code of Regulations, Title 24) and the Americans with Disabilities Act requirements for slope. All other parking spaces shall slope no more than five (5) percent in any direction and no less than 0.5 percent in the direction of drainage. The slope in drive aisle and turnaround areas shall be no more than ten (10) percent.
(Ord. No. 4407, § 1, 10-20-2009)
The Director, in consultation with the Public Works Agency Transportation Director, may modify slope requirements, but not for disabled person accessible parking spaces, when appropriate given site constraints.
(Ord. No. 4407, § 1, 10-20-2009)
a.
The surface of all required uncovered off-street motor vehicle parking spaces, aisles, driveways and loading areas shall be constructed and maintained with permanent all-weather, load-bearing pervious or impervious surfacing material sufficient to prevent mud, dust, loose material, and other nuisances. The use of pervious surfaces is encouraged to facilitate on-site infiltration of stormwater. To reduce heat generation from parking area surfaces, the use of light-colored/high-albedo surfaces is encouraged.
b.
The surface of fire apparatus access driveways shall meet the requirements of the Ventura County Fire Protection District.
c.
The surface of the portion of driveways in the right-of-way shall meet the requirements of the Ventura County Road Standards or the latest edition of Caltrans' Standard Plans, as appropriate.
d.
Ribbon driveways outside of the right-of-way may be installed as an alternative to fully paved driveways, subject to the approval by the Ventura County Fire Protection District.
(Ord. No. 4407, § 1, 10-20-2009)
When pervious surfaces are used, the parking area plans shall document that:
a.
The pervious materials have been designed to support anticipated vehicle weights and traffic volumes.
b.
The pervious materials have been designed to minimize surface cracking, crumbling, eroding, and other maintenance problems for the pervious surface as well as any adjacent surfaces or structures.
c.
Pervious surfaces used for parking spaces in single- and two-family dwellings or other parking lots with less than five (5) spaces are not subject to the above documentation requirements.
(Ord. No. 4407, § 1, 10-20-2009)
Parking spaces within parking areas shall be clearly marked with paint striping or another durable, easily distinguishable marking material. Space marking shall be maintained in good condition.
(Ord. No. 4407, § 1, 10-20-2009)
Parking areas surfaced with gravel or other aggregate materials are exempt from space marking requirements.
(Ord. No. 4407, § 1, 10-20-2009)
Clear visibility of and between pedestrians, bicyclists, and motorists shall be assured when entering individual parking spaces, when circulating within a parking area, and when entering and exiting a parking area.
a.
Each driveway shall be constructed and maintained pursuant to the sight distance requirements of the Ventura County Road Standards or Caltrans, as appropriate.
b.
Landscaping at any interior parking area intersection shall not obstruct a driver's vision of vehicle and pedestrian cross traffic.
c.
With the exception of trees, landscaping adjacent to pedestrian pathways shall be no more than three (3) feet in height.
(Ord. No. 4407, § 1, 10-20-2009)
Lighting shall be provided for all parking areas in compliance with Section 8106-8.6 and the following:
a.
Parking areas that serve night-time users shall be lighted with a minimum one (1) foot-candle of light at ground level for security.
b.
All lights in parking areas that serve non-residential land uses, except those required for security per subsection (a) above, shall be extinguished at the end of the working day. Lights may be turned on no sooner than one (1) hour before the commencement of working hours.
c.
Light poles shall be located so as not to interfere with motor vehicle door opening, vehicular movement or accessible paths of travel. To the extent possible light poles shall be located away from existing and planned trees to reduce obstruction of light by tree canopies. Light poles shall be located outside of landscape finger planters, end row planters, and tree wells. Light poles may be located in perimeter planters and continuous planter strips between parking rows.
d.
Any light fixtures adjacent to a residential land use or residentially zoned lot shall be arranged and shielded so that the light will not directly illuminate the lot or land use. This requirement for shielding applies to all light fixtures, including security lighting.
e.
In order to direct light downward and minimize the amount of light spilled into the dark night sky, any new lighting fixtures installed to serve above-ground, uncovered parking areas shall be full cut-off fixtures as defined by the Illuminating Engineering Society of North America (IESNA). New lighting fixtures installed for parking area canopies or similar structures shall be recessed or flush-mounted and equipped with flat lenses.
(Ord. No. 4407, § 1, 10-20-2009)
At least one (1) trash and one (1) recyclables receptacle shall be provided for parking area users for the first twenty (20) motor vehicle parking spaces, and one (1) trash and one (1) recyclables receptacle for every eighty (80) spaces thereafter. Receptacles shall be enclosed to prevent access by animals and wind, placed in convenient, high-visibility locations, and serviced and maintained appropriately.
(Ord. No. 4407, § 1, 10-20-2009)
Editor's note— Ord. No. 4577 § 4, adopted March 9, 2021, amended Section 8108-5.14 in its entirety, repealing § 8108-5.14.3 pertaining to landscape plans and renumbering 8108-5.14.4—8108-5.14.9 as 8108-5.14.3—8108-5.14.8, as herein set out. Historical notation has been retained for reference purposes.
These landscaping and screening requirements are intended to:
• Reduce potential negative effects of parking areas on adjacent land uses.
• Provide visual relief from pavement and motor vehicles.
• Soften and screen parking area edges.
• Provide a visual barrier between vehicle headlights and street traffic.
• Mitigate atmospheric heating from pavement through shading.
• Create pleasant pedestrian conditions.
• Provide retention, filtration and/or infiltration of stormwater.
• Channel and define logical areas for pedestrian and vehicular circulation.
(Ord. No. 4407, § 1, 10-20-2009; Ord. No. 4577 § 4, 3-9-2021)
a.
Unless otherwise noted herein, all parking areas shall comply with the landscaping and screening requirements of this Section and Sections 8106-8.2.1, 8106-8.2.2, 8106-8.2.3, and 8106-8.2.8. Section 8106-8.2.7 shall apply to any parking areas containing manufactured slopes. Underground parking is exempt from these requirements.
b.
Planning Director Waivers/Modifications. The Planning Director or designee may grant modifications and waivers to landscaping requirements where existing structures or irregularly configured lots preclude implementation of the requirements, or where compliance would result in the loss of existing required parking spaces due to site size restrictions. The Planning Director or designee shall seek a compromise between reducing the amount of required parking and reducing the amount of required landscaping. Wherever possible, at least some landscaping shall be required. Water use efficiency must be incorporated into all landscape designs. Any modification or waiver shall meet or exceed the requirements of the MWELO, when it is applicable to the project (see Section 8106-8.2.1(b)). In granting modifications, the Planning Director or designee shall prioritize the provision of landscaping as follows: (1) First priority—the provision of landscape screening adjacent to streets and (2) Second priority—the provision of shade trees.
The Planning Director or designee may allow the following modifications where there are space constraints or other unique circumstances associated with the site:
(1)
Perimeter Landscaping and Screening, Adjacent to Streets. The Director may allow the use of smaller perimeter planters or waive these requirements, except there shall be no waiver of these requirements for any project that is located across the street from residential zones or land uses.
(2)
Interior Landscaping. If the applicant can demonstrate that compliance with interior landscaping requirements would result in the loss of existing required parking spaces, the Director may modify the interior landscaping requirement. Whenever feasible, the Director shall require a minimum of some interior landscaping with priority given to planting shade trees. The Director may also approve acceptable substitutions for interior landscaping, such as:
i.
Use of a light-colored/high-albedo (minimum of 0.3) paving surface or use of a pervious paving surface pursuant to Section 8108-5.9.1. Such surfaces may be substituted for landscaping at a rate of three (3) times the area required for landscaping.
ii.
Installation of public art at the site, such as a mural or sculpture. Such art should complement its surroundings in terms of scale, materials, form, and content, and shall not contain advertising. Public art shall conform to height and setback standards. The art should be designed to last as long as the related building or structure and be vandal/theft resistant. Maintenance of public art shall be the responsibility of the property owner and permittee. Public art pieces must be approved by the Director.
iii.
Shading in the form of canopies with solar photovoltaic or hot water systems, off-site trees and structures, sidewalk canopies and other shade structures.
(Ord. No. 4407, § 1, 10-20-2009; Ord. No. 4577 § 4, 3-9-2021)
a.
Adjacent to Streets: Where parking areas are not visually screened from any adjacent public or private street by an intervening building or structure, the following requirements apply:
(1)
Planter Width: A minimum eight-foot-wide (inside dimension, inclusive of any bumper overhang) landscape planter shall be provided between the street and the parking area, except at driveways, pedestrian pathways, and other pedestrian spaces.
(2)
Screening Materials and Height: Visual screens, measuring three (3) feet in height from the top of the pavement, shall be provided. Where the ground level adjoining the street is below street grade, the visual screen height may be reduced by the difference in levels. Where the ground level adjoining the street is above street grade, the visual screen height may be reduced as determined appropriate by the Planning Director or designee.
The visual screen shall be composed of a berm or solid wall, plus plant material that softens the look and breaks up the expanse of the screen. Plant material may be used as the main screening element only if a minimum of fifty (50) percent of the plants are of 15-gallon container size when planted, the rest are of five-gallon container size, and the plants form a dense hedge. Where walls are used, the preferred location is in the middle of the eight-foot planter so that the planter may also serve as a bumper overhang and so that trees may be planted on both sides of the wall. Walls may also be placed behind the plant material, relative to the street.
Where earth berms are used, the berm slope shall be a maximum of one (1) foot of rise for every three (3) feet of linear distance (3:1 horizontal to vertical).
(3)
Trees and Shrubs: Trees shall be provided at a minimum rate of one (1) for each thirty (30) linear feet of landscape planter or fraction thereof, and at least one (1) per planter. Shrubs shall be provided as needed to meet screening requirements, but no less than one (1) for every five (5) linear feet of landscape planter or fraction thereof. See Section 8106-8.2.3 for additional tree and shrub planting requirements.
(4)
Large Projects: Parking areas with more than one hundred (100) motor vehicle spaces shall provide a concentration of landscape elements at primary entrances, including specimen trees, flowering plants, and special design elements. Public art may be used, and is encouraged, in conjunction with these elements. Such art should meet the provisions of Section 8108-5.14.2(a)(2)(ii) above.
(5)
Bus Shelters: Bus shelters may be located within the perimeter landscape planters, but shall not be placed so as to reduce the number of required trees.
(6)
Public Art: Public art may be provided in perimeter landscape planters that are viewable by the general public, in lieu of two (2) required trees. Such art shall meet the provisions of Section 8108-5.14.2(a)(2)(ii) above.
b.
Adjacent to Residential Land Uses: Where parking areas and associated driveways adjoin residentially zoned property or ground-floor residential land uses, a solid masonry wall or other adequate barrier/screening measure that addresses the potential conflicts between the two (2) uses (e.g., parking lot and adjacent residential land use), as determined by the decision-making authority, shall be installed and maintained along the common property line in accordance with the entitlement. The required barrier/screening shall be at least six (6) feet in height, except that it shall not be more than three (3) feet in height within the front setback of the abutting residentially zoned property.
c.
Side and Rear Property Lines: Perimeter planters are encouraged where a parking area or driveway adjoins a side or rear property line. Side and rear perimeter planters shall be a minimum of two (2) feet wide (inside dimension) when the planters do not include trees and a minimum of four (4) feet wide (inside dimension) when the planters include trees.
(Ord. No. 4407, § 1, 10-20-2009; Ord. No. 4577 § 4, 3-9-2021; Ord. No. 4639, § 7, 12-17-2024)
Parking areas shall include interior landscaping as outlined below. Parking structures and covered parking spaces are exempt from these specific requirements but may be conditioned on a case-by-case basis to ensure that the purposes of this Section are met.
a.
Amount Required: Interior landscaping shall account for ten (10) percent of the parking area, excluding the area of required perimeter landscaping.
b.
Tree Spacing: Trees shall be spaced out evenly throughout the parking area to maximize shading of pavement. At a minimum, one (1) shade tree shall be provided in interior planters for every four (4) adjacent motor vehicle parking spaces (eight (8) total spaces in double-sided parking rows) or equivalent area of motorcycle spaces.
c.
Interior Planter Dimensions:
Finger Planters: Finger planters are planters adjacent to the long side of parking spaces. Finger planters shall measure at least five (5) feet wide (inside dimension) by the length of the parking space, and shall contain one (1) tree in single-sided rows and two (2) trees (one (1) per side) in double-sided rows.
Tree Wells: Tree wells shall be sized in accordance with Section 8106-8.2.3 (d)(3) and (4).
Strip Planters: Strip planters in front of or between rows of parking spaces shall measure at least four (4) feet wide (inside dimension).
d.
Pedestrian-Orientated Design: Landscaping shall be designed so that pedestrians are not likely to cross landscape planters to reach building entrances from parked vehicles. This may be achieved through orientation of the landscape planters away from pedestrian pathways, use of pedestrian pathways or barriers to keep pedestrians out of planters.
e.
Preferred Layout: The preferred layout of interior landscaping of parking areas is set forth below. The decision-making authority shall consider this preferred layout, together with any site constraints, in approving parking area landscape plans.
(1)
Ends of Parking Rows: The ends of each row of parking spaces should be separated from drive aisles, driveways, or buildings by a finger planter (as described in subparagraph (2) below) or sidewalk.
(2)
Double-sided Parking Rows: One (1) finger planter with two (2) trees (one (1) per row) per twelve (12) adjacent spaces, or fraction thereof, should be provided. Between finger planters either two (2) tree wells (one (1) per eight (8) spaces) or a continuous planter containing two (2) trees (one (1) per eight (8) spaces) should be provided.
(3)
Single-sided Parking Rows: One (1) finger planter with one (1) tree per sixteen (16) adjacent spaces, or fraction thereof, should be provided. Between finger planters either three (3) tree wells (one (1) per four (4) spaces) or a continuous planter containing three (3) trees (one (1) per four (4) spaces) should be provided.
(Ord. No. 4407, § 1, 10-20-2009; Ord. No. 4577 § 4, 3-9-2021; Ord. No. 4639, § 7, 12-17-2024)
Stormwater management landscape planters in parking areas shall meet the following criteria:
a.
Their location shall not interfere with the movement of vehicles, pedestrians, or bicycles.
b.
The designed water flow shall not cause erosion of infrastructure or damage to other required parking area features.
c.
They may count toward required parking area landscaping if the following criteria are met:
(1)
The stormwater management landscaping does not compromise the number, type, size, location, or health of the required trees. Required trees shall be planted well above the flow line of basins or channels.
(2)
The stormwater management landscaping does not compromise the screening, shading, or other purposes of Section 8108-5.14.1 above.
(3)
The stormwater management landscaping is consistent with Sections 8106-8.2.3 and 8106-8.2.7, where applicable.
(4)
Planters containing trees shall be a minimum of eight (8) feet wide (inclusive of bumper overhang).
(Ord. No. 4407, § 1, 10-20-2009; Ord. No. 4577 § 4, 3-9-2021; Ord. No. 4639, § 7, 12-17-2024)
a.
Tree installation shall meet the requirements of Section 8106-8.2.3.
b.
The largest mature tree size shall be planted wherever feasible with respect to the current uses of the site, pedestrian circulation, vehicle circulation, safety, and standard setbacks. To the maximum extent feasible, native trees should be selected.
c.
Trees shall be a minimum 24-inch box size at planting.
d.
Trees shall be spaced to maximize distance from light poles to maximize the effectiveness of lighting.
e.
Trees shall be kept trimmed to maintain eight (8) feet six (6) inches of ground clearance for parking spaces and pedestrian areas. Trees shall be kept trimmed to maintain thirteen (13) feet of ground clearance over driveways and drive aisles.
f.
Trees shall be installed according to the following diagrams:
(Ord. No. 4407, § 1, 10-20-2009; Ord. No. 4577 § 4, 3-9-2021; Ord. No. 4639, § 7, 12-17-2024)
All parking area or roadway landscape planters shall be protected from vehicular damage by providing a raised curb of at least six (6) inches in height or wheel stop of at least four (4) inches in height above paving. Where curbs around landscape planters function as wheel stops, plants and other landscape features in the outside two (2) feet of these planters shall not extend more than two (2) inches above the curb or wheel stop. Irrigation equipment should be placed outside of the bumper overhang. Curbs adjacent to landscape planters may contain cuts or notches to allow stormwater to pass into the planter if part of a landscaped stormwater management system.
(Ord. No. 4407, § 1, 10-20-2009; Ord. No. 4577 § 4, 3-9-2021; Ord. No. 4639, § 7, 12-17-2024)
Materials loading areas shall be visually screened from any adjacent street, residentially zoned parcel, or residential land use. Where such screening is not provided by an intervening building or structure, a landscape screen shall be provided. The landscape screen shall be composed of a solid wall plus plant material that softens the look and breaks up the expanse of the wall. Plant material may be used as the main screening element only if a minimum of fifty (50) percent of the plants are of 15-gallon can size when planted, the rest are of 5-gallon can size, and the plants form a dense hedge.
(Ord. No. 4407, § 1, 10-20-2009; Ord. No. 4577 § 4, 3-9-2021)
The following design standards shall apply to all bicycle parking facilities. The layout and design of required bicycle parking facilities is subject to the review and approval of the Director to ensure safety, security, and convenience.
The Ventura County Parking Design Guidelines illustrate acceptable and unacceptable bicycle rack and bicycle locker designs. Use of bicycle rack or locker designs not listed in the Parking Design Guidelines must be approved by the Director. The Guidelines also provide layout examples that demonstrate clearances and other aspects of bicycle parking facilities.
(Ord. No. 4407, § 1, 10-20-2009)
Short-term bicycle parking facilities shall have the following characteristics:
a.
Support a bicycle by its frame in two (2) places in a stable upright position without damage to the bicycle or its finish.
b.
Enable the frame and one (1) or both wheels to be secured with a user-provided U-shaped lock (U-lock) or cable.
c.
Be anchored to an immovable surface or be heavy enough that the rack cannot be easily moved.
d.
Be constructed such that the rack resists being cut, disassembled, or detached with manual tools such as bolt or pipe cutters.
e.
Not have sharp edges that can be hazardous to bicyclists or pedestrians.
f.
Provide easy access to each parked bicycle without awkward movements or moving other bicycles, even when the rack is fully loaded.
g.
The Director may approve other short-term bicycle parking designs that provide adequate safety, security, and convenience, including designs that accommodate the parking of 3-wheeled, recumbent, or other styles of bicycles.
(Ord. No. 4407, § 1, 10-20-2009)
Long-term bicycle parking facilities shall be covered and secured. These facilities shall protect the entire bicycle and accessories from theft, vandalism, and inclement weather by the use of:
a.
Bicycle Lockers. A fully enclosed space for one (1) bicycle, accessible only to the owner or operator of the bicycle, or
b.
Restricted-access Enclosure. A locked room or enclosure containing one (1) bicycle rack space for each bicycle to be accommodated and accessible only to the owners or operators of the bicycles parked within it. Said racks shall meet the requirements of Section 8108-6.1.
c.
Check-in Facility. A location to which the bicycle is delivered and left with an attendant with provisions for identifying the bicycle's owner. The stored bicycle is accessible only to the attendant, or
d.
Other. Other means that provide the same level of security as deemed acceptable by the Director.
(Ord. No. 4407, § 1, 10-20-2009)
All required short- and long-term bicycle parking facilities shall be located on site and provide safe and convenient bicycle access to the public right-of-way and pedestrian access to the main and/or employee entrance(s) of the principal use. Where access is via a sidewalk or pathway, or where the bicycle parking facility is next to a street, curb ramps shall be installed where appropriate. Long-term employee bicycle parking facilities may be separated from short-term bicycle parking facilities.
In addition, the following location criteria shall be met:
(Ord. No. 4639, § 7, 12-17-2024)
Short-term bicycle parking facilities shall be conveniently located no more than one hundred (100) feet from the main building entrance(s) or no farther than the nearest non-disabled motor vehicle parking space from the main building entrance(s), whichever is farther. Where there is more than one (1) building on a site or where a building has more than one (1) main entrance, the short-term bicycle parking shall be distributed to serve all buildings or main entrance(s). Long-term bicycle parking facilities shall be located no more than four hundred (400) feet from the building entrance. Bicycle parking shall not obstruct pedestrian access.
(Ord. No. 4639, § 7, 12-17-2024)
Bicycle parking racks located on pedestrian pathways shall maintain a minimum of four (4) feet of unobstructed pathway outside the bicycle parking space.
(Ord. No. 4407, § 1, 10-20-2009)
The following design criteria apply to short-term facilities. Because of the additional security level, the layout of long-term facilities shall be determined on a case-by-case basis.
(Ord. No. 4407, § 1, 10-20-2009)
Areas set aside for bicycle parking shall be clearly marked and reserved for bicycle parking only.
a.
All parking facility boundaries shall be delineated by striping, curbing, fencing, or by other equivalent methods. Boundaries shall include all applicable dimensions as outlined in Section 8108-6.4.3 and Section 8108-6.4.4.
b.
Bicycle parking locations near roadways, parking areas, or drives shall be protected from damage by motor vehicles by use of bollards, curbs, concrete planters, landscape buffers, or other suitable barriers.
(Ord. No. 4407, § 1, 10-20-2009)
Where bicycle parking facilities are not clearly visible to approaching bicyclists, conspicuous signs shall be posted to direct cyclists to the facilities. Long-term bicycle parking facilities that incorporate bicycle lockers shall be identified by a sign at least one (1) foot by one (1) foot in size that lists the name or title and the phone number or electronic contact information of the person in charge of the facility.
(Ord. No. 4407, § 1, 10-20-2009)
Bicycle parking spaces shall have the following dimensions.
a.
Space Length: Each bicycle parking space shall be a minimum of six (6) feet in length.
b.
Space Between Racks: The minimum space between bicycle parking posts or racks shall be two (2) feet six (6) inches.
c.
Space Between Adjacent Walls/Obstructions: A minimum of two (2) feet six (6) inches shall be provided between the end of a bicycle parking rack and a perpendicular wall or other obstruction (e.g., newspaper rack, sign pole, furniture, trash can, fire hydrant, light pole). A minimum of two (2) feet six (6) inches shall be provided between the side of a bicycle parking rack and a parallel wall or other obstruction.
d.
The Director may waive or modify bicycle parking space dimensions if the applicant can demonstrate that they are not appropriate to the land use or location, and to accommodate the parking of 3-wheeled or recumbent bicycles or other non-standard bicycles.
(Ord. No. 4407, § 1, 10-20-2009)
A 48-inch-wide access aisle, measured from the front or rear of the bicycle parking space, shall be provided beside each row or between two (2) rows of bicycle parking. In high traffic areas where many users park or retrieve bikes at the same time, such as at schools or colleges, the recommended minimum aisle width is six (6) feet.
Where a public sidewalk or pathway serves as an aisle of a bicycle parking facility and the doors of bicycle lockers open toward that sidewalk or pathway, the lockers shall be set back so an open door does not encroach onto the main travel width of the sidewalk or pathway.
(Ord. No. 4407, § 1, 10-20-2009; Ord. No. 4639, § 7, 12-17-2024)
Lighting of not less than one (1) foot-candle of illumination at ground level shall be provided in both interior and exterior bicycle parking facilities during hours of use.
(Ord. No. 4407, § 1, 10-20-2009)
This section establishes requirements for land uses that conduct some or all of their business while customers remain in their vehicles. Examples of such land uses include, but are not limited to, fast food establishments with drive-through take-out windows, car washes, and bank services. These standards are not applicable to drive-in theaters or motor vehicle service stations.
(Ord. No. 4407, § 1, 10-20-2009)
A lane that is physically separated from other traffic circulation on the site shall be provided for motor vehicles waiting for drive-through service. The queuing lane for each drive-through window or station shall be at least twelve (12) feet wide, with sufficient turning radii to accommodate motor vehicles. Queuing lanes shall be designated by paint-striping, curbs, or other physical means as appropriate. Queuing lanes shall be designed to avoid interference with on-site pedestrian access. The principal pedestrian access to the entrance of the drive-through facility shall not cross the drive-through lane.
(Ord. No. 4407, § 1, 10-20-2009)
The Director may waive or modify this standard if the applicant can demonstrate through an interior circulation analysis that the relationship of the length of the queuing lane, the nature of the land use, or the physical constraints of the lot make this standard infeasible and that an alternative configuration can safely accommodate vehicle queuing.
(Ord. No. 4407, § 1, 10-20-2009)
Directional signs shall be provided to indicate the entrance, exit, and one-way path of drive-through lanes.
(Ord. No. 4407, § 1, 10-20-2009; Ord. No. 4639, § 7, 12-17-2024)
Drive-through facilities shall not be located between the street and the main building entrance.
(Ord. No. 4407, § 1, 10-20-2009)
The vehicle queuing capacity for land uses containing drive-through facilities shall be as follows:
(Ord. No. 4407, § 1, 10-20-2009)
Safe and convenient off-street passenger loading areas shall be provided for land uses where there are more than one hundred (100) parking spaces, as shown in the table below. Passenger loading areas shall be located at the point(s) of primary pedestrian access from the parking area to the adjacent building, or buildings. Passenger loading areas shall be designed as turn-outs a minimum of nine (9) feet wide and located in such a manner that vehicles waiting in the loading area do not impede vehicular, bicycle or pedestrian circulation.
(Ord. No. 4407, § 1, 10-20-2009)
(Ord. No. 4407, § 1, 10-20-2009)
All commercial and industrial land uses shall provide and maintain off-street materials loading spaces as provided herein.
(Ord. No. 4407, § 1, 10-20-2009)
The Director may waive or modify this standard if the applicant can demonstrate that the site configuration, nature of the land use, or other considerations make off-street loading spaces unnecessary or infeasible.
(Ord. No. 4407, § 1, 10-20-2009)
(Ord. No. 4407, § 1, 10-20-2009)
Commercial and industrial parking areas with materials loading spaces shall be designed to accommodate access and circulation movement for on-site truck circulation.
a.
Location: Loading spaces shall be located on site, outside of any required front or side setback, near the service entrance(s) to the building(s), and either to the rear or side of the building to alleviate unsightly appearances often created by loading facilities. Loading spaces shall also be located as far away as possible from residential land uses.
b.
Screening: See Section 8108-5.14.8.
c.
Dimensions: Spaces serving single-unit trucks and similar delivery vehicles shall be at least ten (10) feet wide, thirty (30) feet long, and fourteen (14) feet high. Spaces serving larger freight vehicles, including semi-trailer trucks, shall be at least twelve (12) feet wide, fifty-five (55) feet long, and fifteen (15) feet high.
d.
Maneuvering: A minimum of thirty (30) feet of maneuvering area for spaces serving single-unit trucks and similar delivery vehicles shall be provided. A minimum of fifty (50) feet of maneuvering area for spaces serving larger freight vehicles shall be provided. Maneuvering areas for loading spaces shall not conflict with parking spaces or with the maneuvering areas for parking spaces. All maneuvering shall be contained on site.
e.
Driveways: Industrial developments shall include at least one (1) driveway approach capable of accommodating a 48-foot wheel track turning radius.
f.
Safe Design: Loading spaces shall be designed and located to minimize intermixing of truck traffic with other vehicular, bicycle and pedestrian traffic on site. Such facilities shall be located off the main access and parking aisles and away from all pedestrian pathways.
(Ord. No. 4407, § 1, 10-20-2009; Ord. No. 4639, § 7, 12-17-2024)
- Parking and Loading Requirements
This Article establishes requirements for the amount, location, and design of off-street motor vehicle and bicycle parking and loading areas. As part of a balanced transportation system, these requirements are intended to promote public safety and environmental quality. Specifically, these requirements are intended to:
Mobility
· Balance the motor vehicle parking needs of development, including the range of land uses that might locate at a site over time, with the needs of pedestrians, bicyclists, transit users, and the need to preserve community character.
· Ensure that sufficient loading and unloading areas are provided for freight as well as for passengers and users of public transportation services.
· Ensure that the design of motor vehicle and bicycle parking areas facilitates safe, convenient, and comfortable movement for the driver, pedestrian, and bicyclist.
· Allow for transportation options and movement efficiency.
Flexibility
· Provide decision-making flexibility in addressing the parking needs of individual projects.
· Accommodate multiple uses of parking areas.
· Accommodate changing transportation technology and trends, as well as innovative uses of parking infrastructure.
Resource Conservation
· Encourage reduced driving and the use of alternative modes of transportation—thereby reducing traffic congestion, air pollution, and greenhouse gas emissions.
· Avoid installation of excess motor vehicle parking spaces.
· Minimize the use of impervious surfaces.
· Reduce the adverse environmental effects of motor vehicle parking areas, including increased and contaminated stormwater runoff, the urban heat island effect, and resource consumption.
Human-Scaled Urban Form
· Reduce the adverse effects of motor vehicle parking areas on neighborhood design, including the consumption of land for a low-value use; non-compact, sprawling development; and creation of an urban form that discourages walking.
· Ensure that the design of motor vehicle and bicycle parking areas is attractive, efficient, and reduces the visual dominance of pavement.
· Create pleasant neighborhoods designed at a human-scale for human needs (e.g., walking) vs. developments designed primarily around the needs of automobiles.
(Ord. No. 4407, § 1, 10-20-2009)
Every new land use shall have appropriately maintained off-street parking and loading facilities in compliance with the provisions of this Article.
(Ord. No. 4407, § 1, 10-20-2009)
Changes to or expansions of existing land uses shall have appropriately maintained off-street parking and loading facilities in compliance with the provisions of this Article as outlined below.
In order to determine if the change or expansion of the existing land use requires additional motor vehicle parking spaces, the number of parking spaces required by the existing land use (prior to the expansion or change) per Section 8108-4.7 below is compared to the number of parking spaces required by the change or expansion to the land use based on Section 8108-4.7 below, regardless of whether the existing use was established prior to or after adoption of this Article and regardless of the existing number of motor vehicle parking spaces at the land use.
(Ord. No. 4407, § 1, 10-20-2009)
When a change to or expansion of a land use does not require additional motor vehicle parking spaces per Section 8108-1.2 above, modifications to the existing parking spaces or parking area are not required, except that any required short-term bicycle parking must be installed.
(Ord. No. 4407, § 1, 10-20-2009)
a.
Land Uses that Meet Current Motor Vehicle Parking Space Requirements. Land uses that require additional motor vehicle parking spaces per Section 8108-1.2 above, and that meet the requirements in Section 8108-4.7 below for number of motor vehicle parking spaces, shall comply with the provisions of this Article as follows:
(1)
For land uses with fifty-two (52) or fewer existing motor vehicle parking spaces, and when four (4) or fewer new motor vehicle parking spaces are required, only the additional required motor vehicle parking spaces shall are required to comply with all the provisions of this Article. In addition, short-term bicycle parking requirements shall be met.
(2)
For land uses with fifty-two (52) or fewer existing motor vehicle parking spaces, and when five (5) or more new motor vehicle parking spaces are required, all provisions of this Article shall be met for the new and existing parking spaces and/or parking area.
(3)
For land uses with fifty-three (53) or more existing motor vehicle parking spaces, and when the number of additional motor vehicle parking spaces required is nine (9) percent or less of the existing number of motor vehicle parking spaces, only the additional required spaces are required to comply with all the provisions of this Article. In addition, short-term bicycle parking requirements shall be met.
(4)
For land uses with fifty-three (53) or more existing motor vehicle parking spaces, and when the number of additional motor vehicle parking spaces required is ten (10) percent or more of the existing number of motor vehicle parking, all provisions of this Article shall be met for the entire parking area.
b.
Land Uses that Do Not Meet Current Motor Vehicle Parking Space Requirements. Land uses that require additional motor vehicle parking spaces per Section 8108-1.2 above, and that do not meet the requirements in Section 8108-4.7 below for number of motor vehicle spaces, shall provide the additional motor vehicle parking spaces required by the change or expansion, and meet all other provisions of this Article for the new and existing parking spaces and/or parking area.
Exception. A single-family or two-family dwelling that does not meet current parking requirements for number of motor vehicle spaces may be expanded if all of the following conditions exist:
(1)
The dwelling has at least one (1) motor vehicle parking space; and
(2)
The existing lot configuration does not allow for a second space or does not allow for access to a second space; and
(3)
The driveway provides a minimum of twenty (20) feet from the property line to the existing covered space that can be utilized as a parking space; and
(4)
The proposed addition otherwise conforms to the provisions of this Chapter.
If the gross floor area of the dwelling, including the expansion but excluding garage space, will be one thousand (1,000) square feet or less, then compliance with (b)(1) and (b)(3) of this subsection is not required.
(Ord. No. 4407, § 1, 10-20-2009)
The Planning Director (Director) may waive or modify the requirements of this Article as indicated, but only if such modifications or waivers are supported by written findings of fact in the final project approval letter showing how the modification or waiver of parking or loading requirements for the particular project meets all of the following:
· Is consistent with the purposes of this Article and Section 8101-4.10 regarding Director interpretation of requirements and standards; and
· Will not adversely affect existing or potential land uses adjoining, or in the general vicinity of, the project site; and
· Is supported by substantial evidence in light of the whole record before the Director.
(Ord. No. 4407, § 1, 10-20-2009)
a.
Required covered and uncovered parking spaces shall be available for the temporary parking and maneuvering of vehicles as appropriate to the land use they are intended to serve unless otherwise provided herein.
b.
Required parking spaces shall not be converted to other uses or used for the sale, lease, display, repair, or storage of vehicles, trailers, boats, campers, mobilehomes, waste containers, merchandise, equipment, or any other use not authorized by the provisions of this Chapter.
c.
Required parking spaces at automobile repair providers, service stations, or similar land uses shall not be used for the storage of vehicles for repair or servicing.
d.
Multiple uses of parking areas, such as off-hours uses, are encouraged and may be approved if the primary purpose of the parking area is not compromised.
e.
Excess motor vehicle parking spaces may either remain as motor vehicle parking spaces or be converted to bicycle parking spaces, motorcycle parking spaces, landscaping, or other allowable uses.
(Ord. No. 4407, § 1, 10-20-2009)
The permittee and property owner must ensure that required parking and loading areas and associated facilities are permanently maintain in good condition as determined by the Director and in compliance with permit conditions. This maintenance requirement includes but is not limited to curbs, directional markings, accessible parking symbols, screening, pavement, signs, striping, lighting fixtures, landscaping, and trash and recyclables receptacles.
(Ord. No. 4407, § 1, 10-20-2009)
Required parking spaces shall be located on the same site as the building or land use they serve or off-site pursuant to Section 8108-3.3.1 below.
(Ord. No. 4407, § 1, 10-20-2009)
Off-site parking for non-residential land uses may be provided at a site remote from the land use if all of the following conditions can be met:
a.
The off-site parking area is located within five hundred (500) feet of the land use to be served. The distance from the off-site parking area to the land use to be served shall be measured along a sidewalk or other pedestrian pathway from the nearest off-site parking space to the nearest public entrance to the building.
(1)
Planning Director Waivers/Modifications. The Director may approve the provision of off-street parking spaces at a site more than five hundred (500) feet from the land use to be served if the applicant can demonstrate to the Director that such off-site parking will actually be used as intended. Evidence of this may be the provision of shuttle or valet service between the parking area and the land use to be served, or similar arrangements.
b.
The applicant provides documentation demonstrating that the off-site parking area is capable of meeting parking demand for both the land use to be served and any other land uses that may utilize the off-site parking area.
c.
The off-site parking area meets the design standards of Section 8108-5.
d.
The off-site parking area can be accessed easily from the primary land use and does not expose pedestrians to hazardous traffic safety conditions or create a traffic hazard.
e.
The number of off-site parking spaces assigned to the property to be served does not exceed the allowed number of parking spaces for the land use.
(Ord. No. 4407, § 1, 10-20-2009)
The following requirements shall apply whenever the motor vehicle parking required by this Article is not located on the same site as the land use it serves.
a.
The lot or part of a lot on which the parking is provided shall be legally encumbered by a recorded restrictive covenant to ensure continued use of the lot or part of a lot for motor vehicle parking. The restrictive covenant shall be recorded with the Ventura County Recorder so that it appears on the subject property's title. The restrictive covenant shall include the following provisions:
(1)
The County of Ventura must be named as the beneficiary of the restrictive covenant.
(2)
The restrictive covenant may not be released or terminated without the prior notice and written consent of the Director.
(3)
The restrictive covenant shall include the persons and addresses of the other land uses sharing the parking.
(4)
The restrictive covenant shall include the location and number of parking spaces that are being shared.
b.
If the lot designated for off-site parking is under different ownership from the subject lot, a legal contract between the property owners is required to evidence the existence of a contractual right to use the lot as an off-site parking area. Any such contract shall provide for and assign the responsibility for operating and maintaining the facility to the applicable party. The contract shall contain a provision that indemnifies and holds the County harmless from any and all claims or damages relating to the operation or maintenance of the parking area. The County of Ventura shall be named as an intended third party beneficiary to the contract.
c.
The owner of the property shall place and maintain permanent, weatherproof signs providing clear and easy-to-follow directions for access to and from the off-site parking location.
(1)
There shall be one (1) sign at each site or parking area entrance. The signs may be placed at building entrances or other appropriate locations if it is demonstrated that such placement would provide superior information to parking users.
(2)
Information on the signs shall be readable by a person seated in a vehicle at the nearest driveway. Use of graphics (e.g., maps and arrows) is encouraged to supplement written directions.
(3)
Signs shall be placed and designed pursuant to the provisions of Article 10 and are subject to approval by the Director.
(Ord. No. 4407, § 1, 10-20-2009)
The accessory parking and storage of commercial vehicles with a gross vehicle weight greater than ten thousand (10,000) pounds, including attendant trailers and/or equipment, is allowed in residential, agricultural, or open space zoned lots, but only if the applicant demonstrates one of the following:
a.
The vehicle is required for emergency purposes and is either a government vehicle or under contract to a governmental entity; or
b.
The lot on which the vehicle is located is at least one (1) acre in size and a waiver has been received pursuant to Section 8111-1.1.2; or
c.
The lot on which the vehicle is located is at least one (1) acre in size and the vehicle is parked in an enclosed structure; or
d.
The vehicle is used for agricultural production, shipping, or delivery associated with the agricultural land use on the lot on which the vehicle is located.
(Ord. No. 4407, § 1, 10-20-2009)
The installation of solar photovoltaic or hot water systems on canopies or other structures over parking areas/spaces is encouraged and allowable, but only if such structures do not violate any required setback, height, or building lot coverage restrictions, or obstruct any required fire apparatus access lanes. Solar structures shall be compatible in scale, materials, color, and character with the surrounding building(s) and background.
(Ord. No. 4407, § 1, 10-20-2009; Ord. No. 4618, § 5, 7-25-2023)
The installation of green roofs on structures over parking areas/spaces is encouraged and allowable, but only if such structures do not violate any required setback, height, or building lot coverage restrictions, or obstruct any required fire apparatus access lanes. Green roofs shall be compatible in scale, materials, color, and character with the surrounding building(s) and background. The use of any invasive or watch list species Division 8, Chapter 1 Ventura County Non-Coastal Zoning Ordinance (2-7-2023 edition) υ 8-6 as inventoried by the California Invasive Plant Council is prohibited. Green roof plant material and irrigation systems shall be installed pursuant to the MWELO where applicable (see Section 8106-8.2.1(b)).
(Ord. No. 4407, § 1, 10-20-2009; Ord. No. 4577 § 4, 3-9-2021; Ord. No. 4618, § 5, 7-25-2023)
a.
Except as otherwise provided, when calculating the number of required parking spaces results in a fraction, such fractions shall be rounded to whole numbers pursuant to Section 8101-4.8.
b.
When calculating required parking spaces based on gross floor area or sales and display area, areas used for parking are not included.
c.
Motor vehicle parking requirements may be increased or decreased by ten (10) percent from the basic rates shown in Section 8108-4.7 - Table of Parking Space Requirements by Land Use, but this adjustment shall be used only once. For example, determining if additional parking is required for a change to a land use involves comparing the parking required for the proposed use with the parking required for the current use. In this case, the basic parking rate may be adjusted by up to ten (10) percent for the proposed use or the current use, but not both.
d.
Whenever requirements (e.g., bicycle or carpool parking spaces) are based upon the number of motor vehicle spaces, these shall be calculated based on the number of required motor vehicle spaces before any subtraction of spaces has occurred for provision of motorcycle spaces, and after any adjustments pursuant to Section 8108-4.8.
e.
When the number of required parking spaces for motor vehicles or bicycles is calculated based upon the number of employees or students, and the number of employees or students is not known at the time of permit application, the Director shall determine the parking requirements based upon the gross floor area, type of land use, or other appropriate factors. The number of employees shall mean the number of employees on the largest shift and the number of students shall mean the maximum number of students expected onsite at any one time.
f.
When the number of required parking spaces is calculated based upon the number of seats and seats are provided by benches or the like, two (2) feet shall be considered one seat.
g.
When there are two (2) or more separate primary land uses on a site, the required number and type of off-street parking spaces shall be the sum of the requirements for the various individual land uses, unless otherwise provided for in Section 8108-4.6.
h.
Mechanical parking lifts may be used to meet motor vehicle parking requirements.
(Ord. No. 4407, § 1, 10-20-2009)
At least one (1) designated space for the parking of motorcycles or other two-wheeled motorized vehicles shall be provided for every twenty (20) automobile parking spaces provided. Every required motorcycle parking space provided shall count toward fulfilling one (1) required automobile parking space. Existing parking areas may be converted to take advantage of this provision, provided the converted spaces do not exceed the one (1) motorcycle space per twenty (20) automobile space ratio. Land uses that require additional motorcycle parking in excess of this ratio may, with Director approval, convert required automobile parking spaces to motorcycle spaces if the converted automobile spaces are designed and kept available for future conversion back to the automobile spaces.
(Ord. No. 4407, § 1, 10-20-2009)
A minimum number of bicycle parking spaces shall be provided, as set forth in Section 8108-4.7. Where there are two (2) or more separate primary land uses on a site, the required bicycle parking for the site is the sum of the required bicycle parking for each of the individual land uses.
(Ord. No. 4407, § 1, 10-20-2009)
The Director may reduce the number of required bicycle parking spaces when the applicant demonstrates that providing the otherwise required bicycle parking spaces is not practical because of the remote project location, or because the nature of the land use precludes the use of bicycle parking spaces. The Director may also defer the requirement to provide bicycle parking spaces, but only if the subject permit includes an enforceable commitment by the property owner to supply such deferred bicycle parking spaces as may be needed in the future.
(Ord. No. 4407, § 1, 10-20-2009)
Accessible parking for disabled persons shall be provided in compliance with the California Building Standards Code (California Code of Regulations, Title 24) and the Americans with Disabilities Act. Accessible parking is included in the total number of motor vehicle parking spaces required by this Article.
(Ord. No. 4407, § 1, 10-20-2009)
The requirement to provide carpool parking spaces is intended to encourage carpooling, but should not result in parking spaces that consistently go unused.
a.
Number of Spaces. For all land uses, one (1) carpool or vanpool parking space shall be provided for every thirty-five (35) employees employed at the site. Carpool or vanpool parking spaces shall be reserved until one (1) hour after the employees' work shift begins, after which they may be open to single-occupancy vehicles. In addition, for professional, vocational, art and craft schools, colleges, universities and the like, one (1) out of every twenty-five (25) student parking spaces on a site shall be reserved for carpool or vanpool parking at all times. This requirement does not preclude designation of more than the minimum required number of carpool spaces.
b.
Signs. Signs shall be posted clearly indicating carpool and vanpool restrictions.
c.
Planning Director Waivers/Modifications. The Director may modify or waive carpool parking requirements when the applicant demonstrates that the nature of the land use precludes carpooling.
(Ord. No. 4407, § 1, 10-20-2009)
Shared use of required motor vehicle parking spaces is allowable where two (2) or more land uses on the same or separate sites are able to share the same parking spaces because their parking demands occur at different times. Shared use of required parking spaces may be allowed if an analysis is provided to the satisfaction of the Director, using an authoritative methodology, documenting the parking demand for each land use by hour-of-day, showing that the peak parking demands of the land uses occur at different times, and demonstrating that the parking area will be large enough for the anticipated demands of all the land uses that utilize the shared parking area. The lot or part of a lot on which the parking is provided shall be legally encumbered by a recorded restrictive covenant to ensure continued availability of the shared parking spaces for all the land uses that utilize the shared parking area. When shared parking is provided at an off-site location, the requirements of Section 8108-3.3.2 shall be met.
(Ord. No. 4407, § 1, 10-20-2009)
The table below indicates the number of required off-street motor vehicle and bicycle parking spaces that shall be provided for various land uses. For non-residential land uses, the number of motor vehicle parking spaces set forth in the table, plus or minus ten (10) percent of the total, represents the minimum required and the maximum allowed number of spaces, unless varied pursuant to Section 8108-4.8 below. For residential land uses the number of motor vehicle parking spaces set forth in the table represents the minimum required number of spaces, unless varied pursuant to Section 8108-4.8 below.
The number of motor vehicle parking spaces required in this Section is intended to address the needs of residents, employees and regular users of an establishment. The number is not intended to reflect the need for parking large delivery trucks, vans or buses; storage of vehicle inventory; or other specialty parking needs related to the operation of specific land uses.
The Director has the authority to determine the parking space requirements for any land use not specifically listed based on the requirements for the most comparable land use.
ST: Short-term bicycle parking spaces, generally bike rakes.
LT: Long-term bicycle parking spaces, generally enclosed lockers.
1 Pursuant to Sec. 8107-1.7.5(c)(3), when a garage, carport, or covered parking structure is demolished in conjunction with the construction of an ADU or converted to an ADU, those off-street parking spaces do not need to be replaced.
2 Except that on parcels larger than 1 acre located in OS, AE, RA, RE, RO, and TP zones, parking may be uncovered.
(Ord. No. 4407, § 1, 10-20-2009; Ord. No. 4507, § 4, 3-14-2017; Ord. No. 4519, § 5, 4-18-2017; Ord. No. 4596, § 4, 3-1-2022; Ord. No. 4615, § 4, 2-7-2023; Ord. No. 4624, § 5, 1-9-2024; Ord. No. 4641, § 5, 12-17-2024)
Parking for multi-family dwelling units shall be covered, except for visitor parking, and all parking on parcels larger than one (1) acre in the OS, AE, RA, RE, RO, and TP zones. The number of required spaces depends upon both the number of bedrooms and whether provided parking is assigned or unassigned, as indicated in the table below.
(Ord. No. 4407, § 1, 10-20-2009)
The Director may adjust the number of off-street parking spaces required in Section 8108-4.7 by up to twenty (20) percent for a particular project so that the parking supply of individual land uses better corresponds with actual parking demand, but only if such an adjustment to the required parking spaces is commensurate with the land use's demonstrated parking demand and pursuant to the requirements below.
(Ord. No. 4407, § 1, 10-20-2009)
An applicant may use one (1) or more of the following measures and approaches to justify a reduction in the number of required motor vehicle parking spaces. Additional justifications may be considered by the Director or designee.
a.
Parking Study. Applicant funds and provides a parking study to assess the land use's parking needs. Parking studies shall be prepared by a person/firm qualified to prepare such studies, as determined by the Director.
b.
Transportation Demand Management Plan. Applicant funds and prepares a Transportation Demand Management plan to reduce motor vehicle trips to the land use. Transportation Demand Management plans shall be prepared by a person/firm qualified to prepare such plans, as determined by the Director. Such plans shall provide documentation describing the measures that will be used to reduce parking demand. Such measures may include, but are not limited to:
(1)
Locating a project within one thousand five hundred (1,500) feet of a stop for bus, rail, shuttle, or other public transit services.
(2)
Installing transit stops or enhancing existing adjacent transit stops by incorporating additional landscaping, shelters, informational kiosks, or other amenities.
(3)
Locating the project adjacent to a designated bicycle route or path.
(4)
Improving existing bicycle routes and paths in the vicinity of the project.
(5)
Providing employees with a parking cash-out option.
(6)
Providing residents or employees with transit passes.
(7)
Providing shuttle services for employees, visitors, or residents.
(8)
Creating ridesharing programs.
(9)
Charging for parking.
(10)
Improving the pedestrian environment surrounding the project by the provision of sidewalks, marked crosswalks, additional landscaping, street furniture, lighting, and/or other safety features.
(11)
Allowing flexible work schedules or telecommuting.
(12)
Providing on-site amenities, which could include daycare, restaurants, and/or personal services such as banking or dry cleaning.
(13)
Installing additional bicycle parking facilities above the minimum requirements. Requirements for this reduction include:
i.
Bicycle parking spaces shall meet the short- and long-term bicycle parking standards outlined in Section 8108-6.
ii.
For every four (4) bicycle parking spaces provided above the minimum requirement, the amount of motor vehicle parking spaces provided may be reduced by one (1) space, up to a maximum reduction of six (6) percent of required motor vehicle spaces. Existing parking may be converted to take advantage of this provision.
(14)
Providing shower and locker facilities. The provision of showers and associated lockers may be provided in lieu of required motor vehicle parking under some circumstances. Requirements for this reduction include:
i.
The number of showers provided shall be based on demonstrated demand. At least six (6) lockers for personal effects shall be provided per shower and shall be located near showers and dressing areas. Lockers shall be well ventilated and of a size sufficient to allow the storage of cycling attire and equipment. Showers and lockers should be located as close as possible to the bicycle parking facilities.
ii.
For every two (2) showers (one (1) per gender) and six (6) clothing lockers per shower provided, the amount of motor vehicle parking spaces provided may be reduced by three (3) spaces, up to a maximum reduction of three (3) percent of required motor vehicle spaces. Existing parking may be converted to take advantage of this provision.
(15)
Other measures to encourage transit use or to reduce parking needs.
c.
Affordable or Senior Housing. The total number of spaces required may be reduced for affordable (low income, very low income, extremely low income) or senior housing units, commensurate with the reduced parking demand created by the housing facility, including for visitors and accessory facilities. The reduction shall consider proximity to transit and support services and the Director may require traffic demand management measures in conjunction with any approval.
d.
Drive-Through Land Uses. A reduction in the required number of parking spaces may be approved if documentation is provided which demonstrates to the satisfaction of the Director that the required number of parking spaces will not be needed due to the drive-through nature of the land use.
e.
On-Street Parking. The availability of on-street parking spaces contiguous with the proposed land use's parcel(s) may be considered by the Director in approving a request to reduce the required number of off-street parking spaces.
f.
Parking Reserve. When parking spaces required by this Article are not needed by the current land use occupants or are not needed in the current phase of development, the land for those spaces may be held in reserve. For non-residential land uses this parking reserve shall be limited to one (1) parking space or up to ten (10) percent of the total number of required parking spaces, whichever is greater. The parking reserve area shall be included in the determination of lot coverage as though the spaces were in use. To take advantage of reserved parking, the following provisions shall be met:
(1)
The applicant must demonstrate that the reduced number of parking spaces will be adequate to provide sufficient parking for the land uses on the property.
(2)
The area designated as reserve parking must be clearly depicted on the approved site plan, and the terms and conditions of the reserved parking shall be clearly set forth in the approved site plan notations.
(3)
For nonresidential land uses, landscaping must be provided in lieu of the required parking spaces in compliance with Section 8108-5.14 and Section 8106-8.2.
(4)
The reserved parking spaces must be maintained in a manner that leaves them available for conversion to required parking spaces. No above-ground improvements shall be placed or constructed upon the reserve parking area.
(5)
The permit shall be conditioned to require the conversion of the reserved spaces into usable parking spaces at any time that the Director determines necessary.
(Ord. No. 4407, § 1, 10-20-2009; Ord. No. 4577 § 4, 3-9-2021)
The applicant shall provide documentation that describes the proposed parking reduction and identifies the parties responsible for implementing any parking measures associated with the proposed reduction. The documentation shall discuss the estimated parking demand for the land use, describe how parking demand will be met with the requested reduction, explain how the proposed measures will effectively decrease parking demand at the site, and include proposed performance targets for parking. Documentation shall demonstrate how adjusting the amount of parking provided will not impact neighboring or nearby land uses. Required documentation shall include information regarding specific parking reduction measures as described in Section 8108-4.8.1. Required documentation may also include existing parking counts, parking counts at similar land uses, and calculation of future parking demand based on industry standards.
a.
Monitoring Reports. Monitoring reports shall be submitted to the Director three (3) years after building occupancy and again six (6) years after building occupancy. Monitoring reports shall note the effectiveness of the proposed measures as compared to the initial performance targets, and provide suggestions for modifications if necessary to enhance parking and/or trip reductions. Where the monitoring reports indicate that performance measures are not met, the Director may require further program modifications or the provision of additional parking.
b.
Recordation. As a condition of approval of the parking reduction, the property owner, if different than the applicant, may be required to record agreements or restrictive covenants on the subject property prior to issuance of a land use permit to ensure that appropriate measures are implemented to justify the parking reduction.
(Ord. No. 4407, § 1, 10-20-2009)
In order for the Director to approve an increase to the number of parking spaces provided for a land use over the number of motor vehicle parking spaces required by Section 8108-4.7, both of the following provisions must be met:
a.
Parking Study. Applicant funds and provides a parking study demonstrating that the number of motor vehicle parking spaces required by Section 8108-4.7 is inadequate for the land use. Parking studies shall be prepared by a person/firm qualified to prepare such studies as determined by the Director.
b.
Other Options Explored. The project applicant provides documentation to the Director demonstrating that the applicant has fully explored all other options for meeting parking demand without increasing the number of parking spaces, including utilizing shared parking, remote parking, and demand reduction measures.
(Ord. No. 4407, § 1, 10-20-2009)
The following standards shall apply to all proposed off-street motor vehicle parking areas/spaces, except for temporary parking areas.
(Ord. No. 4407, § 1, 10-20-2009)
Applications for land use developments that include parking areas shall include a detailed parking plan(s) with a corresponding preliminary grading and drainage plan. These plans shall be prepared by a California-licensed civil engineer, and shall clearly illustrate compliance with all applicable requirements of this Article. The applicant shall submit these plans to the Public Works Agency Director and the Building and Safety Division Director for their approval prior to issuance of any land use entitlement.
(Ord. No. 4407, § 1, 10-20-2009)
Parking area design shall be in compliance with the Division 7 of the California Water Code, and in accordance with conditions and requirements established by Ventura County's National Pollutant Discharge Elimination System (NPDES) Permit and Ventura County Stormwater Quality Management Ordinance No. 4142. Larger parking areas may be required to submit a hydrology and hydraulics report to the Public Works Agency to demonstrate compliance with stormwater management requirements. Parking area design should incorporate methods of accommodating infiltration or filtration of stormwater onsite through use of pervious pavements, vegetated drainage swales, bioretention areas, tree box filters, dry swales, or other means.
(Ord. No. 4407, § 1, 10-20-2009)
Off-street parking areas and spaces shall be located in the following manner:
(Ord. No. 4407, § 1, 10-20-2009)
To promote attractive urban form and facilitate pedestrian circulation, the preferred location of required parking areas (when provided above ground) relative to the street is as follows:
· First priority: To the rear of buildings or land uses.
· Second priority: To the side of buildings or land uses.
· Last priority: In front of buildings or land uses.
(Ord. No. 4407, § 1, 10-20-2009)
Parking in setbacks is limited by Sections 8106-5.3, 8107-1.7(f), and 8108-1.2.2(b) of this Chapter. Except as provided for in these sections, required uncovered single or two-family residential parking spaces shall not be located within the front set back.
(Ord. No. 4407, § 1, 10-20-2009)
Motorcycle parking spaces shall be located as close as practical to the building entrance, but not closer than the spaces for disabled persons.
(Ord. No. 4407, § 1, 10-20-2009)
Carpool parking spaces shall be located as close as practical to the building entrance, but not closer than the spaces for disabled persons.
(Ord. No. 4407, § 1, 10-20-2009)
See Section 8108-6.3.
(Ord. No. 4407, § 1, 10-20-2009)
a.
Parking areas are prohibited in Federal Emergency Management Agency (FEMA) designated regulatory floodways.
b.
Parking areas located in a FEMA designated one (1) percent annual chance floodplain (100-year floodplain) are subject to special design requirements pursuant to the Ventura County Floodplain Management Ordinance as administered by the Public Works Agency and Watershed Protection District. These requirements may include, but are not limited to, flood warning signage, design measures to contain motor vehicles in the parking area in the event of a flood, special lighting, mechanical and electrical system design requirements, and fencing restrictions.
(Ord. No. 4407, § 1, 10-20-2009)
Cross access is encouraged between adjacent sites in commercial, industrial, and multi-family housing developments. A joint cross access agreement between two (2) or more participating adjacent property owners must be executed where cross access is provided so that cross access between the properties is legally established, enforceable and maintained. This joint cross access agreement must be approved by the Director, recorded by the parties to the agreement and run with the respective properties.
(Ord. No. 4407, § 1, 10-20-2009)
a.
Parking areas serving commercial, institutional, and multifamily dwelling land uses shall not impede safe and direct pedestrian access from the street or sidewalk to building entrances.
b.
At least one (1) pedestrian pathway shall be provided from the street or sidewalk to the primary building entrance. If not completely separated from vehicular traffic, pedestrian pathways shall be clearly designated using a raised surface, distinctive paving, bollards, special railing, or similar treatment. Such pathways shall be in compliance with the California Building Standards Code (California Code of Regulations, Title 24) and the Americans with Disabilities Act. Pathways shall be designed to have minimal direct contact with traffic and prevent parked vehicles from overhanging the pathways. The use of pervious surface materials for pedestrian pathways is encouraged.
c.
Where feasible, parking rows shall be perpendicular to the main building entrance(s) or main pedestrian pathway(s) to assist safe pedestrian movement toward the building.
d.
Where cross access is provided, it shall be designed, established, and maintained so that internal drive aisles, parking spaces, and pedestrian paths assure safe pedestrian access to adjacent land uses, and adjacent parking areas.
e.
Where pedestrian routes cross driveways such crossings shall be clearly marked.
f.
If parking is designed to allow vehicle overhang into a pedestrian pathway, the pathway width shall be increased by at least two (2) feet. Pedestrian pathways adjacent to a building shall be in compliance with the California Building Standards Code (California Code of Regulations, Title 24) and the Americans with Disabilities Act.
(Ord. No. 4407, § 1, 10-20-2009; Ord. No. 4639, § 7, 12-17-2024)
Approved fire apparatus access roads shall be provided when required by the Ventura County Fire Protection District. Generally this requirement is triggered when any facility or portion of the exterior walls of the first story of a building is located more than one hundred fifty (150) feet from an existing public street or approved fire apparatus access driveway. For the purposes of this requirement, the term facility includes recreational vehicles, mobilehome and manufactured housing parks, and sales and storage lots.
(Ord. No. 4407, § 1, 10-20-2009)
All internal circulation and queuing areas shall be designed to accommodate the turning radii of the vehicles that will be using the site, pursuant to the design criteria of the American Association for State Highway and Transportation Officials (AASHTO) and/or Institute of Transportation Engineers (ITE).
(Ord. No. 4407, § 1, 10-20-2009)
Parking areas shall be designed so that motor vehicles will exit onto a public street in a forward direction, unless approved otherwise by the Public Works Agency Transportation Director. Circulation of vehicles among parking spaces shall be accomplished entirely within the parking area. The Director may waive or modify this requirement in consultation with the Public Works Agency Transportation Director when the applicant can demonstrate that it is not appropriate to the land use or location.
(Ord. No. 4407, § 1, 10-20-2009)
Parking areas should be divided both visually and functionally into smaller parking courts. Interior rows of parking spaces shall be no more than two hundred seventy (270) feet in length, inclusive of landscape planters but not including cross aisles or turnarounds. The Director may waive or modify this requirement when the applicant can demonstrate that it is not appropriate to the land use or location.
(Ord. No. 4407, § 1, 10-20-2009)
Dead-end drive aisles shall be avoided or otherwise minimized.
(Ord. No. 4407, § 1, 10-20-2009)
Maneuvering areas within parking areas shall be clearly marked with directional signs or painted arrows to ensure the safe and efficient flow of vehicles, bicycles, and pedestrians.
(Ord. No. 4407, § 1, 10-20-2009)
a.
Portion Within Right-of-Way: Driveway width shall be the minimum necessary to provide access to the land use consistent with the Ventura County Road Standards, Ventura County Fire Protection District requirements, or the latest edition of Caltrans' Standard Plans, as appropriate.
b.
Portion Outside Right-of-Way: Driveway widths shall be minimized where possible.
(Ord. No. 4407, § 1, 10-20-2009)
Each site is limited to one (1) driveway unless the Public Works Agency Transportation Director determines that more than one (1) driveway is required to handle traffic volumes or specific designs, such as residential circular driveways. Additional driveways shall not be allowed if they are determined to be detrimental to traffic flow and the safety of adjacent public streets. Whenever a property has access to more than one (1) road, access shall be limited to the lowest traffic-volume road whenever possible.
(Ord. No. 4407, § 1, 10-20-2009)
The number of driveways should be minimized where feasible by the use of shared driveways between adjacent properties. A joint access agreement between two (2) or more participating adjacent property owners must be executed where driveways are shared, so that shared driveway access by the properties is legally established, enforceable and maintained. This joint access agreement must be approved by the Director, recorded by the parties to the agreement properties and run with the respective properties.
(Ord. No. 4407, § 1, 10-20-2009)
Parking areas shall be designed to prevent entrance or exit at any point other than driveways. Appropriate barriers and entrance and exit signs shall be provided within parking areas. Stop signs that comply with Manual on Uniform Traffic Control Devices (MUCTD) standards and shall be installed at all exits from parking areas.
The Director may waive or modify motor vehicle parking design standards when the applicant can demonstrate that the required motor vehicle parking design standard is not appropriate to the land use or location.
(Ord. No. 4407, § 1, 10-20-2009)
Ninety-degree parking, which uses the least amount of pavement per parking space, is preferred wherever possible.
(Ord. No. 4407, § 1, 10-20-2009)
Each standard parking space shall be nine (9) feet wide by eighteen (18) feet long, with the following exceptions:
a.
The length of the parking space to be decreased by two (2) feet where parking spaces face into landscape planters so that the concrete curb around the planter functions as the wheel stop, allowing motor vehicles to overhang the landscape planter. Use of such a bumper overhang reduces impervious surfaces and is encouraged. Plant material and irrigation equipment in the outside two (2) feet of these landscape planters shall conform to the requirements of Section 8108-5.14. Utilization of a bumper overhang shall not allow a vehicle to extend into or over a pedestrian pathway or drive aisle.
b.
Required parking space dimensions do not apply if mechanical parking lifts are used to stack cars.
c.
The width of parking spaces may be reduced to eight (8) feet on legal lots that are less than twenty-six (26) feet wide and where two (2) or more parking spaces are required.
d.
The Director may approve an increase to the width or length of parking spaces for land uses that cater to larger vehicles such as trucks, shuttles, or vans.
e.
Parking space width shall be increased by six (6) inches to nine (9) feet six (6) inches (one hundred fourteen (114) inches) if adjacent on one (1) side to a wall, fence, hedge, or structure; and by one (1) foot six (6) inches to ten (10) feet six (6) inches (one hundred twenty-six (126) inches) if adjacent on both sides to a wall, fence, hedge, or structure.
(Ord. No. 4407, § 1, 10-20-2009)
Each motorcycle parking space shall be a minimum of four (4) feet wide by eight (8) feet long.
(Ord. No. 4407, § 1, 10-20-2009)
Up to thirty (30) percent of the total parking spaces required for low-turnover, nonretail parking areas serving primarily employees, residents, or students may be provided as compact spaces. Each compact space shall be a minimum of eight (8) feet six (6) inches wide by sixteen (16) feet long and be clearly designated for compact vehicles.
(Ord. No. 4407, § 1, 10-20-2009)
The minimum size of a parallel parking space shall be eight (8) feet six (6) inches wide by twenty-two (22) feet long.
(Ord. No. 4407, § 1, 10-20-2009)
See Section 8108-6—Bicycle parking design standards.
(Ord. No. 4407, § 1, 10-20-2009)
At least one (1) floor in parking structures shall be designed with a minimum height of eight (8) feet three (3) inches to allow for vanpool vehicles and accessible parking for disabled persons.
(Ord. No. 4407, § 1, 10-20-2009)
Where drive aisles terminate at a dead-end, adequate provision shall be made for vehicles to turn around. Depending on the situation, this may be satisfied by provision of at least six (6) feet between the end of parking rows and the end of the drive aisle.
(Ord. No. 4407, § 1, 10-20-2009)
Parking area drive aisles and modules shall be designed following the standard dimensions included in the table in Section 8108-5.6.11 and the figure in Section 8108-5.6.12 and as required to meet Section 8108-5.4. The Director may approve wider aisles when appropriate for truck maneuvering. Two-way aisles are permitted in conjunction with 90-degree and parallel spaces only.
(Ord. No. 4407, § 1, 10-20-2009)
1 Parking area design for full rows of compact spaces shall be reviewed on a case-by-case basis.
(Ord. No. 4407, § 1, 10-20-2009)
Required parking may be provided in tandem for residential land uses with the following restrictions:
a.
Tandem parking shall not be more than two (2) cars in depth.
b.
Both tandem spaces shall serve the same dwelling unit.
c.
For multi-family residential dwellings, tandem parking may be provided to meet up to fifty (50) percent of the required parking spaces.
(Ord. No. 4407, § 1, 10-20-2009)
Accessible parking spaces for disabled persons shall be in compliance with the California Building Standards Code (California Code of Regulations, Title 24) and the Americans with Disabilities Act requirements for slope. All other parking spaces shall slope no more than five (5) percent in any direction and no less than 0.5 percent in the direction of drainage. The slope in drive aisle and turnaround areas shall be no more than ten (10) percent.
(Ord. No. 4407, § 1, 10-20-2009)
The Director, in consultation with the Public Works Agency Transportation Director, may modify slope requirements, but not for disabled person accessible parking spaces, when appropriate given site constraints.
(Ord. No. 4407, § 1, 10-20-2009)
a.
The surface of all required uncovered off-street motor vehicle parking spaces, aisles, driveways and loading areas shall be constructed and maintained with permanent all-weather, load-bearing pervious or impervious surfacing material sufficient to prevent mud, dust, loose material, and other nuisances. The use of pervious surfaces is encouraged to facilitate on-site infiltration of stormwater. To reduce heat generation from parking area surfaces, the use of light-colored/high-albedo surfaces is encouraged.
b.
The surface of fire apparatus access driveways shall meet the requirements of the Ventura County Fire Protection District.
c.
The surface of the portion of driveways in the right-of-way shall meet the requirements of the Ventura County Road Standards or the latest edition of Caltrans' Standard Plans, as appropriate.
d.
Ribbon driveways outside of the right-of-way may be installed as an alternative to fully paved driveways, subject to the approval by the Ventura County Fire Protection District.
(Ord. No. 4407, § 1, 10-20-2009)
When pervious surfaces are used, the parking area plans shall document that:
a.
The pervious materials have been designed to support anticipated vehicle weights and traffic volumes.
b.
The pervious materials have been designed to minimize surface cracking, crumbling, eroding, and other maintenance problems for the pervious surface as well as any adjacent surfaces or structures.
c.
Pervious surfaces used for parking spaces in single- and two-family dwellings or other parking lots with less than five (5) spaces are not subject to the above documentation requirements.
(Ord. No. 4407, § 1, 10-20-2009)
Parking spaces within parking areas shall be clearly marked with paint striping or another durable, easily distinguishable marking material. Space marking shall be maintained in good condition.
(Ord. No. 4407, § 1, 10-20-2009)
Parking areas surfaced with gravel or other aggregate materials are exempt from space marking requirements.
(Ord. No. 4407, § 1, 10-20-2009)
Clear visibility of and between pedestrians, bicyclists, and motorists shall be assured when entering individual parking spaces, when circulating within a parking area, and when entering and exiting a parking area.
a.
Each driveway shall be constructed and maintained pursuant to the sight distance requirements of the Ventura County Road Standards or Caltrans, as appropriate.
b.
Landscaping at any interior parking area intersection shall not obstruct a driver's vision of vehicle and pedestrian cross traffic.
c.
With the exception of trees, landscaping adjacent to pedestrian pathways shall be no more than three (3) feet in height.
(Ord. No. 4407, § 1, 10-20-2009)
Lighting shall be provided for all parking areas in compliance with Section 8106-8.6 and the following:
a.
Parking areas that serve night-time users shall be lighted with a minimum one (1) foot-candle of light at ground level for security.
b.
All lights in parking areas that serve non-residential land uses, except those required for security per subsection (a) above, shall be extinguished at the end of the working day. Lights may be turned on no sooner than one (1) hour before the commencement of working hours.
c.
Light poles shall be located so as not to interfere with motor vehicle door opening, vehicular movement or accessible paths of travel. To the extent possible light poles shall be located away from existing and planned trees to reduce obstruction of light by tree canopies. Light poles shall be located outside of landscape finger planters, end row planters, and tree wells. Light poles may be located in perimeter planters and continuous planter strips between parking rows.
d.
Any light fixtures adjacent to a residential land use or residentially zoned lot shall be arranged and shielded so that the light will not directly illuminate the lot or land use. This requirement for shielding applies to all light fixtures, including security lighting.
e.
In order to direct light downward and minimize the amount of light spilled into the dark night sky, any new lighting fixtures installed to serve above-ground, uncovered parking areas shall be full cut-off fixtures as defined by the Illuminating Engineering Society of North America (IESNA). New lighting fixtures installed for parking area canopies or similar structures shall be recessed or flush-mounted and equipped with flat lenses.
(Ord. No. 4407, § 1, 10-20-2009)
At least one (1) trash and one (1) recyclables receptacle shall be provided for parking area users for the first twenty (20) motor vehicle parking spaces, and one (1) trash and one (1) recyclables receptacle for every eighty (80) spaces thereafter. Receptacles shall be enclosed to prevent access by animals and wind, placed in convenient, high-visibility locations, and serviced and maintained appropriately.
(Ord. No. 4407, § 1, 10-20-2009)
Editor's note— Ord. No. 4577 § 4, adopted March 9, 2021, amended Section 8108-5.14 in its entirety, repealing § 8108-5.14.3 pertaining to landscape plans and renumbering 8108-5.14.4—8108-5.14.9 as 8108-5.14.3—8108-5.14.8, as herein set out. Historical notation has been retained for reference purposes.
These landscaping and screening requirements are intended to:
• Reduce potential negative effects of parking areas on adjacent land uses.
• Provide visual relief from pavement and motor vehicles.
• Soften and screen parking area edges.
• Provide a visual barrier between vehicle headlights and street traffic.
• Mitigate atmospheric heating from pavement through shading.
• Create pleasant pedestrian conditions.
• Provide retention, filtration and/or infiltration of stormwater.
• Channel and define logical areas for pedestrian and vehicular circulation.
(Ord. No. 4407, § 1, 10-20-2009; Ord. No. 4577 § 4, 3-9-2021)
a.
Unless otherwise noted herein, all parking areas shall comply with the landscaping and screening requirements of this Section and Sections 8106-8.2.1, 8106-8.2.2, 8106-8.2.3, and 8106-8.2.8. Section 8106-8.2.7 shall apply to any parking areas containing manufactured slopes. Underground parking is exempt from these requirements.
b.
Planning Director Waivers/Modifications. The Planning Director or designee may grant modifications and waivers to landscaping requirements where existing structures or irregularly configured lots preclude implementation of the requirements, or where compliance would result in the loss of existing required parking spaces due to site size restrictions. The Planning Director or designee shall seek a compromise between reducing the amount of required parking and reducing the amount of required landscaping. Wherever possible, at least some landscaping shall be required. Water use efficiency must be incorporated into all landscape designs. Any modification or waiver shall meet or exceed the requirements of the MWELO, when it is applicable to the project (see Section 8106-8.2.1(b)). In granting modifications, the Planning Director or designee shall prioritize the provision of landscaping as follows: (1) First priority—the provision of landscape screening adjacent to streets and (2) Second priority—the provision of shade trees.
The Planning Director or designee may allow the following modifications where there are space constraints or other unique circumstances associated with the site:
(1)
Perimeter Landscaping and Screening, Adjacent to Streets. The Director may allow the use of smaller perimeter planters or waive these requirements, except there shall be no waiver of these requirements for any project that is located across the street from residential zones or land uses.
(2)
Interior Landscaping. If the applicant can demonstrate that compliance with interior landscaping requirements would result in the loss of existing required parking spaces, the Director may modify the interior landscaping requirement. Whenever feasible, the Director shall require a minimum of some interior landscaping with priority given to planting shade trees. The Director may also approve acceptable substitutions for interior landscaping, such as:
i.
Use of a light-colored/high-albedo (minimum of 0.3) paving surface or use of a pervious paving surface pursuant to Section 8108-5.9.1. Such surfaces may be substituted for landscaping at a rate of three (3) times the area required for landscaping.
ii.
Installation of public art at the site, such as a mural or sculpture. Such art should complement its surroundings in terms of scale, materials, form, and content, and shall not contain advertising. Public art shall conform to height and setback standards. The art should be designed to last as long as the related building or structure and be vandal/theft resistant. Maintenance of public art shall be the responsibility of the property owner and permittee. Public art pieces must be approved by the Director.
iii.
Shading in the form of canopies with solar photovoltaic or hot water systems, off-site trees and structures, sidewalk canopies and other shade structures.
(Ord. No. 4407, § 1, 10-20-2009; Ord. No. 4577 § 4, 3-9-2021)
a.
Adjacent to Streets: Where parking areas are not visually screened from any adjacent public or private street by an intervening building or structure, the following requirements apply:
(1)
Planter Width: A minimum eight-foot-wide (inside dimension, inclusive of any bumper overhang) landscape planter shall be provided between the street and the parking area, except at driveways, pedestrian pathways, and other pedestrian spaces.
(2)
Screening Materials and Height: Visual screens, measuring three (3) feet in height from the top of the pavement, shall be provided. Where the ground level adjoining the street is below street grade, the visual screen height may be reduced by the difference in levels. Where the ground level adjoining the street is above street grade, the visual screen height may be reduced as determined appropriate by the Planning Director or designee.
The visual screen shall be composed of a berm or solid wall, plus plant material that softens the look and breaks up the expanse of the screen. Plant material may be used as the main screening element only if a minimum of fifty (50) percent of the plants are of 15-gallon container size when planted, the rest are of five-gallon container size, and the plants form a dense hedge. Where walls are used, the preferred location is in the middle of the eight-foot planter so that the planter may also serve as a bumper overhang and so that trees may be planted on both sides of the wall. Walls may also be placed behind the plant material, relative to the street.
Where earth berms are used, the berm slope shall be a maximum of one (1) foot of rise for every three (3) feet of linear distance (3:1 horizontal to vertical).
(3)
Trees and Shrubs: Trees shall be provided at a minimum rate of one (1) for each thirty (30) linear feet of landscape planter or fraction thereof, and at least one (1) per planter. Shrubs shall be provided as needed to meet screening requirements, but no less than one (1) for every five (5) linear feet of landscape planter or fraction thereof. See Section 8106-8.2.3 for additional tree and shrub planting requirements.
(4)
Large Projects: Parking areas with more than one hundred (100) motor vehicle spaces shall provide a concentration of landscape elements at primary entrances, including specimen trees, flowering plants, and special design elements. Public art may be used, and is encouraged, in conjunction with these elements. Such art should meet the provisions of Section 8108-5.14.2(a)(2)(ii) above.
(5)
Bus Shelters: Bus shelters may be located within the perimeter landscape planters, but shall not be placed so as to reduce the number of required trees.
(6)
Public Art: Public art may be provided in perimeter landscape planters that are viewable by the general public, in lieu of two (2) required trees. Such art shall meet the provisions of Section 8108-5.14.2(a)(2)(ii) above.
b.
Adjacent to Residential Land Uses: Where parking areas and associated driveways adjoin residentially zoned property or ground-floor residential land uses, a solid masonry wall or other adequate barrier/screening measure that addresses the potential conflicts between the two (2) uses (e.g., parking lot and adjacent residential land use), as determined by the decision-making authority, shall be installed and maintained along the common property line in accordance with the entitlement. The required barrier/screening shall be at least six (6) feet in height, except that it shall not be more than three (3) feet in height within the front setback of the abutting residentially zoned property.
c.
Side and Rear Property Lines: Perimeter planters are encouraged where a parking area or driveway adjoins a side or rear property line. Side and rear perimeter planters shall be a minimum of two (2) feet wide (inside dimension) when the planters do not include trees and a minimum of four (4) feet wide (inside dimension) when the planters include trees.
(Ord. No. 4407, § 1, 10-20-2009; Ord. No. 4577 § 4, 3-9-2021; Ord. No. 4639, § 7, 12-17-2024)
Parking areas shall include interior landscaping as outlined below. Parking structures and covered parking spaces are exempt from these specific requirements but may be conditioned on a case-by-case basis to ensure that the purposes of this Section are met.
a.
Amount Required: Interior landscaping shall account for ten (10) percent of the parking area, excluding the area of required perimeter landscaping.
b.
Tree Spacing: Trees shall be spaced out evenly throughout the parking area to maximize shading of pavement. At a minimum, one (1) shade tree shall be provided in interior planters for every four (4) adjacent motor vehicle parking spaces (eight (8) total spaces in double-sided parking rows) or equivalent area of motorcycle spaces.
c.
Interior Planter Dimensions:
Finger Planters: Finger planters are planters adjacent to the long side of parking spaces. Finger planters shall measure at least five (5) feet wide (inside dimension) by the length of the parking space, and shall contain one (1) tree in single-sided rows and two (2) trees (one (1) per side) in double-sided rows.
Tree Wells: Tree wells shall be sized in accordance with Section 8106-8.2.3 (d)(3) and (4).
Strip Planters: Strip planters in front of or between rows of parking spaces shall measure at least four (4) feet wide (inside dimension).
d.
Pedestrian-Orientated Design: Landscaping shall be designed so that pedestrians are not likely to cross landscape planters to reach building entrances from parked vehicles. This may be achieved through orientation of the landscape planters away from pedestrian pathways, use of pedestrian pathways or barriers to keep pedestrians out of planters.
e.
Preferred Layout: The preferred layout of interior landscaping of parking areas is set forth below. The decision-making authority shall consider this preferred layout, together with any site constraints, in approving parking area landscape plans.
(1)
Ends of Parking Rows: The ends of each row of parking spaces should be separated from drive aisles, driveways, or buildings by a finger planter (as described in subparagraph (2) below) or sidewalk.
(2)
Double-sided Parking Rows: One (1) finger planter with two (2) trees (one (1) per row) per twelve (12) adjacent spaces, or fraction thereof, should be provided. Between finger planters either two (2) tree wells (one (1) per eight (8) spaces) or a continuous planter containing two (2) trees (one (1) per eight (8) spaces) should be provided.
(3)
Single-sided Parking Rows: One (1) finger planter with one (1) tree per sixteen (16) adjacent spaces, or fraction thereof, should be provided. Between finger planters either three (3) tree wells (one (1) per four (4) spaces) or a continuous planter containing three (3) trees (one (1) per four (4) spaces) should be provided.
(Ord. No. 4407, § 1, 10-20-2009; Ord. No. 4577 § 4, 3-9-2021; Ord. No. 4639, § 7, 12-17-2024)
Stormwater management landscape planters in parking areas shall meet the following criteria:
a.
Their location shall not interfere with the movement of vehicles, pedestrians, or bicycles.
b.
The designed water flow shall not cause erosion of infrastructure or damage to other required parking area features.
c.
They may count toward required parking area landscaping if the following criteria are met:
(1)
The stormwater management landscaping does not compromise the number, type, size, location, or health of the required trees. Required trees shall be planted well above the flow line of basins or channels.
(2)
The stormwater management landscaping does not compromise the screening, shading, or other purposes of Section 8108-5.14.1 above.
(3)
The stormwater management landscaping is consistent with Sections 8106-8.2.3 and 8106-8.2.7, where applicable.
(4)
Planters containing trees shall be a minimum of eight (8) feet wide (inclusive of bumper overhang).
(Ord. No. 4407, § 1, 10-20-2009; Ord. No. 4577 § 4, 3-9-2021; Ord. No. 4639, § 7, 12-17-2024)
a.
Tree installation shall meet the requirements of Section 8106-8.2.3.
b.
The largest mature tree size shall be planted wherever feasible with respect to the current uses of the site, pedestrian circulation, vehicle circulation, safety, and standard setbacks. To the maximum extent feasible, native trees should be selected.
c.
Trees shall be a minimum 24-inch box size at planting.
d.
Trees shall be spaced to maximize distance from light poles to maximize the effectiveness of lighting.
e.
Trees shall be kept trimmed to maintain eight (8) feet six (6) inches of ground clearance for parking spaces and pedestrian areas. Trees shall be kept trimmed to maintain thirteen (13) feet of ground clearance over driveways and drive aisles.
f.
Trees shall be installed according to the following diagrams:
(Ord. No. 4407, § 1, 10-20-2009; Ord. No. 4577 § 4, 3-9-2021; Ord. No. 4639, § 7, 12-17-2024)
All parking area or roadway landscape planters shall be protected from vehicular damage by providing a raised curb of at least six (6) inches in height or wheel stop of at least four (4) inches in height above paving. Where curbs around landscape planters function as wheel stops, plants and other landscape features in the outside two (2) feet of these planters shall not extend more than two (2) inches above the curb or wheel stop. Irrigation equipment should be placed outside of the bumper overhang. Curbs adjacent to landscape planters may contain cuts or notches to allow stormwater to pass into the planter if part of a landscaped stormwater management system.
(Ord. No. 4407, § 1, 10-20-2009; Ord. No. 4577 § 4, 3-9-2021; Ord. No. 4639, § 7, 12-17-2024)
Materials loading areas shall be visually screened from any adjacent street, residentially zoned parcel, or residential land use. Where such screening is not provided by an intervening building or structure, a landscape screen shall be provided. The landscape screen shall be composed of a solid wall plus plant material that softens the look and breaks up the expanse of the wall. Plant material may be used as the main screening element only if a minimum of fifty (50) percent of the plants are of 15-gallon can size when planted, the rest are of 5-gallon can size, and the plants form a dense hedge.
(Ord. No. 4407, § 1, 10-20-2009; Ord. No. 4577 § 4, 3-9-2021)
The following design standards shall apply to all bicycle parking facilities. The layout and design of required bicycle parking facilities is subject to the review and approval of the Director to ensure safety, security, and convenience.
The Ventura County Parking Design Guidelines illustrate acceptable and unacceptable bicycle rack and bicycle locker designs. Use of bicycle rack or locker designs not listed in the Parking Design Guidelines must be approved by the Director. The Guidelines also provide layout examples that demonstrate clearances and other aspects of bicycle parking facilities.
(Ord. No. 4407, § 1, 10-20-2009)
Short-term bicycle parking facilities shall have the following characteristics:
a.
Support a bicycle by its frame in two (2) places in a stable upright position without damage to the bicycle or its finish.
b.
Enable the frame and one (1) or both wheels to be secured with a user-provided U-shaped lock (U-lock) or cable.
c.
Be anchored to an immovable surface or be heavy enough that the rack cannot be easily moved.
d.
Be constructed such that the rack resists being cut, disassembled, or detached with manual tools such as bolt or pipe cutters.
e.
Not have sharp edges that can be hazardous to bicyclists or pedestrians.
f.
Provide easy access to each parked bicycle without awkward movements or moving other bicycles, even when the rack is fully loaded.
g.
The Director may approve other short-term bicycle parking designs that provide adequate safety, security, and convenience, including designs that accommodate the parking of 3-wheeled, recumbent, or other styles of bicycles.
(Ord. No. 4407, § 1, 10-20-2009)
Long-term bicycle parking facilities shall be covered and secured. These facilities shall protect the entire bicycle and accessories from theft, vandalism, and inclement weather by the use of:
a.
Bicycle Lockers. A fully enclosed space for one (1) bicycle, accessible only to the owner or operator of the bicycle, or
b.
Restricted-access Enclosure. A locked room or enclosure containing one (1) bicycle rack space for each bicycle to be accommodated and accessible only to the owners or operators of the bicycles parked within it. Said racks shall meet the requirements of Section 8108-6.1.
c.
Check-in Facility. A location to which the bicycle is delivered and left with an attendant with provisions for identifying the bicycle's owner. The stored bicycle is accessible only to the attendant, or
d.
Other. Other means that provide the same level of security as deemed acceptable by the Director.
(Ord. No. 4407, § 1, 10-20-2009)
All required short- and long-term bicycle parking facilities shall be located on site and provide safe and convenient bicycle access to the public right-of-way and pedestrian access to the main and/or employee entrance(s) of the principal use. Where access is via a sidewalk or pathway, or where the bicycle parking facility is next to a street, curb ramps shall be installed where appropriate. Long-term employee bicycle parking facilities may be separated from short-term bicycle parking facilities.
In addition, the following location criteria shall be met:
(Ord. No. 4639, § 7, 12-17-2024)
Short-term bicycle parking facilities shall be conveniently located no more than one hundred (100) feet from the main building entrance(s) or no farther than the nearest non-disabled motor vehicle parking space from the main building entrance(s), whichever is farther. Where there is more than one (1) building on a site or where a building has more than one (1) main entrance, the short-term bicycle parking shall be distributed to serve all buildings or main entrance(s). Long-term bicycle parking facilities shall be located no more than four hundred (400) feet from the building entrance. Bicycle parking shall not obstruct pedestrian access.
(Ord. No. 4639, § 7, 12-17-2024)
Bicycle parking racks located on pedestrian pathways shall maintain a minimum of four (4) feet of unobstructed pathway outside the bicycle parking space.
(Ord. No. 4407, § 1, 10-20-2009)
The following design criteria apply to short-term facilities. Because of the additional security level, the layout of long-term facilities shall be determined on a case-by-case basis.
(Ord. No. 4407, § 1, 10-20-2009)
Areas set aside for bicycle parking shall be clearly marked and reserved for bicycle parking only.
a.
All parking facility boundaries shall be delineated by striping, curbing, fencing, or by other equivalent methods. Boundaries shall include all applicable dimensions as outlined in Section 8108-6.4.3 and Section 8108-6.4.4.
b.
Bicycle parking locations near roadways, parking areas, or drives shall be protected from damage by motor vehicles by use of bollards, curbs, concrete planters, landscape buffers, or other suitable barriers.
(Ord. No. 4407, § 1, 10-20-2009)
Where bicycle parking facilities are not clearly visible to approaching bicyclists, conspicuous signs shall be posted to direct cyclists to the facilities. Long-term bicycle parking facilities that incorporate bicycle lockers shall be identified by a sign at least one (1) foot by one (1) foot in size that lists the name or title and the phone number or electronic contact information of the person in charge of the facility.
(Ord. No. 4407, § 1, 10-20-2009)
Bicycle parking spaces shall have the following dimensions.
a.
Space Length: Each bicycle parking space shall be a minimum of six (6) feet in length.
b.
Space Between Racks: The minimum space between bicycle parking posts or racks shall be two (2) feet six (6) inches.
c.
Space Between Adjacent Walls/Obstructions: A minimum of two (2) feet six (6) inches shall be provided between the end of a bicycle parking rack and a perpendicular wall or other obstruction (e.g., newspaper rack, sign pole, furniture, trash can, fire hydrant, light pole). A minimum of two (2) feet six (6) inches shall be provided between the side of a bicycle parking rack and a parallel wall or other obstruction.
d.
The Director may waive or modify bicycle parking space dimensions if the applicant can demonstrate that they are not appropriate to the land use or location, and to accommodate the parking of 3-wheeled or recumbent bicycles or other non-standard bicycles.
(Ord. No. 4407, § 1, 10-20-2009)
A 48-inch-wide access aisle, measured from the front or rear of the bicycle parking space, shall be provided beside each row or between two (2) rows of bicycle parking. In high traffic areas where many users park or retrieve bikes at the same time, such as at schools or colleges, the recommended minimum aisle width is six (6) feet.
Where a public sidewalk or pathway serves as an aisle of a bicycle parking facility and the doors of bicycle lockers open toward that sidewalk or pathway, the lockers shall be set back so an open door does not encroach onto the main travel width of the sidewalk or pathway.
(Ord. No. 4407, § 1, 10-20-2009; Ord. No. 4639, § 7, 12-17-2024)
Lighting of not less than one (1) foot-candle of illumination at ground level shall be provided in both interior and exterior bicycle parking facilities during hours of use.
(Ord. No. 4407, § 1, 10-20-2009)
This section establishes requirements for land uses that conduct some or all of their business while customers remain in their vehicles. Examples of such land uses include, but are not limited to, fast food establishments with drive-through take-out windows, car washes, and bank services. These standards are not applicable to drive-in theaters or motor vehicle service stations.
(Ord. No. 4407, § 1, 10-20-2009)
A lane that is physically separated from other traffic circulation on the site shall be provided for motor vehicles waiting for drive-through service. The queuing lane for each drive-through window or station shall be at least twelve (12) feet wide, with sufficient turning radii to accommodate motor vehicles. Queuing lanes shall be designated by paint-striping, curbs, or other physical means as appropriate. Queuing lanes shall be designed to avoid interference with on-site pedestrian access. The principal pedestrian access to the entrance of the drive-through facility shall not cross the drive-through lane.
(Ord. No. 4407, § 1, 10-20-2009)
The Director may waive or modify this standard if the applicant can demonstrate through an interior circulation analysis that the relationship of the length of the queuing lane, the nature of the land use, or the physical constraints of the lot make this standard infeasible and that an alternative configuration can safely accommodate vehicle queuing.
(Ord. No. 4407, § 1, 10-20-2009)
Directional signs shall be provided to indicate the entrance, exit, and one-way path of drive-through lanes.
(Ord. No. 4407, § 1, 10-20-2009; Ord. No. 4639, § 7, 12-17-2024)
Drive-through facilities shall not be located between the street and the main building entrance.
(Ord. No. 4407, § 1, 10-20-2009)
The vehicle queuing capacity for land uses containing drive-through facilities shall be as follows:
(Ord. No. 4407, § 1, 10-20-2009)
Safe and convenient off-street passenger loading areas shall be provided for land uses where there are more than one hundred (100) parking spaces, as shown in the table below. Passenger loading areas shall be located at the point(s) of primary pedestrian access from the parking area to the adjacent building, or buildings. Passenger loading areas shall be designed as turn-outs a minimum of nine (9) feet wide and located in such a manner that vehicles waiting in the loading area do not impede vehicular, bicycle or pedestrian circulation.
(Ord. No. 4407, § 1, 10-20-2009)
(Ord. No. 4407, § 1, 10-20-2009)
All commercial and industrial land uses shall provide and maintain off-street materials loading spaces as provided herein.
(Ord. No. 4407, § 1, 10-20-2009)
The Director may waive or modify this standard if the applicant can demonstrate that the site configuration, nature of the land use, or other considerations make off-street loading spaces unnecessary or infeasible.
(Ord. No. 4407, § 1, 10-20-2009)
(Ord. No. 4407, § 1, 10-20-2009)
Commercial and industrial parking areas with materials loading spaces shall be designed to accommodate access and circulation movement for on-site truck circulation.
a.
Location: Loading spaces shall be located on site, outside of any required front or side setback, near the service entrance(s) to the building(s), and either to the rear or side of the building to alleviate unsightly appearances often created by loading facilities. Loading spaces shall also be located as far away as possible from residential land uses.
b.
Screening: See Section 8108-5.14.8.
c.
Dimensions: Spaces serving single-unit trucks and similar delivery vehicles shall be at least ten (10) feet wide, thirty (30) feet long, and fourteen (14) feet high. Spaces serving larger freight vehicles, including semi-trailer trucks, shall be at least twelve (12) feet wide, fifty-five (55) feet long, and fifteen (15) feet high.
d.
Maneuvering: A minimum of thirty (30) feet of maneuvering area for spaces serving single-unit trucks and similar delivery vehicles shall be provided. A minimum of fifty (50) feet of maneuvering area for spaces serving larger freight vehicles shall be provided. Maneuvering areas for loading spaces shall not conflict with parking spaces or with the maneuvering areas for parking spaces. All maneuvering shall be contained on site.
e.
Driveways: Industrial developments shall include at least one (1) driveway approach capable of accommodating a 48-foot wheel track turning radius.
f.
Safe Design: Loading spaces shall be designed and located to minimize intermixing of truck traffic with other vehicular, bicycle and pedestrian traffic on site. Such facilities shall be located off the main access and parking aisles and away from all pedestrian pathways.
(Ord. No. 4407, § 1, 10-20-2009; Ord. No. 4639, § 7, 12-17-2024)