TRANSPORTATION STANDARDS
The purpose and intent of this section is to ensure effective, efficient and safe design of motorized and nonmotorized transportation facilities in accordance with the criteria adopted in the comprehensive plan. The following specifies criteria for all development as stated herein. This chapter is intended to serve the following purposes:
a)
Maintain functional roadway capacity and travel speeds by requiring traffic analyses for new development to determine the need for transportation improvements.
b)
Promote safe and well-designed traffic patterns and enhance functional roadway capacity by maintaining standards for access control.
c)
Provide adequate parking and loading spaces for specific uses within the Town.
d)
Establish design standards for traffic areas which promote safe and logical traffic patterns.
e)
Provide for construction of bike paths and sidewalks to maintain safe bicycle and pedestrian movements and to encourage alternative modes of transportation.
f)
Establish right-of-way widths and protection of rights-of-way within the Town network.
g)
Provide regulations that meet currency management criteria.
(Ord. No. 2010-14, § 1(Exh. B), 7-19-2010)
a)
Driveways.
1)
The choice of the proper location of driveways must involve consideration of the amount of the conflict which can be expected to occur both within the parking area and on the abutting streets. The number of driveways for any individual site shall be the minimum required to adequately serve the needs of the property or development. The following shall serve as guidelines for the number of driveways that will be permitted per site:
A)
Parcels with frontage of one hundred (100) feet or less will be limited to one driveway per frontage.
B)
A single access point per site is preferred. However, there should be no more than two (2) driveways per road frontage for any individual site with less than one thousand (1,000) feet of frontage.
2)
The area to which the driveway provides access shall be of sufficient size and design to allow all necessary functions for loading, unloading, parking, servicing, circulation, and standing of automobiles, trucks, trailers and other vehicles to be carried out on private property completely off the road right-of-way.
3)
No design shall be permitted which requires any vehicle to back out onto public or private right-of-way or easements except for single-family, duplex, and triplex residences. Single-family residential driveways shall not be permitted which would require vehicles to back out onto arterial and collector roadways.
4)
Facilities with drive-in windows must be so designed that waiting vehicles do not extend into the street or right-of-way. A by-pass lane shall be required for all such stack-up facilities.
5)
No new residential development shall create any lots or parcels for single-family, duplex, or triplex residential uses having direct access on an arterial or major collector road, such as but not limited to U.S. 27, C.R. 25A and C.R. 466.
6)
Where lots are developed fronting on existing public roads, the Town may require the use of joint driveways in order to minimize the number and maximize the spacing of access connections. Where joint driveways are required in new developments, the driveway aprons shall be installed during the road construction and shall be part of the construction requirements for the subdivision.
b)
Turn lanes. Turn lanes consist of left turn lanes and right turn lanes (deceleration lanes). Turn lanes shall be installed on the road which is being accessed at the proposed entrance(s) to the development, as determined by the following:
1)
If the property accessing the road is projected to generate fifty (50) or more vehicle trips peak hour.
2)
If a traffic analysis indicates that turn lanes would be necessary to maintain capacity on fronting roads and/or on adjacent or nearby intersections.
3)
If entrances are proposed at locations where grade, topography, site distance, traffic, or other unusual conditions indicate that turn lanes would be needed for traffic safety.
4)
Speed limits of road being accessed or departing from.
(Ord. No. 2010-14, § 1(Exh. B), 7-19-2010)
a)
A traffic impact analysis, where required in the concurrency management system chapter, shall be submitted and shall contain the information as specified in that chapter, and in accordance with the Lake-Sumter Metropolitan Planning Organization (MPO) Guidelines.
b)
Commensurate with any traffic study analysis for commercial projects, peak hour traffic shall be identified so as to restrict delivery of supplies, freight, and other products delivered by large vehicles (i.e., tractor trailers) outside of the peak period. The Town Commission reserves the right to establish these hours at time of site plan approval.
(Ord. No. 2010-14, § 1(Exh. B), 7-19-2010)
Existing road classifications and service levels are described in the comprehensive plan.
a)
Arterial roads.
1)
An arterial road is a route providing service which is relatively continuous and of relatively high traffic volume, long average trip length, high operating speed and of high mobility importance.
2)
The classification of roads as arterials shall be based upon criteria established by the Florida Department of Transportation utilizing their most recent, adopted functional classification system.
b)
Collector roads.
1)
A collector road is a route providing service which is of relatively moderate traffic volume, moderate trip length and moderate operating speed. Collector roads collect and distribute the traffic between local roads and arterial roads and serves as a linkage between land access and mobility needs.
2)
Collector roads are grouped into the following subcategories:
A)
Major collector.
B)
Minor collector.
3)
The classification of roads as collectors shall be based upon criteria established by the Florida Department of Transportation utilizing their most recent, adopted functional classification system.
c)
Local roads. A local road is a route providing service which is of relatively low traffic volume, short average trip length or minimal through traffic movements and numerous connections with relative ease of access for abutting property.
(Ord. No. 2010-14, § 1(Exh. B), 7-19-2010)
a)
Bicycle use. New development shall, if elected or required due to its proximity to an educational facility, or if required as a specified contingency of any subdivision, site or planned development approval, construct bikeways in the following manner:
1)
Bikeways shall be constructed on the side of the right-of-way designated by the Town, regardless of which side new development is proposed.
2)
Bikeways on both sides of any right-of-way which exceeds one hundred twenty (120) feet in width.
3)
Bikeway connectors between bicycle parking areas, main entrances or other areas and the bikeway within the right-of-way when the required number of bicycle parking spaces exceeds five (5). Such connectors shall be a maximum of six (6) feet in width.
4)
Developments which provide for bicycle traffic may utilize bike paths, roadway accommodation or a combination of these and any other approved facility type. The improvements which are proposed to address bicycle traffic are to be included in the construction plans of the development to comply with F.D.O.T. or standards later in this chapter.
5)
Bikeways should be designed to take advantage of natural areas and provide a visually pleasurable route by meandering around and through natural undisturbed areas, landscape buffers and man-made landscape features.
6)
Bike paths are separate facilities from the roadway, may be located in separate easements or rights-of-way and are used to accommodate bicycle traffic. Bike paths may be included in a system integrating both bicycle and pedestrian traffic; however, the pathways must be clearly delineated to avoid conflicts between cyclists and pedestrians.
7)
Roadway accommodation is a means in which bicycle traffic is integrated into the roadway with motorized traffic and may be accomplished by one (1) of the following:
A)
Paved shoulders. Paved shoulders are utilized on swale section roadways. This approach entails paving a portion of shoulder area directly adjacent to the motorized travel lanes and delineating the two (2) areas with a white edge stripe.
B)
Wide curb lanes. Wide curb lanes are utilized on curb and gutter section roadways. This approach provides additional pavement width on the curb lanes to allow room for cyclists to travel in the roadway between the vehicles and the curb. No additional delineation or striping is required.
C)
Bicycle lanes. Bicycle lanes are additional travel lanes which are dedicated for bicycle use and are clearly delineated as such. Bicycle lanes are one-way facilities and carry traffic in the same direction as adjacent motor vehicle traffic.
b)
Pedestrian use.
1)
Developments, if required in the development order to provide for pedestrian traffic, may utilize sidewalks, pedestrian walkways, mulched footpaths or a combination of these and any other approved facility type. The improvements which are proposed to address pedestrian traffic are to be included in the construction plans of the development.
2)
Pedestrian walkways and mulched footpaths are separate facilities from sidewalks, located in separate easements or rights-of-way and are used to accommodate pedestrian traffic. Walkways may be included in a system integrating both pedestrian and bicycle traffic; however, the pathways must be clearly delineated to avoid conflicts between pedestrians and cyclists.
c)
Golf cart use.
1)
Developments, when contiguous to development already served by golf cart connectivity shall provide a five (5) feet path, one-way, to accommodate golf cart traffic; where golf cart connectivity is not in place but is desirable for the future, the Commission may require dedication of an easement for such purposes. Cart pathways must be clearly delineated to avoid conflicts between golf carts and automobiles.
2)
Where cart paths cross over other roads and right-of-way, change in surface texture shall be provided with signage to indicate location of crossing.
(Ord. No. 2010-14, § 1(Exh. B), 7-19-2010)
The following regulations are designed to promote the safety of vehicular and pedestrian traffic, minimize traffic congestion, promote roadside aesthetics and enhance the functional capacity of roads and highways in the Town of Lady Lake. These regulations shall be in addition to those imposed by the Florida Department of Transportation (Rule Chapters 14-96 and 14-97, F.A.C., as amended) and Lake County (Ordinance 1991-13), or as amended, for roads under their jurisdiction. A pre-application meeting with the Town Manager or designee is recommended to determine the regulations applicable to a particular development.
(Ord. No. 2010-14, § 1(Exh. B), 7-19-2010)
a)
Driveways.
1)
Cross-access easements. When proposed projects will front on Town streets, the Town may require the use of joint driveways and/or cross-access easements in order to minimize the number and maximize the spacing of access connections. Cross access easements shall be required along all arterials and major and minor collectors unless due hardship can be demonstrated as to why such easements cannot be provided. Such easements shall be located no closer than one hundred (100) feet from the edge of the nearest right-of-way line of an intersecting road of an arterial or major/minor collector. If the depth of the property is less than one hundred feet, such easement shall be located as far to the rear of the property as possible. Whenever cross-access corridors or coordinated or joint parking designs are provided to accomplish access management, each applicant for development approval shall provide such easements or agreements as may be necessary to ensure that adjoining properties shall be appropriately connected in order to implement a unified system allowing general cross-access to an from the other properties in the affected area. Such easements or agreements shall be recorded in the public records of Lake County and shall constitute a covenant running with the land.
2)
Location.
A)
Driveways shall not be permitted in the radius return of an intersection.
B)
No driveway shall be located within three feet of a stormwater inlet except in the case of residential driveways on local streets.
C)
No commercial driveway shall be permitted with its nearest edge closer than one hundred (100) feet, or if lot does not have one hundred (100) feet then at the furthest point, from the edge of the nearest right-of-way line of an intersecting road classified as collector or arterial.
D)
All driveways shall be constructed at a right angle (ninety (90) degree) to the street or roadway for a minimum distance of twenty (20) feet from the edge of pavement whenever possible. This requirement may be waived for one-way driveways, provided that the angle chosen represents improved ingress or egress compared to a right angle driveway and does not adversely affect the driver's sight distance.
E)
The minimum distance between the nearest edge of an access drive and any property line without a cross-access easement shall be as follows:
* Undesirable uses on roads of this classification and generally not permitted.
3)
Width and radii.
A)
The width and radii of a two-way driveway access shall be within the dimensions specified below. Actual width and radii shall be based on classification of the roadway, number of entrances to the parcel, and expected traffic demand, including truck traffic.
*Note: Where one (1) way turning motions are dictated, reverse radii with a two and one-half (2.5) foot radius bullnose shall be provided.
B)
The Town Manager or designee may require a larger radius on any driveway when deemed necessary for traffic safety.
C)
A smaller radius may be approved upon the applicant's demonstration that the smaller radius is more appropriate for the particular parcel of property being served and that the traffic flow on the street being accessed is not impaired.
D)
Driveway radii shall be designed and constructed to connect tangentially at the edge of the road pavement and at the edge of the driveway lane.
4)
Improvements necessary.
A)
All driveways shall be paved from the edge of pavement to edge of the right-of-way.
B)
Improvements to the public road to which any driveway would connect will be required when necessary to ensure safe an adequate ingress and egress to the site.
C)
On roads with curb and gutter, valley gutters shall be required in driveways and shall be placed in line with the gutter line along the edge of road or as otherwise provided.
b)
Turn lanes.
1)
Turn lanes shall consist of storage lanes and tapers.
2)
Right turn lane. The desirable lengths of tapers and storage are based on the design speed of the road and must comply with F.D.O.T. standards.
3)
Left turn lane. The desirable lengths of storage and tapers are based on the design speed of the road and must comply with F.D.O.T. standards.
The length of taper for left turn lanes is based upon the assumption that the lateral shift of through traffic is equal in both directions (i.e. six (6) foot lateral movement for both directions of traffic). In cases where the lateral shift for one (1) direction of traffic exceeds six (6) feet, the length of taper shall be extended proportionately utilizing the following formula: New length of taper = (standard length of taper) × (maximum lateral shift divided by six (6)).
The new length of taper shall be calculated to the nearest ten (10) foot increment. The total length of taper shall be based upon the maximum length required and shall be symmetrical about the centerline.
4)
The Town Manager or designee may increase the standard lengths if deemed necessary for purposes of continuity with design speeds, traffic safety, and consistency with existing improvements.
5)
If either terminus of the proposed auxiliary lane section is within the standard taper length from an existing auxiliary lane terminus, then a total thirty-six (36) foot section may be required to eliminate weaving or "Hour Glass" sections.
6)
In cases involving state roads where these standards conflict with those of the Florida Department of Transportation, the standards of the F.D.O.T. shall apply.
7)
In cases involving county roads where these standards conflict with those of Lake County, the standards of Lake County shall apply.
c)
Service and frontage roads (if provided).
1)
Two-lane, two-way road. Two (2) eleven (11) foot lanes with two (2) six (6) foot stabilized shoulders and drainage swales as needed to accommodate runoff. Curb and gutter section roads shall have eleven (11) foot lanes measured exclusive of curb and gutters.
2)
One-lane, one-way road. One (1) fourteen (14) foot lane with two (2) six (6) foot stabilized shoulders and drainage swales as needed to accommodate runoff. Curb and gutter section roads shall have fourteen (14) foot lanes measured exclusive of curb and gutters.
3)
Two-lane, one-way road. Two (2) twelve (12) foot lanes with two six (6) foot stabilized shoulders and drainage swales as needed to accommodate runoff. Curb and gutter section roads shall have eleven (11) foot lanes measured exclusive of curb and gutters.
4)
Service and frontage roads shall be built utilizing the same construction standards as other Town roads.
5)
The drainage system for a frontage road should be coordinated with the drainage system of the adjoining site. Portions of the frontage road right-of-way may be utilized for a combined stormwater management system accommodating runoff from both the frontage road and the adjoining site if approved by the Town Manager or designee. However, in such cases, a maintenance easement and agreement shall be dedicated over the stormwater management system.
6)
The drainage system for a frontage road in a dedicated, public right-of-way may be combined with the drainage system of the fronting roadway if deemed to be practical and desirable by the Town Manager or designee. In cases where the fronting roadway is a state or country road, this would additionally require the approval of the Florida Department of Transportation or Lake County.
d)
Paved access.
1)
Subdivisions shall have paved access constructed to Town road standards from the entrance of the development to the nearest publicly maintained paved road, or private paved road constructed to Town standards, and of sufficient function and capacity to accommodate the increased traffic.
2)
Should adequate paved access not exist, it shall be the responsibility of the developer to make all improvements necessary to provide paved access.
3)
Site plans shall have paved access as required for subdivisions.
(Ord. No. 2010-14, § 1(Exh. B), 7-19-2010)
a)
General. Unless otherwise explicitly stated in these regulations, road design shall be based on structural ranges and follow the guidelines in:
1)
The F.D.O.T. Roadway and Traffic Design Standards, latest edition.
2)
The Florida Green Book.
3)
The F.D.O.T. Standard Specifications for Road and Bridge Construction, latest edition.
4)
The Manual of Uniform Traffic Control Devices, latest edition.
b)
Private roads. Private roads shall be designed and constructed according to the standards included in these regulations.
c)
Roads within subdivisions. Roads within a subdivision shall also be designed per the standards in the Subdivisions and Plats chapter.
d)
Intersections.
1)
Connections shall be aligned wherever possible to provide full intersections; offset intersections will not be acceptable.
2)
The minimum intersection offset distance shall be as follows:
3)
Roads shall be laid out to intersect as nearly as possible at right angles (90 degrees) or radial, and no road shall intersect any other road at less than sixty (60) degrees.
4)
Multiple intersections involving the juncture of more than two (2) roadways or driveway approaches shall be prohibited.
5)
Curved roads shall have a minimum tangent of one hundred (100) feet at intersections.
6)
Sight distance shall be provided at all intersections by either providing rounded right-of-way lines or straight corner cuts (sight distance triangles). The right-of-way at subdivision intersection shall be rounded with a minimum twenty-five (25) foot radius, or as otherwise required by traffic conditions or geometric requirements.
7)
Roads shall be designed and constructed both horizontally and vertically to comply with applicable Florida Department of Transportation standards for minimum sight distance at intersections.
8)
Minimum pavement corner radius shall be thirty-five (35) feet. A radius of fifty (50) feet shall be used on high volume roads greater than three thousand (>3,000 ADT) or roads with a horizontal design speed in excess of thirty-five (35) mph.
e)
Horizontal alignment.
1)
Design speed. Horizontal alignment shall be based upon the following minimum design speeds:
2)
Horizontal curves.
A)
Whenever a street changes direction or connecting street lines deflect from each other by more than ten (10) degrees, there shall be a horizontal curve.
B)
Minimum centerline radii for horizontal curves shall be as follows:
f)
Vertical alignment.
1)
Design speed. Vertical alignment shall be based upon minimum design speeds.
2)
Grades.
A)
Minimum grades for roads with curb and gutter shall be thirty (0.30) percent. Maximum grades for roads shall be eight (8.0) percent.
B)
The Town Manager or designee may allow exceptions to grading requirements in cases involving severe topography. However, in no case shall the maximum grade exceed ten (10) percent.
C)
The gradient of all approaches within one hundred (100) feet of intersections shall not exceed three (3) percent.
g)
Pavement width. Standard pavement widths shall be measured exclusive of curbs and gutters and shall be based upon the following table:
h)
Right-of-way.
1)
The following are generalized right-of-way width requirements for new development within the Town:
These are generalized width requirements and may be increased at the request of the appropriate jurisdiction if the proposed project fronts on a State or County road.
2)
A proposed subdivision or site plan that abuts or encompasses an existing public road that does not conform to the minimum right-of-way requirements shall provide for the dedication of additional right-of-way along either one (1) or both sides of said road to meet the minimum right-of-way required by these regulations. If the proposed subdivision abuts only one (1) side of said road, then a minimum of one-half (1/2) of the required right-of-way shall be dedicated or reserved prior to approval of such subdivision or site plan.
i)
Roads within flood prone areas. The minimum centerline elevation for roads within flood prone areas shall be as follows:
j)
Medians, islands, and guardhouses.
1)
Medians and islands within the road right-of-way are prohibited unless it can be demonstrated to the Town Manager or designee that it is an integral part of the proposed transportation system and will not create a traffic safety hazard.
2)
Medians, islands, and islands in cul-de-sacs shall not be designated as parks or recreation areas, but they may be landscaped if approved by the Town Manager or designee.
3)
When an island in a cul-de-sac or entrance median is proposed:
A)
The area is to be included as part of the road right-of-way, but the maintenance shall be the responsibility of the lot owners. Dedication of maintenance shall be to a specific entity, i.e. a homeowners association. The Town shall have the ability to modify, alter, or remove all or portions of the island or median as necessary for roadway improvements or improvements for traffic safety.
B)
The median plans shall be included in the construction plans.
4)
The minimum median width for divided boulevards shall be eight (8) feet.
5)
Guardhouses.
A)
Guardhouses within the right-of-way shall be subject to the approval of the Town.
B)
Guardhouses shall not be used to prevent access to publicly dedicated roads.
C)
If a guardhouse is proposed, the guardhouse plans and construction shall meet the approval of the building department. Plans for the guardhouse shall be included in the road construction plans.
(Ord. No. 2010-14, § 1(Exh. B), 7-19-2010)
a)
Bicycle and pedestrian use.
1)
Bicycle paths.
A)
Bicycle paths are to be designed utilizing standards found in the latest edition of the Florida Department of Transportation Bicycle Facilities Planning & Design Manual.
B)
Bicycle paths should be a minimum of ten (10) feet wide for two-way traffic. A width of eight (8) feet may be allowed due to site constraints if approved by the Town Manager or designee. One-way bicycle paths should be a minimum of five (5) feet wide. Pathways which combine bicycle and pedestrian traffic shall be a minimum of twelve (12) feet wide and properly marked to segregate pedestrians and cyclists.
C)
A minimum two (2) foot graded area shall be maintained adjacent to both sides of the pavement.
D)
When bicycle paths are located adjacent to roadways there shall be a minimum five (5) foot separation from the edge of roadway pavement to the edge of bicycle path pavement. When bicycle paths are located adjacent to canals, ditches, or other significant depressions, a minimum seven (7) foot separation from the edge of the bicycle path pavement to the top of slope shall be required. This separation area shall be graded with a cross-slope no greater than five (5) percent.
2)
Paved shoulders. The minimum width of paved shoulders is dependent upon the classification of the roadway; however, no paved shoulder, for purposes of bicycle use, shall be less than two (2) feet wide.
3)
Wide curb lanes. Wide curb lanes shall be utilized only on roads with a minimum lane width of twelve (12) feet.
4)
Bicycle lanes.
A)
Bicycle lanes are to be designed utilizing standards found in the latest edition of the Florida Department of Transportation Bicycle Facilities Planning & Design Manual.
B)
Bicycle lanes shall be designed as one-way facilities and shall flow in the same direction as the adjacent motor vehicle traffic.
C)
Bicycle lanes shall be a minimum of four (4) feet wide. However, on roadways with on-street parking, the minimum bicycle lane width shall be five (5) feet and the lane shall be located between the motor vehicle lane and the parking lane.
5)
Sidewalks.
A)
Sidewalks shall be generally located along the inside edge of the right-of-way line. Deviations from this standard may be allowed to accommodate existing topography (trees, etc.) or as part of an approved streetscaping plan.
B)
Sidewalks may be constructed by the developer at the time of road construction or by the individual lot owner at the time of building construction. However, the developer shall construct sidewalks, as part of road construction, in areas that do not front individual lots.
C)
All sidewalks shall have a minimum width of five (5) feet except for those along local streets which shall have a minimum width of four (4) feet.
D)
Sidewalks shall include ramps where utilized with curb and gutter section roads.
E)
Sidewalks must conform to ADA standards.
6)
Pedestrian walkways.
A)
Pedestrian walkways should be a minimum of five (5) feet wide. Pathways which combine bicycle and pedestrian traffic shall be a minimum of twelve (12) feet wide and properly marked to segregate pedestrians and cyclists.
B)
A minimum two (2) foot graded area shall be maintained adjacent to both sides of the pavement.
7)
Mulched footpaths. Mulched footpaths should be a minimum of four (4) feet wide with a minimum two (2) foot graded area maintained adjacent to both sides of the pathway.
b)
Street lighting. Street lighting, when proposed, shall be located within the right-of-way on separate utility poles specifically for that purpose.
c)
Street trees. Street trees may be planted along the right-of-way line provided that the spacing is not less than fifty (50) feet on center. Street trees may be located elsewhere within the right-of-way if part of an approved streetscaping plan. Minimum spacing may be reduced if approved by the Town Manager or designee. Trees shall be a minimum of twenty (20) feet from utility lines (underground and overhead).
d)
Stormwater discharge into rights-of-way. The outfall of stormwater management systems into the public rights-of-way may be allowable provided that the following are met:
1)
The stormwater management system complies with the criteria in the Stormwater Management chapter of this Code.
2)
The outfall does not constitute an appreciable change in the nature of the discharge into the right-of-way.
3)
The downstream drainage system within the right-of-way is of sufficient capacity to accommodate the discharge and that the discharge will not appreciably add to or contribute to an existing drainage problem. If necessary, the developer shall provide any improvements needed to allow the downstream drainage system to accommodate the outfall discharge.
(Ord. No. 2010-14, § 1(Exh. B), 7-19-2010)
a)
Pavement marking and signing.
1)
Pavement marking and signing shall be included on the construction plans for any road.
2)
Pavement markings and signing design shall conform to all criteria herein, as well as applicable criteria contained in the following publications:
A)
Florida DOT. Manual of Uniform Minimum Standards for Design, Construction and Maintenance for Streets and Highways, latest edition.
B)
U.S. Department of Transportation, Federal Highway Administration. Manual of Uniform Traffic Control Devices for Streets and Highways, latest edition.
C)
Other references or publications as directed by the Town Manager or designee.
3)
All legs of an intersection which are to be regulated in a stop condition shall include a stop sign, a stop bar and a double yellow centerline stripe a length of at least one hundred (100) feet from the stop bar.
4)
Regulatory and warning signs (speed limit, curve signs, etc.) shall be included on the construction plans and shall be installed as part of construction.
5)
All intersections shall include street name signs, the location of which is to be identified on the construction plans. Street name signs may be placed atop the post of stop signs if such location is visible from all directions of the intersection.
b)
Signals.
1)
Traffic signal design for intersections involving Town roads shall be based upon site specific conditions and shall proceed under close coordination with the Town.
2)
Installation of a traffic signal, including a flashing beacon, on Town roads shall be subject to the approval of the Town Manager or designee. Approval shall be based upon a signal warrant analysis utilizing Florida Department of Transportation warrant criteria in use at the time.
(Ord. No. 2010-14, § 1(Exh. B), 7-19-2010)
The purpose is to provide standards for the construction of transportation improvements. Unless otherwise indicated in these regulations, construction shall comply with the latest edition of the Florida Department of Transportation Standard Specifications for Road and Bridge Construction. In cases of discrepancy between the standards herein, FDOT, and other sections of the Land Development Regulations, the Town Manager or designee shall make an interpretation of the intent of the specifications.
(Ord. No. 2010-14, § 1(Exh. B), 7-19-2010)
a)
Clearing and grubbing.
1)
All rights-of-way shall be completely cleared and grubbed for their entire width. Selective clearing and grubbing in order to preserve desirable, existing landscape may be allowed provided that the final determination of areas to be cleared and grubbed is made by the Town Manager or designee.
2)
Trash, brush, trees, etc. may be chipped within the right-of-way limits.
b)
Earthwork.
1)
In areas where unsuitable materials (muck, peat, clay, rock, etc.) are uncovered, the contractor shall over-excavate to a depth approved by the Town and shall backfill with a suitable material in an approved manner as directed by the Town Manager or designee.
2)
Materials used in fill areas shall be suitable for that use. If the suitability of the material is uncertain, final determination shall be made by the Town Manager or designee.
3)
Fill areas shall be constructed in six (6) inch lifts.
4)
Hauling equipment which is loaded beyond the capacity of any paved road or structure, or any hauling equipment loaded beyond the legal load limit, is not permitted. The contractor shall restore any roads, public or private, damaged by his equipment, to its original condition. This requirement shall apply to all phases of construction.
c)
Bridges.
1)
Bridges shall be constructed of precast concrete, pre-stressed concrete, cast-in-place concrete, composite concrete and steel, or steel.
2)
Bridge design shall conform to the design criteria of the latest edition, AASHTO Standard Specifications for Highway Bridges.
3)
Prior to design of bridges, the developer's engineer shall submit design load criteria to the Town for approval.
4)
Materials and methods of construction shall conform to the Department of Transportation Standard Specifications for Road and Bridge Construction, latest edition.
d)
Culverts, storm sewers and ditches. Culverts, storm sewers and ditches shall conform to the criteria in the stormwater management chapter of this Code.
e)
Utility pipes. Pressurized PVC pipe laid under roadways, with the exception of local streets, shall be encased. An acceptable alternative shall be the utilization of ductile iron pipe without encasement.
f)
Inlets, manholes, and mitered end sections. Inlets, manholes, and mitered end sections shall be constructed in accordance with the Florida Department of Transportation Standard Specifications for Road and Bridge Construction, latest edition.
g)
Groundwater and road underdrains.
1)
Roads shall be designed such that the high groundwater elevation is at least six (6) inches below the bottom of the subgrade. In cases where this is unattainable, road underdrains may be utilized with the approval of the Town Manager or designee. Underdrain design shall be subject to the approval of the Town Manager or designee.
2)
If road underdrains are installed which discharge into the stormwater management system, the retention/detention system shall be designed to accommodate the additional flow and volume due to the groundwater discharge.
h)
Sodding and seeding and mulching.
1)
Sodding.
A)
Two strips (each twenty-four (24) inch wide) of sod shall be placed along the edge of pavement on all roads with swales.
B)
Swale checks shall be completely sodded along their length and from the edge of pavement to the right-of-way line.
C)
Roads which exceed a grade of three (3) percent shall be sodded from edge of pavement to the edge of the right-of-way to prevent excessive erosion and sedimentation. This requirement may be temporarily waived by the Town Manager or designee provided that the developer shall maintain the road section and shall promptly clean up any erosion or sedimentation to the Town's satisfaction. Additionally, all sod shall have been placed and the stormwater management system shall be free of sedimentation prior to the release of the maintenance bond and assumption of maintenance by the Town for public roads or within two (2) years of road construction for private roads.
D)
The contractor shall be responsible for watering and maintaining the viability of the sod after installation until the improvements shall pass the final inspection. Any sod which dies within this period shall be replaced at no cost to the Town.
E)
All grassed areas within existing Town rights-of-way that are disturbed by construction shall be resodded to the Town's satisfaction.
2)
Seeding and mulching.
A)
All unpaved areas of the right-of-way that are not required to be sodded shall be seeded and mulched.
B)
Seeding and mulching shall be distributed on a per acre basis. The mix for a one (1) acre area shall include: thirty (30) pounds of Bermuda (one-half (½) hulled/ one-half (½) unhulled), eighty (80) pounds of Bahia, five hundred fifty (550) pounds of fertilizer and from October 1 through March 31, fifty (50) pounds of millett shall be included. A clean, weed-free mulch shall be used.
C)
Proper watering shall be included for two (2) weeks from the completion of the seeding and mulching.
i)
Bicycle and pedestrian improvements.
1)
Bicycle paths.
A)
The pavement section for bicycle paths shall be one (1) of the following:
1.
Four (4) inches of Type II asphaltic concrete laid directly on a compacted subgrade; or
2.
One and one-half (1½) inches of Type II asphaltic concrete overlaying a four (4) inch compacted limerock base laid on a compacted subgrade; or
3.
Four (4) inches to two thousand five hundred (2,500) PSI concrete reinforced with fiber mesh or 6 × 6 W1.4 × W1.4 mesh laid on a compacted subgrade. Saw cut traverse joints shall be included to control cracking. Joints shall be cut within twenty-four (24) hours of the pour and shall be spaced a length equal to the width of the bicycle path.
B)
Bicycle paths shall be marked with paint as opposed to thermoplastic.
2)
Paved shoulders.
A)
New roads. Paved shoulders shall be constructed by adding the paved shoulder width to the roadway pavement width. The paved shoulder shall be delineated from the travel lane by the placement of an edge stripe.
B)
Existing roads. Paved shoulders shall be constructed in the same manner as turn lanes.
3)
Sidewalks. Sidewalks within the public right-of-way shall be constructed as follows:
A)
Sidewalks shall be four (4) inches to two thousand five hundred (2,500) PSI concrete with fiber mesh or 6 × 6 W1.4 × W1.4 wire mesh.
B)
The depth shall be six (6) inches at driveways.
C)
Saw cut traverse joints shall be included to control cracking. Joints shall be cut within twenty-four (24) hours of the pour and shall be spaced a length equal to the width of the sidewalk.
4)
Public pedestrian walkways. The pavement section for pedestrian walkways shall be one (1) of the following:
A)
Four (4) inches of Type II asphaltic concrete laid directly on a compacted subgrade; or
B)
One and one-half (1½) inches of Type II asphaltic concrete overlaying a four (4) inches compacted limerock base laid on a compacted subgrade; or
C)
Walkways shall be four (4) inches to two thousand five hundred (2,500) PSI concrete reinforced with fiber mesh or with 6 × 6 W1.4 × W1.4 mesh if the walkway is to be wider than five (5) feet, laid on a compacted subgrade. Saw cut traverse joints shall be included to control cracking. Joints shall be cut within twenty-four (24) hours of the pour and shall be a length equal to the width of the walkway.
5)
Mulched foot paths. Mulched foot paths shall be cleared and compacted and shall have three (3) inches of mulch placed along its entire area.
j)
Driveways aprons.
1)
Single-family residential driveway. Six (6) inch limerock base, ninety-eight (98) percent compacted with one (1) inch asphalt Type III or six (6) inches to two thousand five hundred (2,500) PSI concrete reinforced with 6 × 6 W1.4 × W1.4 mesh or fiber mesh constructed from the property line to the edge of existing pavement. Depending upon roadside drainage, a driveway culvert may be required.
2)
Non-single-family residential driveway. Eight (8) inches limerock base, ninety-eight (98) percent compacted with one (1) inch asphalt Type III or 6" - 2500 PSI concrete reinforced with 6 × 6 W1.4 × W1.4 mesh or fiber mesh constructed from the property line to the edge of existing pavement. Depending upon roadside drainage, a driveway culvert may be required.
k)
Turn lanes.
1)
Turn lanes shall be constructed as a widening of existing pavement. The Town Manager, or designee may waive the overlay requirement if the road is scheduled for construction within one (1) year of the installation of the turn lanes(s). If deemed necessary, the Town Manager or designee may require an overlay.
2)
Road widening for the installation of turn lanes shall be constructed the same as the road being accessed/widened.
3)
All turn lanes shall be marked with thermoplastic striping and reflective buttons.
(Ord. No. 2010-14, § 1(Exh. B), 7-19-2010)
a)
Subgrade. The following are minimum standards for the stabilized subgrade:
1)
Width: The subgrade shall be two (2) feet wider than the base course (one (1) foot each side) and in the case of curb and gutter shall extend six (6) inches behind the curb.
2)
Depth: The subgrade shall have a minimum depth of twelve (12) inches.
3)
Compaction: The subgrade shall be compacted to ninety-eight (98) percent density having a minimum Florida Bearing Value (FBV) of fifty (50) pounds per square inch.
4)
Care of subgrade: Trucks will be allowed on finished subgrade to dump base course, but contractor will be required to level out ruts. In the event the trucks cause too much damage to the subgrade, the Town Manager or designee may require dumping, spreading, and hauling on the base course.
b)
Shoulders. The following are minimum standards for shoulders:
1)
Width: Shoulders shall be eight (8) feet wide. A reduction in the width requirement may be allowed if approved by the Town Manager or designee.
2)
Depth: Shoulders shall have a minimum depth of six (6) inches.
3)
Compaction: Shoulders shall be compacted to a minimum Florida Bearing Value of fifty (50) pounds per square inch.
4)
Grading: Shoulders shall be graded with a minimum cross-slope of one-half (½) inch/foot.
c)
Base course. The following are minimum standards for the base course:
1)
Material: Ocala limerock or soil cement are acceptable material types for the road base. Other materials may be used if approved by the Town Manager or designee. Soil cement may not be utilized on heavy duty roads without specific approval by the Town Manager or designee.
2)
Width: All bases shall be one (1) foot wider (six (6) inches each side) than the finished surface.
3)
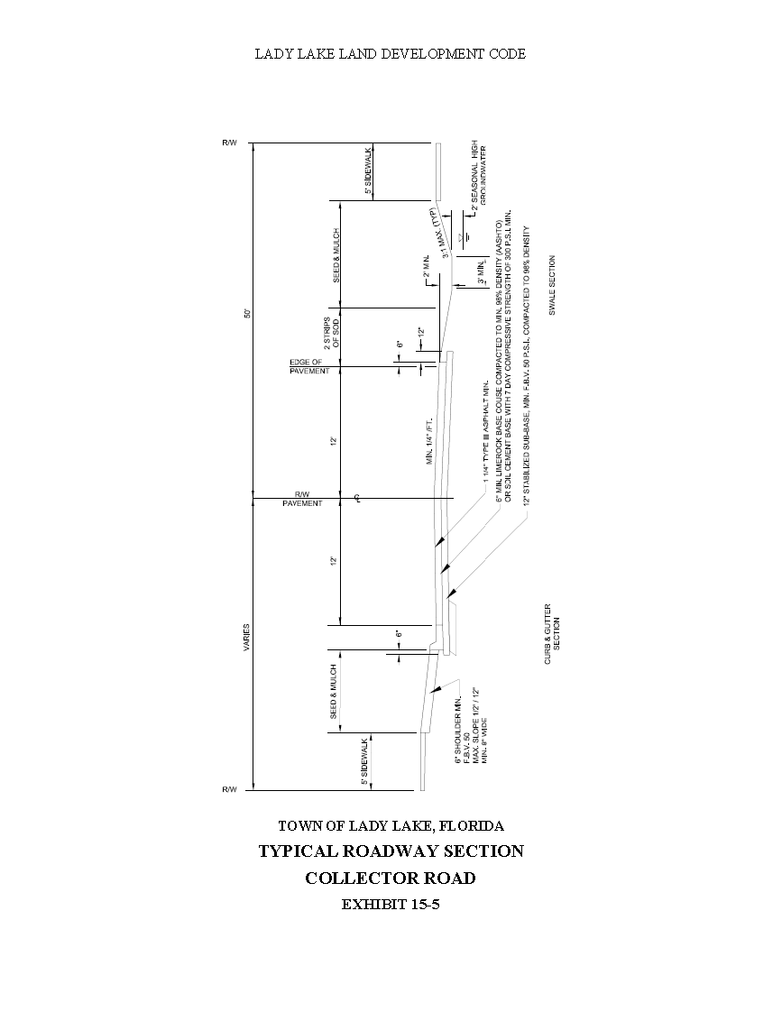
Depth: The base shall have a minimum compacted depth of six (6) inches. Collector roads shall have a base with a minimum depth of eight inches placed in two (2) lifts. Arterial roads shall have a base with a minimum depth of twelve (12) inches placed in four (4) lifts.
4)
Compaction: Limerock base shall be compacted to a minimum ninety-eight (98) percent density as determined by AASHTO T-180.
5)
Strength: Soil cement base shall have a seven (7) day design compressive strength of at least three hundred (300) PSI.
6)
Forms: No form boards will be required unless, in the opinion of the Town Manager or designee, the contractor is not taking precautions to obtain the full depth at the edges.
7)
Grading: The base shall be graded and rolled to conform to the grade and cross-slope of the finished roadway.
8)
Prime coat: Prime coat shall be applied to all base courses, and sand sealed.
d)
Wearing surface. The following are minimum standards for pavement wearing surface:
1)
Material: S-1, S-3, and Type III asphaltic concrete shall be used for the road wearing surface. Minimum average compacted thicknesses are one and one-half (1½) inches, one and one-quarter (1¼) inches and one (1) inch respectively. FC-1 and FC-4 asphaltic concrete shall be used for the road friction surfaces. Minimum average compacted thicknesses are three-quarter (¾) inch and five-eighths (⅝) inches respectively.
2)
Depth: Roads shall have a minimum average one (1) inch depth of wearing surface.
3)
Arterial roads shall have a wearing surface consisting of two (2) inches of S-1 asphaltic concrete overlayed with a one (1) inch friction course of FC-1.
4)
Major collector roads shall have a wearing surface consisting of two (2) inches of S-3 asphaltic concrete overlayed with a three-quarter (¾) inches friction course of FC-4 asphaltic concrete.
5)
Minor collector roads shall have a wearing surface of one and one-half (1½) inches of S-3 asphaltic concrete.
6)
Local roads shall have a wearing surface of one and one-quarter (1¼) inches of Type III asphaltic concrete.
7)
Grading: Road surfaces shall be graded with a minimum cross-slope of one-quarter (¼) inch/foot.
e)
Curb and gutter.
1)
The width of curb and gutter shall be a minimum of twenty-four (24) inches and shall be either Florida Department of Transportation type F (standard curb and gutter) or Miami type, depending upon the flow to be handled. FDOT type D (simple vertical curbing) will not be acceptable. FDOT type A (mountable median curb) may be used around median dividers on the high side of pavement. There shall be a stabilized subgrade beneath all curb and gutter.
2)
No water valve boxes, meters, portions of manholes, or other appurtenances of any kind relating to any underground utilities shall be located in any portion of a curb and gutter section.
3)
The curb and gutter flow line grades shall run parallel to the road centerline grade. The minimum allowable flow line grade of curbs and gutters shall be thirty (0.30) percent.
4)
Joints shall be sawed (unless an alternate method is used) at intervals of ten (10) feet, except where shorter intervals are required for closures, but, in no case, less than four (4) feet. Joints shall be cut within twenty-four (24) hours of the time that the curb and gutter is poured.
5)
All cross-street valley gutters shall be constructed of concrete.
f)
Decorative pavement.
1)
The use of decorative pavement shall be subject to the approval of the Town Manager or designee. The Town shall not assume the maintenance of decorative pavement sections. Maintenance shall be the responsibility of a homeowners association or other acceptable entity.
2)
The Town shall have the right to modify, alter, or remove all or a portion of the decorative pavement as necessary for roadway improvements or improvements for traffic safety.
3)
Textured/pressed pavement. Textured/Pressed pavements shall meet the requirements for concrete pavement in the Florida Department of Transportation Standard Specifications for Road and Bridge Construction, latest edition. The developer shall submit to the Town, for approval, manufacturers' specifications confirming adherence to these regulations.
4)
Paving bricks. The use of paving bricks shall be subject to the approval of the Town. The developer shall submit to the Town, for approval, manufacturers' literature and technical specifications regarding the structural strength, skid resistance and subgrade requirements.
g)
Clay roads. New clay roads shall not be brought into the Town maintenance system.
h)
Testing.
1)
Testing shall be provided as part of construction and shall be at no cost to the Town. Testing shall be performed by an independent engineering testing laboratory certified in the State of Florida.
2)
The following are minimum testing requirements:
A)
Subgrade. Testing for the subgrade thickness, bearing value and density shall be located no more than five hundred (500) feet apart and shall be staggered to the left, right and on the centerline of the roadway. The Town Manager or designee may also require additional test locations. There shall be no less than one (1) test per road. Testing shall be in accordance with applicable FDOT, AASHTO, or ASTM standards. Certified test results shall be submitted to the Town for approval prior to proceeding with the base course.
B)
Limerock base. Testing for the base thickness and density shall be located no more than five hundred (500) feet apart and shall be staggered to the left, right and on the centerline of the roadway. The Town Manager or designee may also require additional test locations. There shall be no less than one (1) test per road. Testing shall include modified proctor maximum density and inplace field density and thickness. Testing shall be in accordance with applicable FDOT, AASHTO, or ASTM standards. Certified test results shall be submitted to the Town for approval prior to proceeding with the wearing surface.
C)
Soil cement base. Testing for the base thickness and strength shall be located no more than five hundred (500) feet apart and shall be staggered to the left, right and on the centerline of the roadway. The Town Manager or designee may also require additional test locations. There shall be no less than one (1) test per road. Testing shall include test cores taken after seven (7) days to verify thickness and testing to verify a minimum seven (7) day compressive strength of three hundred (300) PSI. Testing shall be in accordance with applicable FDOT, AASHTO, or ASTM standards. Certified test results shall be submitted to the Town for a approval prior to proceeding with the wearing surface.
D)
Wearing surface. Testing for wearing surface thickness shall be located no more than five hundred (500) feet apart and shall be staggered to the left, right and on the centerline of the roadway. The Town Manager or designee may also require additional test locations. There shall be no less than one (1) test per road. Testing shall include certified design mix submitted for approval prior to placing asphalt, extractions taken in field (at least one (1) per day) and corings to verify thickness. Testing shall be in accordance with applicable FDOT, AASHTO, or ASTM standards. Certified test results shall be submitted to the Town for approval.
(Ord. No. 2010-14, § 1(Exh. B), 7-19-2010)
a)
Pavement marking.
1)
All pavement marking and traffic control signs shall be in place prior to final inspection. The installation of traffic control devices shall be at no cost to the Town. All materials and installation shall conform to the specifications of the Manual of Uniform Traffic Control Devices, latest edition.
2)
If, at any time prior to final acceptance, an unforeseen need becomes apparent for signing or pavement markings that were not shown on the approved plans, the Town may require additional sign(s) or markings in the interest of public safety and as a condition of Town acceptance.
3)
All pavement marking shall be thermoplastic except for on bike paths and bike lanes which shall be standard paint for pavement marking.
b)
Signing.
1)
All regulatory signs shall have "high intensity" facings or better.
2)
Stop signs shall be placed on round aluminum posts and shall be thirty-six (36) inches in diameter.
3)
Road name signs shall be at least six (6) inches high with a length of twenty-four (24) inches minimum.
(Ord. No. 2010-14, § 1(Exh. B), 7-19-2010)
The purpose is to control the utilization of the public rights-of-way and public easements lying within the Town of Lady Lake in the interest of public health, safety, and welfare of the citizens and inhabitants of Lady Lake. It is the intent to promote good engineering practices which will assure the maximum utilization of the public rights-of-way and public easements by all the citizens with the lowest life cycle cost to all due to safety, operation, and maintenance.
(Ord. No. 2010-14, § 1(Exh. B), 7-19-2010)
All construction and maintenance performed within the public rights-of-way and public easements under the jurisdiction of the Town of Lady Lake, unless specifically exempt, are within the purview of this Code, regardless of size or extent.
(Ord. No. 2010-14, § 1(Exh. B), 7-19-2010)
a)
Consideration shall be given to aesthetics by all right-of-way users to avoid unnecessary appurtenances. In all cases, full consideration shall be given to sound engineering principles and economic factors.
b)
Only one pole line will be permitted on each side of the right-of-way. No pole lines shall be placed within median areas of roadways or driveways.
c)
Only single-pole support systems will be permitted within the rights-of-way. Any exception must be amply justified and approved by the Town Manager or designee.
d)
Open cutting of existing roadway pavement shall generally not be allowed, but may be considered under one (1) or more of the following conditions:
1)
Subsurface obstructions.
2)
Limited space for jacking pits.
3)
Condition of roadway surface, including imminent resurfacing and rebuilding.
e)
In any analysis of a request for open cutting, primary consideration shall be given to the safety and convenience of the public.
f)
Where open cutting has been permitted, replacement of fill, base, and surface will be in accordance with this Code, the latest State of Florida Department of Transportation specifications, or the County's standard procedures, and/or special provisions as applicable. When traffic is to be placed on a cut area, a temporary patch with a smooth all-weather surface must be provided.
g)
Attachments to structures such as bridges shall be carefully reviewed and may be considered under one (1) or more of the following conditions:
1)
Will not create a potential hazard;
2)
Will not affect the integrity of the structure;
3)
Will not adversely affect aesthetics of the structure;
4)
Will not hinder maintenance operations;
5)
Will not block the view of traffic control devices;
6)
Shall maintain minimum ground clearance of eighteen (18) feet.
h)
Where attachments are permitted, the following criteria must be adhered to:
1)
No maintenance will be accomplished from any structure. Maintenance must be without hindrance to the public.
2)
The utility line must maintain clearance equal to that of the structure.
3)
Where possible, the utility line should be in conduit so that maintenance can be accomplished from ends of structure.
4)
Material used for casing and attachments shall be such that it will not require routine maintenance such as painting, etc. This will include cast iron, galvanized steel, stainless steel, aluminum, concrete, etc.
5)
No consideration will be given to approving flammable fluid pressure lines unless the lines are designed in accordance with and meet the requirements of applicable state and federal regulations.
6)
All lines carrying flammable transmittants shall be attached in such a manner so as not to extend below the bottom elevation of supporting beams of the bridge structure, and so that the line will have minimum exposure to vehicular damage.
7)
All attachments to structure will be reviewed in respect to their contribution to any corrosive damage which would lessen the structural integrity of the structure. The attachment should be effectively isolated from the structure so as not to induce corrosion into the structure.
8)
If other locations are reasonable, attachment to the structure will not be allowed. Each attachment will be considered on its own merits.
i)
All public rights-of-way and public easements shall be restored to their original condition as far as practical, in keeping with the Code, and in a manner satisfactory to the Town. The following guidelines are established for this purpose:
1)
All traffic detours will be restricted to the limits of rights-of-way with necessary flagmen and marking devices. A traffic detour or lane closure shall require specific approval by the Town Manager or designee.
2)
All utility construction and maintenance shall be performed with proper shoring, barricades, and maintenance of traffic signage in accordance with the Manual of Uniform Traffic Control Devices, with regulations of the Florida Industrial Safety Board, OSHA, and the Florida Department of Transportation Safety Manual, latest edition.
3)
Proper repairs of open cuts shall be in accordance with the Town's standard procedures.
4)
Temporary patches shall be topped with asphaltic material and maintained so as to provide a smooth, all-weather surface at all times. Permanent replacements of the temporary patch shall be made as soon as all work on the installation is completed.
5)
Shoring will be required where necessary to protect existing pavement, and must be properly protected and removed.
6)
All excavated material in excess of the quantity required for backfill, and unusable material shall be disposed of at the permittee's expense, and not placed within the limits of the public right-of-way or easement unless so directed by the Town.
7)
At such locations where Town signs and reflectors will interfere with proposed construction, the permittee or his designee will notify the Town twenty-four (24) hours in advance of starting work. All signs and reflectors will be removed or relocated only by Town forces or with the Town's permission. Any signs or reflectors damaged, destroyed, removed, or relocated will be replaced at the expense of the permittee. No private signs of any type will be permitted within the right-of-way.
8)
Trees and/or shrubs destroyed during construction are subject to being replaced by the permittee as directed by the Town. All debris shall be removed by the permittee at their expense. All vegetation shall be provided the maximum protection practicable.
9)
All jack and bore crossings will be a continuous operation at each location at the proper location and depth. Any deviation from the above will be sufficient grounds for work stoppage, plugging the line with concrete, and replacement of a line at the proper location.
10)
Grassing and mulching operations are to begin as soon as fine grading and weather conditions permit, as directed by the Town. Any disturbed yards or part of the right-of-way in front of private property that has a grass mat shall be re-sodded with like sod.
11)
The indiscriminate cutting of trees or disfiguring of any feature of scenic value shall not be permitted. This includes other methods such as the use of herbicides. The necessary trimming or cutting of trees by utility companies in the interest of public safety or continuity of utility service shall not be considered indiscriminate where such utilities cannot bypass the obstruction. This shall not be construed to mean that existing pole lines must be relocated to comply with the above.
j)
All landscaping within public rights-of-way and public easements must be approved by the Town and comply with the following provisions:
1)
In order for the Town to allow the installation of right-of-way or easement landscaping, a statement in writing as to who will be responsible for the maintenance of the project including watering, fertilizing, pruning, etc., will be required. This statement shall come from the adjacent property developer/owner, the appropriate homeowners association, or civic organization.
2)
The permittee shall not hold the Town responsible for any damage to the plants during subsequent right-of-way construction.
3)
Plants in a median island within one hundred (100) feet of a median opening shall provide a clear sight distance between three (3) and seven (7) feet above the ground. Conditions may require the above one hundred (100) foot length to be extended for safety considerations.
4)
No rock boulders, utility facilities, stationary signs (except frangible sign posts), or above ground monuments shall be allowed in the medians.
5)
Persons and equipment maintaining the project are to carry out their work in such a manner as not to obstruct vision or traffic flow.
6)
Plantings shall be maintained at all times to prevent being a hazard in the safe operation of a vehicle, which includes the sight distance of drivers. Landscaping which creates a hazard to safe vehicle operation may be maintained, modified and/or removed at the discretion of the Town.
7)
Trees planted within the right-of-way on high speed (fifty (50) M.P.H. and above) and high volume roadways shall be thirty (30) feet from the edge of the pavement or at the right-of-way line. Each location will be reviewed for any special requirements by the Town.
8)
Sprinkler heads and irrigation systems installed adjacent to public roadways and sidewalks shall be designed to insure public safety and shall not spray water over or on the roadway or sidewalk area. They shall not be operated during high pedestrian or vehicular travel times. On non-curbed streets, the sprinkler head shall be located adjacent to the right-of-way line or on public property to prevent damage by parked vehicles.
k)
Any utility, structure, vegetative material or other type of object within the right-of-way which causes or contributes to the deterioration of the road shoulder, swale or other roadway systems, or which creates a hazard to safe vehicle operation shall be subject to removal at the discretion of the Town.
(Ord. No. 2010-14, § 1(Exh. B), 7-19-2010)
a)
The placement of utilities within the public rights-of-way and public easements shall be placed in accordance with all applicable codes and current industry standards.
b)
On arterials or major collectors light and utility poles shall be located at least eighteen (18) feet from edge of pavement or at right-of-way line. Poles are permitted to within twelve (12) feet from edge of pavement, provided a frangible (breakaway) base is used, or behind a barrier. A minimum distance of six (6) feet will be required from the edge of pavement on deceleration and acceleration lanes, but where design permits, fourteen (14) foot clearance shall be used.
c)
For minor collectors and local streets, single family mail boxes shall be constructed and installed in a manner that does not endanger the public.
d)
The following general provisions, including the proper sight distance requirements, shall be followed:
1)
Underground utilities parallel to roadways shall maintain a minimum vertical clearance of thirty-six (36) inches below the top of the roadway pavement and existing top of ground, including ditch grade.
2)
Underground crossings shall maintain a minimum vertical clearance of forty-two (42) inches below the top of roadway pavement and top of ground, including ditch grade.
3)
Aerial crossings shall be in accordance with the National Electrical Safety Code, latest edition, and shall maintain a minimum of eighteen (18) feet over roadways. They shall not interfere with existing or planned signal installation.
e)
Devices such as signal-strain poles, above ground enclosures, and other items whose construction and size would cause extensive damage to a vehicle if struck are to be located according to the standards for utility poles.
f)
Where possible, excavation will not be allowed within four (4) feet of the edge of the pavement. Situations which cannot meet this requirement shall require the approval of the Town Manager or designee.
g)
These criteria shall not be applied to a minor segment of an existing utility installation in such a manner as to result in misalignment of the installation or adjustment of the entire installation.
h)
The roadside clearances for above ground utility facilities shall be consistent with those clearances applicable to other obstacles on the type of highway involved, reflecting good engineering and economic considerations.
i)
In exposed areas, frangible (breakaway) poles and light standards should be considered to the extent practical. Where location is not exposed, consideration can be given to other type standards.
(Ord. No. 2010-14, § 1(Exh. B), 7-19-2010)
The Town may issue a "stop work" order upon any permittee who is committing or creating unsafe acts which may create a public hazard or who is not complying with the provisions of the permit and this Code. The order shall remain in effect until such time as these matters are corrected.
(Ord. No. 2010-14, § 1(Exh. B), 7-19-2010)
(Ord. No. 2010-14, § 1(Exh. B), 7-19-2010)
(Ord. No. 2010-14, § 1(Exh. B), 7-19-2010)
(Ord. No. 2010-14, § 1(Exh. B), 7-19-2010)
(Ord. No. 2010-14, § 1(Exh. B), 7-19-2010)
(Ord. No. 2010-14, § 1(Exh. B), 7-19-2010)
TRANSPORTATION STANDARDS
The purpose and intent of this section is to ensure effective, efficient and safe design of motorized and nonmotorized transportation facilities in accordance with the criteria adopted in the comprehensive plan. The following specifies criteria for all development as stated herein. This chapter is intended to serve the following purposes:
a)
Maintain functional roadway capacity and travel speeds by requiring traffic analyses for new development to determine the need for transportation improvements.
b)
Promote safe and well-designed traffic patterns and enhance functional roadway capacity by maintaining standards for access control.
c)
Provide adequate parking and loading spaces for specific uses within the Town.
d)
Establish design standards for traffic areas which promote safe and logical traffic patterns.
e)
Provide for construction of bike paths and sidewalks to maintain safe bicycle and pedestrian movements and to encourage alternative modes of transportation.
f)
Establish right-of-way widths and protection of rights-of-way within the Town network.
g)
Provide regulations that meet currency management criteria.
(Ord. No. 2010-14, § 1(Exh. B), 7-19-2010)
a)
Driveways.
1)
The choice of the proper location of driveways must involve consideration of the amount of the conflict which can be expected to occur both within the parking area and on the abutting streets. The number of driveways for any individual site shall be the minimum required to adequately serve the needs of the property or development. The following shall serve as guidelines for the number of driveways that will be permitted per site:
A)
Parcels with frontage of one hundred (100) feet or less will be limited to one driveway per frontage.
B)
A single access point per site is preferred. However, there should be no more than two (2) driveways per road frontage for any individual site with less than one thousand (1,000) feet of frontage.
2)
The area to which the driveway provides access shall be of sufficient size and design to allow all necessary functions for loading, unloading, parking, servicing, circulation, and standing of automobiles, trucks, trailers and other vehicles to be carried out on private property completely off the road right-of-way.
3)
No design shall be permitted which requires any vehicle to back out onto public or private right-of-way or easements except for single-family, duplex, and triplex residences. Single-family residential driveways shall not be permitted which would require vehicles to back out onto arterial and collector roadways.
4)
Facilities with drive-in windows must be so designed that waiting vehicles do not extend into the street or right-of-way. A by-pass lane shall be required for all such stack-up facilities.
5)
No new residential development shall create any lots or parcels for single-family, duplex, or triplex residential uses having direct access on an arterial or major collector road, such as but not limited to U.S. 27, C.R. 25A and C.R. 466.
6)
Where lots are developed fronting on existing public roads, the Town may require the use of joint driveways in order to minimize the number and maximize the spacing of access connections. Where joint driveways are required in new developments, the driveway aprons shall be installed during the road construction and shall be part of the construction requirements for the subdivision.
b)
Turn lanes. Turn lanes consist of left turn lanes and right turn lanes (deceleration lanes). Turn lanes shall be installed on the road which is being accessed at the proposed entrance(s) to the development, as determined by the following:
1)
If the property accessing the road is projected to generate fifty (50) or more vehicle trips peak hour.
2)
If a traffic analysis indicates that turn lanes would be necessary to maintain capacity on fronting roads and/or on adjacent or nearby intersections.
3)
If entrances are proposed at locations where grade, topography, site distance, traffic, or other unusual conditions indicate that turn lanes would be needed for traffic safety.
4)
Speed limits of road being accessed or departing from.
(Ord. No. 2010-14, § 1(Exh. B), 7-19-2010)
a)
A traffic impact analysis, where required in the concurrency management system chapter, shall be submitted and shall contain the information as specified in that chapter, and in accordance with the Lake-Sumter Metropolitan Planning Organization (MPO) Guidelines.
b)
Commensurate with any traffic study analysis for commercial projects, peak hour traffic shall be identified so as to restrict delivery of supplies, freight, and other products delivered by large vehicles (i.e., tractor trailers) outside of the peak period. The Town Commission reserves the right to establish these hours at time of site plan approval.
(Ord. No. 2010-14, § 1(Exh. B), 7-19-2010)
Existing road classifications and service levels are described in the comprehensive plan.
a)
Arterial roads.
1)
An arterial road is a route providing service which is relatively continuous and of relatively high traffic volume, long average trip length, high operating speed and of high mobility importance.
2)
The classification of roads as arterials shall be based upon criteria established by the Florida Department of Transportation utilizing their most recent, adopted functional classification system.
b)
Collector roads.
1)
A collector road is a route providing service which is of relatively moderate traffic volume, moderate trip length and moderate operating speed. Collector roads collect and distribute the traffic between local roads and arterial roads and serves as a linkage between land access and mobility needs.
2)
Collector roads are grouped into the following subcategories:
A)
Major collector.
B)
Minor collector.
3)
The classification of roads as collectors shall be based upon criteria established by the Florida Department of Transportation utilizing their most recent, adopted functional classification system.
c)
Local roads. A local road is a route providing service which is of relatively low traffic volume, short average trip length or minimal through traffic movements and numerous connections with relative ease of access for abutting property.
(Ord. No. 2010-14, § 1(Exh. B), 7-19-2010)
a)
Bicycle use. New development shall, if elected or required due to its proximity to an educational facility, or if required as a specified contingency of any subdivision, site or planned development approval, construct bikeways in the following manner:
1)
Bikeways shall be constructed on the side of the right-of-way designated by the Town, regardless of which side new development is proposed.
2)
Bikeways on both sides of any right-of-way which exceeds one hundred twenty (120) feet in width.
3)
Bikeway connectors between bicycle parking areas, main entrances or other areas and the bikeway within the right-of-way when the required number of bicycle parking spaces exceeds five (5). Such connectors shall be a maximum of six (6) feet in width.
4)
Developments which provide for bicycle traffic may utilize bike paths, roadway accommodation or a combination of these and any other approved facility type. The improvements which are proposed to address bicycle traffic are to be included in the construction plans of the development to comply with F.D.O.T. or standards later in this chapter.
5)
Bikeways should be designed to take advantage of natural areas and provide a visually pleasurable route by meandering around and through natural undisturbed areas, landscape buffers and man-made landscape features.
6)
Bike paths are separate facilities from the roadway, may be located in separate easements or rights-of-way and are used to accommodate bicycle traffic. Bike paths may be included in a system integrating both bicycle and pedestrian traffic; however, the pathways must be clearly delineated to avoid conflicts between cyclists and pedestrians.
7)
Roadway accommodation is a means in which bicycle traffic is integrated into the roadway with motorized traffic and may be accomplished by one (1) of the following:
A)
Paved shoulders. Paved shoulders are utilized on swale section roadways. This approach entails paving a portion of shoulder area directly adjacent to the motorized travel lanes and delineating the two (2) areas with a white edge stripe.
B)
Wide curb lanes. Wide curb lanes are utilized on curb and gutter section roadways. This approach provides additional pavement width on the curb lanes to allow room for cyclists to travel in the roadway between the vehicles and the curb. No additional delineation or striping is required.
C)
Bicycle lanes. Bicycle lanes are additional travel lanes which are dedicated for bicycle use and are clearly delineated as such. Bicycle lanes are one-way facilities and carry traffic in the same direction as adjacent motor vehicle traffic.
b)
Pedestrian use.
1)
Developments, if required in the development order to provide for pedestrian traffic, may utilize sidewalks, pedestrian walkways, mulched footpaths or a combination of these and any other approved facility type. The improvements which are proposed to address pedestrian traffic are to be included in the construction plans of the development.
2)
Pedestrian walkways and mulched footpaths are separate facilities from sidewalks, located in separate easements or rights-of-way and are used to accommodate pedestrian traffic. Walkways may be included in a system integrating both pedestrian and bicycle traffic; however, the pathways must be clearly delineated to avoid conflicts between pedestrians and cyclists.
c)
Golf cart use.
1)
Developments, when contiguous to development already served by golf cart connectivity shall provide a five (5) feet path, one-way, to accommodate golf cart traffic; where golf cart connectivity is not in place but is desirable for the future, the Commission may require dedication of an easement for such purposes. Cart pathways must be clearly delineated to avoid conflicts between golf carts and automobiles.
2)
Where cart paths cross over other roads and right-of-way, change in surface texture shall be provided with signage to indicate location of crossing.
(Ord. No. 2010-14, § 1(Exh. B), 7-19-2010)
The following regulations are designed to promote the safety of vehicular and pedestrian traffic, minimize traffic congestion, promote roadside aesthetics and enhance the functional capacity of roads and highways in the Town of Lady Lake. These regulations shall be in addition to those imposed by the Florida Department of Transportation (Rule Chapters 14-96 and 14-97, F.A.C., as amended) and Lake County (Ordinance 1991-13), or as amended, for roads under their jurisdiction. A pre-application meeting with the Town Manager or designee is recommended to determine the regulations applicable to a particular development.
(Ord. No. 2010-14, § 1(Exh. B), 7-19-2010)
a)
Driveways.
1)
Cross-access easements. When proposed projects will front on Town streets, the Town may require the use of joint driveways and/or cross-access easements in order to minimize the number and maximize the spacing of access connections. Cross access easements shall be required along all arterials and major and minor collectors unless due hardship can be demonstrated as to why such easements cannot be provided. Such easements shall be located no closer than one hundred (100) feet from the edge of the nearest right-of-way line of an intersecting road of an arterial or major/minor collector. If the depth of the property is less than one hundred feet, such easement shall be located as far to the rear of the property as possible. Whenever cross-access corridors or coordinated or joint parking designs are provided to accomplish access management, each applicant for development approval shall provide such easements or agreements as may be necessary to ensure that adjoining properties shall be appropriately connected in order to implement a unified system allowing general cross-access to an from the other properties in the affected area. Such easements or agreements shall be recorded in the public records of Lake County and shall constitute a covenant running with the land.
2)
Location.
A)
Driveways shall not be permitted in the radius return of an intersection.
B)
No driveway shall be located within three feet of a stormwater inlet except in the case of residential driveways on local streets.
C)
No commercial driveway shall be permitted with its nearest edge closer than one hundred (100) feet, or if lot does not have one hundred (100) feet then at the furthest point, from the edge of the nearest right-of-way line of an intersecting road classified as collector or arterial.
D)
All driveways shall be constructed at a right angle (ninety (90) degree) to the street or roadway for a minimum distance of twenty (20) feet from the edge of pavement whenever possible. This requirement may be waived for one-way driveways, provided that the angle chosen represents improved ingress or egress compared to a right angle driveway and does not adversely affect the driver's sight distance.
E)
The minimum distance between the nearest edge of an access drive and any property line without a cross-access easement shall be as follows:
* Undesirable uses on roads of this classification and generally not permitted.
3)
Width and radii.
A)
The width and radii of a two-way driveway access shall be within the dimensions specified below. Actual width and radii shall be based on classification of the roadway, number of entrances to the parcel, and expected traffic demand, including truck traffic.
*Note: Where one (1) way turning motions are dictated, reverse radii with a two and one-half (2.5) foot radius bullnose shall be provided.
B)
The Town Manager or designee may require a larger radius on any driveway when deemed necessary for traffic safety.
C)
A smaller radius may be approved upon the applicant's demonstration that the smaller radius is more appropriate for the particular parcel of property being served and that the traffic flow on the street being accessed is not impaired.
D)
Driveway radii shall be designed and constructed to connect tangentially at the edge of the road pavement and at the edge of the driveway lane.
4)
Improvements necessary.
A)
All driveways shall be paved from the edge of pavement to edge of the right-of-way.
B)
Improvements to the public road to which any driveway would connect will be required when necessary to ensure safe an adequate ingress and egress to the site.
C)
On roads with curb and gutter, valley gutters shall be required in driveways and shall be placed in line with the gutter line along the edge of road or as otherwise provided.
b)
Turn lanes.
1)
Turn lanes shall consist of storage lanes and tapers.
2)
Right turn lane. The desirable lengths of tapers and storage are based on the design speed of the road and must comply with F.D.O.T. standards.
3)
Left turn lane. The desirable lengths of storage and tapers are based on the design speed of the road and must comply with F.D.O.T. standards.
The length of taper for left turn lanes is based upon the assumption that the lateral shift of through traffic is equal in both directions (i.e. six (6) foot lateral movement for both directions of traffic). In cases where the lateral shift for one (1) direction of traffic exceeds six (6) feet, the length of taper shall be extended proportionately utilizing the following formula: New length of taper = (standard length of taper) × (maximum lateral shift divided by six (6)).
The new length of taper shall be calculated to the nearest ten (10) foot increment. The total length of taper shall be based upon the maximum length required and shall be symmetrical about the centerline.
4)
The Town Manager or designee may increase the standard lengths if deemed necessary for purposes of continuity with design speeds, traffic safety, and consistency with existing improvements.
5)
If either terminus of the proposed auxiliary lane section is within the standard taper length from an existing auxiliary lane terminus, then a total thirty-six (36) foot section may be required to eliminate weaving or "Hour Glass" sections.
6)
In cases involving state roads where these standards conflict with those of the Florida Department of Transportation, the standards of the F.D.O.T. shall apply.
7)
In cases involving county roads where these standards conflict with those of Lake County, the standards of Lake County shall apply.
c)
Service and frontage roads (if provided).
1)
Two-lane, two-way road. Two (2) eleven (11) foot lanes with two (2) six (6) foot stabilized shoulders and drainage swales as needed to accommodate runoff. Curb and gutter section roads shall have eleven (11) foot lanes measured exclusive of curb and gutters.
2)
One-lane, one-way road. One (1) fourteen (14) foot lane with two (2) six (6) foot stabilized shoulders and drainage swales as needed to accommodate runoff. Curb and gutter section roads shall have fourteen (14) foot lanes measured exclusive of curb and gutters.
3)
Two-lane, one-way road. Two (2) twelve (12) foot lanes with two six (6) foot stabilized shoulders and drainage swales as needed to accommodate runoff. Curb and gutter section roads shall have eleven (11) foot lanes measured exclusive of curb and gutters.
4)
Service and frontage roads shall be built utilizing the same construction standards as other Town roads.
5)
The drainage system for a frontage road should be coordinated with the drainage system of the adjoining site. Portions of the frontage road right-of-way may be utilized for a combined stormwater management system accommodating runoff from both the frontage road and the adjoining site if approved by the Town Manager or designee. However, in such cases, a maintenance easement and agreement shall be dedicated over the stormwater management system.
6)
The drainage system for a frontage road in a dedicated, public right-of-way may be combined with the drainage system of the fronting roadway if deemed to be practical and desirable by the Town Manager or designee. In cases where the fronting roadway is a state or country road, this would additionally require the approval of the Florida Department of Transportation or Lake County.
d)
Paved access.
1)
Subdivisions shall have paved access constructed to Town road standards from the entrance of the development to the nearest publicly maintained paved road, or private paved road constructed to Town standards, and of sufficient function and capacity to accommodate the increased traffic.
2)
Should adequate paved access not exist, it shall be the responsibility of the developer to make all improvements necessary to provide paved access.
3)
Site plans shall have paved access as required for subdivisions.
(Ord. No. 2010-14, § 1(Exh. B), 7-19-2010)
a)
General. Unless otherwise explicitly stated in these regulations, road design shall be based on structural ranges and follow the guidelines in:
1)
The F.D.O.T. Roadway and Traffic Design Standards, latest edition.
2)
The Florida Green Book.
3)
The F.D.O.T. Standard Specifications for Road and Bridge Construction, latest edition.
4)
The Manual of Uniform Traffic Control Devices, latest edition.
b)
Private roads. Private roads shall be designed and constructed according to the standards included in these regulations.
c)
Roads within subdivisions. Roads within a subdivision shall also be designed per the standards in the Subdivisions and Plats chapter.
d)
Intersections.
1)
Connections shall be aligned wherever possible to provide full intersections; offset intersections will not be acceptable.
2)
The minimum intersection offset distance shall be as follows:
3)
Roads shall be laid out to intersect as nearly as possible at right angles (90 degrees) or radial, and no road shall intersect any other road at less than sixty (60) degrees.
4)
Multiple intersections involving the juncture of more than two (2) roadways or driveway approaches shall be prohibited.
5)
Curved roads shall have a minimum tangent of one hundred (100) feet at intersections.
6)
Sight distance shall be provided at all intersections by either providing rounded right-of-way lines or straight corner cuts (sight distance triangles). The right-of-way at subdivision intersection shall be rounded with a minimum twenty-five (25) foot radius, or as otherwise required by traffic conditions or geometric requirements.
7)
Roads shall be designed and constructed both horizontally and vertically to comply with applicable Florida Department of Transportation standards for minimum sight distance at intersections.
8)
Minimum pavement corner radius shall be thirty-five (35) feet. A radius of fifty (50) feet shall be used on high volume roads greater than three thousand (>3,000 ADT) or roads with a horizontal design speed in excess of thirty-five (35) mph.
e)
Horizontal alignment.
1)
Design speed. Horizontal alignment shall be based upon the following minimum design speeds:
2)
Horizontal curves.
A)
Whenever a street changes direction or connecting street lines deflect from each other by more than ten (10) degrees, there shall be a horizontal curve.
B)
Minimum centerline radii for horizontal curves shall be as follows:
f)
Vertical alignment.
1)
Design speed. Vertical alignment shall be based upon minimum design speeds.
2)
Grades.
A)
Minimum grades for roads with curb and gutter shall be thirty (0.30) percent. Maximum grades for roads shall be eight (8.0) percent.
B)
The Town Manager or designee may allow exceptions to grading requirements in cases involving severe topography. However, in no case shall the maximum grade exceed ten (10) percent.
C)
The gradient of all approaches within one hundred (100) feet of intersections shall not exceed three (3) percent.
g)
Pavement width. Standard pavement widths shall be measured exclusive of curbs and gutters and shall be based upon the following table:
h)
Right-of-way.
1)
The following are generalized right-of-way width requirements for new development within the Town:
These are generalized width requirements and may be increased at the request of the appropriate jurisdiction if the proposed project fronts on a State or County road.
2)
A proposed subdivision or site plan that abuts or encompasses an existing public road that does not conform to the minimum right-of-way requirements shall provide for the dedication of additional right-of-way along either one (1) or both sides of said road to meet the minimum right-of-way required by these regulations. If the proposed subdivision abuts only one (1) side of said road, then a minimum of one-half (1/2) of the required right-of-way shall be dedicated or reserved prior to approval of such subdivision or site plan.
i)
Roads within flood prone areas. The minimum centerline elevation for roads within flood prone areas shall be as follows:
j)
Medians, islands, and guardhouses.
1)
Medians and islands within the road right-of-way are prohibited unless it can be demonstrated to the Town Manager or designee that it is an integral part of the proposed transportation system and will not create a traffic safety hazard.
2)
Medians, islands, and islands in cul-de-sacs shall not be designated as parks or recreation areas, but they may be landscaped if approved by the Town Manager or designee.
3)
When an island in a cul-de-sac or entrance median is proposed:
A)
The area is to be included as part of the road right-of-way, but the maintenance shall be the responsibility of the lot owners. Dedication of maintenance shall be to a specific entity, i.e. a homeowners association. The Town shall have the ability to modify, alter, or remove all or portions of the island or median as necessary for roadway improvements or improvements for traffic safety.
B)
The median plans shall be included in the construction plans.
4)
The minimum median width for divided boulevards shall be eight (8) feet.
5)
Guardhouses.
A)
Guardhouses within the right-of-way shall be subject to the approval of the Town.
B)
Guardhouses shall not be used to prevent access to publicly dedicated roads.
C)
If a guardhouse is proposed, the guardhouse plans and construction shall meet the approval of the building department. Plans for the guardhouse shall be included in the road construction plans.
(Ord. No. 2010-14, § 1(Exh. B), 7-19-2010)
a)
Bicycle and pedestrian use.
1)
Bicycle paths.
A)
Bicycle paths are to be designed utilizing standards found in the latest edition of the Florida Department of Transportation Bicycle Facilities Planning & Design Manual.
B)
Bicycle paths should be a minimum of ten (10) feet wide for two-way traffic. A width of eight (8) feet may be allowed due to site constraints if approved by the Town Manager or designee. One-way bicycle paths should be a minimum of five (5) feet wide. Pathways which combine bicycle and pedestrian traffic shall be a minimum of twelve (12) feet wide and properly marked to segregate pedestrians and cyclists.
C)
A minimum two (2) foot graded area shall be maintained adjacent to both sides of the pavement.
D)
When bicycle paths are located adjacent to roadways there shall be a minimum five (5) foot separation from the edge of roadway pavement to the edge of bicycle path pavement. When bicycle paths are located adjacent to canals, ditches, or other significant depressions, a minimum seven (7) foot separation from the edge of the bicycle path pavement to the top of slope shall be required. This separation area shall be graded with a cross-slope no greater than five (5) percent.
2)
Paved shoulders. The minimum width of paved shoulders is dependent upon the classification of the roadway; however, no paved shoulder, for purposes of bicycle use, shall be less than two (2) feet wide.
3)
Wide curb lanes. Wide curb lanes shall be utilized only on roads with a minimum lane width of twelve (12) feet.
4)
Bicycle lanes.
A)
Bicycle lanes are to be designed utilizing standards found in the latest edition of the Florida Department of Transportation Bicycle Facilities Planning & Design Manual.
B)
Bicycle lanes shall be designed as one-way facilities and shall flow in the same direction as the adjacent motor vehicle traffic.
C)
Bicycle lanes shall be a minimum of four (4) feet wide. However, on roadways with on-street parking, the minimum bicycle lane width shall be five (5) feet and the lane shall be located between the motor vehicle lane and the parking lane.
5)
Sidewalks.
A)
Sidewalks shall be generally located along the inside edge of the right-of-way line. Deviations from this standard may be allowed to accommodate existing topography (trees, etc.) or as part of an approved streetscaping plan.
B)
Sidewalks may be constructed by the developer at the time of road construction or by the individual lot owner at the time of building construction. However, the developer shall construct sidewalks, as part of road construction, in areas that do not front individual lots.
C)
All sidewalks shall have a minimum width of five (5) feet except for those along local streets which shall have a minimum width of four (4) feet.
D)
Sidewalks shall include ramps where utilized with curb and gutter section roads.
E)
Sidewalks must conform to ADA standards.
6)
Pedestrian walkways.
A)
Pedestrian walkways should be a minimum of five (5) feet wide. Pathways which combine bicycle and pedestrian traffic shall be a minimum of twelve (12) feet wide and properly marked to segregate pedestrians and cyclists.
B)
A minimum two (2) foot graded area shall be maintained adjacent to both sides of the pavement.
7)
Mulched footpaths. Mulched footpaths should be a minimum of four (4) feet wide with a minimum two (2) foot graded area maintained adjacent to both sides of the pathway.
b)
Street lighting. Street lighting, when proposed, shall be located within the right-of-way on separate utility poles specifically for that purpose.
c)
Street trees. Street trees may be planted along the right-of-way line provided that the spacing is not less than fifty (50) feet on center. Street trees may be located elsewhere within the right-of-way if part of an approved streetscaping plan. Minimum spacing may be reduced if approved by the Town Manager or designee. Trees shall be a minimum of twenty (20) feet from utility lines (underground and overhead).
d)
Stormwater discharge into rights-of-way. The outfall of stormwater management systems into the public rights-of-way may be allowable provided that the following are met:
1)
The stormwater management system complies with the criteria in the Stormwater Management chapter of this Code.
2)
The outfall does not constitute an appreciable change in the nature of the discharge into the right-of-way.
3)
The downstream drainage system within the right-of-way is of sufficient capacity to accommodate the discharge and that the discharge will not appreciably add to or contribute to an existing drainage problem. If necessary, the developer shall provide any improvements needed to allow the downstream drainage system to accommodate the outfall discharge.
(Ord. No. 2010-14, § 1(Exh. B), 7-19-2010)
a)
Pavement marking and signing.
1)
Pavement marking and signing shall be included on the construction plans for any road.
2)
Pavement markings and signing design shall conform to all criteria herein, as well as applicable criteria contained in the following publications:
A)
Florida DOT. Manual of Uniform Minimum Standards for Design, Construction and Maintenance for Streets and Highways, latest edition.
B)
U.S. Department of Transportation, Federal Highway Administration. Manual of Uniform Traffic Control Devices for Streets and Highways, latest edition.
C)
Other references or publications as directed by the Town Manager or designee.
3)
All legs of an intersection which are to be regulated in a stop condition shall include a stop sign, a stop bar and a double yellow centerline stripe a length of at least one hundred (100) feet from the stop bar.
4)
Regulatory and warning signs (speed limit, curve signs, etc.) shall be included on the construction plans and shall be installed as part of construction.
5)
All intersections shall include street name signs, the location of which is to be identified on the construction plans. Street name signs may be placed atop the post of stop signs if such location is visible from all directions of the intersection.
b)
Signals.
1)
Traffic signal design for intersections involving Town roads shall be based upon site specific conditions and shall proceed under close coordination with the Town.
2)
Installation of a traffic signal, including a flashing beacon, on Town roads shall be subject to the approval of the Town Manager or designee. Approval shall be based upon a signal warrant analysis utilizing Florida Department of Transportation warrant criteria in use at the time.
(Ord. No. 2010-14, § 1(Exh. B), 7-19-2010)
The purpose is to provide standards for the construction of transportation improvements. Unless otherwise indicated in these regulations, construction shall comply with the latest edition of the Florida Department of Transportation Standard Specifications for Road and Bridge Construction. In cases of discrepancy between the standards herein, FDOT, and other sections of the Land Development Regulations, the Town Manager or designee shall make an interpretation of the intent of the specifications.
(Ord. No. 2010-14, § 1(Exh. B), 7-19-2010)
a)
Clearing and grubbing.
1)
All rights-of-way shall be completely cleared and grubbed for their entire width. Selective clearing and grubbing in order to preserve desirable, existing landscape may be allowed provided that the final determination of areas to be cleared and grubbed is made by the Town Manager or designee.
2)
Trash, brush, trees, etc. may be chipped within the right-of-way limits.
b)
Earthwork.
1)
In areas where unsuitable materials (muck, peat, clay, rock, etc.) are uncovered, the contractor shall over-excavate to a depth approved by the Town and shall backfill with a suitable material in an approved manner as directed by the Town Manager or designee.
2)
Materials used in fill areas shall be suitable for that use. If the suitability of the material is uncertain, final determination shall be made by the Town Manager or designee.
3)
Fill areas shall be constructed in six (6) inch lifts.
4)
Hauling equipment which is loaded beyond the capacity of any paved road or structure, or any hauling equipment loaded beyond the legal load limit, is not permitted. The contractor shall restore any roads, public or private, damaged by his equipment, to its original condition. This requirement shall apply to all phases of construction.
c)
Bridges.
1)
Bridges shall be constructed of precast concrete, pre-stressed concrete, cast-in-place concrete, composite concrete and steel, or steel.
2)
Bridge design shall conform to the design criteria of the latest edition, AASHTO Standard Specifications for Highway Bridges.
3)
Prior to design of bridges, the developer's engineer shall submit design load criteria to the Town for approval.
4)
Materials and methods of construction shall conform to the Department of Transportation Standard Specifications for Road and Bridge Construction, latest edition.
d)
Culverts, storm sewers and ditches. Culverts, storm sewers and ditches shall conform to the criteria in the stormwater management chapter of this Code.
e)
Utility pipes. Pressurized PVC pipe laid under roadways, with the exception of local streets, shall be encased. An acceptable alternative shall be the utilization of ductile iron pipe without encasement.
f)
Inlets, manholes, and mitered end sections. Inlets, manholes, and mitered end sections shall be constructed in accordance with the Florida Department of Transportation Standard Specifications for Road and Bridge Construction, latest edition.
g)
Groundwater and road underdrains.
1)
Roads shall be designed such that the high groundwater elevation is at least six (6) inches below the bottom of the subgrade. In cases where this is unattainable, road underdrains may be utilized with the approval of the Town Manager or designee. Underdrain design shall be subject to the approval of the Town Manager or designee.
2)
If road underdrains are installed which discharge into the stormwater management system, the retention/detention system shall be designed to accommodate the additional flow and volume due to the groundwater discharge.
h)
Sodding and seeding and mulching.
1)
Sodding.
A)
Two strips (each twenty-four (24) inch wide) of sod shall be placed along the edge of pavement on all roads with swales.
B)
Swale checks shall be completely sodded along their length and from the edge of pavement to the right-of-way line.
C)
Roads which exceed a grade of three (3) percent shall be sodded from edge of pavement to the edge of the right-of-way to prevent excessive erosion and sedimentation. This requirement may be temporarily waived by the Town Manager or designee provided that the developer shall maintain the road section and shall promptly clean up any erosion or sedimentation to the Town's satisfaction. Additionally, all sod shall have been placed and the stormwater management system shall be free of sedimentation prior to the release of the maintenance bond and assumption of maintenance by the Town for public roads or within two (2) years of road construction for private roads.
D)
The contractor shall be responsible for watering and maintaining the viability of the sod after installation until the improvements shall pass the final inspection. Any sod which dies within this period shall be replaced at no cost to the Town.
E)
All grassed areas within existing Town rights-of-way that are disturbed by construction shall be resodded to the Town's satisfaction.
2)
Seeding and mulching.
A)
All unpaved areas of the right-of-way that are not required to be sodded shall be seeded and mulched.
B)
Seeding and mulching shall be distributed on a per acre basis. The mix for a one (1) acre area shall include: thirty (30) pounds of Bermuda (one-half (½) hulled/ one-half (½) unhulled), eighty (80) pounds of Bahia, five hundred fifty (550) pounds of fertilizer and from October 1 through March 31, fifty (50) pounds of millett shall be included. A clean, weed-free mulch shall be used.
C)
Proper watering shall be included for two (2) weeks from the completion of the seeding and mulching.
i)
Bicycle and pedestrian improvements.
1)
Bicycle paths.
A)
The pavement section for bicycle paths shall be one (1) of the following:
1.
Four (4) inches of Type II asphaltic concrete laid directly on a compacted subgrade; or
2.
One and one-half (1½) inches of Type II asphaltic concrete overlaying a four (4) inch compacted limerock base laid on a compacted subgrade; or
3.
Four (4) inches to two thousand five hundred (2,500) PSI concrete reinforced with fiber mesh or 6 × 6 W1.4 × W1.4 mesh laid on a compacted subgrade. Saw cut traverse joints shall be included to control cracking. Joints shall be cut within twenty-four (24) hours of the pour and shall be spaced a length equal to the width of the bicycle path.
B)
Bicycle paths shall be marked with paint as opposed to thermoplastic.
2)
Paved shoulders.
A)
New roads. Paved shoulders shall be constructed by adding the paved shoulder width to the roadway pavement width. The paved shoulder shall be delineated from the travel lane by the placement of an edge stripe.
B)
Existing roads. Paved shoulders shall be constructed in the same manner as turn lanes.
3)
Sidewalks. Sidewalks within the public right-of-way shall be constructed as follows:
A)
Sidewalks shall be four (4) inches to two thousand five hundred (2,500) PSI concrete with fiber mesh or 6 × 6 W1.4 × W1.4 wire mesh.
B)
The depth shall be six (6) inches at driveways.
C)
Saw cut traverse joints shall be included to control cracking. Joints shall be cut within twenty-four (24) hours of the pour and shall be spaced a length equal to the width of the sidewalk.
4)
Public pedestrian walkways. The pavement section for pedestrian walkways shall be one (1) of the following:
A)
Four (4) inches of Type II asphaltic concrete laid directly on a compacted subgrade; or
B)
One and one-half (1½) inches of Type II asphaltic concrete overlaying a four (4) inches compacted limerock base laid on a compacted subgrade; or
C)
Walkways shall be four (4) inches to two thousand five hundred (2,500) PSI concrete reinforced with fiber mesh or with 6 × 6 W1.4 × W1.4 mesh if the walkway is to be wider than five (5) feet, laid on a compacted subgrade. Saw cut traverse joints shall be included to control cracking. Joints shall be cut within twenty-four (24) hours of the pour and shall be a length equal to the width of the walkway.
5)
Mulched foot paths. Mulched foot paths shall be cleared and compacted and shall have three (3) inches of mulch placed along its entire area.
j)
Driveways aprons.
1)
Single-family residential driveway. Six (6) inch limerock base, ninety-eight (98) percent compacted with one (1) inch asphalt Type III or six (6) inches to two thousand five hundred (2,500) PSI concrete reinforced with 6 × 6 W1.4 × W1.4 mesh or fiber mesh constructed from the property line to the edge of existing pavement. Depending upon roadside drainage, a driveway culvert may be required.
2)
Non-single-family residential driveway. Eight (8) inches limerock base, ninety-eight (98) percent compacted with one (1) inch asphalt Type III or 6" - 2500 PSI concrete reinforced with 6 × 6 W1.4 × W1.4 mesh or fiber mesh constructed from the property line to the edge of existing pavement. Depending upon roadside drainage, a driveway culvert may be required.
k)
Turn lanes.
1)
Turn lanes shall be constructed as a widening of existing pavement. The Town Manager, or designee may waive the overlay requirement if the road is scheduled for construction within one (1) year of the installation of the turn lanes(s). If deemed necessary, the Town Manager or designee may require an overlay.
2)
Road widening for the installation of turn lanes shall be constructed the same as the road being accessed/widened.
3)
All turn lanes shall be marked with thermoplastic striping and reflective buttons.
(Ord. No. 2010-14, § 1(Exh. B), 7-19-2010)
a)
Subgrade. The following are minimum standards for the stabilized subgrade:
1)
Width: The subgrade shall be two (2) feet wider than the base course (one (1) foot each side) and in the case of curb and gutter shall extend six (6) inches behind the curb.
2)
Depth: The subgrade shall have a minimum depth of twelve (12) inches.
3)
Compaction: The subgrade shall be compacted to ninety-eight (98) percent density having a minimum Florida Bearing Value (FBV) of fifty (50) pounds per square inch.
4)
Care of subgrade: Trucks will be allowed on finished subgrade to dump base course, but contractor will be required to level out ruts. In the event the trucks cause too much damage to the subgrade, the Town Manager or designee may require dumping, spreading, and hauling on the base course.
b)
Shoulders. The following are minimum standards for shoulders:
1)
Width: Shoulders shall be eight (8) feet wide. A reduction in the width requirement may be allowed if approved by the Town Manager or designee.
2)
Depth: Shoulders shall have a minimum depth of six (6) inches.
3)
Compaction: Shoulders shall be compacted to a minimum Florida Bearing Value of fifty (50) pounds per square inch.
4)
Grading: Shoulders shall be graded with a minimum cross-slope of one-half (½) inch/foot.
c)
Base course. The following are minimum standards for the base course:
1)
Material: Ocala limerock or soil cement are acceptable material types for the road base. Other materials may be used if approved by the Town Manager or designee. Soil cement may not be utilized on heavy duty roads without specific approval by the Town Manager or designee.
2)
Width: All bases shall be one (1) foot wider (six (6) inches each side) than the finished surface.
3)
Depth: The base shall have a minimum compacted depth of six (6) inches. Collector roads shall have a base with a minimum depth of eight inches placed in two (2) lifts. Arterial roads shall have a base with a minimum depth of twelve (12) inches placed in four (4) lifts.
4)
Compaction: Limerock base shall be compacted to a minimum ninety-eight (98) percent density as determined by AASHTO T-180.
5)
Strength: Soil cement base shall have a seven (7) day design compressive strength of at least three hundred (300) PSI.
6)
Forms: No form boards will be required unless, in the opinion of the Town Manager or designee, the contractor is not taking precautions to obtain the full depth at the edges.
7)
Grading: The base shall be graded and rolled to conform to the grade and cross-slope of the finished roadway.
8)
Prime coat: Prime coat shall be applied to all base courses, and sand sealed.
d)
Wearing surface. The following are minimum standards for pavement wearing surface:
1)
Material: S-1, S-3, and Type III asphaltic concrete shall be used for the road wearing surface. Minimum average compacted thicknesses are one and one-half (1½) inches, one and one-quarter (1¼) inches and one (1) inch respectively. FC-1 and FC-4 asphaltic concrete shall be used for the road friction surfaces. Minimum average compacted thicknesses are three-quarter (¾) inch and five-eighths (⅝) inches respectively.
2)
Depth: Roads shall have a minimum average one (1) inch depth of wearing surface.
3)
Arterial roads shall have a wearing surface consisting of two (2) inches of S-1 asphaltic concrete overlayed with a one (1) inch friction course of FC-1.
4)
Major collector roads shall have a wearing surface consisting of two (2) inches of S-3 asphaltic concrete overlayed with a three-quarter (¾) inches friction course of FC-4 asphaltic concrete.
5)
Minor collector roads shall have a wearing surface of one and one-half (1½) inches of S-3 asphaltic concrete.
6)
Local roads shall have a wearing surface of one and one-quarter (1¼) inches of Type III asphaltic concrete.
7)
Grading: Road surfaces shall be graded with a minimum cross-slope of one-quarter (¼) inch/foot.
e)
Curb and gutter.
1)
The width of curb and gutter shall be a minimum of twenty-four (24) inches and shall be either Florida Department of Transportation type F (standard curb and gutter) or Miami type, depending upon the flow to be handled. FDOT type D (simple vertical curbing) will not be acceptable. FDOT type A (mountable median curb) may be used around median dividers on the high side of pavement. There shall be a stabilized subgrade beneath all curb and gutter.
2)
No water valve boxes, meters, portions of manholes, or other appurtenances of any kind relating to any underground utilities shall be located in any portion of a curb and gutter section.
3)
The curb and gutter flow line grades shall run parallel to the road centerline grade. The minimum allowable flow line grade of curbs and gutters shall be thirty (0.30) percent.
4)
Joints shall be sawed (unless an alternate method is used) at intervals of ten (10) feet, except where shorter intervals are required for closures, but, in no case, less than four (4) feet. Joints shall be cut within twenty-four (24) hours of the time that the curb and gutter is poured.
5)
All cross-street valley gutters shall be constructed of concrete.
f)
Decorative pavement.
1)
The use of decorative pavement shall be subject to the approval of the Town Manager or designee. The Town shall not assume the maintenance of decorative pavement sections. Maintenance shall be the responsibility of a homeowners association or other acceptable entity.
2)
The Town shall have the right to modify, alter, or remove all or a portion of the decorative pavement as necessary for roadway improvements or improvements for traffic safety.
3)
Textured/pressed pavement. Textured/Pressed pavements shall meet the requirements for concrete pavement in the Florida Department of Transportation Standard Specifications for Road and Bridge Construction, latest edition. The developer shall submit to the Town, for approval, manufacturers' specifications confirming adherence to these regulations.
4)
Paving bricks. The use of paving bricks shall be subject to the approval of the Town. The developer shall submit to the Town, for approval, manufacturers' literature and technical specifications regarding the structural strength, skid resistance and subgrade requirements.
g)
Clay roads. New clay roads shall not be brought into the Town maintenance system.
h)
Testing.
1)
Testing shall be provided as part of construction and shall be at no cost to the Town. Testing shall be performed by an independent engineering testing laboratory certified in the State of Florida.
2)
The following are minimum testing requirements:
A)
Subgrade. Testing for the subgrade thickness, bearing value and density shall be located no more than five hundred (500) feet apart and shall be staggered to the left, right and on the centerline of the roadway. The Town Manager or designee may also require additional test locations. There shall be no less than one (1) test per road. Testing shall be in accordance with applicable FDOT, AASHTO, or ASTM standards. Certified test results shall be submitted to the Town for approval prior to proceeding with the base course.
B)
Limerock base. Testing for the base thickness and density shall be located no more than five hundred (500) feet apart and shall be staggered to the left, right and on the centerline of the roadway. The Town Manager or designee may also require additional test locations. There shall be no less than one (1) test per road. Testing shall include modified proctor maximum density and inplace field density and thickness. Testing shall be in accordance with applicable FDOT, AASHTO, or ASTM standards. Certified test results shall be submitted to the Town for approval prior to proceeding with the wearing surface.
C)
Soil cement base. Testing for the base thickness and strength shall be located no more than five hundred (500) feet apart and shall be staggered to the left, right and on the centerline of the roadway. The Town Manager or designee may also require additional test locations. There shall be no less than one (1) test per road. Testing shall include test cores taken after seven (7) days to verify thickness and testing to verify a minimum seven (7) day compressive strength of three hundred (300) PSI. Testing shall be in accordance with applicable FDOT, AASHTO, or ASTM standards. Certified test results shall be submitted to the Town for a approval prior to proceeding with the wearing surface.
D)
Wearing surface. Testing for wearing surface thickness shall be located no more than five hundred (500) feet apart and shall be staggered to the left, right and on the centerline of the roadway. The Town Manager or designee may also require additional test locations. There shall be no less than one (1) test per road. Testing shall include certified design mix submitted for approval prior to placing asphalt, extractions taken in field (at least one (1) per day) and corings to verify thickness. Testing shall be in accordance with applicable FDOT, AASHTO, or ASTM standards. Certified test results shall be submitted to the Town for approval.
(Ord. No. 2010-14, § 1(Exh. B), 7-19-2010)
a)
Pavement marking.
1)
All pavement marking and traffic control signs shall be in place prior to final inspection. The installation of traffic control devices shall be at no cost to the Town. All materials and installation shall conform to the specifications of the Manual of Uniform Traffic Control Devices, latest edition.
2)
If, at any time prior to final acceptance, an unforeseen need becomes apparent for signing or pavement markings that were not shown on the approved plans, the Town may require additional sign(s) or markings in the interest of public safety and as a condition of Town acceptance.
3)
All pavement marking shall be thermoplastic except for on bike paths and bike lanes which shall be standard paint for pavement marking.
b)
Signing.
1)
All regulatory signs shall have "high intensity" facings or better.
2)
Stop signs shall be placed on round aluminum posts and shall be thirty-six (36) inches in diameter.
3)
Road name signs shall be at least six (6) inches high with a length of twenty-four (24) inches minimum.
(Ord. No. 2010-14, § 1(Exh. B), 7-19-2010)
The purpose is to control the utilization of the public rights-of-way and public easements lying within the Town of Lady Lake in the interest of public health, safety, and welfare of the citizens and inhabitants of Lady Lake. It is the intent to promote good engineering practices which will assure the maximum utilization of the public rights-of-way and public easements by all the citizens with the lowest life cycle cost to all due to safety, operation, and maintenance.
(Ord. No. 2010-14, § 1(Exh. B), 7-19-2010)
All construction and maintenance performed within the public rights-of-way and public easements under the jurisdiction of the Town of Lady Lake, unless specifically exempt, are within the purview of this Code, regardless of size or extent.
(Ord. No. 2010-14, § 1(Exh. B), 7-19-2010)
a)
Consideration shall be given to aesthetics by all right-of-way users to avoid unnecessary appurtenances. In all cases, full consideration shall be given to sound engineering principles and economic factors.
b)
Only one pole line will be permitted on each side of the right-of-way. No pole lines shall be placed within median areas of roadways or driveways.
c)
Only single-pole support systems will be permitted within the rights-of-way. Any exception must be amply justified and approved by the Town Manager or designee.
d)
Open cutting of existing roadway pavement shall generally not be allowed, but may be considered under one (1) or more of the following conditions:
1)
Subsurface obstructions.
2)
Limited space for jacking pits.
3)
Condition of roadway surface, including imminent resurfacing and rebuilding.
e)
In any analysis of a request for open cutting, primary consideration shall be given to the safety and convenience of the public.
f)
Where open cutting has been permitted, replacement of fill, base, and surface will be in accordance with this Code, the latest State of Florida Department of Transportation specifications, or the County's standard procedures, and/or special provisions as applicable. When traffic is to be placed on a cut area, a temporary patch with a smooth all-weather surface must be provided.
g)
Attachments to structures such as bridges shall be carefully reviewed and may be considered under one (1) or more of the following conditions:
1)
Will not create a potential hazard;
2)
Will not affect the integrity of the structure;
3)
Will not adversely affect aesthetics of the structure;
4)
Will not hinder maintenance operations;
5)
Will not block the view of traffic control devices;
6)
Shall maintain minimum ground clearance of eighteen (18) feet.
h)
Where attachments are permitted, the following criteria must be adhered to:
1)
No maintenance will be accomplished from any structure. Maintenance must be without hindrance to the public.
2)
The utility line must maintain clearance equal to that of the structure.
3)
Where possible, the utility line should be in conduit so that maintenance can be accomplished from ends of structure.
4)
Material used for casing and attachments shall be such that it will not require routine maintenance such as painting, etc. This will include cast iron, galvanized steel, stainless steel, aluminum, concrete, etc.
5)
No consideration will be given to approving flammable fluid pressure lines unless the lines are designed in accordance with and meet the requirements of applicable state and federal regulations.
6)
All lines carrying flammable transmittants shall be attached in such a manner so as not to extend below the bottom elevation of supporting beams of the bridge structure, and so that the line will have minimum exposure to vehicular damage.
7)
All attachments to structure will be reviewed in respect to their contribution to any corrosive damage which would lessen the structural integrity of the structure. The attachment should be effectively isolated from the structure so as not to induce corrosion into the structure.
8)
If other locations are reasonable, attachment to the structure will not be allowed. Each attachment will be considered on its own merits.
i)
All public rights-of-way and public easements shall be restored to their original condition as far as practical, in keeping with the Code, and in a manner satisfactory to the Town. The following guidelines are established for this purpose:
1)
All traffic detours will be restricted to the limits of rights-of-way with necessary flagmen and marking devices. A traffic detour or lane closure shall require specific approval by the Town Manager or designee.
2)
All utility construction and maintenance shall be performed with proper shoring, barricades, and maintenance of traffic signage in accordance with the Manual of Uniform Traffic Control Devices, with regulations of the Florida Industrial Safety Board, OSHA, and the Florida Department of Transportation Safety Manual, latest edition.
3)
Proper repairs of open cuts shall be in accordance with the Town's standard procedures.
4)
Temporary patches shall be topped with asphaltic material and maintained so as to provide a smooth, all-weather surface at all times. Permanent replacements of the temporary patch shall be made as soon as all work on the installation is completed.
5)
Shoring will be required where necessary to protect existing pavement, and must be properly protected and removed.
6)
All excavated material in excess of the quantity required for backfill, and unusable material shall be disposed of at the permittee's expense, and not placed within the limits of the public right-of-way or easement unless so directed by the Town.
7)
At such locations where Town signs and reflectors will interfere with proposed construction, the permittee or his designee will notify the Town twenty-four (24) hours in advance of starting work. All signs and reflectors will be removed or relocated only by Town forces or with the Town's permission. Any signs or reflectors damaged, destroyed, removed, or relocated will be replaced at the expense of the permittee. No private signs of any type will be permitted within the right-of-way.
8)
Trees and/or shrubs destroyed during construction are subject to being replaced by the permittee as directed by the Town. All debris shall be removed by the permittee at their expense. All vegetation shall be provided the maximum protection practicable.
9)
All jack and bore crossings will be a continuous operation at each location at the proper location and depth. Any deviation from the above will be sufficient grounds for work stoppage, plugging the line with concrete, and replacement of a line at the proper location.
10)
Grassing and mulching operations are to begin as soon as fine grading and weather conditions permit, as directed by the Town. Any disturbed yards or part of the right-of-way in front of private property that has a grass mat shall be re-sodded with like sod.
11)
The indiscriminate cutting of trees or disfiguring of any feature of scenic value shall not be permitted. This includes other methods such as the use of herbicides. The necessary trimming or cutting of trees by utility companies in the interest of public safety or continuity of utility service shall not be considered indiscriminate where such utilities cannot bypass the obstruction. This shall not be construed to mean that existing pole lines must be relocated to comply with the above.
j)
All landscaping within public rights-of-way and public easements must be approved by the Town and comply with the following provisions:
1)
In order for the Town to allow the installation of right-of-way or easement landscaping, a statement in writing as to who will be responsible for the maintenance of the project including watering, fertilizing, pruning, etc., will be required. This statement shall come from the adjacent property developer/owner, the appropriate homeowners association, or civic organization.
2)
The permittee shall not hold the Town responsible for any damage to the plants during subsequent right-of-way construction.
3)
Plants in a median island within one hundred (100) feet of a median opening shall provide a clear sight distance between three (3) and seven (7) feet above the ground. Conditions may require the above one hundred (100) foot length to be extended for safety considerations.
4)
No rock boulders, utility facilities, stationary signs (except frangible sign posts), or above ground monuments shall be allowed in the medians.
5)
Persons and equipment maintaining the project are to carry out their work in such a manner as not to obstruct vision or traffic flow.
6)
Plantings shall be maintained at all times to prevent being a hazard in the safe operation of a vehicle, which includes the sight distance of drivers. Landscaping which creates a hazard to safe vehicle operation may be maintained, modified and/or removed at the discretion of the Town.
7)
Trees planted within the right-of-way on high speed (fifty (50) M.P.H. and above) and high volume roadways shall be thirty (30) feet from the edge of the pavement or at the right-of-way line. Each location will be reviewed for any special requirements by the Town.
8)
Sprinkler heads and irrigation systems installed adjacent to public roadways and sidewalks shall be designed to insure public safety and shall not spray water over or on the roadway or sidewalk area. They shall not be operated during high pedestrian or vehicular travel times. On non-curbed streets, the sprinkler head shall be located adjacent to the right-of-way line or on public property to prevent damage by parked vehicles.
k)
Any utility, structure, vegetative material or other type of object within the right-of-way which causes or contributes to the deterioration of the road shoulder, swale or other roadway systems, or which creates a hazard to safe vehicle operation shall be subject to removal at the discretion of the Town.
(Ord. No. 2010-14, § 1(Exh. B), 7-19-2010)
a)
The placement of utilities within the public rights-of-way and public easements shall be placed in accordance with all applicable codes and current industry standards.
b)
On arterials or major collectors light and utility poles shall be located at least eighteen (18) feet from edge of pavement or at right-of-way line. Poles are permitted to within twelve (12) feet from edge of pavement, provided a frangible (breakaway) base is used, or behind a barrier. A minimum distance of six (6) feet will be required from the edge of pavement on deceleration and acceleration lanes, but where design permits, fourteen (14) foot clearance shall be used.
c)
For minor collectors and local streets, single family mail boxes shall be constructed and installed in a manner that does not endanger the public.
d)
The following general provisions, including the proper sight distance requirements, shall be followed:
1)
Underground utilities parallel to roadways shall maintain a minimum vertical clearance of thirty-six (36) inches below the top of the roadway pavement and existing top of ground, including ditch grade.
2)
Underground crossings shall maintain a minimum vertical clearance of forty-two (42) inches below the top of roadway pavement and top of ground, including ditch grade.
3)
Aerial crossings shall be in accordance with the National Electrical Safety Code, latest edition, and shall maintain a minimum of eighteen (18) feet over roadways. They shall not interfere with existing or planned signal installation.
e)
Devices such as signal-strain poles, above ground enclosures, and other items whose construction and size would cause extensive damage to a vehicle if struck are to be located according to the standards for utility poles.
f)
Where possible, excavation will not be allowed within four (4) feet of the edge of the pavement. Situations which cannot meet this requirement shall require the approval of the Town Manager or designee.
g)
These criteria shall not be applied to a minor segment of an existing utility installation in such a manner as to result in misalignment of the installation or adjustment of the entire installation.
h)
The roadside clearances for above ground utility facilities shall be consistent with those clearances applicable to other obstacles on the type of highway involved, reflecting good engineering and economic considerations.
i)
In exposed areas, frangible (breakaway) poles and light standards should be considered to the extent practical. Where location is not exposed, consideration can be given to other type standards.
(Ord. No. 2010-14, § 1(Exh. B), 7-19-2010)
The Town may issue a "stop work" order upon any permittee who is committing or creating unsafe acts which may create a public hazard or who is not complying with the provisions of the permit and this Code. The order shall remain in effect until such time as these matters are corrected.
(Ord. No. 2010-14, § 1(Exh. B), 7-19-2010)
(Ord. No. 2010-14, § 1(Exh. B), 7-19-2010)
(Ord. No. 2010-14, § 1(Exh. B), 7-19-2010)
(Ord. No. 2010-14, § 1(Exh. B), 7-19-2010)
(Ord. No. 2010-14, § 1(Exh. B), 7-19-2010)
(Ord. No. 2010-14, § 1(Exh. B), 7-19-2010)