FORM-BASED CODE ZONING DISTRICTS3
Editor's note— Ord. No. 04-23 N.S., § I(Exh. A), adopted April. 18, 2018, enacted a new Series 400 "Form-Based Zoning Districts" to read as set out herein.
This Form-Based Code, adopted in April 2023 (See Section III, Effective 5/18/2023), is a reflection of the community vision for implementing the intent of the General Plan to create walkable mixed-use neighborhoods. These Form-Based Code standards are intended to ensure that proposed development is compatible with existing and future development on neighboring properties, and produces an environment of desirable character, consistent with the General Plan.
This Form-Based Code is based on an initial documentation and analysis of the existing conditions at the macro (citywide) and micro (street and block) scales. The results of this analysis helped to classify the different types of places in Richmond and their subsequent standards.
This Form-Based Code is also based on the input received by the community throughout the process to ensure that the standards in this Code reflect the community's vision for the future of their community as documented in the General Plan (2012), 23rd Street Corridor Charrette Summary Report (2009), and Richmond Livable Corridors Charrette Summary Report (2012).
(Ord. No. 04-23 N.S., § I(Exh. A), 4-18-2023)
Form-Based Codes are an alternative approach to zoning that reinforces walkable, sustainable, mixed-use environments and development and builds upon the character of a place.
"Form-based codes foster predictable built results and a high-quality public realm by using physical form (rather than separation of uses) as the organizing principle for the code. They are regulations, not mere guidelines, adopted into city or county law. Form-based codes offer a powerful alternative to conventional zoning."
~ Form-Based Codes Institute
A.
Form-Based Code Components.
1.
Article 15.04.401 (Preamble) provides the overall intent of this Form-Based Code as it is applied within the City.
2.
Article 15.04.402 (Transect Zones) includes information and standards for the transect zones. It organizes dimensional standards for each zone (building placement, building form, parking placement and ratios, architectural styles, allowed frontages, and encroachments) with the allowed uses in each zone, in order to maximize usability and provide a simple user interface.
3.
Article 15.04.403 (Building Types) provides form standards for building types, which supplement the standards found in Article 15.04.402 (Transect Zones).
4.
Article 15.04.404 (Frontage Types) provides form standards for frontages, which supplement the standards found in Article 15.04.402 (Transect Zones).
5.
Article 15.04.405 (Architectural Standards) provides standards for characteristic architectural styles, which supplement the standards found in Article 15.04.402 (Transect Zones) and provide additional standards for the treatment of building and frontage types found in Article 15.04.403 (Building Types) and Article 15.04.404 (Frontage Types).
6.
Article 15.04.406 (General to Large Sites) includes standards and regulations for applicants proposing large infill and community-scaled plans, including standards for thoroughfare networks, connectivity, the development and location of civic and open spaces, and the design of blocks and lots. The standards are designed to promote the development of walkable places.
B.
The Rural-to-Urban Transect.
The transect is an organizing principle often used in Form-Based Coding that focuses first on the intended character and type of place and second on the mix of uses within. This differs from the framework found in conventional or Euclidean zoning in which use, rather than form, is the primary focus. Transect-based zone districts are used to regulate the preservation, evolution, and creation of walkable places.
"The Rural-to-Urban Transect is a means for considering and organizing the human habitat in a continuum of intensity that ranges from the most rural condition to the most urban. It provides a standardized method for differentiating between the intentions for urban form in various areas using gradual transitions rather than harsh distinctions. The zones are primarily classified by the physical intensity of the built form, the relationship between nature and the built environment, and the complexity of uses within the zone."
~ Form-Based Codes: A Guide to Planners, Urban Designers,
Municipalities, and Developers, by Parolek, Parolek and Crawford
The model transect for American cities is divided into six transect zones or T-zones: Natural (T1), Rural (T2), Sub-urban (T3), General Urban (T4), Urban Center (T5), and Urban Core (T6), together with a Special District (SD) designation for areas with specialized purposes (e.g., heavy industrial, transportation, entertainment, or university districts, among other possibilities).
(Ord. No. 04-23 N.S., § I(Exh. A), 4-18-2023)
The Livable Corridors Form Based Code (FBC) and Architectural Standards are effective thirty (30) days after approval by the City Council ("Effective Date"). Any Planning application submitted after the Effective Date for a new project or project amendment is required to comply with the FBC requirements, except for projects with Planning applications under review prior to the Effective Date.
The FBC and Architectural Standards apply to the portions of the City of Richmond within the FBC Map boundary, excluding:
A.
Single-family residences, Accessory Dwelling Units, Dwelling Units constructed pursuant to SB 9, also known as the California Housing Opportunity and More Efficiency (HOME) Act projects;
B.
Government Buildings;
C.
Rehabilitation, modifications, or additions to historic buildings or adaptive reuse of historic buildings; and
D.
Richmond Bay Specific Plan.
(Ord. No. 04-23 N.S., § I(Exh. A), 4-18-2023)
A project applicant may request an exception or exceptions to the Architectural Standards contained in the FBC. For housing development projects, the exception process set forth is an alternative to a request for concessions and waivers under State Density Bonus law (Government Code Section 65915 et seq.); applicants requesting concessions or waivers may not also request exceptions.
The request must be made in writing as part of the Planning application for the proposed project. The application for an exception must contain detailed information describing the architectural standard that is requested to be waived or modified; how the physical constraints and unique characteristics of the project site make it infeasible to comply with that architectural standard; and how the request meets each exception requirement.
The decision-maker (Zoning Administrator, Design Review Board, Historic Preservation Commission, Planning Commission, or City Council, as applicable) will consider the request and information provided and make findings to approve or deny the request. The decision-maker shall only grant an exception if all the following findings are made:
A.
There is a physical constraint or unique situation that because of special circumstances regarding the project or property, such as property size, shape, topography, location, or surroundings, or the needs of the use, conformance with the architectural standard is infeasible.
B.
Approving the exception will not create a health safety hazard or impair the design integrity and character of the neighborhood in which the subject property is located.
C.
The proposed project meets the intent of the design standard for which an exception is requested to the extent feasible.
For housing development projects, denial of the exception does not constitute denial of the project but rather requires the applicant to modify the project to conform with the design standard, either by redesigning the project or through imposition of a condition of approval.
(Ord. No. 04-23 N.S., § I(Exh. A), 4-18-2023)
The following diagrams illustrate how to use this Form-Based Code as a series of steps,
either for a Building-Scale Project or for a Large Site—see Article 15.04.406 (General to Large Sites).
Quick Code Guide: Building-Scale Projects
Note: this diagram is intended to provide a simplified overview of different code use scenarios and is descriptive, not regulatory.
1 See 15.04.606 (Nonconforming Uses, Structures and Lots) for existing non conforming uses, structures, and parcels.
Quick Code Guide: Large Sites
Note: this diagram is intended to provide a simplified overview of different code use scenarios and is descriptive, not regulatory.
(Ord. No. 04-23 N.S., § I(Exh. A), 4-18-2023)
(Ord. No. 04-23 N.S., § I(Exh. A), 4-18-2023)
(Ord. No. 04-23 N.S., § I(Exh. A), 4-18-2023)
This Article provides regulatory standards governing building form and land use within the transect zones. The standards in this Article are a reflection of the community's vision for implementing the intent of the General Plan to preserve natural areas, to create walkable mixed-use neighborhoods, and reinforce downtown Richmond. They are intended to ensure that proposed development is compatible with existing and future development on neighboring properties and produces an environment of desirable character.
The standards of this Article shall apply to all proposed development within transect zones, and shall be considered in combination with the standards in Article 15.04.403 (Building Types), Article 15.04.404 (Frontage Standards), Article 15.04.405 (Architectural Standards), and Article 15.04.406 (General to Large Sites). If there is a conflict between any standards, the stricter standards shall apply.
For nonconforming uses, structures, and lots, see Article 15.04.606 (Nonconforming Uses, Structures And Lots).
(Ord. No. 04-23 N.S., § I(Exh. A), 4-18-2023)
| A. Intent | B. Sub-Zone(s) | ||
|---|---|---|---|
| To provide a walkable, predominantly single-family neighborhood that integrates appropriate medium-density building types such as duplexes, multiplexes, and bungalow courts within walking distance to transit and commercial areas. | Detached or Attached | T4 Neighborhood-30' (T4N-30)
T4 Neighborhood-35' (T4N-35) T4 Neighborhood-Open (T4N-O) The height-based sub-zones allow different height limits for different neighborhood contexts. The open sub-zone provides the same building form as in T5N-35 but allows for a more diverse mix of uses. | |
| Lot Widths from 18' to 150' | |||
| Small-to-Medium Footprint | |||
| Small-to-Medium Front Setback | |||
| Small-to-No Side Setback | |||
| Up to 35' (30' in some areas) | |||
| Elevated Ground Floor | |||
| Diverse Mix of Residential Frontages | |||
| E. Building Form | |||
|---|---|---|---|
| Height | T4N-30 | T4N-35/ T4N-0 | |
|
Stories
Principal Structure 6 Accessory Structure | 2 max. 2 max. | 2 ½ max. 7 2 max. | |
|
Overall
Principal Structure Accessory Structure | 30' max. 25' max. | 35' max. 25' max. | |
|
Ground Floor Finish Level:
Residential, < 10' from ROW Residential, ≥ 10' from ROW | 18" min. 0" min. | ||
| Ceiling Height, Ground Floor | 10' min. clear | ||
| Ceiling Height, Upper Floor(s) | 9' min. clear | ||
| Footprint | |||
Per Article 15.04.403 (Building Types) | |||
| Depth, Ground-Floor Space | 30' min. 8 | ||
| Miscellaneous | |||
| Loading docks, overhead doors, and other service entries may not be located on street-facing facades. | |||
| 6 Max. height of building types may be less than max. height for zone. See Article 15.04.403 (Building Types). | |||
| 7 Half Story allowed as defined in Article 15.04.104 (Key Terms and Definitions). | |||
| 8 For habitable/occupiable space only, except in Cottage Court Building Type. | |||
| F. Architectural Styles | ||
| Allowed Architectural Styles | Standards | |
| Contemporary | 15.04.405.050 | |
| Art Deco | 15.04.405.060 | |
| Industrial 9 | 15.04.405.070 | |
| Spanish Revival | 15.04.405.090 | |
| Victorian | 15.04.405.100 | |
| G. Encroachments and Frontage Types | ||
| Allowed Encroachments10,11 | ||
| Front | 10' max. | |
| Side Street | 5' max. | |
| Side | 2'-6" max. | |
| Rear | 2'-6" max. | |
| Allowed Frontage Types | ||
| See Article 15.04.403 (Building Types) for allowed Frontage Types. | ||
| 9 Allowed only in the T4 Neighborhood-Open Sub-Zone. See Figure 15.04.405.070.1 in Section 15.04.405.070 for map of where style is allowed. | ||
| 10 Maximum allowed encroachments: See Article 15.04.404 (Frontage Types) for further refinement of the allowed encroachments for frontage elements. | ||
| 11 Encroachments into the ROW require the approval of an encroachment permit. Encroachments are not allowed in an alley ROW or across a lot line/design site boundary. | ||
| H. Parking | ||
| Required Spaces12 | ||
| Residential Uses | 1/1,000 sf min. 13 | |
| Lodging Uses | 0.5/room min. | |
| Location (Distance from ROW / Lot Line) | ||
| Front Setback | 30' (from BTL) | |
| Side Street Setback | 10' (from BTL) | |
| Side Setback | 5' min. 14 | |
| Rear Setback | 5' min. | |
| Miscellaneous | ||
|
Parking Drive Width:
Front Side Street/Alley | 12' max. 20' max. | |
| See Article 15.04.612 (Transportation Demand Management) for applicability and requirements. | ||
| 12 See Article 15.04.607 (Parking And Loading Standards) for uses not listed, general standards, and alternatives. | ||
| 13 No parking spaces required for affordable housing developments or first 2,000 sf of residential use. | ||
| 14 No side setback required along the common lot line between Townhouse or Duplex Building Types. | ||
(Ord. No. 04-23 N.S., § I(Exh. A), 4-18-2023)
| A. Intent | B. Sub-Zone(s) | ||
|---|---|---|---|
| To provide a vibrant main-street mixed-use environment that serves as the focal point for the surrounding neighborhood and provides access to day-to-day amenities within walking distance | Attached | T4 Main Street-Open (T4MS-O) The open sub-zone provides the same building form but allow for a more diverse mix of uses. | |
| Lot Widths from 18' to 100' | |||
| Simple Wall Plane along Street | |||
| Small-to-Large Footprint | |||
| Buildings at ROW | |||
| Small-to-No Side Setback | |||
| Up to 45' | |||
| Flush Ground Floor | |||
| Primarily with Shopfronts | |||
| C. Allowed Building Types | |||||
|---|---|---|---|---|---|
Lot/Design Site | |||||
| Width | Depth | ||||
| Building Type | Standards | ||||
| Carriage House | n/a | n/a | 15.04.403.040 | ||
| Cottage | n/a | n/a | 15.04.403.060 | ||
|
Courtyard Building:
Large |
75' min.;
100' max. | 100' min. 1 | 15.04.403.140 | ||
| Live/Work |
18' min.;
35' max. | 80' min. | 15.04.403.150 | ||
| Main Street |
50' min.
2
;
150' max. | 100' min. 1 | 15.04.403.160 | ||
| Buildings wider than 75' shall be designed to read as a series of buildings no wider than 50' each. | |||||
| 1 80' min. allowed for existing lots | |||||
| 2 25' min. allowed for existing lots | |||||
| E. Building Form | ||
|---|---|---|
| Height | ||
|
Stories
Principal Structure 5 Accessory Structure | 4 max. 6 2 max. | |
|
Overall
Principal Structure Accessory Structure | 45' max. 6 25' max. | |
|
Ground Floor Finish Level:
Residential, < 10' from ROW Residential, ≥ 10' from ROW Retail or Service | 24" min. 0" min. 6" min. | |
|
Ceiling Height, Ground Floor
Residential Retail or Service | 10' min. clear 12' min. clear | |
| Ceiling Height, Upper Floor(s) | 9' min. clear | |
| Footprint | ||
Per Article 15.04.403 (Building Types) | ||
| Depth, Ground-Floor Space | 30' min. | |
| Miscellaneous | ||
|
Distance Between Entries along the Front:
Entries to Ground Floor Entries to Upper Floor(s) | 50' max. 100' max. | |
| 5 Max. height of building types may be less than max. height for zone. See Article 15.04.403 (Building Types). | ||
| 6 35' max. within 30' of a T4N or Residential District. | ||
| Miscellaneous | ||
| Upper floors shall have a primary entrance along the front. | ||
| Loading docks, overhead doors, and other service entries may not be located on street-facing facades. | ||
| Buildings wider than 75' shall be designed to read as a series of buildings no wider than 50' each. | ||
| Upper Floor Front/Side Street Setback | ||
| Floors 5+ | 10' min. | |
| F. Architectural Styles | ||
| Allowed Architectural Styles | Standards | |
| Contemporary | 15.04.405.050 | |
| Art Deco | 15.04.405.060 | |
| Industrial 7 | 15.04.405.070 | |
| Main Street Classical | 15.04.405.080 | |
| Spanish Revival | 15.04.405.090 | |
| Victorian | 15.04.405.100 | |
| 7 See Figure 15.04.405.070.1 in Section 15.04.405.070 for map of where style is allowed. | ||
| G. Encroachments and Frontage Types | ||
|---|---|---|
| Allowed Encroachments8,9 | ||
| Front | 14' max. | |
| Side Street | 14' max. | |
| Rear | 5' max. | |
| Allowed Frontage Types | ||
| See Article 15.04.403 (Building Types) for allowed Frontage Types. | ||
8 Maximum allowed encroachments: See Article 15.04.404 (Frontage Types) for further refinement of the allowed encroachments for frontage elements. | ||
| 9 Encroachments into the ROW require the approval of an encroachment permit. Encroachments are not allowed in an alley ROW or across a lot line/design site boundary. | ||
| H. Parking | ||
|---|---|---|
| Required Spaces10 | ||
| Residential Uses | 1/1,000 sf min. 11 | |
| Lodging Uses | 1/room max. | |
| Retail or Service Uses | 2/1,000 sf min. 12 | |
| Location (Distance from ROW / Lot Line) | ||
|
Front Setback:
Ground floor Upper floor(s) | 30' min. (from BTL) 30' min. (from BTL) | |
| Side Street Setback | 0' min. (from BTL) | |
| Side Setback | 0' min. | |
|
Rear Setback:
Adjacent to T5N or T4N Adjacent to all other zone(s) Adjacent to Alley | 5' min. 0' min. 0' min. | |
| Miscellaneous | ||
|
Parking Drive Width:
Front Side Street/Alley | 12' max. 20' max. | |
| See Article 15.04.612 (Transportation Demand Management) for applicability and requirements. | ||
| 10 See Article 15.04.607 (Parking And Loading Standards) for uses not listed, general standards, and alternatives. | ||
| 11 No parking spaces required for affordable housing developments or first 2,000 sf of residential use. | ||
| 12 No parking spaces required for ground floor retail or service uses less than 5,000 sf. | ||
(Ord. No. 04-23 N.S., § I(Exh. A), 4-18-2023)
| A. Intent | B. Sub-Zone(s) | ||
|---|---|---|---|
| To provide medium- to high-density housing in building types such as multiplexes, courtyard buildings, and mid-rise buildings (high-rise buildings in some areas) that transition from the surrounding lower-density neighborhoods to the higher-density mixed-use neighborhoods. | Detached or Attached | T5 Neighborhood-55' (T5N-55)
T5 Neighborhood-135' (T5N-135) The sub-zones allow different height limits for different neighborhood contexts. | |
| Lot Widths from 18' to 200' | |||
| Simple Wall Plane along Street | |||
| Small-to-Large Footprint | |||
| Buildings at or close to ROW | |||
| Small-to-No Side Setback | |||
| Up to 55' (135' in some areas) | |||
| Elevated Ground Floor | |||
| Stoops, Forecourts, and Dooryards | |||
| C. Allowed Building Types | |||||
|---|---|---|---|---|---|
Lot/Design Site | |||||
| Width | Depth | ||||
| Building Type | Standards | ||||
| Carriage House | n/a | n/a | 15.04.403.040 | ||
| Cottage | n/a | n/a | 15.04.403.060 | ||
| Rowhouse |
18' min.;
35' max. | 80' min. | 15.04.403.090 | ||
| Multi-Plex: Small |
50' min.;
75' max. | 80' min. | 15.04.403.100 | ||
| Multi-Plex: Large |
50' min.;
100' max. | 100' min. 1 | 15.04.403.110 | ||
| Stacked Flats |
100' min.;
200' max. | 100' min. 1 | 15.04.403.120 | ||
|
Courtyard
Building: Large |
75' min.;
200' max. | 100' min. 1 | 15.04.403.140 | ||
| Mid-Rise |
75' min.;
200' max. | 100' min. | 15.04.403.170 | ||
| High-Rise 2 | 200' min. | 150' min. | 15.04.403.180 | ||
| 1 80' min. allowed for existing lots | |||||
| 2 Allowed only in the T5 Neighborhood-135' Sub-Zone. | |||||
| E. Building Form | |||
| Height | T5N-55 | T5N-135 | |
|
Stories
Principal Structure 5 | 5 max. 6 | 12 max. 6 | |
|
Overall
Principal Structure | 55' max. 6 | 135' max. 6 | |
|
Ground Floor Finish Level:
Residential, < 10' from ROW Residential, ≥ 10' from ROW | 24" min. 0" min. | ||
| Ceiling Height, Ground Floor | 10' min. clear | ||
| Ceiling Height, Upper Floor(s) | 9' min. clear | ||
| Footprint | |||
Per Article 15.04.403 (Building Types) | |||
| Depth, Ground-Floor Space | 20' min. | ||
| Miscellaneous | |||
| Distance Between Entries along the Front: | |||
|
Entries to Ground Floor
Entries to Upper Floor(s) |
50' max.
100' max. | ||
| Loading docks, overhead doors, and other service entries may not be located on street-facing facades. | |||
| Buildings wider than 100' shall be designed to read as a series of buildings no wider than 75' each. | |||
| 5 Max. height of building types may be less than max. height for zone. See Article 15.04.403 (Building Types). | |||
| 6 35' max. within 50' of a T4N or Residential District. |
>
| ||
| Upper Floor Front/Side Street Setback | |||
| Floors 6+ | 10' min. | ||
| F. Architectural Styles | |||
| Allowed Architectural Styles | Standards | ||
| Contemporary | 15.04.405.050 | ||
| Art Deco | 15.04.405.060 | ||
| Spanish Revival | 15.04.405.090 | ||
| Victorian | 15.04.405.100 | ||
| G. Encroachments and Frontage Types | ||
|---|---|---|
| Allowed Encroachments7,8 | ||
| Front | 14' max. | |
| Side Street | 14' max. | |
| Rear | 5' max. | |
| Allowed Frontage Types | ||
| See Article 15.04.403 (Building Types) for allowed Frontage Types. | ||
7 Maximum allowed encroachments: See Article 15.04.404 (Frontage Types) for further refinement of the allowed encroachments for frontage elements. | ||
| 8 Encroachments into the ROW require the approval of an encroachment permit. Encroachments are not allowed in an alley ROW or across a lot line/design site boundary. | ||
| H. Parking | ||
|---|---|---|
| Required Spaces9 | ||
| Residential Uses | 1.25/unit max. | |
| Lodging Uses | 0.5/room min. | |
| Location (Distance from ROW / Lot Line) | ||
| Front Setback | 30' min. (from BTL) | |
| Side Street Setback | 0' min. (from BTL) | |
| Side Setback | 0' min. | |
|
Rear Setback:
Adjacent to T5N or T4N Adjacent to all other zone(s) Adjacent to Alley | 5' min. 0' min. 0' min. | |
| Miscellaneous | ||
|
Parking Drive Width:
Front, ≤ 40 spaces Front, > 40 spaces Side Street/Alley % of Frontage along Front | 12' max. 20' max. 20' max. 20% max. | |
| See Article 15.04.612 (Transportation Demand Management) for applicability and requirements. | ||
| 9 See Article 15.04.607 (Parking And Loading Standards) for uses not listed, general standards, and alternatives. | ||
(Ord. No. 04-23 N.S., § I(Exh. A), 4-18-2023)
| A. Intent | B. Sub-Zone(s) | ||
|---|---|---|---|
| To provide a vibrant, walkable urban main street commercial area that provides locally- and regionally-serving commercial, retail, entertainment uses, and civic and public uses, as well as a variety of urban housing choices. | Attached |
T5 Main Street-Open (T5MS-O)
The open sub-zone allows for a more diverse mix of uses and building types. | |
| Lot Widths from 18' to 200' | |||
| Simple Wall Plane along Street | |||
| Small-to-Large Footprint | |||
| Buildings at or close to ROW | |||
| No Side Setback | |||
| Up to 55' (35' in some areas) | |||
| Flush Ground Floor | |||
| Primarily with Shopfronts | |||
| C. Allowed Building Types | |||||
|---|---|---|---|---|---|
Lot/Design Site | |||||
| Width | Depth | ||||
| Building Type | Standards | ||||
| Carriage House | n/a | n/a | 15.04.403.040 | ||
| Rowhouse 1 |
18' min.;
35' max. | 80' min. | 15.04.403.090 | ||
| Multi-Plex: Small 1 |
50' min.;
75' max. | 80' min. | 15.04.403.100 | ||
| Multi-Plex: Large 1 |
50' min.;
100' max. | 100' min. 2 | 15.04.403.110 | ||
| Stacked Flats 1 |
100' min.;
200' max. | 100' min. 2 | 15.04.403.120 | ||
|
Courtyard
Building: Large |
75' min.;
100' max. | 100' min. 2 | 15.04.403.140 | ||
| Live/Work |
18' min.;
35' max. | 80' min. | 15.04.403.150 | ||
|
Main Street
Building |
50' min.
3
;
150' max. | 100' min. 2 | 15.04.403.160 | ||
| Mid-Rise |
100' min.;
200' max. | 100' min. | 15.04.403.170 | ||
| 1 Allowed only in the T5 Main Street-Open Sub-Zone. | |||||
| 2 80' min. allowed for existing lots. | |||||
| 3 25' min. allowed for existing lots. | |||||
| E. Building Form | |||
|---|---|---|---|
| Height | |||
|
Stories
Principal Structure 6 | 5 max. 7 | ||
|
Overall
Principal Structure | 55' max. 7 | ||
| For T5MS-O zones along San Pablo Avenue, the max. height shall not exceed 3 stories or 35 feet when abutting a single family residential zone. | |||
|
Ground Floor Finish Level:
Residential, < 10' from ROW Residential, ≥ 10' from ROW Retail or Service | 24" min. 0" min. 6" max. | ||
|
Ceiling Height, Ground Floor
Residential Retail or Service | 10' min. clear 12' min. clear | ||
| Ceiling Height, Upper Floor(s) | 9' min. clear | ||
| Footprint | |||
Per Article 15.04.403 (Building Types) | |||
| Depth, Ground-Floor Space | 30' min. | ||
| 6 Max. height of building types may be less than max. height for zone. See Article 15.04.403 (Building Types). | |||
| 7 35' max. within 50' of a T4N or Residential District. | |||
| Miscellaneous | |||
|
Distance Between Entries along the Front:
Entries to Ground Floor Entries to Upper Floor(s) | 50' max. 100' max. | ||
| Upper floors shall have a primary entrance along the front | |||
| Loading docks, overhead doors, and other service entries may not be located on street-facing facades. | |||
| Buildings wider than 150' shall be designed to read as a series of buildings no wider than 100' each. | |||
| Upper Floor Front/Side Street Setback | |||
| Floors 6+ | 10' min. | ||
| F. Architectural Styles | |||
| Allowed Architectural Styles | Standards | ||
| Contemporary | 15.04.405.050 | ||
| Art Deco | 15.04.405.060 | ||
| Main Street Classical | 15.04.405.080 | ||
| Spanish Revival | 15.04.405.090 | ||
| Victorian | 15.04.405.100 | ||
| G. Encroachments and Frontage Types | ||
|---|---|---|
| Allowed Encroachments8,9 | ||
| Front | 14' max. | |
| Side Street | 14' max. | |
| Rear | 5' max. | |
| Allowed Frontage Types | ||
| See Article 15.04.403 (Building Types) for allowed Frontage Types. | ||
8 Maximum allowed encroachments: See Article 15.04.404 (Frontage Types) for further refinement of the allowed encroachments for frontage elements. | ||
| 9 Encroachments into the ROW require the approval of an encroachment permit. Encroachments are not allowed in an alley ROW or across a lot line/design site boundary. | ||
| H. Parking | |||
|---|---|---|---|
| Required Spaces10 | |||
| Residential Uses | 1.25/unit max. | ||
| Lodging Uses | 1/room max. | ||
| Retail or Service Uses | 2/1,000 sf min. 11 | ||
| Location (Distance from ROW / Lot Line) | |||
| Front Setback: | 30' min. (from BTL) | ||
|
Side Street Setback:
Ground floor Upper floor(s) | 30' min. (from BTL) 0' min. (from BTL) | ||
| Side Setback | 0' min. | ||
|
Rear Setback:
Adjacent to T5N or T4N Adjacent to all other zone(s) Adjacent to Alley | 5' min. 0' min. 0' min. | ||
| Miscellaneous | |||
|
Parking Drive Width:
Front, ≤ 40 spaces Front, > 40 spaces Side Street/Alley % of Frontage along Front | 12' max. 20' max. 20' max. 20% max. | ||
| See Article 15.04.612 (Transportation Demand Management) for applicability and requirements. | |||
| 10 See Article 15.04.607 (Parking And Loading Standards) for uses not listed, general standards, and alternatives. | |||
| 11 No parking spaces required for uses less than 5,000 sf. | |||
(Ord. No. 04-23 N.S., § I(Exh. A), 4-18-2023)
| A. Intent | B. Sub-Zone(s) | ||
|---|---|---|---|
| To provide a high-density, vibrant, walkable urban downtown that provides locally- and regionally-serving commercial, retail, entertainment, and civic and public uses, as well as a variety of urban housing choices. | Attached |
T5 Core-Open (T5C-O)
The open sub-zone allows for a more diverse mix of uses and building types. | |
| Lot Widths from 18' to 300' | |||
| Simple Wall Plane along Street | |||
| Small-to-Large Footprint | |||
| Buildings at or close to ROW | |||
| No Side Setback | |||
| Up to 135' | |||
| Flush Ground Floor | |||
| Primarily with Shopfronts | |||
| C. Allowed Building Types | |||||
|---|---|---|---|---|---|
Lot/Design Site | |||||
| Width | Depth | ||||
| Building Type | Standards | ||||
| Rowhouse 1 |
18' min.;
35' max. | 80' min. | 15.04.403.090 | ||
| Multi-Plex: Small 1 |
50' min.;
75' max. | 80' min. | 15.04.403.100 | ||
| Multi-Plex: Large 1 |
50' min.;
100' max. | 100' min. 2 | 15.04.403.110 | ||
| Stacked Flats 1 |
100' min.;
200' max. | 100' min. 2 | 15.04.403.120 | ||
|
Courtyard
Building: Large |
75' min.;
100' max. | 100' min. 2 | 15.04.403.140 | ||
| Live/Work |
18' min.;
35' max. | 80' min. | 15.04.403.150 | ||
|
Main Street
Building |
50' min.
3
;
150' max. | 100' min. 2 | 15.04.403.160 | ||
| Mid-Rise |
100' min.;
300' max. | 100' min. | 15.04.403.170 | ||
| High-Rise | 200' min. | 150' min. | 15.04.403.180 | ||
| 1 Allowed only in the T5 Core-Open Sub-Zone. | |||||
| 2 80' min. allowed for existing lots | |||||
| 3 25' min. allowed for existing lots | |||||
| E. Building Form | |||
| Height | |||
|
Stories
Principal Structure 6 | 12 max. 7 | ||
|
Overall
Principal Structure | 135' max. 7 | ||
|
Ground Floor Finish Level:
Residential, < 10' from ROW Residential, ≥ 10' from ROW Retail or Service | 24" min. 0" min. 6" max. | ||
|
Ceiling Height, Ground Floor:
Residential Retail or Service | 10' min. clear 12' min. clear | ||
| Ceiling Height, Upper Floor(s) | 9' min. clear | ||
| Footprint | |||
| Per Article 15.04.403 (Building Types) | |||
| Depth, Ground-Floor Space: | 30' min. | ||
| Miscellaneous | |||
|
Distance Between Entries along the Front:
Entries to Ground Floor Entries to Upper Floor(s) | 50' max. 100' max. | ||
| Upper floors shall have a primary entrance along the front | |||
| Loading docks, overhead doors, and other service entries may not be located on street-facing facades. | |||
| 6 Max. height of building types may be less than max. height for zone. See Article 15.04.403 (Building Types). | |||
| 7 35' max. within 50' of a T4N or Residential District. | |||
| Buildings wider than 150' shall be designed to read as a series of buildings no wider than 100' each. | |||
| Upper Floor Front/Side Street Setback | |||
| Floors 6+ | 10' min. | ||
| F. Architectural Styles | |||
| Allowed Architectural Styles | Standards | ||
| Contemporary | 15.04.405.050 | ||
| Art Deco | 15.04.405.060 | ||
| Main Street Classical | 15.04.405.080 | ||
| Spanish Revival | 15.04.405.090 | ||
| Victorian | 15.04.405.100 | ||
| G. Encroachments and Frontage Types | ||
|---|---|---|
| Allowed Encroachments8,9 | ||
| Front | 14' max. | |
| Side Street | 14' max. | |
| Rear | 5' max. | |
| Allowed Frontage Types | ||
| See Article 15.04.403 (Building Types) for allowed Frontage Types. | ||
8 Maximum allowed encroachments: See Article 15.04.404 (Frontage Types) for further refinement of the allowed encroachments for frontage elements. | ||
| 9 Encroachments into the ROW require the approval of an encroachment permit. Encroachments are not allowed in an alley ROW or across a lot line/design site boundary. | ||
| H. Parking | |||
|---|---|---|---|
| Required Spaces10 | |||
| Residential Uses | 1.25/unit max. | ||
| Lodging Uses | 1/room max. | ||
| Retail or Service Uses | 2/1,000 sf min. 11 | ||
| Location (Distance from ROW / Lot Line) | |||
| Front Setback: | 30' min. (from BTL) | ||
|
Side Street Setback:
Ground floor Upper floor(s) | 30' min. (from BTL) 0' min. (from BTL) | ||
| Side Setback | 0' min. | ||
|
Rear Setback:
Adjacent to T5N or T4N Adjacent to all other zone(s) Adjacent to Alley | 5' min. 0' min. 0' min. | ||
| Miscellaneous | |||
|
Parking Drive Width:
Front, ≤ 40 spaces Front, > 40 spaces Side Street/Alley % of Frontage along Front | 12' max. 20' max. 20' max. 20% max. | ||
| See Article 15.04.612 (Transportation Demand Management) for applicability and requirements. | |||
| 10 See Article 15.04.607 (Parking And Loading Standards) for uses not listed, general standards, and alternatives. | |||
| 11 No parking spaces required for uses less than 5,000 sf. | |||
(Ord. No. 04-23 N.S., § I(Exh. A), 4-18-2023)
| Table 15.05.040.A: Land Use1 | T4N | T4N-O | T4MS | T4MS-O | T5N | T5MS | T5MS-O | T5C | T5C-O |
|---|---|---|---|---|---|---|---|---|---|
| Residential | |||||||||
| Single-Family, Attached or Detached 4 | P | P | — | A | P | — | A | P 2 | P 2 |
| Accessory Dwelling Units | P | P | P 2 | P | P | P 2 | P | P 2 | P 2 |
| Multi-Unit Dwellings 4 | P | P | P 2 | P | P | P 2 | P | P 2 | A/P 3 |
| Accessory Uses 5 | P | P | P | P | P | P | P | P | P |
|
Accessory Short-Term Rentals
6 ("Home-shares") | P | P | P 2 | P | P | P 2 | P | P 2 | P |
| Group Residential | A | P | P 2 | P | A | P 2 | P | P 2 | A/P 3 |
| Congregate Housing | A | P | P 2 | P | A | P 2 | P | P 2 | A/P 3 |
| Senior Group Residential | A | P | P 2 | P | A | P 2 | P | P 2 | A/P 3 |
| Elderly and Long-Term Care | A | C | C 2 | C | A | C 2 | C | P 2 | A/P 3 |
| Family Day Care: | |||||||||
| Small | P | P | P 2 | A | P | P 2 | A | P 2 | P 2 |
| Large | C | A | C 2 | A | C | C 2 | A | A 2 | A |
| Residential Facility: | |||||||||
| Residential Care, Limited | P | C | A 2 | A | P | A 2 | A | P 2 | A/P 3 |
| Residential Care, General/Senior | A | C | C 2 | C | A | C 2 | C | P 2 | A/P 3 |
| Hospice, Limited | P | P | P 2 | P | P | P 2 | P | P 2 | A/P 3 |
| Hospice, General | C | C | C 2 | C | C | C 2 | C | C 2 | C |
| Supportive Housing | P | P | P 2 | P | P | P 2 | P | P 2 | A/P 3 |
| Transitional Housing | P | C | C 2 | C | P | C 2 | C | P 2 | A/P 3 |
| Key | |||||||||
| P Permitted Use | |||||||||
| A Administrative Use Permit Required | |||||||||
| C Conditional Use Permit Required | |||||||||
| — Prohibited Use | |||||||||
| End Notes | |||||||||
| Uses not listed are specifically prohibited unless the Director interprets that a use is consistent pursuant to this Form-Based Code. | |||||||||
| 1 See Section 15.04.104.020 (Definitions) for use type definitions. | |||||||||
| 2 Use classification for use on upper floor(s) or behind an allowed ground-floor use. | |||||||||
| 3 Classification for use on ground-floor where non-residential or "active use" required as indicated in 15.04.101.070 (Official Zoning Map) / Classification for use on upper floor or behind an allowed ground-floor use. | |||||||||
| 4 May be a stand-alone use or a component of a mixed-use project. | |||||||||
| 5 See Zoning Ordinance Section 15.04.601.010 for standards for Accessory Uses and Structures. | |||||||||
| 6 See Zoning Ordinance Section 15.04.610.030 for standards for Accessory Short-Term Rentals ("Home-shares"). | |||||||||
| Table 15.05.040.A: Land Use1 | T4N | T4N-O | T4MS | T4MS-O | T5N | T5MS | T5MS-O | T5C | T5C-O |
|---|---|---|---|---|---|---|---|---|---|
| Commercial | |||||||||
| Animal Sales and Services: | |||||||||
| Boarding Kennel | — | C | A 2 | A | — | A 2 | A | A/P 3 | A |
| Clinic/Hospital | — | A | A/P 3 | P | — | A/P 3 | P | A/P 3 | P |
| Grooming | — | A | P | P | — | P | P | P | P |
| Retail Sales (Pet Shops) | — | A | P | P | — | P | P | P | P |
| Veterinary Services | — | A | A/P 3 | P | — | A/P 3 | P | A/P 3 | P |
| Auto Vehicle Sales and Services: | |||||||||
| Alternative Fuels and Recharging Facility | — | — | A | A | — | A | A | A | A |
| Automobile Rentals | — | — | — | C | — | — | C | A | A |
| Automobile/Vehicle Repair, Minor | — | — | — | A | — | — | A | A | A |
| Automobile/Vehicle Repair, Major | — | — | — | C | — | — | C | C | C |
| Automobile/Vehicle Washing | — | — | A | A | — | A | A | A | A |
| Service Stations | — | — | — | C | — | — | C | — | C |
| Banks and Financial Institutions: | |||||||||
| Bank and Savings and Loan | — | — | P | P | — | P | P | P | P |
| Nontraditional Financial | — | — | C | A | — | C | A | C | A |
| Business Services | — | A | P | P | — | P | P | P | P |
| Catering Service | — | A | A | A | — | A | A | A | A |
| Commercial Entertainment and Recreation: | |||||||||
| Cinema, Theater | — | — | C | C | — | C | C | C | C |
| Small-scale Facility ≤5,000 sf | — | — | P | P | — | P | P | P | P |
| Large-scale Facility >5,000 sf | — | — | — | C | — | — | C | C | C |
| Eating and Drinking Establishments: | |||||||||
| Bars/Night Clubs/Lounges | — | — | A | C | — | A | C | A | A |
| Restaurants, Limited or Full Service | — | — | P | P | — | P | P | P | A |
| Restaurant with Drive Through Service | — | — | — | C | — | — | C | — | — |
| Outdoor Dining and Seating | — | — | A | A | — | A | A | P | P |
| Key | |||||||||
| P Permitted Use | |||||||||
| A Administrative Use Permit Required | |||||||||
| C Conditional Use Permit Required | |||||||||
| — Prohibited Use | |||||||||
| End Notes | |||||||||
| Uses not listed are specifically prohibited unless the Director interprets that a use is consistent pursuant to this Form-Based Code. | |||||||||
| 1 See Section 15.04.104.020 (Definitions) for use type definitions. | |||||||||
| 2 Use classification for use on upper floor(s) or behind an allowed ground-floor use. | |||||||||
| 3 Classification for use on ground-floor / Classification for use on upper floor or behind an allowed ground-floor use. | |||||||||
| Table 15.05.040.A: Land Use1 | T4N | T4N-O | T4MS | T4MS-O | T5N | T5MS | T5MS-O | T5C | T5C-O |
|---|---|---|---|---|---|---|---|---|---|
| Commercial (continued) | |||||||||
| Finance, Insurance and Real Estate Services | — | A | P | P | — | P | P | P | P |
| Food and Beverage Sales: 7 | |||||||||
| Convenience Markets ≤5,000 sf | — | A | P | P | — | P | P | P | P |
| Convenience Markets >5,000 sf | — | — | A | A | — | A | A | C | C |
| Farmers Markets | P | P | P | P | P | P | P | P | P |
| General Markets | — | — | A | A | — | P | P | P | P |
| Liquor Stores | — | — | C | C | — | C | C | C | C |
| Outdoor Vendors | — | — | A | A | — | A | A | A | A |
| Funeral and Interment Services | — | C | A | A | — | A | A | A | A |
| Live/Work | — | A | P | P | — | P | P | P | P |
| Instructional Services | — | P | P | P | — | P | P | P | P |
| Maintenance and Repair Services | — | — | — | A | — | — | A | — | A |
| Media Production | A | C | A 2 | A | A | A 2 | A | A 2 | P |
| Mobile Vending Unit | — | — | A | A | — | A | A | A | A |
| Offices | — | A | P | P | — | P | P | P | P |
| Parking Facility, Commercial | — | — | P 2 | P 2 | — | P 2 | P 2 | P 2 | P 2 |
| Personal Services, except | — | P | P | P | — | P | P | P | P |
| Health/Fitness Facility | — | A/P 3 | P | P | — | P | P | P | P |
| Printing and Publishing | A | C | A 2 | A | A | A 2 | A | A 2 | P |
| Retail Sales: | |||||||||
| General Retail Sales, ≤25,000 sf | — | A | P | P | — | P | P | P | P |
| General Retail Sales, >25,000 sf | — | — | — | — | — | — | — | A | A |
| Secondhand Store | — | A | A | A | — | A | A | C | A |
| With Drive-Through | — | — | — | C | — | — | C | — | — |
| Transient Lodging: | |||||||||
| Bed and Breakfast Lodging | P | P | P 2 | P | P | P 2 | P | P 2 | P |
| Hotel and Motel | A | — | P 2 | P | A | P 2 | P | P 2 | P |
| Key | |||||||||
| P Permitted Use | |||||||||
| A Administrative Use Permit Required | |||||||||
| C Conditional Use Permit Required | |||||||||
| — Prohibited Use | |||||||||
| End Notes | |||||||||
| Uses not listed are specifically prohibited unless the Director interprets that a use is consistent pursuant to this Form-Based Code. | |||||||||
| 1 See Section 15.04.104.020 (Definitions) for use type definitions. | |||||||||
| 2 Use classification for use on upper floor(s) or behind an allowed ground-floor use. | |||||||||
| 3 Classification for use on ground-floor / Classification for use on upper floor or behind an allowed ground-floor use. | |||||||||
| 7 Retail establishments selling alcoholic beverages are subject to Section 15.04.610.060 (Alcoholic Beverage Sales). | |||||||||
| Table 15.05.040.A: Land Use1 | T4N | T4N-O | T4MS | T4MS-O | T5N | T5MS | T5MS-O | T5C | T5C-O |
|---|---|---|---|---|---|---|---|---|---|
| Institutional and Community Facilities | |||||||||
| College and Trade School | C | C | C | C | C | C | C | C | C |
| Community Assembly | P | P | P | P | P | P | P | P | P |
| Cultural Facility | P | P | P | P | P | P | P | P | P |
| Day Care | P | P | P | P | P | P | P | P | P |
| Emergency Shelter | C | C | C 2 | C | C | C 2 | C | C 2 | C |
| Government Buildings | C | C | A | A | C | A | A | A | A |
| Hospitals and Clinics | |||||||||
| Hospital | — | — | — | C | — | — | C | — | C |
| Clinic | — | — | A 2 | A | — | A 2 | A | A 2 | A |
| Skilled Nursing Facility | — | C | P 2 | P | — | P 2 | P | P 2 | P |
| Park and Recreation Facility | — | C | A 2 | A | — | A 2 | A | A 2 | A |
| Public Safety Facility | C | A | A | A | C | A | A | A | A |
| School | C | C | C | C | C | C | C | C | C |
| Social Service Center | C | C | C 2 | C | C | C 2 | C | C 2 | C |
| Industrial | |||||||||
| Artisan/Small-scale Manufacturing | — | A/P 3 | A/P 3 | A/P 3 | — | A/P 3 | A/P 3 | A/P 3 | A/P 3 |
| Artist's Studio | |||||||||
| Studio-Light | A | A | A | P | A | A | P | A | P |
| Studio-Heavy | — | A | A | P | — | A | P | A | P |
| Commercial Kitchen | — | — | A | A | — | A | A | A | A |
| Industrial | |||||||||
| Limited | — | — | — | A | — | — | A | — | A/P 3 |
| General | — | — | — | C | — | — | C | — | — |
| Key | |||||||||
| P Permitted Use | |||||||||
| A Administrative Use Permit Required | |||||||||
| C Conditional Use Permit Required | |||||||||
| — Prohibited Use | |||||||||
| / Separates requirements for ground floor uses and uses on upper floor(s) or behind an allowed ground floor use | |||||||||
| End Notes | |||||||||
| Uses not listed are specifically prohibited unless the Director interprets that a use is consistent pursuant to this Form-Based Code. | |||||||||
| 1 See Section 15.04.104.020 (Definitions) for use type definitions. | |||||||||
| 2 Use classification for use on upper floor(s) or behind an allowed ground-floor use. | |||||||||
| 3 Classification for use on ground-floor / Classification for use on upper floor or behind an allowed ground-floor use. | |||||||||
| Table 15.05.040.A: Land Use1 | T4N | T4N-O | T4MS | T4MS-O | T5N | T5MS | T5MS-O | T5C | T5C-O |
|---|---|---|---|---|---|---|---|---|---|
| Industrial (continued) | |||||||||
| Recycling Facilities | |||||||||
| Collection Facilities | A | C | A 2 | A | A | A 2 | A | A | A |
| Reverse Vending Machines | — | — | A | A | — | A | A | A | A |
| Research and Development | — | — | — | A | — | — | A | A/P 3 | A/P 3 |
| Warehousing, Storage, and Distribution | |||||||||
| Indoor Warehousing and Storage | — | — | C 2 | A 2 | — | C 2 | A 2 | — | C |
| Outdoor Storage 8 | — | — | — | — | — | — | — | — | — |
| Mini-Storage | — | — | — | A 2 | — | — | A 2 | — | C |
| Transportation, Communications and Utilities | |||||||||
| Communication Facilities | |||||||||
| Antennas and Transmission Towers | C | C | C | C | C | C | C | C | C |
| Equipment within Buildings | C | C | C | C | C | C | C | C | C |
| Transportation Facilities | |||||||||
| Transportation Passenger Terminal | — | — | — | — | — | — | — | C | C |
| Utilities, Minor or Major | C | C | C | C | C | C | C | C | C |
| Agriculture | |||||||||
| Community Gardens | A | P | — | A | A | — | A | — | A |
| Agriculture: Indoor, Outdoor, or Urban 8 | A | P | — | A | A | — | A | — | A |
| Animal Husbandry 8 | A | A | — | C | A | — | C | — | C |
| Other | |||||||||
| Home Occupations | P | P | P | P | P | P | P | P | P |
| Key | |||||||||
| P Permitted Use | |||||||||
| A Administrative Use Permit Required | |||||||||
| C Conditional Use Permit Required | |||||||||
| — Prohibited Use | |||||||||
| / Separates requirements for ground floor uses and uses on upper floor(s) or behind an allowed ground floor use | |||||||||
| End Notes | |||||||||
| Uses not listed are specifically prohibited unless the Director interprets that a use is consistent pursuant to this Form-Based Code. | |||||||||
| 1 See Section 15.04.104.020 (Definitions) for use type definitions. | |||||||||
| 2 Use classification for use on upper floor(s) or behind an allowed ground-floor use. | |||||||||
| 3 Classification for use on ground-floor / Classification for use on upper floor or behind an allowed ground-floor use. | |||||||||
| 8 Allowed only as an accessory use to a primary use. | |||||||||
This Article sets forth the standards applicable to the development of each building type. These standards supplement the standards for each zone that the building types are allowed within. These standards are intended to ensure development that reinforces walkability, relationships within the built environment, and the highly-valued existing character and scale of Richmond's historic neighborhoods and downtown. Additionally, these standards are intended to allow creation of new developments that create new walkable neighborhoods.
The standards within this Article shall apply to all proposed development within transect zones and shall be considered in combination with the standards for the applicable zone in Article 15.04.402 (Transect Zones), Article 15.04.404 (Frontage Types), and Article 15.04.405 (Architectural Standards).
The standards set forth in this Article may be used in all other non-transect zones as guidelines.
(Ord. No. 04-23 N.S., § I(Exh. A), 4-18-2023)
A.
The names of the building types do not limit uses within a building type. The allowed uses are regulated by transect zone; see Article 15.04.402 (Transect Zones).
B.
The lot size standards for each building type are regulated by transect zones, see Article 15.04.402 (Transect Zones). If the lot does not meet the required size for a selected building type, a different building type shall be selected. See Article 15.04.606 (Nonconforming Uses, Structures And Lots) for existing nonconforming parcels and structures.
C.
Each lot shall only have one building type, except as follows:
1.
Where allowed by legislation passed by the State of California; and/or
2.
Where allowed by the applicable zone in Article 15.04.402 (Transect Zones) and by the building type, an Accessory Dwelling Unit is also allowed, subject to the standards in Section 15.04.403.030 (Guide to Accessory Dwelling Unit Types); and/or
3.
If the submitted development plan includes multiple design sites bounded by potential lot lines meeting all the requirements of this Article, each design site may have one building type. Boundaries of design sites shall be treated as lot lines for the purpose of measuring required building setbacks and minimum lot dimensions, but need not be recorded as parcel boundaries. See Section 15.04.406.020 (Design Sites) for details.
D.
Secondary wings and accessory structures shall have a smaller footprint than the building type selected.
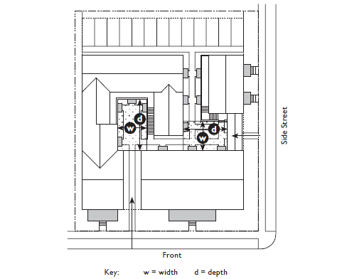
E.
Measurement of width and depth.
1.
The width and depth of the main body shall be measured as follows:
a.
The width shall be parallel to the Front.
b.
The depth shall be perpendicular to the Front.
2.
The width and depth of secondary wings and ancillary structures, shall be measured as follows:
a.
The width shall be the greater of the two dimensions of the footprint.
b.
The depth shall be the lesser of the two dimensions of the footprint.
3.
The width and depth of open spaces shall be measured as follows:
a.
The width shall be parallel to the Front
b.
The depth shall be perpendicular to the Front.
4.
The width and depth of courtyards shall be measured as follows:
a.
The width shall be parallel to the Front; unless the courtyard is a secondary courtyard accessed directly from a Side Street.
b.
If a secondary courtyard is accessed directly from the Side Street, the width shall be parallel to the Side Street.
c.
The depth shall be perpendicular to the width.
F.
Measurement of width-to-height ratio and depth-to-height ratio of courtyards.
1.
The width and depth of courtyards shall be measured per Sub-section 15.04.403.020.E.4.
2.
The height of courtyards shall be a measurement of the vertical plane of the building type that defines the courtyard.
G.
Table 15.04.401.080.A (Building Types Overview) provides an overview of the allowed building types.
(Ord. No. 04-23 N.S., § I(Exh. A), 4-18-2023)
This guide shows how the standards in this Form-Based Code apply to Accessory Dwelling Units. If standards in this Form-Based Code conflict with legislation passed by the State of California, the legislation passed by the State of California shall prevail
(Ord. No. 04-23 N.S., § I(Exh. A), 4-18-2023)
| E. Allowed Frontage Types | Standards | |
| Stoop | 15.04.404.040 | |
| Carriage houses are not required to have a frontage type. | ||
| F. Pedestrian Access | ||
Main Entrance Location |
Side Street, Alley, or
internal to the lot | |
| The main entrance may not be through a garage. | ||
| G. Open Space | ||
| The open space requirements for the lot/design site shall be determined by the principal structure on the lot/design site. No additional open space is required for a Carriage House. | ||
(Ord. No. 04-23 N.S., § I(Exh. A), 4-18-2023)
| B. Number of Units | ||
|
Detached Houses per lot/
design site | 1 max. | |
| This building type may contain multiple units per the allowed uses in Article 15.04.402 (Transect Zones). | ||
| C. Building Size and Massing | ||
| Height | ||
|
Per transect zone standards in Article 15.04.402 (Transect Zones). | ||
| Main Body | ||
| Width | 48' max. | |
| Secondary Wing(s) | ||
| Width | 30' max. | |
| Depth | 30' max. | |
| Accessory Structure(s) | ||
| Width | 24' max. | |
| Depth | 30' max. | |
| D. Allowed Frontage Types | Standards | |
| Porch: Projecting | 15.04.404.020 | |
| Porch: Engaged | 15.04.404.030 | |
| E. Pedestrian Access | ||
| Main Entrance Location | Front | |
| F. Open Space | ||
| Yard | ||
| Width | 20' min. | |
| Depth | 20' min. | |
| Area | 500 sf min. | |
| Required street setbacks and driveways shall not be included in the open space area calculation. | ||
| Required open space must be located behind the main body of the building type. | ||
(Ord. No. 04-23 N.S., § I(Exh. A), 4-18-2023)
| B. Number of Units | ||
| Cottages per lot/design site | 1 max. 2 | |
| This building type may contain multiple units per the allowed uses in Article 15.04.402 (Transect Zones). | ||
| C. Building Size and Massing | ||
| Height | ||
| Stories | 1½ max. 3 | |
| Main Body | ||
| Width | 36' max. | |
| Secondary Wing(s) | ||
| Width | 30' max. | |
| Depth | 30' max. | |
| Accessory Structure(s) | ||
| Width | 24' max. | |
| Depth | 30' max. | |
|
Only one accessory structure is allowed per lot/design
site. | ||
| 2 More than 1 Cottage per lot/design site is allowed when built as an Accessory Dwelling Unit. | ||
| 3 Half Story allowed as defined in Article 15.04.104 (Key Terms and Definitions). | ||
| D. Allowed Frontage Types | Standards | |
| Porch: Projecting | 15.04.404.020 | |
| Stoop | 15.04.404.040 | |
| E. Pedestrian Access | ||
| Main Entrance Location | Front | |
| F. Open Space | ||
| Yard | ||
| Width | 15' min. | |
| Depth | 15' min. | |
| Area | 300 sf min. | |
| Required street setbacks and driveways shall not be included in the open space area calculation. | ||
| Required open space must be located behind the main body of the building type. | ||
| When a Cottage is built as an Accessory Dwelling Unit, no additional open space is required. The open space requirements for the lot shall be determined by the principal structure on the lot/design site. | ||
(Ord. No. 04-23 N.S., § I(Exh. A), 4-18-2023)
| B. Number of Units | ||
| Units per building | 1 max. 1 | |
| Buildings per lot/design site | 3 min.; 9 max. | |
| C. Building Size and Massing | ||
| Height | ||
| Stories | 1½ max. 2 | |
| Main Body | ||
| Width | 32' max. | |
| Depth | 24' max. | |
| Secondary Wing(s) | ||
| Width | 24' max. | |
| Depth | 24' max. | |
| Accessory Structure(s) | ||
| Width | 24' max. | |
| Depth | 24' max. | |
| 1 The rearmost building may contain up to 2 units, for a total of 10 units max. | ||
| 2 Half Story allowed as defined in Article 15.04.104 (Key Terms and Definitions). | ||
| D. Allowed Frontage Types | Standards | |
| Porch: Projecting | 15.04.404.020 | |
| Stoop | 15.04.404.040 | |
| E. Pedestrian Access | ||
| Main Entrance Location | Front | |
| F. Open Space | ||
| Common Space | ||
| Width | 20' min. | |
| Depth | 20' min. | |
| Area | 400 sf min. | |
| Required street setbacks and driveways shall not be included in the open space area calculation. | ||
(Ord. No. 04-23 N.S., § I(Exh. A), 4-18-2023)
| B. Number of Units | ||
| Duplexes per lot/design site | 1 max. | |
| Units per Duplex | 2 max. | |
| C. Building Size and Massing | ||
| Height | ||
|
Per transect zone standards in Article 15.04.402 (Transect Zones). | ||
| Main Body | ||
| Width | 48' max. | |
| Secondary Wing(s) | ||
| Width | 30' max. | |
| Accessory Structure(s) | ||
| Width | ||
| Individual unit ownership | 24' max. | |
| Shared between units | 48' max. | |
| Depth | 30' max. | |
| D. Allowed Frontage Types | Standards | |
| Porch: Projecting | 15.04.404.020 | |
| Porch: Engaged | 15.04.404.030 | |
| Stoop | 15.04.404.040 | |
| E. Pedestrian Access | ||
| Main Entrance Location | Front 1 | |
| Each unit shall have an individual entry facing the street on or no more than 10' behind the front facade. | ||
| F. Open Space | ||
| Yard | ||
| Width | 15' per unit min. | |
| Depth | 15' per unit min. | |
| Area | 300 sf min. | |
| Required street setbacks and driveways shall not be included in the open space area calculation. | ||
| Required open space must be located behind the main body of the building type. | ||
| 1 On corner lots, each unit shall front a different street. | ||
(Ord. No. 04-23 N.S., § I(Exh. A), 4-18-2023)
| B. Number of Units | ||
| Rowhouses per lot/design site | 1 max. | |
| Rowhouses per run | 3 min.; 8 max. | |
| This building type may contain multiple units per the allowed uses in Article 15.04.402 (Transect Zones). | ||
| C. Building Size and Massing | ||
| Height | ||
| Stories | 5 max. 2 | |
| Main Body | ||
| Width | 18' min.; 36' max. | |
| Secondary Wing(s) | ||
| The footprint area of the secondary wing(s) may not exceed the footprint area of the main body. | ||
| Accessory Structure(s) | ||
| Width | 24' max. | |
| Depth | 30' max. | |
| The footprint area of an accessory structure may not exceed the footprint area of the main body. | ||
| 2 Height must also comply with transect zone standards in Article 15.04.402 (Transect Zones). | ||
| D. Allowed Frontage Types | Standards | |
| Porch: Projecting | 15.04.404.020 | |
| Porch: Engaged | 15.04.404.030 | |
| Stoop | 15.04.404.040 | |
| Dooryard | 15.04.404.060 | |
| Loft | 15.04.404.110 | |
| Loft allowed only in Main Street and Core, including Open Sub-Zones. | ||
| E. Pedestrian Access | ||
| Main Entrance Location | Front | |
| Each unit shall have an individual entry facing a street. | ||
| F. Open Space | ||
| Yard | ||
| Width | 8' min. | |
| Depth | 8' min. | |
| Area | 100 sf min. | |
| Required street setbacks and driveways shall not be included in the open space area calculation. | ||
| Required open space must be located behind the main body of the building type. | ||
(Ord. No. 04-23 N.S., § I(Exh. A), 4-18-2023)
| B. Number of Units | ||
| Units | 3 min. | |
|
Small Multi-Plexes per lot/
design site | 1 max. | |
| C. Building Size and Massing | ||
| Height | ||
| Stories | 3 max. 2 | |
| Main Body | ||
| Width | 48' max. | |
| Depth | 48' max. | |
| Secondary Wing(s) | ||
| Width | 30' max. | |
| Depth | 30' max. | |
| Accessory Structure(s) | ||
| Width | 48' max. | |
| Depth | 30' max. | |
| The footprint area of an accessory structure may not exceed the footprint area of the main body. | ||
| 2 Height must also comply with transect zone standards in Article 15.04.402 (Transect Zones). | ||
| D. Allowed Frontage Types | Standards | |||
| Porch: Projecting | 15.04.404.020 | |||
| Porch: Engaged | 15.04.404.030 | |||
| Stoop | 15.04.404.040 | |||
| Dooryard | 15.04.404.060 | |||
| E. Pedestrian Access | ||||
| Main Entrance Location | Front | |||
| Each unit may have an individual entry. | ||||
| F. Open Space | ||||
| Yard | ||||
| Width | 8' min. | |||
| Depth | 8' min. | |||
| Area | 100 sf min. | |||
| Required street setbacks and driveways shall not be included in the open space area calculation. | ||||
| Required open space must be located behind the main body of the building type. | ||||
(Ord. No. 04-23 N.S., § I(Exh. A), 4-18-2023)
| B. Number of Units | ||
| Units | 7 min. | |
|
Large Multi-Plexes per lot/
design site | 1 max. | |
| C. Building Size and Massing | ||
| Height | ||
| Stories | 2 min.; 5 max. 2 | |
| Main Body | ||
| Width | 80' max. | |
| Depth | 75' max. | |
| Secondary Wing(s) | ||
| Width | 48' max. | |
| Depth | 36' max. | |
| Accessory Structure(s) | ||
| Width | 48' max. | |
| Depth | 30' max. | |
| The footprint area of an accessory structure may not exceed the footprint area of the main body. | ||
| 2 Height must also comply with transect zone standards in Article 15.04.402 (Transect Zones). | ||
| D. Allowed Frontage Types | Standards | |||
| Porch: Projecting | 15.04.404.020 | |||
| Stoop | 15.04.404.040 | |||
| Forecourt | 15.04.404.050 | |||
| Dooryard | 15.04.404.060 | |||
| E. Pedestrian Access | ||||
| Main Entrance Location | Front | |||
| Units located in the main body shall be accessed by a common entry along the front. | ||||
| On corner lots, units in a secondary wing may front the side street. | ||||
| G. Open Space | ||||
| Yard | ||||
| Width | 10' min. | |||
| Depth | 10' min. | |||
| Area | 200 sf min. | |||
| Required street setbacks and driveways shall not be included in the open space area calculation. | ||||
| Required open space must be located behind the front facade of the building type. | ||||
(Ord. No. 04-23 N.S., § I(Exh. A), 4-18-2023)
| B. Number of Units | ||
| Units | 12 min. | |
| C. Building Size and Massing | ||
| Height | ||
| Stories | 3 min.; 8 max. 2 | |
| Main Body | ||
| Width | 200' max. | |
| Depth | 65' max. | |
| Bay Windows | ||
| Accessory Structure(s) | ||
| No accessory structures are allowed. | ||
| Buildings ≥ 75' wide shall apply Bay Window(s) on front and/or side street facade in compliance with Subsection 10 (Bay Windows) of the applicable style in Article 15.04.405 (Architectural Standards). | ||
| 2 Height must also comply with transect zone standards in Article 15.04.402 (Transect Zones). | ||
| D. Allowed Frontage Types | Standards | |
| Porch: Projecting | 15.04.404.020 | |
| Stoop | 15.04.404.040 | |
| Forecourt | 15.04.404.050 | |
| D. Allowed Frontage Types (continued) | Standards | |
| Dooryard | 15.04.404.060 | |
| Loft | 15.04.404.110 | |
| Loft allowed only in Main Street and Core, including Open Sub-Zones. | ||
| E. Pedestrian Access | ||
| Units shall enter from a courtyard or a street. | ||
| Main Entrance Location | Front | |
| Courtyards, as they occur shall be accessible from the front. | ||
| Each unit may have an individual entry. | ||
| F. Open Space | ||
| Balconies | ||
| Min. 20% of units shall have a balcony of at least 60 sf. | ||
| Common Space | ||
| Width | 20' min.; 150' max. | |
| Width-to-Max.-Height Ratio | 1:2 min.; 2:1 max. | |
| Depth | 40' min.; 150' max. | |
| Depth-to-Max.-Height Ratio | 1:2 min.; 3:1 max. | |
| Area (total) |
400 sf min.;
50 sf/unit min. | |
(Ord. No. 04-23 N.S., § I(Exh. A), 4-18-2023)
| B. Number of Units | ||
| Unrestricted | ||
| C. Building Size and Massing | ||
| Height | ||
| Stories | 2 min.; 2½ max. 1 | |
| Main Body/Secondary Wing(s) | ||
| Width | 100' max. | |
| Depth | 40' max. | |
| Accessory Structure(s) | ||
| No accessory structures are allowed. | ||
| D. Allowed Frontage Types | Standards | |
| Porch: Projecting | 15.04.404.020 | |
| Stoop | 15.04.404.040 | |
| Forecourt | 15.04.404.050 | |
| Dooryard | 15.04.404.060 | |
| Shopfront | 15.04.404.070 | |
| Gallery | 15.04.404.090 | |
| 1 Half Story allowed as defined in Article 15.04.104 (Key Terms and Definitions). | ||
(Ord. No. 04-23 N.S., § I(Exh. A), 4-18-2023)
| B. Number of Units | ||
| Unrestricted | ||
| C. Building Size and Massing | ||
| Height | ||
| Stories | 2 min.; 5 max. 1 | |
| Main Body/Secondary Wing(s) | ||
| Width | 150' max. | |
| Depth | 40' max. | |
| Accessory Structure(s) | ||
| No accessory structures are allowed. | ||
| D. Allowed Frontage Types | Standards | |
| Porch: Projecting 2 | 15.04.404.020 | |
| Stoop 2 | 15.04.404.040 | |
| Forecourt | 15.04.404.050 | |
| Dooryard 2 | 15.04.404.060 | |
| Shopfront | 15.04.404.070 | |
| Industrial Shopfront | 15.04.404.080 | |
| Gallery | 15.04.404.090 | |
| Loft2 | 15.04.404.110 | |
| 1 Height must also comply with transect zone standards in Article 15.04.402 (Transect Zones). | ||
| 2 Allowed only in Main Street-Open and Neighborhood zones. | ||
(Ord. No. 04-23 N.S., § I(Exh. A), 4-18-2023)
| B. Number of Units | ||
| Live/Work Buildings per lot/ design site | 1 max. | |
| Units in this Type shall be Live-Work units as defined in Article 15.04.104 (Key Terms and Definitions). | ||
| C. Building Size and Massing | ||
| Height | ||
| Stories | 2 min.; 5 max. 1 | |
| Main Body | ||
| Width | 18' min.; 36' max. | |
| Secondary Wing(s) | ||
| The footprint area of the secondary wing(s) may not exceed the footprint area of the main body. | ||
| Accessory Structure(s) | ||
| Width | 24' max. | |
| Depth | 30' max. | |
| The footprint area of an accessory structure may not exceed the footprint area of the main body. | ||
| 1 Height must also comply with transect zone standards in Article 15.04.402 (Transect Zones). | ||
| D. Allowed Frontage Types | Standards | |
| Dooryard | 15.04.404.060 | |
| Shopfront | 15.04.404.070 | |
| Industrial Shopfront | 15.04.404.080 | |
| Gallery | 15.04.404.090 | |
| Terrace | 15.04.404.100 | |
| Loft | 15.04.404.110 | |
| E. Pedestrian Access | ||
| Main Entrance Location | Front | |
| Ground-floor space and upper unit must have separate entries. | ||
| F. Open Space | ||
| Yard | ||
| Width | 8' min. | |
| Depth | 8' min. | |
| Area | 100 sf min. | |
| Required street setbacks and driveways shall not be included in the open space area calculation. | ||
| Required open space must be located behind the main body of the building type. | ||
(Ord. No. 04-23 N.S., § I(Exh. A), 4-18-2023)
| B. Number of Units | ||||
| Unrestricted | ||||
| C. Building Size and Massing | ||||
| Height | ||||
| Stories | 8 max. 1 | |||
| Footprint | ||||
| Floors 1-2 | ||||
| Width | 150' max. | |||
| Depth | 150' max. | |||
| Floors 3+ (may consist of multiple wings) | ||||
| Width | 150' max. | |||
| Depth | 65' max. | |||
| No floorplate may be larger than that of the floor below. | ||||
| Bay Windows | ||||
| Buildings ≥ 75' wide shall apply Bay Window(s) on front and/or side street facade in compliance with Subsection 10 (Bay Windows) of the applicable style in Article 15.04.405 (Architectural Standards). | ||||
| 1 Height must also comply with transect zone standards in Article 15.04.402 (Transect Zones). | ||||
| D. Allowed Frontage Types | Standards | |
| Forecourt | 15.04.404.050 | |
| Dooryard | 15.04.404.060 | |
| Shopfront | 15.04.404.070 | |
| Industrial Shopfront | 15.04.404.080 | |
| Gallery | 15.04.404.090 | |
| Terrace | 15.04.404.100 | |
| Loft | 15.04.404.110 | |
| Dooryard and Loft allowed only in Open Sub-Zones. | ||
| E. Pedestrian Access | ||
| Upper floor units located in the main body shall be accessed by a common entry along the front street. | ||
| Ground floor units may have individual entries along the front or side street. | ||
| On corner lots, units in a secondary wing/accessory structure may front the side street. | ||
| F. Open Space | ||
| Balconies | ||
| Min. 20% of units shall have a balcony of at least 60 sf. | ||
| Podium tops, if any, should be used for open space. | ||
(Ord. No. 04-23 N.S., § I(Exh. A), 4-18-2023)
| B. Number of Units | ||||
| Unrestricted | ||||
| C. Building Size and Massing | ||||
| Height | ||||
| Stories | 8 max. 1 | |||
| Footprint | ||||
| Floors 1-2 | ||||
| Width | 250' max. | |||
| Depth | 250' max. | |||
| Lot Coverage | 100% max. | |||
| Floors 3+ (may consist of multiple wings) | ||||
| Width | 250' max. | |||
| Depth | 65' max. | |||
| No floorplate may be larger than that of the floor below. | ||||
| Bay Windows | ||||
| Buildings ≥ 75' wide shall apply Bay Window(s) on front and/or side street facade in compliance with Subsection 10 (Bay Windows) of the applicable style in Article 15.04.405 (Architectural Standards). | ||||
| 1 Height must also comply with transect zone standards in Article 15.04.402 (Transect Zones). | ||||
| D. Allowed Frontage Types | Standards | |
| Dooryard | 15.04.404.060 | |
| Shopfront | 15.04.404.070 | |
| Gallery | 15.04.404.090 | |
| Terrace | 15.04.404.100 | |
| Loft | 15.05.404.110 | |
| Dooryard and Loft allowed only in Open Sub-Zones. | ||
| E. Pedestrian Access | ||
| Upper floor units shall be accessed by a common entry along the front street. | ||
| Ground floor units may have individual entries along the front or side street. | ||
| F. Open Space | ||
| Balconies | ||
| Min. 20% of units shall have a balcony of at least 60 sf. | ||
| Common Space | ||
| Width | 20' min.; 50' max. | |
| Width-to-Max.-Height Ratio | 1:2 min. to 2:1 max. | |
| Depth | 20' min.; 150' max. | |
| Depth-to-Max.-Height Ratio | 1:1 min. to 3:1 max. | |
| Podium tops, if any, should be used for open space. | ||
(Ord. No. 04-23 N.S., § I(Exh. A), 4-18-2023)
| B. Number of Units | ||
| Unrestricted | ||
| C. Building Size and Massing | ||
| Height | ||
| Stories | 9 min. 2 | |
| Footprint | ||
| Floors 1-5 | ||
| Width | 300' max. | |
| Depth | 300' max. | |
| Lot Coverage | 100% max. | |
| Floors 6-8 Floorplate | 80% of lot max. | |
| Floors 9+ Floorplate | 15,000 sf max. | |
| No floorplate may be larger than that of the floor below. | ||
| Bay Windows | ||
| Buildings ≥ 75' wide shall apply Bay Window(s) on front and/or side street facade in compliance with Subsection 10 (Bay Windows) of the applicable style in Article 15.04.405 (Architectural Standards). | ||
| 2 Height must also comply with transect zone standards in Article 15.04.402 (Transect Zones). | ||
| D. Allowed Frontage Types | Standards | ||
| Dooryard | 15.04.404.060 | ||
| Shopfront | 15.04.404.070 | ||
| Gallery | 15.04.404.090 | ||
| Terrace | 15.04.404.100 | ||
| Loft | 15.04.404.110 | ||
| Dooryard and Loft allowed only in Open Sub-Zones. | |||
| E. Pedestrian Access | |||
| Upper floor units shall be accessed by a common entry along the front street. | |||
| Ground floor units may have individual entries along the front or side street. | |||
| F. Open Space | |||
| Balconies | |||
| Min. 20% of units shall have a balcony of at least 60 sf. | |||
| Podium tops and flat roofs below the top story, if any, should be used for open space. | |||
(Ord. No. 04-23 N.S., § I(Exh. A), 4-18-2023)
This Article sets forth the standards applicable to the development of private frontages. Private frontages are the components of a building that provide an important transition and interface between the public realm (street and sidewalk) and the private realm (yard or building). These standards supplement the standards for each zone within which the frontage types are allowed. For each frontage type, a description, a statement of the type's intent, and design standards are provided. These standards are intended to ensure development that reinforces the highly-valued existing character and scale of Richmond's neighborhoods and downtown.
The standards within this Article shall be considered in combination with the standards for the applicable zone in Article 15.04.402 (Transect Zones), Article 15.04.403 (Building Types) and Article 15.04.405 (Architectural Standards) and shall apply to:
A.
All proposed development within transect zones;
B.
All development fronting a semi-private or public space being treated as a primary pedestrian route;
C.
Any building fronting civic or open space or a street (public or private) or right-of-way.
(Ord. No. 04-23 N.S., § I(Exh. A), 4-18-2023)
(Ord. No. 04-23 N.S., § I(Exh. A), 4-18-2023)
(Ord. No. 04-23 N.S., § I(Exh. A), 4-18-2023)
(Ord. No. 04-23 N.S., § I(Exh. A), 4-18-2023)
(Ord. No. 04-23 N.S., § I(Exh. A), 4-18-2023)
(Ord. No. 04-23 N.S., § I(Exh. A), 4-18-2023)
(Ord. No. 04-23 N.S., § I(Exh. A), 4-18-2023)
(Ord. No. 04-23 N.S., § I(Exh. A), 4-18-2023)
(Ord. No. 04-23 N.S., § I(Exh. A), 4-18-2023)
(Ord. No. 04-23 N.S., § I(Exh. A), 4-18-2023)
(Ord. No. 04-23 N.S., § I(Exh. A), 4-18-2023)
This Article sets forth standards that supplement the zone standards to further refine the intended building form and physical character.
Unless stated otherwise, all Subsections within each architectural style ('style') identified in this Article apply to all facades of a building, including front facades, side street facades, side interior facades, and rear facade except in instances of exterior construction and/or site planning of residences and residential additions of more than 500 square feet in area but less than 1,200 square feet total floor area and less than 15 feet in height.
Quick Code Guide: Specific to Architectural Design
Before you begin
Identify your zone, building type, and detailed massing type. If you have not done this yet, go back to Article 15.04.401 (Preamble) and follow the Quick Code Guide.
(Ord. No. 04-23 N.S., § I(Exh. A), 4-18-2023)
This Article contains architectural design standards for the six allowed styles. The standards for each style address a range of topics based on local architectural examples. The standards address the following aspects of individual building design: Roofs and roof pitch, eaves, cornices, walls, base of walls, dormers, openings and doors, storefronts, porches, and balconies.
1.
Each building is required to be designed in compliance with one of the allowed architectural styles.
2.
The architectural style standards are coordinated with the building types allowed by this FBC and the intended physical character of each zone.
3.
Developments that include more than one building or where the facade width is greater than 100 feet may apply more than one architectural style and at least one architectural style for every 75 feet of facade width.
4.
Mixed use buildings are required to be designed in compliance with Section 15.04.405.040 (General Block-Scale Massing and Facade Articulation Standards).
5.
Buildings designed for civic uses are exempt from the standards in this Article and may be subject to design review as applicable.
(Ord. No. 04-23 N.S., § I(Exh. A), 4-18-2023)
Table 15.04.405.030.A (Architectural Styles Overview) provides an overview of the allowed architectural styles.
(Ord. No. 04-23 N.S., § I(Exh. A), 4-18-2023)
(Ord. No. 04-23 N.S., § I(Exh. A), 4-18-2023)
General note: The images above and the descriptions in Subsections 1 and 2 below are intended to provide a brief overview of the architectural style and are descriptive, not regulatory.
| 1. Description of Style | 2. Typical Characteristics | |
|---|---|---|
| Contemporary style buildings have a streamlined aesthetic and minimal ornamentation. This style focuses on combining simple rectilinear massing forms with changes in material and color. The use of glass and cantilevered elements imbues buildings with a sense of lightness and simplicity. | Long, low-sloped roof forms with simple eaves with deep overhangs | |
| Asymmetrical facade compositions with square and horizontal openings often made from ganged vertical windows | ||
| Mix of exterior materials to differentiate massing forms, with prevalent natural materials | ||
| Horizontally proportioned balconies and terraces with minimalist vertical supports | ||
| 12. Residential Entry Doors | ||
| Surround3 | ||
| Head Width | 4" min. | |
| Jamb Width | 4" min. | |
| Additional Elements | ||
| Transom | Allowed | |
| Pediment | Not allowed | |
3 Surround required for doors only on buildings or parts of buildings with lap siding. | ||
| 16. Materials | ||
| Element | Allowed Materials | |
| Wall | ||
| Wall Cladding |
Lap siding, composite wood,
wood, fiber cement, stucco, metal panel | |
| Base or Foundation | ||
| Base or Foundation |
Brick, concrete, stone, stucco,
composite wood, wood, fiber cement | |
| Roof and Roof Elements | ||
| Roofing |
Asphalt shingles, wood shingles,
standing seam metal | |
| Rake and Eave | Composite wood, wood, steel | |
| Gutter | Metal box | |
| Windows, Bay Windows, and Entry Doors | ||
| Entry Door |
Wood, aluminum, fiberglass,
composite wood | |
| Window Frames |
Wood, aluminum clad wood,
aluminum, fiberglass | |
| Glazing |
Clear glass; shall not be tinted,
mirrored, or colored | |
| Balconies | ||
| See Subsection 13 (Balconies) for allowed materials. | ||
| Porches | ||
| Columns/Newel Posts |
Composite wood, wood,
fiberglass, metal | |
| Railing | Composite wood, wood, metal | |
| Storefronts | ||
| Storefront | Composite wood, wood, metal | |
| Storefront Base | Stucco, concrete | |
(Ord. No. 04-23 N.S., § I(Exh. A), 4-18-2023)
General note: The images above and the descriptions in Subsections 1 and 2 below are intended to provide a brief overview of the architectural style and are descriptive, not regulatory.
| 1. Description of Style | 2. Typical Characteristics | |
|---|---|---|
|
The Art Deco style Is characterized by buildings composed of primarily rectilinear
forms with strongly contrasting vertical and horizontal emphases. Towers, tall slender
piers that may project above the parapet line, and other vertical projections above
the roofline are used to provide vertical emphasis. Horizontal grooves or lines in
the walls, horizontal balustrade elements, concrete window awnings, and ganged windows
are used to give a horizontal emphasis to the building.
Art Deco style has ornamental elements such as zig zags, chevrons, and other stylized and geometric motifs occur as decorative elements on the facade, typically at the parapet and primary entrances. | Vertical ornamentation or elements above primary entrances | |
| Simple massings | ||
| Vertical elements that break through the cornice | ||
| Ornamentation | ||
| 3. Wall | ||
| Stucco control joints shall align with edges of openings. | ||
| Rounded exterior wall corners allowed | ||
| 4. Base | ||
| None required | ||
| 5. Building Roof | |
| Form | |
| Roof type | Flat |
| 6. Rake | |
| Because this style does not allow sloped roofs, rake is not regulated. For wall-roof junction standards, see Subsection 8 (Parapet). | |
| 7. Eave | |
| Because this style does not allow sloped roofs, eave is not regulated. For wall-roof junction standards, see Subsection 8 (Parapet). | |
| 10. Bay Windows (Continued) | ||
| Additional Standards | ||
| Bay depth not allowed to project beyond eave depth. | ||
| Bay form shall be continuous. | ||
| Continuous horizontal articulation on building shall wrap bay form. | ||
| Corner bay may be turned on side to be rotated 45 degrees from building corner. | ||
| 11. Dormers | ||
| Because this style does not allow sloped roofs, dormers shall not be used. | ||
| 12. Residential Entry Doors | ||
| Door | ||
| Number of Panels | 0 min. | |
| Surround | ||
| None required | ||
| Additional Elements | ||
| Transom | Allowed | |
| Pediment | Not allowed | |
| 16. Materials | |||
| Element | Allowed Materials | ||
| Wall | |||
| Wall Cladding | Stucco | ||
| Windows, Bay Windows, and Entry Doors | |||
| Entry Door |
Wood, aluminum, fiberglass,
composite | ||
| Window Frames |
Wood, aluminum-clad wood,
aluminum, fiberglass | ||
| Sill | Stucco, cast stone | ||
| Glazing |
Clear glass; shall not be tinted,
mirrored, or colored | ||
| Balconies | |||
| See Subsection 13 (Balconies) for allowed materials. | |||
| Porches | |||
| Columns | Stucco, metal | ||
| Railing | Metal | ||
| Storefronts | |||
| Storefront | Composite wood, wood, metal | ||
| Storefront Base | Stucco, tile | ||
(Ord. No. 04-23 N.S., § I(Exh. A), 4-18-2023)
General note: The images above and the descriptions in Subsections 1 and 2 below are intended to provide a brief overview of the architectural style and are descriptive, not regulatory.
| 1. Description of Style | 2. Typical Characteristics | |
|---|---|---|
|
The Industrial style is defined by simple building forms with gable end, side gable,
or saw tooth roof forms. Flat roofs are also allowed. Windows, roll-up glass doors,
and other openings are simple and laid out in a rational manner.
Facades along the street and low walls provide opportunities for accent elements such as trellises, gates, and awnings. Parking is often screened and located in a parking court or a lot to the rear of the property. Figure 15.04.405.070.1 (Allowed Areas for Industrial Architectural Style) identifies areas in which the Industrial architectural style is allowed. | Low-pitched roofs with shallow eaves | |
| Simple gable or saw-toothed roof forms | ||
| Horizontally proportioned openings made from ganged vertical windows | ||
| Simple and regular rhythm of openings | ||
| Metal roofing | ||
| Metal sheeting or stucco wall materials | ||
| 16. Materials | ||
| Element | Allowed Materials | |
| Wall | ||
| Wall Cladding |
Sheet metal, lap siding: composite
wood, wood, fiber cement; and stucco | |
| Base | ||
| Base or Foundation | Brick, concrete | |
| Roof and Roof Elements | ||
| Roofing |
Asphalt shingles, standing seam
metal | |
| Rake and Eave | Composite wood, wood | |
| Cornice | Composite wood, wood | |
| Brackets |
Composite wood, wood,
fiberglass | |
| Gutter | Metal half-round, metal box | |
| Windows, Bay Windows, and Entry Doors | ||
| Trim or Surround |
Metal, composite wood, wood,
fiber cement | |
| Entry Door |
Metal, wood, aluminum, fiberglass,
composite | |
| Window Frames |
Wood, aluminum-clad wood,
aluminum, fiberglass | |
| Glazing |
Clear glass; shall not be tinted,
mirrored, or colored | |
| Balconies | ||
| See Subsection 13 (Balconies) for allowed materials. | ||
| Porches | ||
| Columns | Composite wood, wood, metal | |
| Railing | Composite wood, wood, metal | |
| Storefronts | ||
| Columns |
Composite wood, wood,
fiberglass, metal | |
| Storefront Base |
Sheet metal, wood panels, brick,
fiber cement | |
(Ord. No. 04-23 N.S., § I(Exh. A), 4-18-2023)
General note: The images above and the descriptions in Subsections 1 and 2 below are intended to provide a brief overview of the architectural style and are descriptive, not regulatory.
| 1. Description of Style | 2. Typical Characteristics | |
|---|---|---|
| Main Street Classical style buildings combine influences from late 19th century Classical Revival and pre-war American main street architecture. With brick as a primary facade material, facades have a tripartite composition and often introduce ornament in a prominent cornice. | Symmetrical facade composition with proportions that imply load-bearing masonry structure | |
| Prominent cornice with classical detailing and parapet or pedimented roof forms | ||
| Regular pattern of vertically proportioned openings | ||
| Brick and stucco as primary facade materials | ||
| 3. Wall | ||
| Stucco control joints shall align with edges of openings. | ||
| See Subsection 16 (Materials) for materials standards. | ||
| 5. Building Roof | |
| Form | |
| Roof type | Flat |
| 6. Rake | |
| Because this style does not allow sloped roofs, rake is not regulated. For wall-roof junction standards, see Subsection 8 (Parapet). | |
| 7. Eave | |
| Because this style does not allow sloped roofs, eave is not regulated. For wall-roof junction standards, see Subsection 8 (Parapet). | |
| 10. Bay Windows (Continued) | ||
| Bay returns into building cornice (bay never projects above the building cornice). | ||
| Additional Standards | ||
| Bay depth not allowed to project beyond cornice depth. | ||
| Bay form shall be continuous. | ||
| Continuous horizontal articulation on building shall wrap bay form. | ||
| 11. Dormers | ||
| Because this style does not allow sloped roofs, dormers shall not be used. | ||
| 16. Materials | ||
| Element | Allowed Materials | |
| Wall | ||
| Wall Cladding | Brick, stucco | |
| Base | ||
| Base or Foundation | Brick, stone | |
| Windows, Bay Windows, and Entry Doors | ||
| Lintel | Stone, concrete | |
| Entry Door |
Wood, aluminum-clad wood,
aluminum | |
| Window Frames |
Wood, aluminum clad wood,
aluminum, fiberglass | |
| Glazing |
Clear glass; shall not be tinted,
mirrored, or colored | |
| Balconies | ||
| See Subsection 13 (Balconies) for allowed materials. | ||
| Porches | ||
| Columns |
Composite wood, wood, cast
stone, metal | |
| Railing | Composite wood, wood, metal | |
| Storefronts | ||
| Storefront | Composite wood, wood, metal | |
| Storefront Base |
Wood panels, brick, stone tile,
fiber cement | |
(Ord. No. 04-23 N.S., § I(Exh. A), 4-18-2023)
General note: The images above and the descriptions in Subsections 1 and 2 below are intended to provide a brief overview of the architectural style and are descriptive, not regulatory.
| 1. Description of Style | 2. Typical Characteristics | |
|---|---|---|
| Spanish Revival style buildings in Richmond draw from Spanish Colonial and Pueblo influences. These buildings combine austere wall planes with punched, recessed openings for windows. | Low-pitched gabled or hipped roofs clad in red tile with open eaves | |
| Flat, rectilinear wall plane with vertically proportioned punched openings without trim | ||
| Stucco as primary facade material with stucco or wood attached elements | ||
| 3. Wall | ||
| Stucco control joints shall align with edges of openings. | ||
| See Subsection 16 (Materials) for materials standards. | ||
| 4. Base | ||
| None required | ||
| 5. Building Roof | ||
| Building Roof | ||
| Standards | Sloped Roof | Flat Roof |
| Roof Form | ||
| Pitch |
4:12 min.;
6:12 max. | N/A |
| Applicable Subsections | ||
| 6. Rake | A | N/A |
| 7. Eave | A | N/A |
| 8. Parapet | N/A | A |
| 6. Rake | ||
| No specialized rake profile. | ||
| Key A = Applicable N/A = Not Applicable | ||
| 12. Residential Entry Doors | ||
| Door | ||
| Number of Panels | 2 min. | |
| Surround | ||
| None required | ||
| Additional Elements | ||
| Transom | Allowed | |
| Pediment | Not allowed | |
| 16. Materials | ||
| Element | Allowed Materials | |
| Wall | ||
| Wall Cladding | Stucco | |
| Roof and Roof Elements | ||
| Roofing | Terracotta clay barrel tiles | |
| Rake and Eave | Wood, composite wood, stucco | |
| Cornice | Wood, composite wood, stucco | |
| Brackets |
Composite wood, wood, or
fiberglass | |
| Gutter | Metal half-round | |
| Windows, Bay Windows, and Entry Doors | ||
| Entry Door |
Wood, aluminum, fiberglass,
composite | |
| Window Frames |
Wood, aluminum-clad wood,
aluminum, fiberglass | |
| Sill | Stucco, cast stone | |
| Glazing |
Clear glass; shall not be tinted,
mirrored, or colored | |
| Balconies | ||
| See Subsection 13 (Balconies) for allowed materials. | ||
| Porches | ||
| Columns |
Composite wood, wood,
fiberglass, metal | |
| Railing | Wood, wrought iron | |
| Storefronts | ||
| Storefront | Composite wood, wood, metal | |
| Storefront Base | Stucco, tile | |
(Ord. No. 04-23 N.S., § I(Exh. A), 4-18-2023)
General note: The images above and the descriptions in Subsections 1 and 2 below are intended to provide a brief overview of the architectural style and are descriptive, not regulatory.
| 1. Description of Style | 2. Typical Characteristics | |
|---|---|---|
| Victorian style buildings combine elements of 19th century rural farmhouse vernacular with more formal "high Victorian" examples. | Simple, rectilinear forms articulated with a regular pattern of openings | |
| Vertically proportioned elements, including steeply pitched roofs, projecting gable ends, and tall cornices and parapets | ||
| Vertically proportioned windows, angled or boxed bays, and picture windows | ||
| Siding or stucco with shingled elements | ||
| 16. Materials | ||
| Element | Allowed Materials | |
| Wall | ||
| Wall Cladding | ||
| Sloped roof building |
Shingle and lap siding: composite
wood, wood, fiber cement | |
| Flat roof building |
Shingle and lap siding: composite
wood, wood, fiber cement; and stucco | |
| Base | ||
| Base or Foundation |
Brick, concrete, stone, stucco,
composite wood, wood, fiber cement | |
| Roof and Roof Elements | ||
| Roofing |
Asphalt shingles, wood shingles,
standing seam metal | |
| Rake and Eave | Composite wood, wood | |
| Cornice | Composite wood, wood | |
| Brackets |
Composite wood, wood,
fiberglass | |
| Gutter | Metal ogee or half-round | |
| Windows, Bay Windows, and Entry Doors | ||
| Trim or Surround |
Composite wood, wood, fiber
cement | |
| Entry Door |
Wood, aluminum, fiberglass,
composite | |
| Window Frames |
Wood, aluminum clad wood,
aluminum, fiberglass | |
| Glazing |
Clear glass; shall not be tinted,
mirrored, or colored | |
| Balconies | ||
| See Subsection 13 (Balconies) for allowed materials. | ||
| Porches | ||
| Columns |
Composite wood, wood,
fiberglass, metal | |
| Railing | Composite wood, wood, metal | |
| Storefronts | ||
| Storefront | Composite wood, wood, metal | |
| Storefront Base |
Wood panels, brick, tile, fiber
cement | |
(Ord. No. 04-23 N.S., § I(Exh. A), 4-18-2023)
The purpose of this Article is to generate a walkable environment through the establishment of new blocks and thoroughfares and to provide a set of civic space types and their associated standards to use within the transect zones.
The standards established in this Article shall apply to all proposed development within the transect zones exceeding two acres in total area and under common ownership as follows in Table 15.04.406.010.A (Applicability of Standards), and shall be considered in combination with the standards found within Article 15.04.402 (Transect Zones), Article 15.04.403 (Building Types), and Article 15.04.404 (Frontage Types).
| Table 15.04.406.010.A: Applicability of Standards | ||
| Lot Size | ||
| Applicable Standards for Large Sites | 2-5 acres | > 5 acres |
| Design Sites 15.04.406.020 | Comply | Comply |
| Thoroughfares, Blocks, and Connectivity 15.04.406.030 | Comply | Comply |
| Mix and Design of Civic and Open Spaces 15.04.406.040 | Comply | |
| Mix of Building Types 15.04.406.050 | Comply | Comply |
| Intersections 15.04.406.060 | Comply | Comply |
| Pedestrian Crossings 15.04.406.070 | Comply | Comply |
| Bicycle Facilities 15.04.406.080 | Comply | Comply |
| Thoroughfare Assemblies 15.04.406.090 | Comply | Comply |
(Ord. No. 04-23 N.S., § I(Exh. A), 4-18-2023)
Design Sites may be used as an alternative to subdivision for large lots to demonstrate how the lot could be divided into multiple smaller lots that are not required to be recorded as new parcels. Each design site must satisfy dimensional standards, as well as all other standards in the appropriate Transect Zone; see Article 15.04.402 (Transect Zones). Standards may not be satisfied for one Design Site on adjacent Design Sites. The diagram in this Section illustrates how a large site could be divided using Design Sites.
Example of Multiple Design Sites on an Existing Parcel
(Ord. No. 04-23 N.S., § I(Exh. A), 4-18-2023)
A.
Thoroughfares. Thoroughfares define the public streets that refine pedestrian sheds into walkable environments. Care should be taken in the layout and sizing of thoroughfares, as wide thoroughfares and a lack of connectivity reduce the pedestrian friendliness of the area.
1.
Design.
a.
Thoroughfares that pass from one transect zone to another shall adjust their cross section design to match the character of the transect zone. For example, while a thoroughfare within an urban transect zone with retail shops may have wide sidewalks with trees in tree grates, it may transition to a narrower sidewalk with a planting strip within a less urban transect zone with various residential building types.
b.
The thoroughfare network shall be mapped on a regulating plan and shall indicate the layout of thoroughfares and the block network according to standards in Subsection 15.04.406.030.B.
c.
Thoroughfares shall terminate on/connect to other thoroughfares. Thoroughfares shall not terminate on alleys and lanes.
2.
External Connectivity.
a.
The arrangement of thoroughfares in a development shall provide for the alignment and continuation of existing or proposed thoroughfares into adjoining lands in those cases in which the adjoining lands are undeveloped and intended for future development or in which the adjoining lands are developed and include opportunities for such connections.
b.
Thoroughfare rights-of-way shall be extended to or along adjoining property boundaries such that a thoroughfare connection or stub shall be provided for development:
(1)
Consistent with the minimum block length as defined in Subsection 15.04.406.030.B;
(2)
Consistent with required connections indicated in Figure 15.04.406.030.A.
3.
Dead-End Streets and Cul-de-Sacs. Dead-end streets and cul-de-sacs shall not be included in plans. Cul-de-sacs may be approved by the Director to accommodate a site specific environmental feature requiring protection and/or preservation only. Cul-de-sacs approved by the Director shall meet the following standards:
a.
Permanent dead-end streets shall be no longer than 300 feet and shall be provided with a cul-de-sac;
b.
Temporary dead-end streets shall be provided with a temporary turnaround area which shall be designed considering traffic usage, maintenance, and removal;
c.
Cul-de-sacs shall have a minimum right-of-way radius of 50 feet and a paved circular area with a minimum radius of 40 feet;
d.
Cul-de-sacs shall contain a central planted median; and
e.
Whenever cul-de-sac thoroughfares are created, at least one pedestrian access easement shall be provided, to the extent practicable, between each cul-de-sac head or street turnaround and the sidewalk system of the closest adjacent street or pedestrian pathway. The access easement shall be direct with a minimum width of 12 feet.
B.
Block Size.
1.
Individual block faces and the total block perimeter shall follow the standards established in Table 15.04.406.030.A (Block Size) below. If a block contains multiple transect zones, the most intense transect zone shall be used to establish the standards for block size.
2.
Blocks should be a minimum width, such that two tiers of developable lots are provided.
| Table 15.04.406.030.A: Block Size | ||
| Block | ||
| Transect Zone | Face Length | Perimeter Length |
| T4 | 600 ft. max. | 2,000 ft. max. |
| T5MS/T5N-55 | 600 ft. max. | 1,800 ft. max. |
| T5C/T5N-135 | 500 ft. max | 1,600 ft max. |
(Ord. No. 04-23 N.S., § I(Exh. A), 4-18-2023)
A.
The standards established in this Article provide the transect zones with a diverse palette of parks and other publicly accessible civic spaces, publicly or privately owned, that are essential components of walkable urban environments.
B.
There are multiple civic space types defined in Table 15.04.406.040.A (Civic Space Type Standards). Two of the civic space types, Playgrounds and Community Gardens, may be incorporated into any of the other types or may stand alone.
C.
In Table 15.04.406.040.A (Civic Space Type Standards), the illustration and description of each civic space type are illustrative in nature and not regulatory.
D.
The service area, size, frontage and disposition of elements standards of each civic space type are regulatory.
1.
Service Area. Describes how the civic space relates to the City as a whole and the area that will be served by the civic space.
2.
Size. The overall range of allowed sizes of the civic space.
3.
Frontage. The relationship along property lines of a civic space to adjacent buildings or lots.
a.
The front of the lots attached to or across a thoroughfare from a civic space should face on to the civic space to the maximum extent possible.
b.
Building. Lots that are attached to or across a thoroughfare from a civic space listed as having a "Building" frontage shall have the front of the lot facing on to the civic space for a minimum of three quarters of the civic space perimeter.
c.
Independent. Lots that are attached to or across a thoroughfare from a civic space listed as having an "Independent" frontage may have the front, side street, or rear of the lot facing on to the civic space.
4.
Disposition of Elements. The placement of objects within the civic space.
a.
Natural. Civic spaces with natural character are designed in a natural manner with no formal arrangement of elements.
b.
Formal. Civic spaces with a formal character have a more rigid layout that follows geometric forms and has trees and other elements arranged in formal patterns.
c.
Informal. Civic spaces with an informal character have a mix of formal and natural characteristics.
E.
Typical Facilities. A list of the typical facilities found within the civic space. This list is not intended to be a complete list of facilities allowed nor is it intended that every civic space would contain each of the facilities listed. Facilities larger than the indicated gross square footage (gsf) require review and approval by the Director and Parks Director.
F.
The civic spaces specified in Table 15.04.406.040.A (Civic Space Type Standards) are allowed By Right or By Review in the designated transect zones. Civic Space allowed By Review are allowed if approved by the Director and Parks Director.
G.
Civic spaces shall not be fenced or enclosed and shall have at least one edge open to a street or right-of-way. Edges not abutting a street or right-of-way shall be defined by building frontage consistent with the standard for "BTL Defined by a Building, Front" in applicable zones in 15.04.402 (Transect Zones).
(Ord. No. 04-23 N.S., § I(Exh. A), 4-18-2023)
A.
A mix of building types introduces variety into the character of neighborhoods. Blocks shall provide a diversity of residential and mixed-use building types in a manner that fulfills the intent of each transect zone as described in Article 15.04.402 (Transect Zones) and the following formulas below. In the event that blocks are composed of more than one transect zone, the minimum mixing requirement of the most intense transect zone shall apply across the block.
B.
T4 Neighborhood. Blocks within the T4N Transect Zones are intended to provide a mix of detached house, duplex and multi-unit types. See Section 15.04.402.020 (T4 Neighborhood) for the allowed building types in T4N.
1.
Blocks within the T4N Transect Zones shall provide a minimum of two distinct building types per block.
2.
No more than 50 percent of the residential units on a block shall be located within Detached House, Cottage, or Duplex building types.
C.
T4 Main Street, T5 Neighborhood, and T5 Main Street. Blocks within the T4MS, T5N, or T5MS Transect Zone are intended to provide the greatest diversity of building types. See Section 15.04.402.030 (T4 Main Street), Section 15.04.402.040 (T5 Neighborhood) and Section 15.04.402.050 (T5 Main Street) for the allowed building types in T4MS, T5N, and T5MS.
1.
Blocks within the T4MS, T5N, or T5MS Transect Zones shall provide a minimum of three distinct building types per block.
2.
No more than 50% of the residential units on a block shall be located within Detached House, Cottage, or Duplex building types.
D.
T5 Core. Blocks within the T5C Transect Zone are intended to be composed of attached building types and shall have no minimum mixing requirement. See Section 15.04.402.060 (T5 Core) for the allowed building types in T5C.
(Ord. No. 04-23 N.S., § I(Exh. A), 4-18-2023)
A.
Street design of narrow streets and compact intersections requires designers to pay close attention to the operational needs of transit, fire and rescue, waste collection and delivery trucks. For this reason, early coordination with transit, fire and rescue, waste collection and other stakeholder groups is essential.
B.
More regular encroachment of turning vehicles into opposing lanes will occur at compact intersections. Therefore, frequency of access, traffic volumes and the speeds on intersecting streets at those intersections shall be considered when designing intersections. For fire and rescue, determination of the importance of that street for community access should be determined, e.g. primary or secondary access.
C.
The designer should use turning templates or software to evaluate intersections to ensure that adequate operation of vehicles can occur. Location of on-street parking around intersections should be evaluated during this analysis to identify potential conflicts between turning vehicles and on-street parking. Bike lanes and on-street parking will increase the effective curb return radius, when curb extensions are not employed, by providing more room for the wheel tracking of turning vehicles.
D.
Roundabouts should be considered as an alternative to traffic signals. Roundabouts can provide reduced vehicle speeds, reduced conflict points, separation of vehicle-vehicle conflict points from vehicle-pedestrian conflict points, and provide a two-step crossing for pedestrians. At multi-lane roundabouts, benefits for bicyclists and pedestrians are greatly diminished due to multiple-threat scenarios and bicycle weaving and additional considerations are necessary, including installing a traffic signal or pedestrian hybrid beacons at crosswalks." Roundabouts: An Informational Guide (FHWA) continues to provide the current best practice guidance on roundabout design, including bicycle and pedestrian accommodation.
(Ord. No. 04-23 N.S., § I(Exh. A), 4-18-2023)
A.
Directional Curb Ramps. Perpendicular corner curb ramps with a separate ramp installed in each direction shall be used where feasible instead of single, diagonal corner ramps.
B.
Crosswalks. Crosswalks shall be designed per the Crosswalk Policy in the Pedestrian Plan.
C.
Medians. Medians, where provided, shall provide a median refuge at the intersection designed per the standards in the diagram below.
D.
Mid-block crossings, where provided, shall have mid-block curb extensions per the standards in the diagram below.
E.
On thoroughfares with medians, provided mid-block crossings between the median and curbs shall be offset from one another per the diagram below.
(Ord. No. 04-23 N.S., § I(Exh. A), 4-18-2023)
A.
Bicycle Master Plan and Pedestrian Plan.
1.
Thoroughfares shall be designed to support the goals, policies, and recommendations within the Bicycle Master Plan and Pedestrian Plan.
2.
The Bicycle Network. Bicycle facilities shall be located per the proposed bicycle network in the Bicycle Master Plan.
3.
Should a conflict arise between the standards in this Article and the Bicycle Master Plan or Pedestrian Plan, the standards in this Article shall take precedence unless the Director determines otherwise.
B.
WCCTAC Transit Wayfinding Plan. Bicycle and pedestrian wayfinding shall be implemented per the WCCTAC Wayfinding Signage Program.
C.
Predefined thoroughfare assemblies found in Section 15.04.406.100 (Thoroughfare Assemblies) are allowed By Right.
D.
Thoroughfares that do not meet the standards in items A, B or C above are not allowed in any transect zones.
(Ord. No. 04-23 N.S., § I(Exh. A), 4-18-2023)
A.
This Section provides thoroughfare assemblies that have been approved by the City for use in transect zones.
B.
The tables in this Section are added into the City of Richmond Standard Plans.
| Table 15.04.406.100.A: Thoroughfare Assemblies | |||||||||
| Thoroughfare Assembly CS-100-60 | |||||||||
| Table 15.04.406.100.A: Thoroughfare Assemblies (continued) | |||||||||
| Thoroughfare Assembly CS-60-36 | |||||||||
| Table 15.04.406.100.A: Thoroughfare Assemblies (continued) | |||||||||
| Thoroughfare Assembly CS-72-48-BL | |||||||||
| Table 15.04.406.100.A: Thoroughfare Assemblies (continued) | |||||||||
| Thoroughfare Assembly ST-60-32 | |||||||||
| Table 15.04.406.100.A: Thoroughfare Assemblies (continued) | |||||||||
| Thoroughfare Assembly ST-60-36 | |||||||||
| Table 15.04.406.100.A: Thoroughfare Assemblies (continued) | |||||||||
| Thoroughfare Assembly ST-72-48-BL | |||||||||
| Table 15.04.406.100.A: Thoroughfare Assemblies (continued) | |||||||||
| Thoroughfare Assembly ST-40-28 | |||||||||
| Table 15.04.406.100.A: Thoroughfare Assemblies (continued) | |||||||||
| Thoroughfare Assembly RL-20-14 | |||||||||
| Table 15.04.406.100.A: Thoroughfare Assemblies (continued) | |||||||||
| Thoroughfare Assembly RA-24-21 | |||||||||
| Table 15.04.406.100.A: Thoroughfare Assemblies (continued) | |||||||||
| Thoroughfare Assembly PS-20-20 | |||||||||
| Lane Assembly | ||
| Traffic Lanes | None | |
| Bicycle Lanes | None | |
| Parking Lanes | None | |
| Medians | None | |
| Public Frontage Assembly | ||
| Frontage Type | Street | |
| Drainage Collection Type | Valley gutter or sheet flow | |
| Planter Type | Continuous planter | |
| Landscape Type | None | |
| Lighting Type | Post or column | |
| Walkway Type | 20' pavers | |
| Curb Type | None | |
| Table 15.04.406.100.A: Thoroughfare Assemblies (continued) | |||||||||
| Thoroughfare Assembly PS-20-30 | |||||||||
(Ord. No. 04-23 N.S., § I(Exh. A), 4-18-2023)
FORM-BASED CODE ZONING DISTRICTS3
Editor's note— Ord. No. 04-23 N.S., § I(Exh. A), adopted April. 18, 2018, enacted a new Series 400 "Form-Based Zoning Districts" to read as set out herein.
This Form-Based Code, adopted in April 2023 (See Section III, Effective 5/18/2023), is a reflection of the community vision for implementing the intent of the General Plan to create walkable mixed-use neighborhoods. These Form-Based Code standards are intended to ensure that proposed development is compatible with existing and future development on neighboring properties, and produces an environment of desirable character, consistent with the General Plan.
This Form-Based Code is based on an initial documentation and analysis of the existing conditions at the macro (citywide) and micro (street and block) scales. The results of this analysis helped to classify the different types of places in Richmond and their subsequent standards.
This Form-Based Code is also based on the input received by the community throughout the process to ensure that the standards in this Code reflect the community's vision for the future of their community as documented in the General Plan (2012), 23rd Street Corridor Charrette Summary Report (2009), and Richmond Livable Corridors Charrette Summary Report (2012).
(Ord. No. 04-23 N.S., § I(Exh. A), 4-18-2023)
Form-Based Codes are an alternative approach to zoning that reinforces walkable, sustainable, mixed-use environments and development and builds upon the character of a place.
"Form-based codes foster predictable built results and a high-quality public realm by using physical form (rather than separation of uses) as the organizing principle for the code. They are regulations, not mere guidelines, adopted into city or county law. Form-based codes offer a powerful alternative to conventional zoning."
~ Form-Based Codes Institute
A.
Form-Based Code Components.
1.
Article 15.04.401 (Preamble) provides the overall intent of this Form-Based Code as it is applied within the City.
2.
Article 15.04.402 (Transect Zones) includes information and standards for the transect zones. It organizes dimensional standards for each zone (building placement, building form, parking placement and ratios, architectural styles, allowed frontages, and encroachments) with the allowed uses in each zone, in order to maximize usability and provide a simple user interface.
3.
Article 15.04.403 (Building Types) provides form standards for building types, which supplement the standards found in Article 15.04.402 (Transect Zones).
4.
Article 15.04.404 (Frontage Types) provides form standards for frontages, which supplement the standards found in Article 15.04.402 (Transect Zones).
5.
Article 15.04.405 (Architectural Standards) provides standards for characteristic architectural styles, which supplement the standards found in Article 15.04.402 (Transect Zones) and provide additional standards for the treatment of building and frontage types found in Article 15.04.403 (Building Types) and Article 15.04.404 (Frontage Types).
6.
Article 15.04.406 (General to Large Sites) includes standards and regulations for applicants proposing large infill and community-scaled plans, including standards for thoroughfare networks, connectivity, the development and location of civic and open spaces, and the design of blocks and lots. The standards are designed to promote the development of walkable places.
B.
The Rural-to-Urban Transect.
The transect is an organizing principle often used in Form-Based Coding that focuses first on the intended character and type of place and second on the mix of uses within. This differs from the framework found in conventional or Euclidean zoning in which use, rather than form, is the primary focus. Transect-based zone districts are used to regulate the preservation, evolution, and creation of walkable places.
"The Rural-to-Urban Transect is a means for considering and organizing the human habitat in a continuum of intensity that ranges from the most rural condition to the most urban. It provides a standardized method for differentiating between the intentions for urban form in various areas using gradual transitions rather than harsh distinctions. The zones are primarily classified by the physical intensity of the built form, the relationship between nature and the built environment, and the complexity of uses within the zone."
~ Form-Based Codes: A Guide to Planners, Urban Designers,
Municipalities, and Developers, by Parolek, Parolek and Crawford
The model transect for American cities is divided into six transect zones or T-zones: Natural (T1), Rural (T2), Sub-urban (T3), General Urban (T4), Urban Center (T5), and Urban Core (T6), together with a Special District (SD) designation for areas with specialized purposes (e.g., heavy industrial, transportation, entertainment, or university districts, among other possibilities).
(Ord. No. 04-23 N.S., § I(Exh. A), 4-18-2023)
The Livable Corridors Form Based Code (FBC) and Architectural Standards are effective thirty (30) days after approval by the City Council ("Effective Date"). Any Planning application submitted after the Effective Date for a new project or project amendment is required to comply with the FBC requirements, except for projects with Planning applications under review prior to the Effective Date.
The FBC and Architectural Standards apply to the portions of the City of Richmond within the FBC Map boundary, excluding:
A.
Single-family residences, Accessory Dwelling Units, Dwelling Units constructed pursuant to SB 9, also known as the California Housing Opportunity and More Efficiency (HOME) Act projects;
B.
Government Buildings;
C.
Rehabilitation, modifications, or additions to historic buildings or adaptive reuse of historic buildings; and
D.
Richmond Bay Specific Plan.
(Ord. No. 04-23 N.S., § I(Exh. A), 4-18-2023)
A project applicant may request an exception or exceptions to the Architectural Standards contained in the FBC. For housing development projects, the exception process set forth is an alternative to a request for concessions and waivers under State Density Bonus law (Government Code Section 65915 et seq.); applicants requesting concessions or waivers may not also request exceptions.
The request must be made in writing as part of the Planning application for the proposed project. The application for an exception must contain detailed information describing the architectural standard that is requested to be waived or modified; how the physical constraints and unique characteristics of the project site make it infeasible to comply with that architectural standard; and how the request meets each exception requirement.
The decision-maker (Zoning Administrator, Design Review Board, Historic Preservation Commission, Planning Commission, or City Council, as applicable) will consider the request and information provided and make findings to approve or deny the request. The decision-maker shall only grant an exception if all the following findings are made:
A.
There is a physical constraint or unique situation that because of special circumstances regarding the project or property, such as property size, shape, topography, location, or surroundings, or the needs of the use, conformance with the architectural standard is infeasible.
B.
Approving the exception will not create a health safety hazard or impair the design integrity and character of the neighborhood in which the subject property is located.
C.
The proposed project meets the intent of the design standard for which an exception is requested to the extent feasible.
For housing development projects, denial of the exception does not constitute denial of the project but rather requires the applicant to modify the project to conform with the design standard, either by redesigning the project or through imposition of a condition of approval.
(Ord. No. 04-23 N.S., § I(Exh. A), 4-18-2023)
The following diagrams illustrate how to use this Form-Based Code as a series of steps,
either for a Building-Scale Project or for a Large Site—see Article 15.04.406 (General to Large Sites).
Quick Code Guide: Building-Scale Projects
Note: this diagram is intended to provide a simplified overview of different code use scenarios and is descriptive, not regulatory.
1 See 15.04.606 (Nonconforming Uses, Structures and Lots) for existing non conforming uses, structures, and parcels.
Quick Code Guide: Large Sites
Note: this diagram is intended to provide a simplified overview of different code use scenarios and is descriptive, not regulatory.
(Ord. No. 04-23 N.S., § I(Exh. A), 4-18-2023)
(Ord. No. 04-23 N.S., § I(Exh. A), 4-18-2023)
(Ord. No. 04-23 N.S., § I(Exh. A), 4-18-2023)
This Article provides regulatory standards governing building form and land use within the transect zones. The standards in this Article are a reflection of the community's vision for implementing the intent of the General Plan to preserve natural areas, to create walkable mixed-use neighborhoods, and reinforce downtown Richmond. They are intended to ensure that proposed development is compatible with existing and future development on neighboring properties and produces an environment of desirable character.
The standards of this Article shall apply to all proposed development within transect zones, and shall be considered in combination with the standards in Article 15.04.403 (Building Types), Article 15.04.404 (Frontage Standards), Article 15.04.405 (Architectural Standards), and Article 15.04.406 (General to Large Sites). If there is a conflict between any standards, the stricter standards shall apply.
For nonconforming uses, structures, and lots, see Article 15.04.606 (Nonconforming Uses, Structures And Lots).
(Ord. No. 04-23 N.S., § I(Exh. A), 4-18-2023)
| A. Intent | B. Sub-Zone(s) | ||
|---|---|---|---|
| To provide a walkable, predominantly single-family neighborhood that integrates appropriate medium-density building types such as duplexes, multiplexes, and bungalow courts within walking distance to transit and commercial areas. | Detached or Attached | T4 Neighborhood-30' (T4N-30)
T4 Neighborhood-35' (T4N-35) T4 Neighborhood-Open (T4N-O) The height-based sub-zones allow different height limits for different neighborhood contexts. The open sub-zone provides the same building form as in T5N-35 but allows for a more diverse mix of uses. | |
| Lot Widths from 18' to 150' | |||
| Small-to-Medium Footprint | |||
| Small-to-Medium Front Setback | |||
| Small-to-No Side Setback | |||
| Up to 35' (30' in some areas) | |||
| Elevated Ground Floor | |||
| Diverse Mix of Residential Frontages | |||
| E. Building Form | |||
|---|---|---|---|
| Height | T4N-30 | T4N-35/ T4N-0 | |
|
Stories
Principal Structure 6 Accessory Structure | 2 max. 2 max. | 2 ½ max. 7 2 max. | |
|
Overall
Principal Structure Accessory Structure | 30' max. 25' max. | 35' max. 25' max. | |
|
Ground Floor Finish Level:
Residential, < 10' from ROW Residential, ≥ 10' from ROW | 18" min. 0" min. | ||
| Ceiling Height, Ground Floor | 10' min. clear | ||
| Ceiling Height, Upper Floor(s) | 9' min. clear | ||
| Footprint | |||
Per Article 15.04.403 (Building Types) | |||
| Depth, Ground-Floor Space | 30' min. 8 | ||
| Miscellaneous | |||
| Loading docks, overhead doors, and other service entries may not be located on street-facing facades. | |||
| 6 Max. height of building types may be less than max. height for zone. See Article 15.04.403 (Building Types). | |||
| 7 Half Story allowed as defined in Article 15.04.104 (Key Terms and Definitions). | |||
| 8 For habitable/occupiable space only, except in Cottage Court Building Type. | |||
| F. Architectural Styles | ||
| Allowed Architectural Styles | Standards | |
| Contemporary | 15.04.405.050 | |
| Art Deco | 15.04.405.060 | |
| Industrial 9 | 15.04.405.070 | |
| Spanish Revival | 15.04.405.090 | |
| Victorian | 15.04.405.100 | |
| G. Encroachments and Frontage Types | ||
| Allowed Encroachments10,11 | ||
| Front | 10' max. | |
| Side Street | 5' max. | |
| Side | 2'-6" max. | |
| Rear | 2'-6" max. | |
| Allowed Frontage Types | ||
| See Article 15.04.403 (Building Types) for allowed Frontage Types. | ||
| 9 Allowed only in the T4 Neighborhood-Open Sub-Zone. See Figure 15.04.405.070.1 in Section 15.04.405.070 for map of where style is allowed. | ||
| 10 Maximum allowed encroachments: See Article 15.04.404 (Frontage Types) for further refinement of the allowed encroachments for frontage elements. | ||
| 11 Encroachments into the ROW require the approval of an encroachment permit. Encroachments are not allowed in an alley ROW or across a lot line/design site boundary. | ||
| H. Parking | ||
| Required Spaces12 | ||
| Residential Uses | 1/1,000 sf min. 13 | |
| Lodging Uses | 0.5/room min. | |
| Location (Distance from ROW / Lot Line) | ||
| Front Setback | 30' (from BTL) | |
| Side Street Setback | 10' (from BTL) | |
| Side Setback | 5' min. 14 | |
| Rear Setback | 5' min. | |
| Miscellaneous | ||
|
Parking Drive Width:
Front Side Street/Alley | 12' max. 20' max. | |
| See Article 15.04.612 (Transportation Demand Management) for applicability and requirements. | ||
| 12 See Article 15.04.607 (Parking And Loading Standards) for uses not listed, general standards, and alternatives. | ||
| 13 No parking spaces required for affordable housing developments or first 2,000 sf of residential use. | ||
| 14 No side setback required along the common lot line between Townhouse or Duplex Building Types. | ||
(Ord. No. 04-23 N.S., § I(Exh. A), 4-18-2023)
| A. Intent | B. Sub-Zone(s) | ||
|---|---|---|---|
| To provide a vibrant main-street mixed-use environment that serves as the focal point for the surrounding neighborhood and provides access to day-to-day amenities within walking distance | Attached | T4 Main Street-Open (T4MS-O) The open sub-zone provides the same building form but allow for a more diverse mix of uses. | |
| Lot Widths from 18' to 100' | |||
| Simple Wall Plane along Street | |||
| Small-to-Large Footprint | |||
| Buildings at ROW | |||
| Small-to-No Side Setback | |||
| Up to 45' | |||
| Flush Ground Floor | |||
| Primarily with Shopfronts | |||
| C. Allowed Building Types | |||||
|---|---|---|---|---|---|
Lot/Design Site | |||||
| Width | Depth | ||||
| Building Type | Standards | ||||
| Carriage House | n/a | n/a | 15.04.403.040 | ||
| Cottage | n/a | n/a | 15.04.403.060 | ||
|
Courtyard Building:
Large |
75' min.;
100' max. | 100' min. 1 | 15.04.403.140 | ||
| Live/Work |
18' min.;
35' max. | 80' min. | 15.04.403.150 | ||
| Main Street |
50' min.
2
;
150' max. | 100' min. 1 | 15.04.403.160 | ||
| Buildings wider than 75' shall be designed to read as a series of buildings no wider than 50' each. | |||||
| 1 80' min. allowed for existing lots | |||||
| 2 25' min. allowed for existing lots | |||||
| E. Building Form | ||
|---|---|---|
| Height | ||
|
Stories
Principal Structure 5 Accessory Structure | 4 max. 6 2 max. | |
|
Overall
Principal Structure Accessory Structure | 45' max. 6 25' max. | |
|
Ground Floor Finish Level:
Residential, < 10' from ROW Residential, ≥ 10' from ROW Retail or Service | 24" min. 0" min. 6" min. | |
|
Ceiling Height, Ground Floor
Residential Retail or Service | 10' min. clear 12' min. clear | |
| Ceiling Height, Upper Floor(s) | 9' min. clear | |
| Footprint | ||
Per Article 15.04.403 (Building Types) | ||
| Depth, Ground-Floor Space | 30' min. | |
| Miscellaneous | ||
|
Distance Between Entries along the Front:
Entries to Ground Floor Entries to Upper Floor(s) | 50' max. 100' max. | |
| 5 Max. height of building types may be less than max. height for zone. See Article 15.04.403 (Building Types). | ||
| 6 35' max. within 30' of a T4N or Residential District. | ||
| Miscellaneous | ||
| Upper floors shall have a primary entrance along the front. | ||
| Loading docks, overhead doors, and other service entries may not be located on street-facing facades. | ||
| Buildings wider than 75' shall be designed to read as a series of buildings no wider than 50' each. | ||
| Upper Floor Front/Side Street Setback | ||
| Floors 5+ | 10' min. | |
| F. Architectural Styles | ||
| Allowed Architectural Styles | Standards | |
| Contemporary | 15.04.405.050 | |
| Art Deco | 15.04.405.060 | |
| Industrial 7 | 15.04.405.070 | |
| Main Street Classical | 15.04.405.080 | |
| Spanish Revival | 15.04.405.090 | |
| Victorian | 15.04.405.100 | |
| 7 See Figure 15.04.405.070.1 in Section 15.04.405.070 for map of where style is allowed. | ||
| G. Encroachments and Frontage Types | ||
|---|---|---|
| Allowed Encroachments8,9 | ||
| Front | 14' max. | |
| Side Street | 14' max. | |
| Rear | 5' max. | |
| Allowed Frontage Types | ||
| See Article 15.04.403 (Building Types) for allowed Frontage Types. | ||
8 Maximum allowed encroachments: See Article 15.04.404 (Frontage Types) for further refinement of the allowed encroachments for frontage elements. | ||
| 9 Encroachments into the ROW require the approval of an encroachment permit. Encroachments are not allowed in an alley ROW or across a lot line/design site boundary. | ||
| H. Parking | ||
|---|---|---|
| Required Spaces10 | ||
| Residential Uses | 1/1,000 sf min. 11 | |
| Lodging Uses | 1/room max. | |
| Retail or Service Uses | 2/1,000 sf min. 12 | |
| Location (Distance from ROW / Lot Line) | ||
|
Front Setback:
Ground floor Upper floor(s) | 30' min. (from BTL) 30' min. (from BTL) | |
| Side Street Setback | 0' min. (from BTL) | |
| Side Setback | 0' min. | |
|
Rear Setback:
Adjacent to T5N or T4N Adjacent to all other zone(s) Adjacent to Alley | 5' min. 0' min. 0' min. | |
| Miscellaneous | ||
|
Parking Drive Width:
Front Side Street/Alley | 12' max. 20' max. | |
| See Article 15.04.612 (Transportation Demand Management) for applicability and requirements. | ||
| 10 See Article 15.04.607 (Parking And Loading Standards) for uses not listed, general standards, and alternatives. | ||
| 11 No parking spaces required for affordable housing developments or first 2,000 sf of residential use. | ||
| 12 No parking spaces required for ground floor retail or service uses less than 5,000 sf. | ||
(Ord. No. 04-23 N.S., § I(Exh. A), 4-18-2023)
| A. Intent | B. Sub-Zone(s) | ||
|---|---|---|---|
| To provide medium- to high-density housing in building types such as multiplexes, courtyard buildings, and mid-rise buildings (high-rise buildings in some areas) that transition from the surrounding lower-density neighborhoods to the higher-density mixed-use neighborhoods. | Detached or Attached | T5 Neighborhood-55' (T5N-55)
T5 Neighborhood-135' (T5N-135) The sub-zones allow different height limits for different neighborhood contexts. | |
| Lot Widths from 18' to 200' | |||
| Simple Wall Plane along Street | |||
| Small-to-Large Footprint | |||
| Buildings at or close to ROW | |||
| Small-to-No Side Setback | |||
| Up to 55' (135' in some areas) | |||
| Elevated Ground Floor | |||
| Stoops, Forecourts, and Dooryards | |||
| C. Allowed Building Types | |||||
|---|---|---|---|---|---|
Lot/Design Site | |||||
| Width | Depth | ||||
| Building Type | Standards | ||||
| Carriage House | n/a | n/a | 15.04.403.040 | ||
| Cottage | n/a | n/a | 15.04.403.060 | ||
| Rowhouse |
18' min.;
35' max. | 80' min. | 15.04.403.090 | ||
| Multi-Plex: Small |
50' min.;
75' max. | 80' min. | 15.04.403.100 | ||
| Multi-Plex: Large |
50' min.;
100' max. | 100' min. 1 | 15.04.403.110 | ||
| Stacked Flats |
100' min.;
200' max. | 100' min. 1 | 15.04.403.120 | ||
|
Courtyard
Building: Large |
75' min.;
200' max. | 100' min. 1 | 15.04.403.140 | ||
| Mid-Rise |
75' min.;
200' max. | 100' min. | 15.04.403.170 | ||
| High-Rise 2 | 200' min. | 150' min. | 15.04.403.180 | ||
| 1 80' min. allowed for existing lots | |||||
| 2 Allowed only in the T5 Neighborhood-135' Sub-Zone. | |||||
| E. Building Form | |||
| Height | T5N-55 | T5N-135 | |
|
Stories
Principal Structure 5 | 5 max. 6 | 12 max. 6 | |
|
Overall
Principal Structure | 55' max. 6 | 135' max. 6 | |
|
Ground Floor Finish Level:
Residential, < 10' from ROW Residential, ≥ 10' from ROW | 24" min. 0" min. | ||
| Ceiling Height, Ground Floor | 10' min. clear | ||
| Ceiling Height, Upper Floor(s) | 9' min. clear | ||
| Footprint | |||
Per Article 15.04.403 (Building Types) | |||
| Depth, Ground-Floor Space | 20' min. | ||
| Miscellaneous | |||
| Distance Between Entries along the Front: | |||
|
Entries to Ground Floor
Entries to Upper Floor(s) |
50' max.
100' max. | ||
| Loading docks, overhead doors, and other service entries may not be located on street-facing facades. | |||
| Buildings wider than 100' shall be designed to read as a series of buildings no wider than 75' each. | |||
| 5 Max. height of building types may be less than max. height for zone. See Article 15.04.403 (Building Types). | |||
| 6 35' max. within 50' of a T4N or Residential District. |
>
| ||
| Upper Floor Front/Side Street Setback | |||
| Floors 6+ | 10' min. | ||
| F. Architectural Styles | |||
| Allowed Architectural Styles | Standards | ||
| Contemporary | 15.04.405.050 | ||
| Art Deco | 15.04.405.060 | ||
| Spanish Revival | 15.04.405.090 | ||
| Victorian | 15.04.405.100 | ||
| G. Encroachments and Frontage Types | ||
|---|---|---|
| Allowed Encroachments7,8 | ||
| Front | 14' max. | |
| Side Street | 14' max. | |
| Rear | 5' max. | |
| Allowed Frontage Types | ||
| See Article 15.04.403 (Building Types) for allowed Frontage Types. | ||
7 Maximum allowed encroachments: See Article 15.04.404 (Frontage Types) for further refinement of the allowed encroachments for frontage elements. | ||
| 8 Encroachments into the ROW require the approval of an encroachment permit. Encroachments are not allowed in an alley ROW or across a lot line/design site boundary. | ||
| H. Parking | ||
|---|---|---|
| Required Spaces9 | ||
| Residential Uses | 1.25/unit max. | |
| Lodging Uses | 0.5/room min. | |
| Location (Distance from ROW / Lot Line) | ||
| Front Setback | 30' min. (from BTL) | |
| Side Street Setback | 0' min. (from BTL) | |
| Side Setback | 0' min. | |
|
Rear Setback:
Adjacent to T5N or T4N Adjacent to all other zone(s) Adjacent to Alley | 5' min. 0' min. 0' min. | |
| Miscellaneous | ||
|
Parking Drive Width:
Front, ≤ 40 spaces Front, > 40 spaces Side Street/Alley % of Frontage along Front | 12' max. 20' max. 20' max. 20% max. | |
| See Article 15.04.612 (Transportation Demand Management) for applicability and requirements. | ||
| 9 See Article 15.04.607 (Parking And Loading Standards) for uses not listed, general standards, and alternatives. | ||
(Ord. No. 04-23 N.S., § I(Exh. A), 4-18-2023)
| A. Intent | B. Sub-Zone(s) | ||
|---|---|---|---|
| To provide a vibrant, walkable urban main street commercial area that provides locally- and regionally-serving commercial, retail, entertainment uses, and civic and public uses, as well as a variety of urban housing choices. | Attached |
T5 Main Street-Open (T5MS-O)
The open sub-zone allows for a more diverse mix of uses and building types. | |
| Lot Widths from 18' to 200' | |||
| Simple Wall Plane along Street | |||
| Small-to-Large Footprint | |||
| Buildings at or close to ROW | |||
| No Side Setback | |||
| Up to 55' (35' in some areas) | |||
| Flush Ground Floor | |||
| Primarily with Shopfronts | |||
| C. Allowed Building Types | |||||
|---|---|---|---|---|---|
Lot/Design Site | |||||
| Width | Depth | ||||
| Building Type | Standards | ||||
| Carriage House | n/a | n/a | 15.04.403.040 | ||
| Rowhouse 1 |
18' min.;
35' max. | 80' min. | 15.04.403.090 | ||
| Multi-Plex: Small 1 |
50' min.;
75' max. | 80' min. | 15.04.403.100 | ||
| Multi-Plex: Large 1 |
50' min.;
100' max. | 100' min. 2 | 15.04.403.110 | ||
| Stacked Flats 1 |
100' min.;
200' max. | 100' min. 2 | 15.04.403.120 | ||
|
Courtyard
Building: Large |
75' min.;
100' max. | 100' min. 2 | 15.04.403.140 | ||
| Live/Work |
18' min.;
35' max. | 80' min. | 15.04.403.150 | ||
|
Main Street
Building |
50' min.
3
;
150' max. | 100' min. 2 | 15.04.403.160 | ||
| Mid-Rise |
100' min.;
200' max. | 100' min. | 15.04.403.170 | ||
| 1 Allowed only in the T5 Main Street-Open Sub-Zone. | |||||
| 2 80' min. allowed for existing lots. | |||||
| 3 25' min. allowed for existing lots. | |||||
| E. Building Form | |||
|---|---|---|---|
| Height | |||
|
Stories
Principal Structure 6 | 5 max. 7 | ||
|
Overall
Principal Structure | 55' max. 7 | ||
| For T5MS-O zones along San Pablo Avenue, the max. height shall not exceed 3 stories or 35 feet when abutting a single family residential zone. | |||
|
Ground Floor Finish Level:
Residential, < 10' from ROW Residential, ≥ 10' from ROW Retail or Service | 24" min. 0" min. 6" max. | ||
|
Ceiling Height, Ground Floor
Residential Retail or Service | 10' min. clear 12' min. clear | ||
| Ceiling Height, Upper Floor(s) | 9' min. clear | ||
| Footprint | |||
Per Article 15.04.403 (Building Types) | |||
| Depth, Ground-Floor Space | 30' min. | ||
| 6 Max. height of building types may be less than max. height for zone. See Article 15.04.403 (Building Types). | |||
| 7 35' max. within 50' of a T4N or Residential District. | |||
| Miscellaneous | |||
|
Distance Between Entries along the Front:
Entries to Ground Floor Entries to Upper Floor(s) | 50' max. 100' max. | ||
| Upper floors shall have a primary entrance along the front | |||
| Loading docks, overhead doors, and other service entries may not be located on street-facing facades. | |||
| Buildings wider than 150' shall be designed to read as a series of buildings no wider than 100' each. | |||
| Upper Floor Front/Side Street Setback | |||
| Floors 6+ | 10' min. | ||
| F. Architectural Styles | |||
| Allowed Architectural Styles | Standards | ||
| Contemporary | 15.04.405.050 | ||
| Art Deco | 15.04.405.060 | ||
| Main Street Classical | 15.04.405.080 | ||
| Spanish Revival | 15.04.405.090 | ||
| Victorian | 15.04.405.100 | ||
| G. Encroachments and Frontage Types | ||
|---|---|---|
| Allowed Encroachments8,9 | ||
| Front | 14' max. | |
| Side Street | 14' max. | |
| Rear | 5' max. | |
| Allowed Frontage Types | ||
| See Article 15.04.403 (Building Types) for allowed Frontage Types. | ||
8 Maximum allowed encroachments: See Article 15.04.404 (Frontage Types) for further refinement of the allowed encroachments for frontage elements. | ||
| 9 Encroachments into the ROW require the approval of an encroachment permit. Encroachments are not allowed in an alley ROW or across a lot line/design site boundary. | ||
| H. Parking | |||
|---|---|---|---|
| Required Spaces10 | |||
| Residential Uses | 1.25/unit max. | ||
| Lodging Uses | 1/room max. | ||
| Retail or Service Uses | 2/1,000 sf min. 11 | ||
| Location (Distance from ROW / Lot Line) | |||
| Front Setback: | 30' min. (from BTL) | ||
|
Side Street Setback:
Ground floor Upper floor(s) | 30' min. (from BTL) 0' min. (from BTL) | ||
| Side Setback | 0' min. | ||
|
Rear Setback:
Adjacent to T5N or T4N Adjacent to all other zone(s) Adjacent to Alley | 5' min. 0' min. 0' min. | ||
| Miscellaneous | |||
|
Parking Drive Width:
Front, ≤ 40 spaces Front, > 40 spaces Side Street/Alley % of Frontage along Front | 12' max. 20' max. 20' max. 20% max. | ||
| See Article 15.04.612 (Transportation Demand Management) for applicability and requirements. | |||
| 10 See Article 15.04.607 (Parking And Loading Standards) for uses not listed, general standards, and alternatives. | |||
| 11 No parking spaces required for uses less than 5,000 sf. | |||
(Ord. No. 04-23 N.S., § I(Exh. A), 4-18-2023)
| A. Intent | B. Sub-Zone(s) | ||
|---|---|---|---|
| To provide a high-density, vibrant, walkable urban downtown that provides locally- and regionally-serving commercial, retail, entertainment, and civic and public uses, as well as a variety of urban housing choices. | Attached |
T5 Core-Open (T5C-O)
The open sub-zone allows for a more diverse mix of uses and building types. | |
| Lot Widths from 18' to 300' | |||
| Simple Wall Plane along Street | |||
| Small-to-Large Footprint | |||
| Buildings at or close to ROW | |||
| No Side Setback | |||
| Up to 135' | |||
| Flush Ground Floor | |||
| Primarily with Shopfronts | |||
| C. Allowed Building Types | |||||
|---|---|---|---|---|---|
Lot/Design Site | |||||
| Width | Depth | ||||
| Building Type | Standards | ||||
| Rowhouse 1 |
18' min.;
35' max. | 80' min. | 15.04.403.090 | ||
| Multi-Plex: Small 1 |
50' min.;
75' max. | 80' min. | 15.04.403.100 | ||
| Multi-Plex: Large 1 |
50' min.;
100' max. | 100' min. 2 | 15.04.403.110 | ||
| Stacked Flats 1 |
100' min.;
200' max. | 100' min. 2 | 15.04.403.120 | ||
|
Courtyard
Building: Large |
75' min.;
100' max. | 100' min. 2 | 15.04.403.140 | ||
| Live/Work |
18' min.;
35' max. | 80' min. | 15.04.403.150 | ||
|
Main Street
Building |
50' min.
3
;
150' max. | 100' min. 2 | 15.04.403.160 | ||
| Mid-Rise |
100' min.;
300' max. | 100' min. | 15.04.403.170 | ||
| High-Rise | 200' min. | 150' min. | 15.04.403.180 | ||
| 1 Allowed only in the T5 Core-Open Sub-Zone. | |||||
| 2 80' min. allowed for existing lots | |||||
| 3 25' min. allowed for existing lots | |||||
| E. Building Form | |||
| Height | |||
|
Stories
Principal Structure 6 | 12 max. 7 | ||
|
Overall
Principal Structure | 135' max. 7 | ||
|
Ground Floor Finish Level:
Residential, < 10' from ROW Residential, ≥ 10' from ROW Retail or Service | 24" min. 0" min. 6" max. | ||
|
Ceiling Height, Ground Floor:
Residential Retail or Service | 10' min. clear 12' min. clear | ||
| Ceiling Height, Upper Floor(s) | 9' min. clear | ||
| Footprint | |||
| Per Article 15.04.403 (Building Types) | |||
| Depth, Ground-Floor Space: | 30' min. | ||
| Miscellaneous | |||
|
Distance Between Entries along the Front:
Entries to Ground Floor Entries to Upper Floor(s) | 50' max. 100' max. | ||
| Upper floors shall have a primary entrance along the front | |||
| Loading docks, overhead doors, and other service entries may not be located on street-facing facades. | |||
| 6 Max. height of building types may be less than max. height for zone. See Article 15.04.403 (Building Types). | |||
| 7 35' max. within 50' of a T4N or Residential District. | |||
| Buildings wider than 150' shall be designed to read as a series of buildings no wider than 100' each. | |||
| Upper Floor Front/Side Street Setback | |||
| Floors 6+ | 10' min. | ||
| F. Architectural Styles | |||
| Allowed Architectural Styles | Standards | ||
| Contemporary | 15.04.405.050 | ||
| Art Deco | 15.04.405.060 | ||
| Main Street Classical | 15.04.405.080 | ||
| Spanish Revival | 15.04.405.090 | ||
| Victorian | 15.04.405.100 | ||
| G. Encroachments and Frontage Types | ||
|---|---|---|
| Allowed Encroachments8,9 | ||
| Front | 14' max. | |
| Side Street | 14' max. | |
| Rear | 5' max. | |
| Allowed Frontage Types | ||
| See Article 15.04.403 (Building Types) for allowed Frontage Types. | ||
8 Maximum allowed encroachments: See Article 15.04.404 (Frontage Types) for further refinement of the allowed encroachments for frontage elements. | ||
| 9 Encroachments into the ROW require the approval of an encroachment permit. Encroachments are not allowed in an alley ROW or across a lot line/design site boundary. | ||
| H. Parking | |||
|---|---|---|---|
| Required Spaces10 | |||
| Residential Uses | 1.25/unit max. | ||
| Lodging Uses | 1/room max. | ||
| Retail or Service Uses | 2/1,000 sf min. 11 | ||
| Location (Distance from ROW / Lot Line) | |||
| Front Setback: | 30' min. (from BTL) | ||
|
Side Street Setback:
Ground floor Upper floor(s) | 30' min. (from BTL) 0' min. (from BTL) | ||
| Side Setback | 0' min. | ||
|
Rear Setback:
Adjacent to T5N or T4N Adjacent to all other zone(s) Adjacent to Alley | 5' min. 0' min. 0' min. | ||
| Miscellaneous | |||
|
Parking Drive Width:
Front, ≤ 40 spaces Front, > 40 spaces Side Street/Alley % of Frontage along Front | 12' max. 20' max. 20' max. 20% max. | ||
| See Article 15.04.612 (Transportation Demand Management) for applicability and requirements. | |||
| 10 See Article 15.04.607 (Parking And Loading Standards) for uses not listed, general standards, and alternatives. | |||
| 11 No parking spaces required for uses less than 5,000 sf. | |||
(Ord. No. 04-23 N.S., § I(Exh. A), 4-18-2023)
| Table 15.05.040.A: Land Use1 | T4N | T4N-O | T4MS | T4MS-O | T5N | T5MS | T5MS-O | T5C | T5C-O |
|---|---|---|---|---|---|---|---|---|---|
| Residential | |||||||||
| Single-Family, Attached or Detached 4 | P | P | — | A | P | — | A | P 2 | P 2 |
| Accessory Dwelling Units | P | P | P 2 | P | P | P 2 | P | P 2 | P 2 |
| Multi-Unit Dwellings 4 | P | P | P 2 | P | P | P 2 | P | P 2 | A/P 3 |
| Accessory Uses 5 | P | P | P | P | P | P | P | P | P |
|
Accessory Short-Term Rentals
6 ("Home-shares") | P | P | P 2 | P | P | P 2 | P | P 2 | P |
| Group Residential | A | P | P 2 | P | A | P 2 | P | P 2 | A/P 3 |
| Congregate Housing | A | P | P 2 | P | A | P 2 | P | P 2 | A/P 3 |
| Senior Group Residential | A | P | P 2 | P | A | P 2 | P | P 2 | A/P 3 |
| Elderly and Long-Term Care | A | C | C 2 | C | A | C 2 | C | P 2 | A/P 3 |
| Family Day Care: | |||||||||
| Small | P | P | P 2 | A | P | P 2 | A | P 2 | P 2 |
| Large | C | A | C 2 | A | C | C 2 | A | A 2 | A |
| Residential Facility: | |||||||||
| Residential Care, Limited | P | C | A 2 | A | P | A 2 | A | P 2 | A/P 3 |
| Residential Care, General/Senior | A | C | C 2 | C | A | C 2 | C | P 2 | A/P 3 |
| Hospice, Limited | P | P | P 2 | P | P | P 2 | P | P 2 | A/P 3 |
| Hospice, General | C | C | C 2 | C | C | C 2 | C | C 2 | C |
| Supportive Housing | P | P | P 2 | P | P | P 2 | P | P 2 | A/P 3 |
| Transitional Housing | P | C | C 2 | C | P | C 2 | C | P 2 | A/P 3 |
| Key | |||||||||
| P Permitted Use | |||||||||
| A Administrative Use Permit Required | |||||||||
| C Conditional Use Permit Required | |||||||||
| — Prohibited Use | |||||||||
| End Notes | |||||||||
| Uses not listed are specifically prohibited unless the Director interprets that a use is consistent pursuant to this Form-Based Code. | |||||||||
| 1 See Section 15.04.104.020 (Definitions) for use type definitions. | |||||||||
| 2 Use classification for use on upper floor(s) or behind an allowed ground-floor use. | |||||||||
| 3 Classification for use on ground-floor where non-residential or "active use" required as indicated in 15.04.101.070 (Official Zoning Map) / Classification for use on upper floor or behind an allowed ground-floor use. | |||||||||
| 4 May be a stand-alone use or a component of a mixed-use project. | |||||||||
| 5 See Zoning Ordinance Section 15.04.601.010 for standards for Accessory Uses and Structures. | |||||||||
| 6 See Zoning Ordinance Section 15.04.610.030 for standards for Accessory Short-Term Rentals ("Home-shares"). | |||||||||
| Table 15.05.040.A: Land Use1 | T4N | T4N-O | T4MS | T4MS-O | T5N | T5MS | T5MS-O | T5C | T5C-O |
|---|---|---|---|---|---|---|---|---|---|
| Commercial | |||||||||
| Animal Sales and Services: | |||||||||
| Boarding Kennel | — | C | A 2 | A | — | A 2 | A | A/P 3 | A |
| Clinic/Hospital | — | A | A/P 3 | P | — | A/P 3 | P | A/P 3 | P |
| Grooming | — | A | P | P | — | P | P | P | P |
| Retail Sales (Pet Shops) | — | A | P | P | — | P | P | P | P |
| Veterinary Services | — | A | A/P 3 | P | — | A/P 3 | P | A/P 3 | P |
| Auto Vehicle Sales and Services: | |||||||||
| Alternative Fuels and Recharging Facility | — | — | A | A | — | A | A | A | A |
| Automobile Rentals | — | — | — | C | — | — | C | A | A |
| Automobile/Vehicle Repair, Minor | — | — | — | A | — | — | A | A | A |
| Automobile/Vehicle Repair, Major | — | — | — | C | — | — | C | C | C |
| Automobile/Vehicle Washing | — | — | A | A | — | A | A | A | A |
| Service Stations | — | — | — | C | — | — | C | — | C |
| Banks and Financial Institutions: | |||||||||
| Bank and Savings and Loan | — | — | P | P | — | P | P | P | P |
| Nontraditional Financial | — | — | C | A | — | C | A | C | A |
| Business Services | — | A | P | P | — | P | P | P | P |
| Catering Service | — | A | A | A | — | A | A | A | A |
| Commercial Entertainment and Recreation: | |||||||||
| Cinema, Theater | — | — | C | C | — | C | C | C | C |
| Small-scale Facility ≤5,000 sf | — | — | P | P | — | P | P | P | P |
| Large-scale Facility >5,000 sf | — | — | — | C | — | — | C | C | C |
| Eating and Drinking Establishments: | |||||||||
| Bars/Night Clubs/Lounges | — | — | A | C | — | A | C | A | A |
| Restaurants, Limited or Full Service | — | — | P | P | — | P | P | P | A |
| Restaurant with Drive Through Service | — | — | — | C | — | — | C | — | — |
| Outdoor Dining and Seating | — | — | A | A | — | A | A | P | P |
| Key | |||||||||
| P Permitted Use | |||||||||
| A Administrative Use Permit Required | |||||||||
| C Conditional Use Permit Required | |||||||||
| — Prohibited Use | |||||||||
| End Notes | |||||||||
| Uses not listed are specifically prohibited unless the Director interprets that a use is consistent pursuant to this Form-Based Code. | |||||||||
| 1 See Section 15.04.104.020 (Definitions) for use type definitions. | |||||||||
| 2 Use classification for use on upper floor(s) or behind an allowed ground-floor use. | |||||||||
| 3 Classification for use on ground-floor / Classification for use on upper floor or behind an allowed ground-floor use. | |||||||||
| Table 15.05.040.A: Land Use1 | T4N | T4N-O | T4MS | T4MS-O | T5N | T5MS | T5MS-O | T5C | T5C-O |
|---|---|---|---|---|---|---|---|---|---|
| Commercial (continued) | |||||||||
| Finance, Insurance and Real Estate Services | — | A | P | P | — | P | P | P | P |
| Food and Beverage Sales: 7 | |||||||||
| Convenience Markets ≤5,000 sf | — | A | P | P | — | P | P | P | P |
| Convenience Markets >5,000 sf | — | — | A | A | — | A | A | C | C |
| Farmers Markets | P | P | P | P | P | P | P | P | P |
| General Markets | — | — | A | A | — | P | P | P | P |
| Liquor Stores | — | — | C | C | — | C | C | C | C |
| Outdoor Vendors | — | — | A | A | — | A | A | A | A |
| Funeral and Interment Services | — | C | A | A | — | A | A | A | A |
| Live/Work | — | A | P | P | — | P | P | P | P |
| Instructional Services | — | P | P | P | — | P | P | P | P |
| Maintenance and Repair Services | — | — | — | A | — | — | A | — | A |
| Media Production | A | C | A 2 | A | A | A 2 | A | A 2 | P |
| Mobile Vending Unit | — | — | A | A | — | A | A | A | A |
| Offices | — | A | P | P | — | P | P | P | P |
| Parking Facility, Commercial | — | — | P 2 | P 2 | — | P 2 | P 2 | P 2 | P 2 |
| Personal Services, except | — | P | P | P | — | P | P | P | P |
| Health/Fitness Facility | — | A/P 3 | P | P | — | P | P | P | P |
| Printing and Publishing | A | C | A 2 | A | A | A 2 | A | A 2 | P |
| Retail Sales: | |||||||||
| General Retail Sales, ≤25,000 sf | — | A | P | P | — | P | P | P | P |
| General Retail Sales, >25,000 sf | — | — | — | — | — | — | — | A | A |
| Secondhand Store | — | A | A | A | — | A | A | C | A |
| With Drive-Through | — | — | — | C | — | — | C | — | — |
| Transient Lodging: | |||||||||
| Bed and Breakfast Lodging | P | P | P 2 | P | P | P 2 | P | P 2 | P |
| Hotel and Motel | A | — | P 2 | P | A | P 2 | P | P 2 | P |
| Key | |||||||||
| P Permitted Use | |||||||||
| A Administrative Use Permit Required | |||||||||
| C Conditional Use Permit Required | |||||||||
| — Prohibited Use | |||||||||
| End Notes | |||||||||
| Uses not listed are specifically prohibited unless the Director interprets that a use is consistent pursuant to this Form-Based Code. | |||||||||
| 1 See Section 15.04.104.020 (Definitions) for use type definitions. | |||||||||
| 2 Use classification for use on upper floor(s) or behind an allowed ground-floor use. | |||||||||
| 3 Classification for use on ground-floor / Classification for use on upper floor or behind an allowed ground-floor use. | |||||||||
| 7 Retail establishments selling alcoholic beverages are subject to Section 15.04.610.060 (Alcoholic Beverage Sales). | |||||||||
| Table 15.05.040.A: Land Use1 | T4N | T4N-O | T4MS | T4MS-O | T5N | T5MS | T5MS-O | T5C | T5C-O |
|---|---|---|---|---|---|---|---|---|---|
| Institutional and Community Facilities | |||||||||
| College and Trade School | C | C | C | C | C | C | C | C | C |
| Community Assembly | P | P | P | P | P | P | P | P | P |
| Cultural Facility | P | P | P | P | P | P | P | P | P |
| Day Care | P | P | P | P | P | P | P | P | P |
| Emergency Shelter | C | C | C 2 | C | C | C 2 | C | C 2 | C |
| Government Buildings | C | C | A | A | C | A | A | A | A |
| Hospitals and Clinics | |||||||||
| Hospital | — | — | — | C | — | — | C | — | C |
| Clinic | — | — | A 2 | A | — | A 2 | A | A 2 | A |
| Skilled Nursing Facility | — | C | P 2 | P | — | P 2 | P | P 2 | P |
| Park and Recreation Facility | — | C | A 2 | A | — | A 2 | A | A 2 | A |
| Public Safety Facility | C | A | A | A | C | A | A | A | A |
| School | C | C | C | C | C | C | C | C | C |
| Social Service Center | C | C | C 2 | C | C | C 2 | C | C 2 | C |
| Industrial | |||||||||
| Artisan/Small-scale Manufacturing | — | A/P 3 | A/P 3 | A/P 3 | — | A/P 3 | A/P 3 | A/P 3 | A/P 3 |
| Artist's Studio | |||||||||
| Studio-Light | A | A | A | P | A | A | P | A | P |
| Studio-Heavy | — | A | A | P | — | A | P | A | P |
| Commercial Kitchen | — | — | A | A | — | A | A | A | A |
| Industrial | |||||||||
| Limited | — | — | — | A | — | — | A | — | A/P 3 |
| General | — | — | — | C | — | — | C | — | — |
| Key | |||||||||
| P Permitted Use | |||||||||
| A Administrative Use Permit Required | |||||||||
| C Conditional Use Permit Required | |||||||||
| — Prohibited Use | |||||||||
| / Separates requirements for ground floor uses and uses on upper floor(s) or behind an allowed ground floor use | |||||||||
| End Notes | |||||||||
| Uses not listed are specifically prohibited unless the Director interprets that a use is consistent pursuant to this Form-Based Code. | |||||||||
| 1 See Section 15.04.104.020 (Definitions) for use type definitions. | |||||||||
| 2 Use classification for use on upper floor(s) or behind an allowed ground-floor use. | |||||||||
| 3 Classification for use on ground-floor / Classification for use on upper floor or behind an allowed ground-floor use. | |||||||||
| Table 15.05.040.A: Land Use1 | T4N | T4N-O | T4MS | T4MS-O | T5N | T5MS | T5MS-O | T5C | T5C-O |
|---|---|---|---|---|---|---|---|---|---|
| Industrial (continued) | |||||||||
| Recycling Facilities | |||||||||
| Collection Facilities | A | C | A 2 | A | A | A 2 | A | A | A |
| Reverse Vending Machines | — | — | A | A | — | A | A | A | A |
| Research and Development | — | — | — | A | — | — | A | A/P 3 | A/P 3 |
| Warehousing, Storage, and Distribution | |||||||||
| Indoor Warehousing and Storage | — | — | C 2 | A 2 | — | C 2 | A 2 | — | C |
| Outdoor Storage 8 | — | — | — | — | — | — | — | — | — |
| Mini-Storage | — | — | — | A 2 | — | — | A 2 | — | C |
| Transportation, Communications and Utilities | |||||||||
| Communication Facilities | |||||||||
| Antennas and Transmission Towers | C | C | C | C | C | C | C | C | C |
| Equipment within Buildings | C | C | C | C | C | C | C | C | C |
| Transportation Facilities | |||||||||
| Transportation Passenger Terminal | — | — | — | — | — | — | — | C | C |
| Utilities, Minor or Major | C | C | C | C | C | C | C | C | C |
| Agriculture | |||||||||
| Community Gardens | A | P | — | A | A | — | A | — | A |
| Agriculture: Indoor, Outdoor, or Urban 8 | A | P | — | A | A | — | A | — | A |
| Animal Husbandry 8 | A | A | — | C | A | — | C | — | C |
| Other | |||||||||
| Home Occupations | P | P | P | P | P | P | P | P | P |
| Key | |||||||||
| P Permitted Use | |||||||||
| A Administrative Use Permit Required | |||||||||
| C Conditional Use Permit Required | |||||||||
| — Prohibited Use | |||||||||
| / Separates requirements for ground floor uses and uses on upper floor(s) or behind an allowed ground floor use | |||||||||
| End Notes | |||||||||
| Uses not listed are specifically prohibited unless the Director interprets that a use is consistent pursuant to this Form-Based Code. | |||||||||
| 1 See Section 15.04.104.020 (Definitions) for use type definitions. | |||||||||
| 2 Use classification for use on upper floor(s) or behind an allowed ground-floor use. | |||||||||
| 3 Classification for use on ground-floor / Classification for use on upper floor or behind an allowed ground-floor use. | |||||||||
| 8 Allowed only as an accessory use to a primary use. | |||||||||
This Article sets forth the standards applicable to the development of each building type. These standards supplement the standards for each zone that the building types are allowed within. These standards are intended to ensure development that reinforces walkability, relationships within the built environment, and the highly-valued existing character and scale of Richmond's historic neighborhoods and downtown. Additionally, these standards are intended to allow creation of new developments that create new walkable neighborhoods.
The standards within this Article shall apply to all proposed development within transect zones and shall be considered in combination with the standards for the applicable zone in Article 15.04.402 (Transect Zones), Article 15.04.404 (Frontage Types), and Article 15.04.405 (Architectural Standards).
The standards set forth in this Article may be used in all other non-transect zones as guidelines.
(Ord. No. 04-23 N.S., § I(Exh. A), 4-18-2023)
A.
The names of the building types do not limit uses within a building type. The allowed uses are regulated by transect zone; see Article 15.04.402 (Transect Zones).
B.
The lot size standards for each building type are regulated by transect zones, see Article 15.04.402 (Transect Zones). If the lot does not meet the required size for a selected building type, a different building type shall be selected. See Article 15.04.606 (Nonconforming Uses, Structures And Lots) for existing nonconforming parcels and structures.
C.
Each lot shall only have one building type, except as follows:
1.
Where allowed by legislation passed by the State of California; and/or
2.
Where allowed by the applicable zone in Article 15.04.402 (Transect Zones) and by the building type, an Accessory Dwelling Unit is also allowed, subject to the standards in Section 15.04.403.030 (Guide to Accessory Dwelling Unit Types); and/or
3.
If the submitted development plan includes multiple design sites bounded by potential lot lines meeting all the requirements of this Article, each design site may have one building type. Boundaries of design sites shall be treated as lot lines for the purpose of measuring required building setbacks and minimum lot dimensions, but need not be recorded as parcel boundaries. See Section 15.04.406.020 (Design Sites) for details.
D.
Secondary wings and accessory structures shall have a smaller footprint than the building type selected.
E.
Measurement of width and depth.
1.
The width and depth of the main body shall be measured as follows:
a.
The width shall be parallel to the Front.
b.
The depth shall be perpendicular to the Front.
2.
The width and depth of secondary wings and ancillary structures, shall be measured as follows:
a.
The width shall be the greater of the two dimensions of the footprint.
b.
The depth shall be the lesser of the two dimensions of the footprint.
3.
The width and depth of open spaces shall be measured as follows:
a.
The width shall be parallel to the Front
b.
The depth shall be perpendicular to the Front.
4.
The width and depth of courtyards shall be measured as follows:
a.
The width shall be parallel to the Front; unless the courtyard is a secondary courtyard accessed directly from a Side Street.
b.
If a secondary courtyard is accessed directly from the Side Street, the width shall be parallel to the Side Street.
c.
The depth shall be perpendicular to the width.
F.
Measurement of width-to-height ratio and depth-to-height ratio of courtyards.
1.
The width and depth of courtyards shall be measured per Sub-section 15.04.403.020.E.4.
2.
The height of courtyards shall be a measurement of the vertical plane of the building type that defines the courtyard.
G.
Table 15.04.401.080.A (Building Types Overview) provides an overview of the allowed building types.
(Ord. No. 04-23 N.S., § I(Exh. A), 4-18-2023)
This guide shows how the standards in this Form-Based Code apply to Accessory Dwelling Units. If standards in this Form-Based Code conflict with legislation passed by the State of California, the legislation passed by the State of California shall prevail
(Ord. No. 04-23 N.S., § I(Exh. A), 4-18-2023)
| E. Allowed Frontage Types | Standards | |
| Stoop | 15.04.404.040 | |
| Carriage houses are not required to have a frontage type. | ||
| F. Pedestrian Access | ||
Main Entrance Location |
Side Street, Alley, or
internal to the lot | |
| The main entrance may not be through a garage. | ||
| G. Open Space | ||
| The open space requirements for the lot/design site shall be determined by the principal structure on the lot/design site. No additional open space is required for a Carriage House. | ||
(Ord. No. 04-23 N.S., § I(Exh. A), 4-18-2023)
| B. Number of Units | ||
|
Detached Houses per lot/
design site | 1 max. | |
| This building type may contain multiple units per the allowed uses in Article 15.04.402 (Transect Zones). | ||
| C. Building Size and Massing | ||
| Height | ||
|
Per transect zone standards in Article 15.04.402 (Transect Zones). | ||
| Main Body | ||
| Width | 48' max. | |
| Secondary Wing(s) | ||
| Width | 30' max. | |
| Depth | 30' max. | |
| Accessory Structure(s) | ||
| Width | 24' max. | |
| Depth | 30' max. | |
| D. Allowed Frontage Types | Standards | |
| Porch: Projecting | 15.04.404.020 | |
| Porch: Engaged | 15.04.404.030 | |
| E. Pedestrian Access | ||
| Main Entrance Location | Front | |
| F. Open Space | ||
| Yard | ||
| Width | 20' min. | |
| Depth | 20' min. | |
| Area | 500 sf min. | |
| Required street setbacks and driveways shall not be included in the open space area calculation. | ||
| Required open space must be located behind the main body of the building type. | ||
(Ord. No. 04-23 N.S., § I(Exh. A), 4-18-2023)
| B. Number of Units | ||
| Cottages per lot/design site | 1 max. 2 | |
| This building type may contain multiple units per the allowed uses in Article 15.04.402 (Transect Zones). | ||
| C. Building Size and Massing | ||
| Height | ||
| Stories | 1½ max. 3 | |
| Main Body | ||
| Width | 36' max. | |
| Secondary Wing(s) | ||
| Width | 30' max. | |
| Depth | 30' max. | |
| Accessory Structure(s) | ||
| Width | 24' max. | |
| Depth | 30' max. | |
|
Only one accessory structure is allowed per lot/design
site. | ||
| 2 More than 1 Cottage per lot/design site is allowed when built as an Accessory Dwelling Unit. | ||
| 3 Half Story allowed as defined in Article 15.04.104 (Key Terms and Definitions). | ||
| D. Allowed Frontage Types | Standards | |
| Porch: Projecting | 15.04.404.020 | |
| Stoop | 15.04.404.040 | |
| E. Pedestrian Access | ||
| Main Entrance Location | Front | |
| F. Open Space | ||
| Yard | ||
| Width | 15' min. | |
| Depth | 15' min. | |
| Area | 300 sf min. | |
| Required street setbacks and driveways shall not be included in the open space area calculation. | ||
| Required open space must be located behind the main body of the building type. | ||
| When a Cottage is built as an Accessory Dwelling Unit, no additional open space is required. The open space requirements for the lot shall be determined by the principal structure on the lot/design site. | ||
(Ord. No. 04-23 N.S., § I(Exh. A), 4-18-2023)
| B. Number of Units | ||
| Units per building | 1 max. 1 | |
| Buildings per lot/design site | 3 min.; 9 max. | |
| C. Building Size and Massing | ||
| Height | ||
| Stories | 1½ max. 2 | |
| Main Body | ||
| Width | 32' max. | |
| Depth | 24' max. | |
| Secondary Wing(s) | ||
| Width | 24' max. | |
| Depth | 24' max. | |
| Accessory Structure(s) | ||
| Width | 24' max. | |
| Depth | 24' max. | |
| 1 The rearmost building may contain up to 2 units, for a total of 10 units max. | ||
| 2 Half Story allowed as defined in Article 15.04.104 (Key Terms and Definitions). | ||
| D. Allowed Frontage Types | Standards | |
| Porch: Projecting | 15.04.404.020 | |
| Stoop | 15.04.404.040 | |
| E. Pedestrian Access | ||
| Main Entrance Location | Front | |
| F. Open Space | ||
| Common Space | ||
| Width | 20' min. | |
| Depth | 20' min. | |
| Area | 400 sf min. | |
| Required street setbacks and driveways shall not be included in the open space area calculation. | ||
(Ord. No. 04-23 N.S., § I(Exh. A), 4-18-2023)
| B. Number of Units | ||
| Duplexes per lot/design site | 1 max. | |
| Units per Duplex | 2 max. | |
| C. Building Size and Massing | ||
| Height | ||
|
Per transect zone standards in Article 15.04.402 (Transect Zones). | ||
| Main Body | ||
| Width | 48' max. | |
| Secondary Wing(s) | ||
| Width | 30' max. | |
| Accessory Structure(s) | ||
| Width | ||
| Individual unit ownership | 24' max. | |
| Shared between units | 48' max. | |
| Depth | 30' max. | |
| D. Allowed Frontage Types | Standards | |
| Porch: Projecting | 15.04.404.020 | |
| Porch: Engaged | 15.04.404.030 | |
| Stoop | 15.04.404.040 | |
| E. Pedestrian Access | ||
| Main Entrance Location | Front 1 | |
| Each unit shall have an individual entry facing the street on or no more than 10' behind the front facade. | ||
| F. Open Space | ||
| Yard | ||
| Width | 15' per unit min. | |
| Depth | 15' per unit min. | |
| Area | 300 sf min. | |
| Required street setbacks and driveways shall not be included in the open space area calculation. | ||
| Required open space must be located behind the main body of the building type. | ||
| 1 On corner lots, each unit shall front a different street. | ||
(Ord. No. 04-23 N.S., § I(Exh. A), 4-18-2023)
| B. Number of Units | ||
| Rowhouses per lot/design site | 1 max. | |
| Rowhouses per run | 3 min.; 8 max. | |
| This building type may contain multiple units per the allowed uses in Article 15.04.402 (Transect Zones). | ||
| C. Building Size and Massing | ||
| Height | ||
| Stories | 5 max. 2 | |
| Main Body | ||
| Width | 18' min.; 36' max. | |
| Secondary Wing(s) | ||
| The footprint area of the secondary wing(s) may not exceed the footprint area of the main body. | ||
| Accessory Structure(s) | ||
| Width | 24' max. | |
| Depth | 30' max. | |
| The footprint area of an accessory structure may not exceed the footprint area of the main body. | ||
| 2 Height must also comply with transect zone standards in Article 15.04.402 (Transect Zones). | ||
| D. Allowed Frontage Types | Standards | |
| Porch: Projecting | 15.04.404.020 | |
| Porch: Engaged | 15.04.404.030 | |
| Stoop | 15.04.404.040 | |
| Dooryard | 15.04.404.060 | |
| Loft | 15.04.404.110 | |
| Loft allowed only in Main Street and Core, including Open Sub-Zones. | ||
| E. Pedestrian Access | ||
| Main Entrance Location | Front | |
| Each unit shall have an individual entry facing a street. | ||
| F. Open Space | ||
| Yard | ||
| Width | 8' min. | |
| Depth | 8' min. | |
| Area | 100 sf min. | |
| Required street setbacks and driveways shall not be included in the open space area calculation. | ||
| Required open space must be located behind the main body of the building type. | ||
(Ord. No. 04-23 N.S., § I(Exh. A), 4-18-2023)
| B. Number of Units | ||
| Units | 3 min. | |
|
Small Multi-Plexes per lot/
design site | 1 max. | |
| C. Building Size and Massing | ||
| Height | ||
| Stories | 3 max. 2 | |
| Main Body | ||
| Width | 48' max. | |
| Depth | 48' max. | |
| Secondary Wing(s) | ||
| Width | 30' max. | |
| Depth | 30' max. | |
| Accessory Structure(s) | ||
| Width | 48' max. | |
| Depth | 30' max. | |
| The footprint area of an accessory structure may not exceed the footprint area of the main body. | ||
| 2 Height must also comply with transect zone standards in Article 15.04.402 (Transect Zones). | ||
| D. Allowed Frontage Types | Standards | |||
| Porch: Projecting | 15.04.404.020 | |||
| Porch: Engaged | 15.04.404.030 | |||
| Stoop | 15.04.404.040 | |||
| Dooryard | 15.04.404.060 | |||
| E. Pedestrian Access | ||||
| Main Entrance Location | Front | |||
| Each unit may have an individual entry. | ||||
| F. Open Space | ||||
| Yard | ||||
| Width | 8' min. | |||
| Depth | 8' min. | |||
| Area | 100 sf min. | |||
| Required street setbacks and driveways shall not be included in the open space area calculation. | ||||
| Required open space must be located behind the main body of the building type. | ||||
(Ord. No. 04-23 N.S., § I(Exh. A), 4-18-2023)
| B. Number of Units | ||
| Units | 7 min. | |
|
Large Multi-Plexes per lot/
design site | 1 max. | |
| C. Building Size and Massing | ||
| Height | ||
| Stories | 2 min.; 5 max. 2 | |
| Main Body | ||
| Width | 80' max. | |
| Depth | 75' max. | |
| Secondary Wing(s) | ||
| Width | 48' max. | |
| Depth | 36' max. | |
| Accessory Structure(s) | ||
| Width | 48' max. | |
| Depth | 30' max. | |
| The footprint area of an accessory structure may not exceed the footprint area of the main body. | ||
| 2 Height must also comply with transect zone standards in Article 15.04.402 (Transect Zones). | ||
| D. Allowed Frontage Types | Standards | |||
| Porch: Projecting | 15.04.404.020 | |||
| Stoop | 15.04.404.040 | |||
| Forecourt | 15.04.404.050 | |||
| Dooryard | 15.04.404.060 | |||
| E. Pedestrian Access | ||||
| Main Entrance Location | Front | |||
| Units located in the main body shall be accessed by a common entry along the front. | ||||
| On corner lots, units in a secondary wing may front the side street. | ||||
| G. Open Space | ||||
| Yard | ||||
| Width | 10' min. | |||
| Depth | 10' min. | |||
| Area | 200 sf min. | |||
| Required street setbacks and driveways shall not be included in the open space area calculation. | ||||
| Required open space must be located behind the front facade of the building type. | ||||
(Ord. No. 04-23 N.S., § I(Exh. A), 4-18-2023)
| B. Number of Units | ||
| Units | 12 min. | |
| C. Building Size and Massing | ||
| Height | ||
| Stories | 3 min.; 8 max. 2 | |
| Main Body | ||
| Width | 200' max. | |
| Depth | 65' max. | |
| Bay Windows | ||
| Accessory Structure(s) | ||
| No accessory structures are allowed. | ||
| Buildings ≥ 75' wide shall apply Bay Window(s) on front and/or side street facade in compliance with Subsection 10 (Bay Windows) of the applicable style in Article 15.04.405 (Architectural Standards). | ||
| 2 Height must also comply with transect zone standards in Article 15.04.402 (Transect Zones). | ||
| D. Allowed Frontage Types | Standards | |
| Porch: Projecting | 15.04.404.020 | |
| Stoop | 15.04.404.040 | |
| Forecourt | 15.04.404.050 | |
| D. Allowed Frontage Types (continued) | Standards | |
| Dooryard | 15.04.404.060 | |
| Loft | 15.04.404.110 | |
| Loft allowed only in Main Street and Core, including Open Sub-Zones. | ||
| E. Pedestrian Access | ||
| Units shall enter from a courtyard or a street. | ||
| Main Entrance Location | Front | |
| Courtyards, as they occur shall be accessible from the front. | ||
| Each unit may have an individual entry. | ||
| F. Open Space | ||
| Balconies | ||
| Min. 20% of units shall have a balcony of at least 60 sf. | ||
| Common Space | ||
| Width | 20' min.; 150' max. | |
| Width-to-Max.-Height Ratio | 1:2 min.; 2:1 max. | |
| Depth | 40' min.; 150' max. | |
| Depth-to-Max.-Height Ratio | 1:2 min.; 3:1 max. | |
| Area (total) |
400 sf min.;
50 sf/unit min. | |
(Ord. No. 04-23 N.S., § I(Exh. A), 4-18-2023)
| B. Number of Units | ||
| Unrestricted | ||
| C. Building Size and Massing | ||
| Height | ||
| Stories | 2 min.; 2½ max. 1 | |
| Main Body/Secondary Wing(s) | ||
| Width | 100' max. | |
| Depth | 40' max. | |
| Accessory Structure(s) | ||
| No accessory structures are allowed. | ||
| D. Allowed Frontage Types | Standards | |
| Porch: Projecting | 15.04.404.020 | |
| Stoop | 15.04.404.040 | |
| Forecourt | 15.04.404.050 | |
| Dooryard | 15.04.404.060 | |
| Shopfront | 15.04.404.070 | |
| Gallery | 15.04.404.090 | |
| 1 Half Story allowed as defined in Article 15.04.104 (Key Terms and Definitions). | ||
(Ord. No. 04-23 N.S., § I(Exh. A), 4-18-2023)
| B. Number of Units | ||
| Unrestricted | ||
| C. Building Size and Massing | ||
| Height | ||
| Stories | 2 min.; 5 max. 1 | |
| Main Body/Secondary Wing(s) | ||
| Width | 150' max. | |
| Depth | 40' max. | |
| Accessory Structure(s) | ||
| No accessory structures are allowed. | ||
| D. Allowed Frontage Types | Standards | |
| Porch: Projecting 2 | 15.04.404.020 | |
| Stoop 2 | 15.04.404.040 | |
| Forecourt | 15.04.404.050 | |
| Dooryard 2 | 15.04.404.060 | |
| Shopfront | 15.04.404.070 | |
| Industrial Shopfront | 15.04.404.080 | |
| Gallery | 15.04.404.090 | |
| Loft2 | 15.04.404.110 | |
| 1 Height must also comply with transect zone standards in Article 15.04.402 (Transect Zones). | ||
| 2 Allowed only in Main Street-Open and Neighborhood zones. | ||
(Ord. No. 04-23 N.S., § I(Exh. A), 4-18-2023)
| B. Number of Units | ||
| Live/Work Buildings per lot/ design site | 1 max. | |
| Units in this Type shall be Live-Work units as defined in Article 15.04.104 (Key Terms and Definitions). | ||
| C. Building Size and Massing | ||
| Height | ||
| Stories | 2 min.; 5 max. 1 | |
| Main Body | ||
| Width | 18' min.; 36' max. | |
| Secondary Wing(s) | ||
| The footprint area of the secondary wing(s) may not exceed the footprint area of the main body. | ||
| Accessory Structure(s) | ||
| Width | 24' max. | |
| Depth | 30' max. | |
| The footprint area of an accessory structure may not exceed the footprint area of the main body. | ||
| 1 Height must also comply with transect zone standards in Article 15.04.402 (Transect Zones). | ||
| D. Allowed Frontage Types | Standards | |
| Dooryard | 15.04.404.060 | |
| Shopfront | 15.04.404.070 | |
| Industrial Shopfront | 15.04.404.080 | |
| Gallery | 15.04.404.090 | |
| Terrace | 15.04.404.100 | |
| Loft | 15.04.404.110 | |
| E. Pedestrian Access | ||
| Main Entrance Location | Front | |
| Ground-floor space and upper unit must have separate entries. | ||
| F. Open Space | ||
| Yard | ||
| Width | 8' min. | |
| Depth | 8' min. | |
| Area | 100 sf min. | |
| Required street setbacks and driveways shall not be included in the open space area calculation. | ||
| Required open space must be located behind the main body of the building type. | ||
(Ord. No. 04-23 N.S., § I(Exh. A), 4-18-2023)
| B. Number of Units | ||||
| Unrestricted | ||||
| C. Building Size and Massing | ||||
| Height | ||||
| Stories | 8 max. 1 | |||
| Footprint | ||||
| Floors 1-2 | ||||
| Width | 150' max. | |||
| Depth | 150' max. | |||
| Floors 3+ (may consist of multiple wings) | ||||
| Width | 150' max. | |||
| Depth | 65' max. | |||
| No floorplate may be larger than that of the floor below. | ||||
| Bay Windows | ||||
| Buildings ≥ 75' wide shall apply Bay Window(s) on front and/or side street facade in compliance with Subsection 10 (Bay Windows) of the applicable style in Article 15.04.405 (Architectural Standards). | ||||
| 1 Height must also comply with transect zone standards in Article 15.04.402 (Transect Zones). | ||||
| D. Allowed Frontage Types | Standards | |
| Forecourt | 15.04.404.050 | |
| Dooryard | 15.04.404.060 | |
| Shopfront | 15.04.404.070 | |
| Industrial Shopfront | 15.04.404.080 | |
| Gallery | 15.04.404.090 | |
| Terrace | 15.04.404.100 | |
| Loft | 15.04.404.110 | |
| Dooryard and Loft allowed only in Open Sub-Zones. | ||
| E. Pedestrian Access | ||
| Upper floor units located in the main body shall be accessed by a common entry along the front street. | ||
| Ground floor units may have individual entries along the front or side street. | ||
| On corner lots, units in a secondary wing/accessory structure may front the side street. | ||
| F. Open Space | ||
| Balconies | ||
| Min. 20% of units shall have a balcony of at least 60 sf. | ||
| Podium tops, if any, should be used for open space. | ||
(Ord. No. 04-23 N.S., § I(Exh. A), 4-18-2023)
| B. Number of Units | ||||
| Unrestricted | ||||
| C. Building Size and Massing | ||||
| Height | ||||
| Stories | 8 max. 1 | |||
| Footprint | ||||
| Floors 1-2 | ||||
| Width | 250' max. | |||
| Depth | 250' max. | |||
| Lot Coverage | 100% max. | |||
| Floors 3+ (may consist of multiple wings) | ||||
| Width | 250' max. | |||
| Depth | 65' max. | |||
| No floorplate may be larger than that of the floor below. | ||||
| Bay Windows | ||||
| Buildings ≥ 75' wide shall apply Bay Window(s) on front and/or side street facade in compliance with Subsection 10 (Bay Windows) of the applicable style in Article 15.04.405 (Architectural Standards). | ||||
| 1 Height must also comply with transect zone standards in Article 15.04.402 (Transect Zones). | ||||
| D. Allowed Frontage Types | Standards | |
| Dooryard | 15.04.404.060 | |
| Shopfront | 15.04.404.070 | |
| Gallery | 15.04.404.090 | |
| Terrace | 15.04.404.100 | |
| Loft | 15.05.404.110 | |
| Dooryard and Loft allowed only in Open Sub-Zones. | ||
| E. Pedestrian Access | ||
| Upper floor units shall be accessed by a common entry along the front street. | ||
| Ground floor units may have individual entries along the front or side street. | ||
| F. Open Space | ||
| Balconies | ||
| Min. 20% of units shall have a balcony of at least 60 sf. | ||
| Common Space | ||
| Width | 20' min.; 50' max. | |
| Width-to-Max.-Height Ratio | 1:2 min. to 2:1 max. | |
| Depth | 20' min.; 150' max. | |
| Depth-to-Max.-Height Ratio | 1:1 min. to 3:1 max. | |
| Podium tops, if any, should be used for open space. | ||
(Ord. No. 04-23 N.S., § I(Exh. A), 4-18-2023)
| B. Number of Units | ||
| Unrestricted | ||
| C. Building Size and Massing | ||
| Height | ||
| Stories | 9 min. 2 | |
| Footprint | ||
| Floors 1-5 | ||
| Width | 300' max. | |
| Depth | 300' max. | |
| Lot Coverage | 100% max. | |
| Floors 6-8 Floorplate | 80% of lot max. | |
| Floors 9+ Floorplate | 15,000 sf max. | |
| No floorplate may be larger than that of the floor below. | ||
| Bay Windows | ||
| Buildings ≥ 75' wide shall apply Bay Window(s) on front and/or side street facade in compliance with Subsection 10 (Bay Windows) of the applicable style in Article 15.04.405 (Architectural Standards). | ||
| 2 Height must also comply with transect zone standards in Article 15.04.402 (Transect Zones). | ||
| D. Allowed Frontage Types | Standards | ||
| Dooryard | 15.04.404.060 | ||
| Shopfront | 15.04.404.070 | ||
| Gallery | 15.04.404.090 | ||
| Terrace | 15.04.404.100 | ||
| Loft | 15.04.404.110 | ||
| Dooryard and Loft allowed only in Open Sub-Zones. | |||
| E. Pedestrian Access | |||
| Upper floor units shall be accessed by a common entry along the front street. | |||
| Ground floor units may have individual entries along the front or side street. | |||
| F. Open Space | |||
| Balconies | |||
| Min. 20% of units shall have a balcony of at least 60 sf. | |||
| Podium tops and flat roofs below the top story, if any, should be used for open space. | |||
(Ord. No. 04-23 N.S., § I(Exh. A), 4-18-2023)
This Article sets forth the standards applicable to the development of private frontages. Private frontages are the components of a building that provide an important transition and interface between the public realm (street and sidewalk) and the private realm (yard or building). These standards supplement the standards for each zone within which the frontage types are allowed. For each frontage type, a description, a statement of the type's intent, and design standards are provided. These standards are intended to ensure development that reinforces the highly-valued existing character and scale of Richmond's neighborhoods and downtown.
The standards within this Article shall be considered in combination with the standards for the applicable zone in Article 15.04.402 (Transect Zones), Article 15.04.403 (Building Types) and Article 15.04.405 (Architectural Standards) and shall apply to:
A.
All proposed development within transect zones;
B.
All development fronting a semi-private or public space being treated as a primary pedestrian route;
C.
Any building fronting civic or open space or a street (public or private) or right-of-way.
(Ord. No. 04-23 N.S., § I(Exh. A), 4-18-2023)
(Ord. No. 04-23 N.S., § I(Exh. A), 4-18-2023)
(Ord. No. 04-23 N.S., § I(Exh. A), 4-18-2023)
(Ord. No. 04-23 N.S., § I(Exh. A), 4-18-2023)
(Ord. No. 04-23 N.S., § I(Exh. A), 4-18-2023)
(Ord. No. 04-23 N.S., § I(Exh. A), 4-18-2023)
(Ord. No. 04-23 N.S., § I(Exh. A), 4-18-2023)
(Ord. No. 04-23 N.S., § I(Exh. A), 4-18-2023)
(Ord. No. 04-23 N.S., § I(Exh. A), 4-18-2023)
(Ord. No. 04-23 N.S., § I(Exh. A), 4-18-2023)
(Ord. No. 04-23 N.S., § I(Exh. A), 4-18-2023)
This Article sets forth standards that supplement the zone standards to further refine the intended building form and physical character.
Unless stated otherwise, all Subsections within each architectural style ('style') identified in this Article apply to all facades of a building, including front facades, side street facades, side interior facades, and rear facade except in instances of exterior construction and/or site planning of residences and residential additions of more than 500 square feet in area but less than 1,200 square feet total floor area and less than 15 feet in height.
Quick Code Guide: Specific to Architectural Design
Before you begin
Identify your zone, building type, and detailed massing type. If you have not done this yet, go back to Article 15.04.401 (Preamble) and follow the Quick Code Guide.
(Ord. No. 04-23 N.S., § I(Exh. A), 4-18-2023)
This Article contains architectural design standards for the six allowed styles. The standards for each style address a range of topics based on local architectural examples. The standards address the following aspects of individual building design: Roofs and roof pitch, eaves, cornices, walls, base of walls, dormers, openings and doors, storefronts, porches, and balconies.
1.
Each building is required to be designed in compliance with one of the allowed architectural styles.
2.
The architectural style standards are coordinated with the building types allowed by this FBC and the intended physical character of each zone.
3.
Developments that include more than one building or where the facade width is greater than 100 feet may apply more than one architectural style and at least one architectural style for every 75 feet of facade width.
4.
Mixed use buildings are required to be designed in compliance with Section 15.04.405.040 (General Block-Scale Massing and Facade Articulation Standards).
5.
Buildings designed for civic uses are exempt from the standards in this Article and may be subject to design review as applicable.
(Ord. No. 04-23 N.S., § I(Exh. A), 4-18-2023)
Table 15.04.405.030.A (Architectural Styles Overview) provides an overview of the allowed architectural styles.
(Ord. No. 04-23 N.S., § I(Exh. A), 4-18-2023)
(Ord. No. 04-23 N.S., § I(Exh. A), 4-18-2023)
General note: The images above and the descriptions in Subsections 1 and 2 below are intended to provide a brief overview of the architectural style and are descriptive, not regulatory.
| 1. Description of Style | 2. Typical Characteristics | |
|---|---|---|
| Contemporary style buildings have a streamlined aesthetic and minimal ornamentation. This style focuses on combining simple rectilinear massing forms with changes in material and color. The use of glass and cantilevered elements imbues buildings with a sense of lightness and simplicity. | Long, low-sloped roof forms with simple eaves with deep overhangs | |
| Asymmetrical facade compositions with square and horizontal openings often made from ganged vertical windows | ||
| Mix of exterior materials to differentiate massing forms, with prevalent natural materials | ||
| Horizontally proportioned balconies and terraces with minimalist vertical supports | ||
| 12. Residential Entry Doors | ||
| Surround3 | ||
| Head Width | 4" min. | |
| Jamb Width | 4" min. | |
| Additional Elements | ||
| Transom | Allowed | |
| Pediment | Not allowed | |
3 Surround required for doors only on buildings or parts of buildings with lap siding. | ||
| 16. Materials | ||
| Element | Allowed Materials | |
| Wall | ||
| Wall Cladding |
Lap siding, composite wood,
wood, fiber cement, stucco, metal panel | |
| Base or Foundation | ||
| Base or Foundation |
Brick, concrete, stone, stucco,
composite wood, wood, fiber cement | |
| Roof and Roof Elements | ||
| Roofing |
Asphalt shingles, wood shingles,
standing seam metal | |
| Rake and Eave | Composite wood, wood, steel | |
| Gutter | Metal box | |
| Windows, Bay Windows, and Entry Doors | ||
| Entry Door |
Wood, aluminum, fiberglass,
composite wood | |
| Window Frames |
Wood, aluminum clad wood,
aluminum, fiberglass | |
| Glazing |
Clear glass; shall not be tinted,
mirrored, or colored | |
| Balconies | ||
| See Subsection 13 (Balconies) for allowed materials. | ||
| Porches | ||
| Columns/Newel Posts |
Composite wood, wood,
fiberglass, metal | |
| Railing | Composite wood, wood, metal | |
| Storefronts | ||
| Storefront | Composite wood, wood, metal | |
| Storefront Base | Stucco, concrete | |
(Ord. No. 04-23 N.S., § I(Exh. A), 4-18-2023)
General note: The images above and the descriptions in Subsections 1 and 2 below are intended to provide a brief overview of the architectural style and are descriptive, not regulatory.
| 1. Description of Style | 2. Typical Characteristics | |
|---|---|---|
|
The Art Deco style Is characterized by buildings composed of primarily rectilinear
forms with strongly contrasting vertical and horizontal emphases. Towers, tall slender
piers that may project above the parapet line, and other vertical projections above
the roofline are used to provide vertical emphasis. Horizontal grooves or lines in
the walls, horizontal balustrade elements, concrete window awnings, and ganged windows
are used to give a horizontal emphasis to the building.
Art Deco style has ornamental elements such as zig zags, chevrons, and other stylized and geometric motifs occur as decorative elements on the facade, typically at the parapet and primary entrances. | Vertical ornamentation or elements above primary entrances | |
| Simple massings | ||
| Vertical elements that break through the cornice | ||
| Ornamentation | ||
| 3. Wall | ||
| Stucco control joints shall align with edges of openings. | ||
| Rounded exterior wall corners allowed | ||
| 4. Base | ||
| None required | ||
| 5. Building Roof | |
| Form | |
| Roof type | Flat |
| 6. Rake | |
| Because this style does not allow sloped roofs, rake is not regulated. For wall-roof junction standards, see Subsection 8 (Parapet). | |
| 7. Eave | |
| Because this style does not allow sloped roofs, eave is not regulated. For wall-roof junction standards, see Subsection 8 (Parapet). | |
| 10. Bay Windows (Continued) | ||
| Additional Standards | ||
| Bay depth not allowed to project beyond eave depth. | ||
| Bay form shall be continuous. | ||
| Continuous horizontal articulation on building shall wrap bay form. | ||
| Corner bay may be turned on side to be rotated 45 degrees from building corner. | ||
| 11. Dormers | ||
| Because this style does not allow sloped roofs, dormers shall not be used. | ||
| 12. Residential Entry Doors | ||
| Door | ||
| Number of Panels | 0 min. | |
| Surround | ||
| None required | ||
| Additional Elements | ||
| Transom | Allowed | |
| Pediment | Not allowed | |
| 16. Materials | |||
| Element | Allowed Materials | ||
| Wall | |||
| Wall Cladding | Stucco | ||
| Windows, Bay Windows, and Entry Doors | |||
| Entry Door |
Wood, aluminum, fiberglass,
composite | ||
| Window Frames |
Wood, aluminum-clad wood,
aluminum, fiberglass | ||
| Sill | Stucco, cast stone | ||
| Glazing |
Clear glass; shall not be tinted,
mirrored, or colored | ||
| Balconies | |||
| See Subsection 13 (Balconies) for allowed materials. | |||
| Porches | |||
| Columns | Stucco, metal | ||
| Railing | Metal | ||
| Storefronts | |||
| Storefront | Composite wood, wood, metal | ||
| Storefront Base | Stucco, tile | ||
(Ord. No. 04-23 N.S., § I(Exh. A), 4-18-2023)
General note: The images above and the descriptions in Subsections 1 and 2 below are intended to provide a brief overview of the architectural style and are descriptive, not regulatory.
| 1. Description of Style | 2. Typical Characteristics | |
|---|---|---|
|
The Industrial style is defined by simple building forms with gable end, side gable,
or saw tooth roof forms. Flat roofs are also allowed. Windows, roll-up glass doors,
and other openings are simple and laid out in a rational manner.
Facades along the street and low walls provide opportunities for accent elements such as trellises, gates, and awnings. Parking is often screened and located in a parking court or a lot to the rear of the property. Figure 15.04.405.070.1 (Allowed Areas for Industrial Architectural Style) identifies areas in which the Industrial architectural style is allowed. | Low-pitched roofs with shallow eaves | |
| Simple gable or saw-toothed roof forms | ||
| Horizontally proportioned openings made from ganged vertical windows | ||
| Simple and regular rhythm of openings | ||
| Metal roofing | ||
| Metal sheeting or stucco wall materials | ||
| 16. Materials | ||
| Element | Allowed Materials | |
| Wall | ||
| Wall Cladding |
Sheet metal, lap siding: composite
wood, wood, fiber cement; and stucco | |
| Base | ||
| Base or Foundation | Brick, concrete | |
| Roof and Roof Elements | ||
| Roofing |
Asphalt shingles, standing seam
metal | |
| Rake and Eave | Composite wood, wood | |
| Cornice | Composite wood, wood | |
| Brackets |
Composite wood, wood,
fiberglass | |
| Gutter | Metal half-round, metal box | |
| Windows, Bay Windows, and Entry Doors | ||
| Trim or Surround |
Metal, composite wood, wood,
fiber cement | |
| Entry Door |
Metal, wood, aluminum, fiberglass,
composite | |
| Window Frames |
Wood, aluminum-clad wood,
aluminum, fiberglass | |
| Glazing |
Clear glass; shall not be tinted,
mirrored, or colored | |
| Balconies | ||
| See Subsection 13 (Balconies) for allowed materials. | ||
| Porches | ||
| Columns | Composite wood, wood, metal | |
| Railing | Composite wood, wood, metal | |
| Storefronts | ||
| Columns |
Composite wood, wood,
fiberglass, metal | |
| Storefront Base |
Sheet metal, wood panels, brick,
fiber cement | |
(Ord. No. 04-23 N.S., § I(Exh. A), 4-18-2023)
General note: The images above and the descriptions in Subsections 1 and 2 below are intended to provide a brief overview of the architectural style and are descriptive, not regulatory.
| 1. Description of Style | 2. Typical Characteristics | |
|---|---|---|
| Main Street Classical style buildings combine influences from late 19th century Classical Revival and pre-war American main street architecture. With brick as a primary facade material, facades have a tripartite composition and often introduce ornament in a prominent cornice. | Symmetrical facade composition with proportions that imply load-bearing masonry structure | |
| Prominent cornice with classical detailing and parapet or pedimented roof forms | ||
| Regular pattern of vertically proportioned openings | ||
| Brick and stucco as primary facade materials | ||
| 3. Wall | ||
| Stucco control joints shall align with edges of openings. | ||
| See Subsection 16 (Materials) for materials standards. | ||
| 5. Building Roof | |
| Form | |
| Roof type | Flat |
| 6. Rake | |
| Because this style does not allow sloped roofs, rake is not regulated. For wall-roof junction standards, see Subsection 8 (Parapet). | |
| 7. Eave | |
| Because this style does not allow sloped roofs, eave is not regulated. For wall-roof junction standards, see Subsection 8 (Parapet). | |
| 10. Bay Windows (Continued) | ||
| Bay returns into building cornice (bay never projects above the building cornice). | ||
| Additional Standards | ||
| Bay depth not allowed to project beyond cornice depth. | ||
| Bay form shall be continuous. | ||
| Continuous horizontal articulation on building shall wrap bay form. | ||
| 11. Dormers | ||
| Because this style does not allow sloped roofs, dormers shall not be used. | ||
| 16. Materials | ||
| Element | Allowed Materials | |
| Wall | ||
| Wall Cladding | Brick, stucco | |
| Base | ||
| Base or Foundation | Brick, stone | |
| Windows, Bay Windows, and Entry Doors | ||
| Lintel | Stone, concrete | |
| Entry Door |
Wood, aluminum-clad wood,
aluminum | |
| Window Frames |
Wood, aluminum clad wood,
aluminum, fiberglass | |
| Glazing |
Clear glass; shall not be tinted,
mirrored, or colored | |
| Balconies | ||
| See Subsection 13 (Balconies) for allowed materials. | ||
| Porches | ||
| Columns |
Composite wood, wood, cast
stone, metal | |
| Railing | Composite wood, wood, metal | |
| Storefronts | ||
| Storefront | Composite wood, wood, metal | |
| Storefront Base |
Wood panels, brick, stone tile,
fiber cement | |
(Ord. No. 04-23 N.S., § I(Exh. A), 4-18-2023)
General note: The images above and the descriptions in Subsections 1 and 2 below are intended to provide a brief overview of the architectural style and are descriptive, not regulatory.
| 1. Description of Style | 2. Typical Characteristics | |
|---|---|---|
| Spanish Revival style buildings in Richmond draw from Spanish Colonial and Pueblo influences. These buildings combine austere wall planes with punched, recessed openings for windows. | Low-pitched gabled or hipped roofs clad in red tile with open eaves | |
| Flat, rectilinear wall plane with vertically proportioned punched openings without trim | ||
| Stucco as primary facade material with stucco or wood attached elements | ||
| 3. Wall | ||
| Stucco control joints shall align with edges of openings. | ||
| See Subsection 16 (Materials) for materials standards. | ||
| 4. Base | ||
| None required | ||
| 5. Building Roof | ||
| Building Roof | ||
| Standards | Sloped Roof | Flat Roof |
| Roof Form | ||
| Pitch |
4:12 min.;
6:12 max. | N/A |
| Applicable Subsections | ||
| 6. Rake | A | N/A |
| 7. Eave | A | N/A |
| 8. Parapet | N/A | A |
| 6. Rake | ||
| No specialized rake profile. | ||
| Key A = Applicable N/A = Not Applicable | ||
| 12. Residential Entry Doors | ||
| Door | ||
| Number of Panels | 2 min. | |
| Surround | ||
| None required | ||
| Additional Elements | ||
| Transom | Allowed | |
| Pediment | Not allowed | |
| 16. Materials | ||
| Element | Allowed Materials | |
| Wall | ||
| Wall Cladding | Stucco | |
| Roof and Roof Elements | ||
| Roofing | Terracotta clay barrel tiles | |
| Rake and Eave | Wood, composite wood, stucco | |
| Cornice | Wood, composite wood, stucco | |
| Brackets |
Composite wood, wood, or
fiberglass | |
| Gutter | Metal half-round | |
| Windows, Bay Windows, and Entry Doors | ||
| Entry Door |
Wood, aluminum, fiberglass,
composite | |
| Window Frames |
Wood, aluminum-clad wood,
aluminum, fiberglass | |
| Sill | Stucco, cast stone | |
| Glazing |
Clear glass; shall not be tinted,
mirrored, or colored | |
| Balconies | ||
| See Subsection 13 (Balconies) for allowed materials. | ||
| Porches | ||
| Columns |
Composite wood, wood,
fiberglass, metal | |
| Railing | Wood, wrought iron | |
| Storefronts | ||
| Storefront | Composite wood, wood, metal | |
| Storefront Base | Stucco, tile | |
(Ord. No. 04-23 N.S., § I(Exh. A), 4-18-2023)
General note: The images above and the descriptions in Subsections 1 and 2 below are intended to provide a brief overview of the architectural style and are descriptive, not regulatory.
| 1. Description of Style | 2. Typical Characteristics | |
|---|---|---|
| Victorian style buildings combine elements of 19th century rural farmhouse vernacular with more formal "high Victorian" examples. | Simple, rectilinear forms articulated with a regular pattern of openings | |
| Vertically proportioned elements, including steeply pitched roofs, projecting gable ends, and tall cornices and parapets | ||
| Vertically proportioned windows, angled or boxed bays, and picture windows | ||
| Siding or stucco with shingled elements | ||
| 16. Materials | ||
| Element | Allowed Materials | |
| Wall | ||
| Wall Cladding | ||
| Sloped roof building |
Shingle and lap siding: composite
wood, wood, fiber cement | |
| Flat roof building |
Shingle and lap siding: composite
wood, wood, fiber cement; and stucco | |
| Base | ||
| Base or Foundation |
Brick, concrete, stone, stucco,
composite wood, wood, fiber cement | |
| Roof and Roof Elements | ||
| Roofing |
Asphalt shingles, wood shingles,
standing seam metal | |
| Rake and Eave | Composite wood, wood | |
| Cornice | Composite wood, wood | |
| Brackets |
Composite wood, wood,
fiberglass | |
| Gutter | Metal ogee or half-round | |
| Windows, Bay Windows, and Entry Doors | ||
| Trim or Surround |
Composite wood, wood, fiber
cement | |
| Entry Door |
Wood, aluminum, fiberglass,
composite | |
| Window Frames |
Wood, aluminum clad wood,
aluminum, fiberglass | |
| Glazing |
Clear glass; shall not be tinted,
mirrored, or colored | |
| Balconies | ||
| See Subsection 13 (Balconies) for allowed materials. | ||
| Porches | ||
| Columns |
Composite wood, wood,
fiberglass, metal | |
| Railing | Composite wood, wood, metal | |
| Storefronts | ||
| Storefront | Composite wood, wood, metal | |
| Storefront Base |
Wood panels, brick, tile, fiber
cement | |
(Ord. No. 04-23 N.S., § I(Exh. A), 4-18-2023)
The purpose of this Article is to generate a walkable environment through the establishment of new blocks and thoroughfares and to provide a set of civic space types and their associated standards to use within the transect zones.
The standards established in this Article shall apply to all proposed development within the transect zones exceeding two acres in total area and under common ownership as follows in Table 15.04.406.010.A (Applicability of Standards), and shall be considered in combination with the standards found within Article 15.04.402 (Transect Zones), Article 15.04.403 (Building Types), and Article 15.04.404 (Frontage Types).
| Table 15.04.406.010.A: Applicability of Standards | ||
| Lot Size | ||
| Applicable Standards for Large Sites | 2-5 acres | > 5 acres |
| Design Sites 15.04.406.020 | Comply | Comply |
| Thoroughfares, Blocks, and Connectivity 15.04.406.030 | Comply | Comply |
| Mix and Design of Civic and Open Spaces 15.04.406.040 | Comply | |
| Mix of Building Types 15.04.406.050 | Comply | Comply |
| Intersections 15.04.406.060 | Comply | Comply |
| Pedestrian Crossings 15.04.406.070 | Comply | Comply |
| Bicycle Facilities 15.04.406.080 | Comply | Comply |
| Thoroughfare Assemblies 15.04.406.090 | Comply | Comply |
(Ord. No. 04-23 N.S., § I(Exh. A), 4-18-2023)
Design Sites may be used as an alternative to subdivision for large lots to demonstrate how the lot could be divided into multiple smaller lots that are not required to be recorded as new parcels. Each design site must satisfy dimensional standards, as well as all other standards in the appropriate Transect Zone; see Article 15.04.402 (Transect Zones). Standards may not be satisfied for one Design Site on adjacent Design Sites. The diagram in this Section illustrates how a large site could be divided using Design Sites.
Example of Multiple Design Sites on an Existing Parcel
(Ord. No. 04-23 N.S., § I(Exh. A), 4-18-2023)
A.
Thoroughfares. Thoroughfares define the public streets that refine pedestrian sheds into walkable environments. Care should be taken in the layout and sizing of thoroughfares, as wide thoroughfares and a lack of connectivity reduce the pedestrian friendliness of the area.
1.
Design.
a.
Thoroughfares that pass from one transect zone to another shall adjust their cross section design to match the character of the transect zone. For example, while a thoroughfare within an urban transect zone with retail shops may have wide sidewalks with trees in tree grates, it may transition to a narrower sidewalk with a planting strip within a less urban transect zone with various residential building types.
b.
The thoroughfare network shall be mapped on a regulating plan and shall indicate the layout of thoroughfares and the block network according to standards in Subsection 15.04.406.030.B.
c.
Thoroughfares shall terminate on/connect to other thoroughfares. Thoroughfares shall not terminate on alleys and lanes.
2.
External Connectivity.
a.
The arrangement of thoroughfares in a development shall provide for the alignment and continuation of existing or proposed thoroughfares into adjoining lands in those cases in which the adjoining lands are undeveloped and intended for future development or in which the adjoining lands are developed and include opportunities for such connections.
b.
Thoroughfare rights-of-way shall be extended to or along adjoining property boundaries such that a thoroughfare connection or stub shall be provided for development:
(1)
Consistent with the minimum block length as defined in Subsection 15.04.406.030.B;
(2)
Consistent with required connections indicated in Figure 15.04.406.030.A.
3.
Dead-End Streets and Cul-de-Sacs. Dead-end streets and cul-de-sacs shall not be included in plans. Cul-de-sacs may be approved by the Director to accommodate a site specific environmental feature requiring protection and/or preservation only. Cul-de-sacs approved by the Director shall meet the following standards:
a.
Permanent dead-end streets shall be no longer than 300 feet and shall be provided with a cul-de-sac;
b.
Temporary dead-end streets shall be provided with a temporary turnaround area which shall be designed considering traffic usage, maintenance, and removal;
c.
Cul-de-sacs shall have a minimum right-of-way radius of 50 feet and a paved circular area with a minimum radius of 40 feet;
d.
Cul-de-sacs shall contain a central planted median; and
e.
Whenever cul-de-sac thoroughfares are created, at least one pedestrian access easement shall be provided, to the extent practicable, between each cul-de-sac head or street turnaround and the sidewalk system of the closest adjacent street or pedestrian pathway. The access easement shall be direct with a minimum width of 12 feet.
B.
Block Size.
1.
Individual block faces and the total block perimeter shall follow the standards established in Table 15.04.406.030.A (Block Size) below. If a block contains multiple transect zones, the most intense transect zone shall be used to establish the standards for block size.
2.
Blocks should be a minimum width, such that two tiers of developable lots are provided.
| Table 15.04.406.030.A: Block Size | ||
| Block | ||
| Transect Zone | Face Length | Perimeter Length |
| T4 | 600 ft. max. | 2,000 ft. max. |
| T5MS/T5N-55 | 600 ft. max. | 1,800 ft. max. |
| T5C/T5N-135 | 500 ft. max | 1,600 ft max. |
(Ord. No. 04-23 N.S., § I(Exh. A), 4-18-2023)
A.
The standards established in this Article provide the transect zones with a diverse palette of parks and other publicly accessible civic spaces, publicly or privately owned, that are essential components of walkable urban environments.
B.
There are multiple civic space types defined in Table 15.04.406.040.A (Civic Space Type Standards). Two of the civic space types, Playgrounds and Community Gardens, may be incorporated into any of the other types or may stand alone.
C.
In Table 15.04.406.040.A (Civic Space Type Standards), the illustration and description of each civic space type are illustrative in nature and not regulatory.
D.
The service area, size, frontage and disposition of elements standards of each civic space type are regulatory.
1.
Service Area. Describes how the civic space relates to the City as a whole and the area that will be served by the civic space.
2.
Size. The overall range of allowed sizes of the civic space.
3.
Frontage. The relationship along property lines of a civic space to adjacent buildings or lots.
a.
The front of the lots attached to or across a thoroughfare from a civic space should face on to the civic space to the maximum extent possible.
b.
Building. Lots that are attached to or across a thoroughfare from a civic space listed as having a "Building" frontage shall have the front of the lot facing on to the civic space for a minimum of three quarters of the civic space perimeter.
c.
Independent. Lots that are attached to or across a thoroughfare from a civic space listed as having an "Independent" frontage may have the front, side street, or rear of the lot facing on to the civic space.
4.
Disposition of Elements. The placement of objects within the civic space.
a.
Natural. Civic spaces with natural character are designed in a natural manner with no formal arrangement of elements.
b.
Formal. Civic spaces with a formal character have a more rigid layout that follows geometric forms and has trees and other elements arranged in formal patterns.
c.
Informal. Civic spaces with an informal character have a mix of formal and natural characteristics.
E.
Typical Facilities. A list of the typical facilities found within the civic space. This list is not intended to be a complete list of facilities allowed nor is it intended that every civic space would contain each of the facilities listed. Facilities larger than the indicated gross square footage (gsf) require review and approval by the Director and Parks Director.
F.
The civic spaces specified in Table 15.04.406.040.A (Civic Space Type Standards) are allowed By Right or By Review in the designated transect zones. Civic Space allowed By Review are allowed if approved by the Director and Parks Director.
G.
Civic spaces shall not be fenced or enclosed and shall have at least one edge open to a street or right-of-way. Edges not abutting a street or right-of-way shall be defined by building frontage consistent with the standard for "BTL Defined by a Building, Front" in applicable zones in 15.04.402 (Transect Zones).
(Ord. No. 04-23 N.S., § I(Exh. A), 4-18-2023)
A.
A mix of building types introduces variety into the character of neighborhoods. Blocks shall provide a diversity of residential and mixed-use building types in a manner that fulfills the intent of each transect zone as described in Article 15.04.402 (Transect Zones) and the following formulas below. In the event that blocks are composed of more than one transect zone, the minimum mixing requirement of the most intense transect zone shall apply across the block.
B.
T4 Neighborhood. Blocks within the T4N Transect Zones are intended to provide a mix of detached house, duplex and multi-unit types. See Section 15.04.402.020 (T4 Neighborhood) for the allowed building types in T4N.
1.
Blocks within the T4N Transect Zones shall provide a minimum of two distinct building types per block.
2.
No more than 50 percent of the residential units on a block shall be located within Detached House, Cottage, or Duplex building types.
C.
T4 Main Street, T5 Neighborhood, and T5 Main Street. Blocks within the T4MS, T5N, or T5MS Transect Zone are intended to provide the greatest diversity of building types. See Section 15.04.402.030 (T4 Main Street), Section 15.04.402.040 (T5 Neighborhood) and Section 15.04.402.050 (T5 Main Street) for the allowed building types in T4MS, T5N, and T5MS.
1.
Blocks within the T4MS, T5N, or T5MS Transect Zones shall provide a minimum of three distinct building types per block.
2.
No more than 50% of the residential units on a block shall be located within Detached House, Cottage, or Duplex building types.
D.
T5 Core. Blocks within the T5C Transect Zone are intended to be composed of attached building types and shall have no minimum mixing requirement. See Section 15.04.402.060 (T5 Core) for the allowed building types in T5C.
(Ord. No. 04-23 N.S., § I(Exh. A), 4-18-2023)
A.
Street design of narrow streets and compact intersections requires designers to pay close attention to the operational needs of transit, fire and rescue, waste collection and delivery trucks. For this reason, early coordination with transit, fire and rescue, waste collection and other stakeholder groups is essential.
B.
More regular encroachment of turning vehicles into opposing lanes will occur at compact intersections. Therefore, frequency of access, traffic volumes and the speeds on intersecting streets at those intersections shall be considered when designing intersections. For fire and rescue, determination of the importance of that street for community access should be determined, e.g. primary or secondary access.
C.
The designer should use turning templates or software to evaluate intersections to ensure that adequate operation of vehicles can occur. Location of on-street parking around intersections should be evaluated during this analysis to identify potential conflicts between turning vehicles and on-street parking. Bike lanes and on-street parking will increase the effective curb return radius, when curb extensions are not employed, by providing more room for the wheel tracking of turning vehicles.
D.
Roundabouts should be considered as an alternative to traffic signals. Roundabouts can provide reduced vehicle speeds, reduced conflict points, separation of vehicle-vehicle conflict points from vehicle-pedestrian conflict points, and provide a two-step crossing for pedestrians. At multi-lane roundabouts, benefits for bicyclists and pedestrians are greatly diminished due to multiple-threat scenarios and bicycle weaving and additional considerations are necessary, including installing a traffic signal or pedestrian hybrid beacons at crosswalks." Roundabouts: An Informational Guide (FHWA) continues to provide the current best practice guidance on roundabout design, including bicycle and pedestrian accommodation.
(Ord. No. 04-23 N.S., § I(Exh. A), 4-18-2023)
A.
Directional Curb Ramps. Perpendicular corner curb ramps with a separate ramp installed in each direction shall be used where feasible instead of single, diagonal corner ramps.
B.
Crosswalks. Crosswalks shall be designed per the Crosswalk Policy in the Pedestrian Plan.
C.
Medians. Medians, where provided, shall provide a median refuge at the intersection designed per the standards in the diagram below.
D.
Mid-block crossings, where provided, shall have mid-block curb extensions per the standards in the diagram below.
E.
On thoroughfares with medians, provided mid-block crossings between the median and curbs shall be offset from one another per the diagram below.
(Ord. No. 04-23 N.S., § I(Exh. A), 4-18-2023)
A.
Bicycle Master Plan and Pedestrian Plan.
1.
Thoroughfares shall be designed to support the goals, policies, and recommendations within the Bicycle Master Plan and Pedestrian Plan.
2.
The Bicycle Network. Bicycle facilities shall be located per the proposed bicycle network in the Bicycle Master Plan.
3.
Should a conflict arise between the standards in this Article and the Bicycle Master Plan or Pedestrian Plan, the standards in this Article shall take precedence unless the Director determines otherwise.
B.
WCCTAC Transit Wayfinding Plan. Bicycle and pedestrian wayfinding shall be implemented per the WCCTAC Wayfinding Signage Program.
C.
Predefined thoroughfare assemblies found in Section 15.04.406.100 (Thoroughfare Assemblies) are allowed By Right.
D.
Thoroughfares that do not meet the standards in items A, B or C above are not allowed in any transect zones.
(Ord. No. 04-23 N.S., § I(Exh. A), 4-18-2023)
A.
This Section provides thoroughfare assemblies that have been approved by the City for use in transect zones.
B.
The tables in this Section are added into the City of Richmond Standard Plans.
| Table 15.04.406.100.A: Thoroughfare Assemblies | |||||||||
| Thoroughfare Assembly CS-100-60 | |||||||||
| Table 15.04.406.100.A: Thoroughfare Assemblies (continued) | |||||||||
| Thoroughfare Assembly CS-60-36 | |||||||||
| Table 15.04.406.100.A: Thoroughfare Assemblies (continued) | |||||||||
| Thoroughfare Assembly CS-72-48-BL | |||||||||
| Table 15.04.406.100.A: Thoroughfare Assemblies (continued) | |||||||||
| Thoroughfare Assembly ST-60-32 | |||||||||
| Table 15.04.406.100.A: Thoroughfare Assemblies (continued) | |||||||||
| Thoroughfare Assembly ST-60-36 | |||||||||
| Table 15.04.406.100.A: Thoroughfare Assemblies (continued) | |||||||||
| Thoroughfare Assembly ST-72-48-BL | |||||||||
| Table 15.04.406.100.A: Thoroughfare Assemblies (continued) | |||||||||
| Thoroughfare Assembly ST-40-28 | |||||||||
| Table 15.04.406.100.A: Thoroughfare Assemblies (continued) | |||||||||
| Thoroughfare Assembly RL-20-14 | |||||||||
| Table 15.04.406.100.A: Thoroughfare Assemblies (continued) | |||||||||
| Thoroughfare Assembly RA-24-21 | |||||||||
| Table 15.04.406.100.A: Thoroughfare Assemblies (continued) | |||||||||
| Thoroughfare Assembly PS-20-20 | |||||||||
| Lane Assembly | ||
| Traffic Lanes | None | |
| Bicycle Lanes | None | |
| Parking Lanes | None | |
| Medians | None | |
| Public Frontage Assembly | ||
| Frontage Type | Street | |
| Drainage Collection Type | Valley gutter or sheet flow | |
| Planter Type | Continuous planter | |
| Landscape Type | None | |
| Lighting Type | Post or column | |
| Walkway Type | 20' pavers | |
| Curb Type | None | |
| Table 15.04.406.100.A: Thoroughfare Assemblies (continued) | |||||||||
| Thoroughfare Assembly PS-20-30 | |||||||||
(Ord. No. 04-23 N.S., § I(Exh. A), 4-18-2023)





















































































































































