- FORM BASED CODE
The following document shall be known as the City of Wyoming Form Based Code.
A.
The City of Wyoming Form Based Code is intended to support redevelopment in designated Form Based Code Areas in the City of Wyoming through the establishment of building type standards, frontage type standards, and thoroughfare guidelines. The purpose of the Form Based Code is to create a compact, transit-oriented development pattern that fosters multi-modal corridors, mixed-uses, and a diversity of residential development. Designated Form Based Code Areas are depicted in the City of Wyoming Zoning Map (located in chapter 90 of the City Zoning Ordinance) and include the following:
1.
28th Street Corridor. Redevelopment within the 28th Street corridor between Clyde Park and Burlingame Avenues shall adhere to the provisions, standards, and guidelines established in this Form Based Code in order to support the vision set forth in the Turn On 28th Street Corridor Sub Area Plan (an amendment to the City of Wyoming Master Plan, adopted in January 2012) and the City of Wyoming Land Use Plan.
2.
Division Avenue Corridor. Redevelopment within the Division Avenue Corridor between Alger Street and 60th Street shall adhere to the provisions, standards, and guidelines established in this Form Based Code in order to support the goals of the City of Wyoming Land Use Plan, the tenants of Transit-Oriented Development (TOD), and the goals of the Rapid's Bus Rapid Transit (BRT) system (also known as the Silver Line).
3.
Burton Street Corridor. Redevelopment within the Burton Street Corridor between Burlingame Avenue and Clyde Park Avenue shall adhere to the provision, standards, and guidelines established in this Form Based Code in order to support the goals of the City of Wyoming Land Use plan.
B.
The City of Wyoming Form Based Code is a legal document regulating building types and frontage types, and guidelines for thoroughfare types wherever its Context Areas are applied. It shall do so in conjunction with the municipal Zoning Ordinance for areas zoned Form Based Code (FBC) on the zoning map, by regulating land development to ensure a compact, urban form.
The City of Wyoming Form Based Code is a mandatory code that applies to all new development and redevelopment within the boundaries of the Zoning Map or other locations within the municipality where the applicable Context Areas have been applied as outlined in 90-1200, applicability.
For the 28th Street corridor, the boundaries generally include all lands that abut 28th Street from Clyde Park Avenue west to Burlingame Avenue.
For the Division Avenue corridor, the boundaries generally include all lands that abut Division Avenue from Alger Street south to 60th Street.
For the Burton Street corridor, the boundaries generally include all lands that abut Burton Street from Burlingame Avenue to Clyde Park Avenue.
Within the City of Wyoming Zoning Ordinance, properties zoned and thus regulated by the City of Wyoming Form Based Code are within the Form Based Code (FBC) districts. This district directs property owners and applicants to this Code for development standards. Wherever there appears to be a conflict between the City of Wyoming Form Based Code and other sections of the City's Zoning Ordinance (as applied to particular development within the FBC districts), the requirements specifically set forth in the Form Based Code shall prevail.
For development standards not covered by the City of Wyoming Form Based Code, the other applicable sections in the municipal Zoning Ordinance shall apply. All development shall also comply with all other local, state or federal regulations and ordinances.
Throughout this Form Based Code, photographs are used for illustrative purposes only.
The City of Wyoming Form Based Code shall apply to development within the boundaries of the Form Based Code Zoning Map. Development shall include the following:
a)
New development.
b)
Modifications to existing buildings:
1)
Increasing or decreasing a building footprint by 25 percent or greater in area or when the cost of the addition is greater than or equal to 50 percent of the current assessed value of the building or structure. Phased construction to avoid compliance with this standard or breaking up construction such that the thresholds are avoided shall be prohibited.
2)
Reducing the building façade by more than 50 percent in terms of the amount of transparency. Phased construction to avoid compliance with this standard or breaking up construction such that the 50 percent threshold is avoided shall be prohibited.
c)
Any change in land use substantially impacting parking requirements, as determined by the City Planner:
1)
The planning commission may, at the request of the applicant, waive the applicability of this Code upon a finding that adhering to the Code would place undue hardship on the applicant.
(Ord. No. 8-25, § 6, 7-7-25)
(a)
Full site plan/sketch plan. To expedite the development process, development within the City of Wyoming Form Based Code that complies with the provisions of this Code shall require full site plan or sketch plan review and approval by the city's planner or chief building official.
(1)
Table 90-502 in the City of Wyoming Zoning Ordinance shall govern the type of submittal required, being either a full site plan or sketch plan.
(2)
Review and approval shall be conducted by the city's chief building official for single-family detached dwellings and modifications to comply with accessibility requirements.
(3)
All other development activities outlined in Table 90-502 shall require review and approval of the city's planner.
(b)
Full site plan/sketch plan review procedures and requirements. Full site plan/sketch plan submittal and review shall follow the processes set forth in sections 90-503 through 90-506 of the City of Wyoming Zoning Ordinance. Full site plan/sketch plan required data shall adhere to Table 90-504 of the City of Wyoming Zoning Ordinance, unless waived or required by the city's planner per section 90-504.
(c)
Planning commission review. Full site plan review by the planning commission shall be required for any special land use or specific development plan. Review standards are included in section 90-505 of the City of Wyoming Zoning Ordinance. Special land use standards specific to special uses regulated in this Form Based Code are included in Article 2, section F.
(d)
Specific development plan. A specific development plan is intended to allow applicants development flexibility to address market conditions and opportunities, including the master planning of large lots exceeding the maximum block dimensions as outlined in division 5, as well as the consolidation of multiple properties to create predictable and market responsive development for the area. Specific development plans shall be required for any major departure as outlined in this division 2, section 90-1203.
(1)
Specific development plan requirements: A specific development plan shall include a full site plan and required data as outlined in Table 90-504.
(2)
Additional requirements include: A plan depicting the proposed context areas for the subject site(s) if major departures from the context area boundaries are requested, and thoroughfare guidelines.
(3)
Public hearing: The applicant and/or planning commission may request a public hearing for a specific development plan. A public hearing, pursuant to the Michigan Zoning Enabling Act, shall be required for a major departure of context area boundary.
(4)
Planning commission action: The planning commission shall review and approve, with or without conditions, the full site plan upon the following findings:
i.
The zoning districts provide a seamless transition from adjacent, existing districts and uses to the proposed subject site(s).
ii.
Internal circulation and layout of lots fosters a walkable, urban area by adhering to the maximum block lengths as outlined in division 5.
iii.
Roadways are interconnected and provide safe areas for walking and biking.
(a)
Special land uses. As per division 4 of the City of Wyoming Form Based Code, certain uses require special land use review and approval by the planning commission. The special land use review and approval process shall adhere to section 90-507 of the City of Wyoming Zoning Ordinance. Specific standards for special land uses are determined by context area and use, see section 90-508 of the City of Wyoming Zoning Ordinance.
(a)
Minor departures. The city planner may, at the request of an applicant, waiver certain minor building type standards, frontage type standards, and zoning district standards as outlined in Table 90-1203a.
(b)
Major departures. The planning commission may, at the request of the city planner or applicant, waive certain major building type standards or frontage type standards if it finds that the changes are major based on size, scope, and location of the existing or proposed building. Table 90-1203b provides a summary of major departures. Note that changes other than minor changes to the zoning district map shall require a full site plan/sketch plan.
(c)
Findings for code departures. The applicable reviewing body shall find that a departures to the Form Based Code:
(1)
Does not materially change the circulation and building location on the site;
(2)
Does not alter the relationship between the buildings and the street;
(3)
Does not allow a use not otherwise permitted in this Form Based Code; and
(4)
The departure is the minimum required necessary to meet the intent of the Form Based Code.
(a)
City of Wyoming.
(1)
Adoption date. The City of Wyoming Form Based Code was adopted at a regular meeting of the Wyoming City Commission on December 16, 2013.
(2)
Amendment date. The City of Wyoming Form Based Code was amended at a regular meeting of the Wyoming City Commission on August 1, 2016 (to include properties along Division Avenue).
(3)
Amendment date. The City of Wyoming Form Based Code was amended at a regular meeting of the Wyoming City Commission on June 4, 2018 (to include properties along Burton Street).
Division 3 identifies provisions that are general to all City of Wyoming Form Based Code Context Areas.
Each context area established in this code shall meet the requirements of division 3. If there is a conflict between this division and the individual requirements of the context area, building type standards or frontage type standards, the requirements of the context areas, building type standards or frontage types standards shall govern.
(a)
Purpose and intent. The planning commission may grant zoning incentives to applicants to encourage the provision of certain community benefits or amenities that are in compliance with City of Wyoming Land Use Plan.
(b)
Incentives restricted to added benefits. Incentives shall be granted only when the community benefits or amenities offered would not otherwise be required or likely to result from the planning process.
(c)
Incentives permitted. The planning commission may grant the following incentives:
(1)
CC Corridor Central Context Area: Building height may be increased up to one additional story.
(2)
CU Corridor Urban Context Area: Building height may be increased up to one additional story, except when within the building height transition zone per section 90-1309.
(3)
Building height increase bonuses shall require a site plan review and approval through the planning commission.
(4)
The planning commission reserves the right to determine the extent of the increase in height, up to the maximum bonus allowed, based on the extent of the benefit provided.
(d)
Civic space benefit. An increase in building height may be granted for the creation of dedicated civic space, including gateway enhancements along the Crescent Street, Division Avenue, or Burton Street. Civic space shall meet one of the following requirements to be considered for an incentive:
(1)
Civic space shall be in the form of plazas, squares, greens or parks that are consistent with the City of Wyoming Land Use Plan.
(2)
Civic space may also be in the form of plazas, squares, greens or parks that are not indicated in the City of Wyoming Land Use Plan, but that meet the vision and intent of the plan.
(3)
Civic space shall meet the requirements of division 3 general provision for landscaping and lighting and division 10 signage.
(e)
Parking structure benefit. An increase in building height may be granted for projects that incorporate parking structures as part of the development. Parking structures shall meet the following requirements to be considered for an incentive:
(1)
The parking structures shall meet the requirements of division 9 parking standards.
(2)
The parking structures shall provide a minimum of 50 percent of its parking spaces as parking available to the public at market rate.
(3)
The parking structures shall provide bicycle amenities including bike racks and/or bike lockers that are easily accessed from the public right-of-way.
(a)
The following architectural elements may project into required setbacks, beyond required build-to-zones or into the public right-of-way as indicated below. For encroachments into the public right-of-way, an encroachment permit shall be obtained from the applicable city department(s).
(1)
Balconies. A balcony with a minimum ground clearance of 12 feet above adjacent grade may extend six feet maximum from the exterior wall of the building.
(2)
Awnings and canopies. An awning or canopy with a minimum ground clearance of eight feet above adjacent grade may extend five feet maximum from the exterior wall of the building.
(3)
Eaves. Building eaves with a minimum ground clearance of 12 feet above adjacent grade may extend two feet maximum from the exterior wall of the building.
(4)
Cornice. Building cornices with a minimum ground clearance of 12 feet above adjacent grade may extend up to a two-foot maximum from the exterior wall of the building.
(5)
Bay windows. Bay windows with a minimum ground clearance of 12 feet above adjacent grade may extend three feet maximum from the exterior wall of the building.
(6)
Projecting signs. Projecting signs with a minimum ground clearance of eight feet above adjacent grade may extend three feet maximum from the exterior wall of the building.
(b)
Unenclosed porches, stoops, wells and steps may project into required setbacks and beyond required build-to-zones as indicated below. Unenclosed porches, stoops, wells and steps shall not project into the public right-of-way.
(1)
Along principal frontage lines: Unenclosed porches, stoops and wells (not including steps) may project into the front yard or front build-to-zone by no more than ten feet, but shall be no closer than five feet to the principal frontage line. Steps may completely encroach into the front yard or front build-to-zone but shall not extend beyond the principal frontage line.
(2)
Along secondary frontage lines: Unenclosed porches, stoops, wells and steps may project into the side yard or side build-to-zone provided that they are not closer than three feet to the secondary frontage line.
(3)
Along any side or rear non-frontage property line: Unenclosed porches, stoops, wells and steps may project into the side or rear yard setback areas by no more than three feet.
(4)
Walls and fences may project into setbacks or yards as allowed in division 8, landscaping/lighting.
(a)
Building heights shall be measured in number of stories.
(b)
Story height shall be measured from floor to ceiling for each floor of a building as indicated by specific building type.
(c)
Attics and basements are not counted as stories.
(d)
Overall building height (in feet) shall be measured as the vertical distance from the established grade to the highest point of the roof for flat roofs, to the deck line for mansard roofs, and to the mean height for gable, hip, gambrel and A-frame roofs.
(a)
Outdoor seating shall be permitted with the following building types:
(1)
Mixed use building.
(2)
Retail building.
(3)
Zero lot line retail building.
(4)
Live/work building.
(5)
Civic building.
(b)
Outdoor seating shall require sketch plan review and approval by the city planner.
(c)
A minimum pedestrian clear space of five feet shall be provided at all times.
(d)
Trash receptacles related to the outdoor seating area shall be maintained and shall be removed from the public right-of-way during non-business hours.
(e)
Outdoor dining areas shall be designed so as to be architecturally compatible with existing structures on the site.
(f)
If located on public property or within the public right-of-way, an encroachment permit shall be required. Such permit shall be obtained through the applicable city department(s).
Facade Transparency requirements for building elevations facing principal and secondary frontage lines are indicated as a percentage of clear glass to solid wall in Division 6 Building Type Standards and Division 7 Private Frontage Type Standards. Transparency shall be subject to the following requirements:
(a)
Clear glass. Only clear or lightly tinted glass in windows, doors and display windows shall be shall considered transparent.
(b)
Calculation. The calculation of the percentage of transparency shall include only the glass within the windows, doors and display windows.
(c)
Reflective surfaces. The use of highly reflective surfaces, including reflective glass and mirrors is prohibited on the ground floor.
(d)
Security shutters. Exterior steel barriers, hurricane curtains and other security devices are not permitted on the exterior of the building. If they are located in the interior of the building, they may not be visible from the sidewalk or public right-of-way during business hours.
(e)
Obstructions. Interior display shelves, merchandise, corridor walls, or any other objects or structures are not permitted to block or obscure clear views into or out of the building's principal activity floor area at windows, doors or display windows that are included as part of the required transparency.
(f)
Stairwells. Where stairwells are introduced to the outer building wall of a building, the exterior of the stairwell and exit door shall be at least 70 percent transparent.
Civic buildings are not required to meet the building type standards or private frontage standards of the City of Wyoming Form Based Code. Civic buildings are structures that contain uses of special public importance including, but not limited to municipal buildings, churches, libraries and schools.
All rooftop mechanical, communication, and similar devices shall be screened from view of adjacent properties and streets. Screening shall be so designed as to be an integral part of the building. The screening material shall match the building's material and color or be another material or color that is compatible with the building exterior.
There shall be a minimum 25-foot building setback from existing R-2 residential zoning districts as measured from the lot line to any proposed exterior building wall as indicated on Map 90-1309.
There shall be a building height transition area (Refer to Map 90-1309) for lots located within the corridor urban (CU) and corridor general (CG) context areas abutting existing R-2 residential zoning districts and when abutting the corridor residential (CR) context area. Within the building height transition area, buildings shall be limited to two stories. The building height transition area shall be 140 feet in depth.
Any lawful use of any land or building existing on December 31, 2013 and located in a zoning district in which it would not be permitted as a new use under the regulations of this chapter is hereby declared a nonconforming use and not in violation of this section, subject to the regulations of this Division.
(a)
Nonconforming uses of buildings and structures. Nonconforming uses of buildings and structures in the Form Based Code shall adhere to the provisions of article IX.
(b)
Nonconforming due to building type standards or frontage standards. For buildings and structures that do not conform to the building type standards and/or frontage standards of this Form Based Code, but are otherwise conforming to use, certain relief is provided and such buildings and structures shall be deemed conforming. Alterations, repair, maintenance or other activities requiring building permit shall conform to the provisions of this Form Based Code when such actions meet the applicability provisions contained in division 2, section 90-1200.
(c)
Nonconforming signs. Nonconforming signs shall meet the provisions of section 90-710.
(1)
Nonconforming sign removal incentive. In an effort to encourage the eventual elimination of nonconforming signs, protect public health, safety, and welfare, as well as reduce visual clutter and improve the aesthetics of the area, the following incentive is established to encourage conformance with the division 9. When a non-conforming sign is removed and replaced with a conforming sign per division 9 of the Form Based Code, the applicant shall be eligible for an increase in total sign area not to exceed 20 percent of the permitted sign area of the replacement sign.
(a)
Exterior site lighting, other than flag and decorative lighting, shall be confined to the development site and conform to the following:
(1)
Lamps and luminaries shall be shielded, hooded and/or louvered to provide a glare free area beyond the property line and beyond any public right-of-way, and the light source are not directly visible from beyond the boundary of the site.
(2)
The light from any illumination source shall be designed so that the light intensity or brightness at any property line shall not exceed one foot candle.
(3)
Lighting fixtures shall have 100 percent cut off above the horizontal plane at the lowest part of the point light source. The light rays may not be emitted by the installed fixture at angles above the horizontal plane. No light fixture shall be mounted higher than 25 feet above the average grade of the site.
(4)
There shall be no lighting of a blinking, flashing, or fluttering nature, including changes in light intensity, brightness or color. Beacon and search lights are not permitted.
(5)
No colored lights shall be used at any location or in any manner so as to be confused with or construed as traffic control devices.
(a)
28th Street Greenbelt (Refer to Map 90-1312 at the end of this division). At least one shade tree of a minimum 2.5 inch caliper shall be planted for each 50 feet of street frontage or fraction thereof. Said trees may be grouped or spaced. In addition, at least ten percent of the required greenbelt area must contain trees, shrubbery, flower beds, groundcover, landscape mulch, woodchips, stone and/or other types of landscape materials. However, credit may be obtained for existing, healthy trees and plant material where consistent with the intent of this section. Shrubbery must be planted at least three feet from all sidewalks, drives and parking lots, so as to not infringe upon same.
(b)
Street trees throughout. Deciduous canopy trees are required on all new thoroughfares as indicated in division 8. Canopy trees shall be a minimum of 2.5 inch calliper. Additionally trees planted in raised planters shall have flower beds, ground cover, or other understory landscape materials.
(c)
Installation and maintenance.
(1)
In ground automatic irrigation shall be installed and utilized within the required front yard and secondary front yards for all context areas except CN. Irrigation shall be installed along the entire street frontage either with new developments or with building additions adjacent to the street frontage that exceeds 50 percent of the existing buildings width.
(2)
All landscaping shall be maintained in a healthy, neat and orderly state, free from refuse and debris.
(3)
Plants shall be controlled by pruning, trimming, or other suitable methods so that they do not restrict pedestrian or vehicular access, or constitute a traffic hazard.
(4)
Any dead or diseased plants that were required by site plan approval shall be removed and replaced within one year from the time that the plant dies.
(5)
Trees shown on the site plan shall not be removed, except to replace dead or diseased trees, unless approved as a site plan amendment. Any tree that is removed must be replaced in accordance with the approved site plan. Existing trees marked on the site plan to be preserved that are damaged or lost shall be replaced by at least two trees of similar or better species of at least 2.5 inch caliper if deciduous, or six feet in height if evergreen.
(6)
Trees that shall be retained on a lot or development site shall be located within an area referred to as a tree protection zone, which shall include the area occupied by the critical root zone. The area below the drip line of an existing tree to be saved should remain undisturbed. The drip line is an imaginary vertical line that extends downward from the outermost tips of the tree branches to the ground. The owner/developer shall take all necessary steps to avoid damage or destruction to existing trees to be preserved as shown on the site plan. Tree protection fencing, notes and details shall be shown on the landscape plan.
(a)
Context areas.
(1)
Permanent supportive housing and transitional housing for up to ten individuals are permitted by right in all context areas.
(2)
Permanent supportive housing and transitional housing for more than ten individuals are permitted as a special use in all context areas.
(3)
Emergency shelters are permitted as a special use in all context areas, but must be located within 0.25 mile of a dedicated transit stop or medical office.
(b)
All permanent supportive housing, transitional housing, and emergency shelters shall submit a good neighbor plan to the city planner on an annual basis.
(Ord. No. 1-23, § 12, 2-6-23)
Event centers, convention centers, nightclubs, and other similar uses shall be subject to the following regulations:
(1)
Any use that falls into either of the following categories shall submit a security and crowd management plan to the City Planner and the Department of Public Safety on an annual basis for approval:
a.
A use that exceeds 250 people in assembly or occupant capacity, or
b.
A use that has required responses from public safety personnel on three separate occasions within one year.
(2)
The security and crowd management plan shall include the following overall security provisions:
a.
Building and Property Ingress and Egress Management
b.
Crowd Control Measures
1.
For uses with an outdoor component, the plan shall provide measures to control the sale and consumption of any alcoholic beverages on site.
c.
Emergency Action Plans
d.
Noise Abatement
1.
The plan shall provide noise abatement measures so as to not negatively impact neighboring properties.
e.
Private Security Management
i.
Exterior security cameras shall be provided and shown on the plan.
ii.
Privately-hired security personnel shall be licensed, bonded, and maintain a minimum ratio of 1 guard for every 100 people designated by the building's occupancy, unless otherwise specified by the Department of Public Safety.
(3)
Any substantial change to the use as determined by the City Planner shall require a resubmission of the security and crowd management plan.
(Ord. No. 8-25, § 7, 7-7-25)
Division 4 identifies the Context Areas and Uses established for the City of Wyoming Form Based Code and provides the attributes that are allowed in each Area. These attributes include use, building types, and building height (measured in feet). These Context Areas ensure that proposed development is consistent with the City of Wyoming Land Use Plan.
Each of the Context Areas described in this Division represent a spectrum of development character and intensity, ranging from the most urban intense (Corridor Center District) to the least urban intense (Corridor Neighborhood District). Each Context Area establishes character through its use of Building Types (Division 6) and the associated Private Frontages (Division 7) that can be applied to those Building Types.
Each context area established in the context area map shall meet the standards of this Division. Each context area includes permitted and special uses (if applicable) building types, and building height. Key maps are provided to quickly discern the district location.
The following Context Areas are specified in this Division:
The following standards apply to the corridor urban area:
1.0 Permitted building types:
Refer to division 6 for building type requirements.
A.
Mixed-use building.
B.
Zero lot line retail building.
C.
Civic building.
2.0 Permitted uses:
A.
Refer to Table 90-1406 for land uses permitted in this area for each building type that is permitted in the area that are as follows:
■
Permitted by right (P).
■
Permitted by right, on floors two and above (P$).
■
Permitted by right and only allowed on first floor (P#).
■
Permitted by right in Burton Street Form Based Code Area only (P B ).
■
Permitted by special land use permit (S).
■
Uses indicated with a blank cell are not permitted in this area.
3.0 Building height by context area:
A.
Number of stories for buildings is regulated by context area.
B.
Each building type has requirements for the height (in feet) of building stories. Refer to division 6 for building type standards.
C.
Building height for all buildings except zero lot line retail building.
■
Minimum: None.
■
Maximum, within 28th Street Corridor: 75 feet.
■
Maximum, within Burton Street Corridor: 35 feet.
■
Zero lot line retail building: One story building required.
4.0 Special land uses:
The following are specific standards for special land uses in the CC area. See division 2 for special land use general review and approval procedures and section 90-508 of the City of Wyoming Zoning Ordinance for specific standards for special land uses.
A.
Parking structures. Parking structure entries shall take access from a street, and not an avenue, per division 8, thoroughfare standards.
B.
Secondhand businesses.
C.
Nursery schools, day nurseries, and dependent care facilities for seven or more people.
D.
Convention Center
(Ord. No. 2-23, § 1, 2-6-23; Ord. No. 9-23, § 2, 6-5-23; Ord. No. 12-24, § 6, 11-4-24; Ord. No. 8-25, § 8, 7-7-25)
The following standards apply to the corridor urban area:
1.0 Permitted building types refer to division 6 for building type requirements:
A.
Mixed-use building.
B.
Zero lot line retail building.
C.
Civic building.
2.0 Permitted uses:
A.
Refer to Table 90-1407 for land uses permitted in this area for each building type that is permitted in the area that are as follows:
■
Permitted by right (P)
■
Permitted by right, on floors two and above (P$)
■
Permitted by right and only allowed on first floor (P#)
■
Permitted by Special Land Use Permit (S)
■
Uses indicated with a blank cell are not permitted in this Area.
3.0 Building height by context area:
A.
Number of stories for buildings is regulated by context area.
B.
Each building type has requirements for the height (in feet) of building stories. Refer to division 6 for building type standards.
C.
Building height for all buildings except zero lot line retail building.
■
Minimum: 25 feet.
■
Maximum: 90 feet.
■
Zero lot line retail building: One story building required.
4.0 Special land uses:
The following are specific standards for special land uses in the CU Area. See division 2 for special land use general review and approval procedures and section 90-508 of the City of Wyoming Zoning Ordinance for specific standards for special land uses.
A.
Any use in retail sales of 20,000 square feet or more.
B.
Bowling alley.
C.
Dance hall/nightclub.
D.
Indoor skating rink.
E.
Indoor theater.
F.
Poolhall/billiards.
G.
Secondhand businesses.
H.
Event Center.
I.
Religious or social service assembly.
J.
Convention Center.
(Ord. No. 2-23, § 2, 2-6-23; Ord. No. 12-24, § 7, 11-4-24; Ord. No. 8-25, § 9, 7-7-25)
The following standards apply to the corridor general area:
1.0 Permitted building types refer to division 6 for building type requirements:
A.
Mixed-use building.
B.
Zero lot line retail building.
C.
Retail building.
D.
Live/work building.
E.
Apartment.
F.
Civic building.
2.0 Permitted uses:
A.
Refer to Table 90-1408 for land uses permitted in this area for each building type that is permitted in the area that are as follows:
■
Permitted by right (P).
■
Permitted by right in Division Avenue Form Based Code Area only (P D ).
■
Permitted by right, on floors two and above (P$).
■
Permitted by right and only allowed no first floor (P#).
■
Permitted by special land use permit (S).
■
Permitted by special land use permit in Division Avenue Form Based Code Area only (S D ).
■
Uses indicated with a blank cell are not permitted in this area.
3.0 building height by context area:
A.
Number of stories for buildings is regulated by context area.
B.
Each building type has requirements for the height (in feet) of building stories. Refer to division 6 for building type standards.
C.
Building height for all buildings except zero lot line retail building.
■
Minimum: 25 feet.
■
Maximum, within 28th Street Corridor: 90 feet.
■
Maximum, within Division Avenue and Burton Street Corridor: 45 feet.
Exception: 75 feet, with special use approval.
■
Zero lot line retail building: One story building required.
4.0 Special land uses:
The following are specific standards for special land uses in the CG area. See division 2 for special land use general review and approval procedures and section 90-508 of the City of Wyoming Zoning Ordinance for specific standards for special land uses.
A.
Car wash, permitted only in the Division Avenue Corridor.
B.
Commercial greenhouse, permitted only in the Division Avenue Corridor.
C.
Dance hall/nightclub.
D.
Drive-through establishments. Drive through entries shall take access from secondary frontages. Permitted only in the Division Avenue Corridor.
E.
Open air business.
F.
Secondhand businesses.
G.
Special land use for five-story buildings within the Division Avenue corridor follow section 90-508.
H.
Event Center.
I.
Religious or social service assembly.
J.
Automobile gasoline/convenience store. Permitted only in the Division Avenue Corridor.
K.
Convention Center
(Ord. No. 2-23, § 3, 2-6-23; Ord. No. 12-24, § 8, 11-4-24; Ord. No. 8-25, § 10, 7-7-25)
The following standards apply to the corridor sub-urban area:
1.0 Permitted building types refer to division 6 for building type requirements.
A.
Retail building.
B.
Live/work building.
C.
Apartment.
D.
Rowhouse.
E.
Civic building.
2.0 Permitted uses:
A.
Refer to Table 90-1409 for land uses permitted in this area for each building type that is permitted in the area that are as follows:
■
Permitted by right (P).
■
Permitted by right, on floors two and above (P$).
■
Permitted by right and only allowed on first floor (P#).
■
Permitted by special land use permit (S).
■
Uses indicated with a blank cell are not permitted in this area.
3.0 Building height by context area:
A.
Number of stories for buildings is regulated by context area.
B.
Each building type has requirements for the height (in feet) of building stories. Refer to division 6 for building type standards.
C.
Building height for all buildings:
■
Minimum: 25 feet.
■
Maximum: 60 feet.
■
Retail building: One story building required.
4.0 Special land uses:
The following are specific standards for special land uses in the CS area. See division 2 for special land use general review and approval procedures and section 90-508 of the City of Wyoming Zoning Ordinance for specific standards for special land uses.
A.
Bowling alley.
B.
College or university.
C.
Commercial greenhouse.
D.
Community center.
E.
Dance hall/nightclub.
F.
Drive-through establishments. Drive through entries shall take access from interior rights-of-way.
G.
Indoor skating rink.
H.
Indoor theater.
I.
Parking structures. Parking structure entries shall take access from a street, and not an avenue, per division 8, thoroughfare standards.
J.
Pool hall/billiards.
K.
Secondhand businesses.
L.
Event Center.
M.
Religious or social service assembly.
N.
Convention Center.
(Ord. No. 2-23, § 4, 2-6-23; Ord. No. 12-24, § 9, 11-4-24; Ord. No. 8-25, § 11, 7-7-25)
The following standards apply to the corridor edge area:
1.0 Permitted building types refer to division 6 for building type requirements:
A.
Retail building.
B.
Live/work building.
C.
Apartment.
D.
Rowhouse.
E.
Two-family house.
F.
Civic building.
2.0 Permitted uses:
A.
Refer to Table 90-1410 for land uses permitted in this area for each building type that is permitted in the area that are as follows:
■
Permitted by right (P).
■
Permitted by right in Division Avenue Form Based Code Area only (P D ).
■
Permitted by right, on floors two and above (P$).
■
Permitted by right and only allowed on first floor (P#).
■
Permitted by special land use permit (S).
■
Permitted by special land use permit in Division Avenue Form Based Code Area only (S D ).
■
Uses indicated with a blank cell are not permitted in this area.
3.0 Building height by context area:
A.
Number of stories for buildings is regulated by context area.
B.
Each building type has requirements for the height (in feet) of building stories. Refer to division 6 for building type standards.
C.
Building height for all buildings:
■
Minimum: No minimum.
■
Maximum: 45 feet.
■
Retail building: One story building required.
4.0 Special land uses:
The following are specific standards for special land uses in the CE area. See division 2 for special land use general review and approval procedures and section 90-508 of the City of Wyoming Zoning Ordinance for specific standards for special land uses.
A.
Automobile sales. Permitted on Division Avenue Corridor only.
B.
Car wash. Permitted on Division Avenue Corridor only.
C.
College or university.
D.
Dance hall/nightclub.
E.
Drive-through establishments. Drive through entries shall take access from secondary frontages.
F.
Funeral homes or mortuaries.
G.
Open air business.
H.
Parking structures. Parking structure entries shall take access from a street, and not an avenue, per division 8, thoroughfare standards.
I.
Pool hall/billiards.
J.
Secondhand businesses.
K.
Self-storage facilities. These facilities are only permitted along Division Avenue, south of 56th Street. They are not permitted on corner lots.
L.
Light industrial/maker's spaces. Single tenant buildings shall not exceed 10,000 square feet.
Multi-tenant buildings shall not exceed 30,000 square feet. Permitted on Division Avenue only.
M.
Event Center.
N.
Automobile gasoline/convenience store. Permitted only in the Division Avenue Corridor.
O.
Convention Center
(Ord. No. 2-23, § 5, 2-6-23; Ord. No. 12-24, § 10, 11-4-24; Ord. No. 8-25, § 12, 7-7-25)
The following standards apply to the corridor neighborhood area:
1.0 Permitted building types refer to division 6 for building type requirements:
A.
Rowhouse
B.
Two-family house.
C.
Single-family house.
D.
Civic building.
2.0 Permitted uses:
A.
Refer to Table 90-1411 for land uses permitted in this area for each building type that is permitted in the area that are as follows:
■
Permitted by right (P).
■
Permitted by right, on floors two and above (P$).
■
Permitted by right and only allowed on first floor (P#).
■
Permitted by special land use permit (S).
■
Uses indicated with a blank cell are not permitted in this area.
3.0 Building height by context area:
A.
Number of stories for buildings is regulated by context area.
B.
Each building type has requirements for the height (in feet) of building stories. Refer to division 6 for building type standards.
C.
Building height for all buildings:
■
Minimum: No minimum.
■
Maximum: 35 feet.
4.0 Special land uses:
The following are specific standards for special land uses in the CN area. See division 2 for special land use general review and approval procedures and section 90-508 of the City of Wyoming Zoning Ordinance for specific standards for special land uses.
A.
Community center.
B.
Nursery schools, day nurseries, and dependent care facilities for seven or more people.
(Ord. No. 2-23, § 6, 2-6-23; Ord. No. 12-24, § 11, 11-4-24; Ord. No. 8-25, § 13, 7-7-25)
The subdivision of lands within the Form Based Code districts shall adhere to chapter 74 of the City of Wyoming Code of Ordinances, except as provided herein.
(a)
Access. Blocks and lots shall abut a street, avenue or alley, as defined in division 8, thoroughfare guidelines. Back-up lots shall be permitted, provided that the applicant identify a principal frontage to orient building types and frontage types. Buildings shall face streets, avenues or civic spaces.
(b)
Width and depth. Lot width shall be as follows:
(1)
Residential. Residential lots within the CN context area shall be at least 40 feet in width.
(2)
Commercial. Commercial or mixed use lots within all context areas shall be at least 25 feet in width.
(3)
The maximum lot width to depth ratio shall be 1:4.
(4)
Applicant is encouraged to verify site dimensional requirements for desired building type and applicable thoroughfare standards prior to platting.
(a)
Length. Blocks shall be not less than 300 feet nor more than 1,250 feet.
(b)
Width. Width shall be as necessary to meet site dimensional requirements for applicable building types. Applicants are encouraged to consider providing civic space in the form of plazas, pocket parks, or other public gathering areas dispersed in one-fourth mile increments and not less than 2,500 square feet in area.
(c)
Block frontage. Blocks may front a street, avenue, or alley.
(d)
Connectivity. New streets shall connect to existing streets where ever possible.
(a)
Residential. Alley access is encouraged within the CN context area, between Canterbury Street and Colrain Street.
(b)
Commercial.
(1)
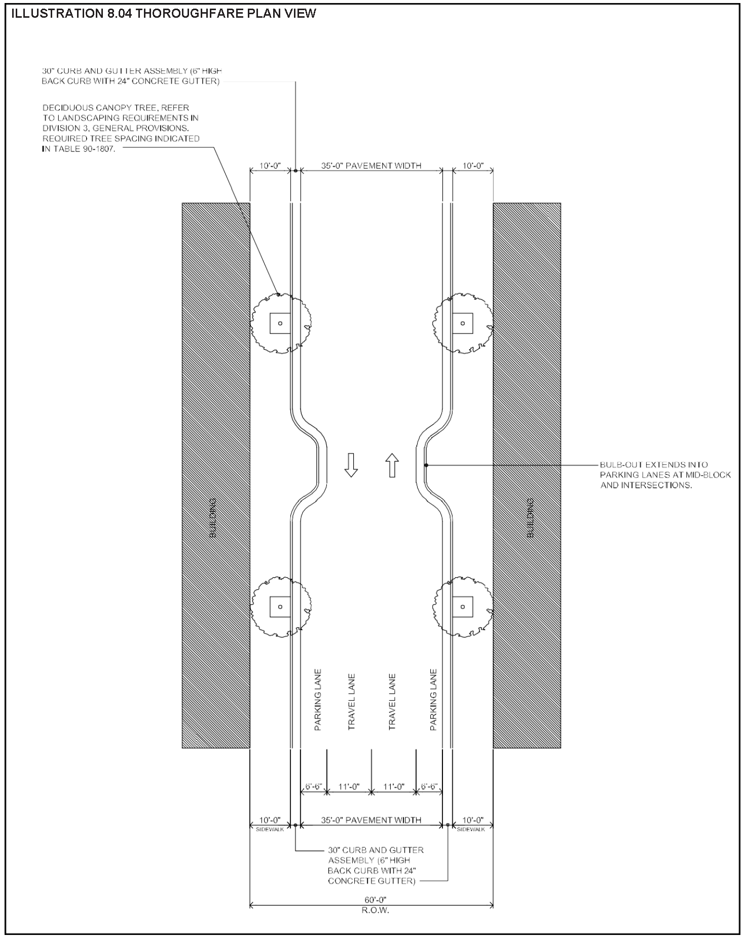
Subdivision and site plans shall include a continuous cross access way in accordance with the Rear Alley Thoroughfare Type RA-20-20-C.
(2)
Cross access agreements shall be legally binding and allow interconnected vehicular and pedestrian access in perpetuity.
(3)
Rear alleys shall be contiguous along adjacent property lines, forming a travel way parallel to the primary thoroughfare.
(4)
Similar building types shall face each other across a Street or Avenue, while Alleys may be used to transition between building types.
(a)
Commercial.
(1)
Curb cuts shall be at least 160 feet from side streets and other driveways.
(2)
For access management purposes, driveways shall be shared and connect to the required rear alley, as per subsection 90-1503(b)(1).
(3)
A shared driveway access agreement shall be reviewed and approved by the city attorney prior to site plan approval.
The subdivision of lands shall follow the review and approval process as provided in Chapter 74.
Division 6 identifies specific building types that are allowed within various context areas and provides design standards for each type, to ensure that building form and character are consistent with the City of Wyoming Land Use Plan.
Each proposed building shall be designed in compliance with the standards of this division for the applicable building type, except civic buildings, which are not required to meet the building type standards of this Code.
Property may be developed only with the building types allowed by this article in the context area applicable to each lot.
(a)
Refer to Table 90-1602 on this page to determine the specific building types that are permitted in each of the context areas.
The following Building Types are specified in this division:
(a)
Mixed use building type.
(b)
Zero lot line retail building type.
(c)
Retail building type.
(d)
Live/work building type.
(e)
Apartment building type.
(f)
Rowhouse building type.
(g)
Two-family house building type.
(h)
Single-family house building type.
White cells represent Context Areas where Building Type is permitted.
Darkened cells represent Context Areas where Building Type is NOT permitted.
Refer to sample pages on this sheet for references of how to use each Building Type Standard. These pages are representative of the layout for each Building Type contained in this division.
A.
Building Character: This box serves as an introduction to the Building Type, including precedent examples, a general Building Type description, and whether the Building Type is permitted to have an accessory building and/or structure.
B.
Access: Specifies required building access and door location requirements. For many Building Types, this section specifies the maximum building length allowed without a pedestrian access-way between building frontages.
C.
Building Height: Indicates the required minimum and maximum number of stories permitted for the Building Type and the minimum number of feet required for each story. This section also specifies the minimum and maximum number of stories for some of the Building Types. For Building Types where the maximum number of stories is not indicated, refer to the Context Areas in Division 4 for the maximum number of stories allowed.
D.
Facade Composition: Indicates the required façade composition specifications for Building Type, including upper floor(s) transparency, massing, proportion, and roof type.
E.
Private Frontage: Specifies the required Private Frontage Types that are permitted to be applied to the Building Type. Private Frontages define the architecture and design components for the entrance(s) to the building and the area between the façade and the Frontage Line(s). Refer to Division 7 for Private Frontage Types.
F.
Site Dimensional Requirements: Indicates the site placement for the Building Type, including build-to-lines, build-to-zones, setbacks, encroachments, required building depths, and site coverage.
The following standards apply to all Building Types:
(a)
Principal frontage: Principal frontages of buildings represent the building front and are located at the public right-of-way lines along the street, public path or civic space of address for the building.
(b)
Secondary frontage: Secondary frontages of buildings represent the building sides that are located at the public right-of-way lines along all streets, public paths or civic spaces that are not the street of address for the building. The side setback for secondary frontages shall apply to all situations where secondary frontages occur at more than one side of a building (due to a parcel that is bound on more than two sides by right-of-way lines).
(c)
Principal frontage transparency requirements at first story: Each building type's first story transparency at the principal frontage line is per the private frontage requirements. Secondary frontages are required to use one of the following standards:
1.
Transparency that is the same as what is required by the upper stories for the building type.
2.
Transparency that is the same as the private frontage that has been applied to the principal frontage.
(d)
Setback measurements: For all principal and secondary frontage locations along the required 28th Street greenbelt, the required build-to-lines, build-to-zones and setback measurements shall be taken from the back edge (the edge facing the private side of the right-of-way) of the greenbelt. Refer to division 3 for greenbelt measurement and design.
(e)
Frontage percentages: Each building type indicates a frontage percentage requirement along the principal frontage line. This percentage is the amount of a lot line adjoining the public right-of-way that is occupied by the front façade of the principal building. The front façade shall be parallel to the right-of-way, located in accordance with the required build-to-lines or build-to-zones.
(f)
Private frontages: Private frontage types define architecture and design components for the entrance(s) to the building and the area between the façade and the frontage line. Each building type identifies the appropriate private frontage type(s). The use of one of the private frontage types identified is required. Refer to division 7 for private frontage types.
(g)
Maximum site coverage: The maximum site coverage applies to all buildings on a lot, including accessory buildings.
(h)
Building height: Buildings shall comply with the overall maximum height regulations (as measured in feet) that are established by context area.
(i)
Accessory buildings: Accessory buildings shall comply with the following standards:
(1)
Allowed per building type: One accessory building is permitted in addition to the principal building for live/work, rowhouse, two-family house and single-family house building types.
(2)
Accessory building use: Accessory buildings may contain a garage and/or home office space. One accessory dwelling unit (ADU) is permitted on the second story of accessory buildings when paired with single-family or two-family building types.
(3)
Accessory building size: Accessory structures on single-family building type lots can have a maximum 720 square feet per story or 80 percent of the size of the primary building's ground floor level, whichever is less. Two-family building types can have a maximum 960 square feet per story or 80 percent of the size of the primary building's ground floor level, whichever is less.
(4)
Accessory building location: Accessory buildings shall be located in the rear of the lot. Accessory buildings under 599 square feet shall be setback a minimum of three feet from the side and rear property line. Accessory buildings over 600 square feet shall be setback a minimum of seven feet from the rear and side yard property lines
(5)
Accessory building height: Accessory buildings shall be limited to two stories in height and shall comply with the overall maximum height regulations established by context district.
(j)
Side yard walls: Each building shall have separate walls to support all loads independently of any walls located on an adjacent lot. Buildings with side-facing windows shall provide necessary light and air shafts within their own lot, without relying on the side yard of the adjacent lot.
(k)
Landscape standards: Refer to division 3 for landscape standards and 28th Street greenbelt measurement and design.
(l)
Parking requirements and standards: Parking requirements for each building type are based on use. Refer to division 9 for parking requirements and standards.
(m)
Sign standards: Refer to division 10 for sign standards.
The following standards apply to the mixed use building type:
1.0 Access:
A.
The main entrance(s) to ground story commercial space(s) shall be directly from and face a street, public path or civic space. Doors allowing public access shall occur at intervals no greater than 75 feet.
B.
Access to upper story units shall be through a street level lobby, visible from the street.
C.
Contiguous mixed-use buildings shall not exceed 240 feet along a street frontage without a pedestrian access-way at least ten feet wide that connects the rear parking area to the sidewalk.
2.0 Building height:
Refer to Illustration 6.01 for building height graphic representation.
A.
Maximum number of stories and maximum building height permitted for mixed-use buildings is regulated by context area. Refer to division 4.
B.
Mixed-use buildings shall be a minimum of two stories in height.
C.
First story shall be 12 feet minimum in height, measured from finished floor to finished ceiling.
D.
Upper stories shall be eight feet minimum in height, measured from finished floor to finished ceiling.
E.
First floor entry door height above grade. First floor at entry door location is required to be at the same elevation as the adjacent sidewalk grade along the principal frontage (zero vertical separation).
3.0 Facade composition requirements:
Refer to Illustration 6.02 for building composition graphic reference.
A.
Building shall have a flat roof with parapet.
B.
Building shall have a cornice expression line at roofline.
C.
Transparency upper stories: Building facades facing streets shall have ten percent to 50 percent of the façade be windows between the finish floor line of the second story and bottom of cornice expression line.
D.
Transparency first story: Refer to private frontage types (division 7) for transparency requirements of first story.
E.
Upper windows shall be square or vertically proportioned with clear glass. Refer to definitions in division 11 for clear glass requirements.
F.
Building shall have an 18 inches to 32 inches pilaster or wall surface every 20 to 40 feet along building facades facing streets. Pilasters shall extend vertically from grade to cornice expression line.
G.
Building materials: Refer to section 90-1614 for required building materials.
MIXED USE BUILDING DESCRIPTION:
A lot located and designed to accommodate a multi-story building with multiple dwelling units in the upper story and various commercial uses permitted within any story.
Accessory buildings are not permitted on mixed use building type lots. accessory structures are allowed on mixed use building type lots.
4.0 Private frontages:
A.
Refer to division 7 for requirements of private frontages.
B.
Private frontage types permitted for mixed-use building:
1.
Storefront private frontage.
2.
Balcony private frontage.
3.
Drive-through private frontage.
5.0 Use:
Uses are regulated by context area. Refer to division 4 for permitted uses in each context area.
6.0 Site dimensional requirements:
Refer to Illustration 6.03 for graphic representation of the dimensional requirements regarding site and building placement.
A.
Front setback (at principal frontage):
■ 0 feet - required build-to-line (no setback is allowed, building shall be at frontage line).
B.
Side setback (at secondary frontage):
■ 0 feet - required build-to-line (no setback is allowed, building shall be at frontage line).
C.
Side setback (at non-frontage locations):
■ 0 feet from non-frontage side property line.
D.
Rear setback (at non-frontage locations):
■ 0 feet from non-frontage rear property line.
E.
Optional angled building corner with required entry door. Maximum length of angled wall shall be eight feet.
F.
Required 20-foot minimum building depth.
G.
At corner locations: Required 30-foot minimum extension of required building depth along secondary frontages. Thirty-foot extension is in addition to the required 20-foot minimum depth.
H.
Building façade width along principal frontage shall be built to a minimum of 90 percent of the overall length of the principal frontage line length.
I.
Balconies, awnings, canopies, cornices, upper bays, and projecting signs may extend into the public right-of-way per the requirements of the encroachment section in division 3.
J.
Maximum site coverage for mixed-use buildings is 100 percent.
The following standards apply to the zero lot line retail building type:
1.0 Access:
A.
The main entrance(s) to ground story commercial space(s) shall be directly from and face a street, public path or civic space. Doors allowing public access shall occur at intervals no greater than 75 feet.
B.
Contiguous zero lot line retail buildings shall not exceed 240 feet along a street frontage without a pedestrian access-way at least ten feet wide that connects the rear parking area to the sidewalk.
2.0 Building height:
Refer to Illustration 6.04 for building height graphic representation.
A.
Maximum building height permitted for zero lot line retail buildings is regulated by context area. Refer to division 4.
B.
Zero lot line retail buildings shall be one story in height. Upper stories are not permitted on the zero lot line retail building type.
C.
Refer to mixed use building type if multiple stories are desired.
D.
First story shall be 12 feet minimum in height, measured from finished floor to finished ceiling.
E.
First floor entry door height above grade. First floor at entry door location is required to be at the same elevation as the adjacent sidewalk grade along the principal frontage (zero vertical separation).
3.0 Facade composition requirements:
Refer to Illustration 6.05 for building composition graphic reference.
A.
Building shall have a flat roof with parapet.
B.
Building shall have a cornice expression line at roofline.
C.
Transparency first story: Refer to private frontage types (division 7) for transparency requirements of first story.
D.
Building shall have an 18 inches to 32 inches pilaster or wall surface every 20 to 40 feet along building facades facing streets. Pilasters shall extend vertically from grade to cornice expression line.
E.
Building materials: Refer to section 90-1614 for required building materials.
ZERO LOT LINE RETAIL BUILDING DESCRIPTION:
A lot located and designed to accommodate a single-story building with various commercial uses permitted at the ground floor level. Building site placement is required to have no setback at the principal frontage line.
Accessory buildings are not permitted on zero lot line retail building type lots. Accessory structures are allowed on zero lot line retail building type lots.
4.0 Private frontages:
A.
Refer to division 7 for requirements of private frontages.
B.
Private frontage types permitted for zero lot line retail building:
1.
Storefront private frontage.
2.
Drive-through private frontage.
5.0 Use:
Uses are regulated by context area. Refer to division 4 for permitted uses in each context area.
6.0 Site dimensional requirements:
Refer to Illustration 6.06 for graphic representation of the dimensional requirements regarding site and building placement.
A.
Front setback (at principal frontage):
■ 0 feet - required build-to-line (no setback is allowed, building shall be at frontage line).
B.
Side setback (at secondary frontage):
■ 0 feet - required build-to-line (no setback is allowed, building shall be at frontage line).
C.
Side setback (at non-frontage locations):
■ 0 feet from non-frontage side property line.
D.
Rear setback (at non-frontage locations):
■ 0 feet from non-frontage rear property line.
E.
Optional angled building corner with required entry door. Maximum length of angled wall shall be eight feet.
F.
Required 20-foot minimum building depth.
G.
At corner locations: Required 30-foot minimum extension of required building depth along secondary frontages. Thirty foot extension is in addition to the required 20-foot minimum depth.
H.
Building façade width along principal frontage shall be built to a minimum of 90 percent of the overall length of the principal frontage line length.
I.
Balconies, awnings, canopies, cornices, upper bays, and projecting signs may extend into the public right-of-way per the requirements of the encroachment section in division 3.
J.
Maximum site coverage for zero lot line retail buildings is 100 percent.
The following standards apply to the retail building type:
1.0 Access:
A.
The main entrance(s) to ground story commercial space(s) shall be directly from and face a street, public path or civic space. Doors allowing public access shall occur at intervals no greater than 75 feet.
B.
Contiguous zero lot line retail buildings shall not exceed 240 feet along a street frontage without a pedestrian access-way at least ten feet wide that connects the rear parking area to the sidewalk.
2.0 Building height:
Refer to Illustration 6.07 for building height graphic representation.
A.
Maximum building height permitted for retail buildings is regulated by context area. Refer to division 4.
B.
Retail buildings shall be one story in height. Upper stories are not permitted on the retail building type.
C.
Refer to mixed use building type if multiple stories are desired.
D.
First story shall be 12 feet minimum in height, measured from finished floor to finished ceiling.
E.
Retail buildings that have a pitched roof may have an optional attic space that is not among the number of stories regulated by context area.
F.
First floor entry door height above grade. First floor at entry door height above grade is dependant on the private frontage used for this building Type. Refer to private frontages permitted for this building type and division 7.
3.0 Facade composition requirements:
Refer to Illustrations 6.07 and 6.08 for building composition graphic reference.
A.
Building may have a flat roof with parapet or a pitched roof.
B.
Buildings with a flat roof shall have a cornice expression line at roofline.
C.
Transparency first story: Refer to private frontage types (division 7) for transparency requirements of first story.
D.
Building shall have an 18 inches to 32 inches pilaster or wall surface every 20 to 40 feet along building facades facing streets. Pilasters shall extend vertically from grade to cornice expression line.
E.
Building materials: Refer to section 90-1614 for required building materials.
RETAIL BUILDING DESCRIPTION:
A lot located and designed to accommodate a single-story building with various commercial uses permitted at the ground floor level. Building site placement has a variable build-to-zone at the principal frontage line.
Accessory buildings are not permitted on retail building type lots. Accessory structures are allowed on retail building type lots.
4.0 Private frontages:
A.
Refer to division 7 for requirements of private frontages.
B.
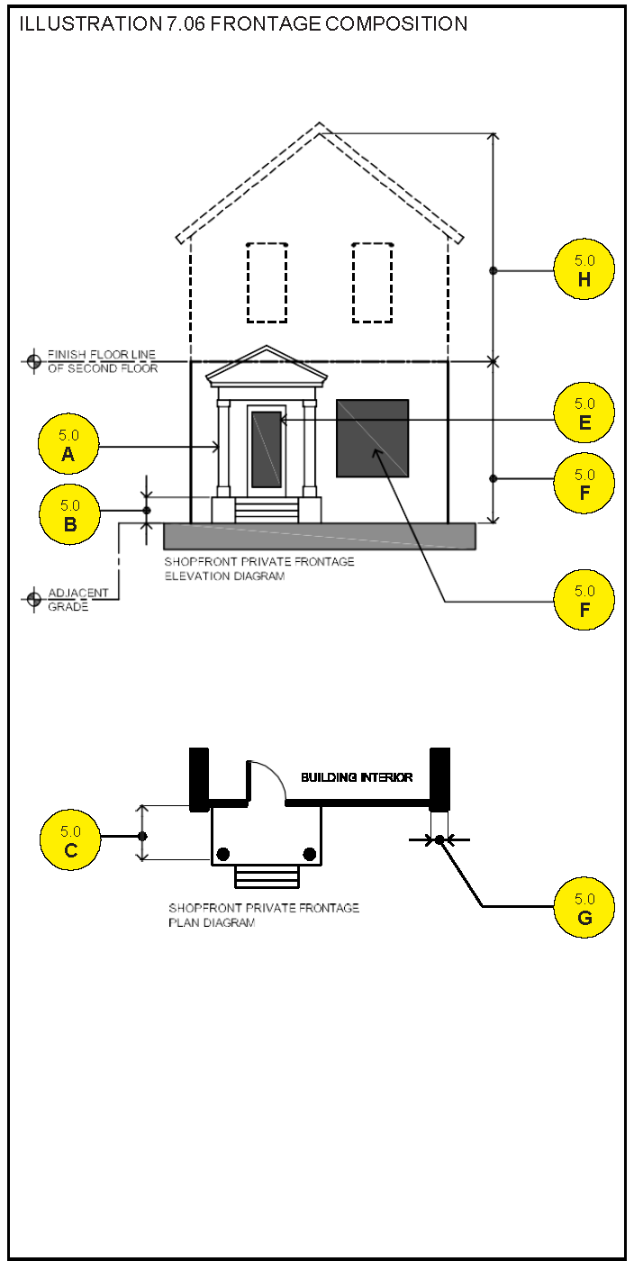
Private frontage types permitted for retail building:
1.
Storefront private frontage.
2.
Shopfront private frontage.
3.
Drive-through private frontage.
5.0 Use:
Uses are regulated by context area. Refer to division 4 for permitted uses in each context area.
6.0 Site dimensional requirements:
Refer to Illustration 6.09 for graphic representation of the dimensional requirements regarding site and building placement.
A.
Front setback (at principal frontage):
■ Required build-to-zone from five to 15 feet from principal frontage line (building shall be within build-to-zone).
■ In corridor edge context area (CE) with principal frontages along Division Avenue: Required build-to-zone shall be five to 50 feet from principal frontage line.
B.
Side setback (at secondary frontage):
■ Required build-to-zone from zero to 15 feet from secondary frontage line (building shall be within build-to-zone).
C.
Side setback (at non-frontage locations):
■ Three feet from non-frontage side property line.
D.
Rear setback (at non-frontage locations):
■ Ten feet from non-frontage rear property line.
E.
Optional angled building corner with required entry door. Maximum length of angled wall shall be eight feet.
F.
Required 20-foot minimum building depth.
G.
At corner locations: Required 30-foot minimum extension of required building depth along secondary frontages. Thirty-foot extension is in addition to the required 20-foot minimum depth.
H.
Building façade width along principal frontage shall be built to a minimum of 50 percent of the overall length of the principal frontage line length.
I.
Balconies, awnings, canopies, cornices, eaves, upper bays, and projecting signs may extend into setbacks, beyond build-to-zones or into the public right-of-way per the requirements of the encroachment section in division 3.
J.
Unenclosed porches, stoops, wells, and/or steps may extend into required setbacks per the requirements of the encroachment section in division 3. These elements shall not project into the public right-of-way.
K.
Maximum site coverage for retail buildings is 90 percent.
(Ord. No. 12-24, § 12, 11-4-24)
The following standards apply to the live/work building type:
1.0 Access:
A.
The main entrance to ground story commercial space shall be directly from and face a street, public path or civic space.
B.
Access to upper story dwelling unit may be by a separate entrance.
C.
Internal access between the residential and commercial spaces is required.
2.0 Building height:
Refer to Illustration 6.10 for building height graphic representation.
A.
Maximum building height permitted for live/work buildings is regulated by context area. Refer to division 4.
B.
Live/work buildings shall be a minimum of two stories in height.
C.
Live/work buildings shall be a maximum of three stories in height.
D.
First story shall be ten feet minimum in height, measured from finished floor to finished ceiling.
E.
Upper stories shall be eight feet minimum in height, measured from finished floor to finished ceiling.
F.
Live/ work buildings that have a pitched roof may have an optional attic space that is not among the number of stories regulated by context area.
G.
First floor entry door height above grade. First floor at entry door height above grade is dependant on the private frontage used for this building type. Refer to private frontages permitted for this building type and division 7.
3.0 Facade composition requirements:
Refer to Illustrations 6.10 and 6.11 for building composition graphic reference.
A.
Building may have a flat roof with parapet or a pitched roof.
B.
Buildings with a flat roof shall have a cornice expression line at roofline.
C.
Transparency upper stories: Building facades facing streets shall have ten percent to 50 percent of the façade be windows between the finish floor line of the second story and bottom of cornice expression line or eave.
D.
Transparency first story: Refer to private frontage types (division 7) for transparency requirements of first story.
E.
Upper windows shall be square or vertically proportioned with clear glass. Refer to definitions in division 11 for clear glass requirements.
F.
Building shall have an 18 inches to 32 inches pilaster or wall surface every 14 to 26 feet along building facades facing streets. Pilasters shall extend vertically from grade to cornice expression line.
G.
Building materials: Refer to section 90-1614 for required building materials.
LIVE/WORK BUILDING DESCRIPTION:
A lot located and designed to accommodate an attached or detached building with integrated residence and commercial space utilized by a single-family household. The ground floor is designed to accommodate commercial uses with a single residence in the upper stories, although ground floor may also accommodate residential uses.
Accessory buildings are allowed on live/work building type lots. accessory structures are allowed on live/work building type lots.
4.0 Private frontages:
A.
Refer to division 7 for requirements of private frontages.
B.
Private frontage types permitted for live/work building:
1.
Storefront private frontage.
2.
Shopfront private frontage.
3.
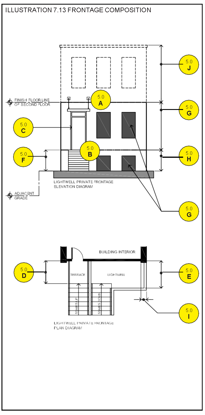
At-grade private frontage.
4.
Lightwell private frontage.
5.
Stoop private frontage.
5.0 Use:
Uses are regulated by context area. Refer to division 4 for permitted uses in each context area.
6.0 Site dimensional requirements:
Refer to Illustration 6.12 for graphic representation of the dimensional requirements regarding site and building placement.
A.
Front setback (at principal frontage):
■ Required build-to-zone from five to 20 feet from principal frontage line (building shall be within build-to-zone).
B.
Side setback (at secondary frontage):
■ Required build-to-zone from zero to 10 feet from secondary frontage line (building shall be within build-to-zone).
C.
Side Setback (at non-frontage locations):
■ Zero feet from non-frontage side property line.
D.
Rear setback (at non-frontage locations):
■ Ten feet from non-frontage rear property line.
E.
Front build-to-zone shall begin five feet from the principal frontage line.
F.
Building façade width along principal frontage shall be built to a minimum of 80 percent of the overall length of the principal frontage line length.
G.
Individual unit widths shall be 14 feet to 26 feet per unit.
H.
Balconies, awnings, canopies, cornices, eaves, upper bays, and projecting signs may extend into setbacks, beyond build-to-zones or into the public right-of-way per the requirements of the encroachment section in division 3.
I.
Unenclosed porches, stoops, wells, and/or steps may extend into required setbacks per the requirements of the encroachment section in division 3. These elements shall not project into the public right-of-way.
J.
Maximum site coverage for live/work buildings is 80 percent.
The following standards apply to the apartment building type:
1.0 Access:
A.
Access to residential uses shall be through a lobby entrance.
B.
Access to non-residential uses may be directly from the street, public path or civic space or through a lobby.
C.
Lobby entrances shall be directly from the street, public path or civic space.
2.0 Building height:
Refer to Illustration 6.13 for building height graphic representation.
A.
Maximum number of stories and maximum building height permitted for apartment buildings is regulated by context area. Refer to division 4.
B.
Apartment buildings shall be a minimum of two stories in height.
C.
First story shall be nine feet minimum in height, measured from finished floor to finished ceiling.
D.
Upper stories shall be eight feet minimum in height, measured from finished floor to finished ceiling.
E.
Apartment buildings that have a pitched roof may have an optional attic space that is not among the number of stories regulated by context area.
F.
First floor entry door height above grade. First floor at entry door height above grade is dependant on the private frontage used for this building type. Refer to private frontages permitted for this building type and division 7.
3.0 Facade composition requirements:
Refer to Illustrations 6.13 and 6.14 for building composition graphic reference.
A.
Building may have a flat roof with parapet or a pitched roof.
B.
Buildings with a flat roof shall have a cornice expression line at roofline.
C.
Transparency upper stories: Building facades facing streets shall have ten percent to 30 percent of the façade be windows between the finish floor line of the second story and bottom of cornice expression line or eave.
D.
Transparency first story: Refer to private frontage types (division 7) for transparency requirements of first story.
E.
Upper windows shall be square or vertically proportioned with clear glass. Refer to definitions in division 11 for clear glass requirements.
F.
Building shall have an 18 inches to 32 inches pilaster or wall surface every 20 to 40 feet along building facades facing streets. Pilasters shall extend vertically from grade to cornice expression line.
G.
Building materials: Refer to section 90-1614 for required building materials.
APARTMENT BUILDING DESCRIPTION:
A lot located and designed to accommodate a multi-story building with multiple dwelling units above and beside each other.
Accessory buildings are not permitted on apartment building type lots.
Accessory structures are allowed on apartment building type lots.
4.0 Private frontages:
A.
Refer to division 7 for requirements of private frontages.
B.
Private frontage types permitted for apartment building:
1.
At-grade private frontage.
2.
Courtyard private frontage.
3.
Stoop private frontage.
4.
Porch private frontage.
5.0 Use:
Uses are regulated by context area. Refer to division 4 for permitted uses in each context area.
6.0 Site dimensional requirements:
Refer to Illustration 6.15 for graphic representation of the dimensional requirements regarding site and building placement.
A.
Front setback (at principal frontage):
■ Required build-to-zone from eight to 30 feet from principal frontage line (building shall be within build-to-zone).
B.
Side setback (at secondary frontage):
■ Required build-to-zone from three to 20 feet from secondary frontage line (building shall be within build-to-zone).
C.
Side setback (at non-frontage locations):
■ Seven feet from non-frontage side property line.
D.
Rear setback (at non-frontage locations):
■ Ten feet from non-frontage rear property line.
E.
Front build-to-zone shall begin eight feet from the principal frontage line.
F.
Side build-to-zone at secondary frontage shall begin three feet from secondary frontage line.
G.
Required 50-foot mininum building depth.
H.
Building façade width along principal frontage shall be built to a minimum of 60 percent of the overall length of the principal frontage line length.
I.
Balconies, awnings, canopies, cornices, eaves, upper bays, and projecting signs may extend into setbacks, beyond build-to-zones or into the public right-of-way per the requirements of the encroachment section in division 3.
J.
Unenclosed porches, stoops, wells, and/or steps may extend into required setbacks per the requirements of the encroachment section in division 3. These elements shall not project into the public right-of-way.
K.
Maximum site coverage for apartment buildings is 70 percent.
The following standards apply to the rowhouse building type:
1.0 Access:
A.
The main entrance to each dwelling unit shall be directly from and face a street, public path or civic space.
2.0 Access:
A.
Rowhouse buildings are required to have a minimum of three contiguous units.
B.
No more than eight contiguous rowhouse lots shall occur without a pedestrian access-way of at least ten feet.
3.0 Building height:
Refer to Illustration 6.16 for building height graphic representation.
A.
Maximum building height permitted for rowhouse buildings is regulated by context area. Refer to division 4.
B.
Rowhouse Buildings shall be a minimum of two stories in height.
C.
Rowhouse buildings shall be a maximum of three stories in height.
D.
First story shall be nine feet minimum in height, measured from finished floor to finished ceiling.
E.
Upper stories shall be eight feet minimum in height, measured from finished floor to finished ceiling.
F.
Rowhouse buildings that have a pitched roof may have an optional attic space that is not among the number of stories regulated by context area.
G.
First floor entry door height above grade. First floor at entry door height above grade is dependant on the private frontage used for this building type. Refer to private frontages permitted for this building type and division 7.
4.0 Facade composition requirements:
Refer to Illustrations 6.16 and 6.17 for building composition graphic reference.
A.
Building may have a flat roof with parapet or a pitched roof.
B.
Buildings with a flat roof shall have a cornice expression line at roofline.
C.
Transparency upper stories: Building facades facing streets shall have a minimum of 20 percent of the façade be windows between the finish floor line of the second story and bottom of cornice expression line or eave.
D.
Transparency first story: Refer to private frontage types (division 7) for transparency requirements of first story.
E.
Upper windows shall be square or vertically proportioned with clear glass. Refer to definitions in division 11 for clear glass requirements.
F.
Building shall have an 18 inches to 32 inches pilaster or wall surface every 14 to 26 feet along building facades facing streets. Pilasters shall extend vertically from grade to cornice expression line.
G.
Building materials: Refer to section 90-1614 for required building materials.
ROWHOUSE BUILDING DESCRIPTION:
A lot located and designed to accommodate a principal building with common walls on both side lot lines and a private yard to the rear.
Accessory buildings are allowed on rowhouse building type lots.
Accessory structures are allowed on rowhouse building type lots.
5.0 Private frontages:
A.
Refer to division 7 for requirements of private frontages.
B.
Private frontage types permitted for rowhouse building:
1.
Lightwell private frontage.
2.
Stoop private frontage.
3.
Porch private frontage.
6.0 Use:
Uses are regulated by context area. Refer to division 4 for permitted uses in each context area.
7.0 Site dimensional requirements:
Refer to Illustration 6.18 for graphic representation of the dimensional requirements regarding site and building placement.
A.
Front setback (at principal frontage):
■ Required build-to-zone from five to 15 feet from principal frontage line (building shall be within build-to-zone).
B.
Side setback (at secondary frontage):
■ Required build-to-zone from three to ten feet from secondary frontage line (building shall be within build-to-zone).
C.
Side setback (at non-frontage locations):
■ Zero feet from non-frontage side property line.
D.
Rear setback (at non-frontage locations):
■ Ten feet from non-frontage rear property line.
E.
Front build-to-zone shall begin five feet from the principal frontage line.
F.
Side build-to-zone at secondary frontage shall begin three feet from secondary frontage line.
G.
Required 30-foot minimum building depth.
H.
Building façade width along principal frontage shall be built to a minimum of 90 percent of the overall length of the principal frontage line length.
I.
Individual unit widths shall be 14 feet to 26 feet per unit.
J.
Balconies, awnings, canopies, cornices, eaves, and upper bays may extend into setbacks, beyond build-to-zones or into the public right-of-way per the requirements of the encroachment section in division 3.
K.
Unenclosed porches, stoops, wells, and/or steps may extend into required setbacks per the requirements of the encroachment section in division 3. These elements shall not project into the public right-of-way.
L.
Maximum site coverage for rowhouse buildings is 80 percent.
The following standards apply to the two-family house building type:
1.0 Access:
A.
The main entrance to each dwelling unit shall be directly from and face a street, public path or civic space.
2.0 Building height:
Refer to Illustration 6.19 for building height graphic representation.
A.
Maximum building height permitted for two-family house buildings is regulated by context area. Refer to division 4.
B.
Two-family house buildings shall be a minimum of two stories in height.
C.
First story shall be nine feet minimum in height, measured from finished floor to finished ceiling.
D.
Upper stories shall be eight feet minimum in height, measured from finished floor to finished ceiling.
E.
Optional attic space is not among the number of stories regulated by context area.
F.
First floor entry door height above grade. First floor at entry door height above grade is dependant on the private frontage used for this building type. Refer to private frontages permitted for this building type and division 7.
3.0 Facade composition requirements:
Refer to Illustrations 6.19 and 6.20 for building composition graphic reference.
A.
Building shall have a pitched roof.
B.
Transparency upper stories: Building facades facing streets shall have ten percent to 50 percent of the façade be windows between the finish floor line of the second story and eave.
C.
Transparency first story: Refer to private frontage types (division 7) for transparency requirements of first story.
D.
Upper windows shall be square or vertically proportioned with clear glass. Refer to definitions in division 11 for clear glass requirements.
E.
Building materials: Refer to section 90-1614 for required building materials.
TWO-FAMILY BUILDING DESCRIPTION:
A lot located and designed to accommodate a two-family building with front, rear and side yards.
Accessory buildings are allowed on two-family house building type lots.
Accessory structures are allowed on two-family house building type lots.
4.0 Private frontages:
A.
Refer to division 7 for requirements of private frontages.
B.
Private frontage types permitted for two-family building:
1.
Stoop private frontage.
2.
Porch private frontage.
5.0 Use:
Uses are regulated by context area. Refer to division 4 for permitted uses in each context area.
6.0 Site dimensional requirements:
Refer to Illustration 6.21 for graphic representation of the dimensional requirements regarding site and building placement.
A.
Front setback (at principal frontage):
■ Required build-to-zone from 15 to 35 feet from principal frontage line (building shall be within build-to-zone).
B.
Side setback (at secondary frontage):
■ Required build-to-zone from ten to 20 feet from secondary frontage line (building shall be within build-to-zone).
C.
Side Setback (at non-frontage locations):
■ Seven feet from non-frontage side property line.
D.
Rear setback (at non-frontage locations):
■ Ten feet from non-frontage rear property line.
E.
Front build-to-zone shall begin 15 feet from the principal frontage line.
F.
Side build-to-zone at secondary frontage shall begin ten feet from secondary frontage line.
G.
Balconies, awnings, canopies, cornices, eaves, and upper bays may extend into setbacks, beyond build-to-zones or into the public right-of-way per the requirements of the encroachment section in division 3.
H.
Unenclosed porches, stoops, wells, and/or steps may extend into required setbacks per the requirements of the encroachment section in division 3. These elements shall not project into the public right-of-way.
I.
Maximum site coverage for two-family buildings is 60 percent.
The following standards apply to the single-family house building type:
1.0 Access:
A.
The main entrance to each dwelling unit shall be directly from and face a street, public path or civic space.
2.0 Building height:
Refer to Illustration 6.22 for building height graphic representation.
A.
Maximum building height permitted for single-family house buildings is regulated by context area. Refer to division 4.
B.
Two-family house buildings shall be a maximum of two stories in height.
C.
First story shall be nine feet minimum in height, measured from finished floor to finished ceiling.
D.
Upper stories shall be eight feet minimum in height, measured from finished floor to finished ceiling.
E.
Optional attic space is not among the number of stories regulated by context area.
F.
First floor entry door height above grade. First floor at entry door height above grade is dependant on the private frontage used for this building type. Refer to private frontages permitted for this building type and division 7.
3.0 Facade composition requirements:
Refer to Illustrations 6.22 and 6.23 for building composition graphic reference.
A.
Building shall have a pitched roof.
B.
Transparency upper stories: Building facades facing streets shall have ten percent to 50 percent of the façade be windows between the finish floor line of the second story and eave.
C.
Transparency first story: Refer to private frontage types (division 7) for transparency requirements of first story.
D.
Upper windows shall be square or vertically proportioned with clear glass. Refer to definitions in division 11 for clear glass requirements.
E.
Building materials: Refer to section 90-1614 for required building materials.
SINGLE-FAMILY HOUSE BUILDING DESCRIPTION:
A lot located and designed to accommodate a single-family detached building with front, rear and side yards.
Accessory buildings are allowed on single-family house building type lots.
Accessory structures are allowed on single-family house building lots.
4.0 Private frontages:
A.
Refer to division 7 for requirements of private frontages.
B.
Private frontage types permitted for single-family building:
1.
Stoop private frontage.
2.
Porch private frontage.
5.0 Use:
Uses are regulated by context area. Refer to division 4 for permitted uses in each context area.
6.0 Site dimensional requirements:
Refer to Illustration 6.24 for graphic representation of the dimensional requirements regarding site and building placement.
A.
Front setback (at principal frontage):
■ Required build-to-zone from 15 to 35 feet from principal frontage line (building shall be within build-to-zone).
B.
Side setback (at secondary frontage):
■ Required build-to-zone from ten to 15 feet from secondary frontage line (building shall be within build-to-zone).
C.
Side setback (at non-frontage locations):
■ Seven feet from non-frontage side property line.
D.
Rear setback (at non-frontage locations):
■ Ten feet from non-frontage rear property line.
E.
Front build-to-zone shall begin 15 feet from the principal frontage line.
F.
Side build-to-zone at secondary frontage shall begin ten feet from secondary frontage line.
G.
Balconies, awnings, canopies, cornices, eaves, and upper bays may extend into setbacks, beyond build-to-zones or into the public right-of-way per the requirements of the encroachment section in division 3.
H.
Unenclosed porches, stoops, wells, and/or steps may extend into required setbacks per the requirements of the encroachment section in division 3. These elements shall not project into the public right-of-way.
I.
Maximum site coverage for single-family buildings is 50 percent.
I.
EXTERIOR BUILDING WALLS:
1.0 Intent:
A.
Exterior building walls shall reflect and complement the materials and construction techniques of West Michigan's regional architecture.
B.
Building materials on exterior walls shall express the construction techniques and structural constraints of traditional and long-lasting building materials.
C.
All building materials shall express their specific properties. For example, heavier more permanent materials (masonry) shall support lighter materials (wood).
2.0 Exterior wall materials:
The following materials are permitted on exterior walls:
A.
Brick and masonry.
B.
Stucco.
1.
The use of stucco is not permitted on the ground floor of the mixed use building type.
2.
The use of stucco is not permitted on the zero lot line retail building type.
3.
The use of stucco is not permitted on the retail building type.
C.
Stone (or synthetic equivalent).
D.
Pre-cast masonry (for trim and cornice elements only).
E.
Polyurethane and Cellular PVC shapes (for cornice element only).
F.
Metal (for beams, lintels, trim elements and ornamentation only).
G.
Metal panels, insulated metal panels and/or rain screens (for upper levels only).
H.
Split-faced block (for piers, foundation walls, and chimneys only).
I.
Wood lap siding.
J.
Cement board siding (Hardie-Plank or equivalent).
K.
Other materials as approved by planning director or planning commission.
3.0 Exterior wall configurations and techniques:
The following configurations and construction techniques shall be utilized when assembling exterior walls:
A.
Wall openings shall not span vertically more than one story.
B.
Wall openings shall correspond to interior space and not span horizontally across the building.
C.
Wall materials shall be consistent horizontally (i.e. - joints between different materials shall be horizontal and continue around corners) except at chimneys and piers.
D.
Cement board siding shall have a smooth finish (no faux wood grain).
E.
All trim on wood- and cement board-sided walls (including window trim, door trim, horizontal expression lines and corner trim) shall be similar to the material of the siding.
II.
ROOFS AND PARAPETS:
1.0 Intent:
A.
Roofs and parapets shall demonstrate recognition of the climate by utilizing appropriate pitch, drainage and materials.
B.
Sustainable practices, such as green roof technology, are strongly encouraged to the maximum extent possible.
2.0 Roof materials for pitched or sloped roofs:
The following materials are permitted for pitched roofs:
A.
Slate (or equivalent synthetic).
B.
Metal (standing seam or similar).
C.
Dimensional asphalt shingles.
D.
Other materials as approved by planning director or planning commission.
3.0 Roof materials for flat roofs:
The following materials are permitted for flat roofs:
A.
Any material that is permitted by the Building Code.
4.0 Materials for cornices.
The following materials are permitted for parapets and cornices:
A.
Any material that is permitted in the exterior building wall section.
B.
Material shall be consistent and compatible with the material of the exterior wall.
5.0 Pitched roof configurations and techniques.
The following configurations and construction techniques shall be utilized when assembling pitched roofs:
A.
Simple hip and gable roofs shall be symmetrically pitched between 4:12 and 12:12.
B.
Shed roofs attached to the main structure shall be pitched between 4:12 and 7:12.
C.
Eaves shall overhang a minimum of 12 inches.
D.
Rakes (gable end) shall overhang a minimum of eight inches.
E.
Eaves on accessory buildings, dormers and other similar structures shall overhang a minimum of eight inches.
F.
Rakes (gable end) on accessory buildings, dormers and other similar structures shall overhang a minimum of six inches.
G.
Open eaves and simple traditional soffits and fascia are encouraged.
III.
WINDOWS AND DOORS:
1.0 Window materials:
A.
Window frames shall be anodized aluminum, wood, clad wood, vinyl, or steel.
B.
Glass in windows shall be clear. Refer to definitions in division 11 for requirements of clear glass.
C.
Window screens shall be black or gray.
D.
Screen frames shall match window frame material or be dark anodized.
2.0 Door materials:
A.
Door frames shall be anodized aluminum, wood, clad wood, or steel.
B.
Doors shall be made of wood, clad wood, fiberglass, steel, or other materials as approved by planning director or planning commission.
C.
Any glass that is provided in doors as part of minimum transparency requirements shall be clear. Refer to definitions in division 11 for requirements of clear glass.
3.0 Window configurations and techniques:
A.
Windows may be ganged horizontally (maximum five per group) if each grouping is separated by a mullion, column, pier or wall section.
B.
Windows shall be no closer than 30 inches to a building corner, excluding bay windows.
C.
Windows shall be square or vertically proportioned.
D.
Exterior shutters, if applied, shall be sized and mounted appropriately for the window (i.e. each shutter shall be one-half the window width).
4.0 Door configurations and techniques:
A.
Double height entries (those that span more than one story) are not allowed.
B.
Roll down security gates and doors are prohibited.
Division 7 identifies specific private frontage types that are allowed in conjunction with building types and provides design standards for each type, to ensure that building entrances, form, and character are consistent with the City of Wyoming Land Use Plan.
Each proposed building shall be designed to incorporate a private frontage type in compliance with the standards of this division, except for civic buildings which are not required to meet these standards.
Property may be developed only with the frontage types allowed by this division in conjunction with the applicable building type.
A.
Refer to Table 90-1702 on this page to determine the specific frontage types that are permitted for each of the building types.
The following building types are specified in this division:
A.
Storefront private frontage type.
B.
Balcony private frontage type.
C.
Shopfront private frontage type.
D.
Drive-through private frontage type.
E.
At-grade private frontage type.
F.
Lightwell private frontage type.
G.
Stoop private frontage type.
H.
Porch private frontage type.
White cells represent building types where private frontage is permitted.
Darkented cells represent building types where private frontage is NOT permitted.
Refer to individual private frontage standards to review specific requirements for application to building type.
Refer to sample pages on this sheet for references of how to use each private frontage type standard. These pages are representative of the layout for each private frontage type contained in this division.
(a)
Private frontage character: This box serves as an introduction to the private frontage type, including precedent examples and a general private frontage type description.
(b)
Access: Specifies required frontage access and door location requirements.
(c)
Building type: Specifies the building types that the private frontage type is permitted to be applied to. Private frontages define the architecture and design components for the entrance(s) to the building and the area between the façade and the frontage line(s). Refer to division 6 for building types.
(d)
Private frontage location requirements: Specifies the location requirements for the private frontage depending on the building type. This section also specifies the requirements of the ground area between the principal frontage line and the building facade, relative to distance from the principal frontage line.
(e)
Private frontage landscape requirements: Specifies the landscape requirements for the private frontage.
(f)
Private frontage composition requirements: Specifies the requirements of the private frontage, including transparency, composition, and required elements.
(g)
Note: The drive-through frontage (section 90-1709) is identical to the storefront frontage, except that it has provisions for an automobile drive-through at non-frontage sides and the rear of the site. The pages for the drive-through frontage include one additional graphic that depicts the location of where this drive-through is permitted.
The following standards apply to all private frontage types:
(a)
Principal frontage: Principal frontages of buildings represent the building front and are located at the public right-of-way lines along the street, public path or civic space of address for the building.
(b)
Secondary frontage: Secondary frontages of buildings represent the building sides that are located at the public right-of-way lines along all streets, public paths or civic spaces that are not the street of address for the building. The side setback for secondary frontages shall apply to all situations where secondary frontages occur at more than one side of a building (due to a parcel that is bound on more than two sides by right-of-way lines).
(c)
Principal frontage transparency requirements at first story: Each building type's first story transparency at the principal frontage line is per the private frontage requirements. Secondary frontages are required to use one of the following standards:
1.
Transparency that is the same as what is required by the upper stories for the building type.
2.
Transparency that is the same as the private frontage that has been applied to the principal frontage.
(d)
Setback measurements: For all principal and secondary frontage locations along the required 28th Street greenbelt, the required build-to-lines, build-to-zones and setback measurements shall be taken from the back edge (the edge facing the private side of the right-of-way) of the greenbelt. Refer to division 9 for greenbelt measurement and design.
(e)
Private frontages: Private frontage types define architecture and design components for the entrance(s) to the building and the area between the façade and the frontage line. Each building type identifies the appropriate private frontage type(s). The use of one of the private frontage types identified is required. Refer to division 6 for building types.
(f)
Sign standards: Refer to division 10 for sign standards.
The following standards apply to the Storefront Private Frontage Type:
1.0 Access:
A.
Storefront private frontage and required entry doors shall be directly from and face a street, public path or civic space.
2.0 Allowed per building type:
The storefront private frontage is permitted on the following building types (refer to division 6):
A.
Mixed use building type.
B.
Zero lot line retail building type.
C.
Retail building type.
D.
Live/work building type.
3.0 Frontage location requirements:
Refer to Illustration 7.01 for graphic representation of the location requirements for private frontage placement.
A.
The storefront frontage is required to be placed at a build-to-line or within a build-to-zone, depending on building site specific requirements. Refer to division 6.
B.
The ground area between the principal frontage line and building façade shall have one of the following treatments depending on distance from the principal frontage line.
1.
Distance between building façade and principal frontage line is zero to ten feet: Ground area shall be paved to match public sidewalk.
2.
Distance between building façade and principal frontage line is greater than ten feet and front parking is NOT present: Ground area shall be landscaped with a sidewalk connecting the entry door to the public sidewalk. Sidewalk connecting entry door and public sidewalk shall have a width that is equal to the width of the widest part of the entry door recess.
3.
Distance between building façade and principal frontage line is greater than ten feet and front parking is present: Ground area shall be paved to the edge of the parking.
4.
Ground area may be paved at distances greater than ten feet when outdoor seating is proposed per approval of planning director and/or planning commission.
C.
Balconies, awnings, canopies, cornices, upper bays, and projecting signs may extend into the public right-of-way per the requirements of the encroachment section in division 3.
4.0 Private frontage landscape requirements:
A.
Landscape for the storefront frontage (when required) shall be ground cover.
STOREFRONT FRONTAGE DESCRIPTION:
The storefront is a frontage type placed along the principal (and sometimes secondary) frontage line(s). It is typically associated with retail and mixed use buildings. The storefront shall be designed in a way that promotes an attractive, convenient shopping experience. Storefronts are at grade with the sidewalk and are sometimes shaded by awnings.
5.0 Private frontage composition requirements:
Refer to Illustration 7.02 for frontage composition graphic reference.
A.
Storefronts shall extend across 80 percent of the first story, for the full height of the first story.
B.
Optional transom window may extend over entry recess (as depicted) or follow entry recess.
C.
Required entry door shall have 50 percent minimum transparency.
D.
Entry door is required to be recessed from the principal frontage line from three feet to eight feet. Storefront shall extend from principal frontage line to the recessed entry door.
E.
Entry door is required to be at adjacent sidewalk grade.
F.
Required 30 inches to 42 inches sign band or horizontal expression band above storefront window or transom. Sign band or horizontal expression line shall extend the entire width of the building.
G.
Storefront window glass shall be eight feet high minimum, measured from the adjacent grade.
H.
Transparency: Storefront private frontages shall have 60 percent to 80 percent of the façade be windows between the top of the storefront base and bottom of sign band (or horizontal expression line). Entry door transparency shall be included as part of this required transparency.
I.
Required 18 inches to 30 inches storefront base.
J.
Required 18 inches to 32 inches pilaster or wall surface spaced as indicated by building type.
K.
Transparency upper stories: Refer to building types (division 6) for transparency requirements of upper stories.
L.
The storefront private frontage may have an angled corner entry as allowed by the specific building type. The angled corner entry shall meet the transparency requirements of the storefront private frontage.
M.
Frontage materials: Refer to section 90-1714 for required building materials.
The following standards apply to the balcony private frontage type:
1.0 Access:
A.
Balcony private frontage and required entry doors shall be directly from and face a street, public path or civic space.
2.0 Allowed per building type:
The balcony private frontage is permitted on the following building types (refer to division 6):
A.
Mixed use building type.
3.0 Frontage location requirements:
Refer to Illustration 7.03 for graphic representation of the location requirements for private frontage placement.
A.
The balcony frontage is required to be placed at a build-to-line or within a build-to-zone, depending on building site specific requirements. Refer to division 6.
B.
The ground area between the principal frontage line and building façade shall have one of the following treatments depending on distance from the principal frontage line.
1.
Distance between building façade and principal frontage line is zero to ten feet: Ground area shall be paved to match public sidewalk.
2.
Distance between building façade and principal frontage line is greater than ten feet: Ground area shall be landscaped with a sidewalk connecting the entry door to the public sidewalk. Sidewalk connecting entry door and public sidewalk shall have a width that is equal to the width of the widest part of the entry door recess.
3.
Ground area may be paved at distances greater than ten feet when outdoor seating is proposed per approval of planning director and/or planning commission.
C.
Required recessed balcony located within the mass of the building.
D.
Face of balcony shall align with façade of building.
E.
Storefront frontage is required at first story.
F.
Building roof and/or parapet wall shall extend over balcony and align with face of lower floor(s).
G.
Balconies, awnings, canopies, cornices, upper bays, and projecting signs may extend into the public right-of-way per the requirements of the encroachment section in division 3.
4.0 Private frontage landscape requirements:
A.
Landscape for the balcony frontage (when required) shall be ground cover.
BALCONY FRONTAGE DESCRIPTION:
The balcony is a frontage type placed along the principal frontage line. It is typically associated with mixed use buildings. The frontage combines n upper balcony that is recessed into the building mass with a storefront at the first story. The storefront portion of this frontage shall be designed in a way that promotes an attractive, convenient shopping experience.
5.0 Private frontage composition requirements:
Refer to Illustration 7.04 for frontage composition graphic reference.
A.
Storefronts shall extend across 80 percent of the first story, for the full height of the first story.
B.
Optional transom window may extend over entry recess (as depicted) or follow entry recess.
C.
Required entry door shall have 50 percent minimum transparency.
D.
Entry door is required to be recessed from the principal frontage line from three feet to eight foot. Storefront shall extend from principal frontage line to the recessed entry door.
E.
Entry door is required to be at adjacent sidewalk grade.
F.
Required 30 inches to 42 inches sign band or horizontal expression band above storefront window or transom. Sign band or horizontal expression line shall extend the entire width of the building.
G.
Storefront window glass shall be eight feet high minimum, measured from the adjacent grade.
H.
Transparency: Balcony private frontages shall have 60 percent to 80 percent of the façade be windows between the top of the storefront base and bottom of sign band (or horizontal expression line). Entry door transparency shall be included as part of this required transparency.
I.
Required 18 inches to 30 inches storefront base.
J.
Required 18 inches to 32 inches pilaster or wall surface spaced as indicated by building type.
K.
Transparency upper stories: Refer to building types (division 6) for transparency requirements of upper stories.
L.
The storefront private frontage may have an angled corner entry as allowed by the specific building type. The angled corner entry shall meet the transparency requirements of the storefront private frontage.
M.
Required recessed balcony located within the mass of the building.
N.
Required equally spaced columns at balcony.
O.
Building roof and/or parapet wall shall extend over balcony and align with facade of building
P.
Required guardrail or knee wall shall align with facade of building.
Q.
Frontage materials: Refer to section 90-1714 for required building materials.
The following standards apply to the shopfront private frontage type:
1.0 Access:
A.
Shopfront private frontage and required entry doors shall be directly from and face a street, public path or civic space.
2.0 Allowed per building type:
The storefront private frontage is permitted on the following building types (refer to division 6):
A.
Retail building type.
B.
Live/work building type.
3.0 Frontage location requirements:
Refer to Illustration 7.05 for graphic representation of the location requirements for private frontage placement.
A.
The shopfront frontage is required to be placed within a build-to-zone, depending on building site specific requirements. Refer to division 6.
B.
The ground area between the principal frontage line and building façade shall have one of the following treatments depending on distance from the principal frontage line.
1.
Distance between building façade and principal frontage line is zero to ten feet: Ground area shall be paved to match public sidewalk.
2.
Distance between building façade and principal frontage line is greater than ten feet and front parking is NOT present: Ground area shall be landscaped with a sidewalk connecting the entry door to the public sidewalk. Sidewalk connecting entry door and public sidewalk shall have a width that is equal to the width of the widest part of the entry door recess.
3.
Distance between building façade and principal frontage line is greater than ten feet and front parking is present: Ground area shall be paved to the edge of the parking.
4.
Ground area may be paved at distances greater than ten feet when outdoor seating is proposed per approval of planning director and/or planning commission.
C.
Shopfront frontage is required to have either a terrace or an at grade entry door.
D.
Balconies, awnings, canopies, cornices, upper bays, and projecting signs may extend into the public right-of-way per the requirements of the encroachment section in division 3.
E.
Stoops, wells, and/or steps may extend into required setbacks per the requirements of the encroachment section in division 3.
4.0 Private frontage landscape requirements:
A.
Landscape for the shopfront frontage (when required) shall be ground cover.
SHOPFRONT FRONTAGE DESCRIPTION:
The shopfront is a frontage type placed along the principal frontage line in a build-to-zone. It is typically associated with retail uses at the first story in context areas that have a less intense (more residentially scaled) retail environment. The shopfront shall be designed in a way that promotes an attractive, convenient shopping experience. Storefronts may be elevated above the adjacent grade.
5.0 Private frontage composition requirements:
Refer to Illustration 7.06 for frontage composition graphic reference.
A.
Shopfront frontage is required to have either a terrace (covered with roof or without roof) or an at grade entry door. (Covered terrace depicted in graphic).
B.
Terrace (if used) shall be 12 inches minimum above adjacent grade.
C.
Depth of the landing at the terrace (if used) shall be a minimum of four feet.
D.
At grade entry door (if used) is required to be at adjacent sidewalk grade.
E.
Required entry door shall have 30 percent minimum transparency.
F.
Transparency: Shopfront private frontages shall have 35 percent to 60 percent of the façade be windows between the adjacent grade and finish floor line of the second story. Entry door transparency shall be included as part of this required transparency.
G.
Required 18 inches to 32 inches pilaster or wall surface spaced as indicated by building type.
H.
Transparency upper stories: Refer to building types (division 6) for transparency requirements of upper stories.
I.
The shopfront private frontage may have an angled corner entry as allowed by the specific building type. The angled corner entry shall meet the transparency requirements of the shopfront private frontage.
J.
Frontage materials: Refer to section 90-1714 for required building materials.
The following standards apply to the drive-through private frontage type:
1.0 Access:
A.
Drive-through private frontage and required entry doors shall be directly from and face a street, public path or civic space.
2.0 Allowed per building type:
The drive-through private frontage is permitted on the following building types (refer to division 6):
A.
Mixed use building type.
B.
Zero lot line retail building type.
C.
Retail building type.
3.0 Frontage location requirements:
Refer to Illustration 7.07 for graphic representation of the location requirements for private frontage placement.
A.
The drive-through frontage is required to be placed at a build-to-line or within a build-to-zone, depending on building site specific requirements. Refer to division 6.
B.
The ground area between the principal frontage line and building façade shall have one of the following treatments depending on distance from the principal frontage line.
1.
Distance between building façade and principal frontage line is zero to ten feet: Ground area shall be paved to match public sidewalk.
2.
Distance between building façade and principal frontage line is greater than ten feet and front parking is NOT present: Ground area shall be landscaped with a sidewalk connecting the entry door to the public sidewalk. Sidewalk connecting entry door and public sidewalk shall have a width that is equal to the width of the widest part of the entry door recess.
3.
Distance between building façade and principal frontage line is greater than ten feet and front parking is present: Ground area shall be paved to the edge of the parking.
4.
Ground area may be paved at distances greater than ten feet when outdoor seating is proposed per approval of planning director and/or planning commission.
C.
Balconies, awnings, canopies, cornices, upper bays, and projecting signs may extend into the public right-of-way per the requirements of the encroachment section in division 3.
4.0 Private frontage landscape requirements:
A.
Landscape for the drive-through frontage (when required) shall be ground cover.
5.0 Drive-through location requirements:
Refer to Illustration 7.08 for frontage composition graphic reference.
A.
Rear drive-through zone: Drive-through is permitted to be placed along non-frontage rear property lines (or easement lines) in the following context areas:
1.
Corridor center (CC).
2.
Corridor urban (CU).
3.
Corridor general (CG).
4.
Corridor sub-urban (CS).
5.
Corridor edge (CE).
DRIVE-THROUGH FRONTAGE DESCRIPTION:
The drive-through is a frontage that is identical to the storefront frontage type, however it includes an automobile drive-through at the rear or non-frontage side yards. The drive-through may include a covered structure at the service window location. The frontage is typically associated with retail and mixed use buildings and includes a storefront that shall be designed in a way that promotes an attractive, convenient shopping experience. Storefronts are at grade with the sidewalk and are sometimes shaded by awnings.
B.
Location of rear drive-through zone: Rear drive-through zone location shall be located as follows:
1.
Zero to 45 feet, measured from rear building wall.
2.
15 feet minimum, measured from secondary frontage building wall.
C.
Non-frontage side drive-through zone: Drive-through is permitted to be placed along non-frontage side property lines in the following context areas:
1.
Corridor general (CG).
2.
Corridor sub-urban (CS).
3.
Corridor edge (CE).
D.
Location of non-frontage side drive-through zone: Non-frontage side drive-through zone location shall be located as follows:
1.
zero to 45 feet, measured from non-frontage side building wall.
2.
15 feet minimum, measured from principal frontage building wall.
E.
Drive-through location shall comply with the non-frontage side and rear setbacks of the building type that it is applied to. (Refer to division 6)
6.0 Private frontage composition requirements:
Refer to Illustration 7.09 for frontage composition graphic reference.
A.
Storefronts shall extend across 80 percent of the first story, for the full height of the first story.
B.
Optional transom window may extend over entry recess (as depicted) or follow entry recess.
C.
Required entry door shall have 50 percent minimum transparency.
D.
Entry door is required to be recessed from the principal frontage line from three feet to eight feet. Storefront shall extend from principal frontage line to the recessed entry door.
E.
Entry door is required to be at adjacent sidewalk grade.
F.
Required 30 inches to 42 inches sign band/horizontal expression band above storefront window/transom. Sign band or horizontal expression line shall extend the entire width of the building.
G.
Storefront window glass shall be eight feet high minimum, measured from the adjacent grade.
H.
Transparency: Storefront private frontages shall have 60 percent to 80 percent of the façade be windows between the top of the storefront base and bottom of sign band (or horizontal expression line). Entry door transparency shall be included as part of this required transparency.
I.
Required 18 inches to 30 inches storefront base.
J.
Required 18 inches to 32 inches pilaster or wall surface spaced as indicated by building type.
K.
Transparency upper stories: Refer to building types (division 6) for transparency requirements of upper stories.
L.
The storefront private frontage may have an angled corner entry as allowed by the specific building type. The angled corner entry shall meet the transparency requirements of the storefront private frontage.
M.
Frontage materials: Refer to section 90-1714 for required building materials.
The following standards apply to the at-grade private frontage type:
1.0 Access:
A.
At-grade private frontage and required entry doors shall be directly from and face a street, public path or civic space.
2.0 Allowed per building type:
The at-grade private frontage is permitted on the following building types (refer to division 6):
A.
Live/work building type.
B.
Apartment building type.
3.0 Frontage location requirements:
Refer to Illustration 7.10 for graphic representation of the location requirements for private frontage placement.
A.
The at-grade frontage is required to be placed within a build-to-zone, depending on building site specific requirements. Refer to division 6.
B.
The ground area between the principal frontage line and building façade shall have one of the following treatments depending on distance from the principal frontage line.
1.
Distance between building façade and principal frontage line is five to ten feet: Ground area may be paved to match public sidewalk or landscaped with a sidewalk connecting the entry door to the public sidewalk. Sidewalk connecting entry door and public sidewalk shall be five feet wide minimum.
2.
Distance between building façade and principal frontage line is greater than ten feet: Ground area shall be landscaped with a sidewalk connecting the entry door to the public sidewalk. Sidewalk connecting entry door and public sidewalk shall be five feet wide minimum.
C.
At-grade frontage is required to have either a covered entry door (depicted in graphic) or recessed entry door. Covered entry door shall have a roof that is supported by brackets, cables, columns, or cantilevered. Covered entry door and recessed entry door options may be used together depending on building type and site placement of building.
D.
Balconies, awnings, canopies, cornices, upper bays, and projecting signs may extend into the public right-of-way per the requirements of the encroachment section in division 3.
E.
Wells may extend into required setbacks per the requirements of the encroachment section in division 3.
4.0 Private frontage landscape requirements:
A.
Landscape for the at-grade frontage (when required) shall be grass ground cover.
AT-GRADE FRONTAGE DESCRIPTION:
The at-grade is a frontage type placed along the principal frontage line in a build-to-zone. It provides an at grade (zero step) entry into residentially scaled buildings and may be associated with lobby buildings (such as apartments).
5.0 Private frontage composition requirements:
Refer to Illustration 7.11 for frontage composition graphic reference.
A.
At-grade frontage is required to have either a covered entry door (as depicted on graphic) or recessed entry door. Covered entry door shall have a roof that is supported by brackets, cables, columns, or cantilevered. Covered entry door and recessed entry door options may be used together depending on building type and site placement of building.
B.
Depth of covered entry (if used) shall be four feet minimum.
C.
Entry door for at-grade frontages is required to be at adjacent sidewalk grade.
D.
Required entry door shall have 50 percent minimum transparency.
E.
Transparency: At-grade private frontages shall have ten percent to 30 percent of the façade be windows between the adjacent grade and finish floor line of the second story. Entry door transparency shall be included as part of this required transparency.
F.
Required 18 inches to 32 inches pilaster or wall surface spaced as indicated by building type.
G.
Transparency upper stories: Refer to building types (division 6) for transparency requirements of upper stories.
H.
Frontage materials: Refer to section 90-1714 for required building materials.
The following standards apply to the lightwell private frontage type:
1.0 Access:
A.
Lightwell private frontage and required entry doors shall be directly from and face a street, public path or civic space.
2.0 Allowed per building type:
The lightwell private frontage is permitted on the following building types (refer to division 6):
A.
Live/work building type.
B.
Rowhouse building type.
3.0 Frontage location requirements.
Refer to Illustration 7.12 for graphic representation of the location requirements for private frontage placement.
A.
The lightwell frontage is required to be placed within a build-to-zone, depending on building site specific requirements. Refer to division 6.
B.
The ground area between the principal frontage line and building façade shall have one of the following treatments depending on distance from the principal frontage line.
1.
Distance between building façade and principal frontage line is five to ten feet: Ground area may be paved to match public sidewalk or landscaped with a sidewalk connecting the entry door to the public sidewalk. Sidewalk connecting entry door and public sidewalk shall be five feet wide minimum.
2.
Distance between building façade and principal frontage line is greater than ten feet: Ground area shall be landscaped with a sidewalk connecting the entry door to the public sidewalk. Sidewalk connecting entry door and public sidewalk shall be five feet wide minimum.
C.
Lightwell frontage may have a covered entry door. Covered entry door shall have a roof that is supported by brackets, cables, or cantilevered.
D.
Required exterior stair from adjacent grade (sidewalk) up to terrace.
E.
Required exterior stair from adjacent grade (sidewalk) down to lightwell.
F.
Balconies, awnings, canopies, cornices, upper bays, and projecting signs may extend into the public right-of-way per the requirements of the encroachment section in division 3.
G.
Stoops, wells, and/or steps may extend into required setbacks per the requirements of the encroachment section in division 3.
4.0 Private frontage landscape requirements:
A.
Landscape for the lightwell frontage (when required) shall be ground cover.
LIGHTWELL FRONTAGE DESCRIPTION:
The lightwell is a frontage type placed along the principal frontage line in a build-to-zone. It has separate stairs that connect a lower level entrance (lightwell) and an upper level entrance (terrace) to the public sidewalk. This allows direct access to the first story and a partially exposed basement. Commonly used on attached buildings, this frontage may also provide outdoor seating opportunities at both the terrace and lightwell locations.
5.0 Private frontage composition requirements:
Refer to Illustration 7.13 for frontage composition graphic reference.
A.
Lightwell frontage may have a covered entry door (as depicted in graphic). Covered entry door shall have a roof that is supported by brackets, cables, or cantilevered.
B.
Entry doors for lightwell frontages are required to be accessed from a terrace and lightwell.
C.
Required entry door is not required to have transparency.
D.
Depth of required terrace shall be four feet minimum and eight feet maximum.
E.
Depth of required lightwell shall be four feet minimum and eight feet maximum.
F.
Terrace shall be three feet minimum above adjacent grade.
G.
Transparency between first story finish floor and second story finish floor: Ten percent to 30 percent of the façade shall be windows between the adjacent grade and finish floor line of the second story. Door transparency (if used) may be included in required transparency measurement.
H.
Transparency between first story finish floor and finish floor of lightwell (floor below first floor): 15 percent to 30 percent of the façade shall be windows between the adjacent grade and finish floor line of the lightwell floor (floor below first floor). Door transparency (if used) may be included in required transparency measurement.
I.
Required 18 inches to 32 inches pilaster or wall surface spaced as indicated by building type.
J.
Transparency upper stories: Refer to building types (division 6) for transparency requirements of upper stories.
K.
Frontage materials: Refer to section 90-1714 for required building materials.
The following standards apply to the stoop private frontage type:
1.0 Access:
A.
Stoop private frontage and required covered entry doors shall be directly from and face a street, public path or civic space.
1.
Exception: Stoop and entry door may be located on the side of two-family and single-family home building types when the stoop is connected to the public sidewalk with a minimum of three-foot sidewalk.
2.0 Allowed per building type:
The stoop private frontage is permitted on the following building types (refer to division 6):
A.
Live/work building type.
B.
Apartment building type.
C.
Rowhouse building type.
D.
Two-family house building type.
E.
Single-family house building type.
3.0 Frontage location requirements
Refer to Illustration 7.14 for graphic representation of the location requirements for private frontage placement.
A.
The stoop frontage is required to be placed within a build-to-zone, depending on building site specific requirements. Refer to division 6.
1.
Exception: As noted in subsection 1.0.A.1 of this section.
B.
The ground area between the principal frontage line and building façade shall be landscaped with a sidewalk connecting the stoop to the public sidewalk. Sidewalk connecting stoop and public sidewalk shall be three feet wide minimum.
C.
Stoop frontage shall have a covered entry door. Covered entry door shall have a roof that is supported by brackets, cables, or cantilevered.
D.
Balconies, awnings, canopies, cornices, upper bays, and projecting signs may extend into the public right-of-way per the requirements of the encroachment section in division 3.
E.
Stoops, wells, and/or steps may extend into required setbacks per the requirements of the encroachment section in division 3.
4.0 Private frontage landscape requirements:
A.
Landscape for the stoop frontage shall be ground cover.
STOOP FRONTAGE DESCRIPTION:
The stoop is a frontage type typically placed along the Principal Frontage line, although it may also be placed in the side yard. A stoop is a small staircase leading to the entrance of a building that has a roof at the entrance. The elevation of the stoop is required to achieve privacy for residential uses on the first story.
5.0 Private frontage composition requirements:
Refer to Illustration 7.15 for frontage composition graphic reference.
A.
Stoop frontage is required to have a covered entry door that has a roof that is either supported by brackets, cables, columns (depicted in graphic), or cantilevered.
B.
Depth of stoop landing shall be four feet minimum.
C.
Stoop shall be 12 inches minimum above adjacent grade.
D.
Required entry door is not required to have transparency.
E.
Transparency: Stoop private frontages shall have ten percent to 30 percent of the façade be windows between the adjacent grade and finish floor line of the second story. Door transparency (if used) may be included in required transparency measurement.
F.
Transparency upper stories: Refer to building types (division 6) for transparency requirements of upper stories.
G.
Frontage materials: Refer to section 90-1714 for required building materials.
The following standards apply to the porch private frontage type:
1.0 Access:
A.
Porch private frontage and required entry doors shall be directly from and face a street, public path or civic space.
2.0 Allowed per building type:
The porch private frontage is permitted on the following building types (refer to division 6):
A.
Apartment building type.
B.
Rowhouse building type.
C.
Two-family house building type.
D.
Single-family house building type.
3.0 Frontage location requirements
Refer to Illustration 7.16 for graphic representation of the location requirements for private frontage placement.
A.
The porch frontage is required to be placed within a build-to-zone, depending on building site specific requirements. Refer to division 6.
B.
The ground area between the principal frontage line and building façade shall be landscaped with a sidewalk connecting the stoop to the public sidewalk. Sidewalk connecting stoop and public sidewalk shall be three feet wide minimum.
C.
Balconies, awnings, canopies, cornices, upper bays, and projecting signs may extend into the public right-of-way per the requirements of the encroachment section in division 3.
D.
Porches, wells, and/or steps may extend into required setbacks per the requirements of the encroachment section in division 3.
4.0 Private frontage landscape requirements:
A.
Landscape for the porch frontage shall be ground cover.
PORCH FRONTAGE DESCRIPTION:
The porch is a frontage type placed along the principal frontage line(s) within a build-to-zone. Porches are open-air structures that are attached to the principal building, forming a covered entrance. Porch dimensions need to be such that sufficient space for furniture is provided, allowing comfortable use of the space.
5.0 Private Frontage Composition Requirements
Refer to Illustration 7.17 for frontage composition graphic reference.
A.
Porch frontage is required to be covered by a roof that is supported by columns.
B.
Depth of porch floor shall be eight feet minimum.
C.
Porch floor shall be 18 inches minimum above adjacent grade.
D.
Required entry door is not required to have transparency.
E.
Transparency: Porch Private Frontages shall have ten percent to 30 percent of the façade be windows between the adjacent grade and finish floor line of the second story. Door transparency (if used) may be included in required transparency measurement.
F.
Transparency upper stories: Refer to building types (division 6) for transparency requirements of upper stories.
G.
Frontage materials: Refer to section 90-1714 for required building materials.
I.
Private frontage exterior walls:
1.0 Intent:
A.
Private frontage walls shall reflect and complement the materials and construction techniques of West Michigan's regional architecture.
B.
Materials on exterior walls shall express the construction techniques and structural constraints of traditional and long-lasting building materials.
C.
All exterior wall materials shall express their specific properties. For example, heavier more permanent materials (masonry) shall support lighter materials (wood).
D.
Private frontage walls shall be compatible and complement the building walls.
2.0 Exterior wall materials:
The following materials are permitted on exterior walls:
A.
Brick and masonry.
B.
Stone (or synthetic equivalent).
C.
Pre-cast masonry (for trim and cornice elements only).
D.
Polyurethane and Cellular PVC shapes (for cornice element only).
E.
Metal (for beams, lintels, trim elements and ornamentation only).
F.
Split-faced block (for piers and foundation walls only).
G.
Wood lap siding.
H.
Cement board siding (Hardie-Plank or equivalent).
I.
Other materials as approved by planning director or planning commission.
3.0 Exterior wall configurations and techniques:
The following configurations and construction techniques shall be utilized when assembling exterior walls:
A.
Wall openings shall not span vertically more than one story.
B.
Wall openings shall correspond to interior space and not span horizontally across the building.
C.
Wall materials shall be consistent horizontally (i.e. - joints between different materials shall be horizontal and continue around corners) except at chimneys and piers.
D.
Cement board siding shall have a smooth finish (no faux wood grain).
E.
All trim on wood- and cement board-sided walls (including window trim, door trim, horizontal expression lines and corner trim) shall be similar to the material of the siding.
II.
Roofs and parapets:
1.0 Intent:
A.
Roofs and parapets shall demonstrate recognition of the climate by utilizing appropriate pitch, drainage and materials.
B.
Sustainable practices, such as green roof technology, are strongly encouraged to the maximum extent possible.
2.0 Roof materials for pitched or sloped roofs:
The following materials are permitted for pitched roofs:
A.
Slate (or equivalent synthetic).
B.
Metal (standing seam or similar).
C.
Dimensional asphalt shingles.
D.
Other materials as approved by planning director or planning commission.
3.0 Roof materials for flat roofs:
The following materials are permitted for flat roofs:
A.
Any material that is permitted by the Building Code.
4.0 Materials for cornices:
The following materials are permitted for parapets and cornices:
A.
Any material that is permitted in the exterior building wall section.
B.
Material shall be consistent and compatible with the material of the exterior wall.
5.0 Pitched roof configurations and techniques:
The following configurations and construction techniques shall be utilized when assembling pitched roofs:
A.
Simple hip and gable roofs shall be symmetrically pitched between 4:12 and 12:12.
B.
Shed roofs attached to the main structure shall be pitched between 4:12 and 7:12.
C.
Eaves shall overhang a minimum of 12 inches.
D.
Rakes (gable end) shall overhang a minimum of eight inches.
E.
Open eaves and simple traditional soffits and fascia are encouraged.
III.
Windows and doors:
1.0 Window materials:
A.
Window frames shall be anodized aluminum, wood, clad wood, vinyl, or steel.
B.
Glass in windows shall be clear. Refer to definitions in division 11 for requirements of clear glass.
C.
Window screens shall be black or gray.
D.
Screen frames shall match window frame material or be dark anodized.
2.0 Door materials:
A.
Door frames shall be anodized aluminum, wood, clad wood, or steel.
B.
Doors shall be made of wood, clad wood, fiberglass, steel, or other materials as approved by planning director or planning commission.
C.
Any glass that is provided in doors as part of minimum transparency requirements shall be clear. Refer to definitions in division 11 for requirements of clear glass.
3.0 Window configurations and techniques:
A.
Windows may be ganged horizontally (maximum five per group) if each grouping is separated by a mullion, column, pier or wall section.
B.
Windows shall be no closer than 30 inches to a building corner, excluding bay windows.
C.
Windows shall be square or vertically proportioned.
D.
Exterior shutters, if applied, shall be sized and mounted appropriately for the window (i.e. each shutter shall be one-half the window width).
4.0 Door configurations and techniques:
A.
Double height entries (those that span more than one story) are not allowed.
B.
Roll down security gates and doors are prohibited.
IV.
Awnings and canopies:
1.0 Awning and canopy materials:
A.
Awnings shall be cloth, canvas or similar material. Shiny or reflective surfaces are not permitted.
B.
Canopies shall be metal.
C.
Internal illumination is not permitted on awnings or canopies.
D.
One-quarter or one-half cylinder style awnings are not permitted.
The purpose of this division is to identify guidelines for the thoroughfare types (streets and streetscapes) permitted within the context areas of the Form Based Code. These guidelines help to ensure that proposed development is consistent with the City of Wyoming Land Use Plan.
The guidelines of this division apply to thoroughfares located in the Form Based Code areas.
(a)
Each proposed thoroughfare shall be designed based on the guidelines established within this division.
(1)
Permitted thoroughfare types for each context area are identified in Table 90-1802.
(2)
The "crescent street" identified in the 28th Street Sub Area Plan and depicted on Map 90-1403 (located in division 4) shall be designed based on the guidelines for Thoroughfare Type AV-110-66-C.
(3)
City planner, planning commission, city engineer, and/or city DPW director may authorize deviation from thoroughfare guidelines when existing conditions or other physical constraints warrant thoroughfare design changes.
Refer to Table 90-1802 to determine the specific thoroughfare types that are permitted in each of the context areas.
The following thoroughfare type guidelines are specified in this division:
(a)
Avenue AV-110-66-C: Avenue with center median.
(b)
Street ST-60-35-C: Commercial street.
(c)
Street ST-60-35-R: Residential street.
(d)
Yield street YS-60-27-R: Residential yield street.
(e)
Rear alley RA-20-20-C: Commercial alley.
(f)
Rear alley RA-20-12-R: Residential alley.
White cells represent Context Areas where ThoroughfareType is permitted.
Darkened cells represent Context Areas where Thoroughfare Type is NOT permitted.
Refer to sample pages on this sheet for references of how to use each thoroughfare type guideline. These pages are representative of the layout for each thoroughfare type contained in this division.
(a)
Thoroughfare attributes. This box contains a table that lists technical information that pertains to the dimensional requirements and the performance standards that are suggested for the thoroughfare type.
A description is also included as an introduction to the thoroughfare type.
(b)
Thoroughfare key. This box contains a thoroughfare key that provides the basic nomenclature for the thoroughfare names. These names allow the basic elements of the thoroughfare to be quickly identified including the type and the design dimensions. Each element of the name is briefly described within this key.
A diagram that graphically describes the pedestrian realm design zones is also included here. This diagram describes the two basic zones of the public realm between the right-of-way line and the street curb.
The information contained within this box is general to all thoroughfare types.
(c)
Thoroughfare cross-section. This diagram provides a cross section of the thoroughfare in order to describe its entire assembly. The cross section will typically include everything within the public realm - from right-of-way line to right-of-way line. Dimensional parameters are indicated for sidewalks, street pavement, travel lanes, parking lanes and bike lanes. (Building masses are indicated for user orientation only.)
(d)
Thoroughfare plan view. The second page of each thoroughfare type has a diagram that provides a plan view of the entire assembly. The plan view will typically include everything within the public realm - from right-of-way line to right-of-way line. Dimensional parameters are indicated for sidewalks, street pavement, travel lanes, parking lanes and bike lanes. Location of bulb-outs are conceptually indicated. (Building masses are indicated for user orientation only).
Alley types do not include a plan diagram.
The following guidelines apply to all Thoroughfare Types:
(a)
Thoroughfares are intended to be for use by all modes of transportation, including vehicular, bicycle, and pedestrian.
(b)
Thoroughfares shall generally consist of vehicular lanes, parking lanes, a pedestrian realm (the sidewalk area), and landscaping.
(c)
Thoroughfares shall be designed in context with the urban form and desired design speed of the context area through which they pass.
(d)
Thoroughfare network shall be designed to define blocks not exceeding the size prescribed in division 5, subdivision and access standards.
(e)
All thoroughfares shall terminate at other thoroughfares, forming a network. Culs-de-sac shall be subject to approval by planning director or planning commission, to accommodate specific site conditions only.
(f)
Each lot shall front on at least one thoroughfare.
(g)
Each thoroughfare shall have street canopy trees consistent with the requirements of this Division.
(h)
Street canopy trees shall be "limbed up" so as to not interfere with pedestrian or automobile travel. (Minimum seven feet clear over the sidewalk and minimum 14 feet clear over travel lanes).
(i)
Unpaved ground area fronting lots shall be planted with groundcover consistent with the requirements of division 6 building types and division 7 private frontage types.
The purpose of this division is to regulate and ensure the provision of parking spaces and access drives are designed for motor vehicles and bicycles. The division also provides options for adjusting parking requirements and providing parking alternatives. These standards ensure that the parking needs of new land uses and development are met, while being designed and located in a manner consistent with the City of Wyoming Land Use Plan.
The regulations of this division apply to off-street parking and landscaping located in the Form Based Code.
(a)
Whenever use of a building or lot is changed to another classification of use, off-street parking facilities shall be provided as required by this division.
(b)
If the intensity of use of any building (other than a single- or two-family residence) or lot is increased, through the addition of floor area, increase in seating capacity, number of employees or other means, additional off-street parking shall be provided for such increase in intensity of use.
The maximum number of required off-street parking spaces shall be provided and maintained on the premises or as otherwise allowed by this article, on the basis of the following and the specific requirements of section 90-600 in article 6.
(a)
When units or measurements determining the number of required parking spaces result in a fraction over one-half, a full parking space shall be required.
(b)
In the case of a use not specifically mentioned, the requirement for off-street parking facilities for a specified use which is most similar shall apply, as determined by the city planner.
(c)
Where parking requirements are based upon maximum seating or occupancy capacity, the capacity shall be as determined by the Building Code and the Fire Code.
(Ord. No. 12-24, § 13, 11-4-24)
Parking space requirements may be reduced by no more than 50 percent (except as provided in the bicycle reduction in subsection D.2.) as part of the site plan approval by the site plan review authority, based upon one or more of the following conditions:
(a)
Shared parking with staggered peak periods. Where a mix of land uses on two or more adjacent lots create staggered peak periods of parking demand, the on-site parking requirements for the adjacent lots may be reduced subject to the following:
(1)
Shared parking areas shall be located within 300 feet of the use.
(2)
Pedestrian connections shall be maintained between the buildings or uses.
(3)
Lots shall be adjacent and shall be interconnected for vehicular passage.
(4)
A shared parking agreement shall be submitted.
(5)
For shared parking with places of worship, the other uses shall not normally operate between the hours of 6:00 a.m. and 6:00 p.m. on Sundays.
(b)
Mixed use buildings. Where one mixed use building on one lot creates staggered peak periods of parking demand, the on-site parking requirements for the single lot may be reduced subject to the following:
(1)
Mixed use building type shall have different uses on multiple floors that create a staggered demand.
(c)
Expectation of walk-in trade due to sidewalk connections to adjacent residential neighborhoods or employment centers. In allowing a parking space reduction, the site design shall incorporate pedestrian connections to the site and on-site pedestrian circulation providing safe and convenient access to the building.
(d)
Availability of other modes of travel. To qualify, the site plan must incorporate transit stops, pedestrian connections to nearby transit stops, or bicycle parking facilities, as applicable.
(1)
Transit reduction. Structures or uses shall be within 300 feet of a transit stop. The rapid shall verify in writing that the transit stop is in a permanent location.
(2)
Bicycle reduction. Parking requirements may be reduced by one space for every four covered, secure bicycle parking spaces that are provided on site. Parking requirements may be further reduced by four spaces where free showers are available for employee use within the building.
(e)
Where the applicant has provided a parking study, conducted by a qualified professional, that demonstrates that another standard would be more appropriate based on actual number of employees or expected level of customer traffic. Actual counts at a similar establishment provided by the applicant may also be acceptable.
(f)
A parking study may be required as part of site plan review to document that any one of the criteria subsections (a) through (d) above would be met.
(a)
Written easements that provide for continued use and maintenance of shared parking shall be submitted to the site plan review authority for review and approval. Any agreement shall include provisions to address changes in use.
(b)
Shared parking leases or agreements shall have a term of not less than five years, including any renewals at the option of the lessee.
(c)
Should the agreement be voided or expire for any reason, the uses utilizing the shared parking facility shall provide all required parking spaces in accordance with the requirements of this article, or shall be in violation thereof.
(a)
Where a reduction in the number of parking spaces is not warranted but an applicant demonstrates that the parking requirements for a proposed use would be excessive, the site plan review authority may defer ("bank") some of the required parking. The site plan shall designate portions of the site for future construction of the required parking spaces. This banked area shall be maintained in a landscaped appearance and not be located within required greenbelts or parking lot setback areas and shall not be used for any other purpose.
(b)
The site plan shall show the area proposed to be banked, with all required site plan elements, but shall indicate with hatching, dashed lines, or other means the area to be banked. The site plan shall include parking space requirements, with the number of spaces required, number proposed at initial construction, and number of spaces banked.
(c)
Construction of part or all of the additional spaces designated for the banked parking area may be initiated by the owner or required by the city, based on parking needs or observation of parking deficiencies, and shall require administrative approval of an amended site plan.
(a)
Off-street parking location and setbacks. Off-street parking lots shall meet the setback requirements (Refer to Illustration 9.01) of the Building Type that they are servicing, as follows:
(1)
Principal frontage parking. Off-street parking is prohibited along principal frontages. Refer to Illustration 9.01.
Exception: Off-street parking is permitted in conjunction with retail building type in corridor edge context area. Refer to section 90-1608 in division 6.
(2)
Principal frontage parking access. Access drives along principal frontages are discouraged. If principal frontage access is required by site limitations, shared access is strongly encouraged.
(3)
Secondary frontage parking and access. Off-street parking and access is prohibited along the first 40 feet of secondary frontages, measured from the principal frontage line. Refer to Illustration 9.01.
(4)
Secondary frontage. Parking lots located adjacent to secondary frontages shall not extend past the building wall and are required to have a parking lot landscape screen per section 90-1914. Refer to Illustration 9.01.
(5)
In cases where two different building types are using a shared parking lot, the more restrictive setback requirements shall be used.
(6)
Off-street parking areas shall be separated at least ten feet from buildings in order to make room for a sidewalk, landscaping, and other planting between the building and the parking area.
Exception: This separation may be eliminated to the rear of buildings in areas designed for unloading and loading.
(b)
Off-street parking facilities required for all uses shall be located on the same lot or within 300 feet of the use(s) they are intended to serve, as measured from the nearest point of the parking facility to the nearest entry of the building(s) served.
(c)
Off-street parking facilities required for single- and two-family dwellings shall be located on the same lot or parcel as the building they are intended to serve, and shall consist of a driveway and/or garage. All residential driveways shall provide a minimum width of at least eight feet. Driveways must be paved and shall be set back at least one foot from adjoining side lot lines. All parking spaces shall be paved and no more than one parking space shall be located within the required front yard. Additions to existing single- and two-family dwellings shall not require the paving of an unpaved driveway.
For parking construction and development refer to section 90-601(2).
(a)
Dimensional requirements. Parking stall and driving aisles shall meet the minimum dimensional requirements of section 90-601(2)(c).
(b)
Internal arrangement. Internal arrangement and design shall be approved by the city engineer for appropriate grades, traffic circulation, aisle length, column spacing, ceiling height, exit stairwell and elevator location.
(c)
Access points/lanes. Storage areas for entering and exiting traffic should be long enough to minimize backups of traffic onto surrounding streets or within the garage.
(d)
Lighting and security. Adequate lighting is necessary for the safe movement of vehicles and pedestrians and for the security of patrons and parked vehicles.
(e)
Location and setback requirements. Parking structures shall be set back the same distance as required for the building type that they are serving.
(f)
Ground level active use. An active use is required at the ground level of the parking facility where the structure abuts a principal or secondary frontage.
(g)
Active use. Space for the active use shall have a minimum depth of 30 feet and minimum width not less than 80 percent of the building frontage on principal frontages and not less than 50 percent of the building frontage on the secondary frontages.
(h)
Liner building. In lieu of an active use on the ground level, a parking structure may be paired with a liner building at principal and secondary frontages. Liner buildings may be one (or a combination of) the following building types.
(1)
Mixed use building type.
(2)
Live-work building type.
(3)
Apartment building type.
(4)
Rowhouse building type.
(i)
Architecture. Parking structures shall be architecturally compatible with the buildings they serve.
For parking facility maintenance refer to section 90-601(4).
For limitations on use of parking lots refer to section 90-601(5).
For off-street loading requirements refer to section 90-602.
For driveway access management refer to section 90-603.
In order to provide a more aesthetic appearance, a measure of shading, increased oxygen generation, and reduced air pollution, wherever site plan approval is required in this chapter, part of that approval shall include a parking lot landscaping plan unless waived by the city planner under the provisions of section 90-504 of this zoning code. The applicable parking lot landscaping plan requirements are detailed in Table 90-504(e) of this zoning code. The following standards shall apply for all required landscaping:
(a)
Parking lot landscape screen. Parking lots located adjacent to secondary frontages shall have one of the following landscape screens located at the secondary frontage line.
(1)
Wall screen. Walls used as a screening device shall be constructed of permanent, low-maintenance materials such as concrete, brick, or architectural block. Such screens shall have minimum 80 percent opacity. Wire or chain link fencing, painted or stained wood screens and unpatterned or unpainted concrete or concrete block shall not be permitted. Walls shall avoid a blank and monotonous appearance by using decorative patterns or architectural elements such as piers, pilasters or breaks in the wall. Walls used as screens shall not be less than 36 inches nor greater than 48 inches in height. A wall used as a screen may be placed at the lot line. A two-foot minimum buffer shall be provided between the wall and the parking or loading area to accommodate the overhang of cars and protect the wall wherever cars are likely to park adjacent to the wall. Walls may be used in conjunction with the landscape buffer in subsection (a)(4) below.
(2)
Fence with landscape buffer. A decorative fence shall be installed at the lot line and shall be used in conjunction with the landscape buffer described in subsection (a)(4) below. The fence shall be constructed of painted decorative elements between 36 and 48 inches in height. Wire or chain link fencing shall not be permitted adjacent to public rights-of-way.
(3)
Landscape hedge buffer. A minimum five-foot wide landscape buffer, consisting of ornamental grasses, hedges, shrubbery, or other planted materials shall be provided. The buffer shall have a minimum height of three feet when planted, and shall be maintained to form a minimum visual screen of a maximum of four feet in height with 80 percent summer opacity within two years after planting. Planting boxes or raised planters, constructed of materials acceptable under wall screens in subsection (a)(1) above may be used, provided the height and opacity of such elements meet the criteria established within this subsection.
(4)
Landscape buffer (in conjunction with decorative fence). A minimum two-foot wide landscape buffer shall be provided in addition to the requirements of a fence as described in subsection (a)(2) above. The landscape buffer shall be placed between the fence and the lot line. Groundcover, ornamental grasses, annual or perennial flowers, shrubs, trees or a combination thereof may be used to soften the appearance of the fence. Landscape buffer may also be used with the wall screen described in subsection (a)(1) above.
(5)
Changes in grade. In situations where the parking area is more than three feet below or above grade at the lot line, a landscape buffer having a minimum width of three feet shall be provided at the grade of the sidewalk. A wall, fence, or landscape hedge shall be provided between the right-of-way and the parking area, as described in this section. If a retaining wall is used and exposed to view from the public realm, it shall comply with the wall screen described in subsection (a)(1) above.
(b)
Parking lots. For every 25 parking spaces, or fraction thereof, there shall be provided an interior landscape area at least ten feet in width and 20 feet in length. Said landscape area shall contain at least one shade tree, at least 2.5-inch caliper. Other landscaping treatment shall be included in the landscape area, including, but not limited to, groundcover, ornamental grasses, annual or perennial flowers, or shrubbery. Shrubbery must be planted at least three feet from all sidewalks, drives and parking spaces, so as to not infringe upon same. Interior landscape areas shall be dispersed evenly throughout parking lot.
(c)
Installation and maintenance. Refer to division 3 general provisions for landscape installation and maintenance requirements.
Division 10 identifies sign standards that are intended to appropriately limit the placement, type, size, construction, illumination, and number of signs allowed within a specific context area and to require the proper maintenance of signs. The regulations and standards of this division are intended to be content neutral and are considered the minimum necessary to achieve a substantial government interest for public safety, aesthetics, and protection of property values. The purpose of these limitations and requirements are to:
(a)
Protect the public right to receive messages and information protected by the First Amendment of the U.S. Constitution;
(b)
Safeguard and protect the public health, safety, and general welfare;
(c)
Promote aesthetic and environmental values of the community by providing for signs that do not impair the attractiveness of the city as a place to live, work and shop;
(d)
Avoid traffic safety hazards to motorists, bicyclists, and pedestrians, caused by visual distractions and obstructions;
(e)
Enable the public to locate goods, services and facilities without excessive difficulty and confusion by restricting the number and placement of signs;
(f)
Provide for signs as an effective channel of communication, while ensuring that signs are aesthetically designed and proportioned in relation to adjacent structures and the structures to which they are attached;
(g)
Recognize that the principal intent of commercial signs is for identification of an establishment on the premises, and not for advertising off-premises activities; and
(h)
Regulate portable commercial signs in recognition of their significant negative impact on traffic safety and aesthetics.
(a)
The regulations of this division apply to signs located in the Form Based Code district as follows:
(1)
Any building or parcel with a principal or secondary frontage along the Crescent Street.
(2)
Any building or parcel with a principal or secondary frontage along a new private or platted road within the Form Based Code area.
(3)
Any building or parcel with a principal or secondary frontage along Michael Street south to Prairie Parkway.
(4)
Any building or parcel with a principal or secondary frontage along Division Avenue.
(b)
No person, firm, or corporation shall erect, repair, alter, relocate, display or maintain any sign which does not comply with the standards set forth in this Division, and no permit shall be issued for any such sign.
This division does not apply to the following signs:
(a)
Signs which are not applicable per section 90-2001.
(b)
Signs which are exempt per section 90-703.
The following signs shall be prohibited within the Form Based Code district:
(a)
Any sign not expressly permitted.
(b)
Signs prohibited per section 90-704.
(c)
Signs in the right-of-way. No sign, except those established and maintained by the city, county, state or federal governments, shall be located in, project into, or overhang a public right-of-way or dedicated public easement.
Exception: The following signs may be located in, project into, or overhang a public right-of-way when an encroachment permit is obtained:
(1)
Sidewalk sign type.
(2)
Any approved projecting sign type that is attached to a building.
(3)
Any approved awning sign type that is attached to a building.
For general standards for permitted signs, see section 90-705 of the City of Wyoming Zoning Ordinance.
(a)
Sign types are indicated as follows. Sign types regulated by this division include:
(1)
Sign band signs.
(2)
Wall signs.
(3)
Projecting signs.
(4)
Awning signs.
(5)
Window signs.
(6)
Sidewalk (sandwich board) signs.
(7)
Ground signs.
(b)
Temporary signs. For temporary sign standards, see section 90-708(4) and Table 90-708-4.
Off-premise advertising shall not be permitted.
For nonconforming signs, see section 90-710 and section 90-1310(c).
For dangerous, unsafe, abandoned and illegally erected signs, see section 90-711.
For administration, see section 90-712.
The following standards apply:
1.0 Sign band sign standards:
A.
Sign content (letters, corporate logos, symbols or designs) may be engraved, painted, or surface mounted on the building's sign band or horizontal expression band. Sign content shall be made of materials visually compatible with the display surface.
B.
Dimensional requirements of sign band and horizontal expression band are indicated in frontage standards in division 7.
C.
Sign content is not required to be placed in sign band or horizontal expression line.
2.0 Sign band sign location:
A.
Sign bands signs are permitted to be installed at the sign band or horizontal expression band above a storefront window or transom on buildings that have storefront, balcony, or drive-through private frontage.
1.
At corner lot buildings, sign band signs are also permitted to be installed at the sign band or horizontal expression line above storefronts or transoms at the secondary frontage line.
3.0 Sign band sign size and proportion:
Refer to Illustration 10.01 for graphic representation of the dimensional requirements regarding sign band signs.
A.
Sign band sign sizes and proportions are relative to the size of the building's sign band or horizontal expression band.
B.
Vertical placement: Sign content height shall not exceed 80 percent of the overall height of the sign band or horizontal expression band.
C.
Horizontal placement: Sign content within the sign band or horizontal expression band shall not come closer than two feet to the side edges of the sign band.
D.
Sign content shall not extend more than three inches from the face of the sign band or horizontal expression line.
4.0 Sign band sign quantity:
A.
The number of sign band signs allowed per building shall not exceed the quantities indicated in Table 90-2018.
B.
Sign bands may be used in conjunction with other sign types.
5.0 Sign band sign illumination:
A.
Sign band signs may be externally illuminated per the requirements of subsection 90-705(5).
B.
Sign band signs are not permitted to be internally illuminated.
C.
Sign band is not permitted to be illuminated with neon illumination.
D.
Sign band is not required to be illuminated.
DESCRIPTION: A sign that is painted on, incorporated in, or attached directly to the sign band or horizontal expression band above a storefront window or transom on buildings that have Storefront, Balcony, or Drive-through Private Frontages.
The following standards apply:
1.0 Wall sign standards:
A.
Wall signs shall be designed to be compatible with the character of the building and building materials in order to promote a unified design which compliments the building's massing, scale and character.
B.
Wall sign content may include letters, corporate logos, symbols or designs that are painted or applied to the building wall.
2.0 Wall sign location:
Refer to Illustration 10.02 for location requirements of wall signs.
A.
Wall signs are permitted on the fronts of the following buildings:
1.
Live/work building.
2.
Apartment building.
3.
Civic building.
B.
Wall signs are permitted on the sides (along secondary frontage lines) of the following buildings:
1.
Mixed use building.
2.
Zero lot line retail building.
3.
Retail building.
4.
Live/work building.
5.
Apartment building.
6.
Civic building.
C.
Wall signs are permitted on the non-frontage backs of buildings if the building has a parking lot or alley along the non-frontage rear.
D.
Wall signs shall be a minimum of three feet above the adjacent grade.
E.
Wall signs shall not come closer than two feet to the corner of the building.
3.0 Wall sign size and proportion
Refer to Table 90-2017 for sizes of wall signs for specific building types in each context area.
4.0 Wall sign quantity:
A.
The number of wall signs allowed per building shall not exceed the quantities indicated in Table 90-2018.
B.
Wall signs may be used in conjunction with other sign types.
5.0 Wall sign illumination:
A.
Wall signs may be externally or internally illuminated per section 90-705(5).
B.
Wall signs are not permitted to be illuminated with neon illumination.
C.
Wall signs are not required to be illuminated.
DESCRIPTION:
A sign that is painted on, incorporated in, or attached directly to a building wall, with the exposed face of the sign in place parallel to the building wall.
The following standards apply:
1.0 Projecting sign standards:
A.
Projecting signs shall be designed to be compatible with the character of the building and building materials in order to promote a unified design which compliments the building's massing, scale and character.
B.
Projecting sign content may include letters, corporate logos, symbols, or designs that are painted, applied or surface mounted on the sign surface.
C.
Projecting signs shall have content on both sides of the sign.
D.
Projecting signs placed on fabric, cloth or canvas shall be securely anchored to a sign frame.
2.0 Projecting sign location:
Refer to Illustration 10.03 for graphic representation of the location requirements regarding projecting signs.
A.
Projecting signs are permitted on the fronts of the following buildings:
1.
Mixed use building.
2.
Zero lot line retail building.
3.
Retail building.
4.
Live/work building.
5.
Apartment building.
6.
Civic building.
B.
Projecting signs shall be a minimum of eight feet above the adjacent grade.
C.
Projecting signs shall not extend more than four feet from the face of building.
D.
Projecting signs are required to be perpendicular to the building face.
3.0 Projecting sign size and proportion:
Refer to Table 90-2017 for sizes of projecting signs for specific building types in each context area.
A.
Maximum height of projecting signs shall be four feet.
B.
Maximum width of projecting signs shall be three feet.
4.0 Projecting sign quantity:
A.
The number of projecting signs allowed per building shall not exceed the quantities indicated in Table 90-2018.
B.
Projecting signs may be used in conjunction with other sign types.
5.0 Projecting sign illumination:
A.
Projecting signs may be externally or internally illuminated per section 90-705(5).
B.
Projecting signs are not permitted to be illuminated with neon illumination.
C.
Projecting signs are not required to be illuminated.
(Ord. No. 9-25, § 12, 7-7-25)
The following standards apply:
1.0 Awning/canopy sign standards:
A.
Awning and canopy sign content may include letters, corporate logos, symbols, or designs that are painted, applied or surface mounted on the awning or canopy surface. Sign content on canopy signs may also be located above the canopy sign.
2.0 Awning/canopy sign location:
Refer to Illustrations 10.04 and 10.05 for graphic representation of the location requirements regarding awning and canopy signs.
A.
Awning signs are permitted on the fronts and sides (along secondary frontage lines) of buildings above any windows and/or doors where awnings are placed.
B.
Canopy signs are permitted on the fronts and sides (along secondary frontage lines) of buildings above doors where canopies are placed.
C.
Awning and canopies shall be a minimum of eight feet above the adjacent grade.
D.
Height of awning valance shall be between eight and 14 inches.
E.
Height of sign content on awning valence shall not exceed 80 percent of the valence height.
F.
Width of awning shall not exceed the width of the door or window that it is above.
G.
Width of sign content on awning valence shall not exceed 90 percent of the valence width.
H.
Area of sign content located on the shed (sloped) area of the awning shall not exceed 30 percent of the overall shed area.
I.
Width of canopy shall not exceed the width of the door that it is above.
J.
Sign content may be placed on or above the canopy fascia and shall not exceed 90 percent of the width of the canopy.
K.
Height of canopy sign content shall not exceed 90 percent of the height of the canopy.
3.0 Awning/canopy sign size:
Refer to Table 90-2017 for sizes of awning and canopy signs for specific building types in each context area.
4.0 Awning/canopy sign quantity:
A.
The number of awning and canopy signs allowed per building shall not exceed the quantities indicated in Table 90-2018.
B.
Awning and canopy signs may be used in conjunction with other sign types.
5.0 Awning/canopy sign illumination:
A.
Awning and Canopy Signs are not permitted to be illuminated.
DESCRIPTION:
Awning signs may be painted, screen printed or appliquéd to the awning. Canopy signs shall be attached upon the face or above the face of metal canopies. Awning and canopy signs shall be placed on canopies or awnings that are above doors and/or windows.
The following standards apply:
1.0 Window sign standards:
A.
Surface applied window signs shall be professionally painted or applied letters, corporate logos, symbols or designs.
B.
Neon tube window signs shall be custom neon tubes that are bent to form letters or images independent of a separate structure other than the required fastening of the neon tube. Neon channel signs are not permitted.
2.0 Window sign location:
A.
Surface applied window signs are permitted on the ground and upper floor front and side (along secondary frontages) windows of the following buildings:
1.
Mixed use building.
2.
Zero lot line retail building.
3.
Retail building.
4.
Live/work building.
B.
Neon tube window signs are permitted on the ground and upper floor front and side (along secondary frontages) windows of the following buildings:
1.
Mixed use building.
2.
Zero lot line retail building.
3.
Retail building.
C.
Window signs shall be installed on the inside face of the window.
3.0 Window sign size and proportion:
Refer to Table 90-2017 for sizes of window signs for specific building types in each context area. Refer to Illustration 10.06 for graphic representation of surface applied window sign proportions.
A.
Surface applied window signs across the bottom 12 inches of storefronts may cover the entire width of the storefront.
B.
Width of surface applied window signs above 12 inches from the bottom of the storefront shall not exceed five feet.
C.
Height of surface applied window signs above 12 inches from the bottom of the storefront shall not exceed three feet.
D.
Table 90-2017 indicates maximum areas of surface applied window signs.
E.
Table 90-2017 indicates maximum areas of neon tube window signs.
4.0 Window sign quantity:
A.
The number of window signs allowed per building shall not exceed the quantities indicated in Table 90-2018.
B.
Window signs may be used in conjunction with other sign types.
5.0 Window sign illumination:
A.
Surface applied window signs are not permitted to be illuminated.
DESCRIPTION:
Window signs are any sign, picture, symbol or combination thereof that is designed to communicate information about activity, business, commodity, event, sale, or service that is placed on the interior of the window and which is intended to be seen by the public from the outside. Window signs include neon tube signs that indicate "open" for business and other neon tube signs as indicated in this subsection.
The following standards apply:
1.0 Sidewalk Sign Standards:
A.
Sidewalk signs may be used to announce daily specials, sales, or point to shops off the sidewalk.
B.
Sidewalk sign content may include letters, corporate logos, symbols, or designs that are painted, applied or temporarily written on the sign surface.
C.
Sidewalk signs shall have content on both sides of the sign.
2.0 Sidewalk sign location:
A.
Sidewalk signs are permitted on the sidewalks along principal frontages adjacent to the following buildings.
1.
Mixed use building.
2.
Zero lot line retail building.
3.
Retail buildings except in corridor edge (CE).
B.
Sidewalk signs shall not interfere with pedestrian travel or encroach upon the required accessible path.
C.
Sidewalk signs shall only be displayed during business hours and shall be removed when the business is closed.
3.0 Sidewalk sign size and proportion:
Refer to Table 90-2017 for sizes of sidewalk signs for specific building types in each context area. Refer to Illustration 10.07 for graphic representation of sidewalk sign proportions.
A.
Maximum height of sidewalk signs shall be four feet.
B.
Maximum width of sidewalk signs shall be three feet.
4.0 Sidewalk sign quantity:
A.
The number of sidewalk signs allowed per building shall not exceed the quantities indicated in Table 90-2018.
B.
Sidewalk signs may be used in conjunction with other sign types.
5.0 Sidewalk sign illumination:
A.
Sidewalk Signs are not permitted to be illuminated.
DESCRIPTION:
Portable Sidewalk Signs (Sandwich Board Signs) are temporary signs that are not permanently affixed to a structure or ground surface and placed on the sidewalk in front of a business during normal business hours.
The following standards apply:
1.0 Ground sign standards:
A.
Ground signs shall be designed to be compatible with the character of the surrounding buildings and building materials in order to promote a unified design which compliments the buildings' massing, scale and character.
B.
Ground sign content may include letters and corporate logos that are permanently affixed to the sign.
C.
Ground sign content is not permitted to be changeable copy, except for gasoline price signs, directory signs listing more than one tenant, and signs advertising restaurant food specials, films, and live entertainment, which change on a regular basis.
D.
Ground signs shall have content on both sides of the sign with building address clearly depicted.
2.0 Ground sign location:
A.
Ground signs are permitted in the front yard setback of the following buildings:
1.
Retail building in corridor sub-urban (CS) and corridor edge (CE).
2.
Apartment building in corridor general (CG), corridor sub-urban (CS) and corridor edge (CE).
3.
Civic building in corridor sub-urban (CS), corridor edge (CE), and corridor neighborhood (CN).
B.
Ground signs are permitted in the Greenbelt along 28th Street for any parcel that has property within the Greenbelt.
3.0 Ground sign size and proportion:
Refer to Table 90-2017 for sizes of ground signs for specific building types in each context area. Refer to Illustration 10.08 for graphic representation of ground sign proportions.
A.
Maximum height of ground signs shall be eight feet except multi-tenant ground signs may increase to ten feet.
B.
Maximum width of ground signs shall be six feet except multi-tenant ground signs may increase to ten feet.
4.0 Ground sign quantity:
A.
The number of ground signs allowed per building shall not exceed the quantities indicated in Table 90-2018.
B.
Ground signs may be used in conjunction with other sign types.
5.0 Ground sign illumination:
A.
Ground signs may be externally or internally illuminated per section 90-705(5).
B.
Ground signs are not required to be illuminated.
DESCRIPTION:
A free-standing permanent sign that is mounted directly on the ground or ground level foundation and is often used to mark a place of significance or the entrance to a location.
The following terms are defined for the purpose of the City of Wyoming Form Based Code. In instances where terms are not defined here, they may be defined elsewhere in the existing municipal zoning ordinances. In such cases the definitions contained within the existing zoning ordinances shall be used for the administration of the City of Wyoming Form Based Code. In instances where terms are defined in both the existing ordinances and here, the definitions here shall prevail for the administration of the City of Wyoming Form Based Code.
DEFINITIONS "A"
Active use: A use at the street level of a building that allows physical and visual activity to occur between the inside of the building and the sidewalk area. A group of buildings with active street level uses will generate pedestrian activity on the sidewalk and vehicular activity in the thoroughfare. Typical active uses include retail and restaurants at the street level.
Adjacent grade: The exterior grade immediately adjacent to the building or structure from which measurements shall be taken.
Alley: Refer to "rear alley."
Apartment building type: A lot located and designed to accommodate a multi-story building with multiple dwelling units above and beside each other.
Architectural elements: Elements of a building that may project from the façade into the required setbacks, beyond the build-to-zones or into the public right-of-way as indicated in division 3, encroachments. These include balconies, awnings, canopies, eaves, cornices, bays, and projecting signs.
At-grade entry: An entry door that has a zero-step entrance.
At-grade frontage: The at-grade is a frontage type placed along the Principal Frontage line in a build-to-zone. It provides an at grade (zero step) entry into residentially scaled buildings and may be associated with lobby buildings (such as apartments).
Attic: An interior space of a building that has only a single floor of habitable space and that occurs within the pitched roof structure, whether conditioned or not. Attic space is typically not among the number of stories regulated by context area or building type, unless otherwise noted.
Awning: A retractable or fixed shelter projecting from and supported by the exterior wall of a building and constructed of non-rigid materials on a supporting framework.
Awning sign: A sign that typically includes letters, logos, symbols and/ or designs that is integrated into an awning.
DEFINITIONS "B"
Balcony: An open outdoor portion of an upper floor.
Balcony private frontage: The balcony is a frontage type placed along the principal frontage line. It is typically associated with mixed use buildings. The frontage combines an upper balcony that is recessed into the building mass with a storefront at the first story. The storefront portion of this frontage shall be designed in a way that promotes an attractive, convenient shopping experience.
Basement: An interior space of a building that has more than one-half of its height below grade.
Bay or bay window: An interior portion of an upper floor extending beyond the building's exterior wall plane that is not supported from below by vertical columns or piers.
Building façade: The exterior walls of a building that face either a principal or secondary frontage line.
Building footprint: The shape and placement of the ground floor of a structure on the parcel.
Building footprint, condominium site: The area of the condominium site within which the main building or structure may be constructed as described in the master deed for the site condominium project.
Building height: Refer to "height, building."
Building to line: A measurement that defines the edge in which the building walls that face frontage lines are required to be built to. When a build-to-line is indicated on a building type, it is a requirement and not a permissive minimum as is a set back line.
Build to zone: A measurement that defines the range (or zone) in which building walls that face frontage lines are required to be located within. When a build-to-zone is indicated on a building type, it is a requirement that the building walls are constructed within this range.
Building type: Building types describe the various forms of buildings that are allowable in the City of Wyoming Form Based Code. Each building type has its own specific massing, composition, site placement (disposition), and vertical dimension that create its unique attributes. Building types are regulated in division 6 and are allowable within various context areas.
Building composition: The essential architectural characteristics that define a specific building type.
DEFINITIONS "C"
Canopy: A fixed shelter projecting from and supported by the exterior wall of a building and constructed of metal or other rigid materials.
Canopy sign: A sign that typically includes letters, logos, symbols and/ or designs that is integrated into a canopy.
Civic building: Civic buildings contain uses of special public importance. Civic buildings include, but are not limited to municipal buildings, churches, libraries, and schools, and do not contain retail, residential or private office uses. Civic buildings are not required to meet the building type standards or the private frontage standards of the City of Wyoming Form Based Code. Civic buildings are typically sited in locations of prominence, such as corners of major intersections, terminating a street vista or overlooking or within a civic space. The design of these building types is encouraged to allow greater flexibility and distinctive architectural expression so that they can become landmarks.
Civic space: An outdoor area dedicated to public use that is strategically placed to facilitate use by the surrounding community.
Clear glass: Refer to "glass, clear."
Context area: Administratively similar to zoning districts in conventional codes, except that they integrate form-based elements, including building type, public realm standards, and thoroughfare type into the regulation.
Convention Center: a building for public assembly that is attached to, or in the same building as, a hotel. Examples include auditoriums, conference facilities, exhibition halls, lecture halls, performing arts venues, and other similar uses, as determined by the City Planner.
Cornice expression line: An architectural feature on buildings that acts as an upper termination or capital for the overall composition of the building.
DEFINITIONS "D"
Dedicated transit stop: a fixed location where passengers may access public transportation as designated by permanent signage attached to a post in the public right of way or attached to a bus shelter.
Departure: A minor, major, or public infrastructure modification to selected Form Based Code requirements, refer to division 2, Tables 90-1203a, 90-1203b, and 90-1203c.
Drive-through frontage: The drive-through is a frontage that is identical to the storefront frontage type, however it includes an automobile drive-through at the rear or non-frontage side yards. The drive-through may include a covered structure at the service window location. The frontage is typically associated with retail and mixed use buildings and includes a storefront that is designed in a way that promotes an attractive, convenient shopping experience. Storefronts are at grade with the sidewalk and are sometimes shaded by awnings.
Drive-through zone: The area (or zone) in which a drive-through is permitted to be placed on a site. Drive-through zones are part of requirements of the drive-through private frontage.
DEFINITIONS "E"
Eave: The projecting overhang along the sloped edge of a pitched roof.
Event Center: A building or portion of a building no greater than 6,000 square feet with one or more rentable separate event rooms or areas which is principally used for the holding of private events or gatherings which are not open to the general public. Examples include wedding venues, reception halls, catering halls, club halls, or other similar uses, as determined by the City Planner. This definition excludes places of religious worship/gathering and convention centers.
DEFINITIONS "F"
Façade: Refer to "building façade."
Fascia: Horizontal board that terminates an eave edge of a sloped or pitched roof.
Finish ceiling: The ceiling surface, usually installed over building structure or hung from the structure, which provides the completed ceiling surface.
Finish floor: The floor, usually laid over a subfloor, which provides the completed floor surface.
Form based code area: The area on the City of Wyoming Zoning Map (located in chapter 90 of the City Zoning Ordinance) that is designated as Form Based Code Districts. Parcels located in the Form Based Code Area are regulated by the Wyoming Form Based Code.
Frontage: The length of any side of a building which fronts on either a principal frontage line or a secondary frontage line.
Frontage line, principal: The property lines of a parcel that are public right-of-way lines along the street of address for the parcel or building.
Frontage line, secondary: The property lines of a parcel that are either a public right-of-way line or directly adjacent to a public right-of-way that are not along the street of address for the parcel or building.
Furnishing zone: The area of the right-of-way that contains planting strips, tree wells, planters, street lighting, sidewalk furniture, seating sidewalk signs, and other amenities.
DEFINITIONS "G"
Glass, clear: Glass having a Visual Light Transmittance (VLT) of 70 percent minimum. Heavily tinted or reflective glass shall not be considered clear.
Good neighbor plan: A written implementation program that identifies and proposes measures to reduce potential negative impacts on nearby residents and businesses. The coordination and collaboration of owners or operators with interested parties both before and after the development process allows for a proactive approach to create a positive working relationship between the community and the applicant by requiring the formulation of a written implementation program. A good neighbor plan must include:
(1)
Documentation of communications with neighboring businesses and residents;
(2)
Policies for addressing neighborhood concerns;
(3)
List of rights and responsibilities for residents, when applicable;
(4)
Policy for loitering;
(5)
Policy for litter;
(6)
Policy for crime prevention and awareness;
(7)
Policy for landscape maintenance, when applicable;
(8)
Description of supportive services;
(9)
Description of services provided for children, when applicable, when applicable; and
(10)
List of partners providing supportive services, when applicable.
Greenbelt: A 25-foot deep landscaped area that is required at frontages along 28th Street. Refer to division 3.
Ground cover: Grass, vegetative cover, or other living landscape.
Ground sign: A free-standing sign mounted directly on the ground, on a base or supported by short poles. Not attached directly to a building or wall.
DEFINITIONS "H"
Height, building: The number of stories allowed by either the building type and/or the context area, with actual measurement of individual stories determined according to specific building types in division 6.
Horizontal expression band: An architectural element on buildings that acts as a horizontal upper termination for the Storefront Private Frontage. Horizontal Expression Lines extend the entire width of the building facade above a storefront and may contain signs. Synonymous with sign band.
DEFINITIONS "I"
Impervious surface: Any hard surfaced, man-made area that does not readily absorb or retain water including but not limited to building roofs, parking and driveway areas, sidewalks and streets.
DEFINITIONS "J"
No definitions for this section.
DEFINITIONS "K"
No definitions for this section.
DEFINITIONS "L"
Lightwell: A component of the lightwell private frontage that is recessed below the adjacent grade in order to provide a landing and access to the basement from the sidewalk. Typically used in association with a terrace. Refer to terrace definition.
Lightwell private frontage: The lightwell is a frontage type placed along the Principal Frontage line in a build- to-zone. It has separate stairs that connect a lower level entrance (lightwell) and an upper level entrance (terrace) to the public sidewalk. This allows direct access to the first story and a partially exposed basement. Commonly used on attached buildings, this frontage may also provide outdoor seating opportunities at both the terrace and lightwell locations.
Liner building: A specialized building that is designed to conceal a parking structure or parking lot. The liner building may be an independent building or may be physically attached to a parking structure so that parking may be accessed directly from floor to floor between the building and structure.
Live/work building type: A lot located and designed to accommodate an attached or detached building with integrated residence and commercial space utilized by a single-family household. The ground floor is designed to accommodate commercial uses with a single residence in the upper stories, although ground floor may also accommodate residential uses.
Lot coverage: The percentage of the lot that is taken up by buildings.
DEFINITIONS "M"
Mandatory: Refer to required.
Massing: The scale and proportions of a building or object.
Medical office: A facility or agency or a part of a facility or agency that is licensed or authorized under parts 201 to 217 of the public health code, 1978 PA 368, MCL 333.20101 to 333.21799e.
Mixed use building type: A lot located and designed to accommodate a multi-story building with multiple dwelling units in the upper story and various commercial uses permitted within any story.
DEFINITIONS "N"
New development: Development occurring on a vacant parcel of land.
Nonconforming sign:
(1)
A sign that is prohibited under the terms of this article, but was erected lawfully and was in use on the date of enactment of this article, or amendment thereto; or
(2)
A sign that does not conform to the requirements of this article, but for which a variance has been granted.
Non-frontage line: The property lines of a parcel that are not a right-of-way line or directly adjacent to a public right-of-way.
DEFINITIONS "O"
Optional: A feature or element that is not required, but may be provided on the project at the applicant's discretion.
Outdoor seating: Patio, terrace, walkway, sidewalk, lawn or garden or any other place (which is not enclosed) where seating is permitted, usually in association with a restaurant, bar or other related commercial uses.
DEFINITIONS "P"
Parapet: A part of the facade that extends above the roof, typically located on flat roof buildings.
Parkway: The landscaped area between the sidewalk and the curb in a thoroughfare assembly. Located within the furnishing zone of the Thoroughfare Type. Synonymous with Planting Strip.
Pedestrian travel zone: The sidewalk area for pedestrian travel. Typically sized for two directions of pedestrian travel.
Pilaster: A decorative or structural column that is attached to the façade of a building. Pilasters may be round, in which case they are detailed exactly like a free-standing column. Square or rectangular pilasters may be detailed in a simpler manner and sometimes are a wall projection (common in masonry buildings).
Porch: A slightly elevated partially enclosed area attached to a building and covered with a roof.
Porch private frontage: The porch is a frontage type placed along the Principal frontage line(s) within a build-to-zone. Porches are open-air structures that are attached to the principal building, forming a covered entrance. porch dimensions need to be such that sufficient space for furniture is provided, allowing comfortable use of the space.
Principal frontage line(s) within a build-to-zone: porches are open-air structures that are attached to the principal building, forming a covered entrance. Porch dimensions need to be such that sufficient space for furniture is provided, allowing comfortable use of the space.
Principal entrance: The main entry to a building, located along the principal frontage line.
Principal frontage line. Refer to "Frontage, Principal."
Principal frontage: Refer to "frontage, principal."
Private frontage type: The privately owned area between the frontage line and the building façade. Private frontage types are applied to building types to ensure that the building adequately engages the street frontage and public realm. Private frontages are regulated in division 6 and are assigned to building types in division 7.
Projecting sign: A double-faced sign that is attached to the face of a building and projects from the wall of the building at a 90 degree angle.
Public infrastructure: Facilities owned and operated by a unit of federal, state, or local government.
Public realm: The area between the façade of a building and the corresponding façade of the building across the street.
DEFINITIONS "Q"
No definitions for this section.
DEFINITIONS "R"
Rake board: The trim board along the sloping edge of a gable roof.
Rear alley: A dedicated right-of-way or easement providing access for service and parking at the rear of a parcel. Not intended for general traffic circulation.
Retail building type: A lot located and designed to accommodate a single-story building with various commercial uses permitted at the ground floor level. Building site placement has a variable build-to-zone at the Principal Frontage Line.
Required: An element or feature that is required to be provided on the project. Synonymous with mandatory.
Right-of-way (ROW): An area owned or maintained by a local, county, state or federal entity, a public utility, a railroad or a private concern for the placement of utilities or facilities for the passage of vehicles or pedestrians, including roads, streets, pedestrian walkways, utilities or railroads.
Right-of-way line: A line that forms the boundary of the right-of-way.
Rowhouse building type: A lot located and designed to accommodate a principal building with common walls on both side lot lines and a private yard to the rear.
DEFINITIONS "S"
Scale: Refers to the size of the building, street fixture, sign or other built or constructed element.
Shopfront private frontage: The shopfront is a frontage type placed along the principal frontage line in a build- to-zone. It is typically associated with retail uses at the first story in context areas that have a less intense (more residentially scaled) retail environment. The shopfront is designed in a way that promotes an attractive, convenient shopping experience. Storefronts may be elevated above the adjacent grade.
Secondary frontage: Refer to "frontage, secondary."
Security and Crowd Management Plan: A written implementation program that identifies and proposes measures to maintain safety and security for large assemblies of people in buildings, such as event centers, convention centers, bars, nightclubs, and other similar uses. This plan benefits the patrons within the building while also minimizing potential negative impacts on nearby residents and businesses.
Setback: The minimum horizontal distance required by this Form Based Code, measured from the front, side or rear lot line as applicable, to govern the location of buildings, structures or uses on the lot.
Sidewalk sign: A temporary and portable sign that is not permanently affixed to a structure or ground and is placed on the sidewalk in front of a business during normal business hours. Synonymous with sandwich board sign.
Sign band: An architectural element on buildings that acts as a horizontal upper termination for the storefront private frontage. Sign bands extend the entire width of the building facade above a storefront and may contain signs. Synonymous with horizontal expression band.
Sign band sign: A sign that is painted on, incorporated in, or attached directly to the sign band or horizontal expression band above a storefront window or transom.
Single-family house building type: A lot located and designed to accommodate a single-family detached building with front, rear and side yards.
Site disposition: The placement or location of a building footprint on a lot or parcel. Synonymous with site placement.
Stoop: A slightly elevated unenclosed area attached to a building and corresponding to a door. A stoop is always covered with a roof.
Stoop private frontage: The stoop is a frontage type typically placed along the principal frontage line, although it may also be placed in the side yard. A stoop is a small staircase leading to the entrance of a building that has a roof at the entrance. The elevation of the stoop is required to achieve privacy for residential uses on the first story.
Storefront private frontage: The storefront is a frontage type placed along the principal (and sometimes secondary) frontage line(s). It is typically associated with retail and mixed use buildings. The storefront is designed in a way that promotes an attractive, convenient shopping experience. Storefronts are at grade with the sidewalk and are sometimes shaded by awnings.
Storefront base: The knee wall located at the sidewalk that the storefront window sits on. Sometimes referred to as a bulkhead wall.
Story: The distance between any two adjacent floors or floor lines, measured as the distance between the finished floor and related finished ceiling in feet and inches. Actual story heights are regulated by building type in Division 6. Number of stories are regulated by building type and Context Area.
Supportive housing program:
(1)
Emergency shelter: Any facility whose primary purpose is to provide temporary shelter for the homeless in general or for specific populations of the homeless.
(2)
Permanent supportive housing: Long-term, community-based housing that has supportive services for homeless persons with disabilities. This type of supportive housing enables special needs populations to live independently as possible in a permanent setting. Permanent housing can be provided in one structure or in several structures at one site or in multiple structures at scattered sites.
(3)
Transitional housing program: A project, including dwelling units but not group quarters, with the purpose of facilitating the movement of homeless individuals and families to permanent housing within a reasonable amount of time (e.g. 24 months).
DEFINITIONS "T"
Terrace: A component of the lightwell and shopfront private frontage that is an area elevated from the adjacent grade in order to provide access and a landing to an elevated first floor. Terraces may be covered with a roof or uncovered. On lightwell private frontages the terrace creates residential privacy at the first floor and allows light to enter a basement level (making that level more attractive to a variety of uses). Refer to lightwell definition.
Thoroughfare type: Thoroughfare Types describe the space within the public realm, between the right-of-way lines. They include the sidewalk, parkway, furnishing zones, curbs, parking lanes and travel lanes of streets, roads, and alleys.
Transom: A small horizontal window located above the storefront and entry door to allow light or air into the retail building.
Transparency: The ability to see through with clarity. An opening in a building wall allowing light and views between interior and exterior through the use of clear glass. Only clear or lightly tinted glass in windows, doors and display windows is considered clear. Heavily tinted glass or reflective glass shall not be considered clear. Interior display shelves and merchandise are not allowed to obstruct views into or out of any windows, doors or display areas that are considered part of the transparency calculation. Windows, doors and display areas provide clear views into and out of the building. Transparency is integral to the relationship of buildings and the street because of the permeable edge and dialogue that it creates between the interior and exterior of buildings. Refer to "glass, clear."
Two-family house building type: A lot located and designed to accommodate a two-family building with front, rear and side yards.
DEFINITIONS "U"
Utility easement: A private easement given to a public utility as per Michigan's Land Division Act.
DEFINITIONS "V"
Vertically proportioned: Typically referring to the orientation of building windows, where the height of the window is taller than the width of the window.
DEFINITIONS "W"
Wall sign: A sign that is painted on, incorporated in or attached directly to a building wall, with the exposed face of the sign in place parallel to the building wall.
Window sign: Any sign, picture, symbol or combination thereof, designed to communicate information about activity, business, commodity, event, sale or service that is placed on the interior of a window and which is intended to be seen by the public from the outside.
DEFINITIONS "X"
No definitions for this section.
DEFINITIONS "Y"
Yard: The space on a lot which is unoccupied by buildings and unobstructed from the ground to the sky.
DEFINITIONS "Z"
Zero lot line retail building type: A lot located and designed to accommodate a single-story building with various commercial uses permitted at the ground floor level. Building site placement is required to have no setback at the principal frontage line.
(Ord. No. 1-23, § 13, 2-6-23; Ord. No. 8-25, § 14, 7-7-25)
- FORM BASED CODE
The following document shall be known as the City of Wyoming Form Based Code.
A.
The City of Wyoming Form Based Code is intended to support redevelopment in designated Form Based Code Areas in the City of Wyoming through the establishment of building type standards, frontage type standards, and thoroughfare guidelines. The purpose of the Form Based Code is to create a compact, transit-oriented development pattern that fosters multi-modal corridors, mixed-uses, and a diversity of residential development. Designated Form Based Code Areas are depicted in the City of Wyoming Zoning Map (located in chapter 90 of the City Zoning Ordinance) and include the following:
1.
28th Street Corridor. Redevelopment within the 28th Street corridor between Clyde Park and Burlingame Avenues shall adhere to the provisions, standards, and guidelines established in this Form Based Code in order to support the vision set forth in the Turn On 28th Street Corridor Sub Area Plan (an amendment to the City of Wyoming Master Plan, adopted in January 2012) and the City of Wyoming Land Use Plan.
2.
Division Avenue Corridor. Redevelopment within the Division Avenue Corridor between Alger Street and 60th Street shall adhere to the provisions, standards, and guidelines established in this Form Based Code in order to support the goals of the City of Wyoming Land Use Plan, the tenants of Transit-Oriented Development (TOD), and the goals of the Rapid's Bus Rapid Transit (BRT) system (also known as the Silver Line).
3.
Burton Street Corridor. Redevelopment within the Burton Street Corridor between Burlingame Avenue and Clyde Park Avenue shall adhere to the provision, standards, and guidelines established in this Form Based Code in order to support the goals of the City of Wyoming Land Use plan.
B.
The City of Wyoming Form Based Code is a legal document regulating building types and frontage types, and guidelines for thoroughfare types wherever its Context Areas are applied. It shall do so in conjunction with the municipal Zoning Ordinance for areas zoned Form Based Code (FBC) on the zoning map, by regulating land development to ensure a compact, urban form.
The City of Wyoming Form Based Code is a mandatory code that applies to all new development and redevelopment within the boundaries of the Zoning Map or other locations within the municipality where the applicable Context Areas have been applied as outlined in 90-1200, applicability.
For the 28th Street corridor, the boundaries generally include all lands that abut 28th Street from Clyde Park Avenue west to Burlingame Avenue.
For the Division Avenue corridor, the boundaries generally include all lands that abut Division Avenue from Alger Street south to 60th Street.
For the Burton Street corridor, the boundaries generally include all lands that abut Burton Street from Burlingame Avenue to Clyde Park Avenue.
Within the City of Wyoming Zoning Ordinance, properties zoned and thus regulated by the City of Wyoming Form Based Code are within the Form Based Code (FBC) districts. This district directs property owners and applicants to this Code for development standards. Wherever there appears to be a conflict between the City of Wyoming Form Based Code and other sections of the City's Zoning Ordinance (as applied to particular development within the FBC districts), the requirements specifically set forth in the Form Based Code shall prevail.
For development standards not covered by the City of Wyoming Form Based Code, the other applicable sections in the municipal Zoning Ordinance shall apply. All development shall also comply with all other local, state or federal regulations and ordinances.
Throughout this Form Based Code, photographs are used for illustrative purposes only.
The City of Wyoming Form Based Code shall apply to development within the boundaries of the Form Based Code Zoning Map. Development shall include the following:
a)
New development.
b)
Modifications to existing buildings:
1)
Increasing or decreasing a building footprint by 25 percent or greater in area or when the cost of the addition is greater than or equal to 50 percent of the current assessed value of the building or structure. Phased construction to avoid compliance with this standard or breaking up construction such that the thresholds are avoided shall be prohibited.
2)
Reducing the building façade by more than 50 percent in terms of the amount of transparency. Phased construction to avoid compliance with this standard or breaking up construction such that the 50 percent threshold is avoided shall be prohibited.
c)
Any change in land use substantially impacting parking requirements, as determined by the City Planner:
1)
The planning commission may, at the request of the applicant, waive the applicability of this Code upon a finding that adhering to the Code would place undue hardship on the applicant.
(Ord. No. 8-25, § 6, 7-7-25)
(a)
Full site plan/sketch plan. To expedite the development process, development within the City of Wyoming Form Based Code that complies with the provisions of this Code shall require full site plan or sketch plan review and approval by the city's planner or chief building official.
(1)
Table 90-502 in the City of Wyoming Zoning Ordinance shall govern the type of submittal required, being either a full site plan or sketch plan.
(2)
Review and approval shall be conducted by the city's chief building official for single-family detached dwellings and modifications to comply with accessibility requirements.
(3)
All other development activities outlined in Table 90-502 shall require review and approval of the city's planner.
(b)
Full site plan/sketch plan review procedures and requirements. Full site plan/sketch plan submittal and review shall follow the processes set forth in sections 90-503 through 90-506 of the City of Wyoming Zoning Ordinance. Full site plan/sketch plan required data shall adhere to Table 90-504 of the City of Wyoming Zoning Ordinance, unless waived or required by the city's planner per section 90-504.
(c)
Planning commission review. Full site plan review by the planning commission shall be required for any special land use or specific development plan. Review standards are included in section 90-505 of the City of Wyoming Zoning Ordinance. Special land use standards specific to special uses regulated in this Form Based Code are included in Article 2, section F.
(d)
Specific development plan. A specific development plan is intended to allow applicants development flexibility to address market conditions and opportunities, including the master planning of large lots exceeding the maximum block dimensions as outlined in division 5, as well as the consolidation of multiple properties to create predictable and market responsive development for the area. Specific development plans shall be required for any major departure as outlined in this division 2, section 90-1203.
(1)
Specific development plan requirements: A specific development plan shall include a full site plan and required data as outlined in Table 90-504.
(2)
Additional requirements include: A plan depicting the proposed context areas for the subject site(s) if major departures from the context area boundaries are requested, and thoroughfare guidelines.
(3)
Public hearing: The applicant and/or planning commission may request a public hearing for a specific development plan. A public hearing, pursuant to the Michigan Zoning Enabling Act, shall be required for a major departure of context area boundary.
(4)
Planning commission action: The planning commission shall review and approve, with or without conditions, the full site plan upon the following findings:
i.
The zoning districts provide a seamless transition from adjacent, existing districts and uses to the proposed subject site(s).
ii.
Internal circulation and layout of lots fosters a walkable, urban area by adhering to the maximum block lengths as outlined in division 5.
iii.
Roadways are interconnected and provide safe areas for walking and biking.
(a)
Special land uses. As per division 4 of the City of Wyoming Form Based Code, certain uses require special land use review and approval by the planning commission. The special land use review and approval process shall adhere to section 90-507 of the City of Wyoming Zoning Ordinance. Specific standards for special land uses are determined by context area and use, see section 90-508 of the City of Wyoming Zoning Ordinance.
(a)
Minor departures. The city planner may, at the request of an applicant, waiver certain minor building type standards, frontage type standards, and zoning district standards as outlined in Table 90-1203a.
(b)
Major departures. The planning commission may, at the request of the city planner or applicant, waive certain major building type standards or frontage type standards if it finds that the changes are major based on size, scope, and location of the existing or proposed building. Table 90-1203b provides a summary of major departures. Note that changes other than minor changes to the zoning district map shall require a full site plan/sketch plan.
(c)
Findings for code departures. The applicable reviewing body shall find that a departures to the Form Based Code:
(1)
Does not materially change the circulation and building location on the site;
(2)
Does not alter the relationship between the buildings and the street;
(3)
Does not allow a use not otherwise permitted in this Form Based Code; and
(4)
The departure is the minimum required necessary to meet the intent of the Form Based Code.
(a)
City of Wyoming.
(1)
Adoption date. The City of Wyoming Form Based Code was adopted at a regular meeting of the Wyoming City Commission on December 16, 2013.
(2)
Amendment date. The City of Wyoming Form Based Code was amended at a regular meeting of the Wyoming City Commission on August 1, 2016 (to include properties along Division Avenue).
(3)
Amendment date. The City of Wyoming Form Based Code was amended at a regular meeting of the Wyoming City Commission on June 4, 2018 (to include properties along Burton Street).
Division 3 identifies provisions that are general to all City of Wyoming Form Based Code Context Areas.
Each context area established in this code shall meet the requirements of division 3. If there is a conflict between this division and the individual requirements of the context area, building type standards or frontage type standards, the requirements of the context areas, building type standards or frontage types standards shall govern.
(a)
Purpose and intent. The planning commission may grant zoning incentives to applicants to encourage the provision of certain community benefits or amenities that are in compliance with City of Wyoming Land Use Plan.
(b)
Incentives restricted to added benefits. Incentives shall be granted only when the community benefits or amenities offered would not otherwise be required or likely to result from the planning process.
(c)
Incentives permitted. The planning commission may grant the following incentives:
(1)
CC Corridor Central Context Area: Building height may be increased up to one additional story.
(2)
CU Corridor Urban Context Area: Building height may be increased up to one additional story, except when within the building height transition zone per section 90-1309.
(3)
Building height increase bonuses shall require a site plan review and approval through the planning commission.
(4)
The planning commission reserves the right to determine the extent of the increase in height, up to the maximum bonus allowed, based on the extent of the benefit provided.
(d)
Civic space benefit. An increase in building height may be granted for the creation of dedicated civic space, including gateway enhancements along the Crescent Street, Division Avenue, or Burton Street. Civic space shall meet one of the following requirements to be considered for an incentive:
(1)
Civic space shall be in the form of plazas, squares, greens or parks that are consistent with the City of Wyoming Land Use Plan.
(2)
Civic space may also be in the form of plazas, squares, greens or parks that are not indicated in the City of Wyoming Land Use Plan, but that meet the vision and intent of the plan.
(3)
Civic space shall meet the requirements of division 3 general provision for landscaping and lighting and division 10 signage.
(e)
Parking structure benefit. An increase in building height may be granted for projects that incorporate parking structures as part of the development. Parking structures shall meet the following requirements to be considered for an incentive:
(1)
The parking structures shall meet the requirements of division 9 parking standards.
(2)
The parking structures shall provide a minimum of 50 percent of its parking spaces as parking available to the public at market rate.
(3)
The parking structures shall provide bicycle amenities including bike racks and/or bike lockers that are easily accessed from the public right-of-way.
(a)
The following architectural elements may project into required setbacks, beyond required build-to-zones or into the public right-of-way as indicated below. For encroachments into the public right-of-way, an encroachment permit shall be obtained from the applicable city department(s).
(1)
Balconies. A balcony with a minimum ground clearance of 12 feet above adjacent grade may extend six feet maximum from the exterior wall of the building.
(2)
Awnings and canopies. An awning or canopy with a minimum ground clearance of eight feet above adjacent grade may extend five feet maximum from the exterior wall of the building.
(3)
Eaves. Building eaves with a minimum ground clearance of 12 feet above adjacent grade may extend two feet maximum from the exterior wall of the building.
(4)
Cornice. Building cornices with a minimum ground clearance of 12 feet above adjacent grade may extend up to a two-foot maximum from the exterior wall of the building.
(5)
Bay windows. Bay windows with a minimum ground clearance of 12 feet above adjacent grade may extend three feet maximum from the exterior wall of the building.
(6)
Projecting signs. Projecting signs with a minimum ground clearance of eight feet above adjacent grade may extend three feet maximum from the exterior wall of the building.
(b)
Unenclosed porches, stoops, wells and steps may project into required setbacks and beyond required build-to-zones as indicated below. Unenclosed porches, stoops, wells and steps shall not project into the public right-of-way.
(1)
Along principal frontage lines: Unenclosed porches, stoops and wells (not including steps) may project into the front yard or front build-to-zone by no more than ten feet, but shall be no closer than five feet to the principal frontage line. Steps may completely encroach into the front yard or front build-to-zone but shall not extend beyond the principal frontage line.
(2)
Along secondary frontage lines: Unenclosed porches, stoops, wells and steps may project into the side yard or side build-to-zone provided that they are not closer than three feet to the secondary frontage line.
(3)
Along any side or rear non-frontage property line: Unenclosed porches, stoops, wells and steps may project into the side or rear yard setback areas by no more than three feet.
(4)
Walls and fences may project into setbacks or yards as allowed in division 8, landscaping/lighting.
(a)
Building heights shall be measured in number of stories.
(b)
Story height shall be measured from floor to ceiling for each floor of a building as indicated by specific building type.
(c)
Attics and basements are not counted as stories.
(d)
Overall building height (in feet) shall be measured as the vertical distance from the established grade to the highest point of the roof for flat roofs, to the deck line for mansard roofs, and to the mean height for gable, hip, gambrel and A-frame roofs.
(a)
Outdoor seating shall be permitted with the following building types:
(1)
Mixed use building.
(2)
Retail building.
(3)
Zero lot line retail building.
(4)
Live/work building.
(5)
Civic building.
(b)
Outdoor seating shall require sketch plan review and approval by the city planner.
(c)
A minimum pedestrian clear space of five feet shall be provided at all times.
(d)
Trash receptacles related to the outdoor seating area shall be maintained and shall be removed from the public right-of-way during non-business hours.
(e)
Outdoor dining areas shall be designed so as to be architecturally compatible with existing structures on the site.
(f)
If located on public property or within the public right-of-way, an encroachment permit shall be required. Such permit shall be obtained through the applicable city department(s).
Facade Transparency requirements for building elevations facing principal and secondary frontage lines are indicated as a percentage of clear glass to solid wall in Division 6 Building Type Standards and Division 7 Private Frontage Type Standards. Transparency shall be subject to the following requirements:
(a)
Clear glass. Only clear or lightly tinted glass in windows, doors and display windows shall be shall considered transparent.
(b)
Calculation. The calculation of the percentage of transparency shall include only the glass within the windows, doors and display windows.
(c)
Reflective surfaces. The use of highly reflective surfaces, including reflective glass and mirrors is prohibited on the ground floor.
(d)
Security shutters. Exterior steel barriers, hurricane curtains and other security devices are not permitted on the exterior of the building. If they are located in the interior of the building, they may not be visible from the sidewalk or public right-of-way during business hours.
(e)
Obstructions. Interior display shelves, merchandise, corridor walls, or any other objects or structures are not permitted to block or obscure clear views into or out of the building's principal activity floor area at windows, doors or display windows that are included as part of the required transparency.
(f)
Stairwells. Where stairwells are introduced to the outer building wall of a building, the exterior of the stairwell and exit door shall be at least 70 percent transparent.
Civic buildings are not required to meet the building type standards or private frontage standards of the City of Wyoming Form Based Code. Civic buildings are structures that contain uses of special public importance including, but not limited to municipal buildings, churches, libraries and schools.
All rooftop mechanical, communication, and similar devices shall be screened from view of adjacent properties and streets. Screening shall be so designed as to be an integral part of the building. The screening material shall match the building's material and color or be another material or color that is compatible with the building exterior.
There shall be a minimum 25-foot building setback from existing R-2 residential zoning districts as measured from the lot line to any proposed exterior building wall as indicated on Map 90-1309.
There shall be a building height transition area (Refer to Map 90-1309) for lots located within the corridor urban (CU) and corridor general (CG) context areas abutting existing R-2 residential zoning districts and when abutting the corridor residential (CR) context area. Within the building height transition area, buildings shall be limited to two stories. The building height transition area shall be 140 feet in depth.
Any lawful use of any land or building existing on December 31, 2013 and located in a zoning district in which it would not be permitted as a new use under the regulations of this chapter is hereby declared a nonconforming use and not in violation of this section, subject to the regulations of this Division.
(a)
Nonconforming uses of buildings and structures. Nonconforming uses of buildings and structures in the Form Based Code shall adhere to the provisions of article IX.
(b)
Nonconforming due to building type standards or frontage standards. For buildings and structures that do not conform to the building type standards and/or frontage standards of this Form Based Code, but are otherwise conforming to use, certain relief is provided and such buildings and structures shall be deemed conforming. Alterations, repair, maintenance or other activities requiring building permit shall conform to the provisions of this Form Based Code when such actions meet the applicability provisions contained in division 2, section 90-1200.
(c)
Nonconforming signs. Nonconforming signs shall meet the provisions of section 90-710.
(1)
Nonconforming sign removal incentive. In an effort to encourage the eventual elimination of nonconforming signs, protect public health, safety, and welfare, as well as reduce visual clutter and improve the aesthetics of the area, the following incentive is established to encourage conformance with the division 9. When a non-conforming sign is removed and replaced with a conforming sign per division 9 of the Form Based Code, the applicant shall be eligible for an increase in total sign area not to exceed 20 percent of the permitted sign area of the replacement sign.
(a)
Exterior site lighting, other than flag and decorative lighting, shall be confined to the development site and conform to the following:
(1)
Lamps and luminaries shall be shielded, hooded and/or louvered to provide a glare free area beyond the property line and beyond any public right-of-way, and the light source are not directly visible from beyond the boundary of the site.
(2)
The light from any illumination source shall be designed so that the light intensity or brightness at any property line shall not exceed one foot candle.
(3)
Lighting fixtures shall have 100 percent cut off above the horizontal plane at the lowest part of the point light source. The light rays may not be emitted by the installed fixture at angles above the horizontal plane. No light fixture shall be mounted higher than 25 feet above the average grade of the site.
(4)
There shall be no lighting of a blinking, flashing, or fluttering nature, including changes in light intensity, brightness or color. Beacon and search lights are not permitted.
(5)
No colored lights shall be used at any location or in any manner so as to be confused with or construed as traffic control devices.
(a)
28th Street Greenbelt (Refer to Map 90-1312 at the end of this division). At least one shade tree of a minimum 2.5 inch caliper shall be planted for each 50 feet of street frontage or fraction thereof. Said trees may be grouped or spaced. In addition, at least ten percent of the required greenbelt area must contain trees, shrubbery, flower beds, groundcover, landscape mulch, woodchips, stone and/or other types of landscape materials. However, credit may be obtained for existing, healthy trees and plant material where consistent with the intent of this section. Shrubbery must be planted at least three feet from all sidewalks, drives and parking lots, so as to not infringe upon same.
(b)
Street trees throughout. Deciduous canopy trees are required on all new thoroughfares as indicated in division 8. Canopy trees shall be a minimum of 2.5 inch calliper. Additionally trees planted in raised planters shall have flower beds, ground cover, or other understory landscape materials.
(c)
Installation and maintenance.
(1)
In ground automatic irrigation shall be installed and utilized within the required front yard and secondary front yards for all context areas except CN. Irrigation shall be installed along the entire street frontage either with new developments or with building additions adjacent to the street frontage that exceeds 50 percent of the existing buildings width.
(2)
All landscaping shall be maintained in a healthy, neat and orderly state, free from refuse and debris.
(3)
Plants shall be controlled by pruning, trimming, or other suitable methods so that they do not restrict pedestrian or vehicular access, or constitute a traffic hazard.
(4)
Any dead or diseased plants that were required by site plan approval shall be removed and replaced within one year from the time that the plant dies.
(5)
Trees shown on the site plan shall not be removed, except to replace dead or diseased trees, unless approved as a site plan amendment. Any tree that is removed must be replaced in accordance with the approved site plan. Existing trees marked on the site plan to be preserved that are damaged or lost shall be replaced by at least two trees of similar or better species of at least 2.5 inch caliper if deciduous, or six feet in height if evergreen.
(6)
Trees that shall be retained on a lot or development site shall be located within an area referred to as a tree protection zone, which shall include the area occupied by the critical root zone. The area below the drip line of an existing tree to be saved should remain undisturbed. The drip line is an imaginary vertical line that extends downward from the outermost tips of the tree branches to the ground. The owner/developer shall take all necessary steps to avoid damage or destruction to existing trees to be preserved as shown on the site plan. Tree protection fencing, notes and details shall be shown on the landscape plan.
(a)
Context areas.
(1)
Permanent supportive housing and transitional housing for up to ten individuals are permitted by right in all context areas.
(2)
Permanent supportive housing and transitional housing for more than ten individuals are permitted as a special use in all context areas.
(3)
Emergency shelters are permitted as a special use in all context areas, but must be located within 0.25 mile of a dedicated transit stop or medical office.
(b)
All permanent supportive housing, transitional housing, and emergency shelters shall submit a good neighbor plan to the city planner on an annual basis.
(Ord. No. 1-23, § 12, 2-6-23)
Event centers, convention centers, nightclubs, and other similar uses shall be subject to the following regulations:
(1)
Any use that falls into either of the following categories shall submit a security and crowd management plan to the City Planner and the Department of Public Safety on an annual basis for approval:
a.
A use that exceeds 250 people in assembly or occupant capacity, or
b.
A use that has required responses from public safety personnel on three separate occasions within one year.
(2)
The security and crowd management plan shall include the following overall security provisions:
a.
Building and Property Ingress and Egress Management
b.
Crowd Control Measures
1.
For uses with an outdoor component, the plan shall provide measures to control the sale and consumption of any alcoholic beverages on site.
c.
Emergency Action Plans
d.
Noise Abatement
1.
The plan shall provide noise abatement measures so as to not negatively impact neighboring properties.
e.
Private Security Management
i.
Exterior security cameras shall be provided and shown on the plan.
ii.
Privately-hired security personnel shall be licensed, bonded, and maintain a minimum ratio of 1 guard for every 100 people designated by the building's occupancy, unless otherwise specified by the Department of Public Safety.
(3)
Any substantial change to the use as determined by the City Planner shall require a resubmission of the security and crowd management plan.
(Ord. No. 8-25, § 7, 7-7-25)
Division 4 identifies the Context Areas and Uses established for the City of Wyoming Form Based Code and provides the attributes that are allowed in each Area. These attributes include use, building types, and building height (measured in feet). These Context Areas ensure that proposed development is consistent with the City of Wyoming Land Use Plan.
Each of the Context Areas described in this Division represent a spectrum of development character and intensity, ranging from the most urban intense (Corridor Center District) to the least urban intense (Corridor Neighborhood District). Each Context Area establishes character through its use of Building Types (Division 6) and the associated Private Frontages (Division 7) that can be applied to those Building Types.
Each context area established in the context area map shall meet the standards of this Division. Each context area includes permitted and special uses (if applicable) building types, and building height. Key maps are provided to quickly discern the district location.
The following Context Areas are specified in this Division:
The following standards apply to the corridor urban area:
1.0 Permitted building types:
Refer to division 6 for building type requirements.
A.
Mixed-use building.
B.
Zero lot line retail building.
C.
Civic building.
2.0 Permitted uses:
A.
Refer to Table 90-1406 for land uses permitted in this area for each building type that is permitted in the area that are as follows:
■
Permitted by right (P).
■
Permitted by right, on floors two and above (P$).
■
Permitted by right and only allowed on first floor (P#).
■
Permitted by right in Burton Street Form Based Code Area only (P B ).
■
Permitted by special land use permit (S).
■
Uses indicated with a blank cell are not permitted in this area.
3.0 Building height by context area:
A.
Number of stories for buildings is regulated by context area.
B.
Each building type has requirements for the height (in feet) of building stories. Refer to division 6 for building type standards.
C.
Building height for all buildings except zero lot line retail building.
■
Minimum: None.
■
Maximum, within 28th Street Corridor: 75 feet.
■
Maximum, within Burton Street Corridor: 35 feet.
■
Zero lot line retail building: One story building required.
4.0 Special land uses:
The following are specific standards for special land uses in the CC area. See division 2 for special land use general review and approval procedures and section 90-508 of the City of Wyoming Zoning Ordinance for specific standards for special land uses.
A.
Parking structures. Parking structure entries shall take access from a street, and not an avenue, per division 8, thoroughfare standards.
B.
Secondhand businesses.
C.
Nursery schools, day nurseries, and dependent care facilities for seven or more people.
D.
Convention Center
(Ord. No. 2-23, § 1, 2-6-23; Ord. No. 9-23, § 2, 6-5-23; Ord. No. 12-24, § 6, 11-4-24; Ord. No. 8-25, § 8, 7-7-25)
The following standards apply to the corridor urban area:
1.0 Permitted building types refer to division 6 for building type requirements:
A.
Mixed-use building.
B.
Zero lot line retail building.
C.
Civic building.
2.0 Permitted uses:
A.
Refer to Table 90-1407 for land uses permitted in this area for each building type that is permitted in the area that are as follows:
■
Permitted by right (P)
■
Permitted by right, on floors two and above (P$)
■
Permitted by right and only allowed on first floor (P#)
■
Permitted by Special Land Use Permit (S)
■
Uses indicated with a blank cell are not permitted in this Area.
3.0 Building height by context area:
A.
Number of stories for buildings is regulated by context area.
B.
Each building type has requirements for the height (in feet) of building stories. Refer to division 6 for building type standards.
C.
Building height for all buildings except zero lot line retail building.
■
Minimum: 25 feet.
■
Maximum: 90 feet.
■
Zero lot line retail building: One story building required.
4.0 Special land uses:
The following are specific standards for special land uses in the CU Area. See division 2 for special land use general review and approval procedures and section 90-508 of the City of Wyoming Zoning Ordinance for specific standards for special land uses.
A.
Any use in retail sales of 20,000 square feet or more.
B.
Bowling alley.
C.
Dance hall/nightclub.
D.
Indoor skating rink.
E.
Indoor theater.
F.
Poolhall/billiards.
G.
Secondhand businesses.
H.
Event Center.
I.
Religious or social service assembly.
J.
Convention Center.
(Ord. No. 2-23, § 2, 2-6-23; Ord. No. 12-24, § 7, 11-4-24; Ord. No. 8-25, § 9, 7-7-25)
The following standards apply to the corridor general area:
1.0 Permitted building types refer to division 6 for building type requirements:
A.
Mixed-use building.
B.
Zero lot line retail building.
C.
Retail building.
D.
Live/work building.
E.
Apartment.
F.
Civic building.
2.0 Permitted uses:
A.
Refer to Table 90-1408 for land uses permitted in this area for each building type that is permitted in the area that are as follows:
■
Permitted by right (P).
■
Permitted by right in Division Avenue Form Based Code Area only (P D ).
■
Permitted by right, on floors two and above (P$).
■
Permitted by right and only allowed no first floor (P#).
■
Permitted by special land use permit (S).
■
Permitted by special land use permit in Division Avenue Form Based Code Area only (S D ).
■
Uses indicated with a blank cell are not permitted in this area.
3.0 building height by context area:
A.
Number of stories for buildings is regulated by context area.
B.
Each building type has requirements for the height (in feet) of building stories. Refer to division 6 for building type standards.
C.
Building height for all buildings except zero lot line retail building.
■
Minimum: 25 feet.
■
Maximum, within 28th Street Corridor: 90 feet.
■
Maximum, within Division Avenue and Burton Street Corridor: 45 feet.
Exception: 75 feet, with special use approval.
■
Zero lot line retail building: One story building required.
4.0 Special land uses:
The following are specific standards for special land uses in the CG area. See division 2 for special land use general review and approval procedures and section 90-508 of the City of Wyoming Zoning Ordinance for specific standards for special land uses.
A.
Car wash, permitted only in the Division Avenue Corridor.
B.
Commercial greenhouse, permitted only in the Division Avenue Corridor.
C.
Dance hall/nightclub.
D.
Drive-through establishments. Drive through entries shall take access from secondary frontages. Permitted only in the Division Avenue Corridor.
E.
Open air business.
F.
Secondhand businesses.
G.
Special land use for five-story buildings within the Division Avenue corridor follow section 90-508.
H.
Event Center.
I.
Religious or social service assembly.
J.
Automobile gasoline/convenience store. Permitted only in the Division Avenue Corridor.
K.
Convention Center
(Ord. No. 2-23, § 3, 2-6-23; Ord. No. 12-24, § 8, 11-4-24; Ord. No. 8-25, § 10, 7-7-25)
The following standards apply to the corridor sub-urban area:
1.0 Permitted building types refer to division 6 for building type requirements.
A.
Retail building.
B.
Live/work building.
C.
Apartment.
D.
Rowhouse.
E.
Civic building.
2.0 Permitted uses:
A.
Refer to Table 90-1409 for land uses permitted in this area for each building type that is permitted in the area that are as follows:
■
Permitted by right (P).
■
Permitted by right, on floors two and above (P$).
■
Permitted by right and only allowed on first floor (P#).
■
Permitted by special land use permit (S).
■
Uses indicated with a blank cell are not permitted in this area.
3.0 Building height by context area:
A.
Number of stories for buildings is regulated by context area.
B.
Each building type has requirements for the height (in feet) of building stories. Refer to division 6 for building type standards.
C.
Building height for all buildings:
■
Minimum: 25 feet.
■
Maximum: 60 feet.
■
Retail building: One story building required.
4.0 Special land uses:
The following are specific standards for special land uses in the CS area. See division 2 for special land use general review and approval procedures and section 90-508 of the City of Wyoming Zoning Ordinance for specific standards for special land uses.
A.
Bowling alley.
B.
College or university.
C.
Commercial greenhouse.
D.
Community center.
E.
Dance hall/nightclub.
F.
Drive-through establishments. Drive through entries shall take access from interior rights-of-way.
G.
Indoor skating rink.
H.
Indoor theater.
I.
Parking structures. Parking structure entries shall take access from a street, and not an avenue, per division 8, thoroughfare standards.
J.
Pool hall/billiards.
K.
Secondhand businesses.
L.
Event Center.
M.
Religious or social service assembly.
N.
Convention Center.
(Ord. No. 2-23, § 4, 2-6-23; Ord. No. 12-24, § 9, 11-4-24; Ord. No. 8-25, § 11, 7-7-25)
The following standards apply to the corridor edge area:
1.0 Permitted building types refer to division 6 for building type requirements:
A.
Retail building.
B.
Live/work building.
C.
Apartment.
D.
Rowhouse.
E.
Two-family house.
F.
Civic building.
2.0 Permitted uses:
A.
Refer to Table 90-1410 for land uses permitted in this area for each building type that is permitted in the area that are as follows:
■
Permitted by right (P).
■
Permitted by right in Division Avenue Form Based Code Area only (P D ).
■
Permitted by right, on floors two and above (P$).
■
Permitted by right and only allowed on first floor (P#).
■
Permitted by special land use permit (S).
■
Permitted by special land use permit in Division Avenue Form Based Code Area only (S D ).
■
Uses indicated with a blank cell are not permitted in this area.
3.0 Building height by context area:
A.
Number of stories for buildings is regulated by context area.
B.
Each building type has requirements for the height (in feet) of building stories. Refer to division 6 for building type standards.
C.
Building height for all buildings:
■
Minimum: No minimum.
■
Maximum: 45 feet.
■
Retail building: One story building required.
4.0 Special land uses:
The following are specific standards for special land uses in the CE area. See division 2 for special land use general review and approval procedures and section 90-508 of the City of Wyoming Zoning Ordinance for specific standards for special land uses.
A.
Automobile sales. Permitted on Division Avenue Corridor only.
B.
Car wash. Permitted on Division Avenue Corridor only.
C.
College or university.
D.
Dance hall/nightclub.
E.
Drive-through establishments. Drive through entries shall take access from secondary frontages.
F.
Funeral homes or mortuaries.
G.
Open air business.
H.
Parking structures. Parking structure entries shall take access from a street, and not an avenue, per division 8, thoroughfare standards.
I.
Pool hall/billiards.
J.
Secondhand businesses.
K.
Self-storage facilities. These facilities are only permitted along Division Avenue, south of 56th Street. They are not permitted on corner lots.
L.
Light industrial/maker's spaces. Single tenant buildings shall not exceed 10,000 square feet.
Multi-tenant buildings shall not exceed 30,000 square feet. Permitted on Division Avenue only.
M.
Event Center.
N.
Automobile gasoline/convenience store. Permitted only in the Division Avenue Corridor.
O.
Convention Center
(Ord. No. 2-23, § 5, 2-6-23; Ord. No. 12-24, § 10, 11-4-24; Ord. No. 8-25, § 12, 7-7-25)
The following standards apply to the corridor neighborhood area:
1.0 Permitted building types refer to division 6 for building type requirements:
A.
Rowhouse
B.
Two-family house.
C.
Single-family house.
D.
Civic building.
2.0 Permitted uses:
A.
Refer to Table 90-1411 for land uses permitted in this area for each building type that is permitted in the area that are as follows:
■
Permitted by right (P).
■
Permitted by right, on floors two and above (P$).
■
Permitted by right and only allowed on first floor (P#).
■
Permitted by special land use permit (S).
■
Uses indicated with a blank cell are not permitted in this area.
3.0 Building height by context area:
A.
Number of stories for buildings is regulated by context area.
B.
Each building type has requirements for the height (in feet) of building stories. Refer to division 6 for building type standards.
C.
Building height for all buildings:
■
Minimum: No minimum.
■
Maximum: 35 feet.
4.0 Special land uses:
The following are specific standards for special land uses in the CN area. See division 2 for special land use general review and approval procedures and section 90-508 of the City of Wyoming Zoning Ordinance for specific standards for special land uses.
A.
Community center.
B.
Nursery schools, day nurseries, and dependent care facilities for seven or more people.
(Ord. No. 2-23, § 6, 2-6-23; Ord. No. 12-24, § 11, 11-4-24; Ord. No. 8-25, § 13, 7-7-25)
The subdivision of lands within the Form Based Code districts shall adhere to chapter 74 of the City of Wyoming Code of Ordinances, except as provided herein.
(a)
Access. Blocks and lots shall abut a street, avenue or alley, as defined in division 8, thoroughfare guidelines. Back-up lots shall be permitted, provided that the applicant identify a principal frontage to orient building types and frontage types. Buildings shall face streets, avenues or civic spaces.
(b)
Width and depth. Lot width shall be as follows:
(1)
Residential. Residential lots within the CN context area shall be at least 40 feet in width.
(2)
Commercial. Commercial or mixed use lots within all context areas shall be at least 25 feet in width.
(3)
The maximum lot width to depth ratio shall be 1:4.
(4)
Applicant is encouraged to verify site dimensional requirements for desired building type and applicable thoroughfare standards prior to platting.
(a)
Length. Blocks shall be not less than 300 feet nor more than 1,250 feet.
(b)
Width. Width shall be as necessary to meet site dimensional requirements for applicable building types. Applicants are encouraged to consider providing civic space in the form of plazas, pocket parks, or other public gathering areas dispersed in one-fourth mile increments and not less than 2,500 square feet in area.
(c)
Block frontage. Blocks may front a street, avenue, or alley.
(d)
Connectivity. New streets shall connect to existing streets where ever possible.
(a)
Residential. Alley access is encouraged within the CN context area, between Canterbury Street and Colrain Street.
(b)
Commercial.
(1)
Subdivision and site plans shall include a continuous cross access way in accordance with the Rear Alley Thoroughfare Type RA-20-20-C.
(2)
Cross access agreements shall be legally binding and allow interconnected vehicular and pedestrian access in perpetuity.
(3)
Rear alleys shall be contiguous along adjacent property lines, forming a travel way parallel to the primary thoroughfare.
(4)
Similar building types shall face each other across a Street or Avenue, while Alleys may be used to transition between building types.
(a)
Commercial.
(1)
Curb cuts shall be at least 160 feet from side streets and other driveways.
(2)
For access management purposes, driveways shall be shared and connect to the required rear alley, as per subsection 90-1503(b)(1).
(3)
A shared driveway access agreement shall be reviewed and approved by the city attorney prior to site plan approval.
The subdivision of lands shall follow the review and approval process as provided in Chapter 74.
Division 6 identifies specific building types that are allowed within various context areas and provides design standards for each type, to ensure that building form and character are consistent with the City of Wyoming Land Use Plan.
Each proposed building shall be designed in compliance with the standards of this division for the applicable building type, except civic buildings, which are not required to meet the building type standards of this Code.
Property may be developed only with the building types allowed by this article in the context area applicable to each lot.
(a)
Refer to Table 90-1602 on this page to determine the specific building types that are permitted in each of the context areas.
The following Building Types are specified in this division:
(a)
Mixed use building type.
(b)
Zero lot line retail building type.
(c)
Retail building type.
(d)
Live/work building type.
(e)
Apartment building type.
(f)
Rowhouse building type.
(g)
Two-family house building type.
(h)
Single-family house building type.
White cells represent Context Areas where Building Type is permitted.
Darkened cells represent Context Areas where Building Type is NOT permitted.
Refer to sample pages on this sheet for references of how to use each Building Type Standard. These pages are representative of the layout for each Building Type contained in this division.
A.
Building Character: This box serves as an introduction to the Building Type, including precedent examples, a general Building Type description, and whether the Building Type is permitted to have an accessory building and/or structure.
B.
Access: Specifies required building access and door location requirements. For many Building Types, this section specifies the maximum building length allowed without a pedestrian access-way between building frontages.
C.
Building Height: Indicates the required minimum and maximum number of stories permitted for the Building Type and the minimum number of feet required for each story. This section also specifies the minimum and maximum number of stories for some of the Building Types. For Building Types where the maximum number of stories is not indicated, refer to the Context Areas in Division 4 for the maximum number of stories allowed.
D.
Facade Composition: Indicates the required façade composition specifications for Building Type, including upper floor(s) transparency, massing, proportion, and roof type.
E.
Private Frontage: Specifies the required Private Frontage Types that are permitted to be applied to the Building Type. Private Frontages define the architecture and design components for the entrance(s) to the building and the area between the façade and the Frontage Line(s). Refer to Division 7 for Private Frontage Types.
F.
Site Dimensional Requirements: Indicates the site placement for the Building Type, including build-to-lines, build-to-zones, setbacks, encroachments, required building depths, and site coverage.
The following standards apply to all Building Types:
(a)
Principal frontage: Principal frontages of buildings represent the building front and are located at the public right-of-way lines along the street, public path or civic space of address for the building.
(b)
Secondary frontage: Secondary frontages of buildings represent the building sides that are located at the public right-of-way lines along all streets, public paths or civic spaces that are not the street of address for the building. The side setback for secondary frontages shall apply to all situations where secondary frontages occur at more than one side of a building (due to a parcel that is bound on more than two sides by right-of-way lines).
(c)
Principal frontage transparency requirements at first story: Each building type's first story transparency at the principal frontage line is per the private frontage requirements. Secondary frontages are required to use one of the following standards:
1.
Transparency that is the same as what is required by the upper stories for the building type.
2.
Transparency that is the same as the private frontage that has been applied to the principal frontage.
(d)
Setback measurements: For all principal and secondary frontage locations along the required 28th Street greenbelt, the required build-to-lines, build-to-zones and setback measurements shall be taken from the back edge (the edge facing the private side of the right-of-way) of the greenbelt. Refer to division 3 for greenbelt measurement and design.
(e)
Frontage percentages: Each building type indicates a frontage percentage requirement along the principal frontage line. This percentage is the amount of a lot line adjoining the public right-of-way that is occupied by the front façade of the principal building. The front façade shall be parallel to the right-of-way, located in accordance with the required build-to-lines or build-to-zones.
(f)
Private frontages: Private frontage types define architecture and design components for the entrance(s) to the building and the area between the façade and the frontage line. Each building type identifies the appropriate private frontage type(s). The use of one of the private frontage types identified is required. Refer to division 7 for private frontage types.
(g)
Maximum site coverage: The maximum site coverage applies to all buildings on a lot, including accessory buildings.
(h)
Building height: Buildings shall comply with the overall maximum height regulations (as measured in feet) that are established by context area.
(i)
Accessory buildings: Accessory buildings shall comply with the following standards:
(1)
Allowed per building type: One accessory building is permitted in addition to the principal building for live/work, rowhouse, two-family house and single-family house building types.
(2)
Accessory building use: Accessory buildings may contain a garage and/or home office space. One accessory dwelling unit (ADU) is permitted on the second story of accessory buildings when paired with single-family or two-family building types.
(3)
Accessory building size: Accessory structures on single-family building type lots can have a maximum 720 square feet per story or 80 percent of the size of the primary building's ground floor level, whichever is less. Two-family building types can have a maximum 960 square feet per story or 80 percent of the size of the primary building's ground floor level, whichever is less.
(4)
Accessory building location: Accessory buildings shall be located in the rear of the lot. Accessory buildings under 599 square feet shall be setback a minimum of three feet from the side and rear property line. Accessory buildings over 600 square feet shall be setback a minimum of seven feet from the rear and side yard property lines
(5)
Accessory building height: Accessory buildings shall be limited to two stories in height and shall comply with the overall maximum height regulations established by context district.
(j)
Side yard walls: Each building shall have separate walls to support all loads independently of any walls located on an adjacent lot. Buildings with side-facing windows shall provide necessary light and air shafts within their own lot, without relying on the side yard of the adjacent lot.
(k)
Landscape standards: Refer to division 3 for landscape standards and 28th Street greenbelt measurement and design.
(l)
Parking requirements and standards: Parking requirements for each building type are based on use. Refer to division 9 for parking requirements and standards.
(m)
Sign standards: Refer to division 10 for sign standards.
The following standards apply to the mixed use building type:
1.0 Access:
A.
The main entrance(s) to ground story commercial space(s) shall be directly from and face a street, public path or civic space. Doors allowing public access shall occur at intervals no greater than 75 feet.
B.
Access to upper story units shall be through a street level lobby, visible from the street.
C.
Contiguous mixed-use buildings shall not exceed 240 feet along a street frontage without a pedestrian access-way at least ten feet wide that connects the rear parking area to the sidewalk.
2.0 Building height:
Refer to Illustration 6.01 for building height graphic representation.
A.
Maximum number of stories and maximum building height permitted for mixed-use buildings is regulated by context area. Refer to division 4.
B.
Mixed-use buildings shall be a minimum of two stories in height.
C.
First story shall be 12 feet minimum in height, measured from finished floor to finished ceiling.
D.
Upper stories shall be eight feet minimum in height, measured from finished floor to finished ceiling.
E.
First floor entry door height above grade. First floor at entry door location is required to be at the same elevation as the adjacent sidewalk grade along the principal frontage (zero vertical separation).
3.0 Facade composition requirements:
Refer to Illustration 6.02 for building composition graphic reference.
A.
Building shall have a flat roof with parapet.
B.
Building shall have a cornice expression line at roofline.
C.
Transparency upper stories: Building facades facing streets shall have ten percent to 50 percent of the façade be windows between the finish floor line of the second story and bottom of cornice expression line.
D.
Transparency first story: Refer to private frontage types (division 7) for transparency requirements of first story.
E.
Upper windows shall be square or vertically proportioned with clear glass. Refer to definitions in division 11 for clear glass requirements.
F.
Building shall have an 18 inches to 32 inches pilaster or wall surface every 20 to 40 feet along building facades facing streets. Pilasters shall extend vertically from grade to cornice expression line.
G.
Building materials: Refer to section 90-1614 for required building materials.
MIXED USE BUILDING DESCRIPTION:
A lot located and designed to accommodate a multi-story building with multiple dwelling units in the upper story and various commercial uses permitted within any story.
Accessory buildings are not permitted on mixed use building type lots. accessory structures are allowed on mixed use building type lots.
4.0 Private frontages:
A.
Refer to division 7 for requirements of private frontages.
B.
Private frontage types permitted for mixed-use building:
1.
Storefront private frontage.
2.
Balcony private frontage.
3.
Drive-through private frontage.
5.0 Use:
Uses are regulated by context area. Refer to division 4 for permitted uses in each context area.
6.0 Site dimensional requirements:
Refer to Illustration 6.03 for graphic representation of the dimensional requirements regarding site and building placement.
A.
Front setback (at principal frontage):
■ 0 feet - required build-to-line (no setback is allowed, building shall be at frontage line).
B.
Side setback (at secondary frontage):
■ 0 feet - required build-to-line (no setback is allowed, building shall be at frontage line).
C.
Side setback (at non-frontage locations):
■ 0 feet from non-frontage side property line.
D.
Rear setback (at non-frontage locations):
■ 0 feet from non-frontage rear property line.
E.
Optional angled building corner with required entry door. Maximum length of angled wall shall be eight feet.
F.
Required 20-foot minimum building depth.
G.
At corner locations: Required 30-foot minimum extension of required building depth along secondary frontages. Thirty-foot extension is in addition to the required 20-foot minimum depth.
H.
Building façade width along principal frontage shall be built to a minimum of 90 percent of the overall length of the principal frontage line length.
I.
Balconies, awnings, canopies, cornices, upper bays, and projecting signs may extend into the public right-of-way per the requirements of the encroachment section in division 3.
J.
Maximum site coverage for mixed-use buildings is 100 percent.
The following standards apply to the zero lot line retail building type:
1.0 Access:
A.
The main entrance(s) to ground story commercial space(s) shall be directly from and face a street, public path or civic space. Doors allowing public access shall occur at intervals no greater than 75 feet.
B.
Contiguous zero lot line retail buildings shall not exceed 240 feet along a street frontage without a pedestrian access-way at least ten feet wide that connects the rear parking area to the sidewalk.
2.0 Building height:
Refer to Illustration 6.04 for building height graphic representation.
A.
Maximum building height permitted for zero lot line retail buildings is regulated by context area. Refer to division 4.
B.
Zero lot line retail buildings shall be one story in height. Upper stories are not permitted on the zero lot line retail building type.
C.
Refer to mixed use building type if multiple stories are desired.
D.
First story shall be 12 feet minimum in height, measured from finished floor to finished ceiling.
E.
First floor entry door height above grade. First floor at entry door location is required to be at the same elevation as the adjacent sidewalk grade along the principal frontage (zero vertical separation).
3.0 Facade composition requirements:
Refer to Illustration 6.05 for building composition graphic reference.
A.
Building shall have a flat roof with parapet.
B.
Building shall have a cornice expression line at roofline.
C.
Transparency first story: Refer to private frontage types (division 7) for transparency requirements of first story.
D.
Building shall have an 18 inches to 32 inches pilaster or wall surface every 20 to 40 feet along building facades facing streets. Pilasters shall extend vertically from grade to cornice expression line.
E.
Building materials: Refer to section 90-1614 for required building materials.
ZERO LOT LINE RETAIL BUILDING DESCRIPTION:
A lot located and designed to accommodate a single-story building with various commercial uses permitted at the ground floor level. Building site placement is required to have no setback at the principal frontage line.
Accessory buildings are not permitted on zero lot line retail building type lots. Accessory structures are allowed on zero lot line retail building type lots.
4.0 Private frontages:
A.
Refer to division 7 for requirements of private frontages.
B.
Private frontage types permitted for zero lot line retail building:
1.
Storefront private frontage.
2.
Drive-through private frontage.
5.0 Use:
Uses are regulated by context area. Refer to division 4 for permitted uses in each context area.
6.0 Site dimensional requirements:
Refer to Illustration 6.06 for graphic representation of the dimensional requirements regarding site and building placement.
A.
Front setback (at principal frontage):
■ 0 feet - required build-to-line (no setback is allowed, building shall be at frontage line).
B.
Side setback (at secondary frontage):
■ 0 feet - required build-to-line (no setback is allowed, building shall be at frontage line).
C.
Side setback (at non-frontage locations):
■ 0 feet from non-frontage side property line.
D.
Rear setback (at non-frontage locations):
■ 0 feet from non-frontage rear property line.
E.
Optional angled building corner with required entry door. Maximum length of angled wall shall be eight feet.
F.
Required 20-foot minimum building depth.
G.
At corner locations: Required 30-foot minimum extension of required building depth along secondary frontages. Thirty foot extension is in addition to the required 20-foot minimum depth.
H.
Building façade width along principal frontage shall be built to a minimum of 90 percent of the overall length of the principal frontage line length.
I.
Balconies, awnings, canopies, cornices, upper bays, and projecting signs may extend into the public right-of-way per the requirements of the encroachment section in division 3.
J.
Maximum site coverage for zero lot line retail buildings is 100 percent.
The following standards apply to the retail building type:
1.0 Access:
A.
The main entrance(s) to ground story commercial space(s) shall be directly from and face a street, public path or civic space. Doors allowing public access shall occur at intervals no greater than 75 feet.
B.
Contiguous zero lot line retail buildings shall not exceed 240 feet along a street frontage without a pedestrian access-way at least ten feet wide that connects the rear parking area to the sidewalk.
2.0 Building height:
Refer to Illustration 6.07 for building height graphic representation.
A.
Maximum building height permitted for retail buildings is regulated by context area. Refer to division 4.
B.
Retail buildings shall be one story in height. Upper stories are not permitted on the retail building type.
C.
Refer to mixed use building type if multiple stories are desired.
D.
First story shall be 12 feet minimum in height, measured from finished floor to finished ceiling.
E.
Retail buildings that have a pitched roof may have an optional attic space that is not among the number of stories regulated by context area.
F.
First floor entry door height above grade. First floor at entry door height above grade is dependant on the private frontage used for this building Type. Refer to private frontages permitted for this building type and division 7.
3.0 Facade composition requirements:
Refer to Illustrations 6.07 and 6.08 for building composition graphic reference.
A.
Building may have a flat roof with parapet or a pitched roof.
B.
Buildings with a flat roof shall have a cornice expression line at roofline.
C.
Transparency first story: Refer to private frontage types (division 7) for transparency requirements of first story.
D.
Building shall have an 18 inches to 32 inches pilaster or wall surface every 20 to 40 feet along building facades facing streets. Pilasters shall extend vertically from grade to cornice expression line.
E.
Building materials: Refer to section 90-1614 for required building materials.
RETAIL BUILDING DESCRIPTION:
A lot located and designed to accommodate a single-story building with various commercial uses permitted at the ground floor level. Building site placement has a variable build-to-zone at the principal frontage line.
Accessory buildings are not permitted on retail building type lots. Accessory structures are allowed on retail building type lots.
4.0 Private frontages:
A.
Refer to division 7 for requirements of private frontages.
B.
Private frontage types permitted for retail building:
1.
Storefront private frontage.
2.
Shopfront private frontage.
3.
Drive-through private frontage.
5.0 Use:
Uses are regulated by context area. Refer to division 4 for permitted uses in each context area.
6.0 Site dimensional requirements:
Refer to Illustration 6.09 for graphic representation of the dimensional requirements regarding site and building placement.
A.
Front setback (at principal frontage):
■ Required build-to-zone from five to 15 feet from principal frontage line (building shall be within build-to-zone).
■ In corridor edge context area (CE) with principal frontages along Division Avenue: Required build-to-zone shall be five to 50 feet from principal frontage line.
B.
Side setback (at secondary frontage):
■ Required build-to-zone from zero to 15 feet from secondary frontage line (building shall be within build-to-zone).
C.
Side setback (at non-frontage locations):
■ Three feet from non-frontage side property line.
D.
Rear setback (at non-frontage locations):
■ Ten feet from non-frontage rear property line.
E.
Optional angled building corner with required entry door. Maximum length of angled wall shall be eight feet.
F.
Required 20-foot minimum building depth.
G.
At corner locations: Required 30-foot minimum extension of required building depth along secondary frontages. Thirty-foot extension is in addition to the required 20-foot minimum depth.
H.
Building façade width along principal frontage shall be built to a minimum of 50 percent of the overall length of the principal frontage line length.
I.
Balconies, awnings, canopies, cornices, eaves, upper bays, and projecting signs may extend into setbacks, beyond build-to-zones or into the public right-of-way per the requirements of the encroachment section in division 3.
J.
Unenclosed porches, stoops, wells, and/or steps may extend into required setbacks per the requirements of the encroachment section in division 3. These elements shall not project into the public right-of-way.
K.
Maximum site coverage for retail buildings is 90 percent.
(Ord. No. 12-24, § 12, 11-4-24)
The following standards apply to the live/work building type:
1.0 Access:
A.
The main entrance to ground story commercial space shall be directly from and face a street, public path or civic space.
B.
Access to upper story dwelling unit may be by a separate entrance.
C.
Internal access between the residential and commercial spaces is required.
2.0 Building height:
Refer to Illustration 6.10 for building height graphic representation.
A.
Maximum building height permitted for live/work buildings is regulated by context area. Refer to division 4.
B.
Live/work buildings shall be a minimum of two stories in height.
C.
Live/work buildings shall be a maximum of three stories in height.
D.
First story shall be ten feet minimum in height, measured from finished floor to finished ceiling.
E.
Upper stories shall be eight feet minimum in height, measured from finished floor to finished ceiling.
F.
Live/ work buildings that have a pitched roof may have an optional attic space that is not among the number of stories regulated by context area.
G.
First floor entry door height above grade. First floor at entry door height above grade is dependant on the private frontage used for this building type. Refer to private frontages permitted for this building type and division 7.
3.0 Facade composition requirements:
Refer to Illustrations 6.10 and 6.11 for building composition graphic reference.
A.
Building may have a flat roof with parapet or a pitched roof.
B.
Buildings with a flat roof shall have a cornice expression line at roofline.
C.
Transparency upper stories: Building facades facing streets shall have ten percent to 50 percent of the façade be windows between the finish floor line of the second story and bottom of cornice expression line or eave.
D.
Transparency first story: Refer to private frontage types (division 7) for transparency requirements of first story.
E.
Upper windows shall be square or vertically proportioned with clear glass. Refer to definitions in division 11 for clear glass requirements.
F.
Building shall have an 18 inches to 32 inches pilaster or wall surface every 14 to 26 feet along building facades facing streets. Pilasters shall extend vertically from grade to cornice expression line.
G.
Building materials: Refer to section 90-1614 for required building materials.
LIVE/WORK BUILDING DESCRIPTION:
A lot located and designed to accommodate an attached or detached building with integrated residence and commercial space utilized by a single-family household. The ground floor is designed to accommodate commercial uses with a single residence in the upper stories, although ground floor may also accommodate residential uses.
Accessory buildings are allowed on live/work building type lots. accessory structures are allowed on live/work building type lots.
4.0 Private frontages:
A.
Refer to division 7 for requirements of private frontages.
B.
Private frontage types permitted for live/work building:
1.
Storefront private frontage.
2.
Shopfront private frontage.
3.
At-grade private frontage.
4.
Lightwell private frontage.
5.
Stoop private frontage.
5.0 Use:
Uses are regulated by context area. Refer to division 4 for permitted uses in each context area.
6.0 Site dimensional requirements:
Refer to Illustration 6.12 for graphic representation of the dimensional requirements regarding site and building placement.
A.
Front setback (at principal frontage):
■ Required build-to-zone from five to 20 feet from principal frontage line (building shall be within build-to-zone).
B.
Side setback (at secondary frontage):
■ Required build-to-zone from zero to 10 feet from secondary frontage line (building shall be within build-to-zone).
C.
Side Setback (at non-frontage locations):
■ Zero feet from non-frontage side property line.
D.
Rear setback (at non-frontage locations):
■ Ten feet from non-frontage rear property line.
E.
Front build-to-zone shall begin five feet from the principal frontage line.
F.
Building façade width along principal frontage shall be built to a minimum of 80 percent of the overall length of the principal frontage line length.
G.
Individual unit widths shall be 14 feet to 26 feet per unit.
H.
Balconies, awnings, canopies, cornices, eaves, upper bays, and projecting signs may extend into setbacks, beyond build-to-zones or into the public right-of-way per the requirements of the encroachment section in division 3.
I.
Unenclosed porches, stoops, wells, and/or steps may extend into required setbacks per the requirements of the encroachment section in division 3. These elements shall not project into the public right-of-way.
J.
Maximum site coverage for live/work buildings is 80 percent.
The following standards apply to the apartment building type:
1.0 Access:
A.
Access to residential uses shall be through a lobby entrance.
B.
Access to non-residential uses may be directly from the street, public path or civic space or through a lobby.
C.
Lobby entrances shall be directly from the street, public path or civic space.
2.0 Building height:
Refer to Illustration 6.13 for building height graphic representation.
A.
Maximum number of stories and maximum building height permitted for apartment buildings is regulated by context area. Refer to division 4.
B.
Apartment buildings shall be a minimum of two stories in height.
C.
First story shall be nine feet minimum in height, measured from finished floor to finished ceiling.
D.
Upper stories shall be eight feet minimum in height, measured from finished floor to finished ceiling.
E.
Apartment buildings that have a pitched roof may have an optional attic space that is not among the number of stories regulated by context area.
F.
First floor entry door height above grade. First floor at entry door height above grade is dependant on the private frontage used for this building type. Refer to private frontages permitted for this building type and division 7.
3.0 Facade composition requirements:
Refer to Illustrations 6.13 and 6.14 for building composition graphic reference.
A.
Building may have a flat roof with parapet or a pitched roof.
B.
Buildings with a flat roof shall have a cornice expression line at roofline.
C.
Transparency upper stories: Building facades facing streets shall have ten percent to 30 percent of the façade be windows between the finish floor line of the second story and bottom of cornice expression line or eave.
D.
Transparency first story: Refer to private frontage types (division 7) for transparency requirements of first story.
E.
Upper windows shall be square or vertically proportioned with clear glass. Refer to definitions in division 11 for clear glass requirements.
F.
Building shall have an 18 inches to 32 inches pilaster or wall surface every 20 to 40 feet along building facades facing streets. Pilasters shall extend vertically from grade to cornice expression line.
G.
Building materials: Refer to section 90-1614 for required building materials.
APARTMENT BUILDING DESCRIPTION:
A lot located and designed to accommodate a multi-story building with multiple dwelling units above and beside each other.
Accessory buildings are not permitted on apartment building type lots.
Accessory structures are allowed on apartment building type lots.
4.0 Private frontages:
A.
Refer to division 7 for requirements of private frontages.
B.
Private frontage types permitted for apartment building:
1.
At-grade private frontage.
2.
Courtyard private frontage.
3.
Stoop private frontage.
4.
Porch private frontage.
5.0 Use:
Uses are regulated by context area. Refer to division 4 for permitted uses in each context area.
6.0 Site dimensional requirements:
Refer to Illustration 6.15 for graphic representation of the dimensional requirements regarding site and building placement.
A.
Front setback (at principal frontage):
■ Required build-to-zone from eight to 30 feet from principal frontage line (building shall be within build-to-zone).
B.
Side setback (at secondary frontage):
■ Required build-to-zone from three to 20 feet from secondary frontage line (building shall be within build-to-zone).
C.
Side setback (at non-frontage locations):
■ Seven feet from non-frontage side property line.
D.
Rear setback (at non-frontage locations):
■ Ten feet from non-frontage rear property line.
E.
Front build-to-zone shall begin eight feet from the principal frontage line.
F.
Side build-to-zone at secondary frontage shall begin three feet from secondary frontage line.
G.
Required 50-foot mininum building depth.
H.
Building façade width along principal frontage shall be built to a minimum of 60 percent of the overall length of the principal frontage line length.
I.
Balconies, awnings, canopies, cornices, eaves, upper bays, and projecting signs may extend into setbacks, beyond build-to-zones or into the public right-of-way per the requirements of the encroachment section in division 3.
J.
Unenclosed porches, stoops, wells, and/or steps may extend into required setbacks per the requirements of the encroachment section in division 3. These elements shall not project into the public right-of-way.
K.
Maximum site coverage for apartment buildings is 70 percent.
The following standards apply to the rowhouse building type:
1.0 Access:
A.
The main entrance to each dwelling unit shall be directly from and face a street, public path or civic space.
2.0 Access:
A.
Rowhouse buildings are required to have a minimum of three contiguous units.
B.
No more than eight contiguous rowhouse lots shall occur without a pedestrian access-way of at least ten feet.
3.0 Building height:
Refer to Illustration 6.16 for building height graphic representation.
A.
Maximum building height permitted for rowhouse buildings is regulated by context area. Refer to division 4.
B.
Rowhouse Buildings shall be a minimum of two stories in height.
C.
Rowhouse buildings shall be a maximum of three stories in height.
D.
First story shall be nine feet minimum in height, measured from finished floor to finished ceiling.
E.
Upper stories shall be eight feet minimum in height, measured from finished floor to finished ceiling.
F.
Rowhouse buildings that have a pitched roof may have an optional attic space that is not among the number of stories regulated by context area.
G.
First floor entry door height above grade. First floor at entry door height above grade is dependant on the private frontage used for this building type. Refer to private frontages permitted for this building type and division 7.
4.0 Facade composition requirements:
Refer to Illustrations 6.16 and 6.17 for building composition graphic reference.
A.
Building may have a flat roof with parapet or a pitched roof.
B.
Buildings with a flat roof shall have a cornice expression line at roofline.
C.
Transparency upper stories: Building facades facing streets shall have a minimum of 20 percent of the façade be windows between the finish floor line of the second story and bottom of cornice expression line or eave.
D.
Transparency first story: Refer to private frontage types (division 7) for transparency requirements of first story.
E.
Upper windows shall be square or vertically proportioned with clear glass. Refer to definitions in division 11 for clear glass requirements.
F.
Building shall have an 18 inches to 32 inches pilaster or wall surface every 14 to 26 feet along building facades facing streets. Pilasters shall extend vertically from grade to cornice expression line.
G.
Building materials: Refer to section 90-1614 for required building materials.
ROWHOUSE BUILDING DESCRIPTION:
A lot located and designed to accommodate a principal building with common walls on both side lot lines and a private yard to the rear.
Accessory buildings are allowed on rowhouse building type lots.
Accessory structures are allowed on rowhouse building type lots.
5.0 Private frontages:
A.
Refer to division 7 for requirements of private frontages.
B.
Private frontage types permitted for rowhouse building:
1.
Lightwell private frontage.
2.
Stoop private frontage.
3.
Porch private frontage.
6.0 Use:
Uses are regulated by context area. Refer to division 4 for permitted uses in each context area.
7.0 Site dimensional requirements:
Refer to Illustration 6.18 for graphic representation of the dimensional requirements regarding site and building placement.
A.
Front setback (at principal frontage):
■ Required build-to-zone from five to 15 feet from principal frontage line (building shall be within build-to-zone).
B.
Side setback (at secondary frontage):
■ Required build-to-zone from three to ten feet from secondary frontage line (building shall be within build-to-zone).
C.
Side setback (at non-frontage locations):
■ Zero feet from non-frontage side property line.
D.
Rear setback (at non-frontage locations):
■ Ten feet from non-frontage rear property line.
E.
Front build-to-zone shall begin five feet from the principal frontage line.
F.
Side build-to-zone at secondary frontage shall begin three feet from secondary frontage line.
G.
Required 30-foot minimum building depth.
H.
Building façade width along principal frontage shall be built to a minimum of 90 percent of the overall length of the principal frontage line length.
I.
Individual unit widths shall be 14 feet to 26 feet per unit.
J.
Balconies, awnings, canopies, cornices, eaves, and upper bays may extend into setbacks, beyond build-to-zones or into the public right-of-way per the requirements of the encroachment section in division 3.
K.
Unenclosed porches, stoops, wells, and/or steps may extend into required setbacks per the requirements of the encroachment section in division 3. These elements shall not project into the public right-of-way.
L.
Maximum site coverage for rowhouse buildings is 80 percent.
The following standards apply to the two-family house building type:
1.0 Access:
A.
The main entrance to each dwelling unit shall be directly from and face a street, public path or civic space.
2.0 Building height:
Refer to Illustration 6.19 for building height graphic representation.
A.
Maximum building height permitted for two-family house buildings is regulated by context area. Refer to division 4.
B.
Two-family house buildings shall be a minimum of two stories in height.
C.
First story shall be nine feet minimum in height, measured from finished floor to finished ceiling.
D.
Upper stories shall be eight feet minimum in height, measured from finished floor to finished ceiling.
E.
Optional attic space is not among the number of stories regulated by context area.
F.
First floor entry door height above grade. First floor at entry door height above grade is dependant on the private frontage used for this building type. Refer to private frontages permitted for this building type and division 7.
3.0 Facade composition requirements:
Refer to Illustrations 6.19 and 6.20 for building composition graphic reference.
A.
Building shall have a pitched roof.
B.
Transparency upper stories: Building facades facing streets shall have ten percent to 50 percent of the façade be windows between the finish floor line of the second story and eave.
C.
Transparency first story: Refer to private frontage types (division 7) for transparency requirements of first story.
D.
Upper windows shall be square or vertically proportioned with clear glass. Refer to definitions in division 11 for clear glass requirements.
E.
Building materials: Refer to section 90-1614 for required building materials.
TWO-FAMILY BUILDING DESCRIPTION:
A lot located and designed to accommodate a two-family building with front, rear and side yards.
Accessory buildings are allowed on two-family house building type lots.
Accessory structures are allowed on two-family house building type lots.
4.0 Private frontages:
A.
Refer to division 7 for requirements of private frontages.
B.
Private frontage types permitted for two-family building:
1.
Stoop private frontage.
2.
Porch private frontage.
5.0 Use:
Uses are regulated by context area. Refer to division 4 for permitted uses in each context area.
6.0 Site dimensional requirements:
Refer to Illustration 6.21 for graphic representation of the dimensional requirements regarding site and building placement.
A.
Front setback (at principal frontage):
■ Required build-to-zone from 15 to 35 feet from principal frontage line (building shall be within build-to-zone).
B.
Side setback (at secondary frontage):
■ Required build-to-zone from ten to 20 feet from secondary frontage line (building shall be within build-to-zone).
C.
Side Setback (at non-frontage locations):
■ Seven feet from non-frontage side property line.
D.
Rear setback (at non-frontage locations):
■ Ten feet from non-frontage rear property line.
E.
Front build-to-zone shall begin 15 feet from the principal frontage line.
F.
Side build-to-zone at secondary frontage shall begin ten feet from secondary frontage line.
G.
Balconies, awnings, canopies, cornices, eaves, and upper bays may extend into setbacks, beyond build-to-zones or into the public right-of-way per the requirements of the encroachment section in division 3.
H.
Unenclosed porches, stoops, wells, and/or steps may extend into required setbacks per the requirements of the encroachment section in division 3. These elements shall not project into the public right-of-way.
I.
Maximum site coverage for two-family buildings is 60 percent.
The following standards apply to the single-family house building type:
1.0 Access:
A.
The main entrance to each dwelling unit shall be directly from and face a street, public path or civic space.
2.0 Building height:
Refer to Illustration 6.22 for building height graphic representation.
A.
Maximum building height permitted for single-family house buildings is regulated by context area. Refer to division 4.
B.
Two-family house buildings shall be a maximum of two stories in height.
C.
First story shall be nine feet minimum in height, measured from finished floor to finished ceiling.
D.
Upper stories shall be eight feet minimum in height, measured from finished floor to finished ceiling.
E.
Optional attic space is not among the number of stories regulated by context area.
F.
First floor entry door height above grade. First floor at entry door height above grade is dependant on the private frontage used for this building type. Refer to private frontages permitted for this building type and division 7.
3.0 Facade composition requirements:
Refer to Illustrations 6.22 and 6.23 for building composition graphic reference.
A.
Building shall have a pitched roof.
B.
Transparency upper stories: Building facades facing streets shall have ten percent to 50 percent of the façade be windows between the finish floor line of the second story and eave.
C.
Transparency first story: Refer to private frontage types (division 7) for transparency requirements of first story.
D.
Upper windows shall be square or vertically proportioned with clear glass. Refer to definitions in division 11 for clear glass requirements.
E.
Building materials: Refer to section 90-1614 for required building materials.
SINGLE-FAMILY HOUSE BUILDING DESCRIPTION:
A lot located and designed to accommodate a single-family detached building with front, rear and side yards.
Accessory buildings are allowed on single-family house building type lots.
Accessory structures are allowed on single-family house building lots.
4.0 Private frontages:
A.
Refer to division 7 for requirements of private frontages.
B.
Private frontage types permitted for single-family building:
1.
Stoop private frontage.
2.
Porch private frontage.
5.0 Use:
Uses are regulated by context area. Refer to division 4 for permitted uses in each context area.
6.0 Site dimensional requirements:
Refer to Illustration 6.24 for graphic representation of the dimensional requirements regarding site and building placement.
A.
Front setback (at principal frontage):
■ Required build-to-zone from 15 to 35 feet from principal frontage line (building shall be within build-to-zone).
B.
Side setback (at secondary frontage):
■ Required build-to-zone from ten to 15 feet from secondary frontage line (building shall be within build-to-zone).
C.
Side setback (at non-frontage locations):
■ Seven feet from non-frontage side property line.
D.
Rear setback (at non-frontage locations):
■ Ten feet from non-frontage rear property line.
E.
Front build-to-zone shall begin 15 feet from the principal frontage line.
F.
Side build-to-zone at secondary frontage shall begin ten feet from secondary frontage line.
G.
Balconies, awnings, canopies, cornices, eaves, and upper bays may extend into setbacks, beyond build-to-zones or into the public right-of-way per the requirements of the encroachment section in division 3.
H.
Unenclosed porches, stoops, wells, and/or steps may extend into required setbacks per the requirements of the encroachment section in division 3. These elements shall not project into the public right-of-way.
I.
Maximum site coverage for single-family buildings is 50 percent.
I.
EXTERIOR BUILDING WALLS:
1.0 Intent:
A.
Exterior building walls shall reflect and complement the materials and construction techniques of West Michigan's regional architecture.
B.
Building materials on exterior walls shall express the construction techniques and structural constraints of traditional and long-lasting building materials.
C.
All building materials shall express their specific properties. For example, heavier more permanent materials (masonry) shall support lighter materials (wood).
2.0 Exterior wall materials:
The following materials are permitted on exterior walls:
A.
Brick and masonry.
B.
Stucco.
1.
The use of stucco is not permitted on the ground floor of the mixed use building type.
2.
The use of stucco is not permitted on the zero lot line retail building type.
3.
The use of stucco is not permitted on the retail building type.
C.
Stone (or synthetic equivalent).
D.
Pre-cast masonry (for trim and cornice elements only).
E.
Polyurethane and Cellular PVC shapes (for cornice element only).
F.
Metal (for beams, lintels, trim elements and ornamentation only).
G.
Metal panels, insulated metal panels and/or rain screens (for upper levels only).
H.
Split-faced block (for piers, foundation walls, and chimneys only).
I.
Wood lap siding.
J.
Cement board siding (Hardie-Plank or equivalent).
K.
Other materials as approved by planning director or planning commission.
3.0 Exterior wall configurations and techniques:
The following configurations and construction techniques shall be utilized when assembling exterior walls:
A.
Wall openings shall not span vertically more than one story.
B.
Wall openings shall correspond to interior space and not span horizontally across the building.
C.
Wall materials shall be consistent horizontally (i.e. - joints between different materials shall be horizontal and continue around corners) except at chimneys and piers.
D.
Cement board siding shall have a smooth finish (no faux wood grain).
E.
All trim on wood- and cement board-sided walls (including window trim, door trim, horizontal expression lines and corner trim) shall be similar to the material of the siding.
II.
ROOFS AND PARAPETS:
1.0 Intent:
A.
Roofs and parapets shall demonstrate recognition of the climate by utilizing appropriate pitch, drainage and materials.
B.
Sustainable practices, such as green roof technology, are strongly encouraged to the maximum extent possible.
2.0 Roof materials for pitched or sloped roofs:
The following materials are permitted for pitched roofs:
A.
Slate (or equivalent synthetic).
B.
Metal (standing seam or similar).
C.
Dimensional asphalt shingles.
D.
Other materials as approved by planning director or planning commission.
3.0 Roof materials for flat roofs:
The following materials are permitted for flat roofs:
A.
Any material that is permitted by the Building Code.
4.0 Materials for cornices.
The following materials are permitted for parapets and cornices:
A.
Any material that is permitted in the exterior building wall section.
B.
Material shall be consistent and compatible with the material of the exterior wall.
5.0 Pitched roof configurations and techniques.
The following configurations and construction techniques shall be utilized when assembling pitched roofs:
A.
Simple hip and gable roofs shall be symmetrically pitched between 4:12 and 12:12.
B.
Shed roofs attached to the main structure shall be pitched between 4:12 and 7:12.
C.
Eaves shall overhang a minimum of 12 inches.
D.
Rakes (gable end) shall overhang a minimum of eight inches.
E.
Eaves on accessory buildings, dormers and other similar structures shall overhang a minimum of eight inches.
F.
Rakes (gable end) on accessory buildings, dormers and other similar structures shall overhang a minimum of six inches.
G.
Open eaves and simple traditional soffits and fascia are encouraged.
III.
WINDOWS AND DOORS:
1.0 Window materials:
A.
Window frames shall be anodized aluminum, wood, clad wood, vinyl, or steel.
B.
Glass in windows shall be clear. Refer to definitions in division 11 for requirements of clear glass.
C.
Window screens shall be black or gray.
D.
Screen frames shall match window frame material or be dark anodized.
2.0 Door materials:
A.
Door frames shall be anodized aluminum, wood, clad wood, or steel.
B.
Doors shall be made of wood, clad wood, fiberglass, steel, or other materials as approved by planning director or planning commission.
C.
Any glass that is provided in doors as part of minimum transparency requirements shall be clear. Refer to definitions in division 11 for requirements of clear glass.
3.0 Window configurations and techniques:
A.
Windows may be ganged horizontally (maximum five per group) if each grouping is separated by a mullion, column, pier or wall section.
B.
Windows shall be no closer than 30 inches to a building corner, excluding bay windows.
C.
Windows shall be square or vertically proportioned.
D.
Exterior shutters, if applied, shall be sized and mounted appropriately for the window (i.e. each shutter shall be one-half the window width).
4.0 Door configurations and techniques:
A.
Double height entries (those that span more than one story) are not allowed.
B.
Roll down security gates and doors are prohibited.
Division 7 identifies specific private frontage types that are allowed in conjunction with building types and provides design standards for each type, to ensure that building entrances, form, and character are consistent with the City of Wyoming Land Use Plan.
Each proposed building shall be designed to incorporate a private frontage type in compliance with the standards of this division, except for civic buildings which are not required to meet these standards.
Property may be developed only with the frontage types allowed by this division in conjunction with the applicable building type.
A.
Refer to Table 90-1702 on this page to determine the specific frontage types that are permitted for each of the building types.
The following building types are specified in this division:
A.
Storefront private frontage type.
B.
Balcony private frontage type.
C.
Shopfront private frontage type.
D.
Drive-through private frontage type.
E.
At-grade private frontage type.
F.
Lightwell private frontage type.
G.
Stoop private frontage type.
H.
Porch private frontage type.
White cells represent building types where private frontage is permitted.
Darkented cells represent building types where private frontage is NOT permitted.
Refer to individual private frontage standards to review specific requirements for application to building type.
Refer to sample pages on this sheet for references of how to use each private frontage type standard. These pages are representative of the layout for each private frontage type contained in this division.
(a)
Private frontage character: This box serves as an introduction to the private frontage type, including precedent examples and a general private frontage type description.
(b)
Access: Specifies required frontage access and door location requirements.
(c)
Building type: Specifies the building types that the private frontage type is permitted to be applied to. Private frontages define the architecture and design components for the entrance(s) to the building and the area between the façade and the frontage line(s). Refer to division 6 for building types.
(d)
Private frontage location requirements: Specifies the location requirements for the private frontage depending on the building type. This section also specifies the requirements of the ground area between the principal frontage line and the building facade, relative to distance from the principal frontage line.
(e)
Private frontage landscape requirements: Specifies the landscape requirements for the private frontage.
(f)
Private frontage composition requirements: Specifies the requirements of the private frontage, including transparency, composition, and required elements.
(g)
Note: The drive-through frontage (section 90-1709) is identical to the storefront frontage, except that it has provisions for an automobile drive-through at non-frontage sides and the rear of the site. The pages for the drive-through frontage include one additional graphic that depicts the location of where this drive-through is permitted.
The following standards apply to all private frontage types:
(a)
Principal frontage: Principal frontages of buildings represent the building front and are located at the public right-of-way lines along the street, public path or civic space of address for the building.
(b)
Secondary frontage: Secondary frontages of buildings represent the building sides that are located at the public right-of-way lines along all streets, public paths or civic spaces that are not the street of address for the building. The side setback for secondary frontages shall apply to all situations where secondary frontages occur at more than one side of a building (due to a parcel that is bound on more than two sides by right-of-way lines).
(c)
Principal frontage transparency requirements at first story: Each building type's first story transparency at the principal frontage line is per the private frontage requirements. Secondary frontages are required to use one of the following standards:
1.
Transparency that is the same as what is required by the upper stories for the building type.
2.
Transparency that is the same as the private frontage that has been applied to the principal frontage.
(d)
Setback measurements: For all principal and secondary frontage locations along the required 28th Street greenbelt, the required build-to-lines, build-to-zones and setback measurements shall be taken from the back edge (the edge facing the private side of the right-of-way) of the greenbelt. Refer to division 9 for greenbelt measurement and design.
(e)
Private frontages: Private frontage types define architecture and design components for the entrance(s) to the building and the area between the façade and the frontage line. Each building type identifies the appropriate private frontage type(s). The use of one of the private frontage types identified is required. Refer to division 6 for building types.
(f)
Sign standards: Refer to division 10 for sign standards.
The following standards apply to the Storefront Private Frontage Type:
1.0 Access:
A.
Storefront private frontage and required entry doors shall be directly from and face a street, public path or civic space.
2.0 Allowed per building type:
The storefront private frontage is permitted on the following building types (refer to division 6):
A.
Mixed use building type.
B.
Zero lot line retail building type.
C.
Retail building type.
D.
Live/work building type.
3.0 Frontage location requirements:
Refer to Illustration 7.01 for graphic representation of the location requirements for private frontage placement.
A.
The storefront frontage is required to be placed at a build-to-line or within a build-to-zone, depending on building site specific requirements. Refer to division 6.
B.
The ground area between the principal frontage line and building façade shall have one of the following treatments depending on distance from the principal frontage line.
1.
Distance between building façade and principal frontage line is zero to ten feet: Ground area shall be paved to match public sidewalk.
2.
Distance between building façade and principal frontage line is greater than ten feet and front parking is NOT present: Ground area shall be landscaped with a sidewalk connecting the entry door to the public sidewalk. Sidewalk connecting entry door and public sidewalk shall have a width that is equal to the width of the widest part of the entry door recess.
3.
Distance between building façade and principal frontage line is greater than ten feet and front parking is present: Ground area shall be paved to the edge of the parking.
4.
Ground area may be paved at distances greater than ten feet when outdoor seating is proposed per approval of planning director and/or planning commission.
C.
Balconies, awnings, canopies, cornices, upper bays, and projecting signs may extend into the public right-of-way per the requirements of the encroachment section in division 3.
4.0 Private frontage landscape requirements:
A.
Landscape for the storefront frontage (when required) shall be ground cover.
STOREFRONT FRONTAGE DESCRIPTION:
The storefront is a frontage type placed along the principal (and sometimes secondary) frontage line(s). It is typically associated with retail and mixed use buildings. The storefront shall be designed in a way that promotes an attractive, convenient shopping experience. Storefronts are at grade with the sidewalk and are sometimes shaded by awnings.
5.0 Private frontage composition requirements:
Refer to Illustration 7.02 for frontage composition graphic reference.
A.
Storefronts shall extend across 80 percent of the first story, for the full height of the first story.
B.
Optional transom window may extend over entry recess (as depicted) or follow entry recess.
C.
Required entry door shall have 50 percent minimum transparency.
D.
Entry door is required to be recessed from the principal frontage line from three feet to eight feet. Storefront shall extend from principal frontage line to the recessed entry door.
E.
Entry door is required to be at adjacent sidewalk grade.
F.
Required 30 inches to 42 inches sign band or horizontal expression band above storefront window or transom. Sign band or horizontal expression line shall extend the entire width of the building.
G.
Storefront window glass shall be eight feet high minimum, measured from the adjacent grade.
H.
Transparency: Storefront private frontages shall have 60 percent to 80 percent of the façade be windows between the top of the storefront base and bottom of sign band (or horizontal expression line). Entry door transparency shall be included as part of this required transparency.
I.
Required 18 inches to 30 inches storefront base.
J.
Required 18 inches to 32 inches pilaster or wall surface spaced as indicated by building type.
K.
Transparency upper stories: Refer to building types (division 6) for transparency requirements of upper stories.
L.
The storefront private frontage may have an angled corner entry as allowed by the specific building type. The angled corner entry shall meet the transparency requirements of the storefront private frontage.
M.
Frontage materials: Refer to section 90-1714 for required building materials.
The following standards apply to the balcony private frontage type:
1.0 Access:
A.
Balcony private frontage and required entry doors shall be directly from and face a street, public path or civic space.
2.0 Allowed per building type:
The balcony private frontage is permitted on the following building types (refer to division 6):
A.
Mixed use building type.
3.0 Frontage location requirements:
Refer to Illustration 7.03 for graphic representation of the location requirements for private frontage placement.
A.
The balcony frontage is required to be placed at a build-to-line or within a build-to-zone, depending on building site specific requirements. Refer to division 6.
B.
The ground area between the principal frontage line and building façade shall have one of the following treatments depending on distance from the principal frontage line.
1.
Distance between building façade and principal frontage line is zero to ten feet: Ground area shall be paved to match public sidewalk.
2.
Distance between building façade and principal frontage line is greater than ten feet: Ground area shall be landscaped with a sidewalk connecting the entry door to the public sidewalk. Sidewalk connecting entry door and public sidewalk shall have a width that is equal to the width of the widest part of the entry door recess.
3.
Ground area may be paved at distances greater than ten feet when outdoor seating is proposed per approval of planning director and/or planning commission.
C.
Required recessed balcony located within the mass of the building.
D.
Face of balcony shall align with façade of building.
E.
Storefront frontage is required at first story.
F.
Building roof and/or parapet wall shall extend over balcony and align with face of lower floor(s).
G.
Balconies, awnings, canopies, cornices, upper bays, and projecting signs may extend into the public right-of-way per the requirements of the encroachment section in division 3.
4.0 Private frontage landscape requirements:
A.
Landscape for the balcony frontage (when required) shall be ground cover.
BALCONY FRONTAGE DESCRIPTION:
The balcony is a frontage type placed along the principal frontage line. It is typically associated with mixed use buildings. The frontage combines n upper balcony that is recessed into the building mass with a storefront at the first story. The storefront portion of this frontage shall be designed in a way that promotes an attractive, convenient shopping experience.
5.0 Private frontage composition requirements:
Refer to Illustration 7.04 for frontage composition graphic reference.
A.
Storefronts shall extend across 80 percent of the first story, for the full height of the first story.
B.
Optional transom window may extend over entry recess (as depicted) or follow entry recess.
C.
Required entry door shall have 50 percent minimum transparency.
D.
Entry door is required to be recessed from the principal frontage line from three feet to eight foot. Storefront shall extend from principal frontage line to the recessed entry door.
E.
Entry door is required to be at adjacent sidewalk grade.
F.
Required 30 inches to 42 inches sign band or horizontal expression band above storefront window or transom. Sign band or horizontal expression line shall extend the entire width of the building.
G.
Storefront window glass shall be eight feet high minimum, measured from the adjacent grade.
H.
Transparency: Balcony private frontages shall have 60 percent to 80 percent of the façade be windows between the top of the storefront base and bottom of sign band (or horizontal expression line). Entry door transparency shall be included as part of this required transparency.
I.
Required 18 inches to 30 inches storefront base.
J.
Required 18 inches to 32 inches pilaster or wall surface spaced as indicated by building type.
K.
Transparency upper stories: Refer to building types (division 6) for transparency requirements of upper stories.
L.
The storefront private frontage may have an angled corner entry as allowed by the specific building type. The angled corner entry shall meet the transparency requirements of the storefront private frontage.
M.
Required recessed balcony located within the mass of the building.
N.
Required equally spaced columns at balcony.
O.
Building roof and/or parapet wall shall extend over balcony and align with facade of building
P.
Required guardrail or knee wall shall align with facade of building.
Q.
Frontage materials: Refer to section 90-1714 for required building materials.
The following standards apply to the shopfront private frontage type:
1.0 Access:
A.
Shopfront private frontage and required entry doors shall be directly from and face a street, public path or civic space.
2.0 Allowed per building type:
The storefront private frontage is permitted on the following building types (refer to division 6):
A.
Retail building type.
B.
Live/work building type.
3.0 Frontage location requirements:
Refer to Illustration 7.05 for graphic representation of the location requirements for private frontage placement.
A.
The shopfront frontage is required to be placed within a build-to-zone, depending on building site specific requirements. Refer to division 6.
B.
The ground area between the principal frontage line and building façade shall have one of the following treatments depending on distance from the principal frontage line.
1.
Distance between building façade and principal frontage line is zero to ten feet: Ground area shall be paved to match public sidewalk.
2.
Distance between building façade and principal frontage line is greater than ten feet and front parking is NOT present: Ground area shall be landscaped with a sidewalk connecting the entry door to the public sidewalk. Sidewalk connecting entry door and public sidewalk shall have a width that is equal to the width of the widest part of the entry door recess.
3.
Distance between building façade and principal frontage line is greater than ten feet and front parking is present: Ground area shall be paved to the edge of the parking.
4.
Ground area may be paved at distances greater than ten feet when outdoor seating is proposed per approval of planning director and/or planning commission.
C.
Shopfront frontage is required to have either a terrace or an at grade entry door.
D.
Balconies, awnings, canopies, cornices, upper bays, and projecting signs may extend into the public right-of-way per the requirements of the encroachment section in division 3.
E.
Stoops, wells, and/or steps may extend into required setbacks per the requirements of the encroachment section in division 3.
4.0 Private frontage landscape requirements:
A.
Landscape for the shopfront frontage (when required) shall be ground cover.
SHOPFRONT FRONTAGE DESCRIPTION:
The shopfront is a frontage type placed along the principal frontage line in a build-to-zone. It is typically associated with retail uses at the first story in context areas that have a less intense (more residentially scaled) retail environment. The shopfront shall be designed in a way that promotes an attractive, convenient shopping experience. Storefronts may be elevated above the adjacent grade.
5.0 Private frontage composition requirements:
Refer to Illustration 7.06 for frontage composition graphic reference.
A.
Shopfront frontage is required to have either a terrace (covered with roof or without roof) or an at grade entry door. (Covered terrace depicted in graphic).
B.
Terrace (if used) shall be 12 inches minimum above adjacent grade.
C.
Depth of the landing at the terrace (if used) shall be a minimum of four feet.
D.
At grade entry door (if used) is required to be at adjacent sidewalk grade.
E.
Required entry door shall have 30 percent minimum transparency.
F.
Transparency: Shopfront private frontages shall have 35 percent to 60 percent of the façade be windows between the adjacent grade and finish floor line of the second story. Entry door transparency shall be included as part of this required transparency.
G.
Required 18 inches to 32 inches pilaster or wall surface spaced as indicated by building type.
H.
Transparency upper stories: Refer to building types (division 6) for transparency requirements of upper stories.
I.
The shopfront private frontage may have an angled corner entry as allowed by the specific building type. The angled corner entry shall meet the transparency requirements of the shopfront private frontage.
J.
Frontage materials: Refer to section 90-1714 for required building materials.
The following standards apply to the drive-through private frontage type:
1.0 Access:
A.
Drive-through private frontage and required entry doors shall be directly from and face a street, public path or civic space.
2.0 Allowed per building type:
The drive-through private frontage is permitted on the following building types (refer to division 6):
A.
Mixed use building type.
B.
Zero lot line retail building type.
C.
Retail building type.
3.0 Frontage location requirements:
Refer to Illustration 7.07 for graphic representation of the location requirements for private frontage placement.
A.
The drive-through frontage is required to be placed at a build-to-line or within a build-to-zone, depending on building site specific requirements. Refer to division 6.
B.
The ground area between the principal frontage line and building façade shall have one of the following treatments depending on distance from the principal frontage line.
1.
Distance between building façade and principal frontage line is zero to ten feet: Ground area shall be paved to match public sidewalk.
2.
Distance between building façade and principal frontage line is greater than ten feet and front parking is NOT present: Ground area shall be landscaped with a sidewalk connecting the entry door to the public sidewalk. Sidewalk connecting entry door and public sidewalk shall have a width that is equal to the width of the widest part of the entry door recess.
3.
Distance between building façade and principal frontage line is greater than ten feet and front parking is present: Ground area shall be paved to the edge of the parking.
4.
Ground area may be paved at distances greater than ten feet when outdoor seating is proposed per approval of planning director and/or planning commission.
C.
Balconies, awnings, canopies, cornices, upper bays, and projecting signs may extend into the public right-of-way per the requirements of the encroachment section in division 3.
4.0 Private frontage landscape requirements:
A.
Landscape for the drive-through frontage (when required) shall be ground cover.
5.0 Drive-through location requirements:
Refer to Illustration 7.08 for frontage composition graphic reference.
A.
Rear drive-through zone: Drive-through is permitted to be placed along non-frontage rear property lines (or easement lines) in the following context areas:
1.
Corridor center (CC).
2.
Corridor urban (CU).
3.
Corridor general (CG).
4.
Corridor sub-urban (CS).
5.
Corridor edge (CE).
DRIVE-THROUGH FRONTAGE DESCRIPTION:
The drive-through is a frontage that is identical to the storefront frontage type, however it includes an automobile drive-through at the rear or non-frontage side yards. The drive-through may include a covered structure at the service window location. The frontage is typically associated with retail and mixed use buildings and includes a storefront that shall be designed in a way that promotes an attractive, convenient shopping experience. Storefronts are at grade with the sidewalk and are sometimes shaded by awnings.
B.
Location of rear drive-through zone: Rear drive-through zone location shall be located as follows:
1.
Zero to 45 feet, measured from rear building wall.
2.
15 feet minimum, measured from secondary frontage building wall.
C.
Non-frontage side drive-through zone: Drive-through is permitted to be placed along non-frontage side property lines in the following context areas:
1.
Corridor general (CG).
2.
Corridor sub-urban (CS).
3.
Corridor edge (CE).
D.
Location of non-frontage side drive-through zone: Non-frontage side drive-through zone location shall be located as follows:
1.
zero to 45 feet, measured from non-frontage side building wall.
2.
15 feet minimum, measured from principal frontage building wall.
E.
Drive-through location shall comply with the non-frontage side and rear setbacks of the building type that it is applied to. (Refer to division 6)
6.0 Private frontage composition requirements:
Refer to Illustration 7.09 for frontage composition graphic reference.
A.
Storefronts shall extend across 80 percent of the first story, for the full height of the first story.
B.
Optional transom window may extend over entry recess (as depicted) or follow entry recess.
C.
Required entry door shall have 50 percent minimum transparency.
D.
Entry door is required to be recessed from the principal frontage line from three feet to eight feet. Storefront shall extend from principal frontage line to the recessed entry door.
E.
Entry door is required to be at adjacent sidewalk grade.
F.
Required 30 inches to 42 inches sign band/horizontal expression band above storefront window/transom. Sign band or horizontal expression line shall extend the entire width of the building.
G.
Storefront window glass shall be eight feet high minimum, measured from the adjacent grade.
H.
Transparency: Storefront private frontages shall have 60 percent to 80 percent of the façade be windows between the top of the storefront base and bottom of sign band (or horizontal expression line). Entry door transparency shall be included as part of this required transparency.
I.
Required 18 inches to 30 inches storefront base.
J.
Required 18 inches to 32 inches pilaster or wall surface spaced as indicated by building type.
K.
Transparency upper stories: Refer to building types (division 6) for transparency requirements of upper stories.
L.
The storefront private frontage may have an angled corner entry as allowed by the specific building type. The angled corner entry shall meet the transparency requirements of the storefront private frontage.
M.
Frontage materials: Refer to section 90-1714 for required building materials.
The following standards apply to the at-grade private frontage type:
1.0 Access:
A.
At-grade private frontage and required entry doors shall be directly from and face a street, public path or civic space.
2.0 Allowed per building type:
The at-grade private frontage is permitted on the following building types (refer to division 6):
A.
Live/work building type.
B.
Apartment building type.
3.0 Frontage location requirements:
Refer to Illustration 7.10 for graphic representation of the location requirements for private frontage placement.
A.
The at-grade frontage is required to be placed within a build-to-zone, depending on building site specific requirements. Refer to division 6.
B.
The ground area between the principal frontage line and building façade shall have one of the following treatments depending on distance from the principal frontage line.
1.
Distance between building façade and principal frontage line is five to ten feet: Ground area may be paved to match public sidewalk or landscaped with a sidewalk connecting the entry door to the public sidewalk. Sidewalk connecting entry door and public sidewalk shall be five feet wide minimum.
2.
Distance between building façade and principal frontage line is greater than ten feet: Ground area shall be landscaped with a sidewalk connecting the entry door to the public sidewalk. Sidewalk connecting entry door and public sidewalk shall be five feet wide minimum.
C.
At-grade frontage is required to have either a covered entry door (depicted in graphic) or recessed entry door. Covered entry door shall have a roof that is supported by brackets, cables, columns, or cantilevered. Covered entry door and recessed entry door options may be used together depending on building type and site placement of building.
D.
Balconies, awnings, canopies, cornices, upper bays, and projecting signs may extend into the public right-of-way per the requirements of the encroachment section in division 3.
E.
Wells may extend into required setbacks per the requirements of the encroachment section in division 3.
4.0 Private frontage landscape requirements:
A.
Landscape for the at-grade frontage (when required) shall be grass ground cover.
AT-GRADE FRONTAGE DESCRIPTION:
The at-grade is a frontage type placed along the principal frontage line in a build-to-zone. It provides an at grade (zero step) entry into residentially scaled buildings and may be associated with lobby buildings (such as apartments).
5.0 Private frontage composition requirements:
Refer to Illustration 7.11 for frontage composition graphic reference.
A.
At-grade frontage is required to have either a covered entry door (as depicted on graphic) or recessed entry door. Covered entry door shall have a roof that is supported by brackets, cables, columns, or cantilevered. Covered entry door and recessed entry door options may be used together depending on building type and site placement of building.
B.
Depth of covered entry (if used) shall be four feet minimum.
C.
Entry door for at-grade frontages is required to be at adjacent sidewalk grade.
D.
Required entry door shall have 50 percent minimum transparency.
E.
Transparency: At-grade private frontages shall have ten percent to 30 percent of the façade be windows between the adjacent grade and finish floor line of the second story. Entry door transparency shall be included as part of this required transparency.
F.
Required 18 inches to 32 inches pilaster or wall surface spaced as indicated by building type.
G.
Transparency upper stories: Refer to building types (division 6) for transparency requirements of upper stories.
H.
Frontage materials: Refer to section 90-1714 for required building materials.
The following standards apply to the lightwell private frontage type:
1.0 Access:
A.
Lightwell private frontage and required entry doors shall be directly from and face a street, public path or civic space.
2.0 Allowed per building type:
The lightwell private frontage is permitted on the following building types (refer to division 6):
A.
Live/work building type.
B.
Rowhouse building type.
3.0 Frontage location requirements.
Refer to Illustration 7.12 for graphic representation of the location requirements for private frontage placement.
A.
The lightwell frontage is required to be placed within a build-to-zone, depending on building site specific requirements. Refer to division 6.
B.
The ground area between the principal frontage line and building façade shall have one of the following treatments depending on distance from the principal frontage line.
1.
Distance between building façade and principal frontage line is five to ten feet: Ground area may be paved to match public sidewalk or landscaped with a sidewalk connecting the entry door to the public sidewalk. Sidewalk connecting entry door and public sidewalk shall be five feet wide minimum.
2.
Distance between building façade and principal frontage line is greater than ten feet: Ground area shall be landscaped with a sidewalk connecting the entry door to the public sidewalk. Sidewalk connecting entry door and public sidewalk shall be five feet wide minimum.
C.
Lightwell frontage may have a covered entry door. Covered entry door shall have a roof that is supported by brackets, cables, or cantilevered.
D.
Required exterior stair from adjacent grade (sidewalk) up to terrace.
E.
Required exterior stair from adjacent grade (sidewalk) down to lightwell.
F.
Balconies, awnings, canopies, cornices, upper bays, and projecting signs may extend into the public right-of-way per the requirements of the encroachment section in division 3.
G.
Stoops, wells, and/or steps may extend into required setbacks per the requirements of the encroachment section in division 3.
4.0 Private frontage landscape requirements:
A.
Landscape for the lightwell frontage (when required) shall be ground cover.
LIGHTWELL FRONTAGE DESCRIPTION:
The lightwell is a frontage type placed along the principal frontage line in a build-to-zone. It has separate stairs that connect a lower level entrance (lightwell) and an upper level entrance (terrace) to the public sidewalk. This allows direct access to the first story and a partially exposed basement. Commonly used on attached buildings, this frontage may also provide outdoor seating opportunities at both the terrace and lightwell locations.
5.0 Private frontage composition requirements:
Refer to Illustration 7.13 for frontage composition graphic reference.
A.
Lightwell frontage may have a covered entry door (as depicted in graphic). Covered entry door shall have a roof that is supported by brackets, cables, or cantilevered.
B.
Entry doors for lightwell frontages are required to be accessed from a terrace and lightwell.
C.
Required entry door is not required to have transparency.
D.
Depth of required terrace shall be four feet minimum and eight feet maximum.
E.
Depth of required lightwell shall be four feet minimum and eight feet maximum.
F.
Terrace shall be three feet minimum above adjacent grade.
G.
Transparency between first story finish floor and second story finish floor: Ten percent to 30 percent of the façade shall be windows between the adjacent grade and finish floor line of the second story. Door transparency (if used) may be included in required transparency measurement.
H.
Transparency between first story finish floor and finish floor of lightwell (floor below first floor): 15 percent to 30 percent of the façade shall be windows between the adjacent grade and finish floor line of the lightwell floor (floor below first floor). Door transparency (if used) may be included in required transparency measurement.
I.
Required 18 inches to 32 inches pilaster or wall surface spaced as indicated by building type.
J.
Transparency upper stories: Refer to building types (division 6) for transparency requirements of upper stories.
K.
Frontage materials: Refer to section 90-1714 for required building materials.
The following standards apply to the stoop private frontage type:
1.0 Access:
A.
Stoop private frontage and required covered entry doors shall be directly from and face a street, public path or civic space.
1.
Exception: Stoop and entry door may be located on the side of two-family and single-family home building types when the stoop is connected to the public sidewalk with a minimum of three-foot sidewalk.
2.0 Allowed per building type:
The stoop private frontage is permitted on the following building types (refer to division 6):
A.
Live/work building type.
B.
Apartment building type.
C.
Rowhouse building type.
D.
Two-family house building type.
E.
Single-family house building type.
3.0 Frontage location requirements
Refer to Illustration 7.14 for graphic representation of the location requirements for private frontage placement.
A.
The stoop frontage is required to be placed within a build-to-zone, depending on building site specific requirements. Refer to division 6.
1.
Exception: As noted in subsection 1.0.A.1 of this section.
B.
The ground area between the principal frontage line and building façade shall be landscaped with a sidewalk connecting the stoop to the public sidewalk. Sidewalk connecting stoop and public sidewalk shall be three feet wide minimum.
C.
Stoop frontage shall have a covered entry door. Covered entry door shall have a roof that is supported by brackets, cables, or cantilevered.
D.
Balconies, awnings, canopies, cornices, upper bays, and projecting signs may extend into the public right-of-way per the requirements of the encroachment section in division 3.
E.
Stoops, wells, and/or steps may extend into required setbacks per the requirements of the encroachment section in division 3.
4.0 Private frontage landscape requirements:
A.
Landscape for the stoop frontage shall be ground cover.
STOOP FRONTAGE DESCRIPTION:
The stoop is a frontage type typically placed along the Principal Frontage line, although it may also be placed in the side yard. A stoop is a small staircase leading to the entrance of a building that has a roof at the entrance. The elevation of the stoop is required to achieve privacy for residential uses on the first story.
5.0 Private frontage composition requirements:
Refer to Illustration 7.15 for frontage composition graphic reference.
A.
Stoop frontage is required to have a covered entry door that has a roof that is either supported by brackets, cables, columns (depicted in graphic), or cantilevered.
B.
Depth of stoop landing shall be four feet minimum.
C.
Stoop shall be 12 inches minimum above adjacent grade.
D.
Required entry door is not required to have transparency.
E.
Transparency: Stoop private frontages shall have ten percent to 30 percent of the façade be windows between the adjacent grade and finish floor line of the second story. Door transparency (if used) may be included in required transparency measurement.
F.
Transparency upper stories: Refer to building types (division 6) for transparency requirements of upper stories.
G.
Frontage materials: Refer to section 90-1714 for required building materials.
The following standards apply to the porch private frontage type:
1.0 Access:
A.
Porch private frontage and required entry doors shall be directly from and face a street, public path or civic space.
2.0 Allowed per building type:
The porch private frontage is permitted on the following building types (refer to division 6):
A.
Apartment building type.
B.
Rowhouse building type.
C.
Two-family house building type.
D.
Single-family house building type.
3.0 Frontage location requirements
Refer to Illustration 7.16 for graphic representation of the location requirements for private frontage placement.
A.
The porch frontage is required to be placed within a build-to-zone, depending on building site specific requirements. Refer to division 6.
B.
The ground area between the principal frontage line and building façade shall be landscaped with a sidewalk connecting the stoop to the public sidewalk. Sidewalk connecting stoop and public sidewalk shall be three feet wide minimum.
C.
Balconies, awnings, canopies, cornices, upper bays, and projecting signs may extend into the public right-of-way per the requirements of the encroachment section in division 3.
D.
Porches, wells, and/or steps may extend into required setbacks per the requirements of the encroachment section in division 3.
4.0 Private frontage landscape requirements:
A.
Landscape for the porch frontage shall be ground cover.
PORCH FRONTAGE DESCRIPTION:
The porch is a frontage type placed along the principal frontage line(s) within a build-to-zone. Porches are open-air structures that are attached to the principal building, forming a covered entrance. Porch dimensions need to be such that sufficient space for furniture is provided, allowing comfortable use of the space.
5.0 Private Frontage Composition Requirements
Refer to Illustration 7.17 for frontage composition graphic reference.
A.
Porch frontage is required to be covered by a roof that is supported by columns.
B.
Depth of porch floor shall be eight feet minimum.
C.
Porch floor shall be 18 inches minimum above adjacent grade.
D.
Required entry door is not required to have transparency.
E.
Transparency: Porch Private Frontages shall have ten percent to 30 percent of the façade be windows between the adjacent grade and finish floor line of the second story. Door transparency (if used) may be included in required transparency measurement.
F.
Transparency upper stories: Refer to building types (division 6) for transparency requirements of upper stories.
G.
Frontage materials: Refer to section 90-1714 for required building materials.
I.
Private frontage exterior walls:
1.0 Intent:
A.
Private frontage walls shall reflect and complement the materials and construction techniques of West Michigan's regional architecture.
B.
Materials on exterior walls shall express the construction techniques and structural constraints of traditional and long-lasting building materials.
C.
All exterior wall materials shall express their specific properties. For example, heavier more permanent materials (masonry) shall support lighter materials (wood).
D.
Private frontage walls shall be compatible and complement the building walls.
2.0 Exterior wall materials:
The following materials are permitted on exterior walls:
A.
Brick and masonry.
B.
Stone (or synthetic equivalent).
C.
Pre-cast masonry (for trim and cornice elements only).
D.
Polyurethane and Cellular PVC shapes (for cornice element only).
E.
Metal (for beams, lintels, trim elements and ornamentation only).
F.
Split-faced block (for piers and foundation walls only).
G.
Wood lap siding.
H.
Cement board siding (Hardie-Plank or equivalent).
I.
Other materials as approved by planning director or planning commission.
3.0 Exterior wall configurations and techniques:
The following configurations and construction techniques shall be utilized when assembling exterior walls:
A.
Wall openings shall not span vertically more than one story.
B.
Wall openings shall correspond to interior space and not span horizontally across the building.
C.
Wall materials shall be consistent horizontally (i.e. - joints between different materials shall be horizontal and continue around corners) except at chimneys and piers.
D.
Cement board siding shall have a smooth finish (no faux wood grain).
E.
All trim on wood- and cement board-sided walls (including window trim, door trim, horizontal expression lines and corner trim) shall be similar to the material of the siding.
II.
Roofs and parapets:
1.0 Intent:
A.
Roofs and parapets shall demonstrate recognition of the climate by utilizing appropriate pitch, drainage and materials.
B.
Sustainable practices, such as green roof technology, are strongly encouraged to the maximum extent possible.
2.0 Roof materials for pitched or sloped roofs:
The following materials are permitted for pitched roofs:
A.
Slate (or equivalent synthetic).
B.
Metal (standing seam or similar).
C.
Dimensional asphalt shingles.
D.
Other materials as approved by planning director or planning commission.
3.0 Roof materials for flat roofs:
The following materials are permitted for flat roofs:
A.
Any material that is permitted by the Building Code.
4.0 Materials for cornices:
The following materials are permitted for parapets and cornices:
A.
Any material that is permitted in the exterior building wall section.
B.
Material shall be consistent and compatible with the material of the exterior wall.
5.0 Pitched roof configurations and techniques:
The following configurations and construction techniques shall be utilized when assembling pitched roofs:
A.
Simple hip and gable roofs shall be symmetrically pitched between 4:12 and 12:12.
B.
Shed roofs attached to the main structure shall be pitched between 4:12 and 7:12.
C.
Eaves shall overhang a minimum of 12 inches.
D.
Rakes (gable end) shall overhang a minimum of eight inches.
E.
Open eaves and simple traditional soffits and fascia are encouraged.
III.
Windows and doors:
1.0 Window materials:
A.
Window frames shall be anodized aluminum, wood, clad wood, vinyl, or steel.
B.
Glass in windows shall be clear. Refer to definitions in division 11 for requirements of clear glass.
C.
Window screens shall be black or gray.
D.
Screen frames shall match window frame material or be dark anodized.
2.0 Door materials:
A.
Door frames shall be anodized aluminum, wood, clad wood, or steel.
B.
Doors shall be made of wood, clad wood, fiberglass, steel, or other materials as approved by planning director or planning commission.
C.
Any glass that is provided in doors as part of minimum transparency requirements shall be clear. Refer to definitions in division 11 for requirements of clear glass.
3.0 Window configurations and techniques:
A.
Windows may be ganged horizontally (maximum five per group) if each grouping is separated by a mullion, column, pier or wall section.
B.
Windows shall be no closer than 30 inches to a building corner, excluding bay windows.
C.
Windows shall be square or vertically proportioned.
D.
Exterior shutters, if applied, shall be sized and mounted appropriately for the window (i.e. each shutter shall be one-half the window width).
4.0 Door configurations and techniques:
A.
Double height entries (those that span more than one story) are not allowed.
B.
Roll down security gates and doors are prohibited.
IV.
Awnings and canopies:
1.0 Awning and canopy materials:
A.
Awnings shall be cloth, canvas or similar material. Shiny or reflective surfaces are not permitted.
B.
Canopies shall be metal.
C.
Internal illumination is not permitted on awnings or canopies.
D.
One-quarter or one-half cylinder style awnings are not permitted.
The purpose of this division is to identify guidelines for the thoroughfare types (streets and streetscapes) permitted within the context areas of the Form Based Code. These guidelines help to ensure that proposed development is consistent with the City of Wyoming Land Use Plan.
The guidelines of this division apply to thoroughfares located in the Form Based Code areas.
(a)
Each proposed thoroughfare shall be designed based on the guidelines established within this division.
(1)
Permitted thoroughfare types for each context area are identified in Table 90-1802.
(2)
The "crescent street" identified in the 28th Street Sub Area Plan and depicted on Map 90-1403 (located in division 4) shall be designed based on the guidelines for Thoroughfare Type AV-110-66-C.
(3)
City planner, planning commission, city engineer, and/or city DPW director may authorize deviation from thoroughfare guidelines when existing conditions or other physical constraints warrant thoroughfare design changes.
Refer to Table 90-1802 to determine the specific thoroughfare types that are permitted in each of the context areas.
The following thoroughfare type guidelines are specified in this division:
(a)
Avenue AV-110-66-C: Avenue with center median.
(b)
Street ST-60-35-C: Commercial street.
(c)
Street ST-60-35-R: Residential street.
(d)
Yield street YS-60-27-R: Residential yield street.
(e)
Rear alley RA-20-20-C: Commercial alley.
(f)
Rear alley RA-20-12-R: Residential alley.
White cells represent Context Areas where ThoroughfareType is permitted.
Darkened cells represent Context Areas where Thoroughfare Type is NOT permitted.
Refer to sample pages on this sheet for references of how to use each thoroughfare type guideline. These pages are representative of the layout for each thoroughfare type contained in this division.
(a)
Thoroughfare attributes. This box contains a table that lists technical information that pertains to the dimensional requirements and the performance standards that are suggested for the thoroughfare type.
A description is also included as an introduction to the thoroughfare type.
(b)
Thoroughfare key. This box contains a thoroughfare key that provides the basic nomenclature for the thoroughfare names. These names allow the basic elements of the thoroughfare to be quickly identified including the type and the design dimensions. Each element of the name is briefly described within this key.
A diagram that graphically describes the pedestrian realm design zones is also included here. This diagram describes the two basic zones of the public realm between the right-of-way line and the street curb.
The information contained within this box is general to all thoroughfare types.
(c)
Thoroughfare cross-section. This diagram provides a cross section of the thoroughfare in order to describe its entire assembly. The cross section will typically include everything within the public realm - from right-of-way line to right-of-way line. Dimensional parameters are indicated for sidewalks, street pavement, travel lanes, parking lanes and bike lanes. (Building masses are indicated for user orientation only.)
(d)
Thoroughfare plan view. The second page of each thoroughfare type has a diagram that provides a plan view of the entire assembly. The plan view will typically include everything within the public realm - from right-of-way line to right-of-way line. Dimensional parameters are indicated for sidewalks, street pavement, travel lanes, parking lanes and bike lanes. Location of bulb-outs are conceptually indicated. (Building masses are indicated for user orientation only).
Alley types do not include a plan diagram.
The following guidelines apply to all Thoroughfare Types:
(a)
Thoroughfares are intended to be for use by all modes of transportation, including vehicular, bicycle, and pedestrian.
(b)
Thoroughfares shall generally consist of vehicular lanes, parking lanes, a pedestrian realm (the sidewalk area), and landscaping.
(c)
Thoroughfares shall be designed in context with the urban form and desired design speed of the context area through which they pass.
(d)
Thoroughfare network shall be designed to define blocks not exceeding the size prescribed in division 5, subdivision and access standards.
(e)
All thoroughfares shall terminate at other thoroughfares, forming a network. Culs-de-sac shall be subject to approval by planning director or planning commission, to accommodate specific site conditions only.
(f)
Each lot shall front on at least one thoroughfare.
(g)
Each thoroughfare shall have street canopy trees consistent with the requirements of this Division.
(h)
Street canopy trees shall be "limbed up" so as to not interfere with pedestrian or automobile travel. (Minimum seven feet clear over the sidewalk and minimum 14 feet clear over travel lanes).
(i)
Unpaved ground area fronting lots shall be planted with groundcover consistent with the requirements of division 6 building types and division 7 private frontage types.
The purpose of this division is to regulate and ensure the provision of parking spaces and access drives are designed for motor vehicles and bicycles. The division also provides options for adjusting parking requirements and providing parking alternatives. These standards ensure that the parking needs of new land uses and development are met, while being designed and located in a manner consistent with the City of Wyoming Land Use Plan.
The regulations of this division apply to off-street parking and landscaping located in the Form Based Code.
(a)
Whenever use of a building or lot is changed to another classification of use, off-street parking facilities shall be provided as required by this division.
(b)
If the intensity of use of any building (other than a single- or two-family residence) or lot is increased, through the addition of floor area, increase in seating capacity, number of employees or other means, additional off-street parking shall be provided for such increase in intensity of use.
The maximum number of required off-street parking spaces shall be provided and maintained on the premises or as otherwise allowed by this article, on the basis of the following and the specific requirements of section 90-600 in article 6.
(a)
When units or measurements determining the number of required parking spaces result in a fraction over one-half, a full parking space shall be required.
(b)
In the case of a use not specifically mentioned, the requirement for off-street parking facilities for a specified use which is most similar shall apply, as determined by the city planner.
(c)
Where parking requirements are based upon maximum seating or occupancy capacity, the capacity shall be as determined by the Building Code and the Fire Code.
(Ord. No. 12-24, § 13, 11-4-24)
Parking space requirements may be reduced by no more than 50 percent (except as provided in the bicycle reduction in subsection D.2.) as part of the site plan approval by the site plan review authority, based upon one or more of the following conditions:
(a)
Shared parking with staggered peak periods. Where a mix of land uses on two or more adjacent lots create staggered peak periods of parking demand, the on-site parking requirements for the adjacent lots may be reduced subject to the following:
(1)
Shared parking areas shall be located within 300 feet of the use.
(2)
Pedestrian connections shall be maintained between the buildings or uses.
(3)
Lots shall be adjacent and shall be interconnected for vehicular passage.
(4)
A shared parking agreement shall be submitted.
(5)
For shared parking with places of worship, the other uses shall not normally operate between the hours of 6:00 a.m. and 6:00 p.m. on Sundays.
(b)
Mixed use buildings. Where one mixed use building on one lot creates staggered peak periods of parking demand, the on-site parking requirements for the single lot may be reduced subject to the following:
(1)
Mixed use building type shall have different uses on multiple floors that create a staggered demand.
(c)
Expectation of walk-in trade due to sidewalk connections to adjacent residential neighborhoods or employment centers. In allowing a parking space reduction, the site design shall incorporate pedestrian connections to the site and on-site pedestrian circulation providing safe and convenient access to the building.
(d)
Availability of other modes of travel. To qualify, the site plan must incorporate transit stops, pedestrian connections to nearby transit stops, or bicycle parking facilities, as applicable.
(1)
Transit reduction. Structures or uses shall be within 300 feet of a transit stop. The rapid shall verify in writing that the transit stop is in a permanent location.
(2)
Bicycle reduction. Parking requirements may be reduced by one space for every four covered, secure bicycle parking spaces that are provided on site. Parking requirements may be further reduced by four spaces where free showers are available for employee use within the building.
(e)
Where the applicant has provided a parking study, conducted by a qualified professional, that demonstrates that another standard would be more appropriate based on actual number of employees or expected level of customer traffic. Actual counts at a similar establishment provided by the applicant may also be acceptable.
(f)
A parking study may be required as part of site plan review to document that any one of the criteria subsections (a) through (d) above would be met.
(a)
Written easements that provide for continued use and maintenance of shared parking shall be submitted to the site plan review authority for review and approval. Any agreement shall include provisions to address changes in use.
(b)
Shared parking leases or agreements shall have a term of not less than five years, including any renewals at the option of the lessee.
(c)
Should the agreement be voided or expire for any reason, the uses utilizing the shared parking facility shall provide all required parking spaces in accordance with the requirements of this article, or shall be in violation thereof.
(a)
Where a reduction in the number of parking spaces is not warranted but an applicant demonstrates that the parking requirements for a proposed use would be excessive, the site plan review authority may defer ("bank") some of the required parking. The site plan shall designate portions of the site for future construction of the required parking spaces. This banked area shall be maintained in a landscaped appearance and not be located within required greenbelts or parking lot setback areas and shall not be used for any other purpose.
(b)
The site plan shall show the area proposed to be banked, with all required site plan elements, but shall indicate with hatching, dashed lines, or other means the area to be banked. The site plan shall include parking space requirements, with the number of spaces required, number proposed at initial construction, and number of spaces banked.
(c)
Construction of part or all of the additional spaces designated for the banked parking area may be initiated by the owner or required by the city, based on parking needs or observation of parking deficiencies, and shall require administrative approval of an amended site plan.
(a)
Off-street parking location and setbacks. Off-street parking lots shall meet the setback requirements (Refer to Illustration 9.01) of the Building Type that they are servicing, as follows:
(1)
Principal frontage parking. Off-street parking is prohibited along principal frontages. Refer to Illustration 9.01.
Exception: Off-street parking is permitted in conjunction with retail building type in corridor edge context area. Refer to section 90-1608 in division 6.
(2)
Principal frontage parking access. Access drives along principal frontages are discouraged. If principal frontage access is required by site limitations, shared access is strongly encouraged.
(3)
Secondary frontage parking and access. Off-street parking and access is prohibited along the first 40 feet of secondary frontages, measured from the principal frontage line. Refer to Illustration 9.01.
(4)
Secondary frontage. Parking lots located adjacent to secondary frontages shall not extend past the building wall and are required to have a parking lot landscape screen per section 90-1914. Refer to Illustration 9.01.
(5)
In cases where two different building types are using a shared parking lot, the more restrictive setback requirements shall be used.
(6)
Off-street parking areas shall be separated at least ten feet from buildings in order to make room for a sidewalk, landscaping, and other planting between the building and the parking area.
Exception: This separation may be eliminated to the rear of buildings in areas designed for unloading and loading.
(b)
Off-street parking facilities required for all uses shall be located on the same lot or within 300 feet of the use(s) they are intended to serve, as measured from the nearest point of the parking facility to the nearest entry of the building(s) served.
(c)
Off-street parking facilities required for single- and two-family dwellings shall be located on the same lot or parcel as the building they are intended to serve, and shall consist of a driveway and/or garage. All residential driveways shall provide a minimum width of at least eight feet. Driveways must be paved and shall be set back at least one foot from adjoining side lot lines. All parking spaces shall be paved and no more than one parking space shall be located within the required front yard. Additions to existing single- and two-family dwellings shall not require the paving of an unpaved driveway.
For parking construction and development refer to section 90-601(2).
(a)
Dimensional requirements. Parking stall and driving aisles shall meet the minimum dimensional requirements of section 90-601(2)(c).
(b)
Internal arrangement. Internal arrangement and design shall be approved by the city engineer for appropriate grades, traffic circulation, aisle length, column spacing, ceiling height, exit stairwell and elevator location.
(c)
Access points/lanes. Storage areas for entering and exiting traffic should be long enough to minimize backups of traffic onto surrounding streets or within the garage.
(d)
Lighting and security. Adequate lighting is necessary for the safe movement of vehicles and pedestrians and for the security of patrons and parked vehicles.
(e)
Location and setback requirements. Parking structures shall be set back the same distance as required for the building type that they are serving.
(f)
Ground level active use. An active use is required at the ground level of the parking facility where the structure abuts a principal or secondary frontage.
(g)
Active use. Space for the active use shall have a minimum depth of 30 feet and minimum width not less than 80 percent of the building frontage on principal frontages and not less than 50 percent of the building frontage on the secondary frontages.
(h)
Liner building. In lieu of an active use on the ground level, a parking structure may be paired with a liner building at principal and secondary frontages. Liner buildings may be one (or a combination of) the following building types.
(1)
Mixed use building type.
(2)
Live-work building type.
(3)
Apartment building type.
(4)
Rowhouse building type.
(i)
Architecture. Parking structures shall be architecturally compatible with the buildings they serve.
For parking facility maintenance refer to section 90-601(4).
For limitations on use of parking lots refer to section 90-601(5).
For off-street loading requirements refer to section 90-602.
For driveway access management refer to section 90-603.
In order to provide a more aesthetic appearance, a measure of shading, increased oxygen generation, and reduced air pollution, wherever site plan approval is required in this chapter, part of that approval shall include a parking lot landscaping plan unless waived by the city planner under the provisions of section 90-504 of this zoning code. The applicable parking lot landscaping plan requirements are detailed in Table 90-504(e) of this zoning code. The following standards shall apply for all required landscaping:
(a)
Parking lot landscape screen. Parking lots located adjacent to secondary frontages shall have one of the following landscape screens located at the secondary frontage line.
(1)
Wall screen. Walls used as a screening device shall be constructed of permanent, low-maintenance materials such as concrete, brick, or architectural block. Such screens shall have minimum 80 percent opacity. Wire or chain link fencing, painted or stained wood screens and unpatterned or unpainted concrete or concrete block shall not be permitted. Walls shall avoid a blank and monotonous appearance by using decorative patterns or architectural elements such as piers, pilasters or breaks in the wall. Walls used as screens shall not be less than 36 inches nor greater than 48 inches in height. A wall used as a screen may be placed at the lot line. A two-foot minimum buffer shall be provided between the wall and the parking or loading area to accommodate the overhang of cars and protect the wall wherever cars are likely to park adjacent to the wall. Walls may be used in conjunction with the landscape buffer in subsection (a)(4) below.
(2)
Fence with landscape buffer. A decorative fence shall be installed at the lot line and shall be used in conjunction with the landscape buffer described in subsection (a)(4) below. The fence shall be constructed of painted decorative elements between 36 and 48 inches in height. Wire or chain link fencing shall not be permitted adjacent to public rights-of-way.
(3)
Landscape hedge buffer. A minimum five-foot wide landscape buffer, consisting of ornamental grasses, hedges, shrubbery, or other planted materials shall be provided. The buffer shall have a minimum height of three feet when planted, and shall be maintained to form a minimum visual screen of a maximum of four feet in height with 80 percent summer opacity within two years after planting. Planting boxes or raised planters, constructed of materials acceptable under wall screens in subsection (a)(1) above may be used, provided the height and opacity of such elements meet the criteria established within this subsection.
(4)
Landscape buffer (in conjunction with decorative fence). A minimum two-foot wide landscape buffer shall be provided in addition to the requirements of a fence as described in subsection (a)(2) above. The landscape buffer shall be placed between the fence and the lot line. Groundcover, ornamental grasses, annual or perennial flowers, shrubs, trees or a combination thereof may be used to soften the appearance of the fence. Landscape buffer may also be used with the wall screen described in subsection (a)(1) above.
(5)
Changes in grade. In situations where the parking area is more than three feet below or above grade at the lot line, a landscape buffer having a minimum width of three feet shall be provided at the grade of the sidewalk. A wall, fence, or landscape hedge shall be provided between the right-of-way and the parking area, as described in this section. If a retaining wall is used and exposed to view from the public realm, it shall comply with the wall screen described in subsection (a)(1) above.
(b)
Parking lots. For every 25 parking spaces, or fraction thereof, there shall be provided an interior landscape area at least ten feet in width and 20 feet in length. Said landscape area shall contain at least one shade tree, at least 2.5-inch caliper. Other landscaping treatment shall be included in the landscape area, including, but not limited to, groundcover, ornamental grasses, annual or perennial flowers, or shrubbery. Shrubbery must be planted at least three feet from all sidewalks, drives and parking spaces, so as to not infringe upon same. Interior landscape areas shall be dispersed evenly throughout parking lot.
(c)
Installation and maintenance. Refer to division 3 general provisions for landscape installation and maintenance requirements.
Division 10 identifies sign standards that are intended to appropriately limit the placement, type, size, construction, illumination, and number of signs allowed within a specific context area and to require the proper maintenance of signs. The regulations and standards of this division are intended to be content neutral and are considered the minimum necessary to achieve a substantial government interest for public safety, aesthetics, and protection of property values. The purpose of these limitations and requirements are to:
(a)
Protect the public right to receive messages and information protected by the First Amendment of the U.S. Constitution;
(b)
Safeguard and protect the public health, safety, and general welfare;
(c)
Promote aesthetic and environmental values of the community by providing for signs that do not impair the attractiveness of the city as a place to live, work and shop;
(d)
Avoid traffic safety hazards to motorists, bicyclists, and pedestrians, caused by visual distractions and obstructions;
(e)
Enable the public to locate goods, services and facilities without excessive difficulty and confusion by restricting the number and placement of signs;
(f)
Provide for signs as an effective channel of communication, while ensuring that signs are aesthetically designed and proportioned in relation to adjacent structures and the structures to which they are attached;
(g)
Recognize that the principal intent of commercial signs is for identification of an establishment on the premises, and not for advertising off-premises activities; and
(h)
Regulate portable commercial signs in recognition of their significant negative impact on traffic safety and aesthetics.
(a)
The regulations of this division apply to signs located in the Form Based Code district as follows:
(1)
Any building or parcel with a principal or secondary frontage along the Crescent Street.
(2)
Any building or parcel with a principal or secondary frontage along a new private or platted road within the Form Based Code area.
(3)
Any building or parcel with a principal or secondary frontage along Michael Street south to Prairie Parkway.
(4)
Any building or parcel with a principal or secondary frontage along Division Avenue.
(b)
No person, firm, or corporation shall erect, repair, alter, relocate, display or maintain any sign which does not comply with the standards set forth in this Division, and no permit shall be issued for any such sign.
This division does not apply to the following signs:
(a)
Signs which are not applicable per section 90-2001.
(b)
Signs which are exempt per section 90-703.
The following signs shall be prohibited within the Form Based Code district:
(a)
Any sign not expressly permitted.
(b)
Signs prohibited per section 90-704.
(c)
Signs in the right-of-way. No sign, except those established and maintained by the city, county, state or federal governments, shall be located in, project into, or overhang a public right-of-way or dedicated public easement.
Exception: The following signs may be located in, project into, or overhang a public right-of-way when an encroachment permit is obtained:
(1)
Sidewalk sign type.
(2)
Any approved projecting sign type that is attached to a building.
(3)
Any approved awning sign type that is attached to a building.
For general standards for permitted signs, see section 90-705 of the City of Wyoming Zoning Ordinance.
(a)
Sign types are indicated as follows. Sign types regulated by this division include:
(1)
Sign band signs.
(2)
Wall signs.
(3)
Projecting signs.
(4)
Awning signs.
(5)
Window signs.
(6)
Sidewalk (sandwich board) signs.
(7)
Ground signs.
(b)
Temporary signs. For temporary sign standards, see section 90-708(4) and Table 90-708-4.
Off-premise advertising shall not be permitted.
For nonconforming signs, see section 90-710 and section 90-1310(c).
For dangerous, unsafe, abandoned and illegally erected signs, see section 90-711.
For administration, see section 90-712.
The following standards apply:
1.0 Sign band sign standards:
A.
Sign content (letters, corporate logos, symbols or designs) may be engraved, painted, or surface mounted on the building's sign band or horizontal expression band. Sign content shall be made of materials visually compatible with the display surface.
B.
Dimensional requirements of sign band and horizontal expression band are indicated in frontage standards in division 7.
C.
Sign content is not required to be placed in sign band or horizontal expression line.
2.0 Sign band sign location:
A.
Sign bands signs are permitted to be installed at the sign band or horizontal expression band above a storefront window or transom on buildings that have storefront, balcony, or drive-through private frontage.
1.
At corner lot buildings, sign band signs are also permitted to be installed at the sign band or horizontal expression line above storefronts or transoms at the secondary frontage line.
3.0 Sign band sign size and proportion:
Refer to Illustration 10.01 for graphic representation of the dimensional requirements regarding sign band signs.
A.
Sign band sign sizes and proportions are relative to the size of the building's sign band or horizontal expression band.
B.
Vertical placement: Sign content height shall not exceed 80 percent of the overall height of the sign band or horizontal expression band.
C.
Horizontal placement: Sign content within the sign band or horizontal expression band shall not come closer than two feet to the side edges of the sign band.
D.
Sign content shall not extend more than three inches from the face of the sign band or horizontal expression line.
4.0 Sign band sign quantity:
A.
The number of sign band signs allowed per building shall not exceed the quantities indicated in Table 90-2018.
B.
Sign bands may be used in conjunction with other sign types.
5.0 Sign band sign illumination:
A.
Sign band signs may be externally illuminated per the requirements of subsection 90-705(5).
B.
Sign band signs are not permitted to be internally illuminated.
C.
Sign band is not permitted to be illuminated with neon illumination.
D.
Sign band is not required to be illuminated.
DESCRIPTION: A sign that is painted on, incorporated in, or attached directly to the sign band or horizontal expression band above a storefront window or transom on buildings that have Storefront, Balcony, or Drive-through Private Frontages.
The following standards apply:
1.0 Wall sign standards:
A.
Wall signs shall be designed to be compatible with the character of the building and building materials in order to promote a unified design which compliments the building's massing, scale and character.
B.
Wall sign content may include letters, corporate logos, symbols or designs that are painted or applied to the building wall.
2.0 Wall sign location:
Refer to Illustration 10.02 for location requirements of wall signs.
A.
Wall signs are permitted on the fronts of the following buildings:
1.
Live/work building.
2.
Apartment building.
3.
Civic building.
B.
Wall signs are permitted on the sides (along secondary frontage lines) of the following buildings:
1.
Mixed use building.
2.
Zero lot line retail building.
3.
Retail building.
4.
Live/work building.
5.
Apartment building.
6.
Civic building.
C.
Wall signs are permitted on the non-frontage backs of buildings if the building has a parking lot or alley along the non-frontage rear.
D.
Wall signs shall be a minimum of three feet above the adjacent grade.
E.
Wall signs shall not come closer than two feet to the corner of the building.
3.0 Wall sign size and proportion
Refer to Table 90-2017 for sizes of wall signs for specific building types in each context area.
4.0 Wall sign quantity:
A.
The number of wall signs allowed per building shall not exceed the quantities indicated in Table 90-2018.
B.
Wall signs may be used in conjunction with other sign types.
5.0 Wall sign illumination:
A.
Wall signs may be externally or internally illuminated per section 90-705(5).
B.
Wall signs are not permitted to be illuminated with neon illumination.
C.
Wall signs are not required to be illuminated.
DESCRIPTION:
A sign that is painted on, incorporated in, or attached directly to a building wall, with the exposed face of the sign in place parallel to the building wall.
The following standards apply:
1.0 Projecting sign standards:
A.
Projecting signs shall be designed to be compatible with the character of the building and building materials in order to promote a unified design which compliments the building's massing, scale and character.
B.
Projecting sign content may include letters, corporate logos, symbols, or designs that are painted, applied or surface mounted on the sign surface.
C.
Projecting signs shall have content on both sides of the sign.
D.
Projecting signs placed on fabric, cloth or canvas shall be securely anchored to a sign frame.
2.0 Projecting sign location:
Refer to Illustration 10.03 for graphic representation of the location requirements regarding projecting signs.
A.
Projecting signs are permitted on the fronts of the following buildings:
1.
Mixed use building.
2.
Zero lot line retail building.
3.
Retail building.
4.
Live/work building.
5.
Apartment building.
6.
Civic building.
B.
Projecting signs shall be a minimum of eight feet above the adjacent grade.
C.
Projecting signs shall not extend more than four feet from the face of building.
D.
Projecting signs are required to be perpendicular to the building face.
3.0 Projecting sign size and proportion:
Refer to Table 90-2017 for sizes of projecting signs for specific building types in each context area.
A.
Maximum height of projecting signs shall be four feet.
B.
Maximum width of projecting signs shall be three feet.
4.0 Projecting sign quantity:
A.
The number of projecting signs allowed per building shall not exceed the quantities indicated in Table 90-2018.
B.
Projecting signs may be used in conjunction with other sign types.
5.0 Projecting sign illumination:
A.
Projecting signs may be externally or internally illuminated per section 90-705(5).
B.
Projecting signs are not permitted to be illuminated with neon illumination.
C.
Projecting signs are not required to be illuminated.
(Ord. No. 9-25, § 12, 7-7-25)
The following standards apply:
1.0 Awning/canopy sign standards:
A.
Awning and canopy sign content may include letters, corporate logos, symbols, or designs that are painted, applied or surface mounted on the awning or canopy surface. Sign content on canopy signs may also be located above the canopy sign.
2.0 Awning/canopy sign location:
Refer to Illustrations 10.04 and 10.05 for graphic representation of the location requirements regarding awning and canopy signs.
A.
Awning signs are permitted on the fronts and sides (along secondary frontage lines) of buildings above any windows and/or doors where awnings are placed.
B.
Canopy signs are permitted on the fronts and sides (along secondary frontage lines) of buildings above doors where canopies are placed.
C.
Awning and canopies shall be a minimum of eight feet above the adjacent grade.
D.
Height of awning valance shall be between eight and 14 inches.
E.
Height of sign content on awning valence shall not exceed 80 percent of the valence height.
F.
Width of awning shall not exceed the width of the door or window that it is above.
G.
Width of sign content on awning valence shall not exceed 90 percent of the valence width.
H.
Area of sign content located on the shed (sloped) area of the awning shall not exceed 30 percent of the overall shed area.
I.
Width of canopy shall not exceed the width of the door that it is above.
J.
Sign content may be placed on or above the canopy fascia and shall not exceed 90 percent of the width of the canopy.
K.
Height of canopy sign content shall not exceed 90 percent of the height of the canopy.
3.0 Awning/canopy sign size:
Refer to Table 90-2017 for sizes of awning and canopy signs for specific building types in each context area.
4.0 Awning/canopy sign quantity:
A.
The number of awning and canopy signs allowed per building shall not exceed the quantities indicated in Table 90-2018.
B.
Awning and canopy signs may be used in conjunction with other sign types.
5.0 Awning/canopy sign illumination:
A.
Awning and Canopy Signs are not permitted to be illuminated.
DESCRIPTION:
Awning signs may be painted, screen printed or appliquéd to the awning. Canopy signs shall be attached upon the face or above the face of metal canopies. Awning and canopy signs shall be placed on canopies or awnings that are above doors and/or windows.
The following standards apply:
1.0 Window sign standards:
A.
Surface applied window signs shall be professionally painted or applied letters, corporate logos, symbols or designs.
B.
Neon tube window signs shall be custom neon tubes that are bent to form letters or images independent of a separate structure other than the required fastening of the neon tube. Neon channel signs are not permitted.
2.0 Window sign location:
A.
Surface applied window signs are permitted on the ground and upper floor front and side (along secondary frontages) windows of the following buildings:
1.
Mixed use building.
2.
Zero lot line retail building.
3.
Retail building.
4.
Live/work building.
B.
Neon tube window signs are permitted on the ground and upper floor front and side (along secondary frontages) windows of the following buildings:
1.
Mixed use building.
2.
Zero lot line retail building.
3.
Retail building.
C.
Window signs shall be installed on the inside face of the window.
3.0 Window sign size and proportion:
Refer to Table 90-2017 for sizes of window signs for specific building types in each context area. Refer to Illustration 10.06 for graphic representation of surface applied window sign proportions.
A.
Surface applied window signs across the bottom 12 inches of storefronts may cover the entire width of the storefront.
B.
Width of surface applied window signs above 12 inches from the bottom of the storefront shall not exceed five feet.
C.
Height of surface applied window signs above 12 inches from the bottom of the storefront shall not exceed three feet.
D.
Table 90-2017 indicates maximum areas of surface applied window signs.
E.
Table 90-2017 indicates maximum areas of neon tube window signs.
4.0 Window sign quantity:
A.
The number of window signs allowed per building shall not exceed the quantities indicated in Table 90-2018.
B.
Window signs may be used in conjunction with other sign types.
5.0 Window sign illumination:
A.
Surface applied window signs are not permitted to be illuminated.
DESCRIPTION:
Window signs are any sign, picture, symbol or combination thereof that is designed to communicate information about activity, business, commodity, event, sale, or service that is placed on the interior of the window and which is intended to be seen by the public from the outside. Window signs include neon tube signs that indicate "open" for business and other neon tube signs as indicated in this subsection.
The following standards apply:
1.0 Sidewalk Sign Standards:
A.
Sidewalk signs may be used to announce daily specials, sales, or point to shops off the sidewalk.
B.
Sidewalk sign content may include letters, corporate logos, symbols, or designs that are painted, applied or temporarily written on the sign surface.
C.
Sidewalk signs shall have content on both sides of the sign.
2.0 Sidewalk sign location:
A.
Sidewalk signs are permitted on the sidewalks along principal frontages adjacent to the following buildings.
1.
Mixed use building.
2.
Zero lot line retail building.
3.
Retail buildings except in corridor edge (CE).
B.
Sidewalk signs shall not interfere with pedestrian travel or encroach upon the required accessible path.
C.
Sidewalk signs shall only be displayed during business hours and shall be removed when the business is closed.
3.0 Sidewalk sign size and proportion:
Refer to Table 90-2017 for sizes of sidewalk signs for specific building types in each context area. Refer to Illustration 10.07 for graphic representation of sidewalk sign proportions.
A.
Maximum height of sidewalk signs shall be four feet.
B.
Maximum width of sidewalk signs shall be three feet.
4.0 Sidewalk sign quantity:
A.
The number of sidewalk signs allowed per building shall not exceed the quantities indicated in Table 90-2018.
B.
Sidewalk signs may be used in conjunction with other sign types.
5.0 Sidewalk sign illumination:
A.
Sidewalk Signs are not permitted to be illuminated.
DESCRIPTION:
Portable Sidewalk Signs (Sandwich Board Signs) are temporary signs that are not permanently affixed to a structure or ground surface and placed on the sidewalk in front of a business during normal business hours.
The following standards apply:
1.0 Ground sign standards:
A.
Ground signs shall be designed to be compatible with the character of the surrounding buildings and building materials in order to promote a unified design which compliments the buildings' massing, scale and character.
B.
Ground sign content may include letters and corporate logos that are permanently affixed to the sign.
C.
Ground sign content is not permitted to be changeable copy, except for gasoline price signs, directory signs listing more than one tenant, and signs advertising restaurant food specials, films, and live entertainment, which change on a regular basis.
D.
Ground signs shall have content on both sides of the sign with building address clearly depicted.
2.0 Ground sign location:
A.
Ground signs are permitted in the front yard setback of the following buildings:
1.
Retail building in corridor sub-urban (CS) and corridor edge (CE).
2.
Apartment building in corridor general (CG), corridor sub-urban (CS) and corridor edge (CE).
3.
Civic building in corridor sub-urban (CS), corridor edge (CE), and corridor neighborhood (CN).
B.
Ground signs are permitted in the Greenbelt along 28th Street for any parcel that has property within the Greenbelt.
3.0 Ground sign size and proportion:
Refer to Table 90-2017 for sizes of ground signs for specific building types in each context area. Refer to Illustration 10.08 for graphic representation of ground sign proportions.
A.
Maximum height of ground signs shall be eight feet except multi-tenant ground signs may increase to ten feet.
B.
Maximum width of ground signs shall be six feet except multi-tenant ground signs may increase to ten feet.
4.0 Ground sign quantity:
A.
The number of ground signs allowed per building shall not exceed the quantities indicated in Table 90-2018.
B.
Ground signs may be used in conjunction with other sign types.
5.0 Ground sign illumination:
A.
Ground signs may be externally or internally illuminated per section 90-705(5).
B.
Ground signs are not required to be illuminated.
DESCRIPTION:
A free-standing permanent sign that is mounted directly on the ground or ground level foundation and is often used to mark a place of significance or the entrance to a location.
The following terms are defined for the purpose of the City of Wyoming Form Based Code. In instances where terms are not defined here, they may be defined elsewhere in the existing municipal zoning ordinances. In such cases the definitions contained within the existing zoning ordinances shall be used for the administration of the City of Wyoming Form Based Code. In instances where terms are defined in both the existing ordinances and here, the definitions here shall prevail for the administration of the City of Wyoming Form Based Code.
DEFINITIONS "A"
Active use: A use at the street level of a building that allows physical and visual activity to occur between the inside of the building and the sidewalk area. A group of buildings with active street level uses will generate pedestrian activity on the sidewalk and vehicular activity in the thoroughfare. Typical active uses include retail and restaurants at the street level.
Adjacent grade: The exterior grade immediately adjacent to the building or structure from which measurements shall be taken.
Alley: Refer to "rear alley."
Apartment building type: A lot located and designed to accommodate a multi-story building with multiple dwelling units above and beside each other.
Architectural elements: Elements of a building that may project from the façade into the required setbacks, beyond the build-to-zones or into the public right-of-way as indicated in division 3, encroachments. These include balconies, awnings, canopies, eaves, cornices, bays, and projecting signs.
At-grade entry: An entry door that has a zero-step entrance.
At-grade frontage: The at-grade is a frontage type placed along the Principal Frontage line in a build-to-zone. It provides an at grade (zero step) entry into residentially scaled buildings and may be associated with lobby buildings (such as apartments).
Attic: An interior space of a building that has only a single floor of habitable space and that occurs within the pitched roof structure, whether conditioned or not. Attic space is typically not among the number of stories regulated by context area or building type, unless otherwise noted.
Awning: A retractable or fixed shelter projecting from and supported by the exterior wall of a building and constructed of non-rigid materials on a supporting framework.
Awning sign: A sign that typically includes letters, logos, symbols and/ or designs that is integrated into an awning.
DEFINITIONS "B"
Balcony: An open outdoor portion of an upper floor.
Balcony private frontage: The balcony is a frontage type placed along the principal frontage line. It is typically associated with mixed use buildings. The frontage combines an upper balcony that is recessed into the building mass with a storefront at the first story. The storefront portion of this frontage shall be designed in a way that promotes an attractive, convenient shopping experience.
Basement: An interior space of a building that has more than one-half of its height below grade.
Bay or bay window: An interior portion of an upper floor extending beyond the building's exterior wall plane that is not supported from below by vertical columns or piers.
Building façade: The exterior walls of a building that face either a principal or secondary frontage line.
Building footprint: The shape and placement of the ground floor of a structure on the parcel.
Building footprint, condominium site: The area of the condominium site within which the main building or structure may be constructed as described in the master deed for the site condominium project.
Building height: Refer to "height, building."
Building to line: A measurement that defines the edge in which the building walls that face frontage lines are required to be built to. When a build-to-line is indicated on a building type, it is a requirement and not a permissive minimum as is a set back line.
Build to zone: A measurement that defines the range (or zone) in which building walls that face frontage lines are required to be located within. When a build-to-zone is indicated on a building type, it is a requirement that the building walls are constructed within this range.
Building type: Building types describe the various forms of buildings that are allowable in the City of Wyoming Form Based Code. Each building type has its own specific massing, composition, site placement (disposition), and vertical dimension that create its unique attributes. Building types are regulated in division 6 and are allowable within various context areas.
Building composition: The essential architectural characteristics that define a specific building type.
DEFINITIONS "C"
Canopy: A fixed shelter projecting from and supported by the exterior wall of a building and constructed of metal or other rigid materials.
Canopy sign: A sign that typically includes letters, logos, symbols and/ or designs that is integrated into a canopy.
Civic building: Civic buildings contain uses of special public importance. Civic buildings include, but are not limited to municipal buildings, churches, libraries, and schools, and do not contain retail, residential or private office uses. Civic buildings are not required to meet the building type standards or the private frontage standards of the City of Wyoming Form Based Code. Civic buildings are typically sited in locations of prominence, such as corners of major intersections, terminating a street vista or overlooking or within a civic space. The design of these building types is encouraged to allow greater flexibility and distinctive architectural expression so that they can become landmarks.
Civic space: An outdoor area dedicated to public use that is strategically placed to facilitate use by the surrounding community.
Clear glass: Refer to "glass, clear."
Context area: Administratively similar to zoning districts in conventional codes, except that they integrate form-based elements, including building type, public realm standards, and thoroughfare type into the regulation.
Convention Center: a building for public assembly that is attached to, or in the same building as, a hotel. Examples include auditoriums, conference facilities, exhibition halls, lecture halls, performing arts venues, and other similar uses, as determined by the City Planner.
Cornice expression line: An architectural feature on buildings that acts as an upper termination or capital for the overall composition of the building.
DEFINITIONS "D"
Dedicated transit stop: a fixed location where passengers may access public transportation as designated by permanent signage attached to a post in the public right of way or attached to a bus shelter.
Departure: A minor, major, or public infrastructure modification to selected Form Based Code requirements, refer to division 2, Tables 90-1203a, 90-1203b, and 90-1203c.
Drive-through frontage: The drive-through is a frontage that is identical to the storefront frontage type, however it includes an automobile drive-through at the rear or non-frontage side yards. The drive-through may include a covered structure at the service window location. The frontage is typically associated with retail and mixed use buildings and includes a storefront that is designed in a way that promotes an attractive, convenient shopping experience. Storefronts are at grade with the sidewalk and are sometimes shaded by awnings.
Drive-through zone: The area (or zone) in which a drive-through is permitted to be placed on a site. Drive-through zones are part of requirements of the drive-through private frontage.
DEFINITIONS "E"
Eave: The projecting overhang along the sloped edge of a pitched roof.
Event Center: A building or portion of a building no greater than 6,000 square feet with one or more rentable separate event rooms or areas which is principally used for the holding of private events or gatherings which are not open to the general public. Examples include wedding venues, reception halls, catering halls, club halls, or other similar uses, as determined by the City Planner. This definition excludes places of religious worship/gathering and convention centers.
DEFINITIONS "F"
Façade: Refer to "building façade."
Fascia: Horizontal board that terminates an eave edge of a sloped or pitched roof.
Finish ceiling: The ceiling surface, usually installed over building structure or hung from the structure, which provides the completed ceiling surface.
Finish floor: The floor, usually laid over a subfloor, which provides the completed floor surface.
Form based code area: The area on the City of Wyoming Zoning Map (located in chapter 90 of the City Zoning Ordinance) that is designated as Form Based Code Districts. Parcels located in the Form Based Code Area are regulated by the Wyoming Form Based Code.
Frontage: The length of any side of a building which fronts on either a principal frontage line or a secondary frontage line.
Frontage line, principal: The property lines of a parcel that are public right-of-way lines along the street of address for the parcel or building.
Frontage line, secondary: The property lines of a parcel that are either a public right-of-way line or directly adjacent to a public right-of-way that are not along the street of address for the parcel or building.
Furnishing zone: The area of the right-of-way that contains planting strips, tree wells, planters, street lighting, sidewalk furniture, seating sidewalk signs, and other amenities.
DEFINITIONS "G"
Glass, clear: Glass having a Visual Light Transmittance (VLT) of 70 percent minimum. Heavily tinted or reflective glass shall not be considered clear.
Good neighbor plan: A written implementation program that identifies and proposes measures to reduce potential negative impacts on nearby residents and businesses. The coordination and collaboration of owners or operators with interested parties both before and after the development process allows for a proactive approach to create a positive working relationship between the community and the applicant by requiring the formulation of a written implementation program. A good neighbor plan must include:
(1)
Documentation of communications with neighboring businesses and residents;
(2)
Policies for addressing neighborhood concerns;
(3)
List of rights and responsibilities for residents, when applicable;
(4)
Policy for loitering;
(5)
Policy for litter;
(6)
Policy for crime prevention and awareness;
(7)
Policy for landscape maintenance, when applicable;
(8)
Description of supportive services;
(9)
Description of services provided for children, when applicable, when applicable; and
(10)
List of partners providing supportive services, when applicable.
Greenbelt: A 25-foot deep landscaped area that is required at frontages along 28th Street. Refer to division 3.
Ground cover: Grass, vegetative cover, or other living landscape.
Ground sign: A free-standing sign mounted directly on the ground, on a base or supported by short poles. Not attached directly to a building or wall.
DEFINITIONS "H"
Height, building: The number of stories allowed by either the building type and/or the context area, with actual measurement of individual stories determined according to specific building types in division 6.
Horizontal expression band: An architectural element on buildings that acts as a horizontal upper termination for the Storefront Private Frontage. Horizontal Expression Lines extend the entire width of the building facade above a storefront and may contain signs. Synonymous with sign band.
DEFINITIONS "I"
Impervious surface: Any hard surfaced, man-made area that does not readily absorb or retain water including but not limited to building roofs, parking and driveway areas, sidewalks and streets.
DEFINITIONS "J"
No definitions for this section.
DEFINITIONS "K"
No definitions for this section.
DEFINITIONS "L"
Lightwell: A component of the lightwell private frontage that is recessed below the adjacent grade in order to provide a landing and access to the basement from the sidewalk. Typically used in association with a terrace. Refer to terrace definition.
Lightwell private frontage: The lightwell is a frontage type placed along the Principal Frontage line in a build- to-zone. It has separate stairs that connect a lower level entrance (lightwell) and an upper level entrance (terrace) to the public sidewalk. This allows direct access to the first story and a partially exposed basement. Commonly used on attached buildings, this frontage may also provide outdoor seating opportunities at both the terrace and lightwell locations.
Liner building: A specialized building that is designed to conceal a parking structure or parking lot. The liner building may be an independent building or may be physically attached to a parking structure so that parking may be accessed directly from floor to floor between the building and structure.
Live/work building type: A lot located and designed to accommodate an attached or detached building with integrated residence and commercial space utilized by a single-family household. The ground floor is designed to accommodate commercial uses with a single residence in the upper stories, although ground floor may also accommodate residential uses.
Lot coverage: The percentage of the lot that is taken up by buildings.
DEFINITIONS "M"
Mandatory: Refer to required.
Massing: The scale and proportions of a building or object.
Medical office: A facility or agency or a part of a facility or agency that is licensed or authorized under parts 201 to 217 of the public health code, 1978 PA 368, MCL 333.20101 to 333.21799e.
Mixed use building type: A lot located and designed to accommodate a multi-story building with multiple dwelling units in the upper story and various commercial uses permitted within any story.
DEFINITIONS "N"
New development: Development occurring on a vacant parcel of land.
Nonconforming sign:
(1)
A sign that is prohibited under the terms of this article, but was erected lawfully and was in use on the date of enactment of this article, or amendment thereto; or
(2)
A sign that does not conform to the requirements of this article, but for which a variance has been granted.
Non-frontage line: The property lines of a parcel that are not a right-of-way line or directly adjacent to a public right-of-way.
DEFINITIONS "O"
Optional: A feature or element that is not required, but may be provided on the project at the applicant's discretion.
Outdoor seating: Patio, terrace, walkway, sidewalk, lawn or garden or any other place (which is not enclosed) where seating is permitted, usually in association with a restaurant, bar or other related commercial uses.
DEFINITIONS "P"
Parapet: A part of the facade that extends above the roof, typically located on flat roof buildings.
Parkway: The landscaped area between the sidewalk and the curb in a thoroughfare assembly. Located within the furnishing zone of the Thoroughfare Type. Synonymous with Planting Strip.
Pedestrian travel zone: The sidewalk area for pedestrian travel. Typically sized for two directions of pedestrian travel.
Pilaster: A decorative or structural column that is attached to the façade of a building. Pilasters may be round, in which case they are detailed exactly like a free-standing column. Square or rectangular pilasters may be detailed in a simpler manner and sometimes are a wall projection (common in masonry buildings).
Porch: A slightly elevated partially enclosed area attached to a building and covered with a roof.
Porch private frontage: The porch is a frontage type placed along the Principal frontage line(s) within a build-to-zone. Porches are open-air structures that are attached to the principal building, forming a covered entrance. porch dimensions need to be such that sufficient space for furniture is provided, allowing comfortable use of the space.
Principal frontage line(s) within a build-to-zone: porches are open-air structures that are attached to the principal building, forming a covered entrance. Porch dimensions need to be such that sufficient space for furniture is provided, allowing comfortable use of the space.
Principal entrance: The main entry to a building, located along the principal frontage line.
Principal frontage line. Refer to "Frontage, Principal."
Principal frontage: Refer to "frontage, principal."
Private frontage type: The privately owned area between the frontage line and the building façade. Private frontage types are applied to building types to ensure that the building adequately engages the street frontage and public realm. Private frontages are regulated in division 6 and are assigned to building types in division 7.
Projecting sign: A double-faced sign that is attached to the face of a building and projects from the wall of the building at a 90 degree angle.
Public infrastructure: Facilities owned and operated by a unit of federal, state, or local government.
Public realm: The area between the façade of a building and the corresponding façade of the building across the street.
DEFINITIONS "Q"
No definitions for this section.
DEFINITIONS "R"
Rake board: The trim board along the sloping edge of a gable roof.
Rear alley: A dedicated right-of-way or easement providing access for service and parking at the rear of a parcel. Not intended for general traffic circulation.
Retail building type: A lot located and designed to accommodate a single-story building with various commercial uses permitted at the ground floor level. Building site placement has a variable build-to-zone at the Principal Frontage Line.
Required: An element or feature that is required to be provided on the project. Synonymous with mandatory.
Right-of-way (ROW): An area owned or maintained by a local, county, state or federal entity, a public utility, a railroad or a private concern for the placement of utilities or facilities for the passage of vehicles or pedestrians, including roads, streets, pedestrian walkways, utilities or railroads.
Right-of-way line: A line that forms the boundary of the right-of-way.
Rowhouse building type: A lot located and designed to accommodate a principal building with common walls on both side lot lines and a private yard to the rear.
DEFINITIONS "S"
Scale: Refers to the size of the building, street fixture, sign or other built or constructed element.
Shopfront private frontage: The shopfront is a frontage type placed along the principal frontage line in a build- to-zone. It is typically associated with retail uses at the first story in context areas that have a less intense (more residentially scaled) retail environment. The shopfront is designed in a way that promotes an attractive, convenient shopping experience. Storefronts may be elevated above the adjacent grade.
Secondary frontage: Refer to "frontage, secondary."
Security and Crowd Management Plan: A written implementation program that identifies and proposes measures to maintain safety and security for large assemblies of people in buildings, such as event centers, convention centers, bars, nightclubs, and other similar uses. This plan benefits the patrons within the building while also minimizing potential negative impacts on nearby residents and businesses.
Setback: The minimum horizontal distance required by this Form Based Code, measured from the front, side or rear lot line as applicable, to govern the location of buildings, structures or uses on the lot.
Sidewalk sign: A temporary and portable sign that is not permanently affixed to a structure or ground and is placed on the sidewalk in front of a business during normal business hours. Synonymous with sandwich board sign.
Sign band: An architectural element on buildings that acts as a horizontal upper termination for the storefront private frontage. Sign bands extend the entire width of the building facade above a storefront and may contain signs. Synonymous with horizontal expression band.
Sign band sign: A sign that is painted on, incorporated in, or attached directly to the sign band or horizontal expression band above a storefront window or transom.
Single-family house building type: A lot located and designed to accommodate a single-family detached building with front, rear and side yards.
Site disposition: The placement or location of a building footprint on a lot or parcel. Synonymous with site placement.
Stoop: A slightly elevated unenclosed area attached to a building and corresponding to a door. A stoop is always covered with a roof.
Stoop private frontage: The stoop is a frontage type typically placed along the principal frontage line, although it may also be placed in the side yard. A stoop is a small staircase leading to the entrance of a building that has a roof at the entrance. The elevation of the stoop is required to achieve privacy for residential uses on the first story.
Storefront private frontage: The storefront is a frontage type placed along the principal (and sometimes secondary) frontage line(s). It is typically associated with retail and mixed use buildings. The storefront is designed in a way that promotes an attractive, convenient shopping experience. Storefronts are at grade with the sidewalk and are sometimes shaded by awnings.
Storefront base: The knee wall located at the sidewalk that the storefront window sits on. Sometimes referred to as a bulkhead wall.
Story: The distance between any two adjacent floors or floor lines, measured as the distance between the finished floor and related finished ceiling in feet and inches. Actual story heights are regulated by building type in Division 6. Number of stories are regulated by building type and Context Area.
Supportive housing program:
(1)
Emergency shelter: Any facility whose primary purpose is to provide temporary shelter for the homeless in general or for specific populations of the homeless.
(2)
Permanent supportive housing: Long-term, community-based housing that has supportive services for homeless persons with disabilities. This type of supportive housing enables special needs populations to live independently as possible in a permanent setting. Permanent housing can be provided in one structure or in several structures at one site or in multiple structures at scattered sites.
(3)
Transitional housing program: A project, including dwelling units but not group quarters, with the purpose of facilitating the movement of homeless individuals and families to permanent housing within a reasonable amount of time (e.g. 24 months).
DEFINITIONS "T"
Terrace: A component of the lightwell and shopfront private frontage that is an area elevated from the adjacent grade in order to provide access and a landing to an elevated first floor. Terraces may be covered with a roof or uncovered. On lightwell private frontages the terrace creates residential privacy at the first floor and allows light to enter a basement level (making that level more attractive to a variety of uses). Refer to lightwell definition.
Thoroughfare type: Thoroughfare Types describe the space within the public realm, between the right-of-way lines. They include the sidewalk, parkway, furnishing zones, curbs, parking lanes and travel lanes of streets, roads, and alleys.
Transom: A small horizontal window located above the storefront and entry door to allow light or air into the retail building.
Transparency: The ability to see through with clarity. An opening in a building wall allowing light and views between interior and exterior through the use of clear glass. Only clear or lightly tinted glass in windows, doors and display windows is considered clear. Heavily tinted glass or reflective glass shall not be considered clear. Interior display shelves and merchandise are not allowed to obstruct views into or out of any windows, doors or display areas that are considered part of the transparency calculation. Windows, doors and display areas provide clear views into and out of the building. Transparency is integral to the relationship of buildings and the street because of the permeable edge and dialogue that it creates between the interior and exterior of buildings. Refer to "glass, clear."
Two-family house building type: A lot located and designed to accommodate a two-family building with front, rear and side yards.
DEFINITIONS "U"
Utility easement: A private easement given to a public utility as per Michigan's Land Division Act.
DEFINITIONS "V"
Vertically proportioned: Typically referring to the orientation of building windows, where the height of the window is taller than the width of the window.
DEFINITIONS "W"
Wall sign: A sign that is painted on, incorporated in or attached directly to a building wall, with the exposed face of the sign in place parallel to the building wall.
Window sign: Any sign, picture, symbol or combination thereof, designed to communicate information about activity, business, commodity, event, sale or service that is placed on the interior of a window and which is intended to be seen by the public from the outside.
DEFINITIONS "X"
No definitions for this section.
DEFINITIONS "Y"
Yard: The space on a lot which is unoccupied by buildings and unobstructed from the ground to the sky.
DEFINITIONS "Z"
Zero lot line retail building type: A lot located and designed to accommodate a single-story building with various commercial uses permitted at the ground floor level. Building site placement is required to have no setback at the principal frontage line.
(Ord. No. 1-23, § 13, 2-6-23; Ord. No. 8-25, § 14, 7-7-25)