Family SF District
The purpose of the Single Family SF District is to:
Uses in the SF District are limited to the following:
1Permitted only on Lots designated for Duplexes on the official Subdivision Plat.
2Detached Guest Houses and detached Secondary Living Quarters are not allowed as a Conditional or Allowed Use within Holiday Ranchettes Subdivision.
3Requires an Administrative Permit. See Section 15-4-7, Accessory Apartments. Accessory Apartments in detached Structures are not allowed within Holiday Ranchettes Subdivision.
4Allowed only within Prospector Village Subdivision. Commercial Uses are not allowed within Nightly Rental units.
5See Section 15-4-9 Child Care and Child Care Facilities. Family Group Child Care and Child Care Center Uses require an Administrative Conditional Use permit.
6Detached Guest Houses and detached Secondary Living Quarters are not allowed as a Conditional or Allowed Use within Holiday Ranchettes Subdivision.
7See Section 15-4-14, Telecommunication Facilities
8See Section 15-4-13, Placement of Satellite Receiving Antennas
9Requires an Administrative Conditional Use permit.
10See Section 15-4-7.1, Internal Accessory Dwelling Units.
11See Section 15-4-22, Outdoor Pickleball Courts in Residential Areas.
Except as may otherwise be provided in this Code, no Building Permit shall be issued for a Lot unless such Lot has Frontage on a Street shown as a private or Public Street on the Streets Master Plan, or on a private easement connecting the Lot to a Street shown on the Streets Master Plan. All Development must comply with the following:

1Fences and walls greater than six feet (6') in height require an administrative Conditional Use permit.
2Fences or Walls greater than six feet (6') in height requires an administrative Conditional Use permit.
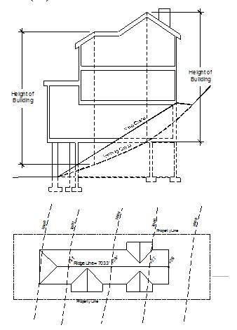
No Structure shall be erected to a height greater than twenty-eight feet (28') from Existing Grade. This is the Zone Height. Accessory Structures in the SF District shall not exceed a maximum height of eighteen feet (18').
As part of a Master Planned Development, or a subdivision, the Planning Commission may designate maximum house sizes to ensure Compatibility. An Owner may combine Lots with designated maximum house sizes and achieve approximately 150% of the maximum house size attributed to a particular Lot. The Owner must request an increase in maximum house size prior to or concurrent with, the Lot combination plat. The request must be made on forms provided by the Planning Department for review by the Planning Director for compliance with the following:
A Bed and Breakfast Inn is a Conditional Use. No Conditional Use permit may be issued unless the following criteria are met:
Outdoor events and music require an Administrative Conditional Use permit. The use must also comply with Section 15-1-10, Conditional Use Review. The Applicant must submit a Site plan and written description of the event, addressing the following:
The raising and grazing of horses may be approved as a Conditional Use by the Planning Commission. In making a determination whether raising and grazing of horses is appropriate, the Planning Commission shall consider the following criteria:
The Property Owner must protect Significant Vegetation during any Development activity. Significant Vegetation includes large trees six inches (6") in diameter or greater measured four and one-half feet (4½') above the ground, groves of smaller trees, or clumps of oak and maple covering an Area fifty square feet (50 sq. ft.) or more measured at the drip line.
Development plans must show all Significant Vegetation within twenty feet (20') of a proposed Development. The Property Owner must demonstrate the health and viability of all large trees through a certified arborist. The Planning Director shall determine the Limits of Disturbance and may require mitigation for loss of Significant Vegetation consistent with Landscape Criteria in Sections 15-3-3 and 15-5-5(N), and Title 14.
Signs are allowed in the SF District as provided in the Park City Sign Code, Title 12.
Family SF District
The purpose of the Single Family SF District is to:
Uses in the SF District are limited to the following:
1Permitted only on Lots designated for Duplexes on the official Subdivision Plat.
2Detached Guest Houses and detached Secondary Living Quarters are not allowed as a Conditional or Allowed Use within Holiday Ranchettes Subdivision.
3Requires an Administrative Permit. See Section 15-4-7, Accessory Apartments. Accessory Apartments in detached Structures are not allowed within Holiday Ranchettes Subdivision.
4Allowed only within Prospector Village Subdivision. Commercial Uses are not allowed within Nightly Rental units.
5See Section 15-4-9 Child Care and Child Care Facilities. Family Group Child Care and Child Care Center Uses require an Administrative Conditional Use permit.
6Detached Guest Houses and detached Secondary Living Quarters are not allowed as a Conditional or Allowed Use within Holiday Ranchettes Subdivision.
7See Section 15-4-14, Telecommunication Facilities
8See Section 15-4-13, Placement of Satellite Receiving Antennas
9Requires an Administrative Conditional Use permit.
10See Section 15-4-7.1, Internal Accessory Dwelling Units.
11See Section 15-4-22, Outdoor Pickleball Courts in Residential Areas.
Except as may otherwise be provided in this Code, no Building Permit shall be issued for a Lot unless such Lot has Frontage on a Street shown as a private or Public Street on the Streets Master Plan, or on a private easement connecting the Lot to a Street shown on the Streets Master Plan. All Development must comply with the following:

1Fences and walls greater than six feet (6') in height require an administrative Conditional Use permit.
2Fences or Walls greater than six feet (6') in height requires an administrative Conditional Use permit.
No Structure shall be erected to a height greater than twenty-eight feet (28') from Existing Grade. This is the Zone Height. Accessory Structures in the SF District shall not exceed a maximum height of eighteen feet (18').
As part of a Master Planned Development, or a subdivision, the Planning Commission may designate maximum house sizes to ensure Compatibility. An Owner may combine Lots with designated maximum house sizes and achieve approximately 150% of the maximum house size attributed to a particular Lot. The Owner must request an increase in maximum house size prior to or concurrent with, the Lot combination plat. The request must be made on forms provided by the Planning Department for review by the Planning Director for compliance with the following:
A Bed and Breakfast Inn is a Conditional Use. No Conditional Use permit may be issued unless the following criteria are met:
Outdoor events and music require an Administrative Conditional Use permit. The use must also comply with Section 15-1-10, Conditional Use Review. The Applicant must submit a Site plan and written description of the event, addressing the following:
The raising and grazing of horses may be approved as a Conditional Use by the Planning Commission. In making a determination whether raising and grazing of horses is appropriate, the Planning Commission shall consider the following criteria:
The Property Owner must protect Significant Vegetation during any Development activity. Significant Vegetation includes large trees six inches (6") in diameter or greater measured four and one-half feet (4½') above the ground, groves of smaller trees, or clumps of oak and maple covering an Area fifty square feet (50 sq. ft.) or more measured at the drip line.
Development plans must show all Significant Vegetation within twenty feet (20') of a proposed Development. The Property Owner must demonstrate the health and viability of all large trees through a certified arborist. The Planning Director shall determine the Limits of Disturbance and may require mitigation for loss of Significant Vegetation consistent with Landscape Criteria in Sections 15-3-3 and 15-5-5(N), and Title 14.
Signs are allowed in the SF District as provided in the Park City Sign Code, Title 12.