Development RD District
The purpose of the Residential Development RD District is to:
Uses in the RD District are limited to the following:
1Nightly rental of Lockout Units requires a Conditional Use permit
2Requires an Administrative Permit. See Section 15-4-7, Accessory Apartments
3Nightly Rentals do not include the Use of dwellings for Commercial Uses. Nightly Rentals are not permitted in the April Mountain, Mellow Mountain Estates Subdivisions, Meadows Estates Subdivision Phases #1A and #1B, Fairway Meadows Subdivision, Hidden Oaks at Deer Valley Phases 2 and 3, Chatham Crossing Subdivision, and West Ridge and West Ridge Phase 2 Subdivision.
4See Section 15-4-9 Child Care and Child Care Facilities. Family Group Child Care and Child Care Center Uses require an Administrative Conditional Use permit.
5Olympic Legacy Displays limited to those specific Structures approved under the SLOC/Park City Municipal Corporation Olympic Services Agreement and/or Olympic Master Festival License and placed on the original Property set forth in the services agreement and/or Master Festival License
6Subject to provisions of LMC Chapter 15-6, Master Planned Development.
7See Section 15-4-14, Telecommunications Facilities.
8See Section 15-4-13, Placement of Satellite Receiving Antennas.
9Allowed only as a secondary or support Use to the primary Development or Use and intended as a convenience for residents or occupants of adjacent or adjoining residential Developments.
10Requires an Administrative Conditional Use permit.
11As part of an approved Ski Area Master Plan. See Section 15-4-18 Passenger Tramways and Ski Base Facilities.
12Omitted.
13See Section 15-4-19, Review Criteria For Control Vehicle Gates.
14Olympic Legacy Displays limited to those specific Structures approved under the SLOC/Park City Municipal Corporation Olympic Services Agreement and/or Olympic Master Festival License and placed in an Area other than the original location set forth in the services agreement and/or Master Festival License.
15Only allowed within a Master Planned Development. Requires an Administrative Conditional Use permit. Is permitted only in approved existing Commercial spaces or developments that have ten (10) or more units with approved Support Commercial space. A Parking Plan shall be submitted to determine site specific parking requirements.
16The Planning Director or their designee shall, upon finding a Food Truck Location in compliance with Municipal Code 4-5-6, issue the property owner a Food Truck Location administrative approval letter.
17See Section 15-4-7.1, Internal Accessory Dwelling Units.
18See Section 15-4-22, Outdoor Pickleball Courts in Residential Areas.
19See Section 15-4-24, Mobile Businesses.
Except as may otherwise be provided in this Code, no Building Permit shall be issued for a Lot unless such Lot has the Area, width, and depth required, and Frontage on a Street shown as a private or Public Street on the Streets Master Plan or on a private easement connecting the Lot to a Street shown on the Streets Master Plan.
All Development must comply with the following:

1Fences and walls greater than six feet (6') in height requires an administrative Conditional Use permit
2Subject to provisions of LMC Chapter 15-6, Master Planned Development.
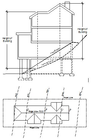
No Structure shall be erected to a height greater than twenty-eight feet (28') from Existing Grade. This is the Zone Height.
Prior to the issuance of a Building Permit, for any Conditional or Allowed Use, the Planning Department must review the proposed plans for compliance with Architectural Review, Chapter 15-5.
As part of a Master Planned Development, or a subdivision, the Planning Commission may designate maximum house sizes to ensure Compatibility. An Owner may combine Lots with designated maximum house sizes and achieve approximately 150% of the maximum house size attributed to a particular Lot. The Owner must request an increase in maximum house size prior to or concurrent with, the Lot combination plat. The request must be made on forms provided by the Planning Department for review by the Planning Director for compliance with the following:
Lots with unusual configurations, topography, Access, or Significant Vegetation may have the Setbacks shifted upon approval of the Planning Director but in no case may they be less than the required Setbacks.
A Bed and Breakfast Inn is a Conditional Use. No Conditional Use Permit may be issued unless the following criteria are met:
Outdoor events and music require an Administrative Conditional Use permit. The Use must also comply with Section 15-1-10, Conditional Use review. An Applicant must submit a Site plan and written description of the event, addressing the following:
The raising and grazing of horses may be approved as a Conditional Use by the Planning Commission. In making a determination whether raising and grazing of horses is appropriate, the Planning Commission shall consider the following criteria:
The Property Owner must protect Significant Vegetation during any Development activity. Significant Vegetation includes large trees six inches (6") in diameter or greater measured four and one-half feet (4½') above the ground, groves of smaller trees, or clumps of oak and maple covering an Area fifty square feet (50 sq. ft.) or more measured at the drip line.
Development plans must show all Significant Vegetation within twenty feet (20') of a proposed Development. The Property Owner must demonstrate the health and viability of all large trees through a certified arborist. The Planning Director shall determine the Limits of Disturbance and may require mitigation for loss of Significant Vegetation consistent with Landscape Criteria in Sections 15-3-3 and 15-5-5(N), and Title 14.
Signs are allowed in the RD District as provided in the Park City Sign Code, Title 12.
Development RD District
The purpose of the Residential Development RD District is to:
Uses in the RD District are limited to the following:
1Nightly rental of Lockout Units requires a Conditional Use permit
2Requires an Administrative Permit. See Section 15-4-7, Accessory Apartments
3Nightly Rentals do not include the Use of dwellings for Commercial Uses. Nightly Rentals are not permitted in the April Mountain, Mellow Mountain Estates Subdivisions, Meadows Estates Subdivision Phases #1A and #1B, Fairway Meadows Subdivision, Hidden Oaks at Deer Valley Phases 2 and 3, Chatham Crossing Subdivision, and West Ridge and West Ridge Phase 2 Subdivision.
4See Section 15-4-9 Child Care and Child Care Facilities. Family Group Child Care and Child Care Center Uses require an Administrative Conditional Use permit.
5Olympic Legacy Displays limited to those specific Structures approved under the SLOC/Park City Municipal Corporation Olympic Services Agreement and/or Olympic Master Festival License and placed on the original Property set forth in the services agreement and/or Master Festival License
6Subject to provisions of LMC Chapter 15-6, Master Planned Development.
7See Section 15-4-14, Telecommunications Facilities.
8See Section 15-4-13, Placement of Satellite Receiving Antennas.
9Allowed only as a secondary or support Use to the primary Development or Use and intended as a convenience for residents or occupants of adjacent or adjoining residential Developments.
10Requires an Administrative Conditional Use permit.
11As part of an approved Ski Area Master Plan. See Section 15-4-18 Passenger Tramways and Ski Base Facilities.
12Omitted.
13See Section 15-4-19, Review Criteria For Control Vehicle Gates.
14Olympic Legacy Displays limited to those specific Structures approved under the SLOC/Park City Municipal Corporation Olympic Services Agreement and/or Olympic Master Festival License and placed in an Area other than the original location set forth in the services agreement and/or Master Festival License.
15Only allowed within a Master Planned Development. Requires an Administrative Conditional Use permit. Is permitted only in approved existing Commercial spaces or developments that have ten (10) or more units with approved Support Commercial space. A Parking Plan shall be submitted to determine site specific parking requirements.
16The Planning Director or their designee shall, upon finding a Food Truck Location in compliance with Municipal Code 4-5-6, issue the property owner a Food Truck Location administrative approval letter.
17See Section 15-4-7.1, Internal Accessory Dwelling Units.
18See Section 15-4-22, Outdoor Pickleball Courts in Residential Areas.
19See Section 15-4-24, Mobile Businesses.
Except as may otherwise be provided in this Code, no Building Permit shall be issued for a Lot unless such Lot has the Area, width, and depth required, and Frontage on a Street shown as a private or Public Street on the Streets Master Plan or on a private easement connecting the Lot to a Street shown on the Streets Master Plan.
All Development must comply with the following:

1Fences and walls greater than six feet (6') in height requires an administrative Conditional Use permit
2Subject to provisions of LMC Chapter 15-6, Master Planned Development.
No Structure shall be erected to a height greater than twenty-eight feet (28') from Existing Grade. This is the Zone Height.
Prior to the issuance of a Building Permit, for any Conditional or Allowed Use, the Planning Department must review the proposed plans for compliance with Architectural Review, Chapter 15-5.
As part of a Master Planned Development, or a subdivision, the Planning Commission may designate maximum house sizes to ensure Compatibility. An Owner may combine Lots with designated maximum house sizes and achieve approximately 150% of the maximum house size attributed to a particular Lot. The Owner must request an increase in maximum house size prior to or concurrent with, the Lot combination plat. The request must be made on forms provided by the Planning Department for review by the Planning Director for compliance with the following:
Lots with unusual configurations, topography, Access, or Significant Vegetation may have the Setbacks shifted upon approval of the Planning Director but in no case may they be less than the required Setbacks.
A Bed and Breakfast Inn is a Conditional Use. No Conditional Use Permit may be issued unless the following criteria are met:
Outdoor events and music require an Administrative Conditional Use permit. The Use must also comply with Section 15-1-10, Conditional Use review. An Applicant must submit a Site plan and written description of the event, addressing the following:
The raising and grazing of horses may be approved as a Conditional Use by the Planning Commission. In making a determination whether raising and grazing of horses is appropriate, the Planning Commission shall consider the following criteria:
The Property Owner must protect Significant Vegetation during any Development activity. Significant Vegetation includes large trees six inches (6") in diameter or greater measured four and one-half feet (4½') above the ground, groves of smaller trees, or clumps of oak and maple covering an Area fifty square feet (50 sq. ft.) or more measured at the drip line.
Development plans must show all Significant Vegetation within twenty feet (20') of a proposed Development. The Property Owner must demonstrate the health and viability of all large trees through a certified arborist. The Planning Director shall determine the Limits of Disturbance and may require mitigation for loss of Significant Vegetation consistent with Landscape Criteria in Sections 15-3-3 and 15-5-5(N), and Title 14.
Signs are allowed in the RD District as provided in the Park City Sign Code, Title 12.