Zoneomics Logo
search icon

Miami City Zoning Code

ARTICLE 5

SPECIFIC TO ZONES

Amendments to Article 5

ORDINANCE
DATE APPROVED
DESCRIPTION
LEGISLATIVE ID
1317605-13-2010D1 Density10-00361zt
1323511-18-2010Minor and non-substantial modifications throughout the Code10-00956zt
1323812-16-2010Requirements for sheds and other structures; loading berth substitutions; requirements for public and commercial storage facilities; distance separation requirements for ALF’s; distance separation requirements for uses and structures10-00963zt
1324012-16-2010Modification of door spacing requirements and removal of public easement requirements10-00968zt
1324212-16-2010Establish limits and procedures for extensions above maximum height for stairs, elevators, mechanical equip., etc.10-00970zt
1325402-24-2011Modify story height for T4 Transect to 40 feet max10-01454zt
1325903-24-2011Regulations for fences and walls in certain Transects10-01461zt
1331402-23-2012Added “Stuctures other than signs” to dominant setback waivers11-00791zt
1332606-28-2012Additional flexibility for parking garages12-00563zt
1342512-12-2013Mechanical roof equipment amendment to T6-1213-01089zt
1350703-12-2015Modification of Illustration 5.6 Urban Core Transect Zone (T6-24) to include T6-24(b)14-01198zt
1351603-26-2015Modification of Balcony and Facade component encroachment allowances.14-01215zt
1366903-09-2017T6 building disposition setback requirements1690
1369507-13-2017Civic space zones density, intensity, and parking requirements2289
1372812-14-2017Parking standards and placement for frontages and underground parking.3003

13831

03-22-2019

Freeboard

1394411-19-2020Solar Equipment
1394611-19-2020Provides proportional driveway width regulations in T3
1404112-09-2021To grant flexibility regarding waterfront building setback requirements in conjunction with recent amendments to Appendix B, titled "Waterfront Design Guidelines".10773
1413401-12-2023To modify Section 5.4.2, 5.5.2, 5.6.2, related to Elevation and balcony enroachments12603
1414702-09-2023Modification of Regulations related to fences and walls in certain layers (Setback Areas) to clarify fence, wall, and first layer (Setback Area) frontage requirements in the D1 and D2 district zones.12918
1414802-09-2023Modification of Regulations related to fences and walls in certain layers (Setback Areas) to allow Single-Family Homes and Two-Family Homes (Duplexes) in the applicable to fences and walls fo these uses in the "T3" Transect zone.12917
1415903-09-2023To modify and simplify regulations related to driveways in the T3 Transect Zone13318
141624-13-2023To modify the regulations for access points along frontages in "T4" General Urban Transect Zones, "T5" Urban Center Transect Zones, and "T6" Urban Core Transect Zones.13453
1416704-27-2023To allow additional felxibilities in office and commercial floorplate above the eight floor.13540
1417905-25-2023To clarify the location and design of cross-Block Passage and, in specified circumstances, allow for enhanced design elements to be provided in Lieu of cross-Block Passage.12861
1420007-27-2023Amends Article 1, Article 4, Article 5, Article 8, and Article 9. The changes clarify and introduce new frontage-related definitions, illustrations, modify T5 and T6 height requirements and add tree placement flexibility.13627
1421109-28-2023Amends Article 3 and 5 clarifying density standards in certain transit locations, and allowing bonus building height and modifications to the development standards in specified areas within the T5 urban center.14113
1421209-28-2023To permit city of Miami owned or city-funded affordable homeownership located in the T4 or T5 to utilize the development standards of the T3 transect zone.14503
1422810-26-2023Incorporates additional height allowances and freeboard in the floodplain.14631
1423411-16-2023To clarify and amend the Waiver process relating to alterations to nonconforming residences.14195
1423511-16-2023Add new definition (Article 1); clarify the Waiver processes relating to elderly housing (Article 3); clarify Waiver processes relating to substitution of loading berths (Article 4); clarify the Waiver processes relating to service and parking access from a Principal Frontage (Article 5); clarify the Waiver processes relating to reservoir parking spaces (Article 6); clarify the Waiver processes relating to nonconforming properties and update the Waivers summary list (Article 7).14196
1423611-16-2023Introduces a flexible lot coverage program, clarifies the application of Waivers, and amends the 10% Waiver.14202
1424211-27-2023Clarify configuration standards for rooftop elements.14889
1425101-11-2024Allows for fences and walls in the first layer for uses that solely serve the needs of neighborhood children.15125
1425001-11-2024Clarifies and amend the waiver processes.14192
1426203-14-2024To allow bonus building height in certain Opportunity Zones within T515047
1430609-30-2024Allows two dwelling units on a legal nonconforming substandard lot zoned T3-O16173
1431610-02-2024To clarify side and rear setback encroachments and any associated design requirements for T5, T6, and CI-HD16030
1432911-04-24Allows additional fence and wall height necessary to enclose outdoor leisure activities16432
1435001-09-2025Amending Section 3.4, to clarify density standards in certain Transit Corridors, and by amending Section 3.14, and illustration 5.5, to allow Bonus Building Height within specified Transit Corridors and Transect zones in exchange for Affordable/workforce Housing.16917
1435402-13-2025Addition of a Portico definition; increase Driveway design options; clarifications of the maximum Height of ground-floor Story and raised decks within T3; clarify the Freeboard regulations within the T3; additional detail and the reformatting of language regarding Height and disposition of Fences and walls in T3; flexibility relating to parking within the T3; flexibility provided to Encroachments to the rear of T3; and Waiver to allow additional height for raised decks.16869
1437510-01-2025Updates definitions and regulations for Ancillary Dwelling Units, including design standards, allowable zones, parking, unit sizes, and waiver processes, and clarify related rules and illustrations.17018
143797-10-2025Amends zoning ordinance to update definitions, parking standards, design criteria, and housing regulations. Includes clarifications, incentives, and procedural consistency.17531
143897-24-2025The ordinance updates to expand flexibility in T4 zones and adjust rules for food service, lot coverage, building size, roof design, and setbacks.17651

5.8 CIVIC INSTITUTION ZONES – HEALTH DISTRICT (CI-HD)

  1. All Development in the CI-HD zone for a structure that exceeds ten thousand dollars ($10,000.00) in cost and affects the Scale of the street or block front, or that affects the location, relocation or enlargement of vehicular ways or parking areas outside public Rights-of-Way shall be approved by Warrant except that any Development exceeding the following thresholds shall be approved by Exception.
    1. Development involving in excess of five hundred thousand (500,000) square feet of Floor Area excluding parking and loading.
    2. For hospital buildings, any development in excess of eight hundred thousand (800,000) square feet of Floor Area excluding parking and loading.
    3. Any single use or combination of uses requiring or proposing to provide in excess of a net increase of one thousand (1,000) off-street parking spaces.

5.1.1

This Article sets forth the standards applicable to development within each Transect Zone that are specific to:

  • Building Disposition
  • Building Configuration
  • Building Function and Density
  • Parking Standards
  • Architectural Standards
  • Landscape Standards
  • Ambient Standards

City-owned or City-funded affordable homeownership Single-Family Residence or Two-Family Housing in T4 or T5 Transect Zones may utilize the development standards applicable to T3-L and T3-O, respectively.


5.2.1. Natural Transect Zones (T1)

A Natural Transect (T1) Zone is a zone for environmental conservation.

  1. A T1 Zone is to be left in an essentially natural state. Modification of the natural conditions shall be according to Local, State and Federal guidelines. Public access to T1 areas may be limited if it presents a threat to wildlife and plant life within the areas.
  2. In a T1 Zone, improvements shall serve solely to protect natural elements. Any paved, graveled, mulched, boardwalk or otherwise improved surface or any habitable, enclosed or air conditioned space shall be kept to the minimum scale necessary to fulfill its purpose. Such improvements including but not limited to: screened or glassed enclosures, pathways, fencing, gatehouses, lighting, toilet facilities, parking areas, etc. may be allowed by process of Exception. Only activities and improvements which reinforce the natural character shall be allowed and upon a finding that there is no negative effect to the environment based on a study of potential environmental impacts to be provided by the applicant.
  3. One Dwelling Unit per five (5) acres allowed.


5.2.2. Rural Transect Zones (T2) – (RESERVED)


5.3.1 Building Disposition (T3)

  1. Newly platted Lots shall be dimensioned according to Illustration 5.3.
  2. Lot Coverage by Building shall not exceed that shown in Illustration 5.3.
  3. A Building shall be disposed in relation to the boundaries of its Lot according to Illustration 5.3.
  4. In Zones T3-R and T3-L, one Principal Building and one Ancillary Building may be built on each Lot as shown in Article 4, Table 8. A Connecting Structure may connect the Principal Building and the Ancillary Building. In Zone T3-O, one Principal Building consisting of two Dwelling Units at the Frontage may be built on each Lot as shown in Illustration 5.3. In Zone T3-O, each Lot containing a Single-Family Residence may have one Ancillary Building.
  5. Setbacks for Principal Buildings shall be as shown in Illustration 5.3. Setbacks may otherwise be adjusted by Waiver by no more than ten percent (10%) except for Waivers to preserve Natural Features pursuant to Section 3.13.1(d), for irregular lots pursuant to Section 3.3.3(c), for alterations and additions to existing nonconforming Single Family Residences and Two-Family Housing pursuant to Section 7.2.3(a)(3). Where a Lot to be developed Abuts a Lot containing an existing legal Structure other than a Sign, a Waiver may be granted so the proposed Structure matches the ground level dominant Setback of the Block Face and its Context. Where a Lot to be developed proposes a one (1) or two (2) Story Building and Abuts a Lot containing an existing legal Building, an Exception may be granted so that the proposed Building matches the ground level dominant Setback of the Block Face and its Context.
  6. Facades shall be built parallel to a rectilinear Principal Frontage Line or parallel to the tangent of a curved Principal Frontage Line.
  7. Ancillary Buildings shall conform to the following standards:

    1. Ancillary Buildings shall be limited to two (2) Stories, with the exception of those located within T3-R which shall be limited to one (1) Story. Ancillary Buildings shall be no taller than the Principal Building. See Article 5, Illustrations.

    2. A one-Story Ancillary Building: may be attached or detached from the Principal Building and shall follow the Setbacks for Ancillary Buildings.

    3. A two-Story Ancillary Building:

      1. Detached from the Principal Building shall be separated by a minimum of ten (10) feet and shall follow the Setbacks for Ancillary Buildings.

      2. Attached to the Principal Building shall follow the Setbacks for the Principal Building.

  8. Accessory Structures shall conform to the following standards:

    1. Located in the second or third Layers and follow the setbacks for Ancillary Buildings as shown in Illustration 5.3.

    2. Separated five (5) feet from the Principal Building, Ancillary Building and other Accessory Structures, except uncovered Accessory Structures which may be attached to the Principal Building or Ancillary Building.

    3. Maximum of one (1) Story.

    4. Contain only non-habitable accessory uses.

    5. Be a maximum of two hundred (200) square feet or ten percent (10%) of the Floor Area of the Principal Building, whichever is greater.

  9. Setbacks for pools and Game Courts shall be as shown for Ancillary Buildings in Illustration 5.3.


5.3.2 Building Configuration (T3)

  1. Development within Private Frontages shall comply with Article 4, Tables 2 and 6 and Illustration 5.3. For T3-R and T3-L, second story lot coverage shall not exceed thirty percent (30%).
  2. Encroachments shall be allowed as follows:
    1. At the First Layer:
      1. Stairs may encroach up to eight (8) feet of the depth of the Setback. In the event an existing Building is raised in order to bring the finished floor elevation above the Base Flood Elevation plus Freeboard, stairs and ramps required for vertical circulation may encroach one hundred percent (100%) of the Setback by process of Waiver.
      2. Porticos shall be a minimum of three (3) feet deep and may encroach up to six (6) feet of the depth of the Setback. Open Porches shall be at a minimum six (6) feet deep and may encroach up to eight (8) feet of the depth of the Setback. Cantilevered portions of Awnings, balconies, bay windows and roofs shall be a maximum three (3) feet deep and may encroach up to three (3) feet of the depth of the Setback. Other cantilevered portions of the Building shall maintain the required Setback.
    2. At the Second and Third Layers:
      1. Awnings, balconies, bay windows, chimneys, roofs and stairs may encroach up to fifty percent (50%) of the depth of the Side Setback or three (3) feet, whichever is less.
    3. At the Third Layer:
      1. Awnings and canopies may encroach up to fifty percent (50%) of the depth of the rear Setback.
      2. Roofs, balconies, and stairs may encroach up to three (3) feet into the rear Setback.
  3. Unroofed screen enclosures shall be located within the Second or Third Layer only and shall have a five (5) foot minimum side and rear Setback.
  4. All outdoor storage, electrical, plumbing, mechanical, and communications equipment and appurtenant enclosures, shall be located within the Second or Third Layer, shall follow the Side and Rear Setbacks for Outbuildings as shown in Illustration 5.3, and shall be concealed from view from any Frontage. These shall not be allowed as Encroachments, on any required setback, except for Buildings existing as of the effective date of this Code, where mechanical equipment, such as air conditioning units, pumps, exhaust fans or other similar noise producing equipment cannot be located completely within the Buildable Area or on the roof, may be allowed as Encroachments by Waiver.
  5. Building Heights shall be measured in Stories and shall conform to Article 4, Table 2 and be as shown in Illustration 5.3. The first-floor elevation of a Principal Building shall be a maximum of two and a half (2.5) feet above grade, or Base Flood Elevation with a minimum of one (1) foot to a maximum of five (5) feet of Freeboard, whichever is higher. A flat roof shall be a maximum of two Stories and twenty-five (25) feet. A pitched roof shall be a maximum of twenty-five (25) feet to the eave and shall not exceed ten (10) feet overall Height above the second Story.
  6. The first-floor elevation as regulated by 5.3.2.e may be increased a maximum of four (4) feet above that already allowed in this section, so long as the maximum height of the structure remains at twenty five (25) feet measured above the freeboard elevation allowed in this section.
  7. Mechanical equipment on a roof shall be enclosed by parapets of the minimum Height necessary to conceal it, and a maximum Height of three and a half (3.5) feet. At the roof, other ornamental Building features may extend up to three and a half (3.5) feet above the maximum Building Height, or up to ten (10) feet by process of Waiver. Roof decks shall be permitted at the maximum Height. Trellises may extend above the maximum Height up to eight (8) feet. Extensions above the maximum Height for stair or elevator enclosures may contain up to a total of two hundred (200) square feet of Floor Area per unit and shall be set back ten (10) feet from all facades and elevations. All extensions including attics shall not exceed ten (10) feet above the second Story.
  8. Fences and walls shall conform to the following standards:
    1. Within the First Layer, Fences and walls may be located up to and including the Frontage Line.
    2. Within the First Layer, the Height of Fences and walls shall not exceed four (4) feet, except aluminum or iron picket and post Fences with or without masonry posts shall not exceed six (6) feet.
    3. Within the First Layer, pickets shall have a maximum width of three (3) inches and a minimum clear separation of three (3) inches.
    4. Within the Second and Third Layers, Fences and walls shall not exceed eight (8) feet.
    5. Posts shall not exceed a dimension of two (2) feet by two (2) feet within the First Layer and shall have a minimum clear separation of five (5) feet, or three (3) feet minimum for pedestrian access. However, within the visibility triangle, posts shall not exceed a dimension of one (1) foot by one (1) foot.
    6. Notwithstanding the above, walls and fences enclosing outdoor Game Courts may extend up to a maximum height of thirteen feet (13’) and shall:

      1. comply with the underlying Setbacks for Outbuildings; and

      2. be transparent; and

      3. be screened by a perimeter landscape Buffer along the sides and rear of the minimum height, length and depth necessary to conceal them and mitigate any ambient impacts.


5.3.3 Building Function & Density (T3)

a. Buildings in T3 shall conform to the Functions, Densities, and Intensities described in Article 4, Tables 3 and 4 and Illustration 5.3. Certain Functions as shown in Article 4, Table 3 shall require approval by Warrant or Exception. Consult Article 6 for any supplemental use regulations.

b. Religious Facilities requiring additional Height or relief from parking requirements and frontage requirements may be permitted by process of Exception.

5.3.4 Parking Standards (T3)

  1. Vehicular parking shall be required as shown in Article 4, Tables 4 and 5.
  2. Parking may be accessed by an Alley when such is available.
  3. Covered parking and garages shall be located within the Second and Third Layers as shown in Article 4, Table 8; in T3-R and T3-L a maximum thirty percent (30%) of the width of the Facade may be covered parking or garage. In T3-O covered parking and garages shall be a maximum sixty percent (60%) of the width of the façade. Covered parking and garages shall align with or be set back from the Facade. Driveways and drop-offs including parking may be located within the First Layer.
  4. Driveways within a Lot shall comply with the following standards:
    1. Driveway Widths
      1. The maximum width of a driveway in the First Layer shall be twenty (20) feet and the minimum width shall be ten (10) feet.
      2. In T3-R and T3-L, on Frontages less than forty-five (45) feet, driveway width(s) in the First Layer shall not exceed thirty percent (30%) of the length of the Frontage but in no case shall it be less than ten (10) feet.
      3. In T3-O, driveway width(s) shall be limited to twenty (20) feet in aggregate per Frontage.
      4. In T3-O, where an existing legal Building prevents the required parking from being placed in the Second Layer, the aggregate driveway width may be increased up to a maximum of forty (40) feet. Said driveway shall utilize parking strips not to exceed two (2) feet in width.
    2. Driveway Separation
      1. T3-R and T3-L, driveways on a Frontage shall have a minimum separation distance of forty percent (40%) of the length of that Frontage.
      2. In T3-O, there shall be no driveway separation requirement.
  5. Tandem Parking on site is encouraged. For Lots with one or more residential Buildings, there shall be no limitation on the number of vehicles placed behind one another. No vehicle shall be placed above another unless internalized in a fully screened garage.

5.3.5 Architectural Standards (T3)

  1. Only permanent Structures shall be allowed. Temporary Structures such as mobile homes, construction trailers, travel trailers, recreational vehicles, and other temporary Structures shall not be allowed except as per City Code.
  2. Roof materials should be light-colored, high Albedo or a planted surface.

5.3.6 Landscape Standards (T3)

  1. A minimum of one shade tree shall be planted within the First Layer for each fifty (50) feet of Frontage Line.
  2. At the First Layer, pavement shall be limited as follows: Impervious pavement shall be limited to thirty percent (30%) of the area and pervious pavement shall be limited to sixty percent (60%) of the area; a combination of pervious and impervious pavement shall be limited to sixty percent (60%) of the area in the First Layer.
  3. Green Space shall be a minimum twenty-five (25%) of the Lot area.
  4. The placement of gravel or artificial turf in the First Layer shall be prohibited.

5.3.7 Ambient Standards (T3)

  1. Noise regulations shall be as established in the City Code.
  2. Average lighting levels measured at the Building Frontage shall not exceed one (1.0) foot-candle.
  3. Lighting of Building and Open Space of First and Second Layers shall be compatible with street lighting of Abutting public spaces.


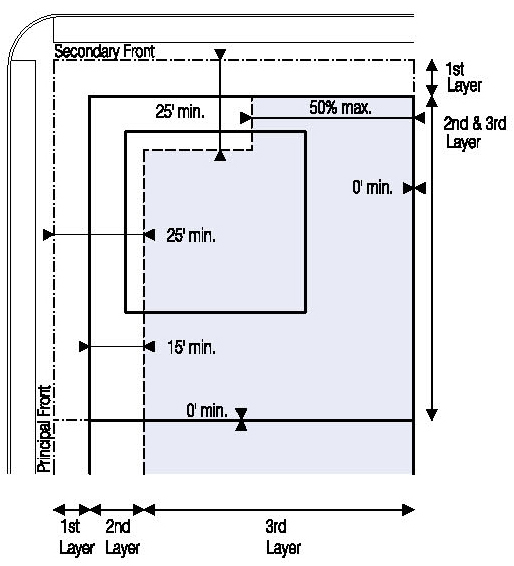
ILLUSTRATION 5.3 SUB-URBAN TRANSECT ZONES (T3)

BUILDING DISPOSITION

BUILDING PLACEMENT

LOT OCCUPATION

a. Lot Area5,000 s.f.min.
b. Lot Width50 ft min.
c. Lot Coverage50% max. first floor
30% max. second floor (T3-R & T3-L only)
d. Floor Lot Ratio (FLR)N/A
e. Frontage at front SetbackN/A
f. Green Space25% Lot Area min.
g. DensityT3-R = 9 du/ac max.
T3-L = 9 du/ac max.
T3-O = 18 du/ac max.*
BUILDING SETBACK

ANCILLARY BUILDING PLACEMENT

a. Principal Front20 ft. min.

b. Secondary Front10 ft. min.
c. Side20% Lot Width min. in aggregate (10% Lot Width min. for Lots with only one (1) side) and a 5ft min. per side.
d. Rear20 ft. min.
ANCILLARY BUILDING SETBACK
a. Principal Front20 ft. min.
b. Secondary Front10 ft. min.
c. Side5 ft. min.
d. Rear5 ft. min.
BUILDING CONFIGURATION

PARKING PLACEMENT

FRONTAGE

a. Common Lawnpermitted
b. Porch & Fencepermitted
c. Terrace or L.Cpermitted
d. Forecourtpermitted
e. Stoopprohibited
f. Shopfrontprohibited
g. Galleryprohibited
h. Arcadeprohibited
BUILDING HEIGHT

BUILDING HEIGHT

a. Principal Building2 Stories and 25 ft. max. to top of slab or eave

T3-O and T3-L

T3-R

b. Ancillary Building

2 Stories and 25 ft. max. to top of roof slab or eave, but no taller than the Principal Building
1 Story max. in T3-R (as shown in illustration)
PARKING
Facade WidthT3-R & T3-L 30% max.
T3-O 60% max.
​*Two (2) units may be built on a single lot, or up to eighteen (18) dwelling units per acre not to exceed two (2) units, whichever is greater.


5.4.1 Building Disposition (T4)

  1. Newly platted Lots shall be dimensioned according to Illustration 5.4.
  2. Lot Coverage by any Building shall not exceed that shown in Illustration 5.4. Additional Lot Coverage may be approved, except when Abutting a T3 Transect Zone, pursuant to the Flexible Lot Coverage Program up to seventy percent (70%) if the proposed Development satisfies at least one (1) of the following conditions:
    1. Open Space provided in addition to that required by the underlying Transect Zone as follows:
      1. On-site: Open Space shall be provided in an amount equal to the additional Lot Coverage obtained. Said Open Space shall be usable and designed in accordance with Article 4, Table 7 and may be private or open to the public.
      2. Off-site: A Civic Space shall be provided in an amount equal to one and one-half (1.5) times the additional Lot Coverage obtained. Said Civic Space shall be designed in accordance with Article 4, Table 7 and located in an area of need identified by the City Parks and Open Space Master Plan and the City’s Parks Department.
    2. A cash contribution to the Miami 21 Public Benefits Trust Fund, or authorized program account, equal to one and one-half (1.5) times the Development’s Floor Area obtained by increased Lot Coverage on a square foot basis. The value of this cash contribution shall follow the provisions described in Section 3.14.4(b)(3).
  3. A Building shall be disposed in relation to the boundaries of its Lot according to Illustration 5.4.
  4. One Principal Building at the Frontage, and one Outbuilding to the rear of the Principal Building, may be built on each Lot as shown in Article 4, Table 8. The Outbuilding shall be separated from the Principal Building by a minimum of ten (10) feet.
  5. Setbacks for Principal Buildings shall be as shown in Illustration 5.4. Setbacks may otherwise be adjusted by Waiver by no more than ten percent (10%) except for Waivers to preserve Natural Features pursuant to Section 3.13.1(d), for irregular lots pursuant to Section 3.3.3(c), and for alterations and additions to existing non-conforming Single-Family Residences and Two-Family Residence pursuant to Section 7.2.3(a)(3). Where a Lot to be developed Abuts a Lot containing an existing legal Structure other than a Sign, a Waiver may be granted so the proposed Structure matches the ground level dominant Setback of the Block Face and its Context. Where a Lot to be developed proposes a one (1) or two (2) Story Building and Abuts a Lot containing an existing legal Building, an Exception may be granted so that the proposed Building matches the ground level dominant Setback of the Block Face and its Context.
  6. Facades shall be built parallel to a rectilinear Principal Frontage Line or parallel to the tangent of a curved Principal Frontage Line, for a minimum fifty percent (50%) of its length.
  7. Ancillary Buildings shall conform to the following standards:

    1. Ancillary Buildings shall be limited to two (2) Stories. Ancillary Buildings shall be no taller than the Principal Building. See Article 5, Illustrations.

    2. A one-Story Ancillary Building may be attached or detached from the Principal Building and shall follow the Setbacks for Ancillary Buildings.

    3. A two-Story Ancillary Building:

      1. Detached from the Principal Building shall be separated by a minimum of ten (10) feet and shall follow the Setbacks for Ancillary Buildings.

      2. Attached to the Principal Building shall follow the Setbacks for the Principal Building.

  8. Accessory Structures shall conform to the following standards:

    1. Located in the second or third Layer of the Lot and follow the setbacks for Ancillary Buildings as shown in Illustration 5.4.

    2. Separated five (5) feet from the Principal Building, Ancillary Building and other Accessory Structures, except uncovered Accessory Structures which may be attached to the Principal Building or Ancillary Building.

    3. Maximum of one (1) Story.

    4. Contain only non-habitable Accessory uses.

    5. Be a maximum of two hundred (200) square feet or ten percent (10%) of the Floor Area of the Principal Building, whichever is greater.

  9. Developments shall comply with maximum Lot Area standards established in Illustration 5.4. Developments may exceed maximum Lot Area by up to thirty percent (30%), by process of Warrant, when all the following design standards are met:
    1. Facades on Primary and Secondary Frontages shall include architectural elements that emphasize vertical articulation and break up the Facade, including but not limited to changes in Façade depth, materiality, window fenestration, or columns.
    2. For Facades on Primary and Secondary Frontages longer than 200 feet in length, development shall provide physical breaks with one or more of the following options:
      1. a Paseo of a minimum ten (10) feet in width and twelve (12) feet in height, which may be covered and/or private
      2. an Open Space of a minimum twelve (12) feet in width, which may be private
    3. Pedestrian Entrances on Primary Frontages shall be no less than every one hundred (100) linear feet of Facade. No Waivers offered elsewhere in this Code shall be applied to this provision;
    4. Driveways shall be limited to a maximum aggregate of fifty feet (50’) per Development;
    5. Native specimen street trees shall be provided with a DBH twenty-five percent (25%) greater than the standards required by the Miami 21 Zoning Code and Chapter 17 of the City Code; and
    6. Notwithstanding the above, Developments that exceed Lot Area by twenty percent (20%) or greater shall incorporate at least one of the following:
      1. A Civic Space Type that complies with all the following standards:
        1. Minimum five percent (5%) of the Lot Area; and
        2. Located so that it provides a physical break in the building massing.
      2. Enhanced streetscape design for that entire Frontage of the development, that provides all of the following elements above the standard Right-of-Way improvements per the City Code:
        1. hardscape materials;
        2. landscape;
        3. furnishings; and
        4. lighting.

5.4.2 Building Configuration (T4)

  1. Development within Private Frontages shall comply with Article 4, Tables 2 and 6 and Illustration 5.4.
  2. Encroachments shall be allowed as follows: At the First Layer, stairs may encroach up to fifty percent (50%) of the depth of the Setback. In the event an existing Building is raised in order to bring the finished floor elevation above the Base Flood Elevation plus Freeboard, stairs and ramps required for vertical circulation may encroach one hundred percent (100%) of the Setback by process of Waiver. Open Porches shall be at a minimum seven (7) feet deep and may encroach up to fifty percent (50%) of the depth of the Setback. At the First Layer, cantilevered portions of Awnings, balconies, bay windows, roofs, and Architectural Screening elements shall be at a maximum five (5) feet deep and may encroach up to fifty percent (50%) of the depth of the Setback, whichever is less. Other cantilevered portions of the Building shall maintain the required Setbacks. When a Lot abuts an existing Single family residence Building, the Building Elevation and/or Balconies on the rear or side shall be set back a minimum of three (3) feet from the property line. At the Second and Third Layers, Awnings, balconies, bay windows, chimneys, roofs, stairs, and Architectural Screening elements may encroach up to fifty percent (50%) of the depth of the Setback or three (3) feet, whichever is less. At the Third Layer, Awnings and canopies may encroach up to fifty percent (50%) of the depth of the Setback.
  3. Unroofed screen enclosures shall be located within the Second or Third Layer only and shall have a five (5) feet minimum side and rear Setback.
  4. All outdoor storage, electrical, plumbing, mechanical, and communications equipment and appurtenant enclosures, shall be located within the Second or Third Layer, shall follow the Side and Rear Setbacks for Outbuildings as shown in Illustration 5.4, and shall be concealed from view from any Frontage. These shall not be allowed as Encroachments, on any required setback, except for Buildings existing as of the effective date of this Code, where mechanical equipment, such as air conditioning units, pumps, exhaust fans or other similar noise producing equipment cannot be located completely within the Buildable Area or on the roof, may be allowed as Encroachments by Waiver.
  5. Vehicular Entries for loading and service shall be accessed from Alleys when available and otherwise from the Secondary Frontage. When a Lot has only Principal Frontages, loading and service Vehicular Entries shall be permitted on Principal Frontages.
  6. Building Heights shall be measured in Stories and shall conform to Article 4, Table 2 and be as shown in Illustration 5.4. The first-floor Elevation of a Principal Building shall be at average Sidewalk grade; a first-floor Residential or Lodging Function should be at a minimum Height of two (2) feet and a maximum Height of three and a half (3.5) feet for privacy reasons or Base Flood Elevation with a minimum of one (1) foot to a maximum of five (5) feet of Freeboard, whichever is higher. The height of the building shall be up to three (3) Stories, and a maximum of forty (40) feet to the top of the roof slab.
  7. Roof elements shall be permitted as follows:
    1. Mechanical equipment on a roof shall be visually concealed from ground-level and lateral views by parapets or screens of the minimum Height necessary but said parapets and screens shall not exceed ten (10) feet.
    2. Ornamental Building features, decorative elements, or similar Structures on a roof may extend up to eight (8) feet in height.
    3. Trellises and fabric shade structures on a roof may extend up to twelve (12) feet in height.
    4. Stair and elevator enclosures may extend up to fourteen (14) feet in height.
    5. Non-Habitable Rooms on a roof may extend up to ten (10) feet in height and shall have a minimum setback of ten (10) feet from the Building Facades.
    6. Non-Habitable void space on a roof accommodating the depth of swimming pools; landscaping; decks; Extensive, Semi-Intensive, and Intensive Green Roof systems; transfer beams and other structural elements; and/or mechanical systems may extend up to six (6) feet in height. For the purposes of this subsection only, other permitted roof elements may extend above the vertical extent of the void space for the additional height specified. Non-Habitable void space may cover one hundred percent (100%) of the roof.
    7. Non-Habitable Rooms, mechanical equipment, and stair and elevator enclosures on a roof may cover up to twenty percent (20%) of the roof area.
    8. All roof elements shall be designed to:
      1. harmonize with the overall architectural intent of the building; and
      2. mitigate any negative visual impacts of the additional height and massing on the roof.
    9. All roof elements shall be designed and maintained to comply with Florida Building Code including, where possible, the use of Notice of Acceptance (NOA) products, and any vegetated roof system shall be independent of the roof structure, to be verified by the Building Department.
  8. Fences and walls may be located at the Frontage Line as shown in Article 4, Table 6. Fences and walls shall be a maximum Height of four (4) feet at the First Layer, except aluminum or iron picket and post Fences with or without masonry posts shall not exceed six (6) feet. Within the Second and Third Layers, Fences and walls shall be a maximum Height of eight (8) feet. Notwithstanding the above, walls and fences enclosing outdoor Game Courts may extend up to a maximum height of thirteen feet (13’) and shall:
    1. comply with the underlying Setbacks for Outbuildings; and
    2. be transparent; and
    3. be screened by a perimeter landscape Buffer along the sides and rear of the minimum height, length and depth necessary to conceal them and mitigate any ambient impacts.
  9. All ground floor and roof top utility infrastructure and mechanical equipment shall be concealed from public view. At the Building Frontage, all equipment such as backflow preventers, siamese connections, and the like shall be placed within the line of the Facade or behind the Streetscreen. On the roof, a screen wall shall conceal all equipment except antennas from lateral view. Solar Equipment shall be screened unless screening diminishes performance by greater than fifteen percent (15%) and the Solar Equipment cannot be feasibly relocated. Exhaust air fans and louvers may be allowed on the Façade only on Secondary Frontages above the first Floor.
  10. Setbacks for pools and Game Courts shall be as shown for Ancillary Building in Illustration 5.4.

5.4.3 Building Function & Density (T4)

a. Buildings in T4 shall conform to the Functions, Densities, and Intensities described in Article 4, Tables 3 and 4 and Illustration 5.4. Certain functions as shown in Article 4, Table 3 shall require approval by Warrant or Exception. Consult Article 6 for any supplemental use regulations.

5.4.4 Parking Standards (T4)

  1. Vehicular parking shall be required as shown in Article 4, Tables 4 and 5.
  2. Parking may be accessed by an Alley when available. Where a Lot is located on one or more State or County Thoroughfares and is abutting a T3 Transect Zone on the same side of said Thoroughfare, parking Vehicular Entries shall be from the Secondary Frontage when available. Said Vehicular Entry shall be set back a minimum of twenty (20) feet from the Property Line abutting the T3 Lot. When a Secondary Frontage is not available, said Vehicular Entry shall be from the Principal Frontages.
  3. Surface parking lots, covered parking and garages shall be located within the Second and Third Layers as illustrated in Article 4, Table 8. Surface parking lots, garages, Loading space and service areas shall be masked from the Frontage by a Liner Building or Streetscreen as specified in Illustration 5.4. A maximum thirty percent (30%) of the width of the Facade may be surface parking, covered parking or garage, which shall align with or be set back from the Facade. Driveways and drop-offs including parking may be located within the First Layer.
  4. Underground parking may extend into the Second and First Layers only if it is fully underground and does not require raising the first-floor elevation of the First and Second Layers above that of the Sidewalk. Ramps to underground parking shall be within the Second and Third Layers.
  5. The maximum width at the Property Line of a driveway on a Frontage shall be twelve (12) feet. Shared driveway width combining ingress and egress shall be a maximum width of twenty (20) feet at the Property Line and may encroach into Setbacks. Two separate driveways on one Lot shall have a minimum separation of twenty (20) feet.
  6. Tandem Parking on site should be encouraged.
  7. Shared Parking shall be calculated according to Article 4, Table 5.
  8. In T4-L and T4-O a minimum of one (1) bicycle rack space shall be provided for every twenty (20) vehicular parking spaces and may be in the Private Frontage.
  9. For the portion of the Podium where a Liner is provided above the first Story, development allowances shall be as follows:
    1. Density: For each dwelling unit fully contained within the Second Layer, a development shall be allowed an additional one-quarter (0.25) dwelling unit.
  10. Architectural Screening design standards shall be as follows:
    1. Where a Habitable Liner is not provided, all Facades and Elevations shall be concealed by Architectural Screening which may include limited openings of the minimum amount necessary by the Florida Building Code to allow for natural ventilation, provided it can be demonstrated that the Architectural Screening complies with Article 4, Table 12 Design Review Criteria.
    2. Ramping shall be internalized wherever possible.
    3. Exposed Spandrels shall be prohibited.
  11. The exposed top level of parking Structures shall be covered a minimum of sixty percent (60%) with a shade-producing Structure such as, but not limited to, a vined pergola or retractable canvas shade Structure.


5.4.5 Architectural Standards (T4)

a. Only permanent structures shall be allowed. Temporary Structures such as mobile homes, construction trailers, travel trailers, recreational vehicles and other temporary structures shall not be allowed except as per City Code.

b. The Facades on Retail Frontages shall be detailed as storefronts and glazed with clear glass no less than seventy percent (70%) of the Sidewalk level Story. Security screens shall be seventy percent (70%) open.

c. Roof materials should be light-colored, high-Albedo or a planted surface and shall comply with Article 3, Section 3.13.2 of this Code.

5.4.6 Landscape Standards (T4)

a. A minimum of ten percent (10%) of the Lot Area in the First Layer shall be Green Space.

b. In the First Layer, pavement shall be limited as follows: impervious pavement shall be limited to forty percent (40%) of the area and pervious pavement shall be limited to fifty percent (50%) of the area; a combination of pervious and impervious pavement shall be limited to fifty percent (50%) of the area in the First Layer.

c. Open Space shall be a minimum fifteen percent (15%) of the Lot Area.

5.4.7 Ambient Standards (T4)

a. Noise regulation shall be as established by the City Code.

b. Average lighting levels measured at the Building Frontage shall not exceed 2.0 fc (foot-candles).

c. Lighting of Building and Open Space of First and Second Layers shall be compatible with street lighting of Abutting public spaces.

d. The lighting fixtures of exposed rooftop parking shall be concealed by a parapet wall and shall not be seen from surrounding streets.


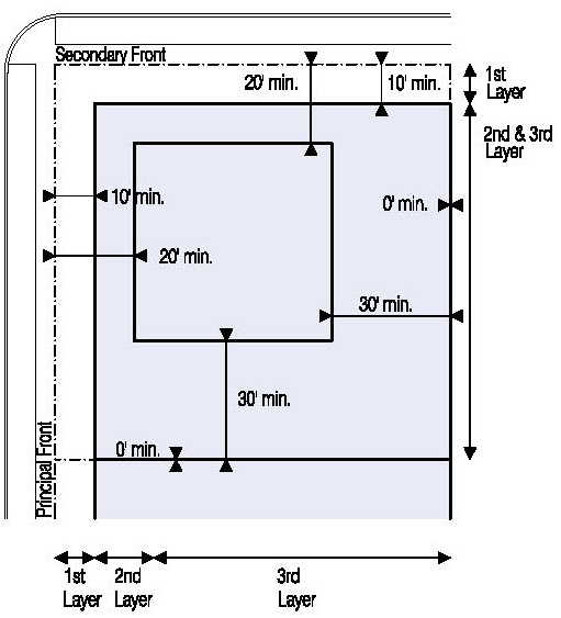
ILLUSTRATION 5.4 GENERAL URBAN TRANSECT ZONES (T4)

BUILDING DISPOSITION

BUILDING PLACEMENT

LOT OCCUPATION


ABUTTING SIDE AND REAR T4/T5/T6



ABUTTING SIDE AND REAR T3

a. Lot Area
-With rear vehicular access
5,000 s.f. min.; 40,000 s.f. max.
1,400 s.f. min.; 40,000 s.f. max.
b. Lot Width
-With rear vehicular access
50 ft min.
16 ft min.
c. Lot Coverage60% (70%*) max.
d. Floor Lot Ratio (FLR)N/A
e. Frontage at front Setback50% min.
f. Open Space15% Lot Area min.
g. Density36 du/ac max.

BUILDING SETBACK

a. Principal Front10 ft. min.
b. Secondary Front10 ft. min.
c. Side0 ft.
d. Abutting Side T35 ft. min.
e. Rear5 ft. min.
f. Abutting Rear T320 ft. min.

ANCILLARY BUILDING SETBACK

ANCILLARY BUILDING PLACEMENT

a. Principal Front25 ft. min.

b. Secondary Front10 ft. min.
c. Side0 ft. or 5 ft. min. Abutting a Setback
d. Rear5 ft. min.

BUILDING CONFIGURATION

PARKING PLACEMENT

FRONTAGE

a. Common Lawnpermitted
b. Porch & Fencepermitted
c. Terrace or L.Cpermitted
d. Forecourtpermitted
e. Stoopprohibited
f. Shopfrontpermitted (T4-L and T4-O only)
g. Galleryprohibited
h. Arcadeprohibited

BUILDING HEIGHT

BUILDING HEIGHT

a. Principal Building3 Stories and 40 ft. max.

b. Ancillary Building2 Stories max. but no taller than the Principal Building
* As modified through the Flexible Lot Coverage Program


5.5.1 Building Disposition (T5)

  1. Newly platted Lots shall be dimensioned according to Illustration 5.5.
  2. Lot Coverage by any Building shall not exceed that shown in Illustration 5.5.

    Flexible Lot Coverage Program

    Additional Lot Coverage may be approved up to ninety percent (90%) if the proposed Development satisfies at least one (1) of the following conditions:

    1. Provision of a Roof Terrace in an amount of square footage equivalent to four (4) times the gross Lot Area obtained from increased Lot Coverage or twenty percent (20%) of the Building roof surface area, whichever amount is greater.

    2. Open Space provided off-site in an area of need identified by the City Parks and Open Space Master Plan and the City’s Parks Department, at an amount equal to the square footage obtained from increased Lot Coverage. The Open Space shall be provided as a Civic Space Type standard within Article 4, Table 7 of this Code.

    3. A cash contribution to the Miami 21 Public Benefits Trust Fund or authorized program account equivalent to the Development’s Floor Area obtained by increased Lot Coverage on a square foot basis. The value of this cash contribution shall follow the provisions described in Section 3.14.4(b)(3).

  3. Buildings shall be disposed in relation to the boundaries of their Lots according to Illustration 5.5.
  4. Buildings shall have their principal Pedestrian Entrances on a Frontage Line or from a Courtyard at the Second Layer.
  5. On Principal Frontage(s), for the minimum Height, Facades shall be placed:
    1. In the Build-to Zone for a minimum of seventy percent (70%) of the length of each Principal Frontage as shown in Illustration 5.5; or
    2. At the edge of a Civic Space Type for a minimum of seventy percent (70%) of the length of each Principal Frontage and designed as per Article 4 Table 7; or
    3. Along a Waterfront, pursuant to Appendix B – Waterfront Design Guidelines, Section 2.3(a); or
    4. Utilizing a combination of the options above.

      In the absence of a Building along the remaining thirty percent (30%) of the Frontage Line, a Streetscreen shall be built co-planar with the Façade to conceal parking and service areas.
  6. At the first Story, Façades along a Frontage Line shall have frequent doors and windows; Pedestrian Entrances shall occur at a maximum spacing of seventy-five (75) feet unless approved by Waiver.
  7. Setbacks for Buildings shall be as shown in Illustration 5.5. Where a Lot to be developed Abuts a Lot containing an existing legal Structure other than a Sign, a Waiver may be granted so the proposed Structure matches the ground level dominant Setback of the Block Face and its Context. Where a Lot to be developed Abuts a Lot containing an existing legal Building, a Waiver may be granted so that the proposed Building matches the ground level dominant Setback of the Block Face and its Context, as follows:
    1. For Rights-of-Way with an adjacent Sidewalk less than six and half (6 ½) feet a two (2) Story building or less may be permitted by process of Waiver.
    2. For Rights-of-Way with an adjacent Sidewalk greater than six and half (6 ½) feet, but less than twelve (12) feet, a four (4) Story building or less may be permitted by process of Waiver.
    3. For Rights-of-Way with an adjacent Sidewalk greater than twelve (12) feet may be permitted for the number of Stories allowed by the Transect Zone by process of Waiver.
  8. For sites with three hundred and forty (340) feet Frontage length or more, a cross-Block Passage shall be provided as follows: If the Frontage Line of a site is at any point more than three hundred and forty (340) feet from a Thoroughfare intersection, the Building shall provide a cross-Block Pedestrian Passage. If the Frontage Line of a site is at any point six hundred and fifty (650) feet from a Thoroughfare intersection, a vehicular cross-Block Passage shall be provided.

Such cross-Block Passages shall:

  • connect Thoroughfares or Civic Space Types that are opposite and approximately parallel to one another;
  • connect to existing cross-Block Passages or placed in a way that future development may connect;
  • be a minimum width of twenty (20) feet and a minimum height of fifteen (15) feet;
  • not be covered above the first Story by more than twenty-five percent (25%) of its length with Structures connecting Buildings, such as a terrace, pedestrian bridge or vehicular bridge; and
  • comply with the Design Review Guidelines as described in Article 4 Table 12 of this code.

A cross-Block Passage shallnot be required if any of the following conditions apply:

  1. the site Abuts a T3 or T4 property at the side or rear that would prevent a cross-Block Passage from being provided. In such conditions, the Project shall provide an enhanced pedestrian experience by including the following design elements:
    1. building articulation and/or a Civic Space Type that incorporates breaks in the Façade;
    2. enhanced hardscape design, landscape elements, furnishing elements, and lighting; and
    3. compliance with the Design Review Criteria shown in Article 4 Table 12.
  2. the site Abuts a historically designated Building, railway, highway, utilities, or natural feature that would prevent a cross-Block Passage from being provided. In such conditions, the Project shall include a Civic Space Type that complies with the following standards:
    1. be a minimum of an equivalent area of the required cross–Block Passage (i.e. twenty feet (20) multiplied by the Lot depth);
    2. have a public access from a frontage line of a minimum width of twenty (20) feet;
    3. not be covered with Structures for more than twenty-five percent (25%) and shall have a minimum clearance of greater than fifteen (15) feet; and
    4. complies with the Design Review Criteria shown in Article 4 Table 12.

i. Maximum Lot size as shown in Illustration 5.5 may be increased by Exception for Uses that serve the Neighborhood.

j. Additions or alterations on Lots containing a Single-Family Residence shall follow the requirements of the T3-L Transect Zone.


5.5.2 Building Configuration (T5)

  1. Development within Private Frontages shall comply with Article 4, Tables 2 and 6 and Illustration 5.5.
  2. Encroachments shall be as follows:
    1. At the first Story in the First Layer, stairs, ramps, and other elements used for vertical circulation shall not be permitted, except in the following circumstances:
      1. For Rights-of-Way with an adjacent Sidewalk ten (10) feet or greater, stairs, ramps, and other elements used for vertical circulation may encroach up to fifty percent (50%) of the First Layer for that portion of the site where the adjacent Sidewalk is ten (10) feet or greater.
      2. For portions of Lots with a depth of one hundred (100) feet or less and a Right-of-Way with an adjacent Sidewalk ten (10) feet or less, stairs, ramps, and other elements used for vertical circulation may encroach up to fifty percent (50%) of the First Layer for twenty percent (20%) of the length of the Frontage subject to the following criteria for enhanced walkway design with review and approval by the Planning Director:
        1. Maintain a minimum clear circulation zone of twelve (12) feet including a minimum of three (3) feet of clear public Sidewalk for eighty percent (80%) of the Frontage; and
        2. Maintain a minimum clear circulation zone of ten (10) feet including a minimum of three (3) feet of clear public Sidewalk for twenty percent (20%) of the Frontage. Minimum circulation zone may be reduced to eight (8) feet when trees are placed within the Right-of-Way at those points.
      3. For Lots with a length of three hundred (300) feet or more and a Right-of-Way with an adjacent Sidewalk ten (10) feet or less, stairs, ramps, and other elements used for vertical circulation may encroach up to fifty percent (50%) of the First Layer for twenty percent (20%) of the length of the Frontage subject to the following criteria for enhanced walkway design with review and approval by the Planning Director:
        1. Maintain a minimum clear circulation zone of twelve (12) feet including a minimum of three (3) feet of clear public Sidewalk for eighty percent (80%) of the Frontage; and
        2. Maintain a minimum clear circulation zone of ten (10) feet including a minimum of three (3) feet of clear public Sidewalk for twenty percent (20%) of the Frontage. Minimum circulation zone may be reduced to eight (8) feet when trees are placed within the Right-of-Way at those points.
      4. In the event an existing Building is raised in order to bring the finished floor elevation above the Base Flood Elevation plus Freeboard, stairs and ramps required for vertical circulation may encroach one hundred percent (100%) of the Setback by process of Waiver.
    2. At the first Story in the First Layer, cantilevered Awnings and cantilevered entry canopies may encroach up to one hundred percent (100%) of the depth of the Setback; except as may be further allowed by Chapter 54 of the City Code.
    3. Above the first Story in the First Layer, cantilevered balconies, bay windows, roofs, Architectural Screening elements, and Façade components promoting energy efficiency such as shading and Screening devices that are non-accessible, may encroach a maximum of five (5) feet into the Setback. Other cantilevered portions of the Building shall maintain the required Setback.
    4. At the Second and Third Layers, Awnings, balconies, bay windows, chimneys, roofs, stairs, Architectural Screening elements, and Façade components promoting energy efficiency such as shading and Screening devices may encroach up to three (3) feet of the depth of the Side and/or Rear Setbacks. A densely planted vegetation Screen shall be provided and maintained along any Property Line that abuts a T3 Transect Zone and fronts the encroaching Structure. Said Screen shall include the following components:
      1. a combination of trees and shrubs using a variety of Florida-friendly species per Article 9, Section 9.1, titled “Plant Quality,” that will mature to create a continuous visual Screen; and
      2. tree specimens shall have a 3” caliper and a minimum height of fourteen (14) feet at planting and a minimum height of twenty-five (25) feet at maturity, except where the height and location of overhead power-lines requires the planting of low growing trees, which shall be a minimum height of eight (8) feet and minimum caliper of two (2) inches at time of planting and a mature height and spread not encroaching within five (5) feet of overhead power-lines; and
      3. shrubs shall be planted at a maximum average spacing of thirty (30) inches on center or if planted at a minimum height of thirty-six (36) inches, shall have a maximum average spacing of forty-eight (48) inches on center and shall be maintained so as to form a continuous, unbroken and solid visual screen within one (1) year after time of planting.
    5. When a Lot abuts an existing Single family residence Building, the Building Elevation and/or Balconies on the rear or side shall be set back a minimum of three (3) feet from the property line.
  3. Galleries and Arcades shall be a minimum fifteen (15) feet deep and may encroach up to one hundred percent (100%) of the depth of the Setback by process of a Special Area Plan.
  4. Screen enclosures shall be located within the Second or Third Layer only and shall have a five (5) feet minimum side and rear Setback when Abutting T3 or T4.
  5. Vehicular Entries for loading and service entries shall be accessed from Alleys when available and otherwise from the Secondary Frontage. When a Lot has only Principal Frontages loading and service Vehicular Entries shall be permitted on Principal Frontages.
  6. All outdoor storage, electrical, plumbing, mechanical, and communications equipment and appurtenant enclosures shall be located within the Second or Third Layer and concealed from view from any Frontage or sidewalk by Liner Buildings, walls, Streetscreens, or opaque gates. These shall not be allowed as Encroachments.
  7. Building Heights shall be measured in Stories and shall conform to Article 4, Table 2 and be as shown in Illustration 5.5. The first floor elevation shall be at average Sidewalk grade. A first floor Residential or Lodging Function should be raised a minimum of two (2) feet and a maximum of three and a half (3.5) feet above average Sidewalk grade for privacy reasons, or Base Flood Elevation with a minimum of one (1) foot to a maximum of five (5) feet of Freeboard, whichever is higher. Existing one Story Structures shall be considered conforming and may be enlarged. Within Special Flood Hazard Areas, the heights at which Building Setbacks are applied, as shown in Illustration 5.5, may be increased by five (5) feet.
  8. Roof elements shall be permitted as follows:

    1. Mechanical equipment on a roof shall be visually concealed from ground-level and lateral views by parapets or screens of the minimum height necessary , but said parapets and screens shall not exceed ten (10) feet.

    2. Ornamental Building features, decorative elements, or similar Structures on a roof may extend up to twelve (12) feet in height.

    3. Trellises and fabric shade structures on a roof may extend up to twelve (12) feet in height.

    4. Stair and elevator enclosures, may extend up to eighteen (18) feet in height.

    5. Cooling towers and other non-Habitable Rooms on a roof may extend up to eighteen (18) feet in height and shall have a minimum setback of ten (10) feet from the Building Facades.

    6. Non-Habitable void space on a roof accommodating the depth of swimming pools; landscaping; decks; Extensive, Semi-Intensive, and Intensive Green Roof systems; transfer beams and other structural elements; and/or mechanical systems may extend up to six (6) feet in height. For the purposes of this subsection only, other permitted roof elements may extend above the vertical extent of the void space for the additional height specified. Non-Habitable void space may cover one hundred percent (100%) of the roof and shall not be counted as Public Benefit Floor Area.

    7. Habitable Spaces above the top Story shall comply with the following requirements:

      1. may extend up to fourteen (14) feet in height and shall have a minimum setback of ten (10) feet from Building Facades;

      2. may be used as amenity or Commercial Uses identified within Article 4, Table 3 Building Function: Uses and shall provide associated outdoor roof programming;

      3. shall not be used as Residential Units, Lodging Units, or Office space; and

      4. shall be treated as Public Benefit Floor Area for the first twenty percent (20%) and 1.5 times Public Benefit Floor Area for the additional twenty percent (20%).

    8. Habitable Spaces, cooling towers and other non-Habitable Rooms, mechanical equipment, and stair and elevator enclosures on a roof may:

      1. cover up to twenty percent (20%) of the roof area; and

      2. cover an additional 20% of the roof area, not to exceed a total of forty percent (40%), when an Intensive Green Roof of an equivalent size of the additional area is provided and maintained.

    9. All roof elements shall be designed to:

      1. harmonize with the overall architectural intent of the building;

      2. mitigate any negative visual impacts of the additional height and massing on the roof; and

      3. comply with Article 4, Table 12 Design Review Criteria.

    10. All roof elements shall be designed and maintained to comply with Florida Building Code including, where possible, the use of Notice of Acceptance (NOA) products, and any vegetated roof system shall be independent of the roof structure, to be verified by the Building Department.

  9. All ground floor and roof top utility infrastructure and mechanical equipment shall be concealed from public view. At the Building Frontage, all equipment such as backflow preventers, siamese connections, and the like shall be placed within the line of the Facade or behind the Streetscreen. On the roof, a screen wall shall conceal all equipment except antennas from lateral view. Solar Equipment shall be screened unless screening diminishes performance by greater than fifteen percent (15%) and the Solar Equipment cannot be feasibly relocated. Exhaust air fans and louvers may be allowed on the Façade only on Secondary Frontages above the first floor.
  10. Streetscreens shall be between three and a half (3.5) and eight (8) feet in Height and constructed of a material matching the adjacent building Façade or of masonry, wrought iron or aluminum. The Streetscreen may be replaced by a hedge or fence. Streetscreens shall have openings no larger than necessary to allow automobile and pedestrian access. Streetscreens shall be located co-planar with the Building Facade Line. Streetscreens more than three (3) feet high shall be fifty percent (50%) permeable or articulated to avoid blank walls.
  11. Within the Second and Third Layers, fences and walls shall not exceed a Height of eight (8) feet. Existing or permitted Single-Family Residences and Two-Family Housing as of the effective date of this amendment to the Miami 21 Code may utilize the standards applicable to fences and walls in the T3 Transect Zone provided that such Use is the only Use on the Lot and that any such fence and wall erected or maintained pursuant to this subsection be removed upon any other change of Use. Notwithstanding the above, fences and walls not exceeding a height of eight (8) feet, may be located within the First Layer in connection with Uses that solely serve needs of neighborhood children and are affiliated with an abutting approved Rescue Mission provided said fences and walls be designed with architectural treatment and landscaping that mitigates and enhances their appearance; harmonizes with the architecture of the facility and neighborhood character; and complies with Article 4, Table 12 Design Review Criteria, as applicable. Notwithstanding the above, walls and fences enclosing outdoor Game Courts may extend up to a maximum height of thirteen feet (13’) and shall:
    1. comply with the underlying Principal Building Setbacks; and
    2. be transparent; and
    3. be screened by a perimeter landscape Buffer along the sides and rear of the minimum height, length and depth necessary to conceal them and mitigate any ambient impacts.

5.5.3 Building Function & Density (T5)

a. Buildings in T5 shall conform to the Functions, Densities, and Intensities described in Article 4, Tables 3 and 4 and Illustration 5.5. Certain Functions as shown in Article 4, Table 3 shall require approval by Warrant or Exception. Consult Article 6 for any supplemental use regulations.

5.5.4 Parking Standards (T5)

  1. Vehicular parking and loading shall be required as shown in Article 4, Tables 4 and 5.
  2. On-street parking available along the Frontage Lines that correspond to each Lot shall be counted toward the parking requirement of the Building on the Lot.
  3. Parking should be accessed by an Alley. Parking shall be accessed from the Secondary Frontage when available. Where Lots have only Principal Frontages, parking may be accessed from the Principal Frontages. Where a Lot is located on one or more State or County Thoroughfares and is abutting a T3 Transect Zone on the same side of said Thoroughfare, parking Vehicular Entries shall be from the Secondary Frontage when available. Said Vehicular Entry shall be set back a minimum of 20 feet from the Property Line abutting the T3 Lot. When a Secondary Frontage is not available, said Vehicular Entry shall be from the Principal Frontages.
  4. Primary Frontage: All Parking including drop-off drives and porte-cocheres, open parking areas, covered parking, Parking Garages, Loading Space and service areas shall be located within the Third Layer and shall be masked from the Frontage by a Liner Building or Streetscreen as illustrated in Article 4, Table 8. Ground Level Parking may extend into the Second Layer a maximum of twenty five percent (25%) of the length of the Primary Frontage or up to a maximum of fifty (50) feet, whichever is less. Above the first Story, Parking options shall be as follows:
    1. A Liner shall be provided for the length of the Podium, as shown in Illustration 5.5.
    2. Above the first Story, Parking may extend into the Second Layer by Waiver if Architectural Screening of a design to be approved by the Planning Director or designee is provided for one hundred percent (100%) of that portion of the Podium Façade where there is no Liner.
    3. Above the second Story, Parking may extend into the Second Layer By Right if Liners are provided at the ground level and at a separate level directly above which fully conceal the parking and if Architectural Screening, of a design to be approved by the Planning Director or designee, is provided for one hundred percent (100%) of that portion of the Podium Façade where there is no Liner.
  5. Secondary Frontage. All Parking, open parking areas, covered parking, Parking Garages, Loading Spaces, and service areas shall be located in the Third Layer. Parking may extend into the Second Layer a maximum of fifty percent (50%) of the length of the Frontage, as shown in Illustration 5.5. Where open parking areas are not masked by a Liner they shall be masked by a Streetscreen. : Above the first Story, Parking options shall be as follows:
    1. A Liner shall be provided for a minimum of fifty percent (50%) of the length of the Podium, as shown in Illustration 5.5.
    2. Above the first Story, Parking may extend into the Second Layer beyond fifty percent (50%) of the length of the Podium by process of Waiver if Architectural Screening of a design, to be approved by the Planning Director or designee is provided for that portion of the Podium Façade where there is no Liner.
    3. Above the second Story, Parking may extend into the Second Layer, by Right, if Liners are provided at the ground level and at a separate level directly above for a minimum of percent (50%) of the length of the Podium, as shown in Illustration 5.5, and if Architectural Screening, of a design to be approved by the Planning Director, is provided for one hundred percent (100%) of that portion of the Podium Façade where there is no Liner.
  6. Underground parking may extend into the Second and First Layers only if it is fully underground and does not require raising first-floor elevation of the First and Second Layers above that of the Sidewalk. Ramps to underground parking shall be only within the Second and Third Layers.
  7. Architectural Screening design standards shall be as follows:

    1. Where a Habitable Liner is not provided, all Facades and Elevations shall be concealed by Architectural Screening which may include limited openings of the minimum amount necessary by the Florida Building Code to allow for natural ventilation, provided it can be demonstrated that the Architectural Screening complies with Article 4, Table 12 Design Review Criteria.

    2. Ramping shall be internalized wherever possible.

    3. Exposed Spandrels shall be prohibited.

  8. The exposed top level of parking Structures shall be covered a minimum of sixty percent (60%) with a shade-producing Structure such as, but not limited to, a vined pergola or retractable canvas shade Structure.

  9. For the portion of the Podium where a Liner is provided above the first Story, development allowances shall be as follows:

    1. Density: For each dwelling unit fully contained within the Second Layer, a development shall be allowed an additional one-quarter (0.25) dwelling unit.

    2. Micro Dwelling Units: Micro Dwelling Units fully contained within the Second Layer shall be allowed as of Right. See Article 6.

  10. A Vehicular Entry on a Frontage shall be no wider than twenty-five (25) feet and the minimum distance between Vehicular Entries shall be sixty (60) feet, unless approved by Waiver.

  11. Pedestrian Entrances to all parking lots and parking structures shall be directly from a Frontage Line. Underground parking structures should be entered by pedestrians directly from a Principal Building.

  12. Buildings mixing Uses shall provide parking for each Use. Shared Parking shall be calculated according to Article 4, Table 5.


5.5.5 Architectural Standards (T5)

  1. Only permanent Structures shall be allowed. Temporary Structures such as mobile homes, construction trailers, travel trailers, recreational vehicles and other temporary Structures shall not be allowed except as per City Code and this Code.
  2. The Facades on Retail Frontages shall be detailed as storefronts and glazed with clear glass no less than seventy percent (70%) of the sidewalk-level Story. Security screens shall be seventy percent (70%) open.
  3. Roof materials should be light-colored, high Albedo or a planted surface and shall comply with Article 3, Section 3.13.2 of this Code.


5.5.6 Landscape Standards (T5)

  1. The First Layer shall be paved and landscaped as per Illustration 8.4.
  2. Open Space shall be a minimum of ten percent (10%) of the Lot Area. Unpaved Green Space shall be a minimum five percent (5%) of the Lot Area.


5.5.7 Ambient Standards (T5)

  1. Noise regulations shall be as established in the City Code.
  2. Average lighting levels measured at the Building Frontage shall not exceed 5.0 fc (foot-candles).
  3. Lighting of Building and contingent Open Spaces shall be compatible with street lighting of Abutting public spaces as illustrated in Article 8. Interior garage lighting fixtures shall not be visible from streets.
  4. The lighting fixtures of exposed rooftop parking shall be concealed by a parapet wall and shall not be seen from surrounding streets.


ILLUSTRATION 5.5 GENERAL URBAN TRANSECT ZONES (T5)

BUILDING DISPOSITION

BUILDING PLACEMENT

LOT OCCUPATION

a. Lot Area
-With rear vehicular access
5,000 s.f. min.; 40,000 s.f. max.
1,200 s.f. min.; 40,000 s.f. max.
b. Lot Width
-With rear vehicular access
50 ft min.
16 ft min.
c. Lot Coverage80% - 90% max.*, except where greater lot coverage is approved by Exception from City Commission within TOD area.
d. Floor Lot Ratio (FLR)N/A
e. Frontage at front Setback70% min.
f. Open Space10% Lot Area min.
g. Density65 du/ac max.
BUILDING SETBACK

PARKING PLACEMENT

a. Principal Front10 ft. min.

b. Secondary Front10 ft. min.
c. Side0 ft. min.
d. Rear0 ft. min.
e. Abutting Side or Rear T46 ft min. up to 95 ft. in height
26 ft. min. above 95 ft. in height, except where lesser setbacks are approved by Exception from City Commission within TOD area.
f. Abutting Side or Rear T310% of Lot depth** min up to 39 ft in height.
26 ft. min. above 39 ft. in height, except where lesser setbacks are approved by Exception from City Commission within TOD area.
BUILDING CONFIGURATION

BUILDING HEIGHT

FRONTAGE

a. Common Lawnprohibited
b. Porch & Fenceprohibited
c. Terrace or L.C.prohibited
d. Forecourtpermitted
e. Stooppermitted
f. Shopfrontpermitted (T5-L and T5-O only)
g. Gallerypermitted by Special Area Plan
h. Arcadepermitted by Special Area Plan
i. Loggiapermitted
BUILDING HEIGHT
a. Min. Height1 Story (15 ft min.)
b. Max. Height5 Stories
c. Max. Benefit Height
  • 3 Stories Abutting D1, except when Abutting T3
  • 3 Stories within a TOD***
  • 3 Stories for lots assembled and platted prior to Miami 21 that are more than 200,000 sq ft.***
  • 3 Stories within an Opportunity Zone and a Transit Corridor or TOD
  • 3 Stories, up to a maximum of 91 feet when Abutting T3, within one of the following Transit Corridors:
    • NW 7th Avenue
    • Biscayne Boulevard
* As modified through the Flexible Lot Coverage Program
*** Shall be process of Exception in circumstances specified in Section 3.14.1.1


5.6.1 Building Disposition (T6)

  1. Newly platted Lots shall be dimensioned according to Illustration 5.6.
  2. Lot Coverage by any Building shall not exceed that shown in Illustration 5.6.

    Flexible Lot Coverage Program

    Additional Lot Coverage may be approved up to ninety percent (90%) if the proposed Development satisfies at least one (1) of the following conditions:

    1. Provision of a Roof Terrace in an amount of square footage equivalent to four (4) times the gross Lot Area obtained from increased Lot Coverage or twenty percent (20%) of the Building roof surface area, whichever amount is greater.

    2. Open Space provided off-site in an area of need identified by the City Parks and Open Space Master Plan and the City’s Parks Department, at an amount equal to the square footage obtained from increased Lot Coverage. The Open Space shall be provided as a Civic Space Type standard within Article 4, Table 7 of this Code.

    3. A cash contribution to the Miami 21 Public Benefits Trust Fund or authorized program account equivalent to the Development’s Floor Area obtained by increased Lot Coverage on a square foot basis. The value of this cash contribution shall follow the provisions described in Section 3.14.4(b)(3).

  3. Buildings shall be disposed in relation to the boundaries of their Lots according to Illustration 5.6.
  4. Buildings shall have their principal Pedestrian Entrances on a Frontage Line or from a courtyard at the Second Layer.
  5. On Principal Frontage(s), for the minimum Height, Facades shall be placed:
    1. In the Build-to Zone for a minimum of seventy percent (70%) of the length of each Principal Frontage as shown in Illustration 5.6; or
    2. At the edge of a Civic Space Type for a minimum of seventy percent (70%) of the length of each Principal Frontage and designed as per Article 4 Table 7; or
    3. Along a Waterfront, pursuant to Appendix B – Waterfront Design Guidelines, Section 2.3(a); or
    4. Utilizing a combination of the options above.

      In the absence of a Building along the remaining thirty percent (30%) of the Frontage Line, a Streetscreen shall be built co-planar with the Façade to shield parking and service areas. In the case of two (2) or three (3) Principal Frontages meeting at Thoroughfare intersections, the Building corner may recede from the designated Setback up to twenty percent (20%) of the Lot length.
  6. At the first Story, Facades along a Frontage Line shall have frequent doors and windows; Pedestrian Entrances shall occur at a maximum spacing of seventy five (75) feet unless approved by Waiver.
  7. Setbacks for Buildings shall be as shown in Illustration 5.6. Front Setbacks above the Podium for Lots having a depth of one hundred (100) feet or less may be reduced to match the front Setback of the Podium for that portion of the Lot where the depth is one hundred (100) feet or less, by process of Waiver. For T6-12, T6-24, T6-36, T6-48, T6-60 and T6-80, the Front Setbacks above the Podium shall not be required for a Frontage facing a Civic Space or a Right-of-Way seventy (70) feet or greater in width. On Principal Frontages, Tower Front Setbacks may be reduced to align with the Podium Façade for a maximum aggregate of thirty percent (30%) of the length of the Podium, if a Liner is provided directly below that complements the design of the Tower. At property lines Abutting a lower Transect Zone the Setbacks shall reflect the transition as shown in Illustration 5.6. Where a Lot to be developed Abuts an existing legal Structure other than a Sign, a Waiver may be granted so the proposed Structure matches the ground level dominant Setback of the Block Face and its Context. Where a Lot to be developed Abuts a Lot containing an existing legal Building, a Waiver may be granted so that the proposed Building matches the ground level dominant Setback of the Block Face and its Context, as follows:

    1. For Rights-of-Way with an adjacent Sidewalk less than six and half (6 ½) feet a two (2) Story building or less may be permitted by process of Waiver.

    2. For Rights-of-Way with an adjacent Sidewalk greater than six and half (6 ½) feet, but less than twelve (12) feet, a four (4) Story building or less may be permitted by process of Waiver.

    3. For Rights-of-Way with an adjacent Sidewalk greater than twelve (12) feet may be permitted for the number of Stories allowed by the Transect Zone by process of Waiver.

  8. Above the Podium, the minimum Tower spacing is sixty (60) feet. Side and rear Setbacks above the eighth floor shall be a minimum of ten (10) feet for side and rear property lines abutting a Right-of-Way seventy (70) feet or greater in width. For T6-24, T6-36, T6-48, T6-60 and T6-80 Lots having one dimension one hundred (100) feet or less, side and rear Setbacks above the Podium may be reduced to a minimum of twenty (20) feet, for that portion of the Lot where the depth or width is one hundred (100) feet or less, by process of Waiver. For T6-36, T6-48, T6-60 and T6-80 above the Podium in the Second Layer, at a setback of ten (10) feet, an additional two stories of habitable space may extend a maximum sixty percent (60%) of the length of the street Frontages. For T6-24, T6-36, T6-48, T6-60 and T6-80 above the Podium an additional six feet of non-habitable space may be allowed without additional setback to accommodate depth of swimming pools, landscaping, transfer beams, and other structural and mechanical systems.
  9. For sites with three hundred and forty (340) feet Frontage length or more, a cross-Block Passage shall be provided as follows: If the Frontage Line of a site is at any point more than three hundred and forty (340) feet from a Thoroughfare intersection, the Building shall provide a cross-Block Pedestrian Passage. If the Frontage Line of a site is at any point six hundred and fifty (650) feet from a Thoroughfare intersection, a vehicular cross-Block passage shall be provided.

Such cross-Block Passage shall:

  • connect Thoroughfares or Civic Space Types that are opposite and approximately parallel to one another;
  • connect to existing cross-Block Passages or placed in a way that future development may connect;
  • be a minimum width of twenty (20) feet and a minimum height of fifteen (15) feet;
  • not be covered above the first Story by more than twenty-five percent (25%) of its length with Structures connecting Buildings, such as a terrace, pedestrian bridge or vehicular bridge. In T6-36, T6-48, T6-60 and T6-80 a Pedestrian Passage may be roofed; and
  • comply with the Design Review Guidelines as described in Article 4 Table 12 of this code.

A cross-Block Passage shall not be required if any of the following conditions apply:

  1. the site Abuts a T3 or T4 property at the side or rear that would prevent a cross-Block Passage from being provided. In such conditions, the Project shall provide an enhancedpedestrian experience by including the following design elements:
    1. building articulation and/or a Civic Space Type that incorporates breaks in the Façade;
    2. enhanced hardscape design, landscape elements, furnishing elements, and lighting; and
    3. compliance with the Design Review Criteria shown in Article 4 Table 12.
  2. the site Abuts a historically designated Building, railway, highway, utilities, or natural feature that would prevent a cross-Block Passage from being provided. In such conditions, the Project shall include a Civic Space Type that complies with the following standards:
    1. be a minimum of an equivalent area of the required cross–Block Passage (i.e. twenty feet (20) multiplied by the Lot depth);
    2. have a public access from a frontage line of a minimum width of twenty (20) feet;
    3. not be covered with Structures for more than twenty-five percent (25%) and shall have a minimum clearance of greater than fifteen (15) feet; and
    4. complies with the Design Review Criteria shown in Article 4 Table 12.

j. Maximum Lot size as shown in Illustration 5.6 may be increased by Exception for Uses that serve the Neighborhood.

k. Additions or alterations on Lots containing a Single-Family Residence shall follow the requirements of the T3-L Transect Zone.


5.6.2 Building Configuration (T6)

  1. Development within Private Frontages shall comply with Article 4, Table 2 and 6 and Illustration 5.6.
  2. Above the Podium, the Building Floorplate dimensions shall be limited as follows:
    1. 15,000 square feet maximum for Residential & Lodging Uses in T6-8, T6-12 and T6-24
    2. 18,000 square feet maximum for Residential & Lodging Uses in T6-36, T6-48, T6-60 and T6-80
    3. 180 feet maximum length for Residential & Lodging Uses
    4. Balconies or any other exterior projections shall not project by a distance greater than twelve (12) feet beyond the Building Floorplate maximum length in any direction
    5. Balconies shall not encroach more than five (5) feet into the minimum required Building spacing dimensions as required by Section 5.6.1.h; no Waivers shall be applied to this provision
  3. Encroachments shall be as follows:
    1. At the first Story in the First Layer, stairs, ramps, and other elements used for vertical circulation shall not be permitted, except in the following circumstances:
      1. For Rights-of-Way with an adjacent Sidewalk ten (10) feet or greater, stairs, ramps, and other elements used for vertical circulation may encroach up to fifty percent (50%) of the First Layer for that portion of the site where the adjacent Sidewalk is ten (10) feet or greater.
      2. For portions of Lots with a depth of one hundred (100) feet or less and a Right-of-Way with an adjacent Sidewalk ten (10) feet or less, stairs, ramps, and other elements used for vertical circulation may encroach up to fifty percent (50%) of the First Layer for twenty percent (20%) of the length of the Frontage subject to the following criteria for enhanced walkway design with review and approval by the Planning Director:
        1. Maintain a minimum clear circulation zone of twelve (12) feet including a minimum of three (3) feet of clear public Sidewalk for eighty percent (80%) of the Frontage; and
        2. Maintain a minimum clear circulation zone of ten (10) feet including a minimum of three (3) feet of clear public Sidewalk for twenty percent (20%) of the Frontage. Minimum circulation zone may be reduced to eight (8) feet when trees are placed within the Right-of-Way at those points.
      3. For Lots with a length of three hundred (300) feet or more and a Right-of-Way with an adjacent Sidewalk ten (10) feet or less, stairs, ramps, and other elements used for vertical circulation may encroach up to fifty percent (50%) of the First Layer for twenty percent (20%) of the length of the Frontage subject to the following criteria for enhanced walkway design with review and approval by the Planning Director:
        1. Maintain a minimum clear circulation zone of twelve (12) feet including a minimum of three (3) feet of clear public Sidewalk for eighty percent (80%) of the Frontage; and
        2. Maintain a minimum clear circulation zone of ten (10) feet including a minimum of three (3) feet of clear public Sidewalk for twenty percent (20%) of the Frontage. Minimum circulation zone may be reduced to eight (8) feet when trees are placed within the Right-of-Way at those points.
      4. In the event an existing Building is raised in order to bring the finished floor elevation above the Base Flood Elevation plus Freeboard, stairs and ramps required for vertical circulation may encroach one hundred percent (100%) of the Setback by process of Waiver.
    2. At the first Story in the First Layer, cantilevered Awnings and cantilevered entry canopies may encroach up to one hundred percent (100%) of the depth of the Setback; except as may be further allowed by Chapter 54 of the City Code.
    3. Above the first Story in the First Layer, encroachments are allowed as follows:

      1. Within the Podium, cantilevered balconies, bay windows, roofs, Architectural Screening elements, and Façade components promoting energy efficiency such as shading and Screening devices that are non-accessible, may encroach a maximum of five (5) feet into the Setback. Other cantilevered portions of the Building shall maintain the required Setback.

      2. Above the Podium, cantilevered balconies, bay windows, roofs or Façade components promoting energy efficiency, such as shading and Screening devices that are non-accessible, may encroach up to three (3) feet into the Setback; except:

        1. For Buildings with an Established Setback Area greater than a ten (10) foot setback, balconies above the first Story may encroach up to one third (1/3) of the Established Setback Area beyond the allowable three (3) foot encroachment.

        2. Other cantilevered portions of the Building shall maintain the required Setback.

    4. At the Second and Third Layers, Awnings, balconies, bay windows, chimneys, roofs, stairs, Architectural Screening elements, and Façade components promoting energy efficiency such as shading and Screening devices may encroach up to three (3) feet of the depth of the Side and/or Rear Setbacks. A densely planted vegetation Screen shall be provided and maintained along any Property Line that abuts a T3 Transect Zone and fronts the encroaching Structure. Said Screen shall include the following components:
      1. a combination of trees and shrubs using a variety of Florida-friendly species per Article 9, Section 9.1, titled “Plant Quality,” that will mature to create a continuous visual Screen; and
      2. tree specimens shall have a 3” caliper and a minimum height of fourteen (14) feet at planting and a minimum height of twenty-five (25) feet at maturity, except where the height and location of overhead power-lines requires the planting of low growing trees, which shall be a minimum height of eight (8) feet and minimum caliper of two (2) inches at time of planting and a mature height and spread not encroaching within five (5) feet of overhead power-lines; and
      3. shrubs shall be planted at a maximum average spacing of thirty (30) inches on center or if planted at a minimum height of thirty-six (36) inches, shall have a maximum average spacing of forty-eight (48) inches on center and shall be maintained so as to form a continuous, unbroken and solid visual screen within one (1) year after time of planting.
    5. When a Lot abuts an existing Single family residence Building, the Building Elevation and/or Balconies on the rear or side shall be set back a minimum of three (3) feet from the property line.
  4. Galleries and Arcades shall be minimum fifteen (15) feet deep, shall encroach one hundred percent (100%) of the depth of the Setback and shall overlap the whole width of the Sidewalk to within two (2) feet of the curb. Permitted by process of a Special Area Plan.
  5. All outdoor storage, electrical, plumbing, mechanical, and communications equipment and appurtenant enclosures shall be located within the Second or Third Layer and concealed from view from any Frontage or Sidewalk by Liner Buildings, walls, Streetscreens, or opaque gates. These shall not be allowed as Encroachments.
  6. Vehicular Entries for loading and service shall be accessed from Alleys when available and otherwise from the Secondary Frontage. Loading spaces and service areas shall be internal to the building. When a Lot has only Principal Frontagesloading and service Vehicular Entries shall be permitted on Principal Frontages
  7. Building Heights shall be measured in Stories and shall conform to Article 4, Table 2 and be allocated as required in Illustration 5.6. First-floor elevation shall be at average Sidewalk grade. A first level Residential Function or Lodging Function should be raised a minimum of two (2) feet and a maximum of three and a half (3.5) feet above average Sidewalk grade for privacy reasons, or Base Flood Elevation with a minimum of one (1) foot to a maximum of five (5) feet of Freeboard, whichever is higher. Existing one Story Structures shall be considered conforming and may be enlarged. Within Special Flood Hazard Areas, the heights at which Building Setbacks are applied, as shown in Illustration 5.6, may be increased by five (5) feet.
  8. Roof elements shall be permitted as follows:

    1. Mechanical equipment on a roof shall be visually concealed from ground-level and lateral views by parapets or screens of the minimum height necessary , but said parapets and screens shall not exceed ten (10) feet in height for T6-8.

    2. Ornamental Building features, decorative elements, or similar Structures on a roof may extend up to twelve (12) feet in height for T6-8.

    3. Stair and elevator enclosures on a roof in T6-8 may extend up to eighteen (18) feet in height.

    4. Cooling towers and other non-Habitable Rooms on a roof in T6-8 may extend up to eighteen (18) feet in height and shall have a minimum setback of ten (10) feet from the Building Facades.

    5. There shall be no height limitation for ornamental elements, stairand elevator enclosures, mechanical equipment, or cooling towers on a roof for T6-12, T6-24, T6-36, T6-48, T6-60 and T6-80.

    6. Trellises and fabric shade structures on a roof may extend up to fourteen (14) feet in height.

    7. Non-Habitable void space on a roof accommodating the depth of swimming pools; landscaping; decks; Extensive, Semi-Intensive, and Intensive Green Roof systems; transfer beams and other structural elements; and/or mechanical systems may extend up to six (6) feet in height. For the purposes of this subsection only, other permitted roof elements may extend above the vertical extent of the void space for the additional height specified. Non-Habitable void space may cover one hundred percent (100%) of the roof and shall not be counted as Public Benefit Floor Area.

    8. Habitable Spaces above the top Story shall comply with the following requirements:

      1. may extend up to fourteen (14) feet in height and shall have a minimum setback of ten (10) feet from Building Facades;

      2. may be used as amenity or Commercial Uses identified within Article 4, Table 3 Building Function: Uses and shall provide associated outdoor roof programming;

      3. shall not be used as Residential Units, Lodging Units, or Office space; and

      4. shall be treated as Public Benefit Floor Area for the first twenty percent (20%) and 1.5 times Public Benefit Floor Area for the additional twenty percent (20%).

    9. Habitable Spaces, cooling towers and other non-Habitable Rooms, mechanical equipment, and stair and elevator enclosures on a roof may:

      1. cover up to twenty percent (20%) of the roof area; and

      2. cover an additional 20% of the roof area, not to exceed a total of forty percent (40%), when an Intensive Green Roof of an equivalent size of the additional area is provided and maintained.

    10. All roof elements shall be designed to:

      1. harmonize with the overall architectural intent of the building;

      2. mitigate any negative visual impacts of the additional height and massing on the roof; and

      3. comply with Article 4, Table 12 Design Review Criteria.

    11. All roof elements shall be designed and maintained to comply with Florida Building Code including, where possible, the use of Notice of Acceptance (NOA) products and any vegetated roof system shall be independent of the roof structure, to be verified by the Building Department.

  9. All ground floor and roof top utility infrastructure and mechanical equipment shall be concealed from public view. At the building Frontage, all equipment such as backflow preventers, siamese connections, and the like shall be placed within the line of the Facade or behind the Streetscreen. On the roof a screen wall shall conceal all equipment except antennas from lateral view. Solar Equipment shall be screened unless screening diminishes performance by greater than fifteen percent (15%) and the Solar Equipment cannot be feasibly relocated. Exhaust air fans and louvers may be allowed on the Façade only on the Secondary Frontages above the first floor.
  10. Streetscreens or fences shall be between three and a half (3.5) and eight (8) feet in Height and constructed of a material matching the adjacent building Façade or of masonry, wrought iron or aluminum. The Streetscreen may be replaced by a hedge. Streetscreens shall have openings no larger than necessary to allow automobile and pedestrian access. Streetscreens shall be located coplanar with the Building Facade Line. Streetscreens over three (3) feet high shall be fifty percent (50%) permeable or articulated to avoid blank walls.
  11. Within the Second and Third Layers, fences and walls shall not exceed a Height of eight (8) feet. Existing or permitted Single-Family Residences and Two-Family Housing as of the effective date of this amendment to the Miami 21 Code may utilize the standards applicable to fences and walls in the T3 Transect Zone provided that such Use is the only Use on the Lot and that any such fence and wall erected or maintained pursuant to this subsection be removed upon any other change of Use. Notwithstanding the above, walls and fences enclosing outdoor Game Courts may extend up to a maximum height of thirteen feet (13’) and shall:
    1. comply with the underlying Principal Building Setbacks; and
    2. be transparent; and
    3. be screened by a perimeter landscape Buffer along the sides and rear of the minimum height, length and depth necessary to conceal them and mitigate any ambient impacts.
  12. The ground floor along all Frontages shall contain Habitable Space.


5.6.3 Building Function & Density (T6)

a. Buildings in T6 shall conform to the Functions, Densities, and Intensities described in Article 4, Tables 3 and 4 and Illustration 5.6. Certain Functions as shown in Article 4, Table 3 shall require approval by Warrant or Exception. Consult Article 6 for any supplemental regulations.

b. The calculation of the FLR shall not apply to that portion of the building that is entirely below Base Flood Elevation.


5.6.4 Parking Standards (T6)

  1. Vehicular parking and loading shall be required as shown in Article 4, Tables 4 and 5.
  2. On-street parking available along the Frontage Lines that correspond to each Lot shall be counted toward the parking requirement of the Building on the Lot.
  3. Parking should be accessed by an Alley. shall be accessed from the Secondary Frontage when available. Where Lots have only Principal Frontages, parking may be accessed from the Principal Frontages. Where a Lot is located on one or more State or County Thoroughfares and is abutting a T3 Transect Zone on the same side of said Thoroughfare, parking Vehicular Entries shall be from the Secondary Frontage when available. Said Vehicular Entry shall be set back a minimum of 20 feet from the Property Line abutting the T3 Lot. When a Secondary Frontage is not available, said Vehicular Entry shall be from the Principal Frontages.

  4. Primary Frontage: All Parking including drop-off drives and porte-cocheres, open parking areas, covered parking, Parking Garages, Loading space and service areas shall be located within the Third Layer and shall be masked from the Frontage by a Liner Building or Streetscreen as illustrated in Article 4, Table 8. Ground Level Parking may extend into the Second Layer a maximum of twenty five percent (25%) of the length of the Primary Frontage or up to a maximum of fifty (50) feet, whichever is less. Above the First Story, Parking shall be provided by utilizing the following options:

    1. A Liner shall be provided for the length of the Podium, as shown in Illustration 5.6.

    2. Above the first Story, Parking may extend into the Second Layer by Waiver, if Architectural Screening of a design to be approved by the Planning Director is provided for one hundred percent (100%) of that portion of the Podium Façade where there is no Liner.

    3. Above the second Story, Parking may extend into the Second Layer by Right, if Liners are provided at the ground level and at a separate level directly above which fully conceal the parking and if Architectural Screening of a design to be approved by the Planning Director or designee is provided for one hundred (100%) percent of that portion of the Podium Façade where there is no Liner.

  5. Secondary Frontage: All Parking, open parking areas, covered parking, Parking Garages, Loading Spaces, and service areas shall be located in the Third Layer. Parking may extend into the Second Layer a maximum of fifty percent (50%) of the length of the Frontage, as shown in Illustration 5.6. Where open parking areas are not masked by a Liner they shall be masked by a Streetscreen. Above the first Story, Parking options shall be as follows:

    1. A Liner shall be provided for a minimum of fifty percent (50%) of the length of the Podium, as shown in Illustration 5.5.

    2. Above the first Story, Parking may extend into the Second Layer beyond fifty percent (50%) of the length of the Podium by process of Waiver if Architectural Screening of a design to be approved by the Planning Director or designee is provided for that portion of the Podium Facade where there is no Liner.

    3. Above the second Story, Parking may extend into the Second Layer, by Right, if Liners are provided at the ground level and at a separate level directly above for a minimum of percent (50%) of the length of the Podium, as shown in Illustration 5.6, and if Architectural Screening of a design to be approved by the Planning Director or designee, is provided for one hundred percent (100%) of that portion of the Podium Façade where there is no Liner.

  6. Secondary Underground parking may extend into the Second and First Layers only if it is fully underground and does not require raising the first-floor elevation of the First and Second Layers above that of the sidewalk. Ramps to underground parking shall be within the Second or Third Layers.

  7. Architectural Screening design standards shall be as follows:

    1. Where a Habitable Liner is not provided, all Facades and Elevations shall be concealed by Architectural Screening which may include limited openings of the minimum amount necessary by the Florida Building Code to allow for natural ventilation, provided it can be demonstrated that the Architectural Screening complies with Article 4, Table 12 Design Review Criteria.

    2. Ramping shall be internalized wherever possible.

    3. Exposed Spandrels shall be prohibited.

  8. The exposed top level of parking Structures shall be covered a minimum of sixty percent (60%) with a shade-producing Structure such as, but not limited to, a vined pergola or retractable canvas shade Structure.

  9. For the portion of the Podium where a Liner is provided above the first Story, development allowances shall be as follows:

    1. FLR: For each square foot of Floor Area provided within the Second Layer, a development shall be allowed an additional one-half (0.5) square foot of Floor Area.

    2. Density: For each dwelling unit fully contained within the Second Layer, a development shall be allowed an additional one-quarter (0.25) dwelling unit.

    3. Micro Dwelling Units: Micro Dwelling Units fully contained within the Second Layer shall be allowed as of Right. See Article 6.

  10. A Vehicular Entry on a Frontage shall be no wider than thirty (30) feet and the minimum distance between Vehicular Entries shall be sixty (60) feet, unless approved by Waiver.

  11. Pedestrian Entrances to all parking Lots and parking structures shall be directly from a Frontage Line. Underground parking structures should be entered by pedestrians directly from a Principal Building.

  12. Buildings mixing uses shall provide parking for each Use. Shared Parking shall be calculated according to Article 4, Table 5.


5.6.5 Architectural Standards (T6)

  1. Only permanent structures shall be allowed. Temporary structures such as mobile homes, construction trailers, travel trailers, recreational vehicles and other temporary structures shall not be allowed except as per City Code and this code.
  2. The Facades on Retail Frontages shall be detailed as storefronts and glazed with clear glass no less than seventy percent (70%) of the sidewalk-level Story. Security screens shall be seventy percent (70%) open.
  3. Roof materials should be light-colored, high Albedo or a planted surface and shall comply with Article 3, Section 3.13.2 of this Code.


5.6.6 Landscape Standards (T6)

  1. The First Layer shall be paved and landscaped as per Illustration 8.4.
  2. Open Space shall be a minimum ten percent (10%) of the total Lot area. Ten percent (10%) of the Open Space provided in Second or Third Layer shall be landscaped.

5.6.7 Ambient Standards (T6)

  1. Noise regulations shall be as established in the City Code.
  2. Average lighting levels measured at the Building Frontage shall not exceed 20 fc (foot-candles).
  3. Lighting of building and contingent Open Spaces shall be compatible with street lighting of Abutting public spaces as illustrated in Article 8. Interior garage lighting fixtures shall not be visible from streets.
  4. The lighting fixtures of exposed rooftop parking shall be concealed by a parapet wall and shall not be seen from surrounding streets.



ILLUSTRATION 5.6 URBAN CORE TRANSECT ZONES (T6-8)

BUILDING DISPOSITION

BUILDING PLACEMENT

LOT OCCUPATION

a. Lot Area5,000 s.f. min.; 40,000 s.f. max.
b. Lot Width50 ft min.
c. Lot Coverage
- 1-8 Stories80% - 90% max.***
- Above 8th Story15,000 sf. max. Floorplate for Residential & Lodging
n/a for Office & Commercial
d. Floor Lot Ratio (FLR)5 / 25% additional Public Benefit
e. Frontage at front Setback70% min.
f. Open Space10% Lot Area min.
g. Density150 du/ac max.*
BUILDING SETBACK

PARKING PLACEMENT

a. Principal Front10 ft. min.; 20 ft. min. above Podium

b. Secondary Front10 ft. min.; 20 ft. min. above Podium
c. Side0 ft. min.; 30 ft. min. above Podium
d. Rear0 ft. min.; 30 ft. min. above Podium
e. Abutting Side or Rear T50 ft. min. up to 95 ft. in height
10 ft. min. from 95 ft. in height through Podium30 ft. min. above Podium
f. Abutting Side or Rear T46 ft. min. up to 95 ft. in height
26 ft. min. above 95 ft. in height
g. Abutting Side or Rear T310% of Lot depth** min. up to 39 ft. in height
26 ft. min. from 39 ft. through 95 ft. height
46 ft. min. above 95 ft. in height
BUILDING CONFIGURATION

BUILDING HEIGHT

FRONTAGE



a. Common Lawnprohibited
b. Porch & Fenceprohibited
c. Terrace or L.Cprohibited
d. Forecourtpermitted
e. Stooppermitted
f. Shopfrontpermitted (T6-8-L and T6-8-O only)
g. Gallerypermitted by Special Area Plan
h. Arcadepermitted by Special Area Plan
i. Loggiapermitted
BUILDING HEIGHT
a. Min. Height1 Story (15 ft min.)
b. Max. Height8 Stories
c. Max. Benefit Height4 Stories Abutting all Transects Zones except T3
* Or as modified in Diagram 9
*** As modified through the Flexible Lot Coverage Program


ILLUSTRATION 5.6 URBAN CORE TRANSECT ZONES (T6-12)

BUILDING DISPOSITION

BUILDING PLACEMENT

LOT OCCUPATION

a. Lot Area5,000 s.f. min.; 70,000 s.f. max.
b. Lot Width50 ft min.
c. Lot Coverage
- 1-8 Stories80% max.
- Above 8th Story15,000 sf. max. Floorplate for Residential & Lodging
n/a for Office & Commercial
d. Floor Lot Ratio (FLR)8 / 30% additional Public Benefit
e. Frontage at front Setback70% min.
f. Open Space10% Lot Area min.
g. Density150 du/ac max.*
BUILDING SETBACK

PARKING PLACEMENT

a. Principal Front10 ft. min.; 20 ft. min. above Podium

b. Secondary Front10 ft. min.; 20 ft. min. above Podium
c. Side0 ft. min.; 30 ft. min. above Podium
d. Rear0 ft. min.; 30 ft. min. above Podium
e. Abutting Side or Rear T50 ft. min. up to 95 ft. in height
10 ft. min. from 95 ft. in height through Podium
30 ft. min. above Podium
Abutting Side or Rear T46 ft. min. up to 95 ft. in height
26 ft. min. from 95 ft. in height through Podium
30 ft. min. above Podium
Abutting Side or Rear T310% of Lot depth** min. up to 39 ft.
26 ft. min. from 39 ft. to 95 ft. in height
46 ft. min. above 95 ft. in height
BUILDING CONFIGURATION

BUILDING HEIGHT

FRONTAGE

a. Common Lawnprohibited
b. Porch & Fenceprohibited
c. Terrace or L.Cprohibited
d. Forecourtpermitted
e. Stooppermitted
f. Shopfrontpermitted (T6-12-L and T6-12-O only)
g. Gallerypermitted by Special Area Plan
h. Arcadepermitted by Special Area Plan
i. Loggiapermitted
BUILDING HEIGHT
a. Min. Height2 Stories
b. Max. Height12 Stories
c. Max. Benefit Height8 Stories Abutting all Transects Zones except T3

* Or as modified in Diagram 9


ILLUSTRATION 5.6 URBAN CORE TRANSECT ZONES (T6-24)

BUILDING DISPOSITION

BUILDING PLACEMENT

LOT OCCUPATION

a. Lot Area5,000 s.f. min.; 100,000 s.f. max.
b. Lot Width50 ft min.
c. Lot Coverage
- 1-8 Stories80% - 90% max.**
- Above 8th Story15,000 sf. max. Floorplate for Residential & Lodging
n/a for Office & Commercial
d. Floor Lot Ratio (FLR)T6-24a: 7 / 30% additional Public Benefit
T6-24b: 16 / 40% additional Public Benefit
e. Frontage at front Setback70% min.
f. Open Space10% Lot Area min.
g. Density150 du/ac max.*
BUILDING SETBACK

PARKING PLACEMENT

a. Principal Front10 ft. min.; 20 ft. min. above Podium

b. Secondary Front10 ft. min.; 20 ft. min. above Podium
c. Side0 ft. min.; 30 ft. min. above Podium
d. Rear0 ft. min.; 30 ft. min. above Podium
e. Abutting Side or Rear T50 ft. min. up to 95 ft. in height
10 ft. min. from 95 ft. in height through Podium
30 ft. min. above Podium
BUILDING CONFIGURATION

BUILDING HEIGHT

FRONTAGE

a. Common Lawnprohibited
b. Porch & Fenceprohibited
c. Terrace or L.Cprohibited
d. Forecourtpermitted
e. Stooppermitted
f. Shopfrontpermitted (T6-24-L and T6-24-O only)
g. Gallerypermitted by Special Area Plan
h. Arcadepermitted by Special Area Plan
i. Loggiapermitted
BUILDING HEIGHT
a. Min. Height2 Stories
b. Max. Height24 Stories
c. Max. Benefit Height24 Stories Abutting all Transects Zones except T3

* Or as modified in Diagram 9
** As modified through the Flexible Lot Coverage Program


ILLUSTRATION 5.6 URBAN CORE TRANSECT ZONES (T6-36)

BUILDING DISPOSITION

BUILDING PLACEMENT

LOT OCCUPATION

a. Lot Area5,000 s.f. min.
b. Lot Width100 ft min.
c. Lot Coverage
- 1-8 Stories80% - 90% max.**
- Above 8th Story18,000 sf. max. Floorplate for Residential & Lodging
n/a for Office & Commercial
d. Floor Lot Ratio (FLR)T6-36a: 12 / 40% additional Public Benefit
T6-36b: 22 / 40% additional Public Benefit
e. Frontage at front Setback70% min.
f. Open Space10% Lot Area min.
g. Density150 du/ac max.*
BUILDING SETBACK

PARKING PLACEMENT

a. Principal Front10 ft. min.; 20 ft. min. above Podium

b. Secondary Front10 ft. min.; 20 ft. min. above Podium
c. Side0 ft. min.; 30 ft. min. above Podium
d. Rear0 ft. min.; 30 ft. min. above Podium
e. Abutting Side or Rear T50 ft. min. up to 95 ft. in height
10 ft. min. from 95 ft. in height through Podium
30 ft. min. above Podium
BUILDING CONFIGURATION

BUILDING HEIGHT

FRONTAGE

a. Common Lawnprohibited
b. Porch & Fenceprohibited
c. Terrace or L.Cprohibited
d. Forecourtpermitted
e. Stooppermitted
f. Shopfrontpermitted (T6-36-L and T6-36-O only)
g. Gallerypermitted by Special Area Plan
h. Arcadepermitted by Special Area Plan
i. Loggiapermitted
BUILDING HEIGHT
a. Min. Height2 Stories
b. Max. Height36 Stories
c. Max. Benefit Height24 Stories Abutting all Transects Zones except T3

* Or as modified in Diagram 9
** As modified through the Flexible Lot Coverage Program


ILLUSTRATION 5.6 URBAN CORE TRANSECT ZONES (T6-48)

BUILDING DISPOSITION

BUILDING PLACEMENT

LOT OCCUPATION

a. Lot Area5,000 s.f. min.
b. Lot Width100 ft min.
c. Lot Coverage
- 1-8 Stories80% - 90% max.**
- Above 8th Story18,000 sq. ft. max. Floorplate for
Residential & Lodging
n/a for Office &
Commercial
d. Floor Lot Ratio (FLR)T6-48a: 11 / 50% additional Public Benefit
T6-48b: 18 / 50% additional Public Benefit
e. Frontage at front Setback70% min.
f. Open Space10% Lot Area min.
g. Density150 du/ac max.*
BUILDING SETBACK

PARKING PLACEMENT

a. Principal Front10 ft. min.; 20 ft. min. above Podium

b. Secondary Front10 ft. min.; 20 ft. min. above Podium
c. Side0 ft. min.; 30 ft. min. above Podium
d. Rear0 ft. min.; 30 ft. min. above Podium
e. Abutting Side or Rear T50 ft. min. up to 95 ft. in height
10 ft. min. from 95 ft. in height through Podium
30 ft. min. above Podium
BUILDING CONFIGURATION

BUILDING HEIGHT

FRONTAGE

a. Common Lawnprohibited
b. Porch & Fenceprohibited
c. Terrace or L.Cprohibited
d. Forecourtpermitted
e. Stooppermitted
f. Shopfrontpermitted (T6-48-L and T6-48-O only)
g. Gallerypermitted by Special Area Plan
h. Arcadepermitted by Special Area Plan
i. Loggiapermitted
BUILDING HEIGHT
a. Min. Height2 Stories
b. Max. Height48 Stories
c. Max. Benefit Height32 Stories Abutting all Transects Zones except T3

* Or as modified in Diagram 9
** As modified through the Flexible Lot Coverage Program


ILLUSTRATION 5.6 URBAN CORE TRANSECT ZONES (T6-60)

BUILDING DISPOSITION

BUILDING PLACEMENT

LOT OCCUPATION

a. Lot Area5,000 s.f. min.
b. Lot Width100 ft min.
c. Lot Coverage
- 1-8 Stories80% - 90% max.**
- Above 8th Story18,000 sf. max. Floorplate for Residential & Lodging
n/a for Office & Commercial
d. Floor Lot Ratio (FLR)T6-60a: 11 / 50% additional Public Benefit
T6-60b: 18 / 50% additional Public Benefit
e. Frontage at front Setback70% min.
f. Open Space10% Lot Area min.
g. Density150 du/ac max.*
BUILDING SETBACK

PARKING PLACEMENT

a. Principal Front10 ft. min.; 20 ft. min. above Podium

b. Secondary Front10 ft. min.; 20 ft. min. above Podium
c. Side0 ft. min.; 30 ft. min. above Podium
d. Rear0 ft. min.; 30 ft. min. above Podium
e. Abutting Side or Rear T50 ft. min. up to 95 ft. in height
10 ft. min. from 95 ft. in height through Podium
30 ft. min. above Podium
BUILDING CONFIGURATION

BUILDING HEIGHT

FRONTAGE

a. Common Lawnprohibited
b. Porch & Fenceprohibited
c. Terrace or L.Cprohibited
d. Forecourtpermitted
e. Stooppermitted
f. Shopfrontpermitted (T6-60-L and T6-60-O only)
g. Gallerypermitted by Special Area Plan
h. Arcadepermitted by Special Area Plan
i. Loggiapermitted
BUILDING HEIGHT
a. Min. Height2 Stories
b. Max. Height60 Stories
c. Max. Benefit Heightunlimited Stories Abutting all Transects Zones except T3
* Or as modified in Diagram 9
** As modified through the Flexible Lot Coverage Program


ILLUSTRATION 5.6 URBAN CORE TRANSECT ZONES (T6-80)

BUILDING DISPOSITION

BUILDING PLACEMENT

LOT OCCUPATION

a. Lot Area5,000 s.f. min.
b. Lot Width100 ft min.
c. Lot Coverage
- 1-8 Stories80% - 90% max.**
- Above 8th Story18,000 sf. max. Floorplate for Residential & Lodging
n/a for Office & Commercial
d. Floor Lot Ratio (FLR)24 / 50% additional Public Benefit
e. Frontage at front Setback70% min.
f. Open Space10% Lot Area min.
g. Density150 du/ac max.*
BUILDING SETBACK

PARKING PLACEMENT

a. Principal Front10 ft. min.; 20 ft. min. above Podium

b. Secondary Front10 ft. min.; 20 ft. min. above Podium
c. Side0 ft. min.; 30 ft. min. above Podium
d. Rear0 ft. min.; 30 ft. min. above Podium
BUILDING CONFIGURATION

BUILDING HEIGHT

FRONTAGE

a. Common Lawnprohibited
b. Porch & Fenceprohibited
c. Terrace or L.Cprohibited
d. Forecourtpermitted
e. Stooppermitted
f. Shopfrontpermitted (T6-80-L and T6-80-O only)
g. Gallerypermitted by Special Area Plan
h. Arcadepermitted by Special Area Plan
i. Loggiapermitted

BUILDING HEIGHT

a. Min. Height2 Stories
b. Max. Height80 Stories
c. Max. Benefit Heightunlimited Stories Abutting all Transects Zones except T3
* Or as modified in Diagram 9
** As modified through the Flexible Lot Coverage Program


5.8.1 Building Disposition (CI-HD)

  1. Newly platted Lots shall be dimensioned according to Illustration 5.8.
  2. Lot coverage by any Building shall not exceed that shown in Illustration 5.8.
  3. Buildings shall be disposed in relation to the boundaries of their Lots according to Illustration 5.8. A CI-HD lot may have more than one building.
  4. Principal pedestrian entrances shall generally be along Principal Frontages and vehicular entrances on streets of less intensity.
  5. It is recommended that Facades be built parallel to the Principal Frontage Line.
  6. It is recommended at the first Story, Facades along a Frontage Line have frequent doors and windows.
  7. Setbacks for Buildings shall be as shown in Illustration 5.8. Where a Lot to be developed Abuts an existing legal Structure other than a Sign, a Waiver may be granted so the proposed Structure matches the ground level dominant Setback of the Block Face and its Context. Where a Lot to be developed Abuts a Lot containing an existing legal Building, a Waiver may be granted so that the proposed Building matches the ground level dominant Setback of the Block Face and its Context, as follows:
    1. For Rights-of-Way with an adjacent Sidewalk less than six and half (6 ½) feet a two (2) Story building or less may be permitted by process of Waiver.
    2. For Rights-of-Way with an adjacent Sidewalk greater than six and half (6 ½) feet, but less than twelve (12) feet, a four (4) Story building or less may be permitted by process of Waiver.
    3. For Rights-of-Way with an adjacent Sidewalk greater than twelve (12) feet may be permitted for the number of Stories allowed by the Transect Zone by process of Waiver.
  8. It is recommended that above the Podium, minimum Building spacing be sixty (60) feet.
  9. Public access to public plazas and walkways shall be provided and pedestrian walkway connections shall be provided between parallel public streets.
  10. Additions or alterations on Lots containing a Single-Family Residence shall follow the requirements of the T3-L Transect Zone.

5.8.2 Building Configuration (CI-HD)

  1. Development within Private Frontages shall comply with Article 4, Tables 2 and 6 and Illustration 5.8.
  2. It is recommended that above the Podium, the Building Floorplate dimensions be limited as follows:
    1. 15,000 square feet maximum for Residential Uses
    2. 30,000 square feet maximum for Commercial Uses and for parking
    3. 180 feet maximum length for Residential Uses
    4. 215 feet maximum length for Commercial Uses
      Civil Support and Educational Uses within the CI-HD Transect Zone shall have no maximum Floorplate dimensions.
  3. Encroachments may be as follows:
    1. At the first Story in the First Layer, stairs, ramps, and other elements used for vertical circulation shall not be permitted, except in the following circumstances:
      1. For Rights-of-Way with an adjacent Sidewalk ten (10) feet or greater, stairs, ramps, and other elements used for vertical circulation may encroach up to fifty percent (50%) of the First Layer for that portion of the site where the adjacent Sidewalk is ten (10) feet or greater.
      2. For portions of Lots with a depth of one hundred (100) feet or less and a Right-of-Way with an adjacent Sidewalk ten (10) feet or less, stairs, ramps, and other elements used for vertical circulation may encroach up to fifty percent (50%) of the First Layer for twenty percent (20%) of the length of the Frontage subject to the following criteria for enhanced walkway design with review and approval by the Planning Director:
        1. Maintain a minimum clear circulation zone of twelve (12) feet including a minimum of three (3) feet of clear public Sidewalk for eighty percent (80%) of the Frontage; and
        2. Maintain a minimum clear circulation zone of ten (10) feet including a minimum of three (3) feet of clear public Sidewalk for twenty percent (20%) of the Frontage. Minimum circulation zone may be reduced to eight (8) feet when trees are placed within the Right-of-Way at those points.
      3. For Lots with a length of three hundred (300) feet or more and a Right-of-Way with an adjacent Sidewalk ten (10) feet or less, stairs, ramps, and other elements used for vertical circulation may encroach up to fifty percent (50%) of the First Layer for twenty percent (20%) of the length of the Frontage subject to the following criteria for enhanced walkway design with review and approval by the Planning Director:
        1. Maintain a minimum clear circulation zone of twelve (12) feet including a minimum of three (3) feet of clear public Sidewalk for eighty percent (80%) of the Frontage; and
        2. Maintain a minimum clear circulation zone of ten (10) feet including a minimum of three (3) feet of clear public Sidewalk for twenty percent (20%) of the Frontage. Minimum circulation zone may be reduced to eight (8) feet when trees are placed within the Right-of-Way at those points.
      4. In the event an existing Building is raised in order to bring the finished floor elevation above the Base Flood Elevation plus Freeboard, stairs and ramps required for vertical circulation may encroach one hundred percent (100%) of the Setback by process of Waiver.
    2. At the first Story in the First Layer, cantilevered Awnings and cantilevered entry canopies may encroach up to one hundred percent (100%) of the depth of the Setback, except as may be further allowed by Chapter 54 of the City Code.
    3. Above the first Story in the First Layer, cantilevered balconies, bay windows, roofs, and Facade components promoting energy efficiency, such as shading and Screening devices that are non-accessible, may encroach a maximum of three (3) feet of the depth of the Setback. Other cantilevered portions of the Building shall maintain the required Setback.
    4. At the Second and Third Layers, Awnings, balconies, bay windows, chimneys, roofs, stairs, and Façade components promoting energy efficiency such as shading and Screening devices may encroach up to three (3) feet of the depth of the Side and/or Rear Setbacks. A densely planted vegetation Screen shall be provided and maintained along any Property Line that abuts a T3 Transect Zone and fronts the encroaching Structure. Said Screen shall include the following components:
      1. a combination of trees and shrubs using a variety of Florida-friendly species per Article 9, Section 9.1, titled “Plant Quality,” that will mature to create a continuous visual Screen; and
      2. tree specimens shall have a 3” caliper and a minimum height of fourteen (14) feet at planting and a minimum height of twenty-five (25) feet at maturity, except where the height and location of overhead power-lines requires the planting of low growing trees, which shall be a minimum height of eight (8) feet and minimum caliper of two (2) inches at time of planting and a mature height and spread not encroaching within five (5) feet of overhead power-lines; and
      3. shrubs shall be planted at a maximum average spacing of thirty (30) inches on center or if planted at a minimum height of thirty-six (36) inches, shall have a maximum average spacing of forty-eight (48) inches on center and shall be maintained so as to form a continuous, unbroken and solid visual screen within one (1) year after time of planting.
    5. When a Lot abuts an existing Single family residence Building, the Building Elevation and/or Balconies on the rear or side shall be set back a minimum of three (3) feet from the property line.
  4. It is recommended that Galleries and Arcades be a minimum of fifteen (15) feet deep.
  5. It is recommended that all ground floor and rooftop utility infrastructure, outdoor storage, electrical, plumbing, mechanical, Solar Equipment, and communications equipment and appurtenant enclosures be concealed from view from any Frontage or Sidewalk.
  6. It is recommended that Loading space and service areas be internal to the building or situated and screened from view to the street and adjacent properties.
  7. Building Heights shall be measured in Stories and shall conform to Article 4, Table 2 and be allocated as required in Illustration 5.8. First-Floor Elevation should be at average Sidewalk grade. Within Special Flood Hazard Areas, the heights at which Building Setbacks are applied, as shown in Illustation 5.8, may be increased by five (5) feet.
  8. Within the Second and Third Layers, Fences and walls shall not exceed a Height of eight (8) feet. Major Facilities requiring additional Fence or wall Height may be permitted by Waiver, subject to the Planning Director’s agreement that the applicant has demonstrated that the Use specifically requires the proposed additional Height. Notwithstanding the above, walls and fences enclosing outdoor Game Courts may extend up to a maximum height of thirteen feet (13’) and shall:
    1. comply with the underlying Principal Building Setbacks; and
    2. be transparent; and
    3. be screened by a perimeter landscape Buffer along the sides and rear of the minimum height, length and depth necessary to conceal them and mitigate any ambient impacts.

5.8.3 Building Function & Density (CI-HD)

a. Buildings in CI-HD shall conform to the Functions, Densities, and Intensities described in Article 4, Tables 3 and 4 and Illustration 5.8. Consult Article 6 for any supplemental regulations.

b. Uses additional to those listed in Article IV, Table 3 are allowed only if they are customarily accessory and clearly incidental to the university, hospital, research facility or governmentally owned facilities within the CI-HD Transect Zone. These accessory uses need not occur in Ancillary structures but can occur throughout the zone. These accessory uses include, but are not limited to, storage facilities; laundry or cleaning facilities; incinerator facilities; and other uses related to the operation of the university, hospital, research facility or governmentally owned facilities of the zone.

c. The calculation of the FLR shall not apply to that portion of the Building that is entirely below Base Flood Elevation.

5.8.4 Parking Standards (CI-HD)

  1. Vehicular parking and loading shall be required as shown in Article 4, Table 4 and loading shall be required as shown in Article 4, Table 5. All parking spaces available throughout the district under a single ownership or as a shared component between more than one owner shall be applicable towards satisfaction of the parking requirements.
    The computation of parking requirements for new permits shall be calculated as follows:
    1. The Floor Area of all Buildings, excluding parking, within the Zone shall be added to that of the proposed structure.
    2. The ratio shown in Article 4, Table 4 shall be applied to the resulting figure to obtain the total number of parking spaces required within the Zone.
    3. The total number of parking spaces within the Zone shall be deducted from the total number of required parking spaces. The result shall be the number of parking spaces that must be provided in connection with the new structure.
    4. All handicapped parking spaces available throughout the Zone shall be counted in satisfaction of the handicapped requirements for all Buildings.
  2. Warrants for buildings that share parking shall be approved only if the owner or owners continuously maintain, on file with the Planning Department, a master plan designating: the location and number of all present and future parking spaces, together with the location and floor area of all present and proposed Buildings; the location and number of access drives to public streets; internal and merging traffic and circulation; the painted or curbed separation of vehicular and pedestrian traffic; and the arrangement and circulation of parking areas. Materials to be submitted with applications for Warrants shall include such site plans, landscaping plans, Building elevations, surveys, and such reports and surveys detailing:
    1. Hourly/Daily parking utilization throughout the district;
    2. Direction of approach;
    3. Vehicle Occupancy;
    4. Ridership surveys;
    5. Shuttle bus/taxi utilization; and
    6. Metrorail/Metrobus utilization.
  3. On-street parking available throughout the District shall not be counted toward the parking requirement of the Building on the Lot.
  4. Parking should be accessed from the Secondary Frontage when available. Where Lots have only Principal Frontages, parking may be accessed from the Principal Frontages.
  5. It is recommended that Offstreet parking and loading be within enclosed structures which shall either be underground or, if aboveground, shall be designed to provide a minimal visual impact, well integrated with the principal structures. Unenclosed vehicular parking and loading in any location visible from a public street shall be appropriately screened from surrounding rights-of-way.
  6. It is recommended that the vehicular entrance of a parking Lot or garage on a Frontage be no wider than thirty (30) feet and the minimum distance between vehicular entrances should be sixty (60) feet.

5.8.5 Architectural Standards (CI-HD)

  1. Temporary structures shall be allowed as per City Code.
  2. It is recommended that the Facades on Retail Frontages be detailed as storefronts and glazed with clear glass no less than seventy percent (70%) of the Sidewalk-level Story.
  3. It is recommended that Roof materials be light-colored, high Albedo or a planted surface.
  4. It is recommended that the Façade and all Elevations of a Parking gGarage that are not concealed behind a Habitable Liner be screened by Architectural Screening to conceal all Parking Elements . It is recommended that Ramping be internalized wherever possible.
  5. Rooftop parking or mechanical equipment and utility service areas visible from nearby Buildings shall be screened with landscape or architectural materials.

5.8.6 Landscape Standards (CI-HD)

  1. The First Layer shall be paved and landscaped as per Illustration 8.4.
  2. Open Space shall be a minimum ten percent (10%) of the total Lot area.

5.8.7 Ambient Standards (CI-HD)

  1. Noise regulations shall be as established in the City Code.
  2. It is recommended that lighting of building and contingent Open Spaces be compatible with street lighting of Abutting public spaces as illustrated in Article 8. Interior garage lighting fixtures should not be visible from streets.
  3. It is recommended that the lighting fixtures of exposed rooftop parking be concealed by a parapet wall and should not be seen from surrounding streets.


ILLUSTRATION 5.8 INSTITUTION ZONE - HEALTH DISTRICT ZONES (CI-HD)

BUILDING DISPOSITION

BUILDING PLACEMENT

LOT OCCUPATION

a. Lot Area10,000 s.f. min.
b. Lot Width50 ft min.
c. Lot Coverage80% max.
d. Floor Lot Ratio (FLR)8
e. Frontage at front SetbackN/A
f. Open Space10% Lot Area min.
g. Density150 du/ac max.*
BUILDING SETBACK
a. Principal Front10 ft. min.; 20 ft. min. above Podium
b. Secondary Front10 ft. min.; 20 ft. min. above Podium
c. Side0 ft. min.; 30 ft. min. above Podium
d. Rear0 ft. min.; 30 ft. min. above Podium
* Setbacks above the Podium are encouraged, not required.
BUILDING CONFIGURATION

BUILDING HEIGHT

FRONTAGE

a. Common Lawnprohibited
b. Porch & Fenceprohibited
c. Terrace or L.Cpermitted
d. Forecourtpermitted
e. Stooppermitted
f. Shopfrontpermitted
g. Gallerypermitted
h. Arcadepermitted
BUILDING HEIGHT
a. Min. Height1 Stories
b. Max. HeightAs regulated by the F.A.A.


5.9.1 Building Disposition (D)

  1. Newly platted Lots shall be dimensioned according to Illustration 5.9.
  2. Lot coverage by Buildings shall not exceed that shown in Illustration 5.9.
  3. A Building shall be disposed in relation to the boundaries of its Lot according to Illustration 5.9.
  4. One or more Buildings may be built on each Lot as shown in Illustration 5.9.
  5. Setbacks for Buildings shall be as shown in Article 4, Table 2 and Illustration 5.9. Where a Lot to be developed Abuts an existing legal Structure other than a Sign, a Waiver may be granted so the proposed Structure matches the ground level dominant Setback of the Block Face and its Context. Where a Lot to be developed Abuts a Lot containing an existing legal Building, a Waiver may be granted so that the proposed Building matches the ground level dominant Setback of the Block Face and its Context, as follows:
    1. For Rights-of-Way with an adjacent Sidewalk less than six and half (6 ½) feet a two (2) Story building or less may be permitted by process of Waiver.
    2. For Rights-of-Way with an adjacent Sidewalk greater than six and half (6 ½) feet, but less than twelve (12) feet, a four (4) Story building or less may be permitted by process of Waiver.
    3. For Rights-of-Way with an adjacent Sidewalk greater than twelve (12) feet may be permitted for the number of Stories allowed by the Transect Zone by process of Waiver.
  6. Additions or alterations on Lots containing a Single-Family Residence shall follow the requirements of the T3-L Transect Zone.

5.9.2 Building Configuration (D)

  1. Development within Private Frontages shall comply with Article 4, Tables 2 and 6 and Illustration 5.9.
  2. Encroachments shall be as follows: At the First Layer, cantilevered Awnings and entry canopies may encroach up to one hundred percent (100%) of the depth of the Setback, except as may be further allowed by Chapter 54 of the City Code; cantilevered portions of balconies, bay windows, roofs, and Architectural Screening elements shall be a maximum five (5) feet deep and may encroach up to a five (5) feet depth of the Setback. Other cantilevered portions of the Building shall maintain the required Setback. At the Second Layer no Encroachments are permitted except that Façade components promoting energy efficiency such as shading, screening devices that are non-accessible, and Architectural Screening elements may encroach a maximum of three (3) feet.
  3. Galleries and Arcades shall be a minimum fifteen (15) feet deep and may encroach up to one hundred percent (100%) of the depth of the Setback and may be required as a part of a Special Area Plan.
  4. All storage, utility and infrastructure elements including service areas, Loading space, transformers, telephone boxes, garbage cans, dumpsters, condensers, meters, backflow preventers, siamese connections and the like shall be located within the Second or Third Layer and concealed from view from any Frontage or sidewalk by Streetscreens, and opaque gates. Loading and service entries shall be accessed from Alleys when available.
  5. Vehicular entries, Loading space and service areas shall be permitted on Principal Frontages.
  6. Building Heights shall be measured in Stories and shall conform to Article 4, Table 2 and be allocated as required in Illustration 5.9. Industrial uses requiring additional Height in D1 and D2 may be permitted by process of Warrant, subject to the Planning Director agreement that the applicant has demonstrated that the use specifically requires the proposed Height. Within Special Flood Hazard Areas, the heights at which Building Setbacks are applied, as shown in Illustration 5.9, may be increased by five (5) feet.
  7. Roof elements shall be permitted as follows:
    1. Mechanical equipment on a roof shall be visually concealed from ground-level and lateral views by parapets or screens of the minimum height necessary, but said parapets and screens shall not exceed ten (10) feet.
    2. Solar Equipment shall be screened unless screening diminishes performance by greater than fifteen percent (15%) and the Solar Equipment cannot be feasibly relocated.
    3. Ornamental Building features, decorative elements, or similar Structures on a roof may extend up to twelve (12) feet in height.
    4. Trellises and fabric shade structures on a roof may extend up to twelve (12) feet in height.
    5. Stair and elevator enclosures, may extend up to eighteen (18) feet in height .
    6. Cooling towers and other non-Habitable Rooms on a roof may extend up to eighteen (18) feet in height and shall have a minimum setback of ten (10) feet from the Building Facades.
    7. Non-Habitable void space on a roof accommodating the depth of swimming pools; landscaping; decks; Extensive, Semi-Intensive, and Intensive Green Roof systems; transfer beams and other structural elements; and/or mechanical systems may extend up to six (6) feet in height. For the purposes of this subsection only, other permitted roof elements may extend above the vertical extent of the void space for the additional height specified. Non-Habitable void space may cover one hundred percent (100%) of the roof and shall not be counted as Public Benefit Floor Area.
    8. Habitable Spaces above the top Story shall comply with the following requirements:
      1. may extend up to fourteen (14) feet in height and shall have a minimum setback of ten (10) feet from Building Facades;
      2. may be used as amenity or Commercial Uses identified within Article 4, Table 3 Building Function: Uses and shall provide associated outdoor roof programming;
      3. shall not be used as Residential Units, Lodging Units, or Office space; and
      4. shall be treated as Public Benefit Floor Area for the first twenty percent (20%) and 1.5 times Public Benefit Floor Area for the additional twenty percent (20%).
    9. Habitable Spaces, cooling towers and other non-Habitable Rooms, mechanical equipment, and stair and elevator enclosures on a roof may:
      1. cover up to twenty percent (20%) of the roof area; and
      2. cover an additional 20% of the roof area, not to exceed a total of forty percent (40%), when an Intensive Green Roof of an equivalent size of the additional area is provided and maintained.
    10. All roof elements shall be designed to:
      1. harmonize with the overall architectural intent of the building;
      2. mitigate any negative visual impacts of the additional height and massing on the roof, and
      3. comply with Article 4, Table 12 Design Review Criteria.
    11. All roof elements shall be designed and maintained to comply with Florida Building Code including, where possible, the use of Notice of Acceptance (NOA) products and any vegetated roof system shall be independent of the roof structure, to be verified by the Building Department.
  8. Streetscreens shall be between three and a half (3.5) and eight (8) feet in Height. The Streetscreen may be replaced by a hedge or fence. Streetscreens shall have openings no larger than necessary to allow automobile and pedestrian access. Fences and walls within the First, Second, and Third Layers shall notexceed a Height of eight (8) feet. Notwithstanding the above, walls and fences enclosing outdoor Game Courts may extend up to a maximum height of thirteen feet (13’) and shall:
    1. comply with the underlying Principal Building Setbacks; and
    2. be transparent; and
    3. be screened by a perimeter landscape Buffer along the sides and rear of the minimum height, length and depth necessary to conceal them and mitigate any ambient impacts.

5.9.3 Building Function & Density (D)

a. Buildings in Districts shall conform to the Functions, Densities, and Intensities described in Article 4, Tables 3 and 4 and Illustration 5.9 and Article 6.

5.9.4 Parking Standards (D)

  1. Vehicular parking shall be required as shown in Article 4, Tables 4 and 5.
  2. On-street parking available along the Frontage Lines that correspond to each Lot shall be counted toward the parking requirement of the Building on the Lot.
  3. All parking, including open parking areas, covered parking, garages, loading docks and service areas shall be masked from the Frontage by a Streetscreen as illustrated in Article 4, Table 8. Underground parking may extend into the Second and First Layers only if it is fully underground and does not require raising the first-floor elevation of the First and Second Layers above that of the Sidewalk.
  4. Buildings mixing uses shall provide parking required for each use. Shared Parking shall be calculated according to Article 4, Table 5.
  5. Architectural Screening design standards shall be as follows:
    1. Where a Habitable Liner is not provided, all Facades and Elevations shall be concealed by Architectural Screening which may include limited openings of the minimum amount necessary by the Florida Building Code to allow for natural ventilation, provided it can be demonstrated that the Architectural Screening complies with Article 4, Table 12 Design Review Criteria.
    2. Ramping shall be internalized wherever possible.
    3. Exposed Spandrels shall be prohibited.
  6. The exposed top level of parking Structures shall be covered a minimum of sixty percent (60%) with a shade-producing Structure such as, but not limited to, a vined pergola or retractable canvas shade Structure.

5.9.5 Architectural Standards (D)

a. Temporary structures shall be permitted only as per City Code.

b. Roof materials should be light-colored, high Albedo or a planted surface.

5.9.6 Landscape Standards (D)

a. Unpaved Open Space shall be a minimum five percent (5%) of the Lot Area.

5.9.7 Ambient Standards (D)

a. Noise regulations shall be as established in the City Code.

b. Average lighting levels measured at the Building Frontage shall not exceed 1.0 fc (foot-candles).

c. Lighting of Building and Abutting Open Spaces shall be compatible with street lighting of Abutting public spaces as illustrated in Article 8. Interior garage lighting fixtures shall not be visible from streets.

d. The lighting fixtures of exposed rooftop parking shall be concealed by a parapet wall and shall not be seen from surrounding streets.


ILLUSTRATION 5.9 DISTRICT ZONES - WORK PLACE (D1)

BUILDING DISPOSITION

BUILDING PLACEMENT

LOT OCCUPATION

a. Lot Area5,000 s.f. min.; 40,000 s.f. max.
b. Lot Width50 ft min.
c. Lot Coverage80% max.
d. Floor Lot Ratio (FLR)N/A
e. Frontage at front SetbackNone
f. Open Space5% Lot Area min.
g. Density36 du/ac max.
BUILDING SETBACK

PARKING PLACEMENT

a. Principal Front10 ft. min.

b. Secondary Front10 ft. min.
c. Side0 ft. min.
d. Rear0 ft. min.
e. Abutting Side or Rear T50 ft. min. up to 95 ft. in height
10 ft. min. above 5th Story from 95 ft. to 108 ft. in height
30 ft. min. above 108 ft. in height
f. Abutting Side or Rear T46 ft. min. up to 95 ft. in height
26 ft. min. above 95 ft. in height
g. Abutting Side or Rear T310% of Lot depth** min. up to 39 ft. in height
26 ft. min. above 39 ft. in height
BUILDING CONFIGURATION

BUILDING HEIGHT

FRONTAGE




a. Common Lawnprohibited
b. Porch & Fenceprohibited
c. Terrace or L.Cpermitted
d. Forecourtpermitted
e. Stooppermitted
f. Shopfrontpermitted
g. Gallerypermitted by Special Area Plan
h. Arcadepermitted by Special Area Plan
BUILDING HEIGHT
a. Min. HeightNone
b. Max. Height8 Stories
c. Max. Benefit Height2 Stories Abutting all Transects Zones except T3


ILLUSTRATION 5.9 DISTRICT ZONES - INDUSTRIAL (D2)

BUILDING DISPOSITION

BUILDING PLACEMENT

LOT OCCUPATION

a. Lot Area5,000 s.f. min.
b. Lot Width50 ft min.
c. Lot Coverage90% max.
d. Floor Lot Ratio (FLR)N/A
e. Frontage at front SetbackNone
f. Open Space5% Lot Area min.
g. DensityN/A
BUILDING SETBACK

PARKING PLACEMENT

a. Principal Front10 ft. min.

b. Secondary Front5 ft. min.
c. Side0 ft. min.
d. Rear0 ft. min.
e. Abutting Side or Rear T50 ft. min. up to 95 ft. in height
10 ft. min. from 95 ft. to 108 ft. in height
30 ft. min. above 108 ft in height
f. Abutting Side or Rear T46 ft. min. up to 95 ft. in height
26 ft. min. above 95 ft. in height
g. Abutting Side or Rear T310% of Lot depth** min. up to 39 ft. in height
26 ft. min. above 39 ft. in height
BUILDING CONFIGURATION

BUILDING HEIGHT

FRONTAGE

a. Common Lawnprohibited
b. Porch & Fenceprohibited
c. Terrace or L.Cpermitted
d. Forecourtpermitted
e. Stooppermitted
f. Shopfrontpermitted
g. Gallerypermitted by Special Area Plan
h. Arcadepermitted by Special Area Plan
BUILDING HEIGHT
a. Min. HeightNone
b. Max. Height8 Stories max.
c. Max. Benefit HeightN/A


5.10.1 Building Disposition (D3)

  1. Newly platted Lots shall be dimensioned according to Illustration 5.10.
  2. Lot coverage by Building shall not exceed that shown in Illustration 5.10.
  3. A Building shall be disposed in relation to the boundaries of its Lot according to Illustration 5.10.
  4. One or more Buildings may be built on each Lot as shown in Illustration 5.10.
  5. Setbacks for Buildings shall be as shown in Article 4, Table 2 and Illustration 5.10. Where a Lot to be developed Abuts an existing legal Structure other than a Sign, a Waiver may be granted so the proposed Structure matches the ground level dominant Setback of the Block Face and its Context. Where a Lot to be developed Abuts a Lot containing an existing legal Building, a Waiver may be granted so that the proposed Building matches the ground level dominant Setback of the Block Face and its Context, as follows:
    1. For Rights-of-Way with an adjacent Sidewalk less than six and half (6 ½) feet a two (2) Story building or less may be permitted by process of Waiver.
    2. For Rights-of-Way with an adjacent Sidewalk greater than six and half (6 ½) feet, but less than twelve (12) feet, a four (4) Story building or less may be permitted by process of Waiver.
    3. For Rights-of-Way with an adjacent Sidewalk greater than twelve (12) feet may be permitted for the number of Stories allowed by the Transect Zone by process of Waiver.

5.10.2 Building Configuration (D3)

  1. Development within Private Frontages shall comply with Tables 2 and 6 and Illustration 5.10.
  2. Encroachments shall be as follows: At the First Layer, cantilevered Awnings and entry canopies may encroach up to one hundred percent (100%) of the depth of the Setback, except as may be further allowed by Chapter 54 of the City Code; cantilevered balconies, bay windows, roofs, and Architectural Screening elements may encroach up to a five (5) feet depth of the Setback. Other cantilevered portions of the Building shall maintain the required Setback. At the Second Layer no encroachments are permitted except that Facade components promoting energy efficiency such as shading, screening devices that are non-accessible, and Architectural Screening elements may Encroach a maximum of three (3) feet.
  3. Galleries and Arcades shall be a minimum fifteen (15) feet deep and may encroach up to one hundred percent (100%) of the depth of the Setback and may be required as a part of a Special Area Plan.
  4. Except for the Waterfront Frontage, all storage, utility and infrastructure elements including service areas, Loading space, transformers, telephone boxes, garbage cans, dumpsters, condensers, meters, backflow preventers, siamese connections and the like shall be located within the Second or Third Layer and concealed from view from any Frontage or Sidewalk by Streetscreens, and opaque gates. Loading and service entries shall be accessed from Alleys when available.
  5. Vehicular entries, Loading space and service areas shall be permitted on Principal Frontages.
  6. Building Heights shall be measured in Stories and shall conform to Article 4, Table 2 and be allocated as required in Illustration 5.10. Industrial uses requiring additional Height in D3 may be permitted by process of Warrant, subject to the Planning Director agreement that the applicant has demonstrated that the use specifically requires the proposed Height. Within Special Flood Hazard Areas, the heights at which Building Setbacks are applied, as shown in Illustration 5.10, may be increased by five (5) feet.
  7. Roof elements shall be permitted as follows:

    1. Mechanical equipment on a roof shall be visually concealed from ground-level and lateral views by parapets or screens of a minimum height necessary to visually conceal it, but said parapets and screens shall not exceed ten (10) feet.

    2. Solar Equipment shall be screened unless screening diminishes performance by greater than fifteen percent (15%) and the Solar Equipment cannot be feasibly relocated.

    3. Ornamental Building features, decorative elements, or similar Structures on a roof may extend up to twelve (12) feet in height.

    4. Trellises and fabric shade structures on a roof may extend up to twelve (12) feet in Height.

    5. Stair and elevator enclosures, may extend up to eighteen (18) feet in height .

    6. Cooling towers and other non-Habitable Rooms on a roof may extend up to eighteen (18) feet in height and shall have a minimum setback of ten (10) feet from the Building Facades.

    7. Non-Habitable void space on a roof accommodating the depth of swimming pools; landscaping; decks; Extensive, Semi-Intensive, and Intensive Green Roof systems; transfer beams and other structural elements; and/or mechanical systems may extend up to six (6) feet in height. For the purposes of this subsection only, other permitted roof elements may extend above the vertical extent of the void space for the additional height specified. Non-Habitable void space may cover one hundred percent (100%) of the roof and shall not be counted as Public Benefit Floor Area.

    8. Habitable Spaces above the top Story shall comply with the following requirements:

      1. may extend up to fourteen (14) feet in Height and shall have a minimum setback of ten (10) feet from Building Facades;

      2. may be used as amenity or Commercial Uses identified within Article 4, Table 3 Building Function: Uses and shall provide associated outdoor roof programming;

      3. shall not be used as Residential Units, Lodging Units, or Office space; and

      4. shall be treated as Public Benefit Floor Area for the first twenty percent (20%) and 1.5 times Public Benefit Floor Area for the additional twenty percent (20%).

    9. Habitable Spaces, cooling towers and other non-Habitable Rooms, mechanical equipment, and stair and elevator enclosures on a roof may:

      1. cover up to twenty percent (20%) of the roof area; and

      2. cover an additional 20% of the roof area, not to exceed a total of forty percent (40%), when an Intensive Green Roof of an equivalent size of the additional area is provided and maintained.

    10. All roof elements shall be designed to:

      1. harmonize with the overall architectural intent of the building;

      2. mitigate any negative visual impacts of the additional height and massing on the roof; and

      3. comply with Article 4, Table 12 Design Review Criteria.

    11. All roof elements shall be designed and maintained to comply with Florida Building Code including, where possible, the use of Notice of Acceptance (NOA) products and any vegetated roof system shall be independent of the roof structure, to be verified by the Building Department.

  8. Streetscreens shall be between three and a half (3.5) and eight (8) feet in Height. The Streetscreen may be replaced by a hedge or fence. Streetscreens shall have openings no larger than necessary to allow automobile and pedestrian access.
  9. Parking, loading, service, utility, and storage areas and uses shall be screened from view of abutting zoning districts (other than D1 and D2 Zones), including shade trees spaced a minimum of thirty (30) feet on center. Screening shall not be required along the waterfront.
  10. Notwithstanding the above, walls and fences enclosing outdoor Game Courts may extend up to a maximum height of thirteen feet (13’) and shall:
    1. comply with the underlying Principal Building Setbacks; and
    2. be transparent; and
    3. be screened by a perimeter landscape Buffer along the sides and rear of the minimum height, length and depth necessary to conceal them and mitigate any ambient impacts.

5.10.3 Building Function & Density (D3)

a. Buildings in Districts shall conform to the Functions, Densities, and Intensities described in Article 4, Tables 3 and 4 and Illustration 5.10 and Article 6.

5.10.4 Parking Standards (D3)

  1. Vehicular parking shall be required as shown in Article 4, Tables 4 and 5.
  2. On-street parking available along the Frontage Lines that correspond to each Lot shall be counted toward the parking requirement of the Building on the Lot.
  3. All parking, including open parking areas, covered parking, garages, Loading spaces and service areas shall be masked from the Frontage by a Streetscreen as illustrated in Article 4, Table 8. Underground parking may extend into the Second and First Layers only if it is fully underground and does not require raising the first-floor elevation of the First and Second Layers above that of the Sidewalk.
  4. Buildings mixing uses shall provide parking required for each Use. Shared Parking shall be calculated according to Article 4, Table 5.
  5. Architectural Screening design standards shall be as follows:
    1. Where a Habitable Liner is not provided, all Facades and Elevations shall be concealed by Architectural Screening which may include limited openings of the minimum amount necessary by the Florida Building Code to allow for natural ventilation, provided it can be demonstrated that the Architectural Screening complies with Article 4, Table 12 Design Review Criteria.
    2. Ramping shall be internalized wherever possible.
    3. Exposed Spandrels shall be prohibited.
  6. The exposed top level of parking Structures shall be covered a minimum of sixty percent (60%) with a shade-producing Structure such as, but not limited to, a vined pergola or retractable canvas shade Structure.

5.10.5 Architectural Standards (D3)

a. Temporary structures shall be permitted only as per City Code.

b. Roof materials should be light-colored, high Albedo or a planted surface.

5.10.6 Landscape Standards (D3)

a. The First Layer as shown in Article 4, Table 6 shall be paved and landscaped to match the Public Frontage as shown in Article 8, Table B.

b. Unpaved green space shall be a minimum five percent (5%) of the total Lot Area.

5.10.7 Ambient Standards (D3)

a. Noise regulations shall be as established in the City Code.

b. Average lighting levels measured at the Building Frontage shall not exceed 1.0 fc (foot-candles).

c. Lighting of Building and Abutting Open Spaces shall be compatible with street lighting of Abutting public spaces as illustrated in Article 8. Interior garage lighting fixtures shall not be visible from streets.

d. The lighting fixtures of exposed rooftop parking shall be concealed by a parapet wall and shall not be seen from surrounding streets.


ILLUSTRATION 5.10 DISTRICT ZONES - WATERFRONT INDUSTRIAL (D3)

BUILDING DISPOSITION

BUILDING PLACEMENT

LOT OCCUPATION

a. Lot Area10,000 s.f. min.
b. Lot Width100 ft min.
c. Lot Coverage90% max.
d. Floor Lot Ratio (FLR)N/A
e. Frontage at front SetbackNone
f. Open Space5% Lot Area min.
g. DensityN/A
BUILDING SETBACK

PARKING PLACEMENT

a. Principal Front5 ft. min.

b. Secondary Front5 ft. min.
c. Side0 ft. min. or abutting zone
d. Rear0 ft. min. or abutting zone
e. Abutting Side or Rear T510 ft. min. up to 95 ft. in height
30 ft. min. above 95 ft. in height
f. Abutting Side or Rear T46 ft. min. up to 53 ft. in height
26 ft. min. above 53 ft. in height
g. Abutting Side or Rear T36 ft. min. up to 53 ft. in height
26 ft. min. above 53 ft. in height
BUILDING CONFIGURATION

BUILDING HEIGHT

FRONTAGE

a. Common Lawnprohibited
b. Porch & Fenceprohibited
c. Terrace or L.Cpermitted
d. Forecourtpermitted
e. Stooppermitted
f. Shopfrontpermitted
g. Gallerypermitted by Special Area Plan
h. Arcadepermitted by Special Area Plan
BUILDING HEIGHT
a. Min. HeightNone
b. Max. Height8 Stories max.
c. Max. Benefit HeightN/A
*Please see Article 3, Section 3.11 for additional Waterfront Setbacks regulations.




















5.7.1.1

Development in a Civic Space Zone should have a minimum of fifty percent (50%) of its perimeter enfronting a Thoroughfare. Civic Space sites shall be entered directly from a Thoroughfare.

5.7.1.2

Development in Civic Space Zones shall be consistent with the standards in Article 4, Tables 3, 4, and 7.

5.7.1.3

One or more Buildings may be built in each Civic Space. Building floor area shall not exceed twenty-five percent (25%) of the lot area of the Civic Space, and shall support the principal use of the Civic Space.

5.7.1.4

In Civic Spaces, Buildings, Fences and walls shall conform to regulations of the most restrictive Abutting Transect Zone, except as shown by City of Miami’s Parks and Public Spaces Master Plan or other master plans adopted by the City Comission. Other adjustments to the regulations shall be approved by process of Exception.

5.7.1.5

All Community facility and Recreational Facility Uses shall be government owned or operated only.


5.7.2.1

Development in a Civic Institution Zone shall have a minimum of one (1) Frontage enfronting a Thoroughfare and should have its primary entrance from a Thoroughfare.

5.7.2.2

Development in Civic Institution Zones shall be consistent with the standards in Article 4, Tables 3 and 4.

5.7.2.3

A Civic Institution Lot may have one (1) or more Buildings.

5.7.2.4

Civic Institution Development shall be permitted by process of Exception and shall conform to the following regulations:

  1. Any property located within a CI Zone may be developed according to the regulations of the most restrictive Abutting Transect Zone with all Frontage Setbacks considered a minimum.
  2. Development in a CI Zone shall follow the regulations of the Abutting Transect Zone, except that Height restrictions shall be as follows:
    1. A CI Zone entirely Abutting T3 shall be developed to no more than the maximum Height allowed by T4.
    2. A CI Zone predominantly Abutting T3 or T4, shall be developed to no more than the maximum Height allowed by T5.
    3. A CI Zone predominantly Abutting T5, T6-8, D1, D2 or D3, shall be developed to no more than the maximum Height of T6-8.
    4. A CI Zone entirely Abutting T6-8 or higher, may conform to the maximum Height of any higher Abutting Transect Zone.

c. A CI Zone may seek higher than Abutting successional Transect Zoning through the process of Special Area Plan.

d. Adjustments to the applicable Transect regulations, other than Density, Intensity and Height limitations, shall be allowed by process of Waiver. Adjustments to Setbacks shall be pursuant to those adjustments permitted by the most restrictive Abutting Transect Zone.

5.7.2.5

The expansion of any existing Civic Institution Use by less than twenty percent (20%) may be permitted By Right.

5.7.2.6

In the event that a Civic Institution Zone ceases to be used for Civic Institution Uses, it shall be developed either in accordance with the regulations of the most restrictive Abutting Transect Zone or by process of rezoning, subject to the limitations of the Comprehensive Plan.